单层厂房设计作业
- 格式:doc
- 大小:425.00 KB
- 文档页数:21
对于A,C轴柱:G1AK=G1CK=298.37KN。
对柱顶的偏心距e1A=e1C=250-150=100mm。
如例图-4(a)所示。
对于中柱:G BK=G'BK=2*298.37=596.74KN。
对柱顶的偏心距e1B=0。
如例图-4(b)所示。
例图-4 各柱G1BK作用位置2.上柱自重G2K(见例-5)对于边柱:G2A,K=G2C,K=6.25*3.5=21.875KN。
其偏心距e2A=e2C=650-250=400mm 对于中柱:G2B,K=8.75*3.5=30.625KN。
其偏心距e2B=03.吊车梁、轨道与零件的自重G3K(见例-5)边柱牛腿处:G3A,K=G3C,K=38+0.8*6=43.8KN。
其偏心距e3A=e3C=750-650=100mm 对于中柱牛腿处:G3B,K左=G3B,K左=43.8KN 。
其偏心距:e3B,K左=e3B,K=750mm。
4.下柱自重G4K(见例-5)对于边柱:G4A,K=G4C,K=8.55*5.5*1.1=51.78KN。
其偏心距e4A=e4C=0对于中柱:G4B,K=6.00*8.55*1.1=56.43 KN。
其偏心距e4B=05.基础连系梁与上部墙体自重(G5K,G6K),(见例-5)由于只在基础顶设置一道连系梁,因此,基础连系梁与上部墙体自重直接传给基础,故G5K=0。
为了确定墙体的荷载,需要计算墙体的净高:基础顶标高为-0.950m。
轨顶标高+8.7m。
根据单层厂房剖面图(见例图-1):檐口标高为:8.7+2.4+1.4=12.5m。
基础梁高:0.45m,因此,墙体净高为:12.5+0.95-0.45=13.0m。
窗宽4m,窗高4.8+1.8=6.6m。
基础连系梁与上部墙体自重:5.24*(13.0*6-4*6.6)+0.45*4*6.6=182.264KN。
基础连系梁自重:2.7*6=16.2KN基础连系梁与上部墙体自总重:G6A,K=G6C,K=282.264+16.2=298.464KN 。
单层钢结构工业厂房施工组织设计一、概述单层钢结构工业厂房是一种常见的建筑类型,其施工组织设计是确保施工过程顺利进行的关键。
本文将介绍单层钢结构工业厂房的施工组织设计,包括施工准备、施工方案、施工进度计划、施工质量保证措施等方面的内容。
二、施工准备1、技术准备:进行图纸会审,确认施工图纸的正确性;编制施工组织设计,明确施工方案、技术要求和安全措施;进行技术交底,确保施工人员了解施工方案和技术要求。
2、物资准备:根据施工需要,采购合格的钢材、焊接材料、涂料等原材料;准备施工机具、检测仪器等设备。
3、劳动力准备:选择具有丰富经验的施工队伍,并进行安全培训和技术交底;合理安排劳动力,确保施工进度。
4、现场准备:进行现场勘查,确定施工场地和临时设施的位置;进行现场清理和整平,确保施工条件符合要求。
三、施工方案1、钢结构制作:按照图纸要求,制作钢结构构件;进行构件检验和校正,确保符合规范要求;进行防腐处理,提高构件的使用寿命。
2、钢结构安装:根据施工图纸,进行钢结构安装定位;按照安装顺序,逐一安装钢结构构件;进行安装检验和校正,确保钢结构安装精度符合要求。
3、焊接与防腐:按照焊接规范进行焊接作业;进行焊缝质量检验,确保焊接质量符合要求;进行防腐处理,提高厂房的使用寿命。
四、施工进度计划1、制定施工进度计划表:根据施工合同和施工方案,制定详细的施工进度计划表;明确各阶段的任务、时间节点和完成标准。
2、进度监控与调整:对施工进度进行实时监控,及时发现并解决问题;根据实际情况,对施工进度计划进行调整,确保按时完成施工任务。
五、施工质量保证措施1、建立质量管理体系:建立完善的质量管理体系,明确质量标准和检测方法;制定质量管理计划,指导施工过程中的质量控制。
2、原材料质量控制:对原材料进行严格把关,确保进场的原材料符合规范要求;进行原材料检验和试验,确保原材料质量稳定可靠。
3、施工过程质量控制:对施工过程进行全面质量控制,包括焊接、防腐处理等关键环节;进行质量检测和验收,确保施工质量符合要求。
单层工业厂房施工组织设计一、工程概况本工程为多跨单层工业厂房,建筑面积24000平方米,主要由三部分组成:第一部分为总成偶件车间,第二部分为恒温车间,第三部分为生活间.其平面、立面、剖面和主要作法如图1所示.本车间抗震烈度按8度设防。
其结构类型:车间为预制钢筋混凝土铰结排架,生活间为砖混结构。
基础工程:总成偶件车间和恒温车间为钢筋混凝土杯形基础,车间内有大量的现浇钢筋混凝土设备基础。
生活间为钢筋混凝土条形基础。
地上结构:总成偶件车间、恒温车间为预制柱(现场预制)、预制屋面大梁、基础梁、屋面板以及预制陶粒混凝土外墙板(现场预制),有两道现浇钢筋混凝土圈梁。
生活间为现砌砖墙、预制短向钢筋混凝土空心楼板,在每层楼板处现浇一道钢筋混凝土圈梁。
设备方面:总成偶件车间内设有动力暗线、照明明配线、雨水、下水、上水暗线,外围设有上行下给暖气系统,厂房中心设有辐射布置的暖风机。
恒温车间内设有动力、照明暗线,上水下水、雨水和空调系统。
生活间设有动力照明暗线,上下水及采暖系统。
室外设有给水管网、排水管网、雨水管网、热力地沟系统,以及高压电缆、照明电缆系统。
本工程特点是工程量大,现场现浇钢筋混凝土量大,材料供应较紧,非标准设计较多,现场场地宽阔,整个工程要求一年建成,故应精心组织协作,才能多快好省地完成任务。
二、施工准备应认真抓好“三通一平",即水通、电通、道路通和场地平整,搭建必要的生活设施,落实设计施工图.1。
生产准备(1)障碍物清除:将地上地下障碍物搞清楚,然后作出障碍物清理计划。
(2)场地平整:利用铲运机、推土机等大型机械,按设计的室外地坪标高进行平整。
(3)电源经计算选用一台360千伏安变压器,做好临时外线和变电站的申请、安装和通电工作,并尽量利用正式电源。
(4)临时上水外线按消防用水要求,施工用水即够用,故确定管径为φ75毫米向自来水公司申请、安装和通水。
但应尽量利用正式上水。
(5)场内场外修筑6米宽临时施工道路,大部分结合永久道路的路基修筑。
混凝土课程设计——单层工业厂房设计混凝土结构单层工业厂房设计一、设计资料1. 概况:某工厂拟建一个焊接车间,根据工艺布置的要求,车间为单跨单层厂房,跨度为24m,设吊车30/5t和10t吊车两台,吊车均为中级工作制,轨顶标高8m,厂房设有天窗,建筑平、立、剖面图详图1、图2、图3。
2. 结构设计资料:(1) 自然条件:基本雪压 0.5kN/m2基本风压 0.5kN/m2地震设防烈度该工程位于非地震区,故不需抗震设防。
(2) 地质条件:场地平坦,地面以下0~1.5m为素填土层,1.5m以下为粉质粘土层,该土层fak =300kN/m2,Es=12Mpa,场地地下水位较低,可不考虑其对基础的影响。
3. 建筑设计资料屋面:采用卷材防水屋面,不设保温层;维护墙:采用240厚蒸压粉煤灰砖墙,外墙面为水刷石,内墙面为水泥石灰砂浆抹面;门窗:钢门、钢窗,尺寸参见立面图;地面:采用150厚C15素混凝土地面,室内外高差为300mm。
4. 吊车资料见表1表1 吊车参数Q (t)L k(m)H(m)B1+B2(mm)吊车宽B(m)轮距K(m)P max(kN)P min(kN)g(kN)30/5 22.5 2.734 ≥404 6.150 4.80 290.0 70.0 118.0 20/5 16.5 2.099 ≥334 5.955 4.00 185.0 35.0 69.77 10 16.5 1.876 ≥304 5.840 4.05 123.0 22.0 34.61二、结构选型及截面尺寸确定(一)构件选型1、屋面板采用卷材防水屋面,不设保温层。
即 防水层,21/35.0m KN G K =;20 mm 厚水泥砂浆找平层,22/40.0m KN G K =; 屋面活荷载,21/5.0m KN Q K =; 雪荷载,22/35.0m KN Q K =;2/99.15.04.1)4.035.0(35.1m KN q =⨯++⨯=屋面坡度设为1/10,选用标准图集04G410-1中的m 65.1⨯预应力钢筋混凝土屋面板(Y-WB-2),采用HRB400级钢筋,允许荷载设计值2/05.2m KN ,板自重标准值(包括灌缝在内)为2/5.1m KN 。
单层工业厂房课程设计任务书指导教师:杨东全高洪波班级:土本2009级(三班)海南大学土木建筑工程学院土木工程系单层工业厂房课程设计任务书一、设计资料1.工程名称:装配车间。
2.建设地点:×××市郊区。
3.建设场地:地形平坦,地表以下0.8米内为杂填土,其下为e及I L均小于0.85的粘性土,其承载力特征值f=250kN/m2,土质均匀,地ak下水位在天然地表下5.00 m,且无侵蚀性。
4.根据工艺要求,厂房主要参数如下:1)单层双跨钢筋混凝土装配车间,跨度按编号顺序选用,长54米,柱距6米,无天窗。
2)车间每跨内设有两台20/5t吊车,吊车工作级别为A5,轨顶标高10.2米,柱顶标高13.2米。
吊车参数见课本P436附录12。
檐口标高14.20m,屋顶标高15.20m6.构件选用7.建筑构造1)墙体:围护墙为240mm厚面粉刷墙,自重5.24kN/m2,采用钢门窗(按0.45kN/m2计),窗宽为4000mm,窗高为6600mm,围护墙直接支撑于基础梁;基础梁截面高度为450mm。
2)屋面:卷材防水屋面,做法如下:3)柱:工字形截面钢筋混凝土柱,钢筋:HPB235级、HRB335级、HRB400级各种直径的钢筋,混凝土C30或C25。
根据刚度要求尺寸初估为:边柱:上柱:b×h=500mm×500mm下柱:b f×h×b×h f=500mm×1000mm×100mm×150mm 中柱:上柱:b×h=500mm×700mm下柱:b f×h×b×h f=500mm×1300mm×100mm×150mm 各题目可根据具体情况进行调整。
(4)地面:素混凝土地面,室内外高差为150mm。
(5)基础:台阶形或锥形带杯口的钢筋混凝土柱下独立基础,混凝土采用C20,钢筋用HPB235级或HRB335级。
单层工业厂房结构设计任务书单层工业厂房结构设计任务书单层工业厂房结构设计任务书一.设计资料:1.工程名称:某厂金工车间2.工程说明:⑴.建筑平、剖面图祥附图。
⑴.结构形式为单层单跨装配式钢筋混凝土结构,围护墙采用240mm厚双面清水墙。
⑴.起重设备:中级制300/50kn及150/30kn桥式吊车各一台,跨度lk=22.5m,轨顶标高:9.0m。
⑴.屋面防水做法:二毡三油坊水层上铺绿豆沙(0.35kn/m2),水泥砂浆找平层15厚(0.3kn/m2),加气混凝土保温层100厚(0.60kn/m2),冷底子油一道、热沥青二道(0.05kn/m2),水泥砂浆找平层15厚(0.3kn/m2)。
3.自然条件:基本分压w0=0.35kn/m2,风压高度系数按b类地面取,基本雪压s0=0.30kn/m2,4.地质条件:地表以下0.8m为杂填土,其下为粘性土,地基承载力标准值fk=230kn/m2,土质均匀,地下水位在天然地表下2.8m,且无侵蚀性(取γ0=16kn/m3,ηd=1.6)。
5.材料:柱,混凝土c30,纵向钢筋hrb335,箍筋hpb235;基础,混凝土c25,钢筋hpb235。
二.设计任务:1.选用构件(屋面板、吊车梁、基础梁、支撑等);2.确定柱几何尺寸、荷载计算、排架内力计算、内力组合;3.柱的配筋计算、基础设计;4.完成施工图;包括:柱、基础、基础梁布置图、基础祥图、吊车梁、柱间支撑布置图、屋盖结构布置图、柱的模板图及配筋图、设计说明。
三.300/50kn桥式吊车基本参数:最大轮压pmax=290kn,最小轮压pmin=70kn,卷扬机小车重g=118kn,轮距k=4800mm,桥宽b=6150mm;150/30kn桥式吊车基本参数:最大轮压pmax=1850kn,最小轮压pmin=50kn,卷扬机小车重g=74kn,轮距k=4400mm,桥宽b=5550mm。
四.标准图:《钢筋混凝土基础梁g320》、《钢筋混凝土吊车梁cg426(二)》、《预应力钢筋混凝土屋面板g410(一)、(二)、(三)》。
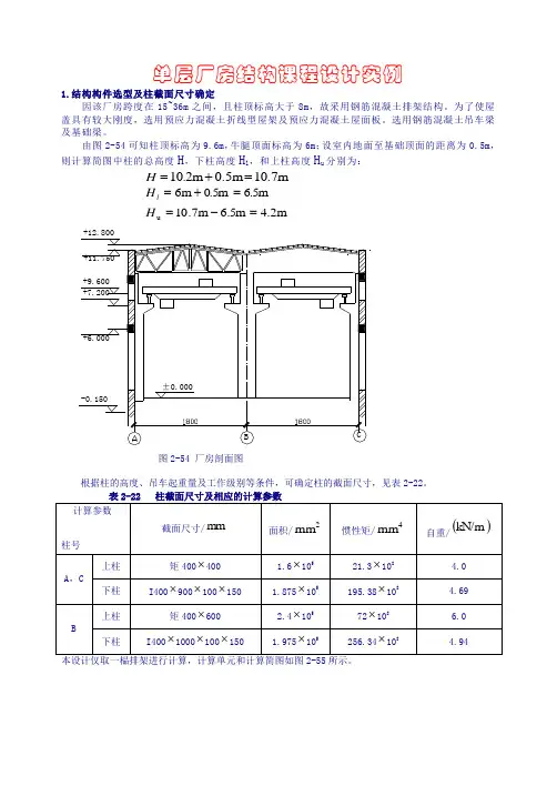
2.7单层厂房结构设计实例2.7.1设计任务某厂金工车间的等高排架。
该金工车间平、立面布置如图2-53所示。
柱距除端部为m 5.5,其余均为m 6,跨度m 18 m 18;每跨设有两台吊车,吊车工作制级别为5A 级,轨顶标高为m 2.7,吊车起重量左右跨相同,具体见表2-15。
外墙无连续梁,墙厚mm 240,每开间侧窗面积2m 24,钢窗,无天窗。
图2-53(a) 厂房立面图图2-53(b) 平面图12①11660005001800018000ABCQ =20t /5tQ =20t /5tQ =20t /5tQ =20t /5t 500屋面做法:绿豆砂保护层 二毡三油防水层 20厚水泥砂浆找平层 80厚泡沫砼保温层 预应力砼大型屋面板2.7.2设计参考资料1. 荷载资料,见表2-15:表 2-15 荷载资料基本雪压 2kN/m 4.0 基本风压 2kN/m 5.0 吊车起重量 t 5/20地面粗糙度类型 B屋面活载标准值2kN/m 5.02.吊车起重量及其数据,见表2-16。
表2-16 吊车起重量及其数据起重量 桥跨 轮距 吊车宽起重机 总量小车重 最大轮压吊车顶 至轨顶 轨顶至吊车梁顶 轨中至车外端最小轮压()t Q()m k L()mm L()mm B()kN W()kN g ()kN max P ()mm H ()mm 2H ()mm 1B ()kN min P20/5t16.5 4000 520022368.6174209418223037.53. 地质资料,见表2-17。
表2-17 地质资料层次 地层描述 状态 湿度 厚度(m ) 层底深度(m ) 地基承载力标准值)kN/m (2ak f容重)kN/m (3m γ1 回填土 1.4 1.4 162 棕黄粘土 硬塑 稍湿 3.5 4.9 200 173 棕红粘土可塑湿1.86.7250174.预应力屋面板、嵌板及天沟板选用,见表2-18。
《单层工业厂房》课程设计预制混凝土牛腿柱设计姓名:--------------学号:-------------班级:-------------指导教师:----------单层工业厂房预制混凝土牛腿柱课程设计一、设计任务本工程为某单层单跨工业产房,无抗震设防要求。
跨度为27m,长度为90m,柱距为15 m。
选用二台20/5t软钩吊车,起重机总质量30.5t的A5工作级别桥式吊车,吊车轨顶标高为9.000m,厂房柱采用钢筋混凝土结构,混凝土强度等级为C30,采用HRB335级钢筋。
恒载部分:仅计入屋盖自重设计值(6 m=300kN、9 m=450 kN、12 m=600kN、15m=750 kN)、吊车梁自重(轨道及零件重标准值为0.8 kN/m)、柱自重。
纵向维护墙为支撑在基础梁上的自承重空心砖砌体墙,厚240mm,双面粉刷,排架柱外侧伸出拉结筋与其相连。
二、柱截面尺寸与高度的确定基础采用单独杯形基础,已知轨顶标高为+9.000m,拟室内标高为相对标高零点,室外地坪标高为—0.100m,基础顶面标高-1.100m,柱子插入杯口深度为900mm。
吊车梁采用图12-64(b),高为1.2m,取轨道顶面至吊车梁顶面距离为0.2m,屋架下弦至吊车顶距离0.2m。
查附录12,吊车轨顶至吊车顶部高度为2.3m,柱子尺寸:(1)、柱子高度:从基础顶面算起柱高=11.5+1.1=12.6m;上柱高H U=11.5-7.6=3.9m下柱高H L=12.6-3.9=8.7m柱总高=12.6+0.9=13.5m;(2)、柱截面形式和尺寸:上柱采用矩形截面b x h=400mm x400mm下柱采用I形截面b f x h x b x h f=400x900x100x150.三、柱网及计算单元(1)定位轴线B1:由附表12可查得轨道中心线至吊车端部距离为260mm;B2:吊车桥架至上柱内边缘距离,一般取B2大于80mm;B3:封闭的纵向定位轴线至上柱内边缘的距离,为400mm;B1+B2+B3=740mm<750mm,满足要求;厂房全长90m,小于所要求的最小变形缝间距100m,无抗震设计要求,结合实际,可不设变形缝。
单层厂房结构课程设计实例1.结构构件选型及柱截面尺寸确定因该厂房跨度在15~36m之间,且柱顶标高大于8m,故采用钢筋混凝土排架结构。
为了使屋2.屋面活荷载屋面活荷载标准值为20.5kN/m ,雪荷载标准值为20.4kN/m ,后者小于前者,故仅按前者计算。
作用于柱顶的屋面活荷载设计值为:.8kN 3718/2m 6m kN/m 5.04.121=⨯⨯⨯=Q 1Q 的作用位置与1G 作用位置相同,如图2-56所示。
3.风荷载风荷载的标准值按0s z z k w w μμβ=计算,其中20kN/m 5.0=w ,0.1=zβ,z μ根据厂房各部分标高(图2-54)及B 类地面粗糙度确定如下: 柱顶(标高9.6m ) 000.1z =μ 檐口(标高11.75m ) 049.1z =μ 屋顶(标高12.80m )078.1z =μs μ如图2-57所示,则由上式可得排架迎风面及背风面的风荷载标准值分别为:220s1z z k /4.00.5kN/m1.00.81.0m kN w w =⨯⨯⨯==μμβ220s2z z 2k /2.00.5kN/m1.00.41.0m kN w w =⨯⨯⨯==μμβ6m 1200F pmax 0.80.1334000F pmax 0.3331.06m4000F pmax =174KNF pmax1112⎪⎫ ⎛--λ310.011181113411=⎥⎦⎤⎢⎣⎡⎪⎭⎫ ⎝⎛-+⎥⎦⎢⎣⎪⎭⎫ ⎝⎛-+=n n C λλ)( kN 52.100.3110.1m -3.36kN/m 111A ←-=⨯⨯=-=HC q R)( kN 52.100.3110.1m kN/m 112C ←-=⨯⨯-=HC q R)( 26.67kN 10.89kN 5.26kN kN 52.10W C A ←-=---=++=F R R R各柱顶的剪力分别为)( 3.13kN 26.67kN 0.277kN 52.10A A A ←-=⨯+-=-=R R V η )( .89kN 1126.67kN 0.446B B →=⨯==R V η)( 2.13kN 26.67kN 0.277kN 26.5C C C →=⨯+-=-=R R V η排架内力如图2-62b 所示q 1BF wq 2CBC10.50139.7642.80120.0918.5519.10107.2011.8930.81(a) (b)图2-62 左吹风时排架内力图(2)右吹风时计算简图如图2-63a 所示。
重屋面钢屋架设计一、设计资料1、工程地点:XX邯郸,设计使用年限:50 年。
2、工程规模:单层单跨封闭式工业厂房,长度90m,屋架铰支于钢筋混凝土柱上,屋架跨度24m,柱距6m,屋面离地20m,吊车起重量为20t,工作制为A5,无较大的振动设备。
3、屋面作法:预应力混凝土屋面板(卷材防水),无檩体系,屋面坡度为1/10,无天窗。
4、自然条件:基本风压为0.35kN/m2,基本雪压为0.25kN /m2,积灰荷载标准值为0.5kN /m2地震设防烈度为7度。
地面粗糙度类别为B类,场地类别Ⅲ类5、材料选用:(1)屋架钢材采用《碳素钢结构》GB/T700-2006规定的Q235B镇静钢(2)焊条采用《碳钢焊条》GB/T5117-1995中规定的E43 型焊条(3)普通螺栓采用等级为 4.6级的C级螺栓,锚栓采用Q235 级钢制成(4)角钢型号按《热轧型钢》GB/T706-2008选用,(5)混凝土强度等级为C256、结构与各组成构件形式:(1)钢屋架:梯形钢屋架(2)屋面板:卷材防水的 1.5x6m2预应力钢筋混凝土屋面板,可按图集《 1.5x6m2预应力钢筋混凝土屋面板》04G410-1~2选用(3)屋盖支撑:可从相关标准图集中选用7、主要建筑构造做法与建筑设计要求重物面(预应力混凝土屋面板)做法:二毡三油防水层上铺小豆石(0.35kN/m 2);20mm 厚水泥砂浆找平层(0.4 kN/m 2);100mm 厚加气混凝土保温层(0.6kN/m 2);冷底子油一道、热沥青二道(0.05kN/m 2);二、屋架形式的选定和结构平面布置1、屋架形势和几何尺寸由于采用 1.5x6m 2大型屋面板加卷材防水屋面,i=1/10,故采用缓坡梯形屋架屋架计算跨度:l 0=l -300=24000-300=23700 屋架端部高度取h 0=2000mm跨中高度:h=h 0+i l 02=2000+0.1x 237002=3185mm屋架高跨比h/l 0=3.185/23.7=0.134,在屋架常用的高度范围内屋架起拱度f=l/500=24000/500=48mm ,取50mm为使屋架上弦节点受荷,腹杆采用人字式,上弦节点水平间距取1500mm ,屋架各杆件尺寸见下图2、根据车间长度、跨度与荷载情况,设置三道上、下弦横向水平支撑,屋脊处与檐口位置上、下弦处分别各设一道竖向系杆。
单层厂房设计任务书一、工程概况1、工程名称:_____单层厂房2、建设地点:_____3、工程规模:建筑面积约为_____平方米二、设计依据1、相关的国家和地方规范、标准,如《建筑设计防火规范》、《工业建筑设计规范》等。
2、建设单位提供的设计要求和使用功能需求。
3、场地的地形、地质、气象等自然条件资料。
三、设计要求1、建筑功能厂房应满足生产工艺的要求,合理布置生产流程和设备。
设有原材料存放区、生产加工区、成品存放区、办公区等功能区域。
考虑人员和货物的通行,设置足够的通道和出入口。
2、建筑造型造型简洁大方,体现现代工业建筑的特点。
与周边环境相协调,注重建筑的整体美观。
3、建筑结构采用经济合理的结构形式,如门式刚架、排架结构等。
确保结构的安全性和稳定性,满足抗震、抗风等要求。
4、建筑材料选用符合国家标准的建筑材料,注重环保和节能。
考虑材料的耐久性和维护成本。
5、建筑防火严格按照防火规范进行设计,设置足够的疏散通道和安全出口。
选用防火性能良好的建筑材料和构配件。
6、建筑采光与通风保证厂房内有充足的自然采光和良好的通风条件。
合理设置窗户和通风设备。
7、建筑防水与防潮做好屋面、外墙和地面的防水防潮处理,防止渗漏和潮湿。
四、生产工艺要求1、详细了解生产工艺的流程和特点,根据工艺要求确定厂房的布局和设备的安装位置。
2、考虑生产过程中的物料运输、人员操作和设备维护等因素,确保生产的高效和安全。
五、设备布置要求1、根据设备的类型、尺寸和数量,合理安排设备的摆放位置。
2、留出足够的设备检修和维护空间。
3、考虑设备的振动和噪声对厂房结构和人员的影响,采取相应的减震和降噪措施。
六、建筑经济要求1、在满足使用功能和设计要求的前提下,尽量降低工程造价。
2、合理控制建筑材料的用量和价格,优化结构设计,减少不必要的浪费。
七、设计成果要求1、建筑设计图纸总平面图:包括建筑的位置、周边环境、道路、绿化等。
平面图:包括各层的平面布局、功能分区、房间尺寸等。
单层混凝土工业厂房设计示例一、设计条件及要求 1.设计条件某双跨等高金工车间,厂房长度60m ,柱距为6m ,不设天窗。
跨度分别为18m 和15m ,其中18m 跨设有两台32t 中级载荷状态桥式吊车;15m 跨设有两台10t 中级载荷状态桥式吊车。
吊车采用大连起重机厂“85系列95确认”的桥式吊车,轨顶标志高度均为为7.8m 。
厂房围护墙厚240,下部窗台标高为1.2m ,窗洞4.8m ×3.6m ;中部窗台标高为6.3m ,窗洞4.8m ×1.5m ;上部窗台标高为9.6m ,窗洞4.8m ×1.2m 。
采用钢窗。
室内外高差为0.30m 。
屋面采用大型屋面板,卷材防水(两毡三油防水屋面),为非上人屋面。
厂房所在地的地面粗糙度为B 类,基本风压w 0=0.35kN/m 2,组合值系数ψc =0.6;基本雪压S 0=0.4kN/m 2,组合值系数ψc =0.6。
基础持力层为粉土,埋深为-2.0m ,粘粒含量ρc =0.8,地基承载力特征值f ak =140kN/m 2,基底以上土的加权平均重度γm =17kN/m 3、基底以下土的重度γ=18kN/m 3。
排架柱拟采用C30砼,基础采用C20砼;柱中受力钢筋采用HRP335钢,箍筋、构造筋、基础配筋采用HPB235钢。
2.设计要求除排架柱、抗风柱和基础外,其余构件均选用标准图集。
设计内容包括:(1)选择厂房结构方案, 进行平面、剖面设计和结构构件的选型; (2)设计中柱及柱下单独基础;(3)绘制施工图,包括结构平面布置图、排架(中)柱的模板图和配筋图等。
二、 结构方案设计 1.厂房平面设计厂房的平面设计包括确定柱网尺寸、排架柱与定位轴线的关系和设置变形缝。
柱距为6m ,横向定位轴线用①、②…表示,间距取为6m ;纵向定位轴线用(A )、(B )(C )表示,间距取等于跨度,即(A )~(B )轴线的间距为18m ,(B )~(C )轴线的间距为15m 。
混凝土结构课程设计任务书单层厂房设计1、设计资料(1)、平面图和剖面图:某金工车间为两跨等高厂房,跨度均为18m,柱距均为6m,车间总长度为72m。
每跨设有200/50kN吊车各两台,吊车工作级别为A5级,轨顶标高为7.8m,柱顶标高为10.5m。
车间平面图和剖面图分别见如下图示。
厂房剖面图(2)、建筑构造:屋面:SBS卷材防水保温屋面维护结构:240mm厚双面粉刷围护砖墙门窗:纵墙窗3.6m*4.2m(低窗),3.6m*1.8m(高窗)基础:室内外高差-0.15m,基顶标高—1.0m,素混凝土地面(3)、自然条件:建筑地点:衡阳,无抗震设防要求基本风压:0.4kN/㎡地面粗糙度为B类基本雪压:0.35kN/㎡地质条件:修正后的地基承载力特征值为100kN/㎡~300kN/㎡(4)、材料:混凝土:柱混凝土C25~C30,基础C25钢筋:钢筋等级为Ⅱ级或Ⅲ级(5)、组合系数:活荷载组合值系数Ψc=0.7;风荷载组合值系数取0.6。
厂房平面图2、设计要求:(1)、排架内力,设计柱子及基础,整理并打印计算书一份。
(2)、施工图一份(结构设计说明,屋盖柱网及基础布置图,柱及基础等配筋图。
)3、设计期限:两周4、参考资料:(1)、混凝土结构设计规范(GB50010-2002)(2)、荷载规范(GB50009-2001)(3)、基础设计规范(GB50007-2002)(4)、混凝土结构设计原理(5)、屋面板(G410)、屋架(G415)、吊车梁(G426)、基础梁(G320)、柱间支撑(G326)等。
摘要:单层工业厂房是形式简单的建筑结构物之一。
单层工业厂房设计的主要任务是排架柱和基础设计及配筋计算。
首先要充分了解设计任务,并根据相关资料选择合适的构件和确定柱网、基础的平面布置,然后对构件进行内力分析、内力组合进而设计截面、选择配筋并写出计算书,最后根据规范绘制施工图和注写图纸说明。
主要计算内容是排架内力的分析计算与组合。
(一)工程概况单层厂房依其生产规模,分成大、中、小型;依其主要承重结构的材料,分成钢筋混凝土结构、混合结构和钢结构。
对于小型厂房通常选用混合结构,即采用以钢筋混凝土或轻钢屋架、承重砖柱作为主要构件的结构。
其余大部分厂房都选用钢筋混凝土结构,且尽可能采用装配式和预应力混凝土结构.单层厂房常用的结构型式有排架结构和刚架结构。
目前大多数单层厂房采用钢筋混凝土排架结构。
这种结构的刚度较大,耐久性和防火性较好,施工也较方便.根据厂房生产和建筑要求的不同,钢筋混凝土排架结构又可分为单跨、两跨或多跨等高和两跨或多跨不等高形式。
按主体承重结构的方向分,有横向承重结构和纵向承重结构。
单层厂房钢筋混凝土排架结构大多采用装配式,它的空间高度大、跨度大;由屋架吊车梁、柱、基础等构件组成,除基础为现浇钢筋混凝土杯基础外(当中、重型单层工业厂房建于土质较差的地区时,一般需采用桩基础),其他构件均需预制和吊装,外墙仅起围护作用。
单跨单层工业厂房,其跨度在24m以内,起重高度在18m以下,一般采用一台自行臂式起重机进行单机吊装;跨度在30~36m的钢筋混凝土结构,在缺乏大型起重机械的情况下,常采用双机台吊;跨度在60m以上的大跨度,柱子常用自行臂式起重机或土拔杆吊装,屋盖常采用钢带提升设备等专用设备整体吊装;在起重机缺乏的情况下,可采用拔杆吊装。
(二)结构吊装方法单层工业厂房的结构吊装方法,有分件吊装法、综合吊装法和混合吊装法三种:(1)分件吊装法:指起重机在车间内每开行一次仅吊装一种或两种构件.通常分三次开行吊装完全部构件.第一次开行——吊装全部柱子,并对柱子进行校正和最后固定;第二次开行——吊装吊车梁、联系梁以及柱间支撑等;第三次开行-—分节间吊装屋架、天窗架、屋面板、屋面支撑及抗风柱等。
在第一次开行(柱子吊装之后),起重机即进行屋架的扶直排放以及吊车梁、联系梁、屋面板的摆放布置。
优点:由于每次基本安装同类构件,索具不需经常更换。
东南大学成人教育学院夜大学课程设计计算书题目:混凝土单层工业厂房设计课程:建筑结构设计院部:继续教育学院专业:土木工程班级:YS05114学生姓名:韩兵学号:5320005114152093设计期限:2015.10——2015.12指导教师:谢鲁齐教研室主任:院长(主任):东南大学继续教育学院2015年12月14日一、结构方案设计1、厂房平面设计柱距为6m,横向定位轴线用①、②…表示,间距取为6m,纵向定位轴线用ⓐ、ⓑ、ⓒ表示,间距取跨度尺寸,即ⓐ~ⓑ轴线距离为18m,ⓑ~ⓒ轴线距离为24m。
为了布置抗风柱,端柱离开(向内)横向定位轴线600mm,其余排架柱的形心与横向定位轴线重合。
ⓐ~ⓑ跨的吊车起重量等于20t+16t 、ⓑ~ⓒ跨的吊车起重量等于20t+16t,ⓐ、ⓒ列柱初步采用封闭结合,纵向定位轴线与边柱外缘重合。
厂房长度66m,小于100m,可不设伸缩缝。
2、构件选型及布置(1)屋面构件①屋面板和嵌板屋面板的型号根据外加屋面均布面荷载(不含屋面自重)的设计值,查92G410(一)。
当屋架斜长不是屋面板宽1.5m的整数倍时,需要布置嵌板。
嵌板查92G410(二)荷载:两毡三油防水层 1.2 x 0.35 = 0.42KN/m²20mm 厚水泥砂浆找平层 1.2 x 0.02 x 20 = 0.48KN/m²屋面均布活载(不上人) 1.4 x 0.5 = 0.70KN/m²雪载 1.4 x 1.0 x 0.5 = 0.70KN/m²小计 1.60KN/m²采用预应力混凝土屋面板。
根据允许外加均布荷载设计值 1.60KN/m²,查图集,中部选用Y-WB-1Ⅱ,端部选用Y-WB-1ⅡS,其允许外加荷载 1.99KN/m²>1.60KN/m²,板自重1.40KN/m²。
嵌板采用钢筋混凝土板,查表,中部选用KWB-1。
端部选用KWB-1s。
其允许外加荷载3.35KN/m²>1.60KN/m²。
板自重1.70KN/m²。
②天沟板当屋面板采用有组织派水时,需要布置天沟。
对于单跨,既可以采用外天沟,也可以采用内天沟。
对于多跨,内侧只能采用内天沟。
天沟的型号根据外加均布线荷载值查92G410(二)。
计算天沟的积水荷载时。
按天沟的最大深度确定。
同一型号的天沟板有三种情况:不开洞、开洞和加端壁。
在落水管位置的天沟板需要开洞,分左端开洞和右端开洞,分别用“a”、“b”表示,厂房端部有端壁的天沟板用“sa”,“sb”表示。
本例在②、④、⑥、⑧、⑩轴线外设置落水管。
内天沟宽度采用620mm,外天沟的宽度采用770mm。
外天沟荷载:焦渣硂找坡层 1.2 x 1.5 x 0.77 = 1.39KN/m²两毡三油防水层 1.2 x 0.35 x 0.77 = 0.32KN/m²20mm 水泥砂浆找平层 1.2 x 0.02 x 20 x 0.77 = 0.37KN/m²积水荷载 1.4 x 10 x 0.13 x 0.77 = 1.40KN/m²屋面均布活载 1.4 x 0.5 x 0.77 = 0.54KN/m²小计 3.48KN/m²查表,一般天沟板选用TGB77-1,开洞天沟板选用TGB77-1a或TGB77-1b,端部位TGB77-1sa,或TGB77-1sb,允许外加荷载4.13KN/m>3.48KN/m,自重2.24KN/m ²。
同理,可求得内天沟外加荷载设计值2.81KN/m,查表,一般天沟板选用TGB662-1,开洞天沟板选用TGB62-1a或TGB62-1b,端部为TGB62-1sa或TGB62-1sb,允许外加荷载3.16KN/m>2.81KN/m²,自重2.06KN/m²。
(2)屋架及支撑屋架型号根据屋面荷载设计值,天窗类别,悬挂吊车情况及檐口形状选定。
跨度较小时可采用钢筋混凝土折线型屋架,查95G314。
跨度较大可采用预应力折线型屋架,查95G414。
本例不设天窗,代号为a,檐口形状为一端外天沟,一端内天沟,代号为D。
屋面荷载:屋面板传来的荷载 1.60KN/m²屋面板自重 1.2 x 1.4 = 1.68KN/m²灌缝重 1.2 x 0.1 = 0.12KN/m²小计 3.40KN/m²18m跨采用预应力混凝土屋架,中间选用YWJ-18-1Da,两端选用YWJ-18-1Da’,允许外加荷载3.5KN/m²>3.40KN/m²,自重67.6KN。
24m跨采用预应力混凝土屋架,中间选用YWJ-24-1Da,两端选用YWJ-24-1Da’,允许外加荷载3.5KN/m²>3.40KN/m²,自重104.66KN。
对于非抗震及抗震方针设防烈度为6、7度,屋盖支撑可按附图一布置。
当厂房单元不大于66m时,在屋架端部的垂直支撑用CC-1表示,屋架中部的垂直支撑用CC-2表示,当厂房单元大于66m时,在柱间支撑外的屋架端部加竖向支撑CC-3。
屋架中部的水平系杆用GX-2表示。
屋架上弦横向水平支撑用SC表示,当吊车起重量较大,有其他振动设备或水平荷载对屋架下弦产生水平力时,需设置下弦横向水平支撑。
下弦横向水平支撑用XC表示。
当厂房设置托架时,还需布置下弦纵向水平支撑,本例不需设纵向水平支撑。
(3)吊车梁吊车梁型号根据吊车的额定起重量,吊车的跨距(Lk=L-2λ)以及吊车的载荷状态选定。
其中,钢筋混凝土吊车梁可查95G323,先张法预应力混凝土吊车梁可查95G425,后张法预应力混凝土吊车梁可查95G426。
对于18m跨,吊车起重重量为20t+16t,重级载荷状态,Lk=18-2x0.75=16.5m,采用钢筋混凝土吊车梁,查表,中间跨采用DL-11Z,边跨采用DL-11B,梁高1200mm,自重39.98KN。
对于24m跨,吊车起重重量为20t+16t,重级载荷状态,Lk=24-2x0.75=22.5m,采用钢筋混凝土吊车梁,查表,中间跨采用DL-11Z,边跨采用DL-11B,梁高1200mm,自重39.98KN。
(4)基础梁基础梁型号根据跨度,墙体高度,有无门窗洞等查93G320。
墙厚240mm,突出于柱外。
查表,纵墙中间选用JL-3,纵墙边跨选用JL-15,山墙6m=柱距选用JL-14。
(5)柱间支撑柱间支撑设置在⑥、⑦轴线之间,支撑号可查表97G336。
首先根据吊车起重重量,柱顶标高,牛腿顶标高,吊车梁顶标高,上柱高,屋架跨度等查处排架号,然后根据排架好喝基本风压确定支撑型号。
查表,柱间支撑选用(6)抗风柱抗风柱下柱采用工字形截面,上柱采用矩形截面。
抗风柱的布置需考虑基础梁的最大跨度。
18m跨、24m跨的抗风柱沿山墙等距离布置,间距为6m。
3、厂房剖面设计剖面设计的内容是确定厂房的控制标高,包括牛腿顶标高,柱顶标高和圈梁标高。
牛腿顶标高等于轨顶标高减去吊车梁在支撑处的高度和轨道及垫层的高度,必须满足300mm的倍数。
吊车轨道及垫层高度可以取0.2m。
为了使牛腿顶标高满足模数要求,轨顶的实际标高将不同于标志高度,规范允许轨顶实际标高与标志标高之间有±200mm的差值。
柱顶标高H=吊车轨顶标高H A+吊车轨顶至桥架顶面的高度H B+空隙H C,空隙H C不应小于220mm,吊车轨顶至桥架顶面的高度可查95G323,柱顶标高同样满足300mm的倍数。
由于工艺要求,轨顶标高为8.4m。
对于18m跨:取柱牛腿顶面高度为7.2m,吊车梁高度1.2m。
吊车轨道及垫层高度取0.2m,则轨道构造高度,H A=7.2+1.2+0.2=8.6,构造高度-标志高度=8.6-8.4=0.2m,满足±200mm的差值要求。
查表,吊车轨顶至桥架顶面的高度H B=2.099m,则H=H A+H B+H C=8.6+2.097+0.20=10.899m。
为满足模数要求,取H=11.1m。
对于24m跨:取柱牛腿顶面高度为7.2m,吊车梁高度1.2m。
吊车轨道及垫层高度取0.2m,则轨道构造高度,H A=7.2+1.2+0.2=8.6,构造高度-标志高度=8.6-8.4=0.2m,满足±200mm的差值要求。
查表,吊车轨顶至桥架顶面的高度H B=2.189m,则H=H A+H B+H C=8.6+2.187+0.20=10.989m。
为满足模数要求,取H=11.1m。
对于有吊车厂房,除在檐口或窗顶设置圈梁外,宜在吊车梁标高处增设一道,外墙高度大于15m时,还应适当增设。
圈梁与柱的连接一般采用锚拉钢筋2Ø10或2Ø12。
现在4.8m、8.4m和10.86m标高处设三道圈梁,分别用QL-1、QL-2、QL-3表示。
其中柱顶圈梁可代替连系梁。
圈梁截面采用240mmX240mm,配筋采用4Ø12、Ø6@200。
圈梁在过梁处的配筋应另行计算。
二、排架柱设计1、计算简图对于没有抽柱的单层厂房,计算单元可以取一个柱距,即6m。
排架跨度取厂房的跨度。
上柱高度等于柱顶标高减去牛腿顶标高。
下柱高度取牛腿顶标高减去基础顶面标高,一般低于地面不少于50mm,对于边柱,由于基础顶面还需放置预制基础梁,所以排架柱基础顶面一般不低于地面500mm。
为了得到排架柱的截面几何特征,需要假设柱子的截面尺寸。
(1)确定柱子各段高度基底标高为-2m,初步假定基础高度为 1.4m,则柱总高度H=11.1-(-2.0)+1.4=11.7m,上柱高度Hu=11.1-7.2=3.9m下柱高度H L=11.7-3.9=7.8m。
(2)确定柱截面尺寸下柱截面高度,根据吊车起重量及基础顶面至吊车梁顶的高度Hk,由表2-3确定。
Q=20t:h≥Hk/11=9000/11=818mm,取900mm下柱截面宽度,根据顶面至吊车梁底的高度H L,由表2-3确定。
b≥H L/20=7800/20=390mm 且大于400mm,取400mmⓐ列柱下柱截面采用工字形,b=400mm,h=900mm,上柱截面采用正方形,b=h=400mm,ⓑ列柱下柱采用工字形截面,b=400mm,h=900mm,上柱采用矩形截面,b=400mm,h=600mm,ⓒ列柱下柱截面采用工字形,b=400mm,h=900mm,上柱截面采用正方形,b=h=400mm.(3)计算柱截面几何特征各柱截面几何特征排架计算简图2)荷载计算排架的荷载包括恒荷载、屋面活荷载、吊车荷载和风荷载。
荷载均计算其标准值。