单层工业厂房结构课程设计任务书44张
- 格式:pptx
- 大小:1.08 MB
- 文档页数:45
单层厂房课程设计任务书一、 设计题目:金工车间双跨等跨等高厂房 二、 设计任务: 1.单层厂房结构布置; 2.标准构件选择;3.排架柱以及柱下基础设计。
三、设计内容:1.确定纵、横向定位轴线,上、下柱的高度以及截面尺寸;2.选用屋面板、天窗架、屋架、基础梁、吊车梁以及轨道连接件; 3.计算排架所承受的各项荷载;4.计算排架在各种荷载作用下的内力; 5.柱及牛腿设计,柱下独立基础设计; 6.绘制施工图:(1)基础施工图:基础平面布置图、基础模板及底板配筋图; (2)柱施工图:柱模板图、柱配筋图。
四、设计条件:1.厂房建设地点为长春市,冻深-1.65m ,地基土为均匀粘性土,承载力特征值2/220m kN f a ,基本风压2/65.0m kN ,基本雪压2/35.0m kN ,不考虑地震设防。
2.厂房总长度120m ,柱距6m ,每跨设两台中级工作制的软钩桥式吊车,吊车有关数据见表1,学生承担的题号见表2。
(注:吊车顶面至屋架下弦底面间净空尺寸取300mm )3.厂房剖面如图:五、结构做法以及荷载资料1.屋面:采用卷材防水,做法如下:4mm厚APP防水(2.0mkN)04/20mm厚水泥沙浆找平层60mm厚苯板保温层2mm厚APP隔气层(2.0mkN)02/20mm厚水泥沙浆找平层预应力混凝土大型屋面板2.墙体:370mm厚煤矸石空心砖墙[非承重墙(8—kN/m3],塑钢窗。
3.材料:混凝土C30-C45,柱中主筋HRB400或HRB500,箍筋以及基础底板钢筋HPB300或HRB335。
吊车数据(大连起重机厂)表1。
单层工业厂房设计学生姓名学号教学院系土木工程与建筑学院专业年级土木工程2013级指导教师邓夕胜职称副教授单位土木工程与建筑学院一、设计题目单层工业厂房排架结构设计二、设计目的通过单层厂房排架结构设计,建立厂房整体设计概念,掌握排架结构构件的设计计算过程,可达到以下目的:1.熟悉单层工业厂房的组成、结构布置和构件选型的方法;2.理解单层工业厂房排架结构设计实际工作和计算简图的抽象概念;3.掌握厂房荷载的种类、性质、传递路径和计算方法;4.掌握排架结构的内力计算方法;5.掌握排架柱的内力组合方法;6.掌握偏心受压柱的截面设计及构造;7.了解并熟悉单层单跨工业厂房的构件连接及有关构造要求;8.熟悉钢筋混凝土结构施工图的表达和制图规定,掌握绘制结构施工图的基本技能。
三、设计资料1.建筑地点:南充市。
2.地质条件:场地土组成情况见表1-1;地下水位-4.50m。
3.气象条件:按《建筑结构荷载规范》(GB50009—2012)执行。
地面粗糙度为B类。
4.建筑平面:车间长度6.00×8=48m,跨度见图1-2。
5.建筑剖面:见图1-1,室内混凝土地面,室内外高差0.150m,基础顶面至室外地坪距离为1000mm(图中未标注)。
6.吊车设置:中级工作制电动桥式吊车,设置情况、轨顶标高见表1-2。
7.结构类型:钢筋混凝土排架结构,钢筋混凝土独立基础。
8. 材料选择:结合自己的题目选择合适的材料。
9.墙体做法:370mm厚,内外清水墙。
10.屋面做法:三毡四油防水层(0.35kN/m2);20mm厚1:3水泥砂浆找平层(20kN/m3);250mm厚水泥珍珠岩制品保温层(3.5kN/m3);一毡二油隔气层(0.05kN/m2);20mm厚1:2水泥砂浆找平层(20kN/m3);预应力钢筋混凝土大型屋面板(见第11项)。
11.屋盖构件计算参数:预应力钢筋混凝土大型屋面板:板宽1.5m,板长6m,自重标准值1.50kN/ m2;预应力混凝土嵌板:板宽0.9m,板长6m,自重标准值1.80kN/ m2;混凝土天沟板:板宽0.58m,板长6m,自重标准值2.10kN/ m2;跨度18m轻型钢屋架自重0.9吨;跨度21m轻型钢屋架自重1.3吨;跨度24m轻型钢屋架自重1.7吨。
单层工业厂房结构设计课程设计目录1 单层工业厂房结构设计任务书 (1)1.1 设计题目 (1)1.2 设计任务 (1)1.3 设计内容 (1)1.4 设计资料 (1)2.单层厂房结构设计 (5)2.1 屋面结构 (5)2.1.1 屋面结构 (5)2.1.2 排架柱及基础材料选用情况.. 错误!未定义书签。
2.1.3 梁柱的结构布置 (6)2.1.4 基础平面布置错误!未定义书签。
2.2 排架结构计算 (7)2.2.1 计算简图及柱的计算参数 (7)2.2.2 荷载计算 (9)2.2.3 内力分析 (14)2.2.4 最不利内力组合 (31)2.3 排架柱的设计 (40)2.3.1 A(C)柱 (40)2.3.2 B柱 (46)2.4 基础设计 (53)2.4.1 A(C)柱 (53)2.4.2 B柱 (62)3 施工图................................. 错误!未定义书签。
3.1 结构布置图 (69)3.2 柱施工图................. 错误!未定义书签。
3.3 基础施工图............. 错误!未定义书签。
4 参考文献 (77)单层工业厂房结构设计1 单层工业厂房结构设计任务书1.1 设计题目装配车间双跨等高厂房.1.2 设计任务1.2.1 单层厂房结构布置.1.2.2 选用标准构件.1.2.3 排架柱及柱下基础设计.1.3 设计内容①确定上、下柱的高度及截面尺寸.②选用屋面板,屋架,基础梁,吊车梁及轨道车接件.③计算排架所承受的各项荷载.④计算各种荷载作用下排架的内力.⑤排架的内力组合.⑥柱及牛腿的设计,柱下单独基础设计.⑦绘制施工图1.4 设计资料该车间为双跨等高无天窗厂房,柱距为6m,车间总长为72m,中间不设伸缩缝,厂房跨为l(见下表)。
每跨设二台中级工作制软钩桥式吊车(150KN)。
建设地点:某市郊区(基本风压W0=0.40KN/㎡).工程地质及水文地质条件:地基土为均匀粘性土,地基承载力特征值f=200 KN/㎡,可作持力k层,厂区地层地下水位较低,且无腐蚀性。
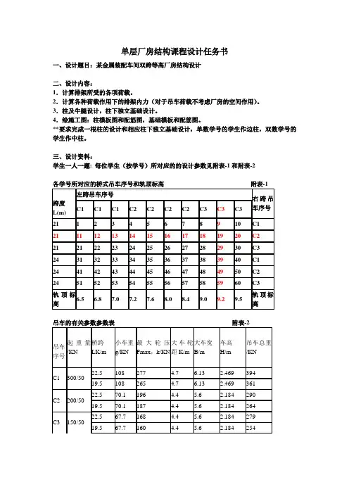
单层厂房结构课程设计任务书一、设计题目:某金属装配车间双跨等高厂房结构设计二、设计内容:1.计算排架所受的各项荷载。
2.计算各种荷载作用下的排架内力(对于吊车荷载不考虑厂房的空间作用)。
3.柱及牛腿设计,柱下独立基础设计。
4.绘施工图:柱模板图和配筋图,基础模板和配筋图。
**要求完成一根柱的设计和相应柱下独立基础设计,单数学号的学生作边柱,双数学号的学生作中柱。
三、设计资料:学生一人一题: 每位学生(按学号)所对应的的设计参数见附表-1和附表-2各学号所对应的桥式吊车序号和轨顶标高附表-1吊车的有关参数参数表附表-2三、设计资料:1.某金属装配车间为两跨厂房,跨度均为L(m)。
厂房总长54m 柱距为6m。
厂房剖面如附图所示。
2.厂房每跨内设两台吊车,A4级工作制,吊车的有关参数见表(附表-2吊车参数表)。
3.建设地点为东北某城市(基本雪压0.35KN/m2,基本风压0.55KN/㎡,冻结深度1.8m)4.厂区自然地坪下0.8m为回填土.回填土的下层8m为均匀粘性土,地基承载力特征值fa=250kpa,土的天然重度为17.5KN/m3,土质分布均匀.下层为粗砂土, 地基承载力特征值fa=350kpa.地下水位-5.5m。
5.厂房标准构件选用及荷载标准值(1)屋架采用预应力折线形屋架,屋架自重标准值:21m跨95KN/每榀,24m跨109KN/每榀(均包括支撑自重)。
(2)吊车梁选用钢筋混凝土等截面吊车梁,梁高900㎜,自重标准值39KN/根,轨道及零件自重0.8KN/m,轨道及垫层构造高度200mm。
(3)天窗采用矩形纵向天窗,每榀天窗架每侧传给屋架的竖向荷载为34KN(包括自重,侧板,窗扇支撑等自重)(4)天沟板自重标准值为2.02KN/m。
(5)围护墙采用240mm厚面粉刷墙,自重5.24KN/㎡。
钢窗:自重0.45KN/㎡,窗宽4.0m,窗高见剖面图(见附图)。
维护墙直接支撑于基础梁上,基础梁截面为240×450mm。
混凝土结构课程设计任务书单层厂房设计1、设计资料(1)、平面图和剖面图:某金工车间为两跨等高厂房,跨度均为18m,柱距均为6m,车间总长度为72m。
每跨设有200/50kN吊车各两台,吊车工作级别为A5级,轨顶标高为7.8m,柱顶标高为10.5m。
车间平面图和剖面图分别见如下图示。
厂房剖面图(2)、建筑构造:屋面:SBS 卷材防水保温屋面维护结构:240mm厚双面粉刷围护砖墙门窗:纵墙窗3.6m*4.2m(低窗),3.6m*1.8m(高窗)基础:室内外高差-0.15m,基顶标高—1.0m,素混凝土地面(3)、自然条件:建筑地点:衡阳,无抗震设防要求基本风压:0.4kN/㎡地面粗糙度为B类基本雪压:0.35kN/㎡地质条件:修正后的地基承载力特征值为100kN/㎡~300kN/㎡(4)、材料:混凝土:柱混凝土C25~C30,基础C25钢筋:钢筋等级为Ⅱ级或Ⅲ级(5)、组合系数:活荷载组合值系数Ψc=0.7;风荷载组合值系数取0.6。
厂房平面图2、设计要求:(1)、排架内力,设计柱子及基础,整理并打印计算书一份。
(2)、施工图一份(结构设计说明,屋盖柱网及基础布置图,柱及基础等配筋图。
)3、设计期限:两周4、参考资料:(1)、混凝土结构设计规范(GB50010-2002)(2)、荷载规范(GB50009-2001)(3)、基础设计规范(GB50007-2002)(4)、混凝土结构设计原理(5)、屋面板(G410)、屋架(G415)、吊车梁(G426)、基础梁(G320)、柱间支撑(G326)等。
摘要:单层工业厂房是形式简单的建筑结构物之一。
单层工业厂房设计的主要任务是排架柱和基础设计及配筋计算。
首先要充分了解设计任务,并根据相关资料选择合适的构件和确定柱网、基础的平面布置,然后对构件进行内力分析、内力组合进而设计截面、选择配筋并写出计算书,最后根据规范绘制施工图和注写图纸说明。
主要计算内容是排架内力的分析计算与组合。
单层工业厂房课程设计任务书指导教师:杨东全高洪波班级:土本2009级(三班)海南大学土木建筑工程学院土木工程系单层工业厂房课程设计任务书一、设计资料1.工程名称:装配车间。
2.建设地点:×××市郊区。
3.建设场地:地形平坦,地表以下0.8米内为杂填土,其下为e及I L均小于0.85的粘性土,其承载力特征值f=250kN/m2,土质均匀,地ak下水位在天然地表下5.00 m,且无侵蚀性。
4.根据工艺要求,厂房主要参数如下:1)单层双跨钢筋混凝土装配车间,跨度按编号顺序选用,长54米,柱距6米,无天窗。
2)车间每跨内设有两台20/5t吊车,吊车工作级别为A5,轨顶标高10.2米,柱顶标高13.2米。
吊车参数见课本P436附录12。
檐口标高14.20m,屋顶标高15.20m6.构件选用7.建筑构造1)墙体:围护墙为240mm厚面粉刷墙,自重5.24kN/m2,采用钢门窗(按0.45kN/m2计),窗宽为4000mm,窗高为6600mm,围护墙直接支撑于基础梁;基础梁截面高度为450mm。
2)屋面:卷材防水屋面,做法如下:3)柱:工字形截面钢筋混凝土柱,钢筋:HPB235级、HRB335级、HRB400级各种直径的钢筋,混凝土C30或C25。
根据刚度要求尺寸初估为:边柱:上柱:b×h=500mm×500mm下柱:b f×h×b×h f=500mm×1000mm×100mm×150mm 中柱:上柱:b×h=500mm×700mm下柱:b f×h×b×h f=500mm×1300mm×100mm×150mm 各题目可根据具体情况进行调整。
(4)地面:素混凝土地面,室内外高差为150mm。
(5)基础:台阶形或锥形带杯口的钢筋混凝土柱下独立基础,混凝土采用C20,钢筋用HPB235级或HRB335级。
单层工业厂房结构课程设计任务书一、设计题目南昌某金工装配车间,厂房建筑平面尺寸和吊车规格根据分组(每班分10组,每组5人)不同见下表,柱距6 m,每跨均有两台中级工作制桥式吊车,吊车轨顶标高7.8 m,室内地面标高0.00 m,室外地面标高-0.15m。
屋面采用卷材防水(三毡四油防水屋面),檐口采用内天沟。
二、设计资料1、自然条件基本风压:0.45kN/ m2基本雪压:0.45kN/ m2地基土(灰褐色粘土)承载力标准值f k = 235kN/ m2, ηb= 0.3,ηd = 1.6.图1 地层剖面2、材料钢筋:HPB235、HRB335、HRB400混凝土:排架柱C20或C25;基础:C15外墙:240厚普通烧结砖墙3、吊车规格:见教材附表三、设计内容1、选择厂房的结构方案、进行结构平面布置2、结构、构件选型:包括屋面板、天沟板、屋架、吊车梁、基础梁、支撑等3、排架计算和柱、基础的配筋设计4、绘制下列结构施工图:基础及基础梁平面布置图1:300柱网平面布置图1:300屋盖及支撑平面布置图1:300柱模板图、配筋图1:40基础配筋图1:20四、设计进度安排第一周~第二周的前半周编写设计计算说明书第二周后半周绘制施工图五、参考书、规范及标准图集1、教材2、国家标准,混凝土结构设计规范(GB50010-2002)3、国家标准,建筑结构荷载规范(GB50009-2001)4、国家标准,建筑地基基础设计规范(GB50007-2002)5、国家标准,建筑结构制图标准(GB/T50105-2001)6、国家标准图集,1.5*6.0预应力钢筋混凝土屋面板、嵌板、天沟板,92G410(一)、(二)、(三)7、国家标准图集,(预应力)钢筋混凝土折线屋架,95G415(二)8、国家标准图集,钢筋混凝土吊车梁,95G4259、国家标准图集,吊车轨道联接,95G32510、国家标准图集,柱间支撑,97G33611、国家标准图集,钢筋混凝土基础梁,97G32012、国家标准图集,钢筋混凝土连系梁,97G32113、国家标准图集,钢筋混凝土过梁,97G322图2 厂房外轮廓图3 厂房建筑立面图4 厂房剖面。
单层工业厂房课程设计任务书一、题目单层工业厂房排架结构设计(设计号:W D H )。
二、设计资料某单层工业厂房**车间,根据工艺要求采用单跨布置(附属用房另建,本设计不考虑)。
车间总长96m 、柱跨6m 、跨度24m ,不设天窗。
吊车设置见设计号。
外围墙体为240mm 砖墙,采用MU10烧结多孔砖、M5混合砂浆砌筑。
纵向墙上每柱间设置上下层窗户:上层窗口尺寸(宽*高)=4000*1800mm ,窗洞顶标高处为柱顶以下250mm 处;下层窗尺寸(宽*高)=4000*4800mm ,窗台标高为1.000m 处。
两山墙处设置6m 柱距的钢筋混凝土抗风柱,每山墙处有两处钢木大门,洞口尺寸为(宽*高)=3600*4200mm (集中设置中间抗风柱两侧对称布置)。
该车间所在场地由地质勘查报告提供的资料为:厂区地势平坦,地面(标高为-0.300m )以下0.8m 为填土层,再往下约为0.4m 厚的耕植土,再往下为粉质粘土层,厚度超过6m ,其地基承载力特征值2/200m kN f ak =,可作为持力层;再往下为碎石层。
地下水位约为-7.0m ,无侵蚀性;该地区为非地震区。
场区气象资料有关参数(如基本风压、地面粗糙度为B 类等)按附表1设计号中数据取用;基本雪压20/3.0m kN s =。
三、设计内容1. 按指导教师给定的设计号(附表1)进行设计;吊车参数由附表2取用。
附表1 设计基本参数附表2 24m 跨中级工作制桥式吊车主要参数注:(1)设计号由以上三项组合而成,例如:当设计号为W2D2H2时,所取数据为35.00=w 2/m kN ,地面粗糙度为B 类,吊车为1台10t 吊车和1台15/3t 吊车,柱顶标高为+12.2m ;(2)室内地坪设计标高为 0.000,室外地坪设计标高为-0.300m ;(3)厂区无积灰荷载,屋面检修活荷载标准值为0.52/m kN ,雪荷载为0.32/m kN 。
2. 进行1榀横向平面排架结构的设计计算及抗风柱计算,编制设计计算书。
单层工业厂房结构吊装课程设计任务书Pleasure Group Office【T985AB-B866SYT-B182C-BS682T-STT18】一、设计目的本课程设计为单层工业厂房结构吊装设计。
是《建筑施工技术》课程的主要教学环节之一。
通过本课程设计,初步掌握结构安装工程方案设计的步骤和方法,巩固所学理论知识,并运用所学知识分析和解决单层工业厂房结构吊装中的问题。
二、设计内容和要求1、选择起重机类型、型号。
2、主要结构构件的吊装工艺。
3、确定厂房吊装方案,起重机的开行路线。
4、两个阶段施工平面图设计:(1)柱、屋架预制阶段布置图;(2)吊装阶段构件平面布置图。
5、设计成果(1)设计说明书必须有起重机类型、型号,构件的吊装工艺,厂房吊装方案确定的理由,分析计算过程,两个阶段施工平面布置的说明,并附有必要的简图。
(2)两个阶段施工平面图各一张(2号,比例1:250)。
在第二图中要另表示出中间屋面板吊装验算示意图和起重机第二次开行路线示意图。
三、设计条件1、工程概况本工程为某厂单层钢筋混凝土装配式车间,该车间共三跨(即12米、18米,24米),其平面位置、厂房轴线尺寸和剖面图如图1,2,3所示。
2、施工技术经济条件(1)地质:由勘测报告知,土壤为一级大孔性黄土,天然地基承载力为 15T/m2,地下水位在地表下6—7米;(2)吊装前基础已施工完毕并回填平整至-0.20米;(3)柱、顶应为屋架及12米跨两铰拱屋架,均为现场预制;吊车梁、联系梁、基础梁及预应力大型屋面板在预制构件加工厂制作,用汽车运入现场并排放;(4)钢天窗梁系,分两段在金属结构厂制作,运到现场拼装并排放;(5)结构安装工程承重构件一览表附表一;(6)施工单位现有W1-50。
W1-100和φ1252型履带起重机可供选用。
(7)工期:自2012年3月1日至10月30日。
3、设计参考数据(1)柱的预制平面图中柱脚距基础中心80cm以处,吊具重 200kg;(2)横吊梁重500kg;天窗架加固附加重500kg;(3)鸟嘴架可外伸3m重500kg。
混凝土单层工业厂房课程设计任务书工程名称 ××厂装配车间设计资料1、(一)某单层单跨钢筋混凝土装配车间跨度21米,长54米,柱距6米; 车间内设有两台200kN/50kN 中级工作制吊车,轨顶标高11.2米,柱顶标高13.4米)。
吊车规格如下表:吊车规格表(二)单跨单层钢筋混凝土厂房,厂房总长66m ,跨度27m ,柱距6m ,设有20/5t 、10t 各一台中级工作级别吊车,轨顶标高+10.1m 。
(三)单跨单层钢筋混凝土厂房,厂房总长66m ,跨度24m ,柱距6 m ,设有10t 两台中级工作级别吊车,轨顶标高+12.0m 。
2、建筑地点:××市郊区3、地质条件:(一)场地地面以下0.8内为填土,填土下层4.8m 内为粉质粘土,地基承载力特征值为240kN/m2,地下水位为-5.5m 。
基本风压20/35.0m kN W =,基本雪压20/25.0m kN S =。
屋面活荷载为0.5kN/m2。
(二)基本情况同(一),其中20/30.0m kN W =,20/20.0m kN S =。
4、厂房中标准构件选用情况:a 屋面板采用G410标准图集中的预应力大型混凝土屋面板,自重标准值为1.4 kN/m2;b 天沟板采用G410标准图集中的JGB77-1沟板,自重标准值为3.02 kN/m ;(包括积水重)c 天窗架采用G316,其传给屋架的自重标准值为26.2 kN ;d 屋盖支撑自重0.05 kN/m2;(沿水平方向)e 吊车梁采用G425标准图集中预应力混凝土吊车梁,梁高1200mm ,自重标准值44.2 kN/根,轨道及零件自重1 kN/m ,轨道及垫层构造高度200mm ;f 屋架采用G415标准图集中预应力钢筋混凝土折线型屋架,自重60.5 kN/榀g 排架柱及过梁、连系梁自定。
设计要求:1、完成结构选型及结构布置;2、编制荷载、内力计算说明书(不考虑抗震);3、进行单榀排架柱内力计算,基础设计和牛腿设计。
单层厂房课程设计任务书精品好文档,推荐学习交流 仅供学习与交流,如有侵权请联系网站删除 谢谢8单层厂房课程设计任务书撰写人:王宁2013.8时间安排1-5周统一答辩时间9月18日上午9点,我办公室旁的会议室完成截止时间:9月20日上午10点,交到我办公室目的:掌握单层厂房平面结构布置、构件选择、横向排架的静力分析、厂房柱、地基的设计方法和单厂结构施工图制图规范和制图技能。
内容:此次课程设计是一个单跨单层的工业厂房设计。
格式按学校课程设计的要求。
学生应学会以下内容:✧ 厂房的组成,及其构件的空间布置✧ 结构平面布置✧ 横向排架静力分析✧ 排架柱✧ 计算书绘制施工图,用CAD基础设计略。
理解概念:跨度,柱距,柱网,力的传递,构件设计及校核设计数据:跨度18m,柱距=12x6m,柱顶标高10m,檐口标高13m,牛腿顶面6.5m,基础顶面-0.5m,屋顶15m,恒载:标准预制:屋面板(1.4KN/m2)、屋架(62.8KN/榀)、屋盖构造层及屋盖支撑自重(1.28KN/ m2)、吊车梁(28.2KN/根,简支)、联系梁(17.5KN/根,简支)、基础梁(16.7KN/根,简支)、轨道及其连接件(0.8KN/m)吊车荷载:2台10t中级荷载状态的桥式吊车数据:吊车跨度16.5,最大宽度5.15,大车轮距4.1m,轨道中心到吊车外缘的距离0.23m,大车重量150KN,小车重量35KN,最大轮压120KN仅供学习与交流,如有侵权请联系网站删除谢谢8风载:B类地面粗糙度,风载体型系数墙+0.8和-0.5,屋面-0.6和-0.5,基本风压0.36 KN/m2,风振系数取1.0,屋面均布活荷载0.8 kN/(大于屋面雪荷载)如有需要,其它数据自定义。
计算书要求:(必要时注意给出文字解释与说明)➢铅笔书写后交复印件➢附加此任务书➢画出计算单元、计算简图➢风载计算➢吊车荷载作用下的支座反力影响线、吊车荷载计算详细步骤➢柱的受力图➢内力组合➢做柱的设计,包括牛腿(材料自定)、吊装验算图纸包括:(用AUTOCAD画)仅供学习与交流,如有侵权请联系网站删除谢谢8➢目录➢图纸说明(包括设计荷载、钢筋与混凝土材料性质、设计依据)➢车间平面图,参见教科书图12-7➢车间剖面图,参见《土木工程专业毕业设计指导》图5.45➢纵向定位轴线图,参见教科书图12-8➢横向定位轴线图,参见教科书图12-9➢柱尺寸图、构造图,参加东南大学教科书相关图材料图略。
1《单层工业厂房结构设计》任务书一、 设计资料某市某金工车间厂房(无天窗),根据相关工艺要求,该厂房采用双跨等高排架结构,每跨跨度均为24m ,每跨设有30/5t 吊车各2台,中级工作制,柱距6m ,厂房长60m ,有柱间支撑和屋架间支撑;选用钢筋混凝土杯口基础,基础顶面标高为-0.8m 。
1、屋面作法:三毡四油防水层撒绿豆砂保护层1:2.5水泥砂浆找平层20mm 厚加气混凝土保温层150mm 厚预应力大型屋面板板底抹灰20mm 厚大型屋面板:板自重为1.3kN/m 2,灌缝重0.1 kN/m 22、屋架:采用24m 预应力混凝土折线型屋架,自重为60.5kN/榀坡度为:1﹕63、吊车:30/5Q t =桥式吊车,软钩,工作制吊车吊车梁:先张法预应力混凝土吊车梁,自重为44.2kN/根吊车轨道连接:轨道和连接件等重为1 kN/m吊车荷载:最大轮压,,200max KN P =最小轮压,KN P 70min =小车总重KN g 80=,大车宽mm B 5650=,轮距mm K 4400=4、 地质资料:地面以下2.4m 左右即可见中密粗砂层,地基承载力特征值为250kN/m 2,历年最高水位为-5.00m 左右,冻土深度-1.0m 。
5、气象资料:基本风压为0.30kN/m 2;基本雪压为0.15 kN/m 2。
二、设计内容1、确定所用材料2、确定柱的截面尺寸3、计算内容:⑴荷载① 恒载: 屋盖自重:大型屋面板,屋架,保温层等柱自重吊车梁及轨道等自重。
②屋面活载:1.5kN/m 2。
③吊车荷载:吊车竖向荷载和吊车水平荷载。
④ 风荷载:左风和右风⑵ 排架的内力分析①恒载作用下的内力②屋盖活荷载作用下的内力③吊车荷载作用下的内力2 max D 在边柱, min D 在中柱max D 在中柱,min D 在边柱max T 在边柱,max T 向左,max T 向右max T 在中柱max T 向左,max T 向右④风荷载作用下的内力;⑶内力组合柱:边柱,中柱;截面位置:上柱底面处、牛腿顶面处和下柱柱底。