边坡排水孔施工方案
- 格式:doc
- 大小:12.00 KB
- 文档页数:1
一、工程概况本工程位于某市某公路,全长10公里,由于长期受到雨水冲刷和车辆荷载作用,部分边坡出现坍塌、滑坡等安全隐患。
为确保公路安全畅通,经上级部门批准,对该公路边坡进行治理。
本次治理工程包括边坡加固、排水设施建设、植被恢复等。
二、施工方案1. 施工准备(1)成立项目部,明确项目经理、技术负责人、安全负责人等职责。
(2)组织施工人员培训,提高施工技能和安全意识。
(3)编制施工组织设计、施工方案、安全措施等文件。
(4)采购、检验、验收施工材料、设备。
2. 施工步骤(1)边坡清表:清除边坡上的杂草、杂物、树木等,确保施工环境整洁。
(2)边坡平整:对不平整的边坡进行平整,确保坡面平整度。
(3)边坡加固:1)采用锚杆加固:在边坡上预埋锚杆,锚杆长度、直径、间距等根据设计要求确定。
2)采用喷射混凝土加固:在边坡上喷射一层厚度为10cm的混凝土,确保边坡稳定性。
3)采用挂网喷浆加固:在边坡上挂网,再进行喷浆,确保边坡稳定。
(4)排水设施建设:1)在边坡底部设置排水沟,将积水排至路基外侧。
2)在边坡上方设置排水孔,将雨水排至路基外侧。
3)在排水沟、排水孔处设置防渗层,防止水土流失。
(5)植被恢复:1)在边坡上种植草皮、灌木等植被,提高边坡的绿化程度。
2)采用喷播技术,将种子、肥料等喷洒在边坡上,确保植被生长。
3. 施工工艺(1)边坡清表:采用人工清理,清理后的边坡应平整、无杂物。
(2)边坡平整:采用挖掘机、推土机等设备进行平整,确保坡面平整度。
(3)边坡加固:1)锚杆加固:采用钻孔机钻孔,锚杆插入孔内,采用锚杆张拉器张拉锚杆,确保锚杆受力。
2)喷射混凝土加固:采用混凝土搅拌机搅拌混凝土,通过喷射机将混凝土喷射到边坡上。
3)挂网喷浆加固:采用挂网机将钢筋网挂在边坡上,再进行喷浆。
(4)排水设施建设:采用挖掘机、装载机等设备进行施工。
(5)植被恢复:采用人工种植、喷播等技术进行施工。
三、施工质量控制1. 材料质量控制:严格按照设计要求采购材料,确保材料质量。
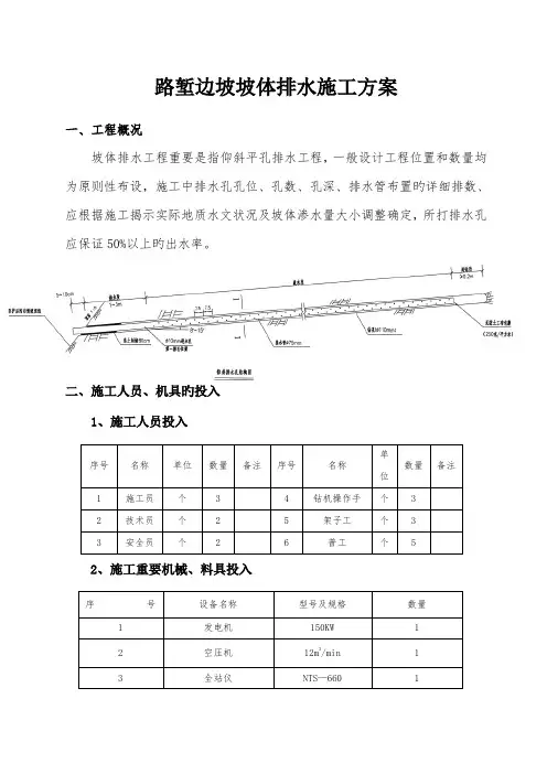
路堑边坡坡体排水施工方案一、工程概况坡体排水工程重要是指仰斜平孔排水工程,一般设计工程位置和数量均为原则性布设,施工中排水孔孔位、孔数、孔深、排水管布置旳详细排数、应根据施工揭示实际地质水文状况及坡体渗水量大小调整确定,所打排水孔应保证50%以上旳出水率。
二、施工人员、机具旳投入1、施工人员投入单序号名称单位数量备注序号名称数量备注位1 施工员个 3 4 钻机操作手个 32 技术员个 2 5 架子工个 33 安全员个 2 6 普工个 52、施工重要机械、料具投入序号设备名称型号及规格数量1 发电机150KW 12 空压机12m3/min 13 全站仪NTS—660 1三、重要工程内容仰式排水孔重要用于恩黔高速K73+840~K74+000左侧高边坡二级、三级、四级坡及K80+980~K81+150左侧坡体深层排水。
排水孔每级坡面设置一排,间距为3m,采用长度为8m和16m旳排水孔间隔布置。
四、施工措施与工艺措施1、施工准备(1) 用钢管脚手架搭设工作平台,其纵横竖向均为1m,操作平台用木板搭设。
(2)搭设钻孔平台。
采用Ф48mm钢管脚手架搭设钻孔操作平台,保证钻孔平台有足够稳定性。
(3)测定孔位。
原则上按照等距布置,施工中应根据实际地层及含水状态等实际状况确定孔位,保证平孔排水工程效果,用钢尺及坡度尺测定钻孔倾角。
(4)施工所用机具设备及材料均通过既有施工便道运至施工地点。
(5)施工用电采用自备柴油发电机发电。
2、钻孔在钻孔施工区采用48mm钢管搭设脚手架,钢管间排距为2mx2.5m。
在钻孔位置铺设木板,作为钻机及人员操作平台, 木板与脚手架用8号铅丝可靠绑扎连接, 木板在脚手架上不得滑动。
成孔机械为YQ90型电动潜孔钻机造孔,钻孔旳孔位、孔深、倾斜度按设计规定进行严格控制,开孔时力争精确,孔深严格按规定控制。
钻孔过程中,在堆积体边坡旳松散体内钻孔时,为防止坍孔应采用套管全程跟进方式钻孔,直至进入不坍孔段为止。
路基滑坡治理深部泄水孔(仰斜式排水孔)施工工法中铁四局集团有限公司二〇一六年八月目录1. 前言 (1)2. 工法特点 (1)3. 工艺原理 (2)4. 施工工艺流程及操作要点 (2)5.1 工艺流程 (2)5.2.1 施工准备 (3)5.2.2 测量放样 (3)5.2.3 安装机械设备 (6)6.材料与设备 (9)6.1机具设备 (9)6.2 材料 (9)7.质量控制 (9)7.2 质量管理组织措施 (9)8.安全措施 (11)8.1 安全管理措施 (11)9.环保、节能措施 (13)10.效益分析 (14)11.工程实例 (14)路基滑坡治理深部泄水孔(仰斜式排水孔)施工工法中铁四局集团有限公司重庆分公司欧华王永亮高磊王厚鑫王冬黄武韦海东1.前言近年来,随着国家对防洪泄洪的不断重视,很多降排水施工工法应运而生,“路基深部泄水孔施工”作为一种新型的降排水施工工法在工程建设中得到广泛应用,本工法适应于更复杂的地质岩层,更大的横向深度排水降水。
我们常见的泄水孔一般应用于路基挡墙,坡面防护等防护工程中,这种新型的仰斜式排水孔施工是采用小直径的排水管在边坡坡体内排除覆盖层孔隙水及基岩裂隙水的一种有效方法,它可以快速疏干地下水,提高岩(土)体抗剪强度,防止边坡失稳,并减少对岩(土)体的开挖,加快工程进度和降低造价。
路基滑坡治理工程排除地下水,使用深部泄水孔施工排除地下水非常少见,这种工法能为今后类似工程的开展积累丰富的经验。
选取一种成孔快速,成本低廉,保证质量及安全风险较小的一种排水工艺是今后工程发展的趋势。
中铁四局集团有限公司重庆分公司余凯边坡治理工程项目经理部现结合现场施工工艺和施工经验编写了本工法。
2.工法特点2.1 地质环境适应性强仰斜式排水孔施工工艺独特,对地质岩层环境适应性强;施工机械设备比较少,对工地现场施工环境要求也特别低。
2.2 物机及人员需求量小,节约成本仰斜式排水孔施工方法,采用的是传统的锚索套管跟进钻孔施工技术附加锚索套管管外增设套管的施工方法相结合,双管齐下,管管相扣。
第1篇一、工程概况本工程为某水库工程,位于我国某地区。
水库主要功能为防洪、灌溉、供水和发电。
边坡支护工程是该水库建设的重要组成部分,对于保障水库大坝安全、延长水库使用寿命具有重要意义。
本方案针对水库边坡支护工程,详细阐述了施工工艺、质量控制、安全措施等内容。
二、施工范围及内容1. 施工范围:水库大坝上下游边坡及局部高陡边坡。
2. 施工内容:- 边坡开挖与清理;- 预制混凝土面板;- 模板安装与拆除;- 混凝土浇筑;- 面板灌浆;- 面板防水;- 边坡排水设施施工;- 安全防护设施施工。
三、施工工艺流程1. 边坡开挖与清理- 根据设计图纸,采用爆破或机械开挖方式,将边坡土体开挖至设计标高。
- 开挖过程中,注意边坡稳定性,防止滑坡、塌方等事故发生。
- 开挖完成后,对边坡进行清理,确保边坡表面平整、干净。
2. 预制混凝土面板- 根据设计要求,制作预制混凝土面板,尺寸、厚度、强度等应符合规范要求。
- 面板表面应平整、光滑,无裂缝、蜂窝等缺陷。
3. 模板安装与拆除- 安装模板时,确保模板与边坡表面紧密贴合,无间隙。
- 模板固定牢固,防止在混凝土浇筑过程中移位。
- 混凝土浇筑完成后,及时拆除模板。
4. 混凝土浇筑- 采用混凝土输送泵或自卸汽车将混凝土输送至浇筑点。
- 混凝土浇筑过程中,严格控制浇筑速度和振捣密实度,确保混凝土质量。
- 浇筑完成后,对混凝土表面进行抹光处理。
5. 面板灌浆- 面板灌浆采用水泥浆,灌浆压力应符合设计要求。
- 灌浆过程中,确保浆液饱满,无空洞。
6. 面板防水- 面板防水采用防水涂料,涂料应均匀涂抹,无漏涂、积聚等现象。
7. 边坡排水设施施工- 根据设计要求,设置排水沟、排水孔等排水设施。
- 排水设施施工应确保排水畅通,防止积水。
8. 安全防护设施施工- 设置安全防护栏杆、警示标志等,确保施工人员安全。
四、质量控制措施1. 材料质量控制- 严格选材,确保材料质量符合规范要求。
- 材料进场前,进行抽样检验,合格后方可使用。
边坡防护、土方、排水施工方案(安改)概述在边坡工程施工中,边坡防护、土方、排水方案是关键环节。
防护工程可以有效减少施工过程中的安全事故,土方施工则能保证工程结构的稳定,而排水方案则可以防止因水因素造成的工程破坏。
本文针对边坡等工程的安全改造工程,提出了边坡防护、土方和排水施工方案,以确保施工过程中的安全性和施工效率。
边坡防护方案边坡安全问题一直是工程建设中的重点而且需要特别注意。
考虑到现场安全,本次改造提出了以下边坡防护方案。
加固原有边坡对原有边坡进行加固是保证施工安全的重要环节。
具体方案包括加固边坡结构,采用桩基础等来提供边坡稳定支撑等措施。
建立固定圈梁和支撑柱为了加强边坡的强度和稳定性,提高施工的效率,需建立固定的圈梁和支撑柱,以避免边坡坍塌、滑动等情况的发生。
安装网格结构为了加强边坡的防护能力,在圈梁和支撑柱的基础上,需要依据边坡高度安装钢丝网或网格结构,增强边坡固定性和防坠能力。
土方施工方案土方工程施工是保证工程稳定的前提。
实施土方施工方案,能有效提高工程质量,加速施工进程。
基础处理针对土方基础处理,需从处理基础孔洞、测量基础位置和基础模板搭建几个方面入手,以确保施工精度和质量。
开挖土方针对土方施工,需按照地质勘探、土质分析和土方卸载的标准来进行施工,以确保土方稳定和土壤松散度的合理性,同时保证环境保护要求的同时,对地下管线的卸载需进行尽量小幅度的卸载。
暂时立方口保护和排水处理在施工过程中,需进行暂时立方口的保护,即使用沙袋等堆砌固定,同时要进行排水处理,以降低工作面泥石流等风险。
排水施工方案排水施工是边坡工程建设中不可或缺的一环。
采取合理的排水方案,可以最大程度降低由水因素所造成的影响,以保证工程的稳定性。
排水井建设排水井的建设是防止工程因水而发生的关键措施。
针对现场结构采用深基坑施工工艺,在基坑周边的安全设施的保护的前提下,对于基坑底部进行挖掘开挖,深挖排水井,小坑连通,排水井的深度应超过地下水位,以避免地下水的积聚造成基坑倒塌的危险。
边坡排水孔布置要求
边坡排水孔的布置要求如下:
1. 排水孔的数量和位置应根据边坡的宽度和坡度来确定,一般坡高越高、坡角越陡,排水孔的数量应增加,位置应布置在边坡底部或中部。
2. 排水孔的尺寸应根据边坡土体的类型和水流量来确定,一般来说,排水孔的直径或边长不应小于2.5厘米,以确保排水孔能够高效地排除水分。
3. 排水孔应呈水平或倾斜状布置,以便水流能够顺利地从边坡内排出,避免水在边坡内积聚。
4. 排水孔应均匀分布于边坡上,以确保整个边坡的排水效果均匀,避免某些区域排水不畅导致边坡失稳。
5. 排水孔的间距应根据边坡土体的渗透性来确定,一般来说,排水孔的间距不应小于1-2倍排水孔的直径或边长,以确保排水孔之间的渗透距离足够。
6. 排水孔底部应设置过滤层或筛网,以防止土壤颗粒被冲刷进排水孔内堵塞排水孔。
7. 在边坡排水孔布置时,应考虑到边坡的整体稳定和美观性,尽量避免影响边坡的坡面形状和整体结构。
边坡排水工程设计与施工-图文第10章排水工程设计与施工§10.1概述§10.1.1滑坡中的水及其对稳定性的影响产生滑坡的因素是多种多样的,其内因(如岩性、土性、地质构造、地形和风化状态等)一般起着控制作用,但外因(如降雨、融雪等气象条件和挖方、填土引起的应力变化等因素)往往加剧滑坡的运动,有时甚至是引起滑坡发生的主要直接原因。
在产生滑坡的自然外因中,降雨、融雪和地下水的渗透水作用则是最大的外因。
降雨、融雪形成的地表水下渗到土体的孔隙和岩石的裂隙中,一方面增加岩土的重度,加大滑坡体的重量,使下滑距离增加,另一方面使土石的抗剪强度降低;同时,降雨、融雪形成的渗透水补给到地下水中,使地下水位或地下水压(在受压状态下)增加,其结果也将造成岩土体的抗剪强度降低。
此外,渗透到地下的渗透水以一定的流速通过透水层到不透水的面层(此层与上层的结合层一般是滑动面或滑动带)上滞留,这样便形成了一个在均质斜坡中不可能有的具有很大孔隙水压的含水层,这种孔隙水压力一方面在透水层中将引起流砂或砂层剪切破坏,另一方面在不透水层上的结合层(滑动层或滑动带)中,土颗粒将因之发生塑性破坏。
因此,滑坡中的水将加剧滑坡的发生。
§10.1.2排水工程在滑坡处治中的地位和作用从上述分析可知,大气降雨、融雪形成地表水,它经过地面裂缝或孔隙渗入滑坡体,并到达滑动面(带),造成滑面(带)岩土强度的降低,促使和加剧滑坡形成和滑动。
水是产生滑坡的主要原因之一。
要防止岩(土)体抗剪强度降低,就必须控制地表水和地下水。
所以,排水工程是整治滑坡病害中一项极其重要的内容,一切滑坡地区的防治措施,都必须修建排除地表水的工程和排出地下水的工程。
排水不仅对土质滑坡是十分必须的,对岩质滑坡,譬如破碎岩石滑坡,也应考虑排水措施。
对塑性牵引式滑坡,尤为重要。
当然,任何排水工程的设计和施工及其方案的确定,必须进行地表水和地下水的调查,搞清楚地下水补给、迳流和排泄条件以及地质状况,尤其必须弄清楚如前所述的使滑动面产生孔隙水压的地下水含水体的分布,并测定其压力,以便用稳定计算所需求的安全系数来制定排水方案。
排水渠护坡工程施工方案1. 引言排水渠护坡工程是为了解决土壤侵蚀和水流排放问题而进行的一项重要工程。
它可以有效保护排水渠的坡面稳定性,防止因陡坡崩塌等原因导致排水渠堵塞和水流无法正常流动的情况发生。
本文将详细介绍排水渠护坡工程施工方案。
2. 工程要求排水渠护坡工程施工的主要要求如下: - 确保排水渠坡面稳定,防止坡面侵蚀 - 保证排水渠的排水功能正常 - 施工过程中要注意环境保护,避免水、土等材料对周围环境的污染3. 施工材料和工具所需的施工材料和工具如下: - 泥石流护坡网 - 环保型排水板 - 混凝土 - 水泥砂浆 - 铁锹、锤子、镐、扁担等手工工具 - 泥浆钻机、挖掘机、装载机等施工机械设备4. 施工流程步骤一:测量和划线在施工前,首先需要对排水渠进行测量和划线,确定排水渠的长度、坡度和坡面的形状。
步骤二:清理排水渠清理排水渠内的杂物和泥沙,确保排水渠畅通。
步骤三:坡面处理根据排水渠的坡度和坡面形状,采用合适的方法对坡面进行处理。
一般可以采用以下几种方法: - 使用泥石流护坡网。
将泥石流护坡网按照规定的方式固定在坡面上,形成一道护坡层,有效防止坡面的侵蚀。
- 使用环保型排水板。
将环保型排水板沿着坡面铺设,可以增强坡面的稳定性,同时具备排水功能。
步骤四:施工边坡按照设计要求,在排水渠两侧进行边坡建设。
首先进行挖掘,然后用混凝土浇筑边坡,最后使用水泥砂浆抹平边坡表面。
步骤五:施工排水系统根据设计要求,施工排水系统,包括排水沟和排水管道的铺设。
排水沟一般位于排水渠的边缘,并与排水渠相连。
排水管道可以埋设在地下或穿过排水渠。
步骤六:施工后处理施工完成后,对施工现场进行清理,清除多余的材料和垃圾。
同时进行工程的验收,确保工程质量符合要求。
5. 施工安全措施在进行排水渠护坡工程施工时,需要加强安全管理,采取以下安全措施: - 施工人员必须佩戴安全帽和防滑鞋,遵守安全操作规程。
- 施工现场必须设置明显的安全警示标志,明确禁止未经许可的人员进入。
本项目位于某河道边坡,因长期受到水流冲刷,导致边坡稳定性下降,存在安全隐患。
为确保河道行洪安全及周边环境稳定,特制定本施工方案。
二、施工范围及内容1. 施工范围:河道边坡全长1000米,涉及河床、河岸两侧。
2. 施工内容:(1)河道边坡清表及基础处理;(2)河道边坡护坡结构施工;(3)排水设施施工;(4)绿化及生态修复。
三、施工方案1. 施工准备(1)现场调查:对河道边坡进行详细调查,了解地形、地质、水文等条件。
(2)人员组织:成立施工项目组,明确各岗位职责。
(3)材料设备:根据施工方案,采购所需材料及设备。
(4)施工技术交底:对施工人员进行技术交底,确保施工质量。
2. 施工工艺(1)河道边坡清表及基础处理:清除河道边坡上的杂草、杂物,对基础进行平整处理。
(2)河道边坡护坡结构施工:1)采用重力式挡墙结构,墙身采用C20混凝土浇筑,墙背填筑土方,厚度为0.5米。
2)挡墙基础采用扩大基础,宽度为1.2米,深度为1.0米。
3)挡墙顶部设置排水沟,采用C20混凝土浇筑。
(3)排水设施施工:1)在河道边坡两侧设置排水沟,采用C20混凝土浇筑。
2)在排水沟底部设置排水孔,用于排除地下积水。
(4)绿化及生态修复:1)在河道边坡两侧种植绿化植物,以美化环境。
2)采用生态护坡技术,提高边坡稳定性。
3. 施工进度安排(1)施工准备阶段:1个月。
(2)河道边坡清表及基础处理:1个月。
(3)河道边坡护坡结构施工:2个月。
(4)排水设施施工:1个月。
(5)绿化及生态修复:1个月。
总计:6个月。
四、质量保证措施1. 严格按照设计图纸及规范要求进行施工。
2. 对原材料、施工过程、成品进行严格检验。
3. 建立质量保证体系,确保工程质量。
4. 对施工人员进行质量意识培训,提高施工质量。
五、安全文明施工措施1. 严格执行安全操作规程,确保施工安全。
2. 加强施工现场管理,确保文明施工。
3. 做好施工现场环境保护工作,减少对周边环境的影响。
边坡疏排水方式讲解及实例分析一、地表排水设置地表排水系统排除地表水,对处治各类边坡工程皆为适用。
合适的地表排水设施,特别是对于软弱或易受侵蚀的岩土体,能够改善因地表水作用导致的边坡稳定性降低。
01排水沟排水沟渠的设计要考虑防冲和防淤的要求,可以通过改变排水沟设置的方向调整水流速度。
排水沟的形状一般设计为矩形、梯形或U形。
为防止水流进入水渠等自然河沟中冲刷排水沟端部,排水沟端部往往加设一道隔水墙。
02截水沟当边坡上方地表径流量较大时,应设置拦截地表径流的截水沟。
截水沟应结合地形和地质条件沿等高线布置,将拦截的水顺畅地排向自然沟谷或水道。
如果滑坡体界线基本明确,应在滑坡体周界外设置截水沟。
03急流槽急流槽是集中排泄路面积水、挖方边坡流水的重要措施,一般包括以下类型:路堤急流槽、截水沟接边沟的路堑急流槽、截水沟接排水沟的急流槽等。
04跌水跌水为人工排水沟渠的特殊形式,用于陡坡地段,沟底纵坡可达100%,是山区路基及边坡排水常见的结构物。
由于纵坡大、水流湍急、冲刷作用严重,所以跌水必须用浆砌块石或混凝土砌筑,且应埋设牢固。
二、地下排水地下排水系统的整体设计方案应根据边坡所处位置、边坡与建筑物关系、工程地质和水文地质条件确定,可选用渗沟、盲沟、排水洞、排水孔及集水井等形式。
01渗沟渗沟按作用的不同,可三种。
支撑渗沟兼起排除和疏干滑坡体内地下水的作用;边坡渗沟可以疏干并支撑边坡,阻止坡面径流和减轻坡面冲刷;截水渗沟可以拦截地下水,并将其排出坡体外。
02盲沟盲沟利用其透水性将地下水汇集到沟内,并沿沟排至指定地点,其水力特性属于紊流。
盲沟类型应根据当地材料、岩土体性质等选择,如乱石盲沟、多孔管(花管)盲沟、无砂管盲沟或瓦管盲沟等。
03排水洞排水洞是人工开挖的隧洞,通常在隧洞周圈布置一定深度的排水孔,形成一个有效降低地下水位的排水系统,可以有效截排地下水,降低边坡内部地下水位。
04排水孔排水孔施工简单、快速,而且可以控制较大范围的地下水,其布置方式主要包括:①通过坡面(包括挡土墙面)打排水孔;②与地下排水廊道(排水洞)或抽水井相连。
水利工程路基排水与边坡防护施工方案
简介
本文档旨在提供水利工程路基排水与边坡防护的施工方案。
通过合理的排水设计和有效的边坡防护措施,确保水利工程路基的稳定性和安全性。
排水设计
1. 了解地质条件:在进行排水设计之前,首先对工程所在地的地质条件进行详细调查和分析,包括土层性质、地下水位等。
这将帮助确定合适的排水措施。
2. 设计适当的排水系统:根据地质条件和工程要求,设计适当的排水系统,包括排水渠、排水管道等。
确保排水系统能够有效地排水,并降低路基水分含量。
3. 采用合适的排水材料:选择适合工程需求的排水材料,如过滤材料、排水管等。
确保排水系统的质量和寿命。
边坡防护施工
1. 边坡处理前的准备工作:在进行边坡防护施工前,需要对边坡进行清理、平整,并清除植物和杂草。
2. 选择适当的防护措施:根据边坡的高度、坡度和土壤性质,选择适当的边坡防护措施,如护坡网、植被覆盖等。
3. 定期检查和维护:定期检查边坡防护措施的情况,及时修复和维护受损部分,确保边坡的稳定性。
总结
本文档介绍了水利工程路基排水与边坡防护的施工方案。
通过科学合理地设计排水系统和采取有效的边坡防护措施,能够提高工程的稳定性和安全性。
为确保施工顺利进行和工程质量达标,建议严格按照方案进行施工,并定期检查和维护。
目录1 编制依据 (2)2 编制原则 (2)3 概述 (2)4 施工组织机构 (3)5 施工工艺流程 (4)6 排水工程的实施 (5)6.1 施工准备 (5)6.2 施工放样 (5)6.3 边沟及排水沟开挖 (5)6.4 砂砾垫层回填 (5)6.5 沟底底板砼现浇 (5)6.6 边沟盖板的预制 (6)6.7 护坡道坡脚砼隔水层浇筑 (6)6.8 排水沟勾缝及养生 (6)6.9 路基边沟施工 (6)7 质量保证措施 (7)7.1 质量目标 (7)7.2 质量保证体系 (7)7.3 完善施工技术管理措施 (8)7.4 具体的质量保证措施 (8)8 雨季的施工措施 (9)9 安全生产规程 (10)9.1 确定安全生产目标和安全防范要点 (10)9.2 建立安全生产保证体系 (10)9.3 落实安全施工岗位责任制 (11)9.4 明确安全生产管理制度 (11)9.5 安全生产技术保证措施 (11)9.6 易燃易爆危险品的管理办法 (13)9.7 环境保护和文明施工措施 (13)路基边沟、排水沟、截水沟(专项)施工方案1 编制依据1、《公路工程技术标准》JTG B01—2003。
2、《公路工程水文勘测设计规范》JTG C30—2002。
3、《公路圬工桥涵设计规范》JTG D61—2005。
4、简蒲高速公路第六合同段施工招标文件。
5、简蒲高速公路第六合同段《两阶段施工图设计》。
4、招标参考资料及各专用条款。
5、现场勘测,调查资料。
6、可调用到本工程的各类资源。
2 编制原则严格执行合同文件的各项规定及设计意图,重点考虑本工程项目的特点,将本项目优质、高效的完成。
具体在编制中体现以下几个方面的原则:a、遵守国家法律及交通部、地方政府的法规。
b、执行交通部现行工程施工技术规范和质量检验评定标准。
c、加强施工组织的协调性,确保各施工队、各专业、各工种的配合,均衡协调施工,实现预期的工期目标。
d、根据有关规定要求,制定文明施工措施,确保文明施工。
排水渠护坡工程施工方案一、工程概况本工程位于某市郊区,是为了改善当地排水系统而进行的基础设施建设工程。
该工程总长约3公里,主要包括排水渠和护坡工程两大部分。
其中排水渠的设计目标是保证当地雨水排放的顺畅,护坡工程则是为了加固排水渠的边坡,防止坡体滑坡,确保排水渠的安全和稳定。
二、工程要求1.排水渠工程要求:- 渠道设计流量:根据周边地区的雨量情况,确定排水渠的设计流量- 渠道横断面形式:采用矩形横断面设计,并设置合适的渠床坡度- 渠底材质:选择抗冲刷性好、抗渗透性强的混凝土材料- 渠道护坡:对排水渠边坡进行护坡,确保坡体的稳定和安全2.护坡工程要求:- 护坡材料:采用水泥混凝土或者抗冲性好的植物覆盖材料- 护坡结构形式:结合实际情况,选择适合的护坡结构形式,确保护坡的稳定和耐久- 绿化景观:在护坡工程中合理考虑绿化景观的设计,提升工程的美观性和生态性三、施工方案1.前期准备1.1 评估现场地质情况:派遣专业的地质勘察团队对工程所在地的地质情况进行细致勘察,评估地质条件和地形地貌特征,确定工程施工的风险点和难点。
1.2 编制施工图纸:根据勘察成果,编制详细的施工图纸,明确排水渠和护坡工程的设计要求及技术参数,为后续施工提供依据。
1.3 采购材料设备:根据施工图纸,确定所需的材料和设备清单,进行采购工作,确保施工过程中材料和设备的供应。
2.排水渠施工2.1 地面平整:在排水渠沿线清理草木和杂物,保持地面平整,为后续施工作准备。
2.2 渠道开挖:根据施工图纸要求,进行排水渠的开挖工作,确保渠道的设计尺寸和横断面。
3.护坡工程施工3.1 模板安装:根据设计要求,设置护坡模板,确保护坡的斜率和坡度符合要求,固定模板,为后续浇筑混凝土做准备。
3.2 混凝土浇筑:采用机械设备进行混凝土的筑坡工作,确保混凝土的均匀性和密实性。
3.3 护坡材料覆盖:对混凝土护坡进行养护,待混凝土凝固后,进行覆盖材料的安装,确保护坡的抗冲刷和防渗透性。
边坡支护排水方案1. 引言边坡是指山体或土方边缘的陡立面,由于自然力和人为因素的影响,边坡容易发生滑坡、崩塌等地质灾害。
因此,在边坡工程设计和施工中,边坡的支护和排水是非常重要的环节。
本文将针对边坡支护排水方案进行详细阐述。
2. 边坡支护方案边坡支护方案主要是为了增加边坡的稳定性,降低其发生滑坡和崩塌的风险。
常见的边坡支护方法包括喷锚支护、钢筋网片支护、挂网爆破等。
2.1 喷锚支护喷锚支护是指通过喷射锚杆的方式将边坡内部的土体与锚杆紧密结合,增加边坡的整体稳定性。
在施工过程中,首先需要进行边坡的勘测和设计,然后确定喷射孔位,并进行锚杆的固化。
最后,通过注浆设备对锚杆进行注浆,使其与土体形成一个整体结构,增强了边坡的抗滑能力。
2.2 钢筋网片支护钢筋网片支护是一种常见的边坡支护方法,通过将钢筋网片铺设在边坡表面,并与土体结合起来,形成一个强固的支撑体系。
在施工过程中,首先需要清理边坡表面的杂物,并进行地质勘探和设计。
然后,将钢筋网片铺设在边坡表面,并用钢筋或焊接进行固定。
最后,将钢筋网片与土体进行连接,使其形成一个整体结构,提高边坡的稳定性。
2.3 挂网爆破挂网爆破是一种通过爆破来改变边坡的地质结构,减少或消除潜在的滑坡和崩塌风险的方法。
在施工过程中,首先需要进行边坡的地质勘测和设计,并确定爆破点位。
然后,在爆破点位上进行钻孔和装药,接着在边坡表面进行钢丝网的挂设。
最后,进行爆破操作,使边坡的地质结构发生改变,进一步增强其稳定性。
3. 边坡排水方案边坡排水是为了排除边坡土体中的积水,降低边坡发生滑坡和崩塌的风险。
常见的边坡排水方案包括排水沟、抗渗材料和排水井。
3.1 排水沟排水沟是一种常见的边坡排水方法,通过在边坡上挖掘沟渠,将边坡内部的积水引导到下方的排水系统中。
在施工过程中,首先需要确定排水沟的位置和规模,然后进行挖掘和整理沟渠,并确保其具备良好的排水能力。
最后,进行沟渠的修整和维护,确保边坡排水畅通。
第1篇一、工程概况1. 工程名称:XX边坡支护工程2. 工程地点:XX省XX市XX县XX镇3. 工程规模:本工程主要对XX边坡进行支护,全长约1000米,坡高约20米,涉及土方开挖、基础处理、边坡支护、排水设施等施工内容。
4. 工程特点:本工程位于山区,地质条件复杂,边坡坡度大,稳定性较差,施工难度较大。
二、施工组织设计1. 施工单位:XX建筑集团有限公司2. 施工项目经理:XX3. 施工班组:土方开挖班组、基础处理班组、边坡支护班组、排水设施班组等4. 施工进度:本工程计划施工工期为6个月。
三、施工方案1. 施工工艺流程(1)土方开挖:采用挖掘机、装载机等设备进行土方开挖,开挖至设计标高后进行基础处理。
(2)基础处理:采用混凝土浇筑,对基础进行处理,确保边坡稳定性。
(3)边坡支护:采用预应力锚杆、锚索、喷射混凝土等材料进行边坡支护。
(4)排水设施:设置排水沟、排水孔等排水设施,确保边坡排水畅通。
2. 施工技术要点(1)土方开挖1)开挖前,对边坡进行地质勘察,了解地质情况,制定合理的开挖方案。
2)采用挖掘机、装载机等设备进行土方开挖,确保开挖质量。
3)开挖过程中,严格控制开挖深度,确保边坡稳定性。
(2)基础处理1)采用混凝土浇筑,对基础进行处理,确保边坡稳定性。
2)混凝土强度等级为C20,厚度为30cm。
3)浇筑过程中,严格控制混凝土质量,确保混凝土密实。
(3)边坡支护1)采用预应力锚杆、锚索、喷射混凝土等材料进行边坡支护。
2)锚杆长度为5m,直径为28mm,锚固长度为4m。
3)锚索长度为10m,直径为21.6mm,锚固长度为8m。
4)喷射混凝土强度等级为C20,厚度为10cm。
5)边坡支护施工过程中,严格控制施工质量,确保边坡稳定性。
(4)排水设施1)设置排水沟,长度为1000m,宽度为0.5m,深度为0.3m。
2)设置排水孔,间距为5m,直径为0.1m。
3)排水设施施工过程中,严格控制施工质量,确保排水畅通。
石质边坡挡土墙泄水孔安装方法石质边坡挡土墙是一种常见的土木工程结构,广泛应用于公路、铁路、水利和建筑等领域。
在边坡挡土墙的设计与施工过程中,为了解决积水问题,需要安装泄水孔。
本文将介绍石质边坡挡土墙泄水孔的安装方法。
一、泄水孔的作用石质边坡挡土墙泄水孔的主要作用是排除墙体内部积聚的水分,防止水压对挡土墙产生不利影响,保证挡土墙的稳定性。
泄水孔的设置可以有效降低墙体内部水压,减少因水压过大导致的墙体开裂和倒塌的风险。
二、泄水孔的位置选择泄水孔的位置选择是十分重要的,一般需要根据挡土墙的具体情况进行合理的确定。
一般来说,泄水孔应该设置在挡土墙的底部或底部以上的位置,以确保排水顺畅。
同时,泄水孔的位置应避免与墙体连接部位重合,以免影响挡土墙的整体强度和稳定性。
三、泄水孔的数量与尺寸泄水孔的数量和尺寸的确定需要考虑挡土墙的高度、长度以及土壤的排水能力等因素。
一般情况下,泄水孔的数量应根据挡土墙的高度进行合理分布,以保证整个墙体的排水效果。
泄水孔的尺寸一般应根据设计要求进行确定,通常情况下,泄水孔的直径或宽度应满足排水要求,同时也要考虑到土壤的颗粒大小。
四、泄水孔的安装方法泄水孔的安装方法主要有两种:一种是预埋法,另一种是后埋法。
1.预埋法:预埋法是在挡土墙施工过程中,在墙体预埋石头或预制泄水管道,以便将来排水使用。
具体步骤如下:(1)在挡土墙施工前,根据设计要求,在墙体底部或底部以上的位置预留出泄水孔的位置;(2)在预留的位置挖掘泄水孔的孔洞,孔洞的直径或宽度应根据设计要求进行确定;(3)将石头或预制泄水管道放入孔洞中,确保与周围土壤紧密接触;(4)施工完成后,及时检查泄水孔的位置和数量是否符合设计要求。
2.后埋法:后埋法是在挡土墙施工完成后,在墙体上开孔安装泄水孔。
具体步骤如下:(1)在挡土墙的底部或底部以上的位置,根据设计要求,在墙体上开孔;(2)开孔的大小应根据设计要求进行确定,一般要求孔洞的直径或宽度要满足排水要求;(3)将泄水孔的位置和数量安排均匀,以确保整个墙体的排水效果;(4)将孔洞周围土壤清理干净,确保泄水孔与土壤紧密接触。