表面贴装晶体谐振器陶瓷基座的研究
- 格式:doc
- 大小:95.25 KB
- 文档页数:25
晶体振荡器陶瓷基座的作用
晶体振荡器陶瓷基座是晶体振荡器中重要的组成部分之一,它主要起到支撑晶体、保护晶体、减少振动衰减等作用。
首先,晶体振荡器的稳定性与晶体的机械稳定性有着密切的关系,而陶瓷基座具有优异的机械性能和稳定性,可以有效地支撑晶体,防止晶体在运行过程中出现机械变形和应力集中,从而保证振荡器的稳定性和精度。
其次,晶体振荡器陶瓷基座还可以起到保护晶体的作用。
陶瓷基座具有优异的耐高温、耐腐蚀、绝缘性能等特点,可以有效地保护晶体免受外界环境的影响,从而延长晶体的使用寿命。
最后,晶体振荡器陶瓷基座还可以减少振动衰减。
在晶体振荡器中,晶体的振动会耗散在基座中,而陶瓷基座具有较低的振动衰减特性,可以有效地减少振动损耗,从而保证振荡器的稳定性和精度。
综上所述,晶体振荡器陶瓷基座在晶体振荡器中具有非常重要的作用,它不仅可以保证晶体的机械稳定性和稳定性,还可以保护晶体、减少振动衰减等,从而提高晶体振荡器的性能和使用寿命。
- 1 -。
晶体谐振器陶瓷基座的生产工艺设计http://cecbn 2019年12月10日10:13:57 电子元器件应用作者:贾铁钢大连职业技术学院引言表面贴装(SMD)晶体谐振器和振荡器的应用非常广泛,其中手机、数码相机、PDA每部需1只,笔记本电脑需4~6只。
这些产品的年增长率均在10%~50%。
而且,表面贴装(SMD)晶体谐振器、振荡器的需求呈连年上升趋势。
晶体谐振器表面贴装(SMD)陶瓷基座(Ceramic Base)(以下简称陶瓷基座)是适应表面贴装技术的片式化谐振器封装用基座,目前我国的陶瓷基座基本由日本、韩国进口,因此陶瓷基座的国产化设计与开发迫在眉睫。
1 陶瓷基座的基本结构与材料片式化晶体谐振器表面贴装陶瓷基座的基本结构如图1所示。
该陶瓷基座所用的主要原材料如下:(1)陶瓷粉末陶瓷粉末的主要成分为氧化铝(Al2O3),主要使用日本京瓷A440,90%含量,密度:3.6g/cm3,电阻系数(20℃)1014Ωm、抗压强度:300 Mpa、电介强度:10 kV/mm。
制作陶瓷基座的原材料分为高温陶瓷粉末和低温陶瓷粉末。
高温陶瓷一般为氧化铝(Al2O3),烧结温度在1600℃~1850℃左右。
低温陶瓷一般为玻璃-陶瓷系列,主要有45%PbO-硼硅玻璃+55%Al2O3、60%CaO-Al2O3-硼硅玻璃+40%Al2O3等,烧结温度在800℃~900℃左右。
高温陶瓷烧结的收缩稳定性比低温陶瓷好,结构强度高,致密性好。
缺点是材料介电常数较大会导致信号延迟时间过长。
电路材料以钨(W)、钼(Mo)为主。
导体材料的电阻率高、损耗较大。
低温陶瓷为第 1 页一般常用的陶瓷材料,介电常数小,电路材料是Cu、Ag等电阻率较小的优良导体,缺点是陶瓷材料配制技术复杂。
(2) 粘合剂粘合剂的作用是将陶瓷粉末融合在一起形成板片状,并可在上面打孔和印导电金属浆料。
粘合剂经烧结后会挥发掉。
常用的粘合剂包括聚乙烯醇缩丁醛(PVB)、邻苯二甲酸二丁脂、正丁醇和三氯乙烯。
- 6 -陶瓷封装对石英晶体谐振器的仿真研究*吴荣兴1,2,李继亮2,于兰珍1,2,李建中1,王 骥2(1.宁波职业技术学院建筑工程系,浙江宁波 315800;2.宁波大学机械与力学学院,浙江宁波 315211)摘 要:基于三维压电理论,利用有限元软件ANSYS对考虑封装结构的石英晶体谐振器进行了研究。
在添加导电胶、封装基座和封盖后,获得了清晰的石英晶体板厚度剪切振动的位移云图和在长度、宽度方向的位移图。
数值分析结果表明与自由振动相比,封装基座和封盖对石英晶体板厚度剪切振动的影响不大。
结果验证了Mindlin板理论在分析石英晶体板高频振动的有效性。
关键词:封装结构;谐振器;厚度剪切;位移;振动;有限元中图分类号:O343 文献标识码:A 文章编号:1681-1070(2014)07-0006-03 The Simulation Study of Quartz Crystal Resonator with Consideration ofthe Ceramic Package StructuresWU Rongxing1, 2, LI Jiliang2, YU Lanzhen1, LI Jianzhong1, WANG Ji2(1. Department of Architectural Engineering, Ningbo Polytechnic, Ningbo 315800, China;2. School of Mechanical Engineering and Mechanics, Ningbo University, Ningbo 315211, China)Abstract: Based on the three-dimensional theory of piezoelectricity, the quartz crystal resonator with consideration of package structures have been investigated by the finite element software ANSYS. With adding conductive adhesive support, sealing base and cover, the paper obtained clear cloud pictures of displacement of the thickness-shear vibrations of quartz crystal plate and displacement pictures on the length and width direction. Numerical results showed that compared with free vibration, the effect of sealing base and cover on the thickness-shear vibration of quartz crystal plate is little. In the paper, the obtained results have verified efficiency of Mindlin plate theory on analysis of high frequency vibration of quartz crystal plate.Key words: package structure; resonator; thickness-shear; displacement; vibration; finite element收稿日期:2014-04-11*基金项目:国家自然科学基金(10932004 & 11072116);浙江省教育厅高校科研项目(Y201327293);浙江省重中之重学科开放基金(zj1202);宁波职业技术学院青年博士创新基金项目(2013001)1 引言作为频率控制器件的石英晶体谐振器是整个电子行业必不可少的关键元件[1~3]。
简单了解陶瓷谐振器的工作原理陶瓷谐振器是指产生谐振频率的陶瓷外壳封装的电子元件。
在电路上起到产生频率的作用,具有高稳定、高抗干扰性等特点,属于压电元器件。
大家都知道晶振起振,都跟压电效应和逆压电效应有关。
陶瓷晶振就是晶体逆压电效应原理,陶瓷谐振器的工作原理就是既可以把电能转换为机械能,也可以把机械能转换为电能。
目前陶瓷谐振器的类型按照外形可以分为直插式和贴片式两中。
陶瓷谐振器简述陶瓷谐振器是一种压电陶瓷元件,它又叫压电陶瓷晶振,它类似于石英晶振,既可以把电能转换为机械能,也可以把机械能转换为电能。
当外加的交流电场的频率和谐振器的谐振频率发生共振时,电能和机械能的转换会发生在谐振器的谐振频率上,具有对激励信号频率十分敏感的突出特点,由于需与各种IC搭配应用,所以谐振器的起动振荡与谐振是根据不同的IC搭配而设计的。
陶瓷谐振器的分类我们将陶瓷谐振器根据引脚方式可分为贴片型谐振器与直插型谐振器。
陶瓷谐振器应用频率范围很广,既有低频千赫陶瓷谐振器系列,也有中频和高频兆赫兹系列。
如CRB455E谐振器的频率为455KHZ,而CRB1.2M谐振器的频率达到了1.2MHZ的兆赫兹范围。
由于陶瓷谐振器需与各种IC搭配应用,所以起动振荡是根据不同的IC搭配而设计的。
常用IC有1/6CD4069UBEX2和TC74HCUO4P系列。
在大多数微处理器设备应用中,陶瓷谐振器常作为计时元件。
越来越多的电子产品及通讯设备的应用将使用陶瓷谐振器,因为它的稳定性高、不用调整、小型尺寸和低价位。
典型应用:电话机、电视机、录像机、家电遥控器、玩具、汽车电子设备、照相机,通讯设备、电脑周边等数码产品等。
陶瓷谐振器其实类似于石英晶体,但比石英晶体谐振器的精度和温度稳定度上都要低,相对应成本也比石英晶体谐振器低,石英晶振可以代替陶瓷晶振,但是陶瓷晶振不一定能代替石英晶振,陶瓷晶振多在电视遥控器、玩具产品等对精度要求不高的产品中,而在仪器仪表,通信通讯等消费类电子产品中要求精度高的地方就需要石英晶振。
收稿日期:2006206206 作者简介:范坤泰(19352),男,山东省阳谷县人,教授,主要从事半导体器件、敏感元件及压电陶瓷材料的研究。
文章编号:100422474(2006)0420423203片式压电陶瓷谐振器的研制范坤泰1,朱传琴2,张录周3,杨志坚1,孙兆海4(1.山东大学信息科学与工程学院,山东济南250061;2.山东电力高等专科学校,山东济南250002;3.山东沂光电子公司,山东临沂276003;4.淄博宇海电子陶瓷有限公司,山东淄博255202) 摘 要:世界组装技术的新发展,要求元器件片式化,本课题就是研制片式压电陶瓷谐振器。
是在插脚式配方的基础上,用Mg 、Ca 等离子取代Pb ,并掺入Ce 、Mn 等杂质,以提高居里温度。
采用气流粉碎法、热压烧结、厚度切变模及叠层封装结构,以利于稳定性和片式化。
最终研制出频率精度高、温度特性好的片式压电陶瓷谐振器。
关键词:片式压电陶瓷谐振器;锆钛比(Zr/Ti );复合掺杂;热压成形中图分类号:TN282 文献标识码:AThe Manufacture of Chip ’s Piezoelectricity Ceramic R esonatorFAN K un 2tai 1,ZHU Chu an 2qin 2,ZhANG Lu 2zhou 3,YANG Zhi 2jian 1,SUN Zhao 2hai 4(rmation Science and Engineering of Shandong Uniersity ,Jinan 250061China ;2.Power Higher College of Shandong ,Jinan 250003,China ;3.Y i Light Electricity Limfted 2Liability Compay.Linyi 276003,China ;4.Zibo Yuhai Electronic Ceramics CO.,L TD.,Zibo 255202,China ) Abstract :In the world ,the tendency of assembling technology today is to make devices chipped ,the paper is a 2bout the development of chip ’s piezoelectricity ceramic resonators.Basing on the formula of leg ’s piezoelectricity ce 2ramic resonators ,we add impurities of Ce 、Mn and etc.and substitute Mg 2+、Ca 2+for Pb 2+.In order to raise the devices ’curie temperatures ,moreover ,we also use airflow smashing method ,sintering under pressure ,thickness cut changed vibration mode and encapsulation of laminated construction ,which is beneficial to increase the stability and to make the devices chipped.The testing results indicate that these chipped devices have high f requency preci 2sion and good temperature property.K ey w ords :chip ’s piezoelectricity ceramic resonator ;zirconium titanium proportion (Zr/Ti );compound doping ;take shape by heating under pressurize 20世纪80年代以来,由于电子设备向轻、薄、短、小方向发展,有力地推动了电子元器件向小型化、复合化、轻量化、多功能、高可靠、长寿命的方向变革,从而相继出现了各类型的片式电子元器件。
专利名称:一种陶瓷封装基座及谐振器专利类型:实用新型专利
发明人:刘杰鹏,李钢
申请号:CN202021836213.5
申请日:20200826
公开号:CN212992298U
公开日:
20210416
专利内容由知识产权出版社提供
摘要:本实用新型涉及电子元器件技术领域,尤其涉及一种陶瓷封装基座及谐振器,包括基座主体、测温焊盘组件、接线端子组件和布线总成。
其中,基座主体包括上表面和下表面,下表面内陷形成有第一腔体;测温焊盘组件设置于第一腔体内用于连接温度检测元件,测温焊盘组件包括第一测温焊盘;接线端子组件设置于下表面;第一测温焊盘通过第一布线图案与接线端子组件连接,第一布线图案包括第一导通电极和第二导通电极,第一导通电极贴合于基座主体的外周侧,第二导通电极穿设基座主体。
本实用新型第一方面,保证温度检测元件使用的可靠性和稳定性;第二方面,提高电子元器件工作时的耐电流性能;第三方面,提高基座的散热效果。
申请人:深圳三环电子有限公司,潮州三环(集团)股份有限公司
地址:518000 广东省深圳市光明区马田街道马山头社区钟表基地格雅科技大厦1栋711
国籍:CN
代理机构:广州三环专利商标代理有限公司
更多信息请下载全文后查看。
科技项目(课题)模拟申报书
班级:学号:
课题负责人:
表面贴装晶体谐振器陶瓷基座的研究项目名称:
指导老师:
申报时间:
电子专业科技方法训练
二、研究内容、方法和技术路线(包括工艺流程):
1.研究内容
SMD晶体谐振器陶瓷基座是适应电子元件的发展,集成电路(IC)的开发,半导体材料的多元应用。
本项目中通过对表面贴装晶体谐振器陶瓷基座的生产工艺,制备流程,优缺点等的详细研究,实现表面贴装晶体谐振器陶瓷基座的更优化发展。
2.技术
表面贴装晶体谐振器陶瓷基座,经排胶、烧结的基板、中板、上框板和上盖板或基板、上框板和上盖板用环氧聚酯或低温玻璃粘接成三、二层陶瓷基座。
基板,中板,上框板表面有印刷导线电路。
基板有底脚引线,通孔填充导电胶或导体瓷片。
中间空腔装石英片,上盖板封装。
3.加工工艺:
1)总体工艺:
单层软陶瓷片经排胶、烧结成硬陶瓷板。
基板,中板,上框板和上盖板和基板,上框板和上盖板用环氧树脂或低温玻璃粘接成三、二层陶瓷基座,二者粘结温度分别为120~170℃和290~350℃。
中间空腔装石英片,上盖板封装。
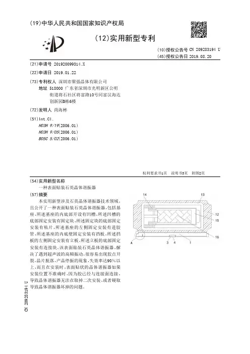
表面贴装晶体谐振器陶瓷基座的加工工艺,其特征在于将用以加工基板、中板、上框板和上盖板的单层软陶瓷片经排胶、烧结成硬陶瓷片基板(1)、中板(2)、上框板(3)和上盖板(4),在基板(1)表面印刷导
电线路(7)及底脚引线(8),通孔(5)填充导电胶或导体瓷片,在中板(2)表面印刷导电线路(6),通孔(9)填充导电胶或导体瓷片,在上框
板(3)表面印刷导电线路(11),通孔(10)填充导电胶或导体瓷片,将
基板(1)、中板(2)、上框板(3)和上盖板(4)或基板(1)、上框板(3)
和上盖板(4)用环氧树脂或低温玻璃分别粘接成三层和二层陶瓷基座,用环氧树脂的粘结温度为120~170℃;用低温玻璃的粘接温度为290~350℃,中间空腔(12)安装石英晶片,用上盖板(4)封装。
2).陶瓷基座的基本结构与材料
片式化晶体谐振器表面贴装陶瓷基座的基本结构如图1所示。
该陶瓷基座所用的主要原材料如下:
(1)陶瓷粉末,,主要使用日本京瓷A440陶瓷粉末的主要成分为氧化铝(Al2O3)、抗压强度:Ωm(20℃)101490%含量,密度:3.6g/cm3,电阻系数。
mm、电介强度:10 kV/300 Mpa制作陶瓷基座的原材料分为高温陶瓷粉末和低温陶瓷粉末。
高温℃左右。
低温陶1850,烧
结温度在1600℃~陶瓷一般为氧化铝(Al2O3)%60Al2O3、PbO-45%
硼硅玻璃+55%瓷一般为玻璃-陶瓷系列,主要有 900℃~℃左右。
%Al2O3等,烧结温度在800CaO-Al2O3-硼硅玻璃+40高温陶瓷烧结的
收缩稳定性比低温陶瓷好,结构强度高,致密性好。
缺点是材料介电常数较大会导致信号延迟时间过长。
电路材料以为主。
导体材料的电阻率高、损耗较大。
低温陶瓷为一、钼(Mo)钨(W)等电阻率较小的、Ag般常用的陶瓷材料,介电常数小,电路材料是Cu 优良导体,缺点是陶瓷材料配制技术复杂。
粘合剂(2)粘合剂的作用是将陶瓷粉末融合在一起形成板片状,并可在上面打孔和印导电金属浆料。
粘合剂
经烧结后会挥发掉。
、邻苯二甲酸二丁脂、正(PVB)常用的粘合剂包括聚乙烯醇缩丁醛丁醇和三氯乙烯。
其中邻苯二甲酸二丁脂用作增塑剂;正丁醇用作润湿剂;三氯乙烯用作溶剂。
金属导体浆料(3)金属导
体浆料可用作陶瓷基座的内部导线和外部引线。
金属导体浆料的主要成份为钨粉,并用甲苯、二甲苯稀释。
而层与层间的连接孔以及线
路印刷所用的钨浆的粘度均有所不同。
(4)密封板和密封框,密封板可使用(Kovar)、0.25 mm厚的可伐板0.2 mm密封框使用 0.1 mm、
的可伐板,密封板、密封框可经冲压加工而成。
0.08 mm%;金属在
陶瓷基座材料的本钱构成中,陶瓷粉末、粘合剂占4.6 %。
2.7%;
其它占17%;可伐框占31%;镀金占44.7导体浆料占.
(三)社会效益:
研制出烧结变形率小、高频特性好、可靠性高、抗振能力强的滤波器用陶瓷基座,可广泛用于手机、笔记本电脑等电子产品中。
适应了社会发展的需要,适应电子产品所追求的小型化,功能完整化,产品批量化,生产自动化,低成本高产量且优质,促进了电子科技的革命。