资料员一本通(免费下载)
- 格式:docx
- 大小:38.26 KB
- 文档页数:14
公路工程资料员一本通资料员一本通第一部分开工前资料1、中标通知书及施工许可证2、施工合同3、委托监理工程的监理合同4、施工图审查批准书及施工图审查报告5、质量监督登记书6、质量监督交底要点及质量监督工作方案7、岩土工程勘察报告8、施工图会审记录9、经监理(或业主)批准所施工组织设计或施工方案10、开工报告11、质量管理体系登记表12、施工现场质量管理检查记录13、技术交底记录14、测量定位记录第二部分质量验收资料1、地基验槽记录2、基桩工程质量验收报告3、地基处理工程质量验收报告4、地基与基础分部工程质量验收报告5、主体结构分部工程质量验收报告6、特殊分部工程质量验收报告7、线路敷设验收报告8、地基与基础分部及所含子分部、分项、检验批质量验收记录9、主体结构分部及所含子分部、分项、检验批质量验收记录10、装饰分部及所含子分部、分项、检验批质量验收记录11、屋面分部及所含子分部、分项、检验批质量验收记录12、给水、排水及采暖分部及所含子分部、分项、检验批质量验收记录113、电气分部及所含子分部、分项、检验批质量验收记录14、智能分部及所含子分部、分项、检验批质量验收记录15、通风与空调分部及所含子分部、分项、检验批质量验收记录16、电梯分部及所含子分部、分项、检验批质量验收记录17、单位工程及所含子单位工程质量竣工验收记录18、室外工程的分部(子分部)、分项、检验批质量验收记录第三部分试验资料1、水泥物理性能检验报告2、砂、石检验报告3、各强度等级砼配合比试验报告4、砼试件强度统计表、评定表及试验报告5、各强度等级砂浆配合比试验报告6、砂浆试件强度统计表及试验报告7、砖、石、砌块强度试验报告8、钢材力学、弯曲性能检验报告及钢筋焊接接头拉伸、弯曲检验报告或钢筋机械连接接头检验报告9、预应力筋、钢丝、钢绞线力学性能进场复验报告10、桩基工程试验报告11、钢结构工程试验报告12、幕墙工程试验报告13、防水材料试验报告14、金属及塑料的外门、外窗检测报告(包括材料及三性)15、外墙饰面砖的拉拔强度试验报告16、建(构)筑物防雷装置验收检测报告17、有特殊要求或要求的回填土密实度试验18、质量验收规范规定的其他试验报告19、地下室防水效果检查记录20、有防水要求的地面蓄水试验记录21、屋面淋水试验记录22、抽气(风)道检查记录23、节能、保温测试记录24、管道、设备强度及严密性试验记录25、系统清洗、灌水、通水、通球试验记录26、照明全负荷试验记录27、大型灯具牢固性试验记录28、电气设备调试记录29、电气工程接地、绝缘电阻测试记录30、制冷、空调、管道的强度及严密性试验记录31、制冷设备试运行调试记录32、通风、空调系统试运行调试记录233、风量、温度测试记录34、电梯设备开箱检验记录35、电梯负荷试验、安全装置检查记录36、电梯接地、绝缘电阻测试记录37、电梯试运行调试记录38、智能建筑工程系统试运行记录39、智能建筑工程系统功能测定及设备调试记录40、单位(子单位)工程安全和功能检验所必须的其他测量、测试、检测、检验、试验、调试、试运行记录第四部分材料、产品、构配件等合格证资料1、水泥出厂合格证(含28天补强报告)2、砖、砌块出厂合格证3、钢筋、预应力、钢丝、钢绞线、套筒出厂合格证4、钢桩、砼预制桩、预应力管桩出厂合格证5、钢结构工程构件及配件、材料出厂合格证6、幕墙工程配件、材料出厂合格证7、防水材料出厂合格证8、金属及塑料门窗出厂合格证9、焊条及焊剂出厂合格证10、预制构件、预拌砼合格证11、给排水与采暖工程材料出厂合格证12、建筑电气工程材料、设备出厂合格证13、通风与空调工程材料、设备出厂合格证14、电梯工程设备出厂合格证15、智能建筑工程材料、设备出厂合格证16、施工要求的其他合格证第五部分施工过程资料1、设计变更、洽商记录2、工程测量、放线记录3、预检、自检、互检、交接检记录4、建(构)筑物沉降观测测量记录5、新材料、新技术、新工艺施工记录6、隐蔽工程验收记录7、施工日志8、砼开盘报告9、砼施工记录10、砼配合比计量抽查记录11、工程质量事故报告单12、工程质量事故及事故原因调查、处理记录13、工程质量整改通知书14、工程局部暂停施工通知书15、工程质量整改情况报告及复工申请316、工程复工通知书第六部分必要时应增补的资料1、勘察、设计、监理、施工(包括分包)单位的资质证明2、建设、勘察、设计、监理、施工(包括分色)单位的变更、更换情况及原因3、勘察、设计、监理单位执业人员的执业资格证明4、施工(包括分包)单位现场管理售货员及各工种技术工人的上岗证明5、经建设单位(业主)同意认可的监理规划或监理实施细则6、见证单位派驻施工现场设计代表委托书或授权书7、设计单位派驻施工现场设计代表委托书或授权书8、其他第七部分竣工资料1、施工单位工程竣工报告2、监理单位工程竣工质量评价报告3、勘察单位勘察文件及实施情况检查报告4、设计单位设计文件及实施情况检查报告5、建设工程质量竣工验收意见书或单位(子单位)工程质量竣工验收记录6、竣工验收存在问题整改通知书7、竣工验收存在问题整改验收意见书8、工程的具备竣工验收条件 __及重新组织竣工验收通知书9、单位(子单位)工程质量控制资料核查记录(质量保证资料审查记录)10、单位(子单位)工程安全和功能检验资料核查及主要功能抽查记录11、单位(子单位)工程观感质量检查记录(观感质量评定表)12、定向销售商品房或职工集资住宅的用户签收意见表13、工程质量保修合同(书)14、建设工程竣工验收报告(由建设单位填写)15、竣工图(包括智能建筑分部)建筑工程质量监督存档资料1、建设工程质量监督登记书2、施工图纸审查批准及建筑工程施工图审查报告3、单位工程质量监督工作4、建设工程质量监督交底会议通知书及交底要点5、建设工程质量监督记录6、建设工程质量管理体系登记表7、施工现场质量管理检查记录8、地基、基桩工程质量监督验收检查通知书9、地基验槽记录及基桩工程质量验收报告10、地基、基桩工程质量核查记录11、设计单位出具(或认可)的地基处理措施及地基处理工程质量验收报告12、地基与基础分部工程质量监督验收检查通知书及验收报告13、地基与基础分部工程质量核查记录14、主体结构分部工程质量监督验收检查通知书及验收报告15、主体结构分部工程质量核查记录416、特殊部分工程质量监督验收检查通知书及验收报告17、线路敷设工程质量监督验收检查通知书及验收报告18、钢材力学、弯曲性能检查报告及钢结构焊接接头拉伸、弯曲检验报告19、预应力筋、钢丝、钢绞线力学性能进场复验报告20、水泥物理性能检验报告21、砼试件强度统计表、评定表试验报告22、装配或预制构件结构性能检验合格证及施工接头、拼缝的砼承受施工满载、全部满载时试件强度试验报告23、防水砼、喷射砼抗压、抗渗试验报告及锚杆抗拨力试验报告24、地基处理工程中各类地基和各类复合地基施工完成后的地基强度(承载力)检验结果25、桩基工程基桩试验报告26、砂浆强度统计表及试件试验报告27、砖、石、砌块强度检验报告28、建筑工程材料有害物质及室内环境的检测报告29、防水材料(包括止水带条和接缝密封材料)、保温隔热及密封材料的复验报告30、金属及塑料外门、外窗复验报告(包括材料、风压性、气透性、水渗性)31、外墙饰面砖的拉拔强度试验报告32、各类电梯、自动扶梯、自动人行道安装工程的整机安装验收报告33、各类设备安装工程的隐蔽验收、系统联动、系统调试及系统安装验收记录34、砼楼面板厚度钻孔抽查记录35、工程质量事故报告单36、工程质量整改通知书及工程局部暂停施工通知书37、工程质量复工意见书及工程质量复工通知书38、单位(子单位)工程质量控制资料核查记录(质量保证资料审查记录)39、单位(子单位)工程安全和功能检验资料核查及主要功能抽查记录40、单位(子单位)工程观感质量检查记录(观感质量评定表)41、施工单位工程竣工报告42、监理单位工程竣工质量评价报告43、勘察单位勘察文件及实施情况检查报告44、设计单位设计文件及实施情况检查报告45、建设工程竣工验收报告46、工程竣工验收监督检查通知书47、质量保证资料核查记录48、单位(子单位)工程质量竣工验收记录(工程质量竣工验收意见书)49、重新组织竣工验收通知书50、工程竣工复验意见书51、竣工验收存在问题整改通知书及存在问题整改验收意见书52、工程质量保修53、单位(子单位)工程质量监督报告注:幕墙、钢结构及网架的整套资料存质监站5资料员一本通第一部分开工前资料1、中标书及施工许可证2、施工合同3、委托监理工程的监理合同4、施工图审查批准书及施工图审查报告5、质量监督登记书6、质量监督交底要点及质量监督工作方案7、岩土工程勘察报告8、施工图会审记录9、经监理(或业主)批准所施工组织设计或施工方案10、开工报告11、质量管理体系登记表12、施工现场质量管理检查记录13、技术交底记录14、测量定位记录第二部分质量验收资料1、地基验槽记录2、基桩工程质量验收报告3、地基处理工程质量验收报告4、地基与基础分部工程质量验收报告5、主体结构分部工程质量验收报告6、特殊分部工程质量验收报告7、线路敷设验收报告8、地基与基础分部及所含子分部、分项、检验批质量验收记录9、主体结构分部及所含子分部、分项、检验批质量验收记录10、装饰装修分部及所含子分部、分项、检验批质量验收记录11、屋面分部及所含子分部、分项、检验批质量验收记录12、给水、排水及采暖分部及所含子分部、分项、检验批质量验收记录113、电气分部及所含子分部、分项、检验批质量验收记录14、智能分部及所含子分部、分项、检验批质量验收记录15、通风与空调分部及所含子分部、分项、检验批质量验收记录16、电梯分部及所含子分部、分项、检验批质量验收记录17、单位工程及所含子单位工程质量竣工验收记录18、室外工程的分部(子分部)、分项、检验批质量验收记录第三部分试验资料1、水泥物理性能检验报告2、砂、石检验报告3、各强度等级砼配合比试验报告4、砼试件强度统计表、评定表及试验报告5、各强度等级砂浆配合比试验报告6、砂浆试件强度统计表及试验报告7、砖、石、砌块强度试验报告8、钢材力学、弯曲性能检验报告及钢筋焊接接头拉伸、弯曲检验报告或钢筋机械连接接头检验报告9、预应力筋、钢丝、钢绞线力学性能进场复验报告10、桩基工程试验报告11、钢结构工程试验报告12、幕墙工程试验报告13、防水材料试验报告14、金属及塑料的外门、外窗检测报告(包括材料及三性)15、外墙饰面砖的拉拔强度试验报告16、建(构)筑物防雷装置验收检测报告17、有特殊要求或设计要求的回填土密实度试验报告18、质量验收规范规定的其他试验报告19、地下室防水效果检查记录20、有防水要求的地面蓄水试验记录21、屋面淋水试验记录22、抽气(风)道检查记录23、节能、保温测试记录24、管道、设备强度及严密性试验记录25、系统清洗、灌水、通水、通球试验记录26、照明全负荷试验记录27、大型灯具牢固性试验记录28、电气设备调试记录29、电气工程接地、绝缘电阻测试记录30、制冷、空调、管道的强度及严密性试验记录31、制冷设备试运行调试记录32、通风、空调系统试运行调试记录233、风量、温度测试记录34、电梯设备开箱检验记录35、电梯负荷试验、安全装置检查记录36、电梯接地、绝缘电阻测试记录37、电梯试运行调试记录38、智能建筑工程系统试运行记录39、智能建筑工程系统功能测定及设备调试记录40、单位(子单位)工程安全和功能检验所必须的其他测量、测试、检测、检验、试验、调试、试运行记录第四部分材料、产品、构配件等合格证资料1、水泥出厂合格证(含28天补强报告)2、砖、砌块出厂合格证3、钢筋、预应力、钢丝、钢绞线、套筒出厂合格证4、钢桩、砼预制桩、预应力管桩出厂合格证5、钢结构工程构件及配件、材料出厂合格证6、幕墙工程配件、材料出厂合格证7、防水材料出厂合格证8、金属及塑料门窗出厂合格证9、焊条及焊剂出厂合格证10、预制构件、预拌砼合格证11、给排水与采暖工程材料出厂合格证12、建筑电气工程材料、设备出厂合格证13、通风与空调工程材料、设备出厂合格证14、电梯工程设备出厂合格证15、智能建筑工程材料、设备出厂合格证16、施工要求的其他合格证第五部分施工过程资料1、设计变更、洽商记录2、工程测量、放线记录3、预检、自检、互检、交接检记录4、建(构)筑物沉降观测测量记录5、新材料、新技术、新工艺施工记录6、隐蔽工程验收记录7、施工日志8、砼开盘报告9、砼施工记录10、砼配合比计量抽查记录11、工程质量事故报告单12、工程质量事故及事故原因调查、处理记录13、工程质量整改通知书14、工程局部暂停施工通知书15、工程质量整改情况报告及复工申请316、工程复工通知书第六部分必要时应增补的资料1、勘察、设计、监理、施工(包括分包)单位的资质证明2、建设、勘察、设计、监理、施工(包括分色)单位的变更、更换情况及原因3、勘察、设计、监理单位执业人员的执业资格证明4、施工(包括分包)单位现场管理售货员及各工种技术工人的上岗证明5、经建设单位(业主)同意认可的监理规划或监理实施细则6、见证单位派驻施工现场设计代表委托书或授权书7、设计单位派驻施工现场设计代表委托书或授权书8、其他第七部分竣工资料1、施工单位工程竣工报告2、监理单位工程竣工质量评价报告3、勘察单位勘察文件及实施情况检查报告4、设计单位设计文件及实施情况检查报告5、建设工程质量竣工验收意见书或单位(子单位)工程质量竣工验收记录6、竣工验收存在问题整改通知书7、竣工验收存在问题整改验收意见书8、工程的具备竣工验收条件 __及重新组织竣工验收通知书9、单位(子单位)工程质量控制资料核查记录(质量保证资料审查记录)10、单位(子单位)工程安全和功能检验资料核查及主要功能抽查记录11、单位(子单位)工程观感质量检查记录(观感质量评定表)12、定向销售商品房或职工集资住宅的用户签收意见表13、工程质量保修合同(书)14、建设工程竣工验收报告(由建设单位填写)15、竣工图(包括智能建筑分部)建筑工程质量监督存档资料1、建设工程质量监督登记书2、施工图纸审查批准及建筑工程施工图审查报告3、单位工程质量监督工作方案4、建设工程质量监督交底会议通知书及交底要点5、建设工程质量监督记录6、建设工程质量管理体系登记表7、施工现场质量管理检查记录8、地基、基桩工程质量监督验收检查通知书9、地基验槽记录及基桩工程质量验收报告10、地基、基桩工程质量核查记录11、设计单位出具(或认可)的地基处理措施及地基处理工程质量验收报告12、地基与基础分部工程质量监督验收检查通知书及验收报告13、地基与基础分部工程质量核查记录14、主体结构分部工程质量监督验收检查通知书及验收报告15、主体结构分部工程质量核查记录416、特殊部分工程质量监督验收检查通知书及验收报告17、线路敷设工程质量监督验收检查通知书及验收报告18、钢材力学、弯曲性能检查报告及钢结构焊接接头拉伸、弯曲检验报告19、预应力筋、钢丝、钢绞线力学性能进场复验报告20、水泥物理性能检验报告21、砼试件强度统计表、评定表试验报告22、装配或预制构件结构性能检验合格证及施工接头、拼缝的砼承受施工满载、全部满载时试件强度试验报告23、防水砼、喷射砼抗压、抗渗试验报告及锚杆抗拨力试验报告24、地基处理工程中各类地基和各类复合地基施工完成后的地基强度(承载力)检验结果25、桩基工程基桩试验报告26、砂浆强度统计表及试件试验报告27、砖、石、砌块强度检验报告28、建筑工程材料有害物质及室内环境的检测报告29、防水材料(包括止水带条和接缝密封材料)、保温隔热及密封材料的复验报告30、金属及塑料外门、外窗复验报告(包括材料、风压性、气透性、水渗性)31、外墙饰面砖的拉拔强度试验报告32、各类电梯、自动扶梯、自动人行道安装工程的整机安装验收报告33、各类设备安装工程的隐蔽验收、系统联动、系统调试及系统安装验收记录34、砼楼面板厚度钻孔抽查记录35、工程质量事故报告单36、工程质量整改通知书及工程局部暂停施工通知书37、工程质量复工意见书及工程质量复工通知书38、单位(子单位)工程质量控制资料核查记录(质量保证资料审查记录)39、单位(子单位)工程安全和功能检验资料核查及主要功能抽查记录40、单位(子单位)工程观感质量检查记录(观感质量评定表)41、施工单位工程竣工报告42、监理单位工程竣工质量评价报告43、勘察单位勘察文件及实施情况检查报告44、设计单位设计文件及实施情况检查报告45、建设工程竣工验收报告46、工程竣工验收监督检查通知书47、质量保证资料核查记录48、单位(子单位)工程质量竣工验收记录(工程质量竣工验收意见书)49、重新组织竣工验收通知书50、工程竣工复验意见书51、竣工验收存在问题整改通知书及存在问题整改验收意见书52、工程质量保修合同53、单位(子单位)工程质量监督报告注:幕墙、钢结构及网架的整套资料存质监站5工程资料编号说明建筑工程共分为九个分部工程,分部(子分部)的划分及代号参见下表对于专业化程度高、施工工艺复杂、技术先进的子分部工程应该单独组卷,需单独组卷的子分部工程见下表。
工程资料编号说明建筑工程共分为九个分部工程,分部〔子分部〕的划分及代号参见下表对于专业化程度高、施工工艺复杂、技术先进的子分部工程应该单独组卷,需单独组卷的子分部工程见下一、施工资料编号的组成1、施工资料编号应填入右上角的编号栏。
2、通常情况下施工资料的编号应该有7位数,由分部工程代号(2位)、资料类别代号〔2位〕和顺序代号〔3位〕组成,每局部之间用横线隔开。
编号的形式如下:xx---xx----xxx 共七位代号分部工程代号2位,应根据资料所属的分部工程,按照上表编写资料类别代号应根据资料所属类别按上表编写工程资料分类表表1-3注:本表的归档保存单位是指竣工后有关单位对工程资料的归档保存,施工过程中资料的留存应按相关的约定及有关程序执行。
应单独组卷的子分部工程,资料的编号应为9位数,由分部工程2位数、子分部工程2位数、资料类别代号2位数和顺序号3位数组成,中间用横线隔开。
1、对于施工专用表格来说,顺序号应按时间先后顺序,用阿拉伯数字从001开场连续标注。
2、对于同一施工表格〔如隐蔽工程检查记录、预检记录等〕涉及多个〔子〕分部工程的各检查项目分别从001开场连续标注。
举例如下:求按照上述说明。
监理资料编号:1、监理资料编号应填入右上角的编号栏。
2、对于一样的表格或者是一样的文件材料,应分别按时间自然形成先后顺序从001开场连续编写。
3、监理资料中的施工测量放线报审表、工程材料/构配件/设备报审表应根据报验项目编号,对于一样的报验项目,应分别按照时间自然形成的先后顺序从001开场连续编写。
土建工程资料管理工程资料编号说明建筑工程共分为九个分部工程,分部〔子分部〕的划分及代号参见下表对于专业化程度高、施工工艺复杂、技术先进的子分部工程应该单独组卷,需单独组卷的子分部工程见下一、施工资料编号的组成3、施工资料编号应填入右上角的编号栏。
4、通常情况下施工资料的编号应该有7位数,由分部工程代号(2位)、资料类别代号〔2位〕和顺序代号〔3位〕组成,每局部之间用横线隔开。
建筑工程资料员一本通概述建筑工程资料员是建筑工程项目中负责管理和维护项目相关文件和资料的专业人员。
他们的职责包括编制、整理和归档各类项目文件,并确保这些文件的及时更新和准确性。
本文档将介绍建筑工程资料员需要掌握的知识和技能,并提供一些实用的工作技巧和经验。
职责和要求建筑工程资料员在项目周期的各个阶段都需要承担不同的职责。
以下是建筑工程资料员的主要职责和要求:1.负责编制和维护建筑工程项目的各类文件和资料,如施工文件、工程图纸、施工日志等;2.确保各类文件和资料的准确性和完整性,及时更新并进行归档;3.协助工程项目组进行文件和资料的组织和协调工作;4.提供项目相关文件和资料的查询和检索服务;5.配合项目管理层进行相关数据的收集和汇总。
为了胜任这些职责,建筑工程资料员需要具备以下要求:1.熟悉建筑工程项目的基本知识和流程;2.具备良好的沟通和协调能力,能够与项目组成员和其他相关方进行有效的沟通和合作;3.熟练掌握办公自动化软件和建筑信息模型(BIM)工具的使用方法;4.具备较强的细致观察力和耐心,对细节有较高的要求;5.有较强的数据分析和处理能力,能够熟练使用Excel等电子表格软件。
工作技巧和经验作为一名建筑工程资料员,掌握一些工作技巧和经验可以提高工作效率和质量。
以下是一些实用的工作技巧和经验分享:1. 文件命名规范为了方便文件的管理和检索,建议制定一套文件命名规范。
可以根据文件的类型、项目名称、日期等信息进行命名。
同时,建议使用清晰简洁的文件名,避免使用过长和含有特殊字符的文件名。
2. 文件分类和整理建立一个清晰的文件目录结构,将各类文件按照分类进行整理和归档。
可以根据项目阶段、文件类型等建立不同的文件夹,并使用明确的文件夹命名和文件夹描述。
同时,可以使用标签或标记来标识重要的文件或文件夹。
3. 文件备份和存储建议定期进行文件备份,以防止文件丢失或损坏。
可以选择将文件备份到云存储或外部硬盘中,保证文件的安全性和可访问性。
建筑资料员一本通1. 建筑资料员的职责建筑资料员是指负责建筑项目资料管理的工作人员,其工作内容主要包括以下几个方面:1.1 工程档案管理建筑项目在建设过程中会产生大量工程档案,包括设计图纸、施工图纸、变更单、验收证书等各种资料。
建筑资料员需要对这些档案进行管理、整理、归档,确保档案的完善、准确和安全。
1.2 施工过程管理建筑资料员需要对施工过程中的各种信息进行收集、整理和归档,如施工日志、施工图、会议纪要、安全记录等。
这些信息将成为后期施工管理的重要依据。
1.3 质量管理建筑资料员需要对建筑项目的质量管理相关信息进行收集、整理、归档,如工程质量验收记录、质量问题反馈记录、质量纠错记录等。
这些资料将成为项目质量管理的重要依据。
1.4 项目进度管理建筑资料员需要对项目进度信息进行收集、整理、归档,如施工进度计划、施工进度变更记录、施工验收进度记录等。
这些资料将成为项目进度管理的重要依据。
1.5 项目成本管理建筑资料员需要对项目的各种成本信息进行收集、整理、归档,如材料采购记录、施工费用记录、人工费用记录等。
这些资料将成为项目成本管理的重要依据。
2. 建筑资料员技能要求作为一个合格的建筑资料员,需要具备以下技能:2.1 良好的沟通能力建筑资料员需要在多个部门之间协调、沟通,需要具备良好的口头和书面表达能力。
2.2 熟练掌握办公软件建筑资料员需要掌握电脑办公软件,如Word、Excel、PPT等,以便进行文件整理、编辑和汇总等工作。
2.3 具备较强的组织和管理能力建筑资料员需要具备对各种资料进行组织、整理、管理的能力,能够快速准确地找到所需资料。
2.4 熟悉建筑项目施工流程建筑资料员需要熟悉建筑项目施工流程,能够理解各种施工文件和施工图纸,以便对资料进行归档和管理。
2.5 具备较强的责任心和细心建筑资料员需要对工作具有高度的责任心和细心,确保所有资料的准确性和完整性。
3. 建筑资料员的工作流程3.1 资料的收集建筑资料员需要从各个部门或工地逐步收集资料。
建筑资料员一本通摘要本文主要介绍建筑资料员的职责、技能要求以及工作流程,并提供一些常用的建筑资料管理工具和技巧。
建筑资料员是建筑工地上重要的一员,承担着管理和维护各种建筑资料的责任,确保施工过程中的资料准确、完整、可靠。
第一部分:引言建筑资料员是建筑施工项目中不可或缺的一员,他们的工作涉及到施工前、施工中和施工后的各个阶段。
建筑资料员负责收集、整理、管理和维护与项目相关的各类资料,确保项目的顺利进行和完美交付。
第二部分:建筑资料员的职责1. 收集资料:建筑资料员负责从多个渠道收集与项目相关的各类资料,如建筑图纸、施工方案、合同文件等。
他们需要与设计师、施工队、供应商等人员紧密合作,确保获得所需的资料。
2. 整理资料:建筑资料员需要对收集到的资料进行分类、编号和整理,确保资料的有序性和易于管理。
他们需要对不同类型的资料进行归档,以便于后续的查找和使用。
3. 管理资料:建筑资料员需要建立一个有效的资料管理系统,确保资料被安全地存储和维护。
他们需要跟进项目进展,更新和修改资料,并确保所有资料都是最新的和准确的。
4. 协调工作:建筑资料员需要与项目经理、设计师、施工队和供应商等相关人员进行协调和沟通,确保项目进展顺利。
他们需要根据各方的需求,提供所需的资料,并及时解决问题和处理纠纷。
第三部分:建筑资料员的技能要求1. 专业知识:建筑资料员需要具备一定的建筑知识和理解能力,能够理解和处理与建筑有关的各种资料。
2. 组织能力:建筑资料员需要具备良好的组织能力,能够有效地整理和管理各类资料,并确保资料的准确性和可靠性。
3. 沟通能力:建筑资料员需要具备良好的沟通能力,能够与相关人员进行有效的沟通和协调,解决问题和处理纠纷。
4. 技术技能:建筑资料员需要熟练掌握各类建筑资料管理工具和软件,例如CAD软件、项目管理软件等。
第四部分:建筑资料员的工作流程1. 收集资料:建筑资料员首先需要与各方沟通并了解项目的需求,然后收集相应的资料。
资料员一本通第一部分开工前资料1、中标通知书及施工许可证2、施工合同3、委托监理工程的监理合同4、施工图审查批准书及施工图审查报告5、质量监督登记书6、质量监督交底要点及质量监督工作方案7、岩土工程勘察报告8、施工图会审记录9、经监理(或业主)批准所施工组织设计或施工方案 10、开工报告11、质量管理体系登记表 12、施工现场质量管理检查记录13、技术交底记录 14、测量定位记录第二部分质量验收资料1、地基验槽记录2、基桩工程质量验收报告3、地基处理工程质量验收报告4、地基与基础分部工程质量验收报告5、主体结构分部工程质量验收报告6、特殊分部工程质量验收报告7、线路敷设验收报告 8、地基与基础分部及所含子分部、分项、检验批质量验收记录9、主体结构分部及所含子分部、分项、检验批质量验收记录10、装饰装修分部及所含子分部、分项、检验批质量验收记录11、屋面分部及所含子分部、分项、检验批质量验收记录12、给水、排水及采暖分部及所含子分部、分项、检验批质量验收记录13、电气分部及所含子分部、分项、检验批质量验收记录14、智能分部及所含子分部、分项、检验批质量验收记录15、通风与空调分部及所含子分部、分项、检验批质量验收记录16、电梯分部及所含子分部、分项、检验批质量验收记录17、单位工程及所含子单位工程质量竣工验收记录18、室外工程的分部(子分部)、分项、检验批质量验收记录第三部分试验资料1、水泥物理性能检验报告2、砂、石检验报告3、各强度等级砼配合比试验报告4、砼试件强度统计表、评定表及试验报告5、各强度等级砂浆配合比试验报告6、砂浆试件强度统计表及试验报告7、砖、石、砌块强度试验报告8、钢材力学、弯曲性能检验报告及钢筋焊接接头拉伸、弯曲检验报告或钢筋机械连接接头检验报告9、预应力筋、钢丝、钢绞线力学性能进场复验报告10、桩基工程试验报告 11、钢结构工程试验报告12、幕墙工程试验报告 13、防水材料试验报告14、金属及塑料的外门、外窗检测报告(包括材料及三性)15、外墙饰面砖的拉拔强度试验报告 16、建(构)筑物防雷装置验收检测报告17、有特殊要求或设计要求的回填土密实度试验报告 18、质量验收规范规定的其他试验报告19、地下室防水效果检查记录 20、有防水要求的地面蓄水试验记录21、屋面淋水试验记录 22、抽气(风)道检查记录23、节能、保温测试记录 24、管道、设备强度及严密性试验记录25、系统清洗、灌水、通水、通球试验记录 26、照明全负荷试验记录27、大型灯具牢固性试验记录 28、电气设备调试记录29、电气工程接地、绝缘电阻测试记录 30、制冷、空调、管道的强度及严密性试验记录31、制冷设备试运行调试记录 32、通风、空调系统试运行调试记录33、风量、温度测试记录 34、电梯设备开箱检验记录35、电梯负荷试验、安全装置检查记录 36、电梯接地、绝缘电阻测试记录37、电梯试运行调试记录 38、智能建筑工程系统试运行记录39、智能建筑工程系统功能测定及设备调试记录 40、单位(子单位)工程安全和功能检验所必须的其他测量、测试、检测、检验、试验、调试、试运行记录第四部分材料、产品、构配件等合格证资料1、水泥出厂合格证(含28天补强报告)2、砖、砌块出厂合格证3、钢筋、预应力、钢丝、钢绞线、套筒出厂合格证4、钢桩、砼预制桩、预应力管桩出厂合格证5、钢结构工程构件及配件、材料出厂合格证6、幕墙工程配件、材料出厂合格证7、防水材料出厂合格证 8、金属及塑料门窗出厂合格证9、焊条及焊剂出厂合格证 10、预制构件、预拌砼合格证11、给排水与采暖工程材料出厂合格证 12、建筑电气工程材料、设备出厂合格证13、通风与空调工程材料、设备出厂合格证 14、电梯工程设备出厂合格证15、智能建筑工程材料、设备出厂合格证 16、施工要求的其他合格证第五部分施工过程资料1、设计变更、洽商记录2、工程测量、放线记录3、预检、自检、互检、交接检记录4、建(构)筑物沉降观测测量记录5、新材料、新技术、新工艺施工记录6、隐蔽工程验收记录7、施工日志 8、砼开盘报告9、砼施工记录 10、砼配合比计量抽查记录11、工程质量事故报告单 12、工程质量事故及事故原因调查、处理记录13、工程质量整改通知书 14、工程局部暂停施工通知书15、工程质量整改情况报告及复工申请 16、工程复工通知书第六部分必要时应增补的资料1、勘察、设计、监理、施工(包括分包)单位的资质证明2、建设、勘察、设计、监理、施工(包括分色)单位的变更、更换情况及原因3、勘察、设计、监理单位执业人员的执业资格证明4、施工(包括分包)单位现场管理售货员及各工种技术工人的上岗证明5、经建设单位(业主)同意认可的监理规划或监理实施细则6、见证单位派驻施工现场设计代表委托书或授权书7、设计单位派驻施工现场设计代表委托书或授权书8、其他第七部分竣工资料1、施工单位工程竣工报告2、监理单位工程竣工质量评价报告3、勘察单位勘察文件及实施情况检查报告4、设计单位设计文件及实施情况检查报告5、建设工程质量竣工验收意见书或单位(子单位)工程质量竣工验收记录6、竣工验收存在问题整改通知书7、竣工验收存在问题整改验收意见书8、工程的具备竣工验收条件的通知及重新组织竣工验收通知书9、单位(子单位)工程质量控制资料核查记录(质量保证资料审查记录)10、单位(子单位)工程安全和功能检验资料核查及主要功能抽查记录11、单位(子单位)工程观感质量检查记录(观感质量评定表)12、定向销售商品房或职工集资住宅的用户签收意见表 13、工程质量保修合同(书)14、建设工程竣工验收报告(由建设单位填写) 15、竣工图(包括智能建筑分部)建筑工程质量监督存档资料1、建设工程质量监督登记书2、施工图纸审查批准及建筑工程施工图审查报告3、单位工程质量监督工作方案4、建设工程质量监督交底会议通知书及交底要点5、建设工程质量监督记录6、建设工程质量管理体系登记表7、施工现场质量管理检查记录 8、地基、基桩工程质量监督验收检查通知书9、地基验槽记录及基桩工程质量验收报告 10、地基、基桩工程质量核查记录11、设计单位出具(或认可)的地基处理措施及地基处理工程质量验收报告12、地基与基础分部工程质量监督验收检查通知书及验收报告13、地基与基础分部工程质量核查记录14、主体结构分部工程质量监督验收检查通知书及验收报告15、主体结构分部工程质量核查记录16、特殊部分工程质量监督验收检查通知书及验收报告17、线路敷设工程质量监督验收检查通知书及验收报告18、钢材力学、弯曲性能检查报告及钢结构焊接接头拉伸、弯曲检验报告19、预应力筋、钢丝、钢绞线力学性能进场复验报告20、水泥物理性能检验报告21、砼试件强度统计表、评定表试验报告22、装配或预制构件结构性能检验合格证及施工接头、拼缝的砼承受施工满载、全部满载时试件强度试验报告23、防水砼、喷射砼抗压、抗渗试验报告及锚杆抗拨力试验报告24、地基处理工程中各类地基和各类复合地基施工完成后的地基强度(承载力)检验结果25、桩基工程基桩试验报告 26、砂浆强度统计表及试件试验报告27、砖、石、砌块强度检验报告 28、建筑工程材料有害物质及室内环境的检测报告29、防水材料(包括止水带条和接缝密封材料)、保温隔热及密封材料的复验报告30、金属及塑料外门、外窗复验报告(包括材料、风压性、气透性、水渗性)31、外墙饰面砖的拉拔强度试验报告32、各类电梯、自动扶梯、自动人行道安装工程的整机安装验收报告33、各类设备安装工程的隐蔽验收、系统联动、系统调试及系统安装验收记录34、砼楼面板厚度钻孔抽查记录35、工程质量事故报告单36、工程质量整改通知书及工程局部暂停施工通知书37、工程质量复工意见书及工程质量复工通知书38、单位(子单位)工程质量控制资料核查记录(质量保证资料审查记录)39、单位(子单位)工程安全和功能检验资料核查及主要功能抽查记录40、单位(子单位)工程观感质量检查记录(观感质量评定表)41、施工单位工程竣工报告 42、监理单位工程竣工质量评价报告43、勘察单位勘察文件及实施情况检查报告44、设计单位设计文件及实施情况检查报告45、建设工程竣工验收报告 46、工程竣工验收监督检查通知书47、质量保证资料核查记录48、单位(子单位)工程质量竣工验收记录(工程质量竣工验收意见书)49、重新组织竣工验收通知书50、工程竣工复验意见书51、竣工验收存在问题整改通知书及存在问题整改验收意见书52、工程质量保修合同53、单位(子单位)工程质量监督报告注:幕墙、钢结构及网架的整套资料存质监站建筑工程文件管理规程1 总则1.0.1为提高城乡建设工程质量,提高施工过程控制,完善工程技术资料,统一全省建设工程档案的验收标准,依据现行国家、行业、地方标准,结合我省情况制定本规程。
精品文档资料员一本通[编制人:罗成]XXXXXX 工程有限公司xxxxxxxxxxxxx 项目部资料员岗位职责:一.在项目上负责工程项目资料、图纸等档案的收集、管理。
1. 负责工程项目的所有图纸的接收、清点、登记、发放、归档、管理工作2. 收集整理施工过程中所有技术变更、洽商记录、会议纪要等资料并归档。
二.参加分部分项工程的验收工作 1. 负责备案资料的填写、会签、整理、报送、归档;2. 监督检查施工单位施工资料的编制、管理,做到完整、及时,与工程进度同步;3. 按时向公司档案室移交;4. 负责向市城建档案馆的档案移交工作;5. 指导工程技术人员对施工技术资料(包括设备进场开箱资料)的保管三.负责计划、统计的管理工作 1. 负责对施工部位、产值完成情况的汇总、申报,按月编制施工统计报表;2. 负责与项目有关的各类合同的档案管理四.负责工程项目的内业管理工作 1. 协助项目经理做好对外协调、接待工作;2. 负责工程项目的内业管理工作五.完成工程部经理交办的其他任务一、开工前应准备的资料资料程序需要用到的表格1开工报告。
开工之前需要做一个开工报告,开工报告有一个表头+证明文件。
表头工程开工/复工报审表附件:1 施工组织设计(方案)审批记录附件:2 单位工程开工报告2 编制施工组织设计(施工方案),就是把投标书上内容稍微改动,就变成了施工组织设计。
施组就是一个项目整体的施工指导、实施的方案。
如果一个项目是由许多单位工程组成的,如一个小区工程,它可能有别墅、小高层、高层、会所、幼儿园、游泳池等等,通常他们是需要编制专项施工方案的。
项目的施组就好比宏观指导方案,而专项施工方案则是具体的、详尽的、能够知道施工的方案。
开工后,尤其是涉及到深基坑施工、桩基施工等均需要编制专项施工方案。
表头施工组织设计(方案)报审表附件:1 施工组织设计(方案)3 图纸会审,准备图纸会审。
图纸会审的目的是为了把图纸上的问题找出来,在施工之前解决点这些问题,方便施工。
工程资料编号说明建筑工程共分为九个分部工程,分部(子分部)的划分及代号参见下表对于专业化程度高、施工工艺复杂、技术先进的子分部工程应该单独组卷,需单独组卷的子分部工程见下表。
一、施工资料编号的组成1、施工资料编号应填入右上角的编号栏。
2、通常情况下施工资料的编号应该有7位数,由分部工程代号(2位)、资料类别代号(2位)和顺序代号(3位)组成,每部分之间用横线隔开。
编号的形式如下:xx---xx----xxx 共七位代号分部工程代号2位,应根据资料所属的分部工程,按照上表编写资料类别代号应根据资料所属类别按上表编写顺序代号,应根据相同表格、相同检查项目,按时间自然形成的先后顺序编写工程资料分类表表1-3注:本表的归档保存单位是指竣工后有关单位对工程资料的归档保存,施工过程中资料的留存应按相关的约定及有关程序执行。
应单独组卷的子分部工程,资料的编号应为9位数,由分部工程2位数、子分部工程2位数、资料类别代号2位数和顺序号3位数组成,中间用横线隔开。
顺序号填写原则:1、对于施工专用表格来说,顺序号应按时间先后顺序,用阿拉伯数字从001开始连续标注。
2、对于同一施工表格(如隐蔽工程检查记录、预检记录等)涉及多个(子)分部工程的各检查项目分别从001开始连续标注。
举例如下:表C5-1 隐蔽工程检查记录编号:03—C5---001表C5-1 隐蔽工程检查记录编号:03—C5---001无统一表格或外部提供的施工资料,应根据表1-3,在资料的右上角注明编写,填写要求按照上述说明。
监理资料编号:1、监理资料编号应填入右上角的编号栏。
2、对于相同的表格或者是相同的文件材料,应分别按时间自然形成先后顺序从001开始连续编写。
3、监理资料中的施工测量放线报审表、工程材料/构配件/设备报审表应根据报验项目编号,对于相同的报验项目,应分别按照时间自然形成的先后顺序从001开始连续编写。
土建工程资料管理工程资料编号说明建筑工程共分为九个分部工程,分部(子分部)的划分及代号参见下表对于专业化程度高、施工工艺复杂、技术先进的子分部工程应该单独组卷,需单独组卷的子分部工程见下表。
资料员一本通各位读友大家好,此文档由网络收集而来,欢迎您下载,谢谢资料员一本通(免费下载)工程资料编号说明建筑工程共分为九个分部工程,分部的划分及代号参见下表对于专业化程度高、施工工艺复杂、技术先进的子分部工程应该单独组卷,需单独组卷的子分部工程见下表。
一、施工资料编号的组成1、2、施工资料编号应填入右上角的编号栏。
通常情况下施工资料的编号应该有7位数,由分部工程代号(2位)、资料类别代号和顺序代号组成,每部分之间用横线隔开。
例:编号的形式如下:xx---xx----xxx共七位代号分部工程代号2位,应根据资料所属的分部工程,按照上表编写资料类别代号应根据资料所属类别按上表编写顺序代号,应根据相同表格、相同检查项目,按时间自然形成的先后顺序编写工程资料分类表表1-3注:本表的归档保存单位是指竣工后有关单位对工程资料的归档保存,施工过程中资料的留存应按相关的约定及有关程序执行。
应单独组卷的子分部工程,资料的编号应为9位数,由分部工程2位数、子分部工程2位数、资料类别代号2位数和顺序号3位数组成,中间用横线隔开。
顺序号填写原则:1、对于施工专用表格来说,顺序号应按时间先后顺序,用阿拉伯数字从001开始连续标注。
2、对于同一施工表格。
举例如下:表C5-1隐蔽工程检查记录编号:03—C5---001表C5-1隐蔽工程检查记录编号:03—C5---001 无统一表格或外部提供的施工资料,应根据表1-3,在资料的右上角注明编写,填写要求按照上述说明。
监理资料编号:1、监理资料编号应填入右上角的编号栏。
2、对于相同的表格或者是相同的文件材料,应分别按时间自然形成先后顺序从001开始连续编写。
3、监理资料中的施工测量放线报审表、工程材料/构配件/设备报审表应根据报验项目编号,对于相同的报验项目,应分别按照时间自然形成的先后顺序从001开始连续编写。
土建工程资料管理技术交底记录填写说明建筑资料员一本通(通俗易懂版)工程资料编号说明建筑工程共分为九个分部工程,分部的划分及代号参见下表对于专业化程度高、施工工艺复杂、技术先进的子分部工程应该单独组卷,需单1、施工资料编号应填入右上角的编号栏。
资料员工作流程第一部分开工前资料1、中标通知书及施工许可证2、施工合同3、委托监理工程的监理合同4、施工图审查批准书及施工图审查报告5、质量监督登记书6、质量监督交底要点及质量监督工作方案7、岩土工程勘察报告8、施工图会审记录9、经监理(或业主)批准所施工组织设计或施工方案10、开工报告11、质量管理体系登记表12、施工现场质量管理检查记录13、技术交底记录14、测量定位记录第二部分质量验收资料1、地基验槽记录2、基桩工程质量验收报告3、地基处理工程质量验收报告4、地基与基础分部工程质量验收报告5、主体结构分部工程质量验收报告6、特殊分部工程质量验收报告7、线路敷设验收报告8、地基与基础分部及所含子分部、分项、检验批质量验收记录9、主体结构分部及所含子分部、分项、检验批质量验收记录10、装饰装修分部及所含子分部、分项、检验批质量验收记录11、屋面分部及所含子分部、分项、检验批质量验收记录12、给水、排水及采暖分部及所含子分部、分项、检验批质量验收记录13、电气分部及所含子分部、分项、检验批质量验收记录14、智能分部及所含子分部、分项、检验批质量验收记录15、通风与空调分部及所含子分部、分项、检验批质量验收记录16、电梯分部及所含子分部、分项、检验批质量验收记录17、单位工程及所含子单位工程质量竣工验收记录18、室外工程的分部(子分部)、分项、检验批质量验收记录第三部分试验资料1、水泥物理性能检验报告2、砂、石检验报告3、各强度等级砼配合比试验报告4、砼试件强度统计表、评定表及试验报告5、各强度等级砂浆配合比试验报告6、砂浆试件强度统计表及试验报告7、砖、石、砌块强度试验报告8、钢材力学、弯曲性能检验报告及钢筋焊接接头拉伸、弯曲检验报告或钢筋机械连接接头检验报告9、预应力筋、钢丝、钢绞线力学性能进场复验报告10、桩基工程试验报告11、钢结构工程试验报告12、幕墙工程试验报告13、防水材料试验报告14、金属及塑料的外门、外窗检测报告(包括材料及三性)15、外墙饰面砖的拉拔强度试验报告16、建(构)筑物防雷装置验收检测报告17、有特殊要求或设计要求的回填土密实度试验报告18、质量验收规范规定的其他试验报告19、地下室防水效果检查记录20、有防水要求的地面蓄水试验记录21、屋面淋水试验记录22、抽气(风)道检查记录23、节能、保温测试记录24、管道、设备强度及严密性试验记录25、系统清洗、灌水、通水、通球试验记录26、照明全负荷试验记录27、大型灯具牢固性试验记录28、电气设备调试记录29、电气工程接地、绝缘电阻测试记录30、制冷、空调、管道的强度及严密性试验记录31、制冷设备试运行调试记录32、通风、空调系统试运行调试记录33、风量、温度测试记录34、电梯设备开箱检验记录35、电梯负荷试验、安全装置检查记录36、电梯接地、绝缘电阻测试记录37、电梯试运行调试记录38、智能建筑工程系统试运行记录39、智能建筑工程系统功能测定及设备调试记录40、单位(子单位)工程安全和功能检验所必须的其他测量、测试、检测、检验、试验、调试、试运行记录第四部分材料、产品、构配件等合格证资料1、水泥出厂合格证(含28天补强报告)2、砖、砌块出厂合格证3、钢筋、预应力、钢丝、钢绞线、套筒出厂合格证4、钢桩、砼预制桩、预应力管桩出厂合格证5、钢结构工程构件及配件、材料出厂合格证6、幕墙工程配件、材料出厂合格证7、防水材料出厂合格证8、金属及塑料门窗出厂合格证9、焊条及焊剂出厂合格证10、预制构件、预拌砼合格证11、给排水与采暖工程材料出厂合格证12、建筑电气工程材料、设备出厂合格证13、通风与空调工程材料、设备出厂合格证14、电梯工程设备出厂合格证15、智能建筑工程材料、设备出厂合格证16、施工要求的其他合格证第五部分施工过程资料1、设计变更、洽商记录2、工程测量、放线记录3、预检、自检、互检、交接检记录4、建(构)筑物沉降观测测量记录5、新材料、新技术、新工艺施工记录6、隐蔽工程验收记录7、施工日志8、砼开盘报告9、砼施工记录10、砼配合比计量抽查记录11、工程质量事故报告单12、工程质量事故及事故原因调查、处理记录13、工程质量整改通知书14、工程局部暂停施工通知书15、工程质量整改情况报告及复工申请16、工程复工通知书第六部分必要时应增补的资料1、勘察、设计、监理、施工(包括分包)单位的资质证明2、建设、勘察、设计、监理、施工(包括分色)单位的变更、更换情况及原因3、勘察、设计、监理单位执业人员的执业资格证明4、施工(包括分包)单位现场管理售货员及各工种技术工人的上岗证明5、经建设单位(业主)同意认可的监理规划或监理实施细则6、见证单位派驻施工现场设计代表委托书或授权书7、设计单位派驻施工现场设计代表委托书或授权书8、其他第七部分竣工资料1、施工单位工程竣工报告2、监理单位工程竣工质量评价报告3、勘察单位勘察文件及实施情况检查报告4、设计单位设计文件及实施情况检查报告5、建设工程质量竣工验收意见书或单位(子单位)工程质量竣工验收记录6、竣工验收存在问题整改通知书7、竣工验收存在问题整改验收意见书8、工程的具备竣工验收条件的通知及重新组织竣工验收通知书9、单位(子单位)工程质量控制资料核查记录(质量保证资料审查记录)10、单位(子单位)工程安全和功能检验资料核查及主要功能抽查记录11、单位(子单位)工程观感质量检查记录(观感质量评定表)12、定向销售商品房或职工集资住宅的用户签收意见表13、工程质量保修合同(书)14、建设工程竣工验收报告(由建设单位填写)15、竣工图(包括智能建筑分部)建筑工程质量监督存档资料1、建设工程质量监督登记书2、施工图纸审查批准及建筑工程施工图审查报告3、单位工程质量监督工作方案4、建设工程质量监督交底会议通知书及交底要点5、建设工程质量监督记录6、建设工程质量管理体系登记表7、施工现场质量管理检查记录8、地基、基桩工程质量监督验收检查通知书9、地基验槽记录及基桩工程质量验收报告10、地基、基桩工程质量核查记录11、设计单位出具(或认可)的地基处理措施及地基处理工程质量验收报告12、地基与基础分部工程质量监督验收检查通知书及验收报告13、地基与基础分部工程质量核查记录14、主体结构分部工程质量监督验收检查通知书及验收报告15、主体结构分部工程质量核查记录16、特殊部分工程质量监督验收检查通知书及验收报告17、线路敷设工程质量监督验收检查通知书及验收报告18、钢材力学、弯曲性能检查报告及钢结构焊接接头拉伸、弯曲检验报告19、预应力筋、钢丝、钢绞线力学性能进场复验报告20、水泥物理性能检验报告21、砼试件强度统计表、评定表试验报告22、装配或预制构件结构性能检验合格证及施工接头、拼缝的砼承受施工满载、全部满载时试件强度试验报告23、防水砼、喷射砼抗压、抗渗试验报告及锚杆抗拨力试验报告24、地基处理工程中各类地基和各类复合地基施工完成后的地基强度(承载力)检验结果25、桩基工程基桩试验报告26、砂浆强度统计表及试件试验报告27、砖、石、砌块强度检验报告28、建筑工程材料有害物质及室内环境的检测报告29、防水材料(包括止水带条和接缝密封材料)、保温隔热及密封材料的复验报告30、金属及塑料外门、外窗复验报告(包括材料、风压性、气透性、水渗性)31、外墙饰面砖的拉拔强度试验报告32、各类电梯、自动扶梯、自动人行道安装工程的整机安装验收报告33、各类设备安装工程的隐蔽验收、系统联动、系统调试及系统安装验收记录34、砼楼面板厚度钻孔抽查记录35、工程质量事故报告单36、工程质量整改通知书及工程局部暂停施工通知书37、工程质量复工意见书及工程质量复工通知书38、单位(子单位)工程质量控制资料核查记录(质量保证资料审查记录)39、单位(子单位)工程安全和功能检验资料核查及主要功能抽查记录40、单位(子单位)工程观感质量检查记录(观感质量评定表)41、施工单位工程竣工报告42、监理单位工程竣工质量评价报告43、勘察单位勘察文件及实施情况检查报告44、设计单位设计文件及实施情况检查报告45、建设工程竣工验收报告46、工程竣工验收监督检查通知书47、质量保证资料核查记录48、单位(子单位)工程质量竣工验收记录(工程质量竣工验收意见书)49、重新组织竣工验收通知书50、工程竣工复验意见书51、竣工验收存在问题整改通知书及存在问题整改验收意见书52、工程质量保修合同53、单位(子单位)工程质量监督报告注:幕墙、钢结构及网架的整套资料存质监站建筑工程文件管理规程(施工分册)1 总则1.0.1为提高城乡建设工程质量,提高施工过程控制,完善工程技术资料,统一全省建设工程档案的验收标准,依据现行国家、行业、地方标准,结合我省情况制定本规程。
资料员一本通(免费下载).工程资料编号的说明建筑工程被分为九个分部工程,每个分部工程都有相应的代号,详见下表。
对于专业化程度高、施工工艺复杂、技术先进的子分部工程,应该单独组卷。
需要单独组卷的子分部工程也在下表中列出。
序号分部工程名称分部工程代号应单独组卷的子分部代号1 地基与基础 01 02.03.04.092 主体结构 02 01.043 建筑装饰装修 03 054 建筑屋面 04 065 建筑给水、排水及采暖 05 076 建筑电气 06 107 幕墙 078 智能建筑 089 环境 09施工资料编号的组成施工资料编号通常应该有7位数,由分部工程代号(2位)、资料类别代号(2位)和顺序代号(3位)组成,每部分之间用横线隔开。
施工资料编号应填入右上角的编号栏。
例如,编号的形式如下:xx-xx-xxx 共七位代号。
分部工程代号应根据资料所属的分部工程,按照上表编写;资料类别代号应根据资料所属类别按上表编写;顺序代号应根据相同表格、相同检查项目,按时间自然形成的先后顺序编写。
例如,地基钎探记录的编号应为01-C5-001.工程资料分类表表C5-7 编号01-C5-001归档保存单位:城XXX类别表格标号建筑工程资料名称工理设编号(资料来源)档案位位位馆A类基建文件A1 决策立项文件A1-1 项目建议书建设单位●●A1-2 可行性研究报告工程咨询单●●A1-3 可行性报告的批复文件有关主管部●●A1-4 关于立项的会议纪要、领导批示组织单位●●A1-5 专家对项目的有关建议文件建设单位●●A1-6 项目评估研究资料建设单位●●A2 建设用地、征地、拆迁文件A2-1 征占用地的批准文件及对使用国有土地的批准意见政府有关部●●A2-2 规划意见书及附图规划部门●●A2-3 建设用地规划许可证、许可证附件及附图规划部门●●A2-4 国有土地使用证国有土地管理部门A3 勘查、测绘、设计文件设备、机械等的采购文件招标文件和承包合同文件是工程招投标及承包合同文件的重要组成部分。
本文部分内容来自网络整理,本司不为其真实性负责,如有异议或侵权请及时联系,本司将立即删除!== 本文为word格式,下载后可方便编辑和修改! ==市政资料员一本通篇一:资料员一本通(免费下载)工程资料编号说明建筑工程共分为九个分部工程,分部(子分部)的划分及代号参见下表对于专业化程度高、施工工艺复杂、技术先进的子分部工程应该单独组卷,需单独组卷的子分部工程见下表。
一、施工资料编号的组成1、施工资料编号应填入右上角的编号栏。
2、通常情况下施工资料的编号应该有7位数,由分部工程代号(2位)、资料类别代号(2位)和顺序代号(3位)组成,每部分之间用横线隔开。
编号的形式如下:xx---xx----xxx共七位代号分部工程代号2位,应根据资料所属的分部工程,按照上表编写资料类别代号应根据资料所属类别按上表编写顺序代号,应根据相同表格、相同检查项目,按时间自然形成的先后顺序编写工程资料分类表表1-3篇二:资料员一本通一、二、三、四、七第一章:市政工程资料管理概述第一节:市政工程资料的分类与编号A类:基建文件B类:监理资料C类:施工资料E类:工程资料、档案封面和目录工程资料编码要求:工程资料表格的编码由 [表式码、专业工程分类码、顺序码 ] 三部分组成。
如:专业工程分类码↑↓ ↓表式码顺序码第二节:市政工程资料管理职责工程各参建单位资料管理职责:1. 建设单位1).应负责基建文件的管理工作,并设专人对基建文件进行收集、整理和归档2).在工程招标及参建各方鉴定合同和协议时,应对工程资料和工程档案的编制责任、套数、费用、质量和移交期限等提出明确要求3).必须向参与工程建设的勘察、设计、施工、监理等单位提供与建设工程有关的资料 4).有建设单位采购的建筑材料、构配件、和设备,建设单位应保证建筑材料、构配件和设备符合设计文件的要求,并保证相关物资文件的完整、真实和有效5).应负责组织监督和检查各参建单位工程资料表格的形成、积累和立卷工作,也可委托监理单位检查工程资料的形成、积累和立卷归档工作。
工程资料编号说明建筑工程共分为九个分部工程,分部(子分部)的划分及代号参见下表对于专业化程度高、施工工艺复杂、技术先进的子分部工程应该单独组卷,需单独组卷的子分部工程见下表。
序号分部工程名称分部工程代号应单独组卷的子分部应单独组卷的子分部代号有支护土方 02地基(复合) 03桩基 041 地基与基础 01钢结构 09预应力 01钢结构 04木结构 05 2 主体结构 02网架与索膜 063 建筑装饰装修 03 幕墙 074 建筑屋面 045 建筑给水、排水及采暖 05 供热锅炉及辅助设备 106 建筑电气 06变配电室(高压) 02通信网络系统01建筑设备监控系统03火灾报警及消防联动系统04安全防范系统05综合布线系统067 智能建筑 07环境098 通风与空调 089 电梯 09一、 施工资料编号的组成1、施工资料编号应填入右上角的编号栏。
2、通常情况下施工资料的编号应该有7位数,由分部工程代号(2位)、资料类别代号(2位)和顺序代号(3位)组成,每部分之间用横线隔开。
编号的形式如下:xx---xx----xxx 共七位代号分部工程代号2位,应根据资料所属的分部工程,按照上表编写资料类别代号应根据资料所属类别按上表编写顺序代号,应根据相同表格、相同检查项目,按时间自然形成的先后顺序编写地基钎探记录表C5-7编号 01—C5----001工程资料分类表表1-3归档保存单位类别编号工程资料名称表格标号(资料来源)施工单位监理单位建设单位城建档案馆A类基建文件A1 决策立项文件AA1-1 项目建议书建设单位●●A1-2 项目建议书的批复文件建设主管部门●●A1-3 可行性研究报告工程咨询单位●●A1-4 可行性报告的批复文件有关主管部门●●A1-5 关于立项的会议纪要、领导批示组织单位●●A1-6 专家对项目的有关建议文件建设单位●●A1-7 项目评估研究资料建设单位●●A2 建设用地、征地、拆迁文件A2-1 征占用地的批准文件及对使用国有土地的批准意见政府有关部门●●A2-2 规划意见书及附图规划部门●●A2-3 建设用地规划许可证、许可证附件及附图规划部门●●●A2-4 国有土地使用证国有土地管理部门●●A3 勘查、测绘、设计文件A3-1 工程地质勘察报告勘查单位●●●●A3-2 水文地质勘察报告勘查单位●●●●A3-3 建筑用地钉桩通知单规划部门●●●●A3-4 验线通知单规划部门●●●●A3-5 规划设计条件通知书及附图规划部门●●A3-6 审定设计方案通知书及附图规划部门●●A3-7 审定设计方案通知书要求,征求有关人防、环保、消防、交通、园林、市政、文物、通讯、保密、河湖、教育等部门的审查意见和要求取得的有关协议有关部门●●A3-8 初步设计图及说明设计单位●A3-9 施工图设计及说明设计单位●●A3-10 设计计算书设计单位●A3-11 消防设计审核意见消防局●●●A3-12 施工图设计文件审查通知书及施工图审查报告●●●A4 工程招投标及承包合同文件A4-1 勘查招投标文件建设、勘查单位●A4-2 设计招投标文件建设、设计单位●A4-3 施工招投标文件建设、施工单位●●●A4-4 监理招投标文件建设、监理单位●●A4-5 勘察合同建设、勘查单位●A4-6 设计合同建设、设计单位●A4-7 施工合同建设、施工单位●●●A4-8 监理合同建设、监理单位●●A5 工程开工文件A5-1 年度施工任务批准文件建设主管部门●●A5-2 修改工程施工图通知书规划部门●●A5-3 建设工程规划许可证、附件及附图规划部门●●●●A5-4 建设工程施工许可证规划部门●●●●A5-5 工程质量监督手续质量监督机构●●●●A6 商务文件A6-1 工程投资估算文件工程造价咨询单位●A6-2 工程设计概算工程造价咨询单位●A6-3 施工图预算工程造价咨询单位●●●A6-4 施工预算施工单位●●●A6-5 工程结(决)算合同双方●●●A6-6 交付使用固定资产清单建设单位●●A6-7 建设工程概况●●A7 工程竣工验收及备案文件A7-1 建设工程竣工验收备案表建设单位●●●●A7-2 工程竣工验收报告建设单位●●●●A7-3 由规划、公安消防、人防、环保等部门出具的认可文件或准许使用文件主管部门●●●●A7-4 《房屋建筑工程质量保修书》建设与施工单位●●●A7-5 《住宅质量保证书》《住宅使用说明书》建设单位●A7-6 建设工程规划验收合格证规划部门●●●●A7-7 建设工程竣工档案预验收意见城建档案馆●●A8 其他文件A8-1 合同约定的由建设单位采购的材料、构配件和设备的质量证明文件及进场报验文件建设单位●●●A8-2 工程竣工总结建设单位●●A8-3 工程为开工前的原貌、竣工新貌照片建设单位●●A8-4 工程开工、施工、竣工的录音录像资料建设单位●●B类监理资料监理管理资料监理规划、监理实施细则监理单位●●●监理月报监理单位●●B1监理会议纪要监理单位●●●监理工作日志监理单位●监理工作总结(专题、阶段和竣工总结)监理单位●●●监理工作记录施工组织设计(方案)报审表A2表●●●施工测量放线报验申请表A4表●●●施工进度计划报验申请表A4表●●●工程材料/构配件/设备报审表A9表●●●工程开工报审表A1表●●●分包单位资格报审表A3表●●●分项/分部工程报验申请表A4表●●工程复工报审表A1表●●●工程变更费用报审表●●●费用索赔申请表A8表●●●工程款支付申请表A5表●●工程临时延期申请表A7表●●●监理工程师通知回复单A6表●●B2监理工程师通知单B1表●●不合格项处置记录●●●工程暂停令B2表●●●工程临时延期审批表B4表●●●工程最终延期审批表B5表●●●费用索赔审批表B6表●●●工程款支付证书B3表●●●旁站监理记录●●●质量事故报告及处理资料责任单位●●●●见证取样备案文件监理单位●●●竣工验收资料工程竣工报验单A10表●●●竣工移交证书●●●●工程质量评估报告监理单位●●●●其他资料B4监理工作联系单 C1表●●●工程变更单 C2表●●C类施工资料工程管理与验收资料工程概况表表C0-1 ●●C0建设工程质量事故调(勘)查笔录表C0-2 ●●●●建设工程质量事故报告书表C0-3 ●●●●单位(子单位)工程质量竣工验收记录●●●●单位(子单位)工程质量控制资料核查记●●●录●●●单位(子单位)工程安全和功能检查资料核查及主要功能抽查记录C0单位(子单位)工程观感质量检查记录●●室内环境监测报告检测单位提供●●施工总结施工单位编制●●●工程竣工报告施工单位编制●●●●施工管理资料施工现场质量管理检查记录表C1-1 ●●C1企业资质证书及相关专业人员岗位证书施工单位提供●见证记录监理单位提供●●施工日志表C1-2 ●施工技术资料施工组织设计及施工方案施工单位编制●技术交底记录表C2-1 ●C2图纸会审记录表C2-2 ●●●●设计变更通知单表C2-3 ●●●●工程洽商记录表C2-4 ●●●●施工测量记录工程定位测量记录表C3-1 ●●●●基槽验线记录表C3-2 ●●●C3楼层平面放线记录表C3-3 ●楼层标高抄测记录表C3-4 ●建筑物垂直度、标高测量记录表C3-5 ●●沉降观测记录测量单位提供●●●●施工物资资料通用表格材料、构配件进场检验记录表C4-1 ●材料试验报告(通用)表C4-2 ●●设备开箱检验记录(机电通用)表C4-3 ●设备及管道附件试验记录(机电通用)表C4-4 ●●建筑与结构工程出厂质量证明文件C4供应单位提供●●各种物资出厂合格证、质量保证书和商检证等半成品钢筋出厂合格证表C4-5 ●●预制混凝土构件出厂合格证表C4-6 ●●钢构件出厂合格证表C4-7 ●●预拌混凝土出厂合格证表C4-8 ●●●检测报告钢材性能检测报告供应单位提供●●●水泥性能检测报告供应单位提供●●外加剂性能检测报告供应单位提供●●防水材料性能检测报告供应单位提供●●砖(砌块)性能检测报告供应单位提供●●供应单位提供●●门、窗性能检测报告(建筑外窗应有三性检测报告)吊顶饰面材料性能检测报告供应单位提供●●饰面板材性能检测报告供应单位提供●●饰面石材性能检测报告供应单位提供●●饰面砖性能检测报告供应单位提供●●涂料性能检测报告供应单位提供●●供应单位提供●●玻璃性能检测报告(安全玻璃应有安全性能检测报告)壁纸、墙布防火、阻燃性能检测报告供应单位提供●●装修用粘结剂性能检测报告供应单位提供●●防火涂料性能检测报告供应单位提供●●供应单位提供●●隔声/隔热/阻燃/防潮材料特殊性能检测报告钢结构用焊接材料检测报告供应单位提供●●供应单位提供●●高强度大六角头螺栓连接副扭矩系数检测报告扭剪型高强螺栓连接副预拉力检测报告供应单位提供●●木结构材料检测报告(含水率、木构件、供应单位提供●●C4钢件)幕墙性能检测报告(三性试验)供应单位提供●●●幕墙用硅酮结构胶检测报告供应单位提供●●●幕墙用玻璃性能检测报告供应单位提供●●幕墙用石材性能检测报告供应单位提供●●●幕墙用金属板性能检测报告供应单位提供●●材料污染物含量检测报告(执行供应单位提供●●GB50325---2001)复试报告钢材试验报告表C4-9 ●●●水泥试验报告表C4-10 ●●●砂试验报告表C4-11 ●●●碎(卵)石试验报告表C4-12 ●●●外加剂试验报告表C4-13 ●●●掺合料试验报告表C4-14 ●●防水涂料试验报告表C4-15 ●●防水卷材试验报告表C4-16 ●●砖(砌块)试验报告表C4-17 ●●●轻集料试验报告表C4-18 ●●预应力筋复试报告检测单位提供●●●预应力锚具、夹具和连接器复试报告检测单位提供●●装饰装修用门窗复试报告检测单位提供●●装饰装修用人造地板复试报告检测单位提供●●装饰装修用花岗石复试报告检测单位提供●●装饰装修用安全玻璃复试报告检测单位提供●●装饰装修用外墙面砖复试报告检测单位提供●●钢结构金相试验报告检测单位提供●●●钢结构用钢材复试报告检测单位提供●●●钢结构用焊接材料复试报告检测单位提供●●钢结构用高强度大六角头螺栓连接副复试报告检测单位提供●●钢结构用扭剪型高强螺栓连接副复试报告检测单位提供●●木结构材料复试报告检测单位提供●●幕墙用铝塑板复试报告检测单位提供●●●幕墙用石材复试报告检测单位提供●●●幕墙用安全玻璃复试报告检测单位提供●●幕墙用结构胶复试报告检测单位提供●●●建筑给水、排水及采暖工程管材的产品质量证明文件供应单位提供●●主要材料、设备的产品质量合格证及检测报告供应单位提供●●绝热材料的产品合格证及检测报告供应单位提供●●给水管道材料卫生检测报告供应单位提供●●成品补偿器预拉伸证明书供应单位提供●●卫生洁具环保检测报告供应单位提供●●锅炉(承压设备)焊缝无损探伤检测报告供应单位提供●●水表、热量表的计量检定证书供应单位提供●●安全阀、减压阀的调试报告及定压合格证书由供应单位及检测单位提供●●主要设备及器具安装使用说明书供应单位提供●●建筑电气工程低压成套配电柜、动力、照明配电箱(盘柜)出厂合格证、生产许可证、试验记录、CCC认证及证书复印件供应单位提供●●电力变压器、柴油发电机组、高压成套配电柜、蓄电池柜、不间断电源柜、控制柜(屏、台)出厂合格证、生产许可证及试验记录供应单位提供●●发电机、电加热器、电动执行机构和低压开关设备合格证、生产许可证、CCC认证及证书复印件供应单位提供●●照明灯具、开关、插座、风扇及附件出厂合格证、CCC认证及证书复印件供应单位提供●●C4导管、电缆桥架和线槽出厂合格证供应单位提供●●电线、电缆出厂合格证、生产许可证、CCC供应单位提供●●认证及证书复印件型钢及电焊条合格证及材质证明书供应单位提供●●供应单位提供●●镀锌制品(支架、横担、接地极、避雷用型钢等)和外线金具合格证和镀锌质量证明书封闭母线、插接母线合格证、安装技术文供应单位提供●●件、CCC认证及证书复印件供应单位提供●●裸母线、裸导线、电缆头部件及接线端子、钢制灯柱、混凝土电秆和其他混凝土制品合格证主要设备安装技术文件供应单位提供●●●●智能建筑系统工程(执行现行标准规范)专业施工单位C4提供通风与空调工程供应单位提供●●制冷机组等主要设备和部件的产品合格证及质量证明文件供应单位提供●●阀门、疏水器、水箱、分集水器、减震器、储冷罐、集气罐、仪表、绝热材料等的出厂合格证、质量证明文件及检测报告板材、管材等质量证明文件供应单位提供●●主要设备安装使用说明书供应单位提供●●电梯工程●●电梯设备开箱检验记录表C4-19 ●●供应单位提供●●电梯主要设备、材料及附件出厂合格证、产品说明书、安装技术文件施工记录通用表格隐蔽工程检查记录表C5-1 ●●●预检记录表C5-2 ●施工检查记录(通用)表C5-3 ●交接检查记录表C5-4 ●●建筑与结构工程基坑支护变形监测记录专业施工单位●C5桩(地)基施工记录专业施工单位●●●地基验槽检查记录表C5-5 ●●●地基处理记录表C5-6 ●●●地基钎探记录(附图)表C5-7 ●●●混凝土浇筑申请书表C5-8 ●●预拌混凝土运输单表C5-9 ●混凝土开盘鉴定表C5-10 ●混凝土拆模申请表表C5-11 ●混凝土搅拌测温记录表表C5-12 ●混凝土养护测温记录表(附图)表C5-13 ●大体积混凝土养护测温记录报表(附图)表C5-1414 ●构件吊装记录表C5-15 ●焊接材料烘焙记录表C5-16 ●地下工程防水效果检查记录表C5-17 ●●防水工程试水检查记录表C5-18 ●●通风(烟)道、垃圾道检查记录表C5-19 ●预应力筋张拉记录(一)表C5-20 ●●●预应力筋张拉记录(二)表C5-21 ●●●有粘结预应力结构灌浆记录表C5-22 ●●●钢结构施工记录专业施工单位提供●●网架(索膜)施工记录专业施工单位提供●●木结构施工记录专业施工单位提供●●幕墙注胶检查记录专业施工单位提供●●电梯工程电梯承重梁、起重吊环埋设隐蔽工程检查记录表C5-23 ●●●电梯钢丝绳头灌注隐蔽工程检查记录表C5-24 ●●●电梯导轨、层门的支架、螺栓埋设隐蔽工程检查记录表C5-25 ●●●电梯电气装置安装检查记录(一)、(二)、(三)表C5-26 ●●电梯机房、井道预检记录表C5-27 ●●自动扶梯、自动人行道安装与土建交接预检记录表C5-28 ●●自动扶梯、自动人行道的相邻区域检查记录表C5-29 ●●自动扶梯、自动人行道电气装置检查记录(一)、(二)表C5-30 ●●C5自动扶梯、自动人行道整机安装质量检查记录表C5-31 ●●施工试验记录通用表格施工试验记录(通用)表C6-1 ●●设备单机试运转记录(机电通用)表C6-2 ●●●系统试运转调试记录(机电通用)表C6-3 ●●●建筑与结构工程锚杆、土钉锁定力(抗拔力)试验报告检测单位提供●●C6地基承载力检测报告检测单位提供●●●桩检测报告检测单位提供●●●C6土工击实试验报告表C6-4 ●●●回填土试验报告(附图)表C6-5 ●●●钢筋机械连接型式检验报告技术提供单位●●钢筋连接工艺检验(评定)报告检测单位提供●●钢筋连接试验报告表C6-6 ●●●砂浆配合比申请单、通知单表C6-7 ●砂浆抗压强度试验报告表C6-8 ●●砌筑砂浆试块强度统计、评定记录表C6-9 ●●●混凝土配合比申请单、通知单表C6-10 ●混凝土抗压强度试验报告表C6-11 ●●混凝土试块强度统计、评定记录表C6-12 ●●●混凝土抗渗试验报告表C6-13 ●●●混凝土碱总量计算书混凝土供应商●●●饰面砖粘结强度试验报告表C6-14 ●●后置埋件拉拔试验报告检测单位提供●●超声波探伤报告表C6-15 ●●●超声波探伤记录表C6-16 ●●●钢构件射线探伤报告表C6-17 ●●●磁粉探伤报告检测单位提供●●●高强螺栓抗滑移系数检测报告检测单位提供●●钢结构焊接工艺评定检测单位提供●●网架节点承载力试验报告检测单位提供●●钢结构涂料厚度检测报告检测单位提供●●木结构胶缝试验报告检测单位提供●●木结构防护剂试验报告检测单位提供●●检测单位提供●●幕墙双组分硅酮结构胶混匀性及拉断试验报告给排水及采暖工程灌(满)水试验记录表C6-18 ●强度严密性试验记录表C6-19 ●●●通水试验记录表C6-20 ●吹(冲)洗(脱脂)试验记录表C6-21 ●通球试验记录表C6-22 ●●补偿器安装记录表C6-23 ●消火栓试射记录表C6-24 ●●●安全附件安装检查记录表C6-25 ●●●锅炉封闭及烘炉(烘干)记录表C6-26 ●●●锅炉煮炉试验记录表C6-27 ●●●锅炉试运行记录表C6-28 ●●●安全阀调试记录试验单位提供●●●建筑电气工程电气接地电阻测试记录表C6-29 ●●●电气防雷接地装置隐检及平面示意图 表C6-30 ● ● ● 电气绝缘电阻测试记录 表C6-31 ● ● 电气器具通电安全检查记录 表C6-32 ● ● 电气设备空载试运行记录 表C6-33 ● ● 建筑物照明通电试运行记录 表C6-34 ● ● 大型照明灯具承载试验记录 表C6-35 ● ● 高压部分试验记录 检测单位提供 ● ● ● 漏电开关模拟试验记录 表C6-36 ● ● 电度表检定记录检测单位提供 ● ● 大容量电气线路结点测温记录 表C6-37 ● ● 避雷带支架拉力测试记录表C6-38 ● ● 智能建筑工程(执行现行标准规范) 专业施工单位 ● ● 通风与空调工程 风管漏光检测记录 表C6-39 ● 风管漏风检测记录表C6-40 ● 现场组装除尘器、空调机漏风检测记录 表C6-41 ● 各房间室内风量温度检测记录 表C6-42 ● 管网风量平衡记录 表C6-43 ● 空调系统试运转调试记录 表C6-44 ● ● ● 空调水系统试运转调试记录 表C6-45 ● ● ● 制冷系统气密性试验记录 表C6-46 ● ● ● 净化空调系统测试记录 表C6-47 ● ● ● 防排烟系统联合试运行记录 表C6-48 ● ● ● 电梯工程轿厢平层准确度测量记录 表C6-49 ● ● 电梯层门安全装置检验记录 表C6-50 ● ● ● 电梯电气安全装置检验记录 表C6-51 ● ● 电梯整机功能检验记录 表C6-52 ● ● ● 电梯主要功能检验记录 表C6-53 ● ● 电梯负荷运行试验记录 表C6-54 ● ● ● 电梯负荷运行试验曲线图 表C6-55 ● ● 电梯噪声测试记录表C6-56 ● ● 自动扶梯、自动人行道安全装置检验记录(一)、(二) 表C6-57 ● ● C6自动扶梯、自动人行道整机性能、运行试验记录表C6-58 ● ● ● 施工质量验收记录结构实体同条件混凝土强度试验报告 表C6-11 ● ● ● 钢筋保护层厚度试验报告 表C7-10 ● ● ● 检验批质量验收记录 ● ● 分项工程质量验收记录表 ● ● C7分部(子分部)工程验收记录表执行GB 50300和专业施工质量验收规范 ● ● ● ● D竣工图编制单位提供●●●注:本表的归档保存单位是指竣工后有关单位对工程资料的归档保存,施工过程中资料的留存应按相关的约定及有关程序执行。
【关键字】精品怎样当好资料员-资料员一本通资料员一本通(免费下载)工程资料编号说明建筑工程共分为九个分部工程,分部的划分及代号参见下表对于专业化程度高、施工工艺复杂、技术先进的子分部工程应该单独组卷,需单独组卷的子分部工程见下表。
一、施工资料编号的组成1、2、施工资料编号应填入右上角的编号栏。
通常情况下施工资料的编号应该有7位数,由分部工程代号(2位)、资料类别代号和顺序代号组成,每部分之间用横线隔开。
例:编号的形式如下:xx---xx----xxx共七位代号分部工程代号2位,应根据资料所属的分部工程,按照上表编写资料类别代号应根据资料所属类别按上表编写顺序代号,应根据相同表格、相同检查项目,按时间自然形成的先后顺序编写工程资料分类表表1-3注:本表的归档保存单位是指竣工后有关单位对工程资料的归档保存,施工过程中资料的留存应按相关的约定及有关程序执行。
应单独组卷的子分部工程,资料的编号应为9位数,由分部工程2位数、子分部工程2位数、资料类别代号2位数和顺序号3位数组成,中间用横线隔开。
顺序号填写原则:1、对于施工专用表格来说,顺序号应按时间先后顺序,用阿拉伯数字从001开始连续标注。
2、对于同一施工表格。
举例如下:表C5-1隐蔽工程检查记录编号:03—C5---001表C5-1隐蔽工程检查记录编号:03—C5---001 无统一表格或外部提供的施工资料,应根据表1-3,在资料的右上角注明编写,填写要求按照上述说明。
监理资料编号:1、监理资料编号应填入右上角的编号栏。
2、对于相同的表格或者是相同的文件材料,应分别按时间自然形成先后顺序从001开始连续编写。
3、监理资料中的施工测量放线报审表、工程材料/构配件/设备报审表应根据报验项目编号,对于相同的报验项目,应分别按照时间自然形成的先后顺序从001开始连续编写。
土建工程资料管理技术交底记录填写说明建筑资料员一本通(通俗易懂版)工程资料编号说明建筑工程共分为九个分部工程,分部的划分及代号参见下表对于专业化程度高、施工工艺复杂、技术先进的子分部工程应该单独组卷,需单1、施工资料编号应填入右上角的编号栏。
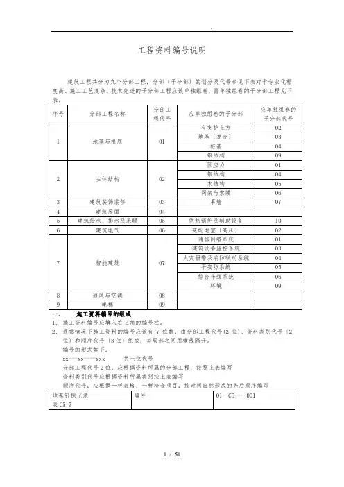
工程资料编号说明
建筑工程共分为九个分部工程,分部(子分部)的划分及代号参见下表对于专业化程度高、施工工艺复杂、技术先进的子分部工程应该单独组卷,需单独组卷的子分部工程见下
1、施工资料编号应填入右上角的编号栏。
2、通常情况下施工资料的编号应该有7位数,由分部工程代号(2位)、资料类别代号(2 位)和顺
序代号(3位)组成,每部分之间用横线隔开。
编号的形式如下:
xx---xx----xxx 共七位代号
分部工程代号2位,应根据资料所属的分部工程,按照上表编写资料类别代号应根据资料所属类别按上表编写
工程资料分类表表1-3
存应按相关的约定及有关程序执行。
应单独组卷的子分部工程,资料的编号应为 9位数,由分部工程 2位数、子分部工程
顺序号填写原则:
1、
对于施工专用表格来说, 顺序号应按时间先后顺序, 用阿拉伯数字从001开始连续标注。
2、 对于同一施工表格(如隐蔽工程检查记录、预检记录等)涉及多个(子)分部工程的各 检查项目分别从001开始连续标注。
举例如下: 表C5-1 隐蔽工程检查记录
编号:03 — C5---001
求按照上述说明。
监理资料编号:
1、 监理资料编号应填入右上角的编号栏。
2、 对于相同的表格或者是相同的文件材料, 应分别按时间自然形成先后顺序从 001开始连
续编写。
3、 监理资料中的施工测量放线报审表、 工程材料/构配件/设备报审表应根据报验项目编号, 对于相同的报验项目,应分别按照时间自然形成的先后顺序从
001开始连续编写。
土建工程资料管理
技术交底记录填写说明。