公路工程资料员一本通
- 格式:doc
- 大小:118.50 KB
- 文档页数:10
公路工程资料员一本通资料员一本通第一部分开工前资料1、中标通知书及施工许可证2、施工合同3、委托监理工程的监理合同4、施工图审查批准书及施工图审查报告5、质量监督登记书6、质量监督交底要点及质量监督工作方案7、岩土工程勘察报告8、施工图会审记录9、经监理(或业主)批准所施工组织设计或施工方案10、开工报告11、质量管理体系登记表12、施工现场质量管理检查记录13、技术交底记录14、测量定位记录第二部分质量验收资料1、地基验槽记录2、基桩工程质量验收报告3、地基处理工程质量验收报告4、地基与基础分部工程质量验收报告5、主体结构分部工程质量验收报告6、特殊分部工程质量验收报告7、线路敷设验收报告8、地基与基础分部及所含子分部、分项、检验批质量验收记录9、主体结构分部及所含子分部、分项、检验批质量验收记录10、装饰分部及所含子分部、分项、检验批质量验收记录11、屋面分部及所含子分部、分项、检验批质量验收记录12、给水、排水及采暖分部及所含子分部、分项、检验批质量验收记录113、电气分部及所含子分部、分项、检验批质量验收记录14、智能分部及所含子分部、分项、检验批质量验收记录15、通风与空调分部及所含子分部、分项、检验批质量验收记录16、电梯分部及所含子分部、分项、检验批质量验收记录17、单位工程及所含子单位工程质量竣工验收记录18、室外工程的分部(子分部)、分项、检验批质量验收记录第三部分试验资料1、水泥物理性能检验报告2、砂、石检验报告3、各强度等级砼配合比试验报告4、砼试件强度统计表、评定表及试验报告5、各强度等级砂浆配合比试验报告6、砂浆试件强度统计表及试验报告7、砖、石、砌块强度试验报告8、钢材力学、弯曲性能检验报告及钢筋焊接接头拉伸、弯曲检验报告或钢筋机械连接接头检验报告9、预应力筋、钢丝、钢绞线力学性能进场复验报告10、桩基工程试验报告11、钢结构工程试验报告12、幕墙工程试验报告13、防水材料试验报告14、金属及塑料的外门、外窗检测报告(包括材料及三性)15、外墙饰面砖的拉拔强度试验报告16、建(构)筑物防雷装置验收检测报告17、有特殊要求或要求的回填土密实度试验18、质量验收规范规定的其他试验报告19、地下室防水效果检查记录20、有防水要求的地面蓄水试验记录21、屋面淋水试验记录22、抽气(风)道检查记录23、节能、保温测试记录24、管道、设备强度及严密性试验记录25、系统清洗、灌水、通水、通球试验记录26、照明全负荷试验记录27、大型灯具牢固性试验记录28、电气设备调试记录29、电气工程接地、绝缘电阻测试记录30、制冷、空调、管道的强度及严密性试验记录31、制冷设备试运行调试记录32、通风、空调系统试运行调试记录233、风量、温度测试记录34、电梯设备开箱检验记录35、电梯负荷试验、安全装置检查记录36、电梯接地、绝缘电阻测试记录37、电梯试运行调试记录38、智能建筑工程系统试运行记录39、智能建筑工程系统功能测定及设备调试记录40、单位(子单位)工程安全和功能检验所必须的其他测量、测试、检测、检验、试验、调试、试运行记录第四部分材料、产品、构配件等合格证资料1、水泥出厂合格证(含28天补强报告)2、砖、砌块出厂合格证3、钢筋、预应力、钢丝、钢绞线、套筒出厂合格证4、钢桩、砼预制桩、预应力管桩出厂合格证5、钢结构工程构件及配件、材料出厂合格证6、幕墙工程配件、材料出厂合格证7、防水材料出厂合格证8、金属及塑料门窗出厂合格证9、焊条及焊剂出厂合格证10、预制构件、预拌砼合格证11、给排水与采暖工程材料出厂合格证12、建筑电气工程材料、设备出厂合格证13、通风与空调工程材料、设备出厂合格证14、电梯工程设备出厂合格证15、智能建筑工程材料、设备出厂合格证16、施工要求的其他合格证第五部分施工过程资料1、设计变更、洽商记录2、工程测量、放线记录3、预检、自检、互检、交接检记录4、建(构)筑物沉降观测测量记录5、新材料、新技术、新工艺施工记录6、隐蔽工程验收记录7、施工日志8、砼开盘报告9、砼施工记录10、砼配合比计量抽查记录11、工程质量事故报告单12、工程质量事故及事故原因调查、处理记录13、工程质量整改通知书14、工程局部暂停施工通知书15、工程质量整改情况报告及复工申请316、工程复工通知书第六部分必要时应增补的资料1、勘察、设计、监理、施工(包括分包)单位的资质证明2、建设、勘察、设计、监理、施工(包括分色)单位的变更、更换情况及原因3、勘察、设计、监理单位执业人员的执业资格证明4、施工(包括分包)单位现场管理售货员及各工种技术工人的上岗证明5、经建设单位(业主)同意认可的监理规划或监理实施细则6、见证单位派驻施工现场设计代表委托书或授权书7、设计单位派驻施工现场设计代表委托书或授权书8、其他第七部分竣工资料1、施工单位工程竣工报告2、监理单位工程竣工质量评价报告3、勘察单位勘察文件及实施情况检查报告4、设计单位设计文件及实施情况检查报告5、建设工程质量竣工验收意见书或单位(子单位)工程质量竣工验收记录6、竣工验收存在问题整改通知书7、竣工验收存在问题整改验收意见书8、工程的具备竣工验收条件 __及重新组织竣工验收通知书9、单位(子单位)工程质量控制资料核查记录(质量保证资料审查记录)10、单位(子单位)工程安全和功能检验资料核查及主要功能抽查记录11、单位(子单位)工程观感质量检查记录(观感质量评定表)12、定向销售商品房或职工集资住宅的用户签收意见表13、工程质量保修合同(书)14、建设工程竣工验收报告(由建设单位填写)15、竣工图(包括智能建筑分部)建筑工程质量监督存档资料1、建设工程质量监督登记书2、施工图纸审查批准及建筑工程施工图审查报告3、单位工程质量监督工作4、建设工程质量监督交底会议通知书及交底要点5、建设工程质量监督记录6、建设工程质量管理体系登记表7、施工现场质量管理检查记录8、地基、基桩工程质量监督验收检查通知书9、地基验槽记录及基桩工程质量验收报告10、地基、基桩工程质量核查记录11、设计单位出具(或认可)的地基处理措施及地基处理工程质量验收报告12、地基与基础分部工程质量监督验收检查通知书及验收报告13、地基与基础分部工程质量核查记录14、主体结构分部工程质量监督验收检查通知书及验收报告15、主体结构分部工程质量核查记录416、特殊部分工程质量监督验收检查通知书及验收报告17、线路敷设工程质量监督验收检查通知书及验收报告18、钢材力学、弯曲性能检查报告及钢结构焊接接头拉伸、弯曲检验报告19、预应力筋、钢丝、钢绞线力学性能进场复验报告20、水泥物理性能检验报告21、砼试件强度统计表、评定表试验报告22、装配或预制构件结构性能检验合格证及施工接头、拼缝的砼承受施工满载、全部满载时试件强度试验报告23、防水砼、喷射砼抗压、抗渗试验报告及锚杆抗拨力试验报告24、地基处理工程中各类地基和各类复合地基施工完成后的地基强度(承载力)检验结果25、桩基工程基桩试验报告26、砂浆强度统计表及试件试验报告27、砖、石、砌块强度检验报告28、建筑工程材料有害物质及室内环境的检测报告29、防水材料(包括止水带条和接缝密封材料)、保温隔热及密封材料的复验报告30、金属及塑料外门、外窗复验报告(包括材料、风压性、气透性、水渗性)31、外墙饰面砖的拉拔强度试验报告32、各类电梯、自动扶梯、自动人行道安装工程的整机安装验收报告33、各类设备安装工程的隐蔽验收、系统联动、系统调试及系统安装验收记录34、砼楼面板厚度钻孔抽查记录35、工程质量事故报告单36、工程质量整改通知书及工程局部暂停施工通知书37、工程质量复工意见书及工程质量复工通知书38、单位(子单位)工程质量控制资料核查记录(质量保证资料审查记录)39、单位(子单位)工程安全和功能检验资料核查及主要功能抽查记录40、单位(子单位)工程观感质量检查记录(观感质量评定表)41、施工单位工程竣工报告42、监理单位工程竣工质量评价报告43、勘察单位勘察文件及实施情况检查报告44、设计单位设计文件及实施情况检查报告45、建设工程竣工验收报告46、工程竣工验收监督检查通知书47、质量保证资料核查记录48、单位(子单位)工程质量竣工验收记录(工程质量竣工验收意见书)49、重新组织竣工验收通知书50、工程竣工复验意见书51、竣工验收存在问题整改通知书及存在问题整改验收意见书52、工程质量保修53、单位(子单位)工程质量监督报告注:幕墙、钢结构及网架的整套资料存质监站5资料员一本通第一部分开工前资料1、中标书及施工许可证2、施工合同3、委托监理工程的监理合同4、施工图审查批准书及施工图审查报告5、质量监督登记书6、质量监督交底要点及质量监督工作方案7、岩土工程勘察报告8、施工图会审记录9、经监理(或业主)批准所施工组织设计或施工方案10、开工报告11、质量管理体系登记表12、施工现场质量管理检查记录13、技术交底记录14、测量定位记录第二部分质量验收资料1、地基验槽记录2、基桩工程质量验收报告3、地基处理工程质量验收报告4、地基与基础分部工程质量验收报告5、主体结构分部工程质量验收报告6、特殊分部工程质量验收报告7、线路敷设验收报告8、地基与基础分部及所含子分部、分项、检验批质量验收记录9、主体结构分部及所含子分部、分项、检验批质量验收记录10、装饰装修分部及所含子分部、分项、检验批质量验收记录11、屋面分部及所含子分部、分项、检验批质量验收记录12、给水、排水及采暖分部及所含子分部、分项、检验批质量验收记录113、电气分部及所含子分部、分项、检验批质量验收记录14、智能分部及所含子分部、分项、检验批质量验收记录15、通风与空调分部及所含子分部、分项、检验批质量验收记录16、电梯分部及所含子分部、分项、检验批质量验收记录17、单位工程及所含子单位工程质量竣工验收记录18、室外工程的分部(子分部)、分项、检验批质量验收记录第三部分试验资料1、水泥物理性能检验报告2、砂、石检验报告3、各强度等级砼配合比试验报告4、砼试件强度统计表、评定表及试验报告5、各强度等级砂浆配合比试验报告6、砂浆试件强度统计表及试验报告7、砖、石、砌块强度试验报告8、钢材力学、弯曲性能检验报告及钢筋焊接接头拉伸、弯曲检验报告或钢筋机械连接接头检验报告9、预应力筋、钢丝、钢绞线力学性能进场复验报告10、桩基工程试验报告11、钢结构工程试验报告12、幕墙工程试验报告13、防水材料试验报告14、金属及塑料的外门、外窗检测报告(包括材料及三性)15、外墙饰面砖的拉拔强度试验报告16、建(构)筑物防雷装置验收检测报告17、有特殊要求或设计要求的回填土密实度试验报告18、质量验收规范规定的其他试验报告19、地下室防水效果检查记录20、有防水要求的地面蓄水试验记录21、屋面淋水试验记录22、抽气(风)道检查记录23、节能、保温测试记录24、管道、设备强度及严密性试验记录25、系统清洗、灌水、通水、通球试验记录26、照明全负荷试验记录27、大型灯具牢固性试验记录28、电气设备调试记录29、电气工程接地、绝缘电阻测试记录30、制冷、空调、管道的强度及严密性试验记录31、制冷设备试运行调试记录32、通风、空调系统试运行调试记录233、风量、温度测试记录34、电梯设备开箱检验记录35、电梯负荷试验、安全装置检查记录36、电梯接地、绝缘电阻测试记录37、电梯试运行调试记录38、智能建筑工程系统试运行记录39、智能建筑工程系统功能测定及设备调试记录40、单位(子单位)工程安全和功能检验所必须的其他测量、测试、检测、检验、试验、调试、试运行记录第四部分材料、产品、构配件等合格证资料1、水泥出厂合格证(含28天补强报告)2、砖、砌块出厂合格证3、钢筋、预应力、钢丝、钢绞线、套筒出厂合格证4、钢桩、砼预制桩、预应力管桩出厂合格证5、钢结构工程构件及配件、材料出厂合格证6、幕墙工程配件、材料出厂合格证7、防水材料出厂合格证8、金属及塑料门窗出厂合格证9、焊条及焊剂出厂合格证10、预制构件、预拌砼合格证11、给排水与采暖工程材料出厂合格证12、建筑电气工程材料、设备出厂合格证13、通风与空调工程材料、设备出厂合格证14、电梯工程设备出厂合格证15、智能建筑工程材料、设备出厂合格证16、施工要求的其他合格证第五部分施工过程资料1、设计变更、洽商记录2、工程测量、放线记录3、预检、自检、互检、交接检记录4、建(构)筑物沉降观测测量记录5、新材料、新技术、新工艺施工记录6、隐蔽工程验收记录7、施工日志8、砼开盘报告9、砼施工记录10、砼配合比计量抽查记录11、工程质量事故报告单12、工程质量事故及事故原因调查、处理记录13、工程质量整改通知书14、工程局部暂停施工通知书15、工程质量整改情况报告及复工申请316、工程复工通知书第六部分必要时应增补的资料1、勘察、设计、监理、施工(包括分包)单位的资质证明2、建设、勘察、设计、监理、施工(包括分色)单位的变更、更换情况及原因3、勘察、设计、监理单位执业人员的执业资格证明4、施工(包括分包)单位现场管理售货员及各工种技术工人的上岗证明5、经建设单位(业主)同意认可的监理规划或监理实施细则6、见证单位派驻施工现场设计代表委托书或授权书7、设计单位派驻施工现场设计代表委托书或授权书8、其他第七部分竣工资料1、施工单位工程竣工报告2、监理单位工程竣工质量评价报告3、勘察单位勘察文件及实施情况检查报告4、设计单位设计文件及实施情况检查报告5、建设工程质量竣工验收意见书或单位(子单位)工程质量竣工验收记录6、竣工验收存在问题整改通知书7、竣工验收存在问题整改验收意见书8、工程的具备竣工验收条件 __及重新组织竣工验收通知书9、单位(子单位)工程质量控制资料核查记录(质量保证资料审查记录)10、单位(子单位)工程安全和功能检验资料核查及主要功能抽查记录11、单位(子单位)工程观感质量检查记录(观感质量评定表)12、定向销售商品房或职工集资住宅的用户签收意见表13、工程质量保修合同(书)14、建设工程竣工验收报告(由建设单位填写)15、竣工图(包括智能建筑分部)建筑工程质量监督存档资料1、建设工程质量监督登记书2、施工图纸审查批准及建筑工程施工图审查报告3、单位工程质量监督工作方案4、建设工程质量监督交底会议通知书及交底要点5、建设工程质量监督记录6、建设工程质量管理体系登记表7、施工现场质量管理检查记录8、地基、基桩工程质量监督验收检查通知书9、地基验槽记录及基桩工程质量验收报告10、地基、基桩工程质量核查记录11、设计单位出具(或认可)的地基处理措施及地基处理工程质量验收报告12、地基与基础分部工程质量监督验收检查通知书及验收报告13、地基与基础分部工程质量核查记录14、主体结构分部工程质量监督验收检查通知书及验收报告15、主体结构分部工程质量核查记录416、特殊部分工程质量监督验收检查通知书及验收报告17、线路敷设工程质量监督验收检查通知书及验收报告18、钢材力学、弯曲性能检查报告及钢结构焊接接头拉伸、弯曲检验报告19、预应力筋、钢丝、钢绞线力学性能进场复验报告20、水泥物理性能检验报告21、砼试件强度统计表、评定表试验报告22、装配或预制构件结构性能检验合格证及施工接头、拼缝的砼承受施工满载、全部满载时试件强度试验报告23、防水砼、喷射砼抗压、抗渗试验报告及锚杆抗拨力试验报告24、地基处理工程中各类地基和各类复合地基施工完成后的地基强度(承载力)检验结果25、桩基工程基桩试验报告26、砂浆强度统计表及试件试验报告27、砖、石、砌块强度检验报告28、建筑工程材料有害物质及室内环境的检测报告29、防水材料(包括止水带条和接缝密封材料)、保温隔热及密封材料的复验报告30、金属及塑料外门、外窗复验报告(包括材料、风压性、气透性、水渗性)31、外墙饰面砖的拉拔强度试验报告32、各类电梯、自动扶梯、自动人行道安装工程的整机安装验收报告33、各类设备安装工程的隐蔽验收、系统联动、系统调试及系统安装验收记录34、砼楼面板厚度钻孔抽查记录35、工程质量事故报告单36、工程质量整改通知书及工程局部暂停施工通知书37、工程质量复工意见书及工程质量复工通知书38、单位(子单位)工程质量控制资料核查记录(质量保证资料审查记录)39、单位(子单位)工程安全和功能检验资料核查及主要功能抽查记录40、单位(子单位)工程观感质量检查记录(观感质量评定表)41、施工单位工程竣工报告42、监理单位工程竣工质量评价报告43、勘察单位勘察文件及实施情况检查报告44、设计单位设计文件及实施情况检查报告45、建设工程竣工验收报告46、工程竣工验收监督检查通知书47、质量保证资料核查记录48、单位(子单位)工程质量竣工验收记录(工程质量竣工验收意见书)49、重新组织竣工验收通知书50、工程竣工复验意见书51、竣工验收存在问题整改通知书及存在问题整改验收意见书52、工程质量保修合同53、单位(子单位)工程质量监督报告注:幕墙、钢结构及网架的整套资料存质监站5工程资料编号说明建筑工程共分为九个分部工程,分部(子分部)的划分及代号参见下表对于专业化程度高、施工工艺复杂、技术先进的子分部工程应该单独组卷,需单独组卷的子分部工程见下表。
资料员工作流程第一部分开工前资料1、中标通知书及施工许可证2、施工合同3、委托监理工程的监理合同4、施工图审查批准书及施工图审查报告5、质量监督登记书6、质量监督交底要点及质量监督工作方案7、岩土工程勘察报告8、施工图会审记录9、经监理(或业主)批准所施工组织设计或施工方案10、开工报告11、质量管理体系登记表12、施工现场质量管理检查记录13、技术交底记录14、测量定位记录第二部分质量验收资料1、地基验槽记录2、基桩工程质量验收报告3、地基处理工程质量验收报告4、地基与基础分部工程质量验收报告5、主体结构分部工程质量验收报告6、特殊分部工程质量验收报告7、线路敷设验收报告8、地基与基础分部及所含子分部、分项、检验批质量验收记录9、主体结构分部及所含子分部、分项、检验批质量验收记录10、装饰装修分部及所含子分部、分项、检验批质量验收记录11、屋面分部及所含子分部、分项、检验批质量验收记录12、给水、排水及采暖分部及所含子分部、分项、检验批质量验收记录13、电气分部及所含子分部、分项、检验批质量验收记录14、智能分部及所含子分部、分项、检验批质量验收记录15、通风与空调分部及所含子分部、分项、检验批质量验收记录16、电梯分部及所含子分部、分项、检验批质量验收记录17、单位工程及所含子单位工程质量竣工验收记录18、室外工程的分部(子分部)、分项、检验批质量验收记录第三部分试验资料1、水泥物理性能检验报告2、砂、石检验报告3、各强度等级砼配合比试验报告4、砼试件强度统计表、评定表及试验报告5、各强度等级砂浆配合比试验报告6、砂浆试件强度统计表及试验报告7、砖、石、砌块强度试验报告8、钢材力学、弯曲性能检验报告及钢筋焊接接头拉伸、弯曲检验报告或钢筋机械连接接头检验报告9、预应力筋、钢丝、钢绞线力学性能进场复验报告10、桩基工程试验报告11、钢结构工程试验报告12、幕墙工程试验报告13、防水材料试验报告14、金属及塑料的外门、外窗检测报告(包括材料及三性)15、外墙饰面砖的拉拔强度试验报告16、建(构)筑物防雷装置验收检测报告17、有特殊要求或设计要求的回填土密实度试验报告18、质量验收规范规定的其他试验报告19、地下室防水效果检查记录20、有防水要求的地面蓄水试验记录21、屋面淋水试验记录22、抽气(风)道检查记录23、节能、保温测试记录24、管道、设备强度及严密性试验记录25、系统清洗、灌水、通水、通球试验记录26、照明全负荷试验记录27、大型灯具牢固性试验记录28、电气设备调试记录29、电气工程接地、绝缘电阻测试记录30、制冷、空调、管道的强度及严密性试验记录31、制冷设备试运行调试记录32、通风、空调系统试运行调试记录33、风量、温度测试记录34、电梯设备开箱检验记录35、电梯负荷试验、安全装置检查记录36、电梯接地、绝缘电阻测试记录37、电梯试运行调试记录38、智能建筑工程系统试运行记录39、智能建筑工程系统功能测定及设备调试记录40、单位(子单位)工程安全和功能检验所必须的其他测量、测试、检测、检验、试验、调试、试运行记录第四部分材料、产品、构配件等合格证资料1、水泥出厂合格证(含28天补强报告)2、砖、砌块出厂合格证3、钢筋、预应力、钢丝、钢绞线、套筒出厂合格证4、钢桩、砼预制桩、预应力管桩出厂合格证5、钢结构工程构件及配件、材料出厂合格证6、幕墙工程配件、材料出厂合格证7、防水材料出厂合格证8、金属及塑料门窗出厂合格证9、焊条及焊剂出厂合格证10、预制构件、预拌砼合格证11、给排水与采暖工程材料出厂合格证12、建筑电气工程材料、设备出厂合格证13、通风与空调工程材料、设备出厂合格证14、电梯工程设备出厂合格证15、智能建筑工程材料、设备出厂合格证16、施工要求的其他合格证第五部分施工过程资料1、设计变更、洽商记录2、工程测量、放线记录3、预检、自检、互检、交接检记录4、建(构)筑物沉降观测测量记录5、新材料、新技术、新工艺施工记录6、隐蔽工程验收记录7、施工日志8、砼开盘报告9、砼施工记录10、砼配合比计量抽查记录11、工程质量事故报告单12、工程质量事故及事故原因调查、处理记录13、工程质量整改通知书14、工程局部暂停施工通知书15、工程质量整改情况报告及复工申请16、工程复工通知书第六部分必要时应增补的资料1、勘察、设计、监理、施工(包括分包)单位的资质证明2、建设、勘察、设计、监理、施工(包括分色)单位的变更、更换情况及原因3、勘察、设计、监理单位执业人员的执业资格证明4、施工(包括分包)单位现场管理售货员及各工种技术工人的上岗证明5、经建设单位(业主)同意认可的监理规划或监理实施细则6、见证单位派驻施工现场设计代表委托书或授权书7、设计单位派驻施工现场设计代表委托书或授权书8、其他第七部分竣工资料1、施工单位工程竣工报告2、监理单位工程竣工质量评价报告3、勘察单位勘察文件及实施情况检查报告4、设计单位设计文件及实施情况检查报告5、建设工程质量竣工验收意见书或单位(子单位)工程质量竣工验收记录6、竣工验收存在问题整改通知书7、竣工验收存在问题整改验收意见书8、工程的具备竣工验收条件的通知及重新组织竣工验收通知书9、单位(子单位)工程质量控制资料核查记录(质量保证资料审查记录)10、单位(子单位)工程安全和功能检验资料核查及主要功能抽查记录11、单位(子单位)工程观感质量检查记录(观感质量评定表)12、定向销售商品房或职工集资住宅的用户签收意见表13、工程质量保修合同(书)14、建设工程竣工验收报告(由建设单位填写)15、竣工图(包括智能建筑分部)建筑工程质量监督存档资料1、建设工程质量监督登记书2、施工图纸审查批准及建筑工程施工图审查报告3、单位工程质量监督工作方案4、建设工程质量监督交底会议通知书及交底要点5、建设工程质量监督记录6、建设工程质量管理体系登记表7、施工现场质量管理检查记录8、地基、基桩工程质量监督验收检查通知书9、地基验槽记录及基桩工程质量验收报告10、地基、基桩工程质量核查记录11、设计单位出具(或认可)的地基处理措施及地基处理工程质量验收报告12、地基与基础分部工程质量监督验收检查通知书及验收报告13、地基与基础分部工程质量核查记录14、主体结构分部工程质量监督验收检查通知书及验收报告15、主体结构分部工程质量核查记录16、特殊部分工程质量监督验收检查通知书及验收报告17、线路敷设工程质量监督验收检查通知书及验收报告18、钢材力学、弯曲性能检查报告及钢结构焊接接头拉伸、弯曲检验报告19、预应力筋、钢丝、钢绞线力学性能进场复验报告20、水泥物理性能检验报告21、砼试件强度统计表、评定表试验报告22、装配或预制构件结构性能检验合格证及施工接头、拼缝的砼承受施工满载、全部满载时试件强度试验报告23、防水砼、喷射砼抗压、抗渗试验报告及锚杆抗拨力试验报告24、地基处理工程中各类地基和各类复合地基施工完成后的地基强度(承载力)检验结果25、桩基工程基桩试验报告26、砂浆强度统计表及试件试验报告27、砖、石、砌块强度检验报告28、建筑工程材料有害物质及室内环境的检测报告29、防水材料(包括止水带条和接缝密封材料)、保温隔热及密封材料的复验报告30、金属及塑料外门、外窗复验报告(包括材料、风压性、气透性、水渗性)31、外墙饰面砖的拉拔强度试验报告32、各类电梯、自动扶梯、自动人行道安装工程的整机安装验收报告33、各类设备安装工程的隐蔽验收、系统联动、系统调试及系统安装验收记录34、砼楼面板厚度钻孔抽查记录35、工程质量事故报告单36、工程质量整改通知书及工程局部暂停施工通知书37、工程质量复工意见书及工程质量复工通知书38、单位(子单位)工程质量控制资料核查记录(质量保证资料审查记录)39、单位(子单位)工程安全和功能检验资料核查及主要功能抽查记录40、单位(子单位)工程观感质量检查记录(观感质量评定表)41、施工单位工程竣工报告42、监理单位工程竣工质量评价报告43、勘察单位勘察文件及实施情况检查报告44、设计单位设计文件及实施情况检查报告45、建设工程竣工验收报告46、工程竣工验收监督检查通知书47、质量保证资料核查记录48、单位(子单位)工程质量竣工验收记录(工程质量竣工验收意见书)49、重新组织竣工验收通知书50、工程竣工复验意见书51、竣工验收存在问题整改通知书及存在问题整改验收意见书52、工程质量保修合同53、单位(子单位)工程质量监督报告注:幕墙、钢结构及网架的整套资料存质监站建筑工程文件管理规程(施工分册)1 总则1.0.1为提高城乡建设工程质量,提高施工过程控制,完善工程技术资料,统一全省建设工程档案的验收标准,依据现行国家、行业、地方标准,结合我省情况制定本规程。
精品文档资料员一本通[编制人:罗成]XXXXXX 工程有限公司xxxxxxxxxxxxx 项目部资料员岗位职责:一.在项目上负责工程项目资料、图纸等档案的收集、管理。
1. 负责工程项目的所有图纸的接收、清点、登记、发放、归档、管理工作2. 收集整理施工过程中所有技术变更、洽商记录、会议纪要等资料并归档。
二.参加分部分项工程的验收工作 1. 负责备案资料的填写、会签、整理、报送、归档;2. 监督检查施工单位施工资料的编制、管理,做到完整、及时,与工程进度同步;3. 按时向公司档案室移交;4. 负责向市城建档案馆的档案移交工作;5. 指导工程技术人员对施工技术资料(包括设备进场开箱资料)的保管三.负责计划、统计的管理工作 1. 负责对施工部位、产值完成情况的汇总、申报,按月编制施工统计报表;2. 负责与项目有关的各类合同的档案管理四.负责工程项目的内业管理工作 1. 协助项目经理做好对外协调、接待工作;2. 负责工程项目的内业管理工作五.完成工程部经理交办的其他任务一、开工前应准备的资料资料程序需要用到的表格1开工报告。
开工之前需要做一个开工报告,开工报告有一个表头+证明文件。
表头工程开工/复工报审表附件:1 施工组织设计(方案)审批记录附件:2 单位工程开工报告2 编制施工组织设计(施工方案),就是把投标书上内容稍微改动,就变成了施工组织设计。
施组就是一个项目整体的施工指导、实施的方案。
如果一个项目是由许多单位工程组成的,如一个小区工程,它可能有别墅、小高层、高层、会所、幼儿园、游泳池等等,通常他们是需要编制专项施工方案的。
项目的施组就好比宏观指导方案,而专项施工方案则是具体的、详尽的、能够知道施工的方案。
开工后,尤其是涉及到深基坑施工、桩基施工等均需要编制专项施工方案。
表头施工组织设计(方案)报审表附件:1 施工组织设计(方案)3 图纸会审,准备图纸会审。
图纸会审的目的是为了把图纸上的问题找出来,在施工之前解决点这些问题,方便施工。
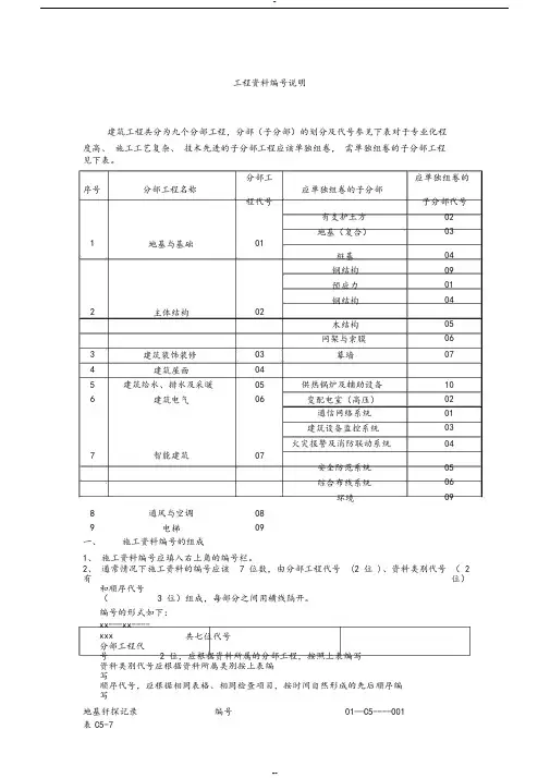
工程资料编号说明
建筑工程共分为九个分部工程,分部(子分部)的划分及代号参见下表对于专业化程度高、施工工艺复杂、技术先进的子分部工程应该单独组卷,需单独组卷的子分部工程见下
一、施工资料编号的组成
1、施工资料编号应填入右上角的编号栏。
2、通常情况下施工资料的编号应该有7位数,由分部工程代号(2位)、资料类别代号(2位)
和顺序代号(3位)组成,每部分之间用横线隔开。
编号的形式如下:
xx---xx----xxx 共七位代号
分部工程代号2位,应根据资料所属的分部工程,按照上表编写
资料类别代号应根据资料所属类别按上表编写
工程资料分类表表1-3
注:本表的归档保存单位是指竣工后有关单位对工程资料的归档保存,施工过程中资料的留存应按相关的约定及有关程序执行。
应单独组卷的子分部工程,资料的编号应为9位数,由分部工程2位数、子分部工程2位数、资料类别代号2位数和顺序号3位数组成,中间用横线隔开。
1、对于施工专用表格来说,顺序号应按时间先后顺序,用阿拉伯数字从001开始连续标注。
2、对于同一施工表格(如隐蔽工程检查记录、预检记录等)涉及多个(子)分部工程的各检查项目分别从001开始连续标注。
举例如下:
求按照上述说明。
监理资料编号:
1、监理资料编号应填入右上角的编号栏。
2、对于相同的表格或者是相同的文件材料,应分别按时间自然形成先后顺序从001开始连续编写。
3、监理资料中的施工测量放线报审表、工程材料/构配件/设备报审表应根据报验项目编号,对于相同的报验项目,应分别按照时间自然形成的先后顺序从001开始连续编写。
土建工程资料管理。
公路资料员一本通公路资料全套通村油路大方县通村水泥路竣工资料编制要求大方县通村水泥路竣工资料编制要求一、项目执行情况报告(含施工总结的内容)(具体参照公路工程参加单位工作总结报告)(一)项目执行情况报告要求:1、概况(1)、建设依据(2)、建设规模及主要技术指标(3)、工程进度(4)、项目投资及来源(5)、主要工程数量(6)、施工、技术监督等单位一览表。
2(1)(2 ②、质量控制措施与效果③、安全生产(包括发生重大及以上生产安全事故及处理情况)④、进度管理⑤、工程变更⑥、工程造价控制(包括工程决算、工程款支付)大方县通村水泥路竣工资料编制要求⑦、廉政建设(包括措施建设和执行,有无人员违法、违纪,以及因不廉政被处分或被起诉)⑧、其它情况3、交工验收及相关问题(1)、各项目交工验收、存在主要问题及处理情况(2)出现的质量问题处理结果(3)4、科研和新技术应用5、对各参与单位的总体评价(1)、对设计单位的评价(2)67 1合同段工程起止时间、主要工程内容。
2、机构组成主要人员、设备投入情况、管理机构设置。
3、质量管理情况质量控制措施;施工中工程质量自检情况及工程质量问题的处理大方县通村水泥路竣工资料编制要求情况;对完工质量的评价。
4、施工进度控制5、施工安全与文明施工情况6、环境保护与节约用地措施7、施工中新技术、新材料、新工艺的应用情况8、工程款支付情况承认工程款全部支付到位,一切劳务、建设单位无关。
9、施工体会二、施工组织设计包含以下内容:(一)(二)(三)1(1 (3、工程项目施工方案、施工方法(附施工工艺流程图)要求:主要分项工程包括路基土石方工程(路基土方开挖、石方开挖、石方填筑)、砌筑防护工程(浆砌片石护肩、挡土墙)、涵洞工程、排水工程(浆砌片石边沟)、路面工程(C25混凝土路肩、填隙碎石底基层、C30混凝土面层)。
(4)、冬季、雨季的施工安排大方县通村水泥路竣工资料编制要求(5)、工程质量、安全生产、进度保证措施(6)、文明施工及环境保护的具体措施(7)、施工平面布置图(8)、施工总体计划表(横道图)(四)、工程开工申请批复单(A-2表)三、分项工程检验主要事项挖运土方、炸运石方、碾压填方、浆砌片石护肩、C25混凝土路肩、填隙碎石底基层、C30划分为一个单元,路基工程〈一〉1(A-17表)、《分项工)、《路堑施工原始记录》(D-15表)、表)《检验申请批复令》(A-17表)、《分项工(表4.3.2)、《路堑施工原始记录》(D-15表)、《中间交工证书》(A-8表)3、碾压填方报检表格:《检验申请批复令》(A-17表)、《分项工程质量检验评定表》(表4.3.2)、《路堤施工原始记录》(D-13表)、《路基填方分层压实资料汇总表》(D-9表)、《中间交工证书》(A-8表)大方县通村水泥路竣工资料编制要求〈二〉、防护工程1、浆砌片石挡土墙基坑报检表格:《检验申请批复令》(A-17表)、《圬工砌体基础基底检查证》(D-1表)、附基坑照片一张基础报检表格:《检验申请批复令》(A-17表)、《圬工砌体施工原始记录》(D-12表)、、《中间交工证书》(A-8表)墙身报检表格:《检验申请批复令》(A-17原始记录》(D-12表)、《中间交工证书》(评定表格:)2、浆砌片石护肩基坑报检表格:A-17表)、《圬工砌体基础基底检查证》(D-1(A-17表)、《圬工砌体施工(A-8表)(表6.10.2-1)1基坑报检表格:《检验申请批复令》(A-17表)、《圬工砌体基础基底检查证》(D-1表)墙身报检表格:《检验申请批复令》(A-17表)、《圬工砌体施工原始记录》(D-12表)、《中间交工证书》(A-8表)评定表格:《分项工程质量检验评定表》(表 5.6.2)大方县通村水泥路竣工资料编制要求〈四〉涵洞工程1、钢筋混凝土盖板涵①、基坑报检表格:《检验申请批复令》(A-17表)、《圬工砌体基础基底检查证》(D-1表),附基坑照片一张②、基础报检表格:《检验申请批复令》(A-17表)、《圬工砌体施工原始记录》(D-12表)、《、《中间交工证书》(A-8表)③、涵台报检表格:《检验申请批复令》(施工原始记录》(D-12表)、9.3.2)④、钢筋安装报检表格:A-17表)、《钢筋工程中间检查报告表》(D—5(A-8表)、附照片一张(A-17表)、《混凝土构件(产品)D—表)、《混凝土施工记录》(D—20表)、(、《分项工程质量检验评定表》(表9.6.2)《检验申请批复令》(A-17表)、《分项(表9.7.2)《检验申请批复令》(A-17表)、《圬工砌体施工原始记录》(D-12表)、《分项工程质量检验评定表》(表9.11.2)⑧、涵洞总体报检表格:《检验申请批复令》(A-17表)、《中间交工证书》(A-8表)、《分项工程质量检验评定表》(表9.2.2)2、钢筋混凝土圆管涵大方县通村水泥路竣工资料编制要求①、基坑报检表格:《检验申请批复令》(A-17表)、《圬工砌体基础基底检查证》(D-1表),附基坑照片一张②、管座及涵管安装报检表格:《检验申请批复令》(A-17表)、《混凝土施工记录》(D—20表)、《分项工程质量检验评定表》(表9.5.2)、《中间交工证书》(A-8表)③、一字墙和八字墙报检表格:《检验申请批复令》、《圬工砌体施工原始记录》(D-12表)、(表9.11.2)④、涵洞总体报检表格:、《中间交工证书》(A-8表)、9.2.2)路面工程〈一〉、C25报检表格:《表)、《混凝土施工记录》(D-20表)、(表6.10.2-1)《检验申请批复令》(A-17表)、《固体体积率检测表》(D—8表)、《路面基层施工原始记录》(D—16表)、《分项工程质量检验评定表》(表7.13.2)、《中间交工证书》(A-8表)〈三〉、水泥混凝土面层1、报检表格:《检验申请批复令》(A-17表)、《混凝土施工记录》(D—20表)、《水泥路面施工原始记录》(D—18表)、《分项工程质量检验评定表》(表7.2.2)、《中间交工证书》(A-8表)大方县通村水泥路竣工资料编制要求交通安全设施〈一〉、钢筋混凝土护栏1、报检表格:《检验申请批复令》(A-17表)、《混凝土施工记录》(D—20表)、《分项工程质量检验评定表》(表11.5.2)、《中间交工证书》(A-8表)〈二〉、波形梁护栏2、报检表格:《检验申请批复令》(A-17表)、验评定表》(表11.4.2)、(表11.2.2)、《中间交工证书》(〈三〉、交通标志3、报检表格:(验评定表》表)(A-14表)、《工地会议纪要》(A-7表(A-16表)、《工程变更令》(A-6表)《工程竣工决算表》九、工程交工《工程交工证书》(A-12表)十、缺陷责任期《工程缺陷责任期终止书》(A-13表)注:1、质量检验评定标准严格按照《公路工程质量检验评定标准(JTG F80-1-2004)》规定执行大方县通村水泥路竣工资料编制要求一般建设项目的工程划分表资料员一点通规范学习内容GB50202-2002 《建筑地基基础工程施工质量验收规范》1、灰土地基、砂和砂石地基、土工合成材料地基、粉煤灰地基、强夯地基、注浆地基、预压地基,对地基强度或承载力进行检验,每单位工程不应少于3点,1000m2以上工程,每100m2至少应有1点,3000m2以上工程,每300 m2至少应有1点,每个独立基础下至少应有1点,基槽每20延长米应有1点。
资料员一本通各位读友大家好,此文档由网络收集而来,欢迎您下载,谢谢资料员一本通(免费下载)工程资料编号说明建筑工程共分为九个分部工程,分部的划分及代号参见下表对于专业化程度高、施工工艺复杂、技术先进的子分部工程应该单独组卷,需单独组卷的子分部工程见下表。
一、施工资料编号的组成1、2、施工资料编号应填入右上角的编号栏。
通常情况下施工资料的编号应该有7位数,由分部工程代号(2位)、资料类别代号和顺序代号组成,每部分之间用横线隔开。
例:编号的形式如下:xx---xx----xxx共七位代号分部工程代号2位,应根据资料所属的分部工程,按照上表编写资料类别代号应根据资料所属类别按上表编写顺序代号,应根据相同表格、相同检查项目,按时间自然形成的先后顺序编写工程资料分类表表1-3注:本表的归档保存单位是指竣工后有关单位对工程资料的归档保存,施工过程中资料的留存应按相关的约定及有关程序执行。
应单独组卷的子分部工程,资料的编号应为9位数,由分部工程2位数、子分部工程2位数、资料类别代号2位数和顺序号3位数组成,中间用横线隔开。
顺序号填写原则:1、对于施工专用表格来说,顺序号应按时间先后顺序,用阿拉伯数字从001开始连续标注。
2、对于同一施工表格。
举例如下:表C5-1隐蔽工程检查记录编号:03—C5---001表C5-1隐蔽工程检查记录编号:03—C5---001 无统一表格或外部提供的施工资料,应根据表1-3,在资料的右上角注明编写,填写要求按照上述说明。
监理资料编号:1、监理资料编号应填入右上角的编号栏。
2、对于相同的表格或者是相同的文件材料,应分别按时间自然形成先后顺序从001开始连续编写。
3、监理资料中的施工测量放线报审表、工程材料/构配件/设备报审表应根据报验项目编号,对于相同的报验项目,应分别按照时间自然形成的先后顺序从001开始连续编写。
土建工程资料管理技术交底记录填写说明建筑资料员一本通(通俗易懂版)工程资料编号说明建筑工程共分为九个分部工程,分部的划分及代号参见下表对于专业化程度高、施工工艺复杂、技术先进的子分部工程应该单独组卷,需单1、施工资料编号应填入右上角的编号栏。
工程资料编号说明建筑工程共分为九个分部工程,分部(子分部)的划分及代号参见下表对于专业化程度高、施工工艺复杂、技术先进的子分部工程应该单独组卷,需单独组卷的子分部工程见下表。
一、施工资料编号的组成1、施工资料编号应填入右上角的编号栏。
2、通常情况下施工资料的编号应该有7位数,由分部工程代号(2位)、资料类别代号(2位)和顺序代号(3位)组成,每部分之间用横线隔开。
例:编号的形式如下:xx---xx----xxx 共七位代号分部工程代号2位,应根据资料所属的分部工程,按照上表编写资料类别代号应根据资料所属类别按上表编写顺序代号,应根据相同表格、相同检查项目,按时间自然形成的先后顺序编写工程资料分类表表1-3注:本表的归档保存单位是指竣工后有关单位对工程资料的归档保存,施工过程中资料的留存应按相关的约定及有关程序执行。
应单独组卷的子分部工程,资料的编号应为9位数,由分部工程2位数、子分部工程2位数、资料类别代号2位数和顺序号3位数组成,中间用横线隔开。
顺序号填写原则:1、对于施工专用表格来说,顺序号应按时间先后顺序,用阿拉伯数字从001开始连续标注。
2、对于同一施工表格(如隐蔽工程检查记录、预检记录等)。
举例如下:表C5-1 隐蔽工程检查记录编号:03—C5---001表C5-1 隐蔽工程检查记录编号:03—C5---001无统一表格或外部提供的施工资料,应根据表1-3,在资料的右上角注明编写,填写要求按照上述说明。
监理资料编号:1、监理资料编号应填入右上角的编号栏。
2、对于相同的表格或者是相同的文件材料,应分别按时间自然形成先后顺序从001开始连续编写。
3、监理资料中的施工测量放线报审表、工程材料/构配件/设备报审表应根据报验项目编号,对于相同的报验项目,应分别按照时间自然形成的先后顺序从001开始连续编写。
土建工程资料管理技术交底记录填写说明。
工程资料编号说明建筑工程共分为九个分部工程,分部(子分部)的划分及代号参见下表对于专业化程度高、施工工艺复杂、技术先进的子分部工程应该单独组卷,需单独组卷的子分部工程见下表。
序号分部工程名称分部工应单独组卷的子分部应单独组卷的程代号子分部代号有支护土方021 地基与基础01地基(复合)03桩基04钢结构09预应力01 2 主体结构02钢结构04木结构05网架与索膜063 建筑装饰装修03 幕墙074 建筑屋面045 建筑给水、排水及采暖05 供热锅炉及辅助设备106 建筑电气06 变配电室(高压)02通信网络系统01建筑设备监控系统03 7 智能建筑07火灾报警及消防联动系统04安全防范系统05综合布线系统06环境098 通风与空调089 电梯09一、施工资料编号的组成1、施工资料编号应填入右上角的编号栏。
2、通常情况下施工资料的编号应该有7 位数,由分部工程代号 (2 位 )、资料类别代号( 2位)和顺序代号( 3 位)组成,每部分之间用横线隔开。
编号的形式如下:xx---xx----xxx 共七位代号分部工程代号 2 位,应根据资料所属的分部工程,按照上表编写资料类别代号应根据资料所属类别按上表编写顺序代号,应根据相同表格、相同检查项目,按时间自然形成的先后顺序编写地基钎探记录编号01—C5----001 表C5-7工程资料分类表表1-3归档保存单位类别表格标号施监建城建工程资料名称工理设编号(资料来源)档单单单案馆位位位A 类基建文件A1决策立项文件AA1-1 项目建议书建设单位●●A1-2 项目建议书的批复文件建设主管部门●●A1-3 可行性研究报告工程咨询单位●●A1-4 可行性报告的批复文件有关主管部门●●A1-5 关于立项的会议纪要、领导批示组织单位●●A1-6 专家对项目的有关建议文件建设单位●●A1-7 项目评估研究资料建设单位●●A2建设用地、征地、拆迁文件A2-1 征占用地的批准文件及对使用国有土地的政府有关部门●●批准意见A2-2 规划意见书及附图规划部门●●A2-3 建设用地规划许可证、许可证附件及附图规划部门●●●A2-4国有土地使用证国有土地管理●●部门A3勘查、测绘、设计文件A3-1 工程地质勘察报告勘查单位●●●●A3-2 水文地质勘察报告勘查单位●●●●A3-3 建筑用地钉桩通知单规划部门●●●●A3-4 验线通知单规划部门●●●●A3-5 规划设计条件通知书及附图规划部门●●A3-6 审定设计方案通知书及附图规划部门●●审定设计方案通知书要求,征求有关人防、●●A3-7 环保、消防、交通、园林、市政、文物、有关部门通讯、保密、河湖、教育等部门的审查意见和要求取得的有关协议A3-8 初步设计图及说明设计单位●A3-9 施工图设计及说明设计单位●●A3-10 设计计算书设计单位●A3-11 消防设计审核意见消防局●●●施工图设计文件审查通知书及施工图审查●●●A3-12报告A4工程招投标及承包合同文件A4-1 勘查招投标文件建设、勘查单位●A4-2 设计招投标文件建设、设计单位●A4-3 施工招投标文件建设、施工单位●●●A4-4 监理招投标文件建设、监理单位●●A4-5 勘察合同建设、勘查单位●A4-6 设计合同建设、设计单位●A4-7 施工合同建设、施工单位●●●A4-8 监理合同建设、监理单位●●A5工程开工文件A5-1 年度施工任务批准文件建设主管部门●●A5-2 修改工程施工图通知书规划部门●●A5-3 建设工程规划许可证、附件及附图规划部门●●●●A5-4 建设工程施工许可证规划部门●●●●A5-5 工程质量监督手续质量监督机构●●●●A6商务文件A6-1工程投资估算文件工程造价咨询●单位A6-2工程设计概算工程造价咨询●单位A6-3施工图预算工程造价咨询●●●单位A6-4 施工预算施工单位●●●A6-5 工程结(决)算合同双方●●●A6-6 交付使用固定资产清单建设单位●●A6-7 建设工程概况●●A7工程竣工验收及备案文件A7-1 建设工程竣工验收备案表建设单位●●●●A7-2 工程竣工验收报告建设单位●●●●A7-3 由规划、公安消防、人防、环保等部门出主管部门●●●●具的认可文件或准许使用文件A7-4《房屋建筑工程质量保修书》建设与施工单●●●位A7-5 《住宅质量保证书》《住宅使用说明书》建设单位●A7-6 建设工程规划验收合格证规划部门●●●●A7-7 建设工程竣工档案预验收意见城建档案馆●●A8其他文件A8-1 合同约定的由建设单位采购的材料、构配建设单位●●●件和设备的质量证明文件及进场报验文件A8-2 工程竣工总结建设单位●●A8-3 工程为开工前的原貌、竣工新貌照片建设单位●●A8-4 工程开工、施工、竣工的录音录像资料建设单位●●B 类监理资料B1 B2B4 C类C0 监理管理资料监理规划、监理实施细则监理单位●●●监理月报监理单位●●监理会议纪要监理单位●●●监理工作日志监理单位●监理工作总结(专题、阶段和竣工总结)监理单位●●●监理工作记录施工组织设计(方案)报审表A2 表●●●施工测量放线报验申请表A4 表●●●施工进度计划报验申请表A4 表●●●工程材料 /构配件 /设备报审表A9 表●●●工程开工报审表A1 表●●●分包单位资格报审表A3 表●●●分项 /分部工程报验申请表A4 表●●工程复工报审表A1 表●●●工程变更费用报审表●●●费用索赔申请表A8 表●●●工程款支付申请表A5 表●●工程临时延期申请表A7 表●●●监理工程师通知回复单A6 表●●监理工程师通知单B1 表●●不合格项处置记录●●●工程暂停令B2 表●●●工程临时延期审批表B4 表●●●工程最终延期审批表B5 表●●●费用索赔审批表B6 表●●●工程款支付证书B3 表●●●旁站监理记录●●●质量事故报告及处理资料责任单位●●●●见证取样备案文件监理单位●●●竣工验收资料工程竣工报验单A10 表●●●竣工移交证书●●●●工程质量评估报告监理单位●●●●其他资料监理工作联系单C1 表●●●工程变更单C2 表●●施工资料工程管理与验收资料工程概况表表 C0-1 ●●建设工程质量事故调(勘)查笔录表 C0-2 ●●●●建设工程质量事故报告书表 C0-3 ●●●●单位(子单位)工程质量竣工验收记录●●●●C0 C1 C2 C3C4 单位(子单位)工程质量控制资料核查记●●●录单位(子单位)工程安全和功能检查资料●●●核查及主要功能抽查记录单位(子单位)工程观感质量检查记录●●室内环境监测报告检测单位提供●●施工总结施工单位编制●●●工程竣工报告施工单位编制●●●●施工管理资料施工现场质量管理检查记录表 C1-1 ●●企业资质证书及相关专业人员岗位证书施工单位提供●见证记录监理单位提供●●施工日志表 C1-2 ●施工技术资料施工组织设计及施工方案施工单位编制●技术交底记录表 C2-1 ●图纸会审记录表 C2-2 ●●●●设计变更通知单表 C2-3 ●●●●工程洽商记录表 C2-4 ●●●●施工测量记录工程定位测量记录表 C3-1 ●●●●基槽验线记录表 C3-2 ●●●楼层平面放线记录表 C3-3 ●楼层标高抄测记录表 C3-4 ●建筑物垂直度、标高测量记录表 C3-5 ●●沉降观测记录测量单位提供●●●●施工物资资料通用表格材料、构配件进场检验记录表 C4-1 ●材料试验报告(通用)表 C4-2 ●●设备开箱检验记录(机电通用)表 C4-3 ●设备及管道附件试验记录(机电通用)表 C4-4 ●●建筑与结构工程出厂质量证明文件各种物资出厂合格证、质量保证书和商检供应单位提供●●证等半成品钢筋出厂合格证表 C4-5 ●●预制混凝土构件出厂合格证表 C4-6 ●●钢构件出厂合格证表 C4-7 ●●预拌混凝土出厂合格证表 C4-8 ●●●检测报告钢材性能检测报告供应单位提供●●●水泥性能检测报告供应单位提供●●外加剂性能检测报告供应单位提供●●防水材料性能检测报告供应单位提供●●砖(砌块)性能检测报告供应单位提供●●门、窗性能检测报告(建筑外窗应有三性供应单位提供●●检测报告)吊顶饰面材料性能检测报告供应单位提供●●饰面板材性能检测报告供应单位提供●●饰面石材性能检测报告供应单位提供●●饰面砖性能检测报告供应单位提供●●涂料性能检测报告供应单位提供●●玻璃性能检测报告(安全玻璃应有安全性供应单位提供●●能检测报告)壁纸、墙布防火、阻燃性能检测报告供应单位提供●●装修用粘结剂性能检测报告供应单位提供●●防火涂料性能检测报告供应单位提供●●隔声 /隔热 / 阻燃 /防潮材料特殊性能检测报供应单位提供●●告钢结构用焊接材料检测报告供应单位提供●●高强度大六角头螺栓连接副扭矩系数检测供应单位提供●●报告扭剪型高强螺栓连接副预拉力检测报告供应单位提供●●C4木结构材料检测报告(含水率、木构件、供应单位提供●●钢件)幕墙性能检测报告(三性试验)供应单位提供●●●幕墙用硅酮结构胶检测报告供应单位提供●●●幕墙用玻璃性能检测报告供应单位提供●●幕墙用石材性能检测报告供应单位提供●●●幕墙用金属板性能检测报告供应单位提供●●材料污染物含量检测报告(执行供应单位提供●●GB50325---2001 )复试报告钢材试验报告表 C4-9 ●●●水泥试验报告表 C4-10 ●●●砂试验报告表 C4-11 ●●●碎(卵)石试验报告表 C4-12 ●●●外加剂试验报告表 C4-13 ●●●掺合料试验报告表 C4-14 ●●防水涂料试验报告表 C4-15 ●●防水卷材试验报告表 C4-16 ●●砖(砌块)试验报告表 C4-17 ●●●轻集料试验报告表 C4-18 ●●预应力筋复试报告检测单位提供●●●预应力锚具、夹具和连接器复试报告检测单位提供●●装饰装修用门窗复试报告检测单位提供装饰装修用人造地板复试报告检测单位提供装饰装修用花岗石复试报告检测单位提供装饰装修用安全玻璃复试报告检测单位提供装饰装修用外墙面砖复试报告检测单位提供钢结构金相试验报告检测单位提供钢结构用钢材复试报告检测单位提供钢结构用焊接材料复试报告检测单位提供钢结构用高强度大六角头螺栓连接副复试检测单位提供报告钢结构用扭剪型高强螺栓连接副复试报告检测单位提供木结构材料复试报告检测单位提供幕墙用铝塑板复试报告检测单位提供幕墙用石材复试报告检测单位提供幕墙用安全玻璃复试报告检测单位提供幕墙用结构胶复试报告检测单位提供建筑给水、排水及采暖工程管材的产品质量证明文件供应单位提供主要材料、设备的产品质量合格证及检测供应单位提供报告绝热材料的产品合格证及检测报告供应单位提供C4给水管道材料卫生检测报告供应单位提供成品补偿器预拉伸证明书供应单位提供卫生洁具环保检测报告供应单位提供锅炉(承压设备)焊缝无损探伤检测报告供应单位提供水表、热量表的计量检定证书供应单位提供安全阀、减压阀的调试报告及定压合格证由供应单位及书检测单位提供主要设备及器具安装使用说明书供应单位提供建筑电气工程低压成套配电柜、动力、照明配电箱(盘供应单位提供柜)出厂合格证、生产许可证、试验记录、CCC 认证及证书复印件电力变压器、柴油发电机组、高压成套配供应单位提供电柜、蓄电池柜、不间断电源柜、控制柜(屏、台)出厂合格证、生产许可证及试验记录发电机、电加热器、电动执行机构和低压供应单位提供开关设备合格证、生产许可证、CCC 认证及证书复印件照明灯具、开关、插座、风扇及附件出厂供应单位提供合格证、 CCC 认证及证书复印件导管、电缆桥架和线槽出厂合格证供应单位提供●●●●●●●●●●●●●●●●●●●●●●●●●●●●●●●●●●●●●●●●●●●●●●●●●●●●●●●●●●●●●●●●●C4 C5 电线、电缆出厂合格证、生产许可证、 CCC 供应单位提供●●认证及证书复印件型钢及电焊条合格证及材质证明书供应单位提供●●镀锌制品(支架、横担、接地极、避雷用供应单位提供●●型钢等)和外线金具合格证和镀锌质量证明书封闭母线、插接母线合格证、安装技术文供应单位提供●●件、 CCC 认证及证书复印件裸母线、裸导线、电缆头部件及接线端子、供应单位提供●●钢制灯柱、混凝土电秆和其他混凝土制品合格证主要设备安装技术文件供应单位提供●●智能建筑系统工程(执行现行标准规范)专业施工单位●●提供通风与空调工程制冷机组等主要设备和部件的产品合格证供应单位提供●●及质量证明文件阀门、疏水器、水箱、分集水器、减震器、供应单位提供●●储冷罐、集气罐、仪表、绝热材料等的出厂合格证、质量证明文件及检测报告板材、管材等质量证明文件供应单位提供●●主要设备安装使用说明书供应单位提供●●电梯工程●●电梯设备开箱检验记录表 C4-19 ●●电梯主要设备、材料及附件出厂合格证、供应单位提供●●产品说明书、安装技术文件施工记录通用表格隐蔽工程检查记录表 C5-1 ●●●预检记录表 C5-2 ●施工检查记录(通用)表 C5-3 ●交接检查记录表 C5-4 ●●建筑与结构工程基坑支护变形监测记录专业施工单位●桩(地)基施工记录专业施工单位●●●地基验槽检查记录表 C5-5 ●●●地基处理记录表 C5-6 ●●●地基钎探记录(附图)表 C5-7 ●●●混凝土浇筑申请书表 C5-8 ●●预拌混凝土运输单表 C5-9 ●混凝土开盘鉴定表 C5-10 ●混凝土拆模申请表表 C5-11 ●混凝土搅拌测温记录表表 C5-12 ●混凝土养护测温记录表(附图)表 C5-13 ●大体积混凝土养护测温记录报表(附图)表 C5-1414 ●构件吊装记录表 C5-15 ●焊接材料烘焙记录表 C5-16 ●地下工程防水效果检查记录表 C5-17 ●●防水工程试水检查记录表 C5-18 ●●通风(烟)道、垃圾道检查记录表 C5-19 ●预应力筋张拉记录(一)表 C5-20 ●●●预应力筋张拉记录(二)表 C5-21 ●●●有粘结预应力结构灌浆记录表 C5-22 ●●●钢结构施工记录专业施工单位●●提供网架(索膜)施工记录专业施工单位●●提供木结构施工记录专业施工单位●●提供幕墙注胶检查记录专业施工单位●●C5 提供电梯工程电梯承重梁、起重吊环埋设隐蔽工程检查表 C5-23 ●●●记录电梯钢丝绳头灌注隐蔽工程检查记录表 C5-24 ●●●电梯导轨、层门的支架、螺栓埋设隐蔽工表 C5-25 ●●●程检查记录电梯电气装置安装检查记录(一)、(二)、表 C5-26 ●●(三)电梯机房、井道预检记录表 C5-27 ●●自动扶梯、自动人行道安装与土建交接预表 C5-28 ●●检记录自动扶梯、自动人行道的相邻区域检查记表 C5-29 ●●录自动扶梯、自动人行道电气装置检查记录表 C5-30 ●●(一)、(二)自动扶梯、自动人行道整机安装质量检查表 C5-31 ●●记录施工试验记录通用表格施工试验记录(通用)表 C6-1 ●●设备单机试运转记录(机电通用)表 C6-2 ●●●C6表 C6-3 ●●●系统试运转调试记录(机电通用)建筑与结构工程锚杆、土钉锁定力(抗拔力)试验报告检测单位提供●●地基承载力检测报告检测单位提供●●●桩检测报告检测单位提供●●●土工击实试验报告表 C6-4 ●●●回填土试验报告(附图)表 C6-5 ●●●钢筋机械连接型式检验报告技术提供单位●●钢筋连接工艺检验(评定)报告检测单位提供●●钢筋连接试验报告表 C6-6 ●●●砂浆配合比申请单、通知单表 C6-7 ●砂浆抗压强度试验报告表 C6-8 ●●砌筑砂浆试块强度统计、评定记录表 C6-9 ●●●混凝土配合比申请单、通知单表 C6-10 ●混凝土抗压强度试验报告表 C6-11 ●●混凝土试块强度统计、评定记录表 C6-12 ●●●混凝土抗渗试验报告表 C6-13 ●●●混凝土碱总量计算书混凝土供应商●●●饰面砖粘结强度试验报告表 C6-14 ●●后置埋件拉拔试验报告检测单位提供●●超声波探伤报告表 C6-15 ●●●超声波探伤记录表 C6-16 ●●●钢构件射线探伤报告表 C6-17 ●●●磁粉探伤报告检测单位提供●●●高强螺栓抗滑移系数检测报告检测单位提供●●C6钢结构焊接工艺评定检测单位提供●●网架节点承载力试验报告检测单位提供●●钢结构涂料厚度检测报告检测单位提供●●木结构胶缝试验报告检测单位提供●●木结构防护剂试验报告检测单位提供●●幕墙双组分硅酮结构胶混匀性及拉断试验检测单位提供●●报告给排水及采暖工程灌(满)水试验记录表 C6-18 ●强度严密性试验记录表 C6-19 ●●●通水试验记录表 C6-20 ●吹(冲)洗(脱脂)试验记录表 C6-21 ●通球试验记录表 C6-22 ●●补偿器安装记录表 C6-23 ●消火栓试射记录表 C6-24 ●●●安全附件安装检查记录表 C6-25 ●●●锅炉封闭及烘炉(烘干)记录表 C6-26 ●●●锅炉煮炉试验记录表 C6-27 ●●●锅炉试运行记录表 C6-28 ●●●安全阀调试记录试验单位提供●●●建筑电气工程电气接地电阻测试记录表 C6-29 ●●●电气防雷接地装置隐检及平面示意图表 C6-30 ●●●电气绝缘电阻测试记录表 C6-31 ●●电气器具通电安全检查记录表 C6-32 ●●电气设备空载试运行记录表 C6-33 ●●建筑物照明通电试运行记录表 C6-34 ●●大型照明灯具承载试验记录表 C6-35 ●●高压部分试验记录检测单位提供●●●漏电开关模拟试验记录表 C6-36 ●●电度表检定记录检测单位提供●●大容量电气线路结点测温记录表 C6-37 ●●避雷带支架拉力测试记录表 C6-38 ●●智能建筑工程(执行现行标准规范)专业施工单位●●通风与空调工程风管漏光检测记录表 C6-39 ●风管漏风检测记录表 C6-40 ●现场组装除尘器、空调机漏风检测记录表 C6-41 ●各房间室内风量温度检测记录表 C6-42 ●管网风量平衡记录表 C6-43 ●C6 空调系统试运转调试记录表 C6-44 ●●●空调水系统试运转调试记录表 C6-45 ●●●制冷系统气密性试验记录表 C6-46 ●●●净化空调系统测试记录表 C6-47 ●●●防排烟系统联合试运行记录表 C6-48 ●●●电梯工程轿厢平层准确度测量记录表 C6-49 ●●电梯层门安全装置检验记录表 C6-50 ●●●电梯电气安全装置检验记录表 C6-51 ●●电梯整机功能检验记录表 C6-52 ●●●电梯主要功能检验记录表 C6-53 ●●电梯负荷运行试验记录表 C6-54 ●●●电梯负荷运行试验曲线图表 C6-55 ●●电梯噪声测试记录表 C6-56 ●●自动扶梯、自动人行道安全装置检验记录表 C6-57 ●●(一)、(二)自动扶梯、自动人行道整机性能、运行试表 C6-58 ●●●验记录施工质量验收记录结构实体同条件混凝土强度试验报告表 C6-11 ●●●钢筋保护层厚度试验报告表 C7-10 ●●●C7检验批质量验收记录执行 GB 50300 ●●分项工程质量验收记录表和专业施工质●●分部(子分部)工程验收记录表量验收规范●●●●D 竣工图编制单位提供●●●注:本表的归档保存单位是指竣工后有关单位对工程资料的归档保存,施工过程中资料的留存应按相关的约定及有关程序执行。
第一章:市政工程资料管理概述第一节:市政工程资料的分类与编号A类:基建文件C类:施工资料E类:工程资料、档案封面和目录工程资料编码要求:工程资料表格的编码由 [表式码、专业工程分类码、顺序码 ] 三部分组成。
如:专业工程分类码↓↓表式码顺序码第二节:市政工程资料管理职责工程各参建单位资料管理职责:1.建设单位1).应负责基建文件的管理工作,并设专人对基建文件进行收集、整理和归档2).在工程招标及参建各方鉴定合同和协议时,应对工程资料和工程档案的编制责任、套数、费用、质量和移交期限等提出明确要求3).必须向参与工程建设的勘察、设计、施工、监理等单位提供与建设工程有关的资料4).有建设单位采购的建筑材料、构配件、和设备,建设单位应保证建筑材料、构配件和设备符合设计文件的要求,并保证相关物资文件的完整、真实和有效5).应负责组织监督和检查各参建单位工程资料表格的形成、积累和立卷工作,也可委托监理单位检查工程资料的形成、积累和立卷归档工作。
并对需建设单位签认的工程资料签署意见6).应收集和汇总勘察、设计、监理和施工等单位立卷归档的工程档案7).列入城建档案馆接受范围的工程档案,建设单位应在组织工程竣工验收前提前请城建档案馆对工程档案进行预验收,未取得工程档案预验收认可的,不得组织工程验收8).建设单位应在工程竣工验收后三个月内将工程档案移交给城建档案馆2.勘察、设计单位1).应按合同和规范要求提供勘察、设计文件2).对需勘察、设计单位签认的工程资料应签署意见3).工程竣工验收,应出具工程质量检查报告3.监理单位1).应负责监理资料的管理工作,并设专人对监理资料进行收集、整理和归档2).应按照合同约定,检查工程资料的真实性、完整性和准确性,并对按规定项目由监理签认的工程资料予以签认3).列入城建档案馆接受范围的监理资料,监理单位应在工程竣工验收后三个月内移交给建设单位4.施工单位1).应负责施工资料的管理工作,实行主管负责人负责制,逐级建立健全施工资料管理岗位责任制2).总承包单位负责汇总、审核各分包单位编制的施工资料。
资料员一本通(免费下载).工程资料编号的说明建筑工程被分为九个分部工程,每个分部工程都有相应的代号,详见下表。
对于专业化程度高、施工工艺复杂、技术先进的子分部工程,应该单独组卷。
需要单独组卷的子分部工程也在下表中列出。
序号分部工程名称分部工程代号应单独组卷的子分部代号1 地基与基础 01 02.03.04.092 主体结构 02 01.043 建筑装饰装修 03 054 建筑屋面 04 065 建筑给水、排水及采暖 05 076 建筑电气 06 107 幕墙 078 智能建筑 089 环境 09施工资料编号的组成施工资料编号通常应该有7位数,由分部工程代号(2位)、资料类别代号(2位)和顺序代号(3位)组成,每部分之间用横线隔开。
施工资料编号应填入右上角的编号栏。
例如,编号的形式如下:xx-xx-xxx 共七位代号。
分部工程代号应根据资料所属的分部工程,按照上表编写;资料类别代号应根据资料所属类别按上表编写;顺序代号应根据相同表格、相同检查项目,按时间自然形成的先后顺序编写。
例如,地基钎探记录的编号应为01-C5-001.工程资料分类表表C5-7 编号01-C5-001归档保存单位:城XXX类别表格标号建筑工程资料名称工理设编号(资料来源)档案位位位馆A类基建文件A1 决策立项文件A1-1 项目建议书建设单位●●A1-2 可行性研究报告工程咨询单●●A1-3 可行性报告的批复文件有关主管部●●A1-4 关于立项的会议纪要、领导批示组织单位●●A1-5 专家对项目的有关建议文件建设单位●●A1-6 项目评估研究资料建设单位●●A2 建设用地、征地、拆迁文件A2-1 征占用地的批准文件及对使用国有土地的批准意见政府有关部●●A2-2 规划意见书及附图规划部门●●A2-3 建设用地规划许可证、许可证附件及附图规划部门●●A2-4 国有土地使用证国有土地管理部门A3 勘查、测绘、设计文件设备、机械等的采购文件招标文件和承包合同文件是工程招投标及承包合同文件的重要组成部分。
2020年全国一级建造师一本通《公路工程管理与实务》1B410000公路工程施工技术1B411000路基工程1B411010路基施工技术1B411011路基施工技术准备路基施工前应做好组织、物资和技术三大准备。
技术准备工作的内容主要包括熟悉设计文件、现场调查核对、设计交桩、复测与放样、试验及试验路段施工等。
二、试验1.路基施工前,应建立具备相应试验检测能力的工地试验室。
2.路基填前碾压前,应对路基基底原状土进行取样试验。
每公里应至少取2个点,并应根据土质变化增加取样点数。
3.应及时对拟作为路堤填料的材料进行取样试验。
土的试验项目应包括天然含水率、液限、塑限、颗粒分析、击实、CBR等,必要时还应做相对密度、有机质含量、易溶盐含量、冻胀和膨胀量等试验。
对特殊土(如黄土、软土、盐渍土、红黏土、高液限黏土和膨胀土等),还要进行相关试验以确定其性质及处置方案。
三、试验路段试验路段应选择地质条件、路基断面形式等具有代表性的地段,长度宜不小于200m。
下列情况应进行试验路段施工:1.二级及二级以上公路路堤。
2.填石路堤、土石路堤。
3.特殊填料路堤。
4.特殊路基。
5.拟采用新技术、新工艺、新材料、新设备的路基。
路堤试验路段施工总结宜包括下列内容:(2)压实工艺主要参数:机械组合;压实机械规格、松铺厚度、碾压遍数、碾压速度、最佳含水率及碾压时含水率范围等。
1B411012原地基处理要求路基范围内的原地基应在路基施工前按下列要求进行处理:1.地基表层碾压处理压实度控制标准为:二级及二级以上公路一般土质应不小于90%;三、四级公路应不小于85%。
低路堤应对地基表层土进行超挖、分层回填压实,其处理深度应不小于路床厚度。
2.原地面坑、洞、穴等,应在清除沉积物后,用合格填料分层回填、分层压实,压实度应符合规定。
对可能存在空洞隐患的,应结合具体情况采取相应的处置措施。
1B411013挖方路基施工一、土质路堑施工技术1.土质路堑施工工艺流程2.作业方法3.机械开挖作业方式1)推土机开挖土方作业由切土、运土、卸土、倒退(或折返)、空回等过程组成一个循环。
工程资料编号说明建筑工程共分为九个分部工程,分部(子分部)的划分及代号参见下表对于专业化程度高、施工工艺复杂、技术先进的子分部工程应该单独组卷,需单独组卷的子分部工程见下表。
序号分部工程名称分部工程代号应单独组卷的子分部应单独组卷的子分部代号有支护土方 02地基(复合) 03桩基 041 地基与基础 01钢结构 09预应力 01钢结构 04木结构 05 2 主体结构 02网架与索膜 063 建筑装饰装修 03 幕墙 074 建筑屋面 045 建筑给水、排水及采暖 05 供热锅炉及辅助设备 106 建筑电气 06变配电室(高压) 02通信网络系统01建筑设备监控系统03火灾报警及消防联动系统04安全防范系统05综合布线系统067 智能建筑 07环境098 通风与空调 089 电梯 09一、 施工资料编号的组成1、施工资料编号应填入右上角的编号栏。
2、通常情况下施工资料的编号应该有7位数,由分部工程代号(2位)、资料类别代号(2位)和顺序代号(3位)组成,每部分之间用横线隔开。
编号的形式如下:xx---xx----xxx 共七位代号分部工程代号2位,应根据资料所属的分部工程,按照上表编写资料类别代号应根据资料所属类别按上表编写顺序代号,应根据相同表格、相同检查项目,按时间自然形成的先后顺序编写地基钎探记录表C5-7编号 01—C5----001工程资料分类表表1-3归档保存单位类别编号工程资料名称表格标号(资料来源)施工单位监理单位建设单位城建档案馆A类基建文件A1 决策立项文件AA1-1 项目建议书建设单位●●A1-2 项目建议书的批复文件建设主管部门●●A1-3 可行性研究报告工程咨询单位●●A1-4 可行性报告的批复文件有关主管部门●●A1-5 关于立项的会议纪要、领导批示组织单位●●A1-6 专家对项目的有关建议文件建设单位●●A1-7 项目评估研究资料建设单位●●A2 建设用地、征地、拆迁文件A2-1 征占用地的批准文件及对使用国有土地的批准意见政府有关部门●●A2-2 规划意见书及附图规划部门●●A2-3 建设用地规划许可证、许可证附件及附图规划部门●●●A2-4 国有土地使用证国有土地管理部门●●A3 勘查、测绘、设计文件A3-1 工程地质勘察报告勘查单位●●●●A3-2 水文地质勘察报告勘查单位●●●●A3-3 建筑用地钉桩通知单规划部门●●●●A3-4 验线通知单规划部门●●●●A3-5 规划设计条件通知书及附图规划部门●●A3-6 审定设计方案通知书及附图规划部门●●A3-7 审定设计方案通知书要求,征求有关人防、环保、消防、交通、园林、市政、文物、通讯、保密、河湖、教育等部门的审查意见和要求取得的有关协议有关部门●●A3-8 初步设计图及说明设计单位●A3-9 施工图设计及说明设计单位●●A3-10 设计计算书设计单位●A3-11 消防设计审核意见消防局●●●A3-12 施工图设计文件审查通知书及施工图审查报告●●●A4 工程招投标及承包合同文件A4-1 勘查招投标文件建设、勘查单位●A4-2 设计招投标文件建设、设计单位●A4-3 施工招投标文件建设、施工单位●●●A4-4 监理招投标文件建设、监理单位●●A4-5 勘察合同建设、勘查单位●A4-6 设计合同建设、设计单位●A4-7 施工合同建设、施工单位●●●A4-8 监理合同建设、监理单位●●A5 工程开工文件A5-1 年度施工任务批准文件建设主管部门●●A5-2 修改工程施工图通知书规划部门●●A5-3 建设工程规划许可证、附件及附图规划部门●●●●A5-4 建设工程施工许可证规划部门●●●●A5-5 工程质量监督手续质量监督机构●●●●A6 商务文件A6-1 工程投资估算文件工程造价咨询单位●A6-2 工程设计概算工程造价咨询单位●A6-3 施工图预算工程造价咨询单位●●●A6-4 施工预算施工单位●●●A6-5 工程结(决)算合同双方●●●A6-6 交付使用固定资产清单建设单位●●A6-7 建设工程概况●●A7 工程竣工验收及备案文件A7-1 建设工程竣工验收备案表建设单位●●●●A7-2 工程竣工验收报告建设单位●●●●A7-3 由规划、公安消防、人防、环保等部门出具的认可文件或准许使用文件主管部门●●●●A7-4 《房屋建筑工程质量保修书》建设与施工单位●●●A7-5 《住宅质量保证书》《住宅使用说明书》建设单位●A7-6 建设工程规划验收合格证规划部门●●●●A7-7 建设工程竣工档案预验收意见城建档案馆●●A8 其他文件A8-1 合同约定的由建设单位采购的材料、构配件和设备的质量证明文件及进场报验文件建设单位●●●A8-2 工程竣工总结建设单位●●A8-3 工程为开工前的原貌、竣工新貌照片建设单位●●A8-4 工程开工、施工、竣工的录音录像资料建设单位●●B类监理资料监理管理资料监理规划、监理实施细则监理单位●●●监理月报监理单位●●B1监理会议纪要监理单位●●●监理工作日志监理单位●监理工作总结(专题、阶段和竣工总结)监理单位●●●监理工作记录施工组织设计(方案)报审表A2表●●●施工测量放线报验申请表A4表●●●施工进度计划报验申请表A4表●●●工程材料/构配件/设备报审表A9表●●●工程开工报审表A1表●●●分包单位资格报审表A3表●●●分项/分部工程报验申请表A4表●●工程复工报审表A1表●●●工程变更费用报审表●●●费用索赔申请表A8表●●●工程款支付申请表A5表●●工程临时延期申请表A7表●●●监理工程师通知回复单A6表●●B2监理工程师通知单B1表●●不合格项处置记录●●●工程暂停令B2表●●●工程临时延期审批表B4表●●●工程最终延期审批表B5表●●●费用索赔审批表B6表●●●工程款支付证书B3表●●●旁站监理记录●●●质量事故报告及处理资料责任单位●●●●见证取样备案文件监理单位●●●竣工验收资料工程竣工报验单A10表●●●竣工移交证书●●●●工程质量评估报告监理单位●●●●其他资料B4监理工作联系单 C1表●●●工程变更单 C2表●●C类施工资料工程管理与验收资料工程概况表表C0-1 ●●C0建设工程质量事故调(勘)查笔录表C0-2 ●●●●建设工程质量事故报告书表C0-3 ●●●●单位(子单位)工程质量竣工验收记录●●●●单位(子单位)工程质量控制资料核查记●●●录●●●单位(子单位)工程安全和功能检查资料核查及主要功能抽查记录C0单位(子单位)工程观感质量检查记录●●室内环境监测报告检测单位提供●●施工总结施工单位编制●●●工程竣工报告施工单位编制●●●●施工管理资料施工现场质量管理检查记录表C1-1 ●●C1企业资质证书及相关专业人员岗位证书施工单位提供●见证记录监理单位提供●●施工日志表C1-2 ●施工技术资料施工组织设计及施工方案施工单位编制●技术交底记录表C2-1 ●C2图纸会审记录表C2-2 ●●●●设计变更通知单表C2-3 ●●●●工程洽商记录表C2-4 ●●●●施工测量记录工程定位测量记录表C3-1 ●●●●基槽验线记录表C3-2 ●●●C3楼层平面放线记录表C3-3 ●楼层标高抄测记录表C3-4 ●建筑物垂直度、标高测量记录表C3-5 ●●沉降观测记录测量单位提供●●●●施工物资资料通用表格材料、构配件进场检验记录表C4-1 ●材料试验报告(通用)表C4-2 ●●设备开箱检验记录(机电通用)表C4-3 ●设备及管道附件试验记录(机电通用)表C4-4 ●●建筑与结构工程出厂质量证明文件C4供应单位提供●●各种物资出厂合格证、质量保证书和商检证等半成品钢筋出厂合格证表C4-5 ●●预制混凝土构件出厂合格证表C4-6 ●●钢构件出厂合格证表C4-7 ●●预拌混凝土出厂合格证表C4-8 ●●●检测报告钢材性能检测报告供应单位提供●●●水泥性能检测报告供应单位提供●●外加剂性能检测报告供应单位提供●●防水材料性能检测报告供应单位提供●●砖(砌块)性能检测报告供应单位提供●●供应单位提供●●门、窗性能检测报告(建筑外窗应有三性检测报告)吊顶饰面材料性能检测报告供应单位提供●●饰面板材性能检测报告供应单位提供●●饰面石材性能检测报告供应单位提供●●饰面砖性能检测报告供应单位提供●●涂料性能检测报告供应单位提供●●供应单位提供●●玻璃性能检测报告(安全玻璃应有安全性能检测报告)壁纸、墙布防火、阻燃性能检测报告供应单位提供●●装修用粘结剂性能检测报告供应单位提供●●防火涂料性能检测报告供应单位提供●●供应单位提供●●隔声/隔热/阻燃/防潮材料特殊性能检测报告钢结构用焊接材料检测报告供应单位提供●●供应单位提供●●高强度大六角头螺栓连接副扭矩系数检测报告扭剪型高强螺栓连接副预拉力检测报告供应单位提供●●木结构材料检测报告(含水率、木构件、供应单位提供●●C4钢件)幕墙性能检测报告(三性试验)供应单位提供●●●幕墙用硅酮结构胶检测报告供应单位提供●●●幕墙用玻璃性能检测报告供应单位提供●●幕墙用石材性能检测报告供应单位提供●●●幕墙用金属板性能检测报告供应单位提供●●材料污染物含量检测报告(执行供应单位提供●●GB50325---2001)复试报告钢材试验报告表C4-9 ●●●水泥试验报告表C4-10 ●●●砂试验报告表C4-11 ●●●碎(卵)石试验报告表C4-12 ●●●外加剂试验报告表C4-13 ●●●掺合料试验报告表C4-14 ●●防水涂料试验报告表C4-15 ●●防水卷材试验报告表C4-16 ●●砖(砌块)试验报告表C4-17 ●●●轻集料试验报告表C4-18 ●●预应力筋复试报告检测单位提供●●●预应力锚具、夹具和连接器复试报告检测单位提供●●装饰装修用门窗复试报告检测单位提供●●装饰装修用人造地板复试报告检测单位提供●●装饰装修用花岗石复试报告检测单位提供●●装饰装修用安全玻璃复试报告检测单位提供●●装饰装修用外墙面砖复试报告检测单位提供●●钢结构金相试验报告检测单位提供●●●钢结构用钢材复试报告检测单位提供●●●钢结构用焊接材料复试报告检测单位提供●●钢结构用高强度大六角头螺栓连接副复试报告检测单位提供●●钢结构用扭剪型高强螺栓连接副复试报告检测单位提供●●木结构材料复试报告检测单位提供●●幕墙用铝塑板复试报告检测单位提供●●●幕墙用石材复试报告检测单位提供●●●幕墙用安全玻璃复试报告检测单位提供●●幕墙用结构胶复试报告检测单位提供●●●建筑给水、排水及采暖工程管材的产品质量证明文件供应单位提供●●主要材料、设备的产品质量合格证及检测报告供应单位提供●●绝热材料的产品合格证及检测报告供应单位提供●●给水管道材料卫生检测报告供应单位提供●●成品补偿器预拉伸证明书供应单位提供●●卫生洁具环保检测报告供应单位提供●●锅炉(承压设备)焊缝无损探伤检测报告供应单位提供●●水表、热量表的计量检定证书供应单位提供●●安全阀、减压阀的调试报告及定压合格证书由供应单位及检测单位提供●●主要设备及器具安装使用说明书供应单位提供●●建筑电气工程低压成套配电柜、动力、照明配电箱(盘柜)出厂合格证、生产许可证、试验记录、CCC认证及证书复印件供应单位提供●●电力变压器、柴油发电机组、高压成套配电柜、蓄电池柜、不间断电源柜、控制柜(屏、台)出厂合格证、生产许可证及试验记录供应单位提供●●发电机、电加热器、电动执行机构和低压开关设备合格证、生产许可证、CCC认证及证书复印件供应单位提供●●照明灯具、开关、插座、风扇及附件出厂合格证、CCC认证及证书复印件供应单位提供●●C4导管、电缆桥架和线槽出厂合格证供应单位提供●●电线、电缆出厂合格证、生产许可证、CCC供应单位提供●●认证及证书复印件型钢及电焊条合格证及材质证明书供应单位提供●●供应单位提供●●镀锌制品(支架、横担、接地极、避雷用型钢等)和外线金具合格证和镀锌质量证明书封闭母线、插接母线合格证、安装技术文供应单位提供●●件、CCC认证及证书复印件供应单位提供●●裸母线、裸导线、电缆头部件及接线端子、钢制灯柱、混凝土电秆和其他混凝土制品合格证主要设备安装技术文件供应单位提供●●●●智能建筑系统工程(执行现行标准规范)专业施工单位C4提供通风与空调工程供应单位提供●●制冷机组等主要设备和部件的产品合格证及质量证明文件供应单位提供●●阀门、疏水器、水箱、分集水器、减震器、储冷罐、集气罐、仪表、绝热材料等的出厂合格证、质量证明文件及检测报告板材、管材等质量证明文件供应单位提供●●主要设备安装使用说明书供应单位提供●●电梯工程●●电梯设备开箱检验记录表C4-19 ●●供应单位提供●●电梯主要设备、材料及附件出厂合格证、产品说明书、安装技术文件施工记录通用表格隐蔽工程检查记录表C5-1 ●●●预检记录表C5-2 ●施工检查记录(通用)表C5-3 ●交接检查记录表C5-4 ●●建筑与结构工程基坑支护变形监测记录专业施工单位●C5桩(地)基施工记录专业施工单位●●●地基验槽检查记录表C5-5 ●●●地基处理记录表C5-6 ●●●地基钎探记录(附图)表C5-7 ●●●混凝土浇筑申请书表C5-8 ●●预拌混凝土运输单表C5-9 ●混凝土开盘鉴定表C5-10 ●混凝土拆模申请表表C5-11 ●混凝土搅拌测温记录表表C5-12 ●混凝土养护测温记录表(附图)表C5-13 ●大体积混凝土养护测温记录报表(附图)表C5-1414 ●构件吊装记录表C5-15 ●焊接材料烘焙记录表C5-16 ●地下工程防水效果检查记录表C5-17 ●●防水工程试水检查记录表C5-18 ●●通风(烟)道、垃圾道检查记录表C5-19 ●预应力筋张拉记录(一)表C5-20 ●●●预应力筋张拉记录(二)表C5-21 ●●●有粘结预应力结构灌浆记录表C5-22 ●●●钢结构施工记录专业施工单位提供●●网架(索膜)施工记录专业施工单位提供●●木结构施工记录专业施工单位提供●●幕墙注胶检查记录专业施工单位提供●●电梯工程电梯承重梁、起重吊环埋设隐蔽工程检查记录表C5-23 ●●●电梯钢丝绳头灌注隐蔽工程检查记录表C5-24 ●●●电梯导轨、层门的支架、螺栓埋设隐蔽工程检查记录表C5-25 ●●●电梯电气装置安装检查记录(一)、(二)、(三)表C5-26 ●●电梯机房、井道预检记录表C5-27 ●●自动扶梯、自动人行道安装与土建交接预检记录表C5-28 ●●自动扶梯、自动人行道的相邻区域检查记录表C5-29 ●●自动扶梯、自动人行道电气装置检查记录(一)、(二)表C5-30 ●●C5自动扶梯、自动人行道整机安装质量检查记录表C5-31 ●●施工试验记录通用表格施工试验记录(通用)表C6-1 ●●设备单机试运转记录(机电通用)表C6-2 ●●●系统试运转调试记录(机电通用)表C6-3 ●●●建筑与结构工程锚杆、土钉锁定力(抗拔力)试验报告检测单位提供●●C6地基承载力检测报告检测单位提供●●●桩检测报告检测单位提供●●●C6土工击实试验报告表C6-4 ●●●回填土试验报告(附图)表C6-5 ●●●钢筋机械连接型式检验报告技术提供单位●●钢筋连接工艺检验(评定)报告检测单位提供●●钢筋连接试验报告表C6-6 ●●●砂浆配合比申请单、通知单表C6-7 ●砂浆抗压强度试验报告表C6-8 ●●砌筑砂浆试块强度统计、评定记录表C6-9 ●●●混凝土配合比申请单、通知单表C6-10 ●混凝土抗压强度试验报告表C6-11 ●●混凝土试块强度统计、评定记录表C6-12 ●●●混凝土抗渗试验报告表C6-13 ●●●混凝土碱总量计算书混凝土供应商●●●饰面砖粘结强度试验报告表C6-14 ●●后置埋件拉拔试验报告检测单位提供●●超声波探伤报告表C6-15 ●●●超声波探伤记录表C6-16 ●●●钢构件射线探伤报告表C6-17 ●●●磁粉探伤报告检测单位提供●●●高强螺栓抗滑移系数检测报告检测单位提供●●钢结构焊接工艺评定检测单位提供●●网架节点承载力试验报告检测单位提供●●钢结构涂料厚度检测报告检测单位提供●●木结构胶缝试验报告检测单位提供●●木结构防护剂试验报告检测单位提供●●检测单位提供●●幕墙双组分硅酮结构胶混匀性及拉断试验报告给排水及采暖工程灌(满)水试验记录表C6-18 ●强度严密性试验记录表C6-19 ●●●通水试验记录表C6-20 ●吹(冲)洗(脱脂)试验记录表C6-21 ●通球试验记录表C6-22 ●●补偿器安装记录表C6-23 ●消火栓试射记录表C6-24 ●●●安全附件安装检查记录表C6-25 ●●●锅炉封闭及烘炉(烘干)记录表C6-26 ●●●锅炉煮炉试验记录表C6-27 ●●●锅炉试运行记录表C6-28 ●●●安全阀调试记录试验单位提供●●●建筑电气工程电气接地电阻测试记录表C6-29 ●●●电气防雷接地装置隐检及平面示意图 表C6-30 ● ● ● 电气绝缘电阻测试记录 表C6-31 ● ● 电气器具通电安全检查记录 表C6-32 ● ● 电气设备空载试运行记录 表C6-33 ● ● 建筑物照明通电试运行记录 表C6-34 ● ● 大型照明灯具承载试验记录 表C6-35 ● ● 高压部分试验记录 检测单位提供 ● ● ● 漏电开关模拟试验记录 表C6-36 ● ● 电度表检定记录检测单位提供 ● ● 大容量电气线路结点测温记录 表C6-37 ● ● 避雷带支架拉力测试记录表C6-38 ● ● 智能建筑工程(执行现行标准规范) 专业施工单位 ● ● 通风与空调工程 风管漏光检测记录 表C6-39 ● 风管漏风检测记录表C6-40 ● 现场组装除尘器、空调机漏风检测记录 表C6-41 ● 各房间室内风量温度检测记录 表C6-42 ● 管网风量平衡记录 表C6-43 ● 空调系统试运转调试记录 表C6-44 ● ● ● 空调水系统试运转调试记录 表C6-45 ● ● ● 制冷系统气密性试验记录 表C6-46 ● ● ● 净化空调系统测试记录 表C6-47 ● ● ● 防排烟系统联合试运行记录 表C6-48 ● ● ● 电梯工程轿厢平层准确度测量记录 表C6-49 ● ● 电梯层门安全装置检验记录 表C6-50 ● ● ● 电梯电气安全装置检验记录 表C6-51 ● ● 电梯整机功能检验记录 表C6-52 ● ● ● 电梯主要功能检验记录 表C6-53 ● ● 电梯负荷运行试验记录 表C6-54 ● ● ● 电梯负荷运行试验曲线图 表C6-55 ● ● 电梯噪声测试记录表C6-56 ● ● 自动扶梯、自动人行道安全装置检验记录(一)、(二) 表C6-57 ● ● C6自动扶梯、自动人行道整机性能、运行试验记录表C6-58 ● ● ● 施工质量验收记录结构实体同条件混凝土强度试验报告 表C6-11 ● ● ● 钢筋保护层厚度试验报告 表C7-10 ● ● ● 检验批质量验收记录 ● ● 分项工程质量验收记录表 ● ● C7分部(子分部)工程验收记录表执行GB 50300和专业施工质量验收规范 ● ● ● ● D竣工图编制单位提供●●●注:本表的归档保存单位是指竣工后有关单位对工程资料的归档保存,施工过程中资料的留存应按相关的约定及有关程序执行。
公路工程资料员一本通》编写的主要依据是《公路工程质量检验评定标准》(JTG F80——2004)、《公路工程竣工(交工)验收办法》(交通部2004年第3号令)、《关于贯彻执行公路工程竣交工验收办法有关事宜的通知》(交公路发[2。
04]446号文件)、《公路工程施工监理规范》(JTG G10——2006)等。
主要介绍了公路工程前期准备资料、公路工程财务决算资料、公路工程监理资料、公路工程施工资料、公路工程验收资料、公路工程评定资料、公路工程竣工资料以及公路工程资料建档与管理等方面的内容。
《公路工程资料员一本通》可供公路工程资料编制人员使用,也可供公路工程监理人员、技术人员以及质量监督人员使用和参考。
编辑推荐
《公路工程资料员一本通》是资料员一本通系列之一。
目录
第一章概述
第一节工程项目划分
一、项目划分要求
二、项目划分细则
三、项目划分实例
第二节公路工程资料组成
一、常用资料术语
二、工程资料分类与管理
三、工程资料编号方法
第三节公路工程资料常用表格
一、施工监理用表
二、现场质量检验报告单
三、检查记录袁
四、评定用表
五、试验用表
第四节公路工程资料员工作职责
一、资料员任职资格
二、资料员岗位职责
三、资料员具体工作
第二章公路工程前期准备资料第一节工程基建文件
一、公路工程基本建设程序
二、工程项目建议书
三、工程可行性研究报告
四、工程地质勘察报告
五、初步设计文件及审批文件
六、技术设计
七、施工图设计文件及审批文件第二节公路工程招标投标文件
一、工程招标文件
二、工程投标文件
三、工程合同及服务协议
第三节公路工程建设管理文件
一、工程概况表
二、项目大事记
第三章公路工程财务决算资料第一节公路工程计量资料
一、工程计量规定
二、工程计量程序和文件
三、工程量清单
第二节公路工程支付报表
一、工程前期支付
二、工程中期支付
三、工程最终支付
四、工程支付报表的形式
第三节公路工程竣工决算文件
一、竣工决算分类
二、工程竣工决算编制
第四节公路工程决算审计报告第四章公路工程监理资料
第一节工程监理资料概述
一、监理资料的内容
二、监理资料管理程序
三、施工监理常用表格
第二节监理工作文件
一、监理规划
二、监理实施细则
三、监理目志
四、监理月报
五、监理会议纪要
六、监理工作总结
第三节施工监理文件
一、工程进度计划的审查
二、工程进度计划的控制
三、工程施工质量控制
四、工程进度计划控制
第五章公路工程施工资料
第一节公路工程施工资料的特点
第二节土石方路基施工资料
一、路基处理资料
二、路基分层压实资料
三、路基检测、验收资料
四、路基施工资料常用表格及填写范例
第三节路基工程构造物及防护工程施工资料一、构造物及防护工程施工资料组卷
二、构造物及防护工程施工资料内容
三、构筑物及防护工程常用资料表格填写范例第四节路基排水工程施工资料
一、路基排水工程概述
二、路基排水工程施工检测记录的内容
三、路基排水工程常用资料表格填写范倒
第五节路面工程施工资料
一、路面工程概述
二、路面工程施工检测记录的内容
三、路面工程常用资料表格填写范例
第六节桥梁工程施工资料
一、桥粱工程施工检查资料内容
二、桥梁工程常用资料表格填写范例
第七节公路小桥及涵洞施工资料
一、公路小桥及涵洞工程施工资料组卷
二、公路小桥及涵洞工程施工检测记录的内容
三、公路小桥及涵洞工程常用资料表格填写范例第八节隧道工程施工资料
一、隧道工程概述
二、隧道工程施工检查资料的内容
三、隧道工程常用资料表格填写范例
第九节交通安全设施施工资料
一、交通安全设施概述
二、交通安全设施施工检查资料的内容
三、交通安全设施常用资料表格填写范例第六章公路工程验收资料
第一节公路工程验收程序
一、公路工程质量验收流程
二、公路工程竣(交)工验收程序
第二节公路工程竣(交)工验收文件
一、公路工程交工验收文件
二、公路工程竣工验收文
第三节单项工程验收文件
一、机电、绿化工程验收文件
二、房建工程验收文件
三、环保工程验收文件
四、档案验收文件
第七章公路工程评定资料
第一节公路工程质量评定
一、工程质量评定要求
二、工程质量检验内容
三、工程质量评分
第八章公路工程竣工资料
第九章公路工程资料建档与管理
附录一公路工程竣(交)工验收办法
附录二关于贯彻执行公路工程竣(交)工验收办法有关事宜的通知
参考文献
序言
近年来,随着建筑行业发展的日趋完善和成熟,工程资料管理正以其鲜明的特点发挥着越来越重要的作用。
工程资料的质量和工程质量紧密结合在一起,成为工程分项、分部、竣工验收的重要依据,没有合格的工程资料就不可能顺利地通过工程竣工验收。
工程资料的管理和编写正逐步成为建筑行业技术人员业务技能的一项重要的能力和业务技能,被越来越多的工程技术人员和管理人员所重视。
所谓“工程资料”,指的是工程建设过程中形成的各种工程信息资料,并按一定原则分类、组卷,最后移交城建档案部门归档的整个工程的历史纪录,它包括工程基建过程形成的资料、工程监理过程形成的资料、工程施工过程中形成的资料和工程竣工图等构成了整个工程完整历史的信息。
完整的收集、积累和管理工程资料就成为整个工程建设的重要组成部分。
许多从事工程建设行业的人员很想在较短的时间对工程资料有全面地了解,然而又苦于没有机会接触大型工程,很难在较短的时间掌握工程资料管理和组卷的方法,从而成为合格的资料员以及相应的管理者。
为让广大建设工程专业人员尽快地掌握工程资料编制的方法、原理,我们组织编写了《资料员一本通系列》丛书,丛书编写按照“结合实际、强化管理、过程控制、合理分类、科学组卷”的原则,力求科学、规范、适用。
文摘
插图:
第一章概述
第一节工程项目划分
为了加强对公路工程建设工作的管理,便于编制设计文件、概预算文件和施工组织设计文件,便于工程招投标工作和施工管理,必须对公路工程建设项目进行科学的分解和合理的划分。
一、项目划分要求
根据建设任务、施工管理和质量评定的需要,在施工准备阶段,施工单位应根据《公路工程质量检验评定标准》(JTG F80/1-2004、JTG F80/2 2004)(以下简称《验评标准》)的规定,结合工程特点,对建设项目按单位工程、分部工程和分项工程逐级进行划分,直至详细列出所有的每一个分项工程的编号、名称或内容、桩号或部位。
在整个工程建设项目中,公路工程实体与划分的项目应一一对应,单位、分部、分项工程的数量、位置都应一目了然。
施工单位、工程监理单位和建设单位应按相同的工程项目划分进行工程质量的监控和管理。
二、项目划分细则
1.建设项目
建设项目也称基本建设项目,是指经批准在一个设计任务书范围内按同一总体设计进行建设的全部工程。
建设项目由一个或几个单项工程组成,经济上实行统一核算,行政上实行统一管理,一般以一个企业(或联合企业)、事业单位或独立工程作为一个建设项目。
公路工程基本建设以单独设计的公路路线、独立桥梁作为建设项目。
2.单项工程
单项工程也称工程项目,是指建设项目中具有单独的设计文件,建成后可独立发挥生产能力或使用效益的工程。
公路工程中独立合同段的路线、大桥、
隧道等属于单项工程。
‹返回商品介绍页。