电解电容检验规范
- 格式:docx
- 大小:16.46 KB
- 文档页数:4
文件名称电解电容检验标准生效日期页码 1 of 2 使用状态文件编号版本 A / 0 审核拟定目的确保本公司电子元器件---电解电容品质符合客户要求。
范围适应于电子元器件---电解电容进料入库检验。
抽样标准MIL-STD-105E单次Ⅱ级正常检验;CR=0;MA=1.0;MI=2.5。
检验环境在正常光源条件下,距离30cm远检验,以及适宜的角度检验产品。
参照标准1、GB / T2828.1-2003逐批检查计数抽样及抽样表。
序号检验项目接收标准检验方法及工具缺陷描述缺陷等级致命(CR)严重(MA)轻微(MI)1 包装包装必须有标识,外标识与实物一致。
目视外标识与实物不一致。
√包装箱不能有破损、脏污现象。
包装箱有破损、脏污现象。
√同一个规格型号不能有混料现象。
同一个规格型号混有其它规格型号。
√2 外观主体规格,极性丝印清晰可辨认。
目视无法辨认。
√引脚不能有弯曲成螺旋状、折痕现象。
引脚有弯曲成螺旋状、折痕现象。
√引脚无断裂现象。
引脚有断裂现象。
√主体划伤、碰痕现象。
主体有划伤、碰痕现象。
√引脚不能有脱落现象。
引脚有松动、脱落现象。
√引脚无发黑氧化、吃锡良好。
引脚有氧化、吃锡不良。
√电解电容外包铝皮无破损、露芯现象。
电解电容外包铝皮有破损、露芯现象。
√3 结构主体直径、长度、脚径符合设计要求。
卡尺试装主体直径、长度、脚径不符合设计要求。
√电容脚长、脚径尺寸正确。
与PCB试装符合要求。
不符合要求。
√4 可焊性炉温在250-270℃状态下,浸锡时间:1.5~2S,观察引脚吃锡率>95%以上。
浸锡试验经浸锡试验后,吃锡不良(吃锡率小于95%)。
√文件名称电解电容检验标准文件编号页码 2 of 2 版本 A / 0序号检验项目接收标准检验工具及方法缺陷描述缺陷等级致命(CR)严重(MA)轻微(MI)5 电气特性电容量,符合设计要求,公差范围:±20%测试频率:120H Z±20%测试电压:0.3V数字LCR电桥测试仪不符合要求。
受控:编号:
版本:A1.0
中山品诚实业有限公司电源厂
电解类电容检验标准
编制:薛大成
审核:
批准:
编写日期:2017 年 5 月26 日实施日期:年月日
中山品诚实业有限公司电源厂电解类电容检验标准
电解类电容检验标准
1.0 来料实物电解类(铝电解,钽电容)电容,实物型号应与订单型号,送货单型号,一致。
2.0 来料外包装应包装良好(无外箱破损),包装应有利于产品运输及储存,标识清楚,正确。
3.0 根据抽样方案,GB2828-2003正常检验Ⅱ级抽样方案,AQL允收水准,致命缺陷0.01,严重缺陷0.25,轻微缺陷1.0。
4.0 电解电容应测试电容容量(LCR),漏电流(漏电流测试仪),两项参数。
4.1 电解电容,钽电容测试参数设定,频率,选100HZ,或120HZ.
4.2 实际中若频率升高而损耗增加,则应选用串联等效电路,若频率升高而损耗减小,则应选用并联等效电路,
4.3 测试前一定要进行清零。
漏电流测试,参照漏电流测试仪操作规程。
4.4 测试仪器,LCR(容量),漏电流测试仪(漏电流)。
5.0 检验合格,允收,外箱加盖合格印章,入库。
6.0 检验不合格时,记录不良现象,交由各部门会签评审。
处理结果以终审结果为准。
7.0 将检验结果记录于进料检验报告并存档。
文件编号:版本:A1.0 第1 页共1 页。
好好学习社区
更多免费资料下载: 德信诚培训网 电解电容器来料抽样检验规范
(ISO9001-2015)
1.0目的
本检验规范的目的是保证本公司所购电解电容器的质量符合要求。
2.0定义
2.1缺陷类别分为:严重缺陷缺陷(CR )、主要缺陷(MA )和次要缺陷(MI );
2.2严重缺陷(CR ):不符合安全规范或可能对使用者、维护者造成人身危害的缺陷;
2.3主要缺陷(MA ):关键质量特性不合格,影响生产并可能导致故障或降低产品性能的缺陷;
2.4次要缺陷(MI ):一般质量特性不合格,但不影响使用功能及性能的缺陷。
3.0检验条件
3.1光照度:300-400LX(相当于40W 日光灯500mm~600mm 距离的光源)
3.2检验距离:550mm-650mm
3.3检验人员视力要求在0.8以上
4.0抽样方案与判定标准
外观检验抽样方案按GB/T2828.1-2013标准,正常检验一次抽样方案,一般检验水平Ⅱ,AQL:致命缺陷(CR )=0 重缺陷(MA )=0.65 轻缺陷(MI )=1.5。
尺寸及其他特性测试5-10PCS ,0收1退。
取样方式:采取分散取样方式,5箱以内,每箱都应取样;超出10箱,按(5+总箱数÷5)箱进行分散取样。
电解电容质量检验规范(ISO9001-2015)产品名称电解电容抽样方案GB/T 2828.1-2012正常检查一次抽样方案,一般检查水平Ⅱ进行(除特殊指定外); AQL=0.01(CR),AQL=1.0(Ma),AQL=2.5(Mi)检验项目检验内容及要求检验要求及工具不合格品缺陷分类备注/抽样水平CR Ma Mi包装/标识1、检查包装外观,应无破损、变形、淋湿、散乱等现象;目测★2、包装应合理,有无按常规或指定材料包装(以不伤物料本体为原则);目测★3、包装箱上应有物料码、厂家名称、型号、生产日期等标识;目测★4、包装内实物应与标识内容一致;目测★5、有无环保标识(GREEN PRODUCT、RoSH、无铅等)。
目测★外观1、引脚无氧化、无锈迹、无破损、无污物、无变形、无折断,与电容器本体结合牢固;目测/显微镜★特殊S-22、金属外壳,带绝缘套,有防爆槽(Φ8 以上);;目测★特殊S-23、本体标志内容正确、完整、清晰,外观应无可见损伤且无电解液流出,元件上标识的规格应与规格书要求一致。
目测★特殊S-2尺寸元器件的封装尺寸符合封装要求,若不能辨别则用游标卡尺或试装检验其尺寸目测/卡尺★特殊S-2参数检测检验电容容值、漏电流是否在规格范围内。
LCR/漏电流测试仪★特殊S-2检验步骤及内容1、对单:根据货仓开出的I QC 进料检验单,核实相应型号和数量,再查找相应产品规格标准书。
2、抽样:根据检验项目,取待检物料,准备检验工具/仪器,参照规格书进行随机抽样检验。
注意事项1、物料送检时要及时检验,检验时须戴防静电腕带。
2、引脚表面有氧化发黑时需做耐温/可焊性试验进行进一步确认。
3、检测时,测量数据必须在规格标准的误差范围内。
4、电容直径≥8mm,就必须有防爆槽装置。
图示直径≥8mm,就必须有防爆槽装置。
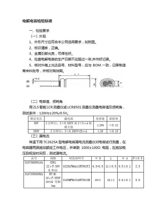
电解电容检验标准
一、检验要求
〔一〕外观
1、外形尺寸应符合本公司选用要求,如附图。
2、标识清晰,正确。
3、金属引脚光亮,可焊性好。
4、检查电解电容的生产日期不应超过一年,并作好记录。
5、核对外箱上光达品号、材料型号,应与BOM一致,记录制造商来料批号,并核对有效期。
〔二〕电容值、损耗角
用ZL5智能LCR测量仪或LCR8501测量仪测量电容值及损耗角,测试条件:120Hz±20%/0.5V。
〔三〕漏电流
常温下用TC2625A型电解电容漏电流测量仪对电容进行测量,在电容器两端施加额定工作电压,并串联1000±100Ω电阻,在施加电压到规定时间后,测试漏电流。
RT(M) 10μF/350V 10*16 弯脚4mm、RT(M) 22μF/350V 12.5*20 弯脚4mm供应商来料成型。
*
〔四〕预成型图
CD81 22μF/50V 6.3*11短插,引脚6-7mm
二、验收规则
交收试验是从同一批量的产品中随机抽取,参见缺陷分类表,并按GB2828中的一次抽样方案进行。
检验标准上的附图带有* 的标注尺寸均为主要尺寸应按要求检验并记录10个数据。
其它不带* 的标注尺寸做符合性检验,检验合格不记录,检验不合格作记录。
电解电容测试方法及标准电解电容作为电子设备中的关键元件,其性能的可靠性对于设备的稳定运行至关重要。
为了确保电解电容的质量,对其进行的测试方法及相应的标准成为品质控制中不可或缺的一环。
本文将详细介绍电解电容的测试方法及标准。
一、测试方法1. 外观检查:观察电解电容的外观,查看是否有损坏、漏液、变形等情况。
同时,检查电容的标识是否清晰、完整,包括制造商、容量、电压、精度等信息。
2. 电气性能测试:通过专业的测试设备,对电解电容的电气性能进行测试。
主要包括以下几项:a. 充放电时间测试:通过给电解电容充电,记录其达到额定电压所需的时间,以及放电时的时间常数。
b. 漏电流测试:在额定电压下,测量电解电容的漏电流。
漏电流越小,说明电容的绝缘性能越好。
c. 容量测试:使用专用测试设备,在一定的电压和频率下,测量电解电容的实际容量。
d. 损耗角正切值测试:通过测量电容在一定频率下的有功功率与无功功率的比值,得到损耗角正切值。
该值反映了电容的能量损耗。
3. 环境适应性测试:将电解电容置于高温、低温、高湿等极端环境下,观察其性能的变化,以评估其环境适应性。
二、测试标准1. 外观标准:电解电容外观应无损伤、无漏液、无明显变形。
标识应清晰、完整、易于识别。
2. 电气性能标准:电解电容的电气性能需符合相应的规格要求。
例如,容量误差应在规定的范围内,漏电流应小于某一特定值,损耗角正切值应小于某一特定值等。
3. 环境适应性标准:电解电容应能在一定的温度和湿度范围内正常工作,无性能下降或损坏等现象。
三、测试报告与品质保证测试结束后,应撰写详细的测试报告,记录测试过程、方法和结果。
测试报告应包括以下内容:1. 测试概述:简述测试的目的、范围和所依据的标准。
2. 测试设备与材料:列出用于测试的设备和材料,包括电解电容、测试仪器、电源等。
3. 测试方法:详细描述测试步骤和方法,确保其可重复性和准确性。
4. 测试结果:记录各项性能指标的测试结果,包括但不限于充放电时间、漏电流、容量、损耗角正切值等。
一、技术要求
〔一〕外观
1.外形尺寸应符合本公司选用要求。
(电解电容负极引脚长度应≥23mm)
2.标识要清晰。
3.金属引脚光亮,可焊性好。
〔二〕电容值
用ZL5智能LCR测量仪或LCR8501测量仪测量电容值,电容容量误差应±20%。
〔三〕漏电流
常温下用TC2625A型电解电容漏电流测量仪对电容进行测量,测试时间5秒钟,其最大漏电流值应符合下列附表规定。
〔C R为标称电容值﹙uf﹚、U R为标称耐压值﹙V﹚、I为电解漏电流﹙uA﹚〕〔四〕损耗角θ
将电容两引脚插入测量仪的插槽,常温下100Hz频率测出其值,损耗角不得大于附表中的最大值。
〔五〕高温试验:
从同一批量的产品中随机抽取,经标称最高温度通电烘烤12小时后不允许有变形、开裂、漏液等现象,电容值等电性能仍能符合以上规定。
二、验收规则
〔一〕交收试验是从同一批量的产品中随机抽取,参见缺陷分类表,并按GB2828中的一次抽样方案进行。
对元器件用游标卡尺或电参数测量部分,每批次记录10个数据,但不合格数据必须如实记录。
解电容电参数一览表。
电解及普通固定电容器进货检验规范
电解及普通固定电容器是电子元器件中非常重要的一种,其作用是用于电路的滤波、耦合、调整频率等。
为了保证电路的正常工作,电解及普通固定电容器的品质必须得到保障,所以对于这类产品的进货检验显得尤为重要。
进货检验规范应包括以下方面:
1. 外观检查
电解及普通固定电容器外观应整洁,无裂纹、划痕、漏涂、金属氧化等缺陷,各项标志清晰可见。
2. 容值检查
电容器的主要参数是容值,检查时必须测量其容值是否符合要求。
检查时应用多台万用表对容值进行验证。
测试过程中应远离电磁场、尽量避免高温环境的影响。
在测量过程中如果发现容值偏离要求,则应立即标记归类。
3. 放电时间检查
在开机前,需要对电解电容器内电荷进行放电操作,以减少对设备的损伤。
测试时可通过万用表测量容器放电的时间是否达标。
取一定数量的电容器进行放电实验,再根据实验的结果进行分类。
4. 耐压检查
电容器的另一个重要参数是耐压,一般的要求是能承受标准电压的2倍以上。
成组检测时应使用电容器耐电压检测仪进行检测。
5. 寿命测试
电解电容器在使用过程中会受到高温等环境影响,因此需要进行寿命测试。
将一批电容器加温到某个温度,使其保持一段时间后,再测量容值是否有变化。
如果容值偏差过大,则说明电容器寿命过短。
总结:
电解及普通固定电容器的进货检验是很重要的一环,可以通过对外观、容值、放电时间、耐压和寿命等多方面的检查来保证电容器的品质。
只有严格遵守规范,才能保证企业向市场提供高质量的产品,提高整个行业的水平。
电解电容进厂检验规范
电解电容进厂检验规范包括以下要求:
1.外观检查:电容外观应整洁干净,无明显的刮伤和污渍,各相线圈标识清晰准确。
2.结构尺寸检查:电容的结构尺寸应符合技术规格书或图纸要求,产品空间尺寸安装螺孔栓规格孔位均符合要求。
3.标签检查:电容的标签应清晰、完整,内容应注明物料名称、规格、批号、制造商等信息。
4.包装检查:电容的包装应能有效保护物料在运输过程中不损坏,包装标识应与实物一致。
5.电容值、损耗角测量:使用Z15智能1CR测量仪或1CR8501测量仪测量电容值及损耗角,测试条件:120Hz±20%∕0∙5V°
6.漏电流测量:常温下用TC2625A型电解电容漏电流测量仪对电容进行测量,在电容器两端施加额定工作电压,并串联IoOO±100Q电阻,在施加电压到规定时间后,测试漏电流。
7.预成型检查:检查CD8122μF∕50V6.3*11短插,引脚6-7mm。
8.损耗角测试:使用Z15智能1CR测量仪或1CR8501测量仪测量电容的损耗角,测试条件为120Hz±20%∕0∙5V o。
温度范畴和型号旳标记;外观无损伤、断脚、氧化和严重变形;电容底部应无损伤、漏液、污迹等不良现象。
(7). 标记耐腐蚀:测试措施:将浸湿、具有工业酒精(95%浓度)旳棉纱,施加50克旳作用力(一种用绵纱包裹住旳50克旳法码)来回擦拭5次,观测所有标记与否有缺损、掉字、脱色现象,如有即为不合格。
(8). 可焊性:将引脚浸入锡炉(245±5℃)约3秒后取出,浸入深度距样品本体2mm±0.50mm处,引脚上锡应饱满、光亮,无气泡,引脚上锡面积规定≥95%以上。
(9). 尺寸:尺寸应符合我司规定旳标称值和误差规定;正常引脚旳PIN距规格如:φ5PIN距=2.00mm,φ6.3旳PIN距=2.50mm,φ8旳PIN距=3.50mm,φ10、12、13旳PIN距=5.00mm;(特殊状况除外)。
(10). 包装:包装箱应为一次性包装箱,供应商不可回收,包装箱外应标有物料品名、规格、数量、生产日期、出货检查合格章及供应商名称;包装上必须标有我司相应旳物料编号,最小包装应无破损、混料现象,在正常储藏条件(温度-5℃~35℃,相对湿度≤75%)下一年内不能浮现因包装不善而导致异常。
八. 质量原则:(1). 高温实验:电解电容(不通电)在105℃±5℃下放置4H,取出冷却4H后,测其电参数应满足如下条件:电容量变化率在±20%初始测量值以内,其他参数不低于初始规定值(承认书另有规定旳以承认书为准)(2). 高/低温度循环:实验10pcs,循环次数≥10、低温度负55℃,保持30分钟旳时间。
耐高温125℃,保持30分钟旳时间。
温度传播时间(从低温到高温或从高温到低温)≤5分钟;测试成果表白其特性变化符合我司产品规定。
(3). 插件引脚抗折性实验:沿电解引线方向施加固定重力,然后将电容体弯折90度后回到原位,再向相反方向弯折90度后回到原位,上述过程在5S内完毕。
引脚不断裂不松驰(承认书另有规定以承认书为准) 。
电解电容进货检验标准电解电容进货检验标准序号检验项目技术要求检验方法质量分级1 通用外观检查外壳光洁,不允许存在表面污渍、伤痕、缺料,断脚等缺陷,视检2 通用标志标志正确清晰,经久耐用。
视检,耐久性通常验收抽样二件通过用手拿沾水的布擦拭15秒,再用沾汽油的布擦拭15秒,标志仍应清晰易读.3 通用可焊性引脚可焊性好,挂锡光亮,无毛边。
240±5℃/2±0.5S4 2.2uF50VDC;电容性能检验2.2uF±20%;耐压50VDC*150%;,耐温为105℃D<0.08。
I0<2uALCR电桥,测试频率100电解电容漏电流测试仪,额定电压1分钟5 4.7uF50VDC;电容性能检验4.7uF±20%;耐压50VDC*150%;,耐温为105℃D<0.08。
I0<2uALCR电桥,测试频率100电解电容漏电流测试仪,额定电压1分序号检验项目技术要求检验方法分级6 10uF50VDC;电容性能检验10uF±20%;耐压50VDC*150%;,耐温为105℃D<0.09。
I0<4uALCR电桥,测试频率100电解电容漏电流测试仪,额定电压1分钟7 100uF25VDC;电容性能检验100uF±20%;耐压25VDC*150%;,耐温为105℃D<0.11。
I0<16uALCR电桥,测试频率100电解电容漏电流测试仪,额定电压1分钟8 100uF16VDC;电容性能检验100uF±20%;耐压16VDC*150%;,耐温为105℃D<0.13。
I0<10uALCR电桥,测试频率100电解电容漏电流测试仪,额定电压1分钟9 470uF35VDC;电容性能检验470uF±20%;耐压35VDC*150%;,耐温为105℃D<0.09。
I0<90uALCR电桥,测试频率100电解电容漏电流测试仪,额定电压1分钟LCR电桥,测试频电器有限公司文件号JY-J9文件名称电解电容检验标准引用标准第序号检验项目技术要求检验方法质量分级11 10uF400VDC;电容性能检验10uF±20%;耐压400VDC*150%;,耐温为105℃D<0.05。
电解电容检验标准1 目的
作为电解电容来料检验判定依据,确保产品符合技术质量要求。
2适用范围
适用于电解电容的来料检验。
3职责
3.1质量部负责维护本标准,包括制定、修订、执行和解释等。
3.2 技术中心负责审核该检验标准。
4 检验内容及抽样方案
标识电容器上应清晰地标出:标称容量、允许
误差、额定电压、额定温度、引出端极性、
厂商、型号
AQL:0.65
外形尺寸符合规格要求游标卡尺
一般
缺陷n=5,Ac=0
包装、标识包装无破损、混料;规格型号、误差、数
量、厂商、批次等清晰
目视
10个最小
包装单位
注:以上检验内容如有特殊要求时,按特殊要求执行。
5 相关文件及记录
规格承认书;电容进料检验报告
6 执行生效日期
本文件自X年x月x日开始执行。
7 记录。
(7). 标识耐腐蚀:测试方法:将浸湿、含有工业酒精(95%浓度)的棉纱,施加50克的作用力(一个用绵
纱包裹住的50克的法码)来回擦拭5次,观察所有标记是否有缺损、掉字、脱色现象,如有即为不合格。
(8). 可焊性:将引脚浸入锡炉(245±5℃)约3秒后取出,浸入深度距样品本体2mm±0.50mm处,引
脚上锡应饱满、光亮,无气泡,引脚上锡面积要求≥95%以上。
(9). 尺寸:尺寸应符合我司要求的标称值和误差要求;正常引脚的PIN距规格如:φ5PIN距=2.00mm,φ
6.3的PIN距=2.50mm,φ8的PIN距=3.50mm,φ10、12、13的PIN距=5.00mm;(特殊情况除外)。
(10). 包装:包装箱应为一次性包装箱,供应商不可回收,包装箱外应标有物料品名、规格、数量、生
产日期、出货检验合格章及供应商名称;包装上必须标有我司相应的物料编号,最小包装应无破损、混料现象,在正常储藏条件(温度-5℃~35℃,相对湿度≤75%)下一年内不能出现因包装不善而导致异常。
八. 质量标准:
(1). 高温试验:电解电容(不通电)在105℃±5℃下放置4H,取出冷却4H后,测其电参数应满足以下条
件:电容量变化率在±20%初始测量值以内,其它参数不低于初始规定值(承认书另有规定的以承认书为准)
(2). 高/低温度循环:试验10pcs,循环次数≥10、低温度负55℃,保持30分钟的时间。
耐高温125℃,保
持30分钟的时间。
温度传输时间(从低温到高温或从高温到低温)≤5分钟;测试结果表明其特性变化符合我司产品要求。
(3). 插件引脚抗折性试验:沿电解引线方向施加固定重力,然后将电容体弯折90度后回到原位,再向
相反方向弯折90度后回到原位,上述过程在5S内完成。
引脚不断裂不松驰(承认书另有要求以承认书为准) 。
(4). 振动试验:将管身紧固在振动台上,引出线允许加以适当的保护,其振动规范是:振动频率:
10~55HZ,振幅:0.15mm;振动方向:水平(管身平放)与垂(管身垂直放)两个方向,振动的时间每个方向振动1小时,测试结果表明其特性变化符合我司产品要求。
(5). 失效率:使用的失效率要求≤200PPM。
九. 检验项目、缺陷等级(详见下表)。