液液转盘萃取实验
- 格式:docx
- 大小:139.09 KB
- 文档页数:8
实验七液-液萃取塔的操作及其传质单元高度的测定转盘塔是一种外输入能量的液—液萃取设备,具有结构简单、生产能力大、功率小等优点,广泛应用于食物油纯化,核燃料处理、原油净化、维生素净化、废水处理等方面。
一、实验目的1.掌握萃取塔传质单元高度的测定方法,学会分析外加能量对液-液萃取塔传质单元的影响;2.了解引起萃取塔液泛不正常现象出现的原因以及处理方法;3.了解液-液萃取设备的结构和特点。
二、实验原理萃取是分离混合液体的一种方法,它是一种弥补精馏操作无法实现分离的方法之一,特别适用于稀有分散昂贵金属的冶炼和高沸点多组分分离,它是依据液体混合物各组分在溶剂中溶解度的差异而实现分离的。
但是,萃取单元操作得不到高纯物质,它只是将难以分离的混合液转化为容易分离的混合液,增加了分离设备和途径,导致成本提高。
所以,经济效益是评价萃取单元操作成功于否的标准。
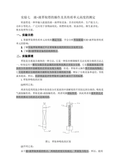
1.萃取和吸收的区别⑴相同之处:两者均是利用混合物中的各组分在某溶剂中溶解度的不同而达到分离的。
吸收是气液接触传质,萃取是液-液接触传质,两者同属相际传质,因此两者的速率表达式和传质推动力的表达式是相同的。
图1. 萃取和吸收的区别⑵不同之处:由于液-液萃取体系的特点,两相的密度比较接近,界面张力较小,所以,能用于强化过程的推动力不大,加上分散的一相,凝聚分层能力不高;而气液吸收两相密度相差很大,界面张力较大,气液两相分离能力很大,由此,对于气液接触效率较高的设备,用于液-液接触效率不一定高。
为了提高液-液相际传质设备的效率,常常需外加能量,如搅拌、脉动、振动等。
另外,为了让分散的液滴凝聚,实现两相的分离,需要有足够的停留时间也即凝聚空间,简称分层分离空间。
2.萃取塔结构特征由于液-液萃取体系的特点,从而使萃取塔的结构发生了根本性变化: ⑴需要适度的外加能量; ⑵需要足够大的分层分离空间。
3.萃取塔的操作特点 ⑴分散相的选择a.容易分散的一相为分散相:在现实操作过程中,很易转相,为了避免此类情况发生,宜选择容易分散的一相为分散相。
液液萃取实验报告一、实验目的液液萃取是一种重要的分离和提纯技术,本次实验旨在通过实际操作,深入理解液液萃取的原理和方法,掌握液液萃取的基本操作技能,学会计算萃取效率,并探究影响萃取效果的因素。
二、实验原理液液萃取是利用溶质在两种互不相溶(或部分互溶)的溶剂中的溶解度差异,使溶质从一种溶剂转移到另一种溶剂中的过程。
在萃取过程中,溶质在原溶剂中的浓度降低,而在萃取剂中的浓度升高,从而实现溶质的分离和提纯。
分配定律是液液萃取的理论基础。
假设溶质 A 在两种互不相溶的溶剂 1 和溶剂 2 中的浓度分别为 C1 和 C2,在一定温度下,达到平衡时,溶质 A 在两种溶剂中的浓度比值为一个常数,称为分配系数 K,即:K = C2 / C1分配系数 K 越大,说明溶质在溶剂 2 中的溶解度越大,萃取效果越好。
三、实验仪器与试剂1、仪器分液漏斗(250 mL)锥形瓶(250 mL)玻璃棒铁架台量筒(100 mL、50 mL)烧杯(250 mL)2、试剂碘水(含碘约 005%)四氯化碳(CCl4)四、实验步骤1、检查分液漏斗是否漏水关闭分液漏斗的活塞,向分液漏斗中加入适量水,观察活塞处是否漏水。
若无漏水,将分液漏斗倒置,检查上口塞子处是否漏水。
2、量取 100 mL 碘水倒入分液漏斗中使用 100 mL 量筒准确量取 100 mL 碘水,缓慢倒入分液漏斗中。
3、加入 20 mL 四氯化碳使用 50 mL 量筒量取 20 mL 四氯化碳,通过分液漏斗上口缓慢倒入。
4、振荡分液漏斗用右手压住分液漏斗上口玻璃塞,左手握住活塞部分,把分液漏斗倒转过来用力振荡,使两种液体充分接触。
5、静置分层振荡后,将分液漏斗放在铁架台上静置,待液体分层。
6、分液液体分层后,打开分液漏斗活塞,使下层液体缓慢流入锥形瓶中。
当下层液体流尽时,关闭活塞,将上层液体从分液漏斗上口倒入另一个锥形瓶中。
五、实验现象与数据记录1、实验现象加入四氯化碳后,碘水与四氯化碳混合,溶液呈紫红色。
液液萃取实验报告液液萃取实验报告一、实验目的:1. 了解液液萃取的原理和操作方法;2. 掌握常见有机化合物的液液萃取方法。
二、实验原理:液液萃取是一种常见的分离和提纯有机化合物的方法,通过溶剂的选择性相溶性使得待提取物质从一个相转移到另一个相中。
常见的液液萃取包括酸碱萃取、溶剂萃取和分区萃取等。
三、实验仪器与试剂:仪器:胶囊漏斗、滴管、温差计、天平、热板、集气瓶。
试剂:苯酚、四氯化铁溶液、水、盐酸、氢氧化钠。
四、实验步骤:1. 准备液液萃取装置,将滤纸放置在胶囊漏斗的滤纸环上;2. 在快慢漏斗中加入苯酚和四氯化铁溶液;3. 调整快慢漏斗中液面的高低,让液面相联系到滴管口;4. 操作人员通气时,快慢漏斗中的液体将可以缓慢地通过滴管;5. 用50%盐酸进行酸化,酸度适中溶解铁络合物,并加热苯酚层10分钟;6. 超过20分钟后,液面平稳,开始排液;7. 用0.1mol/L的氢氧化钠进行碱化,同时用水蒸腾,蒸腾盐酸;8. 收集盐酸水层,再用酸酐除去氢氧化钠;9. 用硫酸将均一苯酚层溶液酸化,与水层失去联系;10. 离心机离心操作,将水层分离出来;11. 回收苯酚。
五、实验结果:1. 在酸化后,铁络合物溶解于水相,苯酚溶于有机相;2. 在碱化后,盐酸溶于水相,苯酚溶于有机相;3. 在酸化后,苯酚溶解于水相,盐酸溶解于有机相。
六、实验讨论:本实验中,通过液液萃取的方法,成功回收和分离了苯酚、四氯化铁和盐酸等化合物。
实验中快慢漏斗的液面调节对于液液萃取的成功与否至关重要,需要根据实际情况进行调整。
在实验中,操作人员应注意观察液面和溶液的变化,及时调节漏斗液面数量,以保证液液萃取的顺利进行。
七、实验结论:通过本实验,我们了解了液液萃取的基本原理和操作方法,并且成功回收和分离了苯酚、四氯化铁和盐酸等化合物。
液液萃取是一种常见的分离和提纯有机化合物的方法,具有简单、快速、效果明显的特点,是化学实验中常用的手段之一。
液液萃取实验报告引言液液萃取是一种常用的分离和纯化技术,广泛应用于化工领域。
本实验旨在通过萃取实验,探究液液萃取原理,了解其在化工过程中的应用。
实验原理液液萃取是利用两种互不溶的液体相之间的分配行为,实现对物质的分离和提纯。
在液液萃取过程中,需要根据目标物质在两相中的分配系数,使其在萃取剂中的浓度达到最大,从而实现分离和纯化的目的。
实验步骤1.准备实验所需材料和仪器,包括分液漏斗、烧杯、热水浴等。
2.预先确定目标物质和萃取剂的性质和溶解度,并计算其分配系数。
3.在烧杯中加入待分离物质和适量的萃取剂,搅拌均匀。
4.将混合液倒入分液漏斗中,等待两相分离。
5.分离两相后,收集上层液体(萃取物)。
6.对萃取物进行后续处理,如浓缩、蒸馏等,以得到纯净的目标物质。
实验结果根据实验步骤进行液液萃取实验后,我们获得了目标物质的纯净萃取物。
根据实验数据,我们计算出了目标物质在萃取剂中的分配系数。
结论液液萃取是一种有效的分离和纯化技术,在化工过程中具有重要的应用价值。
通过本次实验,我们了解了液液萃取的原理和实验步骤,并获得了实验结果。
进一步研究和应用液液萃取技术,可以改进化工过程,提高生产效率和产品质量。
参考文献[1] Smith J., Brown A. Liquid-liquid extraction in the chemical industry. Chemical Engineering Transactions, 2018, 63: 895-900.[2] Jones R., Green M. Liquid-liquid extraction: principles and applications. Cambridge University Press, 2016.以上是液液萃取实验报告的示例,根据实际实验情况和要求进行相应的修改和完善。
实验15 液—液萃取实验一.实验目的1.了解液-液萃取原理和实验方法。
2.熟悉转盘萃取塔的结构、操作条件和控制参数。
3.掌握评价传质性能(传质单元数、传质单元高度)的测定和计算方法。
二.实验原理液-液萃取是分离液体混合物和提纯物质的重要单元操作之一。
在欲分离的液态混合物(本实验暂定为:煤油和苯甲酸的混合溶液)中加入一种与其互不相溶的溶剂(本实验暂定为:水),利用混合液中各组分在两相中分配性质的差异,易溶组分较多地进入溶剂相从而实现混合液的分离。
萃取过程中所用的溶剂称为萃取剂(水),混合液中欲分离的组分称为溶质(苯甲酸),萃取剂提取混合液中的溶质称为萃取相,剩余的混合液称为萃余相。
图2-15-1是一种单级萃取过程示意图。
将萃取剂加到混合液中,搅拌混合均匀,因溶质在萃取相的平衡浓度高于在混合液中的浓度,溶质从混合液向萃取剂中扩散,从而使溶质与混合液中的其他组分分离。
图2-15-1单级萃取过程示意图由于在液-液系统中,两相间的密度差较小,界面张力也不大,所以从过程进行的流体力学条件看,在液-液的接触过程中,能用于强化过程的惯性力不大。
为了提高液-液相传质设备的效率,常常从外界向体系加能量,如搅拌、脉动、振动等。
本实验采用的转盘萃取塔属于搅拌一类。
与精馏和吸收过程类似,由于过程的复杂性,传质性能可用理论级和级效率表示,或者用传质单元数和传质单元高度表示,对于转盘萃取塔、振动萃取塔这类微分接触萃取塔的传质过程,一般采用传质单元数和传质单元高度来表征塔的传质特性。
萃取相传质单元数N OE 表示分离过程的难易程度。
对于稀溶液,近似用下式表示:**ln *2112x x x x x x dxN x x OE --=-=⎰(2-15-1) 式中:N OE ——萃取相传质单元数x ——萃取相的溶质浓度(摩尔分率,下同) x * ——溶质平衡浓度x l 、x 2 ——分别表示萃取相进塔和出塔的溶质浓度。
萃取相的传质单元高度用H OE 表示:OE OE H/N H = (2-15-2)式中:H 为塔的有效高度(m )。
第1篇一、实验目的1. 理解液液萃取的基本原理和过程。
2. 掌握分液漏斗的使用方法和操作技巧。
3. 通过实验验证萃取分离的效率。
4. 学习如何通过萃取分离混合物中的特定成分。
二、实验原理液液萃取是利用物质在不同溶剂中的溶解度差异,通过混合、振荡、静置分层和分液等步骤,将混合物中的某一组分从另一组分中分离出来的方法。
其基本原理是:溶质在互不相溶的溶剂中具有不同的溶解度,溶质会从溶解度小的溶剂转移到溶解度大的溶剂中,从而实现分离。
三、实验仪器和药品仪器:- 分液漏斗(梨形)- 铁架台(带铁圈)- 烧杯- 振荡器- 秒表药品:- 混合溶液(含有待萃取的溶质)- 萃取剂(与混合溶液不互溶的溶剂)- 水或无水乙醇(用于洗涤)四、实验步骤1. 准备工作:- 检查分液漏斗是否漏水,确保密封性良好。
- 准备好混合溶液和萃取剂。
2. 加入溶液:- 将混合溶液倒入分液漏斗中,注意不要超过漏斗容积的2/3。
- 向分液漏斗中加入适量的萃取剂。
3. 振荡混合:- 盖好分液漏斗的玻璃塞,轻轻振荡,使混合溶液和萃取剂充分混合。
- 振荡过程中,注意观察两相液体的混合情况,确保充分接触。
4. 静置分层:- 将分液漏斗放置在铁架台上,静置一段时间,等待两相液体分层。
- 观察分层情况,确认两相液体已完全分层。
5. 分液:- 打开分液漏斗下端的活塞,使下层液体(通常为萃取剂层)缓慢流出至烧杯中。
- 待下层液体流尽后,关闭活塞,打开上端玻璃塞,将上层液体(通常为混合溶液层)倒入另一个烧杯中。
6. 洗涤:- 向分液漏斗中加入少量水或无水乙醇,重复振荡、静置分层和分液的步骤,以去除萃取剂层中的残留溶质。
7. 回收萃取剂:- 将萃取剂层倒入烧杯中,加热蒸发,回收萃取剂。
五、实验现象1. 振荡混合过程中,混合溶液和萃取剂充分接触,形成乳白色混合物。
2. 静置分层后,上层液体(混合溶液层)通常颜色较浅,下层液体(萃取剂层)通常颜色较深。
3. 分液过程中,下层液体(萃取剂层)和上层液体(混合溶液层)分离清晰。
实验八 液-液萃取操作实验一、实验目的1.了解液-液萃取设备的结构和特点。
2.熟悉液 液萃取塔的操作。
二、实验原理萃取是分离液体混合物的一种常用操作。
其工作原理是在待分离的混合液中加入与之不互溶(或部分互溶)的萃取剂,形成共存的两个液相,并利用原溶剂与萃取剂对原混合液中各组分的溶解度的差别,使原溶液中的组分得到分离。
1.液-液传质的特点液-液萃取与吸收、精馏同属于相际传质操作过程,它们之间有很多相似之处。
但由于在液-液萃取系统中,两相的密度差和界面张力均较小,因而会影响传质过程中两相的充分混合。
为了强化两相的传质,在液 液萃取时需借助外力将一相强制分散于另一相中(如利用塔盘旋转的转盘塔、利用外加脉冲的脉冲塔等)。
然而两相一旦充分混合,要使它们充分分离也较为困难,因此,通常在萃取塔的顶部和底部都设有扩大的相分离段。
萃取过程中,两相混合与分离的好坏,将直接影响萃取设备的效率。
影响混合和分离的因素有很多,分离效果除了与液体的物性有关外,还与设备结构、外加能量和两相流体的流量等因素有关,以致于很难用数学方程直接求得,所以表示传质好坏的级效率或传质系数的值多用实验直接测定。
研究萃取塔性能和萃取效率时,应注意观察操作现象,实验时应注意了解以下几点:(1)液滴的分散与聚结现象。
(2)塔顶、塔底分离段的分离效果。
(3)萃取塔的液泛现象。
(4)外加能量大小(改变振幅、频率)对操作的影响。
2.液-液萃取塔的计算本实验以水为萃取剂,从煤油中萃取苯甲酸。
水相为萃取相(用字母E 表示,又称连续相、重相)。
煤油相为萃余相(用字母R 表示,又称分散相、轻相)。
在轻相入口处,苯甲酸在煤油中的浓度应保持在0.0015~0.0020(kg 苯甲酸/kg 煤油)之间。
轻相从塔底进入,作为分散相向上流动,经塔顶分离段分离后由塔顶流出;重相由塔顶进入,作为连续相向下流动至塔底经π形管流出。
轻、重两相在塔内呈逆向流动。
在萃取过程中,一部分苯甲酸从萃余相转移至萃取相。
实验报告总结实验报告总结总结是对某一特定时间段内的学习和工作生活等表现情况加以回顾和分析的一种书面材料,它可以帮助我们有寻找学习和工作中的规律,不如立即行动起来写一份总结吧。
总结一般是怎么写的呢?下面是小编收集整理的实验报告总结,供大家参考借鉴,希望可以帮助到有需要的朋友。
实验报告总结1一、实验目的① 了解转盘萃取塔的结构和特点② 掌握液—液萃取塔的操作③ 掌握传质单元高度的测定方法并分析外加能量对液液萃取塔传质单元高度和通量的影响。
二、实验器材萃取实验装置三、实验原理萃取是利用原料液中各组分在两个液相中的溶解度不同而使原料液混合物得以分离。
将一定量萃取剂加入原料液中然后加以搅拌使原料液与萃取剂充分混合溶质通过相界面由原料液向萃取剂中扩散所以萃取操作与精馏、吸收等过程一样也属于两相间的传质过程。
与精馏吸收过程类似由于过程的复杂性萃取过程也被分解为理论级和级效率或传质单元数和传质单元高度对于转盘塔振动塔这类微分接触的萃取塔一般采用传质单元数和传质单元高度来处理。
传质单元数表示过程分离难易的程度。
对于稀溶液传质单元数可近似用下式表示式中NOR------萃余相为基准的总传质单元数x------萃余相中的溶质的浓度以摩尔分率表示x*------与相应萃取浓度成平衡的萃余相中溶质的浓度以摩尔分率表示。
x1、x2------分别表示两相进塔和出塔的萃余相浓度传质单元高度表示设备传质性能的好坏可由下式表示H12xx*ORxxdxN ORORNH ORxHLaK 式中 HOR------以萃余相为基准的传质单元高度m; H------ 萃取塔的有效接触高度,m; Kxa------萃余相为基准的总传质系数kg/(m3h△ x); L------萃余相的质量流量kg/h; ------塔的截面积,m2; 已知塔高度H 和传质单元数NOR可由上式取得HOR的数值。
HOR 反映萃取设备传质性能的好坏HOR越大设备效率越低。
实验名称:萃取实验 一、 实验目的① 了解转盘萃取塔的结构和特点; ② 掌握液—液萃取塔的操作;③ 掌握传质单元高度的测定方法,并分析外加能量对液液萃取塔传质单元高度和通量的影响。
二、 实验器材萃取实验装置三、 实验原理萃取是利用原料液中各组分在两个液相中的溶解度不同而使原料液混合物得以分离。
将一定量萃取剂加入原料液中,然后加以搅拌使原料液与萃取剂充分混合,溶质通过相界面由原料液向萃取剂中扩散,所以萃取操作与精馏、吸收等过程一样,也属于两相间的传质过程。
与精馏,吸收过程类似,由于过程的复杂性,萃取过程也被分解为理论级和级效率;或传质单元数和传质单元高度,对于转盘塔,振动塔这类微分接触的萃取塔,一般采用传质单元数和传质单元高度来处理。
传质单元数表示过程分离难易的程度。
对于稀溶液,传质单元数可近似用下式表示:⎰-=12x x *OR x x dxN式中 N OR ------萃余相为基准的总传质单元数;x------萃余相中的溶质的浓度,以摩尔分率表示;x*------与相应萃取浓度成平衡的萃余相中溶质的浓度,以摩尔分率表示。
x 1、x 2------分别表示两相进塔和出塔的萃余相浓度传质单元高度表示设备传质性能的好坏,可由下式表示:OR OR N H H =Ω=OR x H L a K式中 H OR ------以萃余相为基准的传质单元高度,m;H------ 萃取塔的有效接触高度,m;Kxa------萃余相为基准的总传质系数,kg/(m 3•h •△x); L------萃余相的质量流量,kg/h;Ω------塔的截面积,m 2;已知塔高度H 和传质单元数N OR 可由上式取得H OR 的数值。
H OR 反映萃取设备传质性能的好坏,H OR 越大,设备效率越低。
影响萃取设备传质性能H OR 的因素很多,主要有设备结构因素,两相物质性因素,操作因素以及外加能量的形式和大小。
图-1 转盘萃取塔流程1、萃取塔2、轻相料液罐3、轻相采出罐4、水相贮罐5、轻相泵6、水泵1、流程说明:本实验以水为萃取剂,从煤油中萃取苯甲酸。
液液转盘萃取的实验报告范文篇一:萃取和分液实验报告一、实验目的:(1)了解萃取分液的基本原理。
(2)熟练掌握分液漏斗的选择及各项操作。
二、实验原理:利用某溶质在互不相溶的溶剂中的溶解度不同,用一种溶剂把溶质从它与另一种溶剂组成的溶液中提取出来,在利用分液的原理和方法将它们分离开来。
三、实验仪器和药品:药品:碘水、CCl4器材:分液漏斗、100ml烧杯、带铁圈的铁架台、20ml四、实验步骤:1、分液漏斗的选择和检验:验分液漏斗是否漏水,检查完毕将分液漏斗置于铁架台上;2、振荡萃取:用量筒量取10 ml碘水,倒入分液漏斗,再量取5 ml萃取剂CCl4加入分液漏斗,盖好玻璃塞,振荡、放气;需要重复几次振荡放气。
3、静置分层:将振荡后的分液漏斗放于铁架台上,漏斗下端管口紧靠烧怀内壁;4、分液:调整瓶塞凹槽对着瓶颈小孔,使漏斗内外空气相通,轻轻旋动活塞,按“上走上,下走下”的原则分离液体;五、实验室制备图:六、实验总结(注意事项):1、分液漏斗一般选择梨形漏斗,需要查漏。
方法为:关闭活塞,在漏斗中加少量水,盖好盖子,用右手压住分液漏斗口部,左手握住活塞部分,把分液漏斗倒转过来用力振荡,看是否漏水。
2、将溶液注入分液漏斗中,溶液总量不超过其容积的3/4;3、振荡操作要领:右手顶住玻璃塞,左手握住活塞,倒置振荡;振荡过程中要放气2—3次,让分液漏斗仍保持倾斜状态,旋开旋塞,放出蒸气或产生的气体,使内外压力平衡;4、要及时记录萃取前后的液面情况及颜色变化;振荡前,上层为黄色,下层为无色;振荡静置后,上层为无色(或淡黄色),下层为紫色;5、萃取剂的选择a。
溶质在萃取剂的溶解度要比在原溶剂(水)大。
b。
萃取剂与原溶剂(水)不互溶。
c。
萃取剂与溶液不发生发应。
6、按“上走上,下走下”的原则分离液体是为了防止上层液体混带有下层液体。
七、问题:1、如果将萃取剂换成苯,实验现象是否相同?使用哪种有机溶剂做萃取剂更好些?为什么?篇二:P2O4萃取实验报告萃取从5月29日更换有机相开机后,发现锡总是不能萃取充分。
液液转盘萃取实验报告竭诚为您提供优质文档/双击可除液液转盘萃取实验报告篇一:液液转盘萃取表1原始实验数据记录:氢氧化钾的当量浓度nKoh=0.02mol/L表2数据处理表表1原始实验数据记录:氢氧化钾的当量浓度nKoh=0.02mol/L表2数据处理表篇二:液液萃取实验报告篇三:转盘萃取实验湖南大学本科生实验论文转盘萃取实验学生姓名:王贝贝所属院系:环境科学与工程学院专业班级:12级环境科学1班学生学号:20XX03020XX8指导老师:范长征完成日期:20XX年1月转盘萃取实验引言萃取是利用物质在两种互不相溶(或微溶)的溶剂中溶解度或分配系数的不同,使物质从一种溶剂内转移到另外一种溶剂中。
经过反复多次萃取,将绝大部分的化合物提取出来。
萃取时如果各成分在两相溶剂中分配系数相差越大(:液液转盘萃取实验报告),则分离效率越高、如果在水提取液中的有效成分是亲脂性的物质,一般多用亲脂性有机溶剂,如苯、氯仿或乙醚进行两相萃取,如果有效成分是偏于亲水性的物质,在亲脂性溶剂中难溶解,就需要改用弱亲脂性的溶剂,例如乙酸乙酯、丁醇等。
还可以在氯仿、乙醚中加入适量乙醇或甲醇以增大其亲水性。
提取黄酮类成分时,多用乙酸乙脂和水的两相萃取。
提取亲水性强的皂甙则多选用正丁醇、异戊醇和水作两相萃取。
不过,一般有机溶剂亲水性越大,与水作两相萃取的效果就越不好,因为能使较多的亲水性杂质伴随而出,对有效成分进一步精制影响很大转盘萃取塔是一种逆流萃取设备,相分散依靠塔内平整的旋转圆盘来实现。
转盘之间设挡板以减少轴向混合。
这种塔在化工、石油、医药、废水处理以及湿法冶金等工业实践中成功的历史,突出证明了它优越的性能,特别是效率高[1~2],操作弹性好,设备及操作费用便宜。
据比较,其投资仅为同等处理能力填料塔的30%~40%[3]。
转盘塔的结构和流程:塔体呈圆筒形,其内壁上装有固定环,将塔分隔成许多小室,塔的中心从塔顶插入一根转轴,蜗轮转盘即装在其上;转轴由塔顶的电动机带动。
液液转盘萃取实验报告例文篇一:萃取和分液试验报告一、试验意图:(1)了解萃取分液的根本原理。
(2)熟练掌握分液漏斗的挑选及各项操作。
二、试验原理:运用某溶质在互不相溶的溶剂中的溶解度不同,用一种溶剂把溶质从它与另一种溶剂组成的溶液中提取出来,在运用分液的原理和办法将它们别离开来。
三、试验仪器和药品:药品:碘水、CCl4器件:分液漏斗、100ml烧杯、带铁圈的铁架台、20ml四、试验进程:1、分液漏斗的挑选和查验:验分液漏斗是否漏水,查看结束将分液漏斗置于铁架台上;2、振动萃取:用量筒量取10ml碘水,倒入分液漏斗,再量取5ml萃取剂CCl4参加分液漏斗,盖好玻璃塞,振动、放气;需求重复几回振动放气。
3、静置分层:将振动后的分液漏斗放于铁架台上,漏斗下端管口紧靠烧怀内壁;4、分液:调整瓶塞凹槽对着瓶颈小孔,使漏斗表里空气相通,悄悄旋动活塞,按“上走上,下走下”的准则别离液体;五、试验室制备图:六、试验总结(注意事项):1、分液漏斗一般挑选梨形漏斗,需求查漏。
办法为:封闭活塞,在漏斗中加少数水,盖好盖子,用右手压住分液漏斗口部,左手抓住活塞部分,把分液漏斗倒转过来用力振动,看是否漏水。
2、将溶液注入分液漏斗中,溶液总量不超越其容积的3/4;3、振动操作方法:右手顶住玻璃塞,左手抓住活塞,倒置振动;振动进程中要放气2—3次,让分液漏斗仍坚持歪斜状况,旋开旋塞,放出蒸气或发生的气体,使表里压力平衡;4、要及时记载萃取前后的液面状况及色彩改动;振动前,上层为黄色,基层为无色;振动静置后,上层为无色(或淡黄色),基层为紫色;5、萃取剂的挑选a。
溶质在萃取剂的溶解度要比在原溶剂(水)大。
b。
萃取剂与原溶剂(水)不互溶。
c。
萃取剂与溶液不发生发应。
6、按“上走上,下走下”的准则别离液体是为了避免上层液体混带有基层液体。
七、问题:1、假如将萃取剂换成苯,试验现象是否相同?运用哪种有机溶剂做萃取剂更好些?为什么?篇二:P2O4萃取试验报告萃取从5月29日替换有机相开机后,发现锡总是不能萃取充沛。
一、实验目的1. 验证转盘萃取塔在实际应用中的性能和效率。
2. 优化萃取操作条件,提高萃取效率。
3. 研究不同萃取剂、萃取温度、萃取时间等因素对萃取效果的影响。
4. 为工业化生产提供技术支持。
二、实验原理转盘萃取是一种基于液-液分配系数的分离方法,利用混合物中各组分在不同溶剂中的溶解度差异,实现组分分离。
转盘萃取塔是转盘萃取的典型设备,其原理是利用转盘将两相液体混合,使溶质在两相之间传递,从而实现分离。
三、实验器材和药品1. 实验器材:- 转盘萃取塔- 转速控制器- 温度控制器- 流量计- 分液漏斗- 烧杯- 秒表- 温度计- 精密天平- 标准筛2. 药品:- 萃取剂(如正己烷、苯等)- 溶质(如苯、甲苯等)- 纯水四、实验步骤1. 装置准备:将转盘萃取塔安装好,连接好各仪器,调试好温度、转速等参数。
2. 萃取剂准备:将萃取剂置于萃取塔中,调整好流量。
3. 溶质准备:将溶质溶解于水中,调整好浓度。
4. 萃取过程:- 将溶质溶液倒入分液漏斗中,加入一定量的萃取剂。
- 将分液漏斗置于萃取塔中,启动转速控制器,使转盘旋转。
- 观察两相液体分层情况,记录分层时间。
- 根据分层时间,调整萃取时间。
- 萃取完成后,将两相液体分离,收集有机相。
5. 数据记录:记录萃取时间、萃取温度、萃取剂用量、溶质浓度、萃取率等数据。
五、实验现象1. 萃取剂与溶质溶液混合后,两相液体迅速分层。
2. 转盘旋转过程中,两相液体接触面积增大,有利于溶质传递。
3. 随着萃取时间的延长,有机相颜色逐渐加深,萃取率提高。
六、实验结果与分析1. 萃取时间对萃取率的影响:实验结果表明,萃取时间对萃取率有显著影响。
在一定范围内,萃取时间越长,萃取率越高。
但当萃取时间过长时,萃取率提高幅度减小,甚至出现下降趋势。
因此,应根据实际需要确定合理的萃取时间。
2. 萃取温度对萃取率的影响:实验结果表明,萃取温度对萃取率有显著影响。
在一定范围内,提高萃取温度,萃取率提高。
一、实验目的1. 了解转盘萃取塔的基本结构、操作方法及萃取的工艺流程。
2. 观察转盘转速变化时,萃取塔内轻、重两相流动状况,了解萃取操作的主要影响因素。
3. 研究萃取操作条件对萃取过程的影响,提高萃取效率。
二、实验原理萃取是一种分离和提纯物质的重要单元操作之一,是利用混合物中各个组分在外加溶剂中的溶解度的差异而实现组分分离的单元操作。
在转盘萃取塔中,转盘作为萃取剂,通过旋转将轻、重两相混合,使组分在两相之间进行传质,从而实现分离。
三、实验器材和药品1. 实验器材:转盘萃取塔、转盘、轻相、重相、原料液贮槽、萃余相贮槽、煤油槽、流量计、法兰、阀门、输送泵、加料泵、转速控制装置、转动结构,不锈钢控制屏及台架。
2. 实验药品:轻相、重相、原料液。
四、实验步骤1. 装置组装:按照实验要求组装转盘萃取塔,包括转盘、输送泵、加料泵、转速控制装置等。
2. 液体准备:将轻相、重相、原料液分别倒入原料液贮槽、煤油槽中,调整流量计,使两相流量相等。
3. 加料:将原料液倒入原料液贮槽,打开加料泵,使原料液进入转盘萃取塔。
4. 萃取:打开转速控制装置,使转盘旋转,观察轻、重两相在转盘萃取塔内的流动状况。
5. 萃取过程调整:根据实验要求,调整转速控制装置,观察萃取过程的变化。
6. 萃取结果分析:记录萃取过程中的各项参数,如转盘转速、轻、重两相流量、萃取率等,分析萃取过程的影响因素。
五、实验现象1. 轻相和重相在转盘萃取塔内形成明显的分层。
2. 随着转盘转速的增加,轻、重两相在转盘萃取塔内的流动速度加快,萃取效果提高。
3. 在一定转速范围内,随着转速的增加,萃取率逐渐提高,但超过一定转速后,萃取率开始下降。
六、实验结论1. 转盘萃取塔是一种有效的分离和提纯物质的单元操作。
2. 转盘转速对萃取过程有显著影响,在一定转速范围内,随着转速的增加,萃取率逐渐提高。
3. 在实际应用中,应根据具体情况进行实验参数的优化,以提高萃取效率。
液液萃取实验报告【篇一:液液转盘萃取实验】化工原理实验报告学院:专业:班级:【篇二:萃取实验报告】实验名称:萃取实验一、实验目的①了解转盘萃取塔的结构和特点;②掌握液—液萃取塔的操作;③掌握传质单元高度的测定方法,并分析外加能量对液液萃取塔传质单元高度和通量的影响。
二、实验器材萃取实验装置三、实验原理萃取是利用原料液中各组分在两个液相中的溶解度不同而使原料液混合物得以分离。
将一定量萃取剂加入原料液中,然后加以搅拌使原料液与萃取剂充分混合,溶质通过相界面由原料液向萃取剂中扩散,所以萃取操作与精馏、吸收等过程一样,也属于两相间的传质过程。
与精馏,吸收过程类似,由于过程的复杂性,萃取过程也被分解为理论级和级效率;或传质单元数和传质单元高度,对于转盘塔,振动塔这类微分接触的萃取塔,一般采用传质单元数和传质单元高度来处理。
传质单元数表示过程分离难易的程度。
对于稀溶液,传质单元数可近似用下式表示:nor?式中 nor------萃余相为基准的总传质单元数;x------萃余相中的溶质的浓度,以摩尔分率表示;x*------与相应萃取浓度成平衡的萃余相中溶质的浓度,以摩尔分率表示。
x1、x2------分别表示两相进塔和出塔的萃余相浓度传质单元高度表示设备传质性能的好坏,可由下式表示:hor?hnorlhor??x1dxx?x*x2kxa?式中 hor------以萃余相为基准的传质单元高度,m;h------ 萃取塔的有效接触高度,m;kxa------萃余相为基准的总传质系数,kg/(m3?h?△x); l------萃余相的质量流量,kg/h;?------塔的截面积,m2;已知塔高度h和传质单元数nor可由上式取得hor的数值。
hor反映萃取设备传质性能的好坏,hor越大,设备效率越低。
影响萃取设备传质性能hor的因素很多,主要有设备结构因素,两相物质性因素,操作因素以及外加能量的形式和大小。
图-1 转盘萃取塔流程1、萃取塔2、轻相料液罐3、轻相采出罐4、水相贮罐5、轻相泵 6、水泵1、流程说明:本实验以水为萃取剂,从煤油中萃取苯甲酸。
化工原理实验实验名称:萃取实验 实验目的:1、 了解转盘萃取塔德结构和特点。
2、 掌握液——液萃取塔德操作3、 掌握传质单元高度的测定方法,并分析外加能量对液液萃取塔传质单元高度和通量的影响。
实验原理:萃取是利用原料液中各组分在两个液相中的溶解度不同而使原料液混合物得以分离。
将一定量萃取剂加入原料液中,然后加以搅拌使原料液与萃取剂充分混合,溶质通过相界面由原料液向萃取剂中扩散,所以萃取操作与精馏、吸收等过程一样,也属于两相间的传质过程。
与精馏,吸收过程类似,由于过程的复杂性,萃取过程也被分解为理论级和级效率;或传质单元数和传质单元高度,对于转盘塔,振动塔这类微分接触的萃取塔,一般采用传质单元数和传质单元高度来处理。
传质单元数表示过程分离难易的程度。
对于稀溶液,传质单元数可近似用下式表示: ⎰-=12*x x OR xx dxN 式中,OR N ——萃余相为基准的总传质单元数X ——萃余相中的溶质的浓度,以质量分率表示*x ——与相应萃取浓度成平衡的萃余相中溶质的浓度,以质量分率表示 1x 、2x ——分别表示两相进塔和出塔的萃余相浓度 传质单元高度表示设备传质性能的好坏,可由下式表示: OROR N HH =Ω=OR x H L a K式中,OR H ——以萃余相为基准的传质单元高度,m H ——萃取塔的有效接触高度,ma x K ——萃余相为基准的总传质系数,kg/(x h m ∆⋅⋅3)L ——萃余相的质量流量,kg/h Ω——塔的截面积,2m已知塔高度H 和传质单元数OR N 可由上式取得OR H 的数值。
OR H 反映萃取设备传质性能的好坏,OR H 越大,设备效率越低。
影响萃取设备传质性能OR H 的因素很多,主要有设备结构因素,两相物质性因素,操作因素以及外加能量的形式和大小。
1、萃取塔2、轻相料液罐3、轻相采出罐4、水相贮罐5、轻相泵6、水泵图1 转盘萃取塔流程本实验以水为萃取剂,从煤油中萃取苯甲酸。