化学镍和电镀镍
- 格式:docx
- 大小:14.86 KB
- 文档页数:2
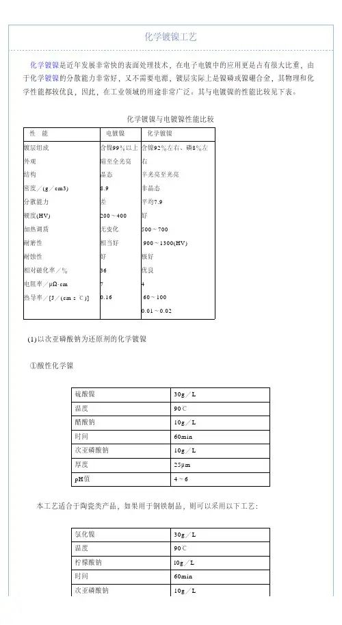
化学镀镍1 化学镀的定义化学镀是在无电流通过(无外界动力)时借助还原剂在同一溶液中发生的氧化还原作用,从而使金属离子还原沉积在零件表面上的一种镀覆方法.M n+ + ne(由还原剂提供的) 催化表面M02 化学镀与电镀的区别电镀是利用外电流将电镀液中的金属离子在阴极上还原成金属的过程。
而化学镀是不外加电流,在金属表面的催化作用下经化学还原法进行的金属沉积过程。
3 化学镀的优缺点优点:(1)可以在由金属,半导体和非导体等各种材料制成的零件上镀覆金属。
(2)无论零件的几何形状如何复杂,凡能接触到溶液的地方都能获得厚度均匀的镀层。
(3)可以获得较大厚度的镀层,甚至可以电铸。
(4)无需电源。
(5)镀层致密,孔隙小。
(6)镀层往往具有特殊的化学,机械或磁性能。
缺点:(1)溶液稳定性差,溶液维护,调整和再生等比较麻烦,成本比电镀高。
(2)镀层常显示出较大的脆性。
4 化学镀镍和电镀镍制品性能比较5(1)纯金属镀层,如C u Sn Ag Au Ru Pd(2)二元合金镀层,如Ni—P Ni—B C o—P C o—B(3)三元及四元合金镀层,如Ni—Co—P Ni—W—Sn—P(4)化学复合镀层6 化学镀镍的定义化学镀镍,又称为无电解镀镍,是在金属盐和还原剂共同存在的溶液中靠自催化的化学反应而在金属表面沉积了金属镀层的成膜技术.7 化学镀镍的基本工艺如同其他湿法表面处理一样,化学镀镍包括镀前处理、施镀操作、镀后处理各部分工艺序列组成,正确地实施工艺全过程才能获得质量合格的镀层。
然而,与电镀工艺比较,化学镀镍工艺全过程应格外仔细。
化学镀取决于在工件表面均匀一致的、迅速成的初始状态(起镀过程),化学镀镍并无外力启动和帮助克服任何表面缺陷;于是,工件一进入镀液即形成均匀一致的沉积界面,这一点很重要,因为化学镀是靠表面条件启动的,即异相表面自催化反应,而不是电力。
一般来说,化学镀镍液比较电镀液更加敏感娇弱。
其中各项化学成份的平衡、工艺参数的可操作范围比较狭窄;对于污染物的耐受能力较差,甚至ppm级的重金属离子就可能造成镀层性能恶化或漏镀、停镀;考虑到化学镀液的寿命,比较电镀液而言,十分有限,需要给予更多的维护,尽可能延长化学镀液寿命是十分重要的。
电镀镍的特点、性能、用途:1、电镀镍层在空气中的稳定性很高,由于金属镍具有很强的钝化能力,在表面能迅速生成一层极薄的钝化膜,能抵抗大气、碱和某些酸的腐蚀。
2 、电镀镍结晶极其细小,并且具有优良的抛光性能。
经抛光的镍镀层可得到镜面般的光泽外表,同时在大气中可长期保持其光泽。
所以,电镀层常用于装饰。
3、镍镀层的硬度比较高,可以提高制品表面的耐磨性,在印刷工业中常用镀镍层来提高铅表面的硬度。
由于金属镍具有较高的化学稳定性,有些化工设备也常用较厚的镇镀层,以防止被介质腐蚀。
镀镍层还广泛的应用在功能性方面,如修复被磨损、被腐蚀的零件,采用刷镀技术进行局部电镀。
采用电铸工艺,用来制造印刷行业的电铸版、唱片模以及其它模具。
厚的镀镍层具有良好的耐磨性,可作为耐磨镀层。
尤其是近几年来发展了复合电镀,可沉积出夹有耐磨微粒的复合镍镀层,其硬度和耐磨性比镀镍层更高。
若以石墨或氟化石墨作为分散微粒,则获得的镍-石墨或镍-氟化石墨复合镀层就具有很好的自润滑性,可用作为润滑镀层。
黑镍镀层作为光学仪器的镀覆或装饰镀覆层亦都有着广泛的应用。
4、镀镍的应用面很广,可作为防护装饰性镀层,在钢铁、锌压铸件、铝合金及铜合金表面上,保护基体材料不受腐蚀或起光亮装饰作用;也常作为其他镀层的中间镀层,在其上再镀一薄层铬,或镀一层仿金层,其抗蚀性更好,外观更美。
在功能性应用方面,在特殊行业的零件上镀镍约1~3mm厚,可达到修复目的。
特别是在连续铸造结晶器、电子元件表面的模具、合金的压铸模具、形状复杂的宇航发动机部件和微型电子元件的制造等方应用越来越广泛。
5、在电镀中,由于电镀镍具有很多优异性能,其加工量仅次于电镀锌而居第二位,其消耗量占到镍总产量的10%左右。
化学镀镍的特点、性能、用途:1、厚度均匀性厚度均匀和均镀能力好是化学镀镍的一大特点,也是应用广泛的原因之一,化学镀镍避免了电镀层由于电流分布不均匀而带来的厚度不均匀。
化学镀时,只要零件表面和镀液接触,镀液中消耗的成份能及时得到补充,镀件部位的镀层厚度都基本相同,即使凹槽、缝隙、盲孔也是如此。
化学镀镍综述化学镀镍,又称为无电解镀镍,是在金属盐和还原剂共同存在的溶液中靠自催化的化学反应而在金属表面沉积了金属镀层的新的成膜技术。
电镀是利用外电流将电镀液中的金属离子在阴极上还原成金属的过程。
而化学镀是不外加电流,在金属表面的催化作用下经控制化学还原法进行的金属沉积过程。
因不用外电源直译为无电镀或不通电镀。
由于反应必须在具有自催化性的材料表面进行,美国材料试验协会(ASTMB—347)推荐用自催化镀一词(Autocatalytic plating)。
对化学镀镍而言,我国1992年颁布的国家标准(GB/T13913—92)则称为自催化镍-磷镀层(Autocatalytic Nickel Phosphorus Coating),其意义与美国材料试验协会的名称相同。
由于金属的沉积过程是纯化学反应(催化作用当然是重要的),所以将这种金属沉积工艺称为“化学镀"最为恰当,这样它才能充分反映该工艺过程的本质.从语言学角度看Chemical,Non electrolytic,Electroless三个词主是一个意义了,直译为无电镀一词是不确切的。
“化学镀”这个术语目前在国内外已被大家认同和采用。
化学镀镍所镀出的镀层为镍磷合金,按其磷含量的不同可分为低磷、中磷、高磷三大类:·磷含量低于3%的称为低磷;·磷含量在3—10%的为中磷;·磷含量高于10%的为高磷;其中中磷的跨度比较大,一般我们常见的中磷镀层为6—9%的磷含量.当然,本站主要介绍的是化学镀镍磷合金,有时为了方便我们简称化学镀了,而且EN也是化学镀镍简称。
但化学镀不仅此一种镀种,比较成熟的还有化学镀铜,化学镀金,化学镀锡,还有一种复合镀层.其它镀种的市场占有量不足总量的1%,本站不做重点介绍。
化学镀层的物理性质与化学性质密度:镍的密度在20℃时为8。
91。
含磷量1%—4%时为8.5;含磷量7%-9%时为8。
1;含磷量10%-12%时为7.9。
化学镀和电镀的知识点电镀镍与化学镀镍的区别1. 化学镀镍层是极为均匀的,只要镀液能浸泡得到,溶质交换充分,镀层就会非常均匀,几乎可以达到仿形的效果。
2. 化学镀目前市场上只有纯镍磷合金的一种颜色,而电镀可以实现很多色彩。
3. 化学镀是依靠在金属表面所发生的自催化反应,化学镀与电镀从原理上的区别就是电镀需要外加的电流和阳极。
4. 化学镀过以对任何形状工件施镀,但电镀无法对一些形状复杂的工件进行全表面施镀。
5. 电镀因为有外加的电流,所以镀速要比化学镀快得我,同等厚度的镀层电镀要比化学镀提前完成。
6. 高磷的化学镀镍层为非晶态,镀层表面没有任何晶体间隙,而电镀层为典型的晶态镀层。
7. 化学镀层的结合力要普遍高于电镀层。
8. 化学镀由于大部分使用食品级的添加剂,不使用诸如氰化物等有害物质,所以化学镀比电镀要环保一些。
关于化学镀镍层的工艺特点:1. 厚度均匀性厚度均匀和均镀能力好是化学镀镍的一大特点,也是应用广泛的原因之一,化学镀镍避免了电镀层由于电流分布不均匀而带来的厚度不均匀,电镀层的厚度在整个零件,尤其是形状复杂的零件上差异很大,在零件的边角和离阳极近的部位,镀层较厚,而在内表面或离阳极远的地方镀层很薄,甚至镀不到,采用化学镀可避免电镀的这一不足。
化学镀时,只要零件表面和镀液接触,镀液中消耗的成份能及时得到补充,任何部位的镀层厚度都基本相同,即使凹槽、缝隙、盲孔也是如此。
2. 不存在氢脆的问题电镀是利用电源能将镍阳离子转换成金属镍沉积到阳极上,用化学还原的方法是使镍阳离子还原成金属镍并沉积在基体金属表面上,试验表明,镀层中氢的夹入与化学还原反应无关,而与电镀条件有很大关系,通常镀层中的含氢量随电流密度的增加而上升。
3. 很多材料和零部件的功能如耐蚀、抗高温氧化性等均是由材料和零部件的表面层体现出来,在一般情况下可以采用某些具有特殊功能的化学镀镍层取代用其他方法制备的整体实心材料,也可以用廉价的基体材料化学镀镍代替有贵重原材料制造的零部件,因此,化学镀镍的经济效益是非常大的。
化学镀工艺化学镀,又称为无电解镀。
因为在工件施镀的过程中,虽说有电子转移,但无须外接电源,工件表面镀层完全是靠化学氧化还原反应实现的。
化学镀是指在无外加电流的状态下,利用一种合适的还原剂,使镀液中的金属离子还原并沉积在基体表面上的化学还原过程。
或者说,化学镀是将零件浸入到溶液中在催化剂的作用下在表面发生的金属的沉积,是一个在界面上发生的催化沉积的过程。
因此和电镀不同,化学镀过程不需要整流电源和阳极。
金属沉积仅在零件表面上进行,电子是通过溶解于溶液中的化学还原剂提供的。
完成化学镀的过程有三种方式:(1)置换沉积利用被镀金属的电位比沉积金属负,将沉积金属离子从溶液中置换在工件表面上。
其化学反应可表述为Me1+Me2n+→Me2+Me1m+溶液中金属离子被还原沉积的同时,伴随着基体金属的溶解,当基体金属表面被沉积金属完全覆盖时,反应即自动停止。
所以,采用这种方法得到的镀层非常薄。
(2)接触沉积利用电位比被镀金属高的第三金属与被镀金属接触,让被镀金属表面富积电子,从而将沉积金属还原在被镀金属表面。
其化学反应实际上与置换沉积相同,只是Me,不是基体金属,而是第三金属。
其缺点是第三金属离子会在溶液中积累。
(3)还原沉积利用还原剂被氧化时释放出的自由电子,把沉积金属还原在镀件表面;其反应过程可表述为:Me n++Re→Me+OX式中Me——沉积金属;Re——表示还原剂;0X——表示氧化剂。
一般意义上的化学镀是指这种还原沉积化学镀。
它只在具有催化作用的表面上发生。
如果沉积金属(如镍:铜等)本身就是反应的催化剂,该化学镀过程就称为自催化化学镀,它可以得到所需的镀层厚度。
如果在催化表面上沉积的金属本身不能作为反应的催化剂,一旦催化表面被沉积金属覆盖,沉积反应就会自动终止,所以只能获得有限厚度的镀层.化学镀可以在金属、半导体和非导体材料上直接进行,由于没有电流分布的问题,在复杂零件表面可以获得厚度均匀、孔隙率低、对深孔或形状复杂的零件具有很好覆盖能力的镀层。
化学镀镍ENP简介化学镀镍技术是采用金属盐和还原剂,在材料表面上发生自催化反应获得镀层的方法。
到目前为止,化学镀镍是国外发展最快的表面处理工艺之一,且应用范围也最广。
化学镀镍之所以得到迅速发展,是由于其优越的工艺特点所决定。
一、化学镀镍层的工艺特点1. 厚度均匀性厚度均匀和均镀能力好是化学镀镍的一大特点,也是应用广泛的原因之一,化学镀镍避免了电镀层由于电流分布不均匀而带来的厚度不均匀,电镀层的厚度在整个零件,尤其是形状复杂的零件上差异很大,在零件的边角和离阳极近的部位,镀层较厚,而在内表面或离阳极远的地方镀层很薄,甚至镀不到,采用化学镀可避免电镀的这一不足。
化学镀时,只要零件表面和镀液接触,镀液中消耗的成份能及时得到补充,任何部位的镀层厚度都基本相同,即使凹槽、缝隙、盲孔也是如此。
2. 不存在氢脆的问题电镀是利用电源能将镍阳离子转换成金属镍沉积到阳极上,用化学还原的方法是使镍阳离子还原成金属镍并沉积在基体金属表面上,试验表明,镀层中氢的夹入与化学还原反应无关,而与电镀条件有很大关系,通常镀层中的含氢量随电流密度的增加而上升。
在电镀镍液中,除了一小部分氢是由NiSO4和H2PO3反应产生以外,大部分氢是由于两极通电时发生电极反应引起的水解而产生,在阳极反应中,伴随着大量氢的产生,阴极上的氢与金属Ni-P合金同时析出,形成(Ni-P)H,附着在沉积层中,由于阴极表面形成超数量的原子氢,一部分脱附生成H2,而来不及脱附的就留在镀层内,留在镀层内的一部分氢扩散到基体金属中,而另一部分氢在基体金属和镀层的缺陷处聚集形成氢气团,该气团有很高的压力,在压力作用下,缺陷处导致了裂纹,在应力作用下,形成断裂源,从而导致氢脆断裂。
氢不仅渗透到基体金属中,而且也渗透到镀层中,据报道,电镀镍要在400℃×18h或230℃×48h的热处理之后才能基本上除去镀层中的氢,所以电镀镍除氢是很困难的,而化学镀镍不需要除氢。
工艺技术:化学镀镍详解一、化学镀镍层的工艺特点1.厚度均匀性厚度均匀和均镀能力好是化学镀镍的一大特点,也是应用广泛的原因之一,化学镀镍避免了电镀层由于电流分布不均匀而带来的厚度不均匀,电镀层的厚度在整个零件,尤其是形状复杂的零件上差异很大,在零件的边角和离阳极近的部位,镀层较厚,而在内表面或离阳极远的地方镀层很薄,甚至镀不到,采用化学镀可避免电镀的这一不足。
化学镀时,只要零件表面和镀液接触,镀液中消耗的成份能及时得到补充,任何部位的镀层厚度都基本相同,即使凹槽、缝隙、盲孔也是如此。
2.不存在氢脆的问题电镀是利用电源能将镍阳离子转换成金属镍沉积到阳极上,用化学还原的方法是使镍阳离子还原成金属镍并沉积在基体金属表面上,试验表明,镀层中氢的夹入与化学还原反应无关,而与电镀条件有很大关系,通常镀层中的含氢量随电流密度的增加而上升。
在电镀镍液中,除了一小部分氢是由NiSO4和H2PO3反应产生以外,大部分氢是由于两极通电时发生电极反应引起的水解而产生,在阳极反应中,伴随着大量氢的产生,阴极上的氢与金属Ni-P合金同时析出,形成(Ni-P)H,附着在沉积层中,由于阴极表面形成超数量的原子氢,一部分脱附生成H2,而来不及脱附的就留在镀层内,留在镀层内的一部分氢扩散到基体金属中,而另一部分氢在基体金属和镀层的缺陷处聚集形成氢气团,该气团有很高的压力,在压力作用下,缺陷处导致了裂纹,在应力作用下,形成断裂源,从而导致氢脆断裂。
氢不仅渗透到基体金属中,而且也渗透到镀层中,据报道,电镀镍要在400℃×18h或230℃×48h的热处理之后才能基本上除去镀层中的氢,所以电镀镍除氢是很困难的,而化学镀镍不需要除氢。
3.很多材料和零部件的功能如耐蚀、抗高温氧化性等均是由材料和零部件的表面层体现出来,在一般情况下可以采用某些具有特殊功能的化学镀镍层取代用其他方法制备的整体实心材料,也可以用廉价的基体材料化学镀镍代替有贵重原材料制造的零部件,因此,化学镀镍的经济效益是非常大的。
厚度l0μmpH值4~6②碱性化学镍硫酸镍25g/L焦磷酸钾50g/L次亚磷酸钠25g/LpH值8~10温度70℃时间lOmin厚度2.5μm 或氯化镍30g/L氯化铵50g/L次亚磷酸钠10g/LpH值8~10温度90℃时间60min厚度8μm③低温化学镀镍硫酸镍30g/L温度30~40℃柠檬酸铵50g/L时间5~10min次亚磷酸钠20g/L厚度0.2~0.5μmpH值8~9.5本工艺主要用于塑料电镀,以防止塑料高温变形。
(2)以硼氢化钠为还原剂的化学镀镍①高温型氯化镍30g/L亚硫基二乙酸lg/L乙二胺60g/LpH值12硼氢化钠0.5g/L温度90℃②低温型硫酸镍20g/L亚硫基二乙酸lg/L酒石酸钾钠40g/LpH值12硼氢化钠2.2g/L温度45℃(3)化学镀镍的配制方法和注意事项化学镀镍由于是自催化型镀液,如果配制不当,会使镀液稳定性下降,甚至于自然分解而失效。
因此,在配制时要遵循以下几个要点:①镀槽采用不锈钢、搪瓷、塑料材料;②先用总量1/3的热水溶解镍盐,最好是去离子水;③用另外l/3的水量溶解络合剂、缓冲剂或稳定剂;④将镍盐溶液边搅拌边倒入络合剂溶液中;⑤用余下l/3的水溶解还原剂,在使用前加入到上液中;⑥最后调pH值,加温后使用。
化学镀镍液的维护和原料的补充不能在工作状态下进行,首先要使镀液脱离工作温度区,即要降低镀液温度,同时又不能直接将固体状的材料加入到镀槽,一定要先用去离子水溶解后再按计算的量加入。
否则会使镀液不稳定而失效。
同时镀液的装载量也是很重要的参数,既不可以多装(≤1.25dm2/L),也不要少于0.5dm2/L,否则也会使镀液不稳定。
总之,化学镀液的稳定性是操作者务必随时关注的要点。
化学镍工艺流程化学镍工艺流程是指利用化学方法将镍离子还原成金属镍的过程。
化学镍工艺流程主要包括前处理、电镀和后处理等环节。
首先是前处理环节。
在进行化学镍电镀之前,需要对待镀对象进行一系列的处理。
第一步是清洗,通过浸泡在碱性溶液中,去除表面的油脂、污垢和氧化物。
第二步是酸洗,使用酸性溶液去除金属表面的氧化皮,增加镍层与金属表面的结合力。
第三步是活化,使用活化液处理金属表面,以提高电镀效果。
接下来是电镀环节。
在准备好了处理过的镀对象后,需要将其放置在含有镍离子的电解液中进行电镀。
电解液中的主要成分是含有镍离子的盐酸镍溶液。
电镀过程中,将镀对象作为阴极,镍阳极作为阳极,施加直流电流,使镍离子在阴极上还原成金属镍,并沉积在镀对象表面,形成一层均匀、致密的镍层。
最后是后处理环节。
电镀完成后,需要对镀层进行一系列的后处理步骤,以提高镍层的附着力和防腐性。
第一步是清洗,使用去离子水和碱性溶液去除电镀液残留和污染物。
第二步是抛光,通过机械或化学方法去除表面的氧化层和不良镍层。
第三步是硬化,将镀对象在高温下烘烤,使镍层表面形成一层致密的氧化镍膜,提高镀层的硬度和耐腐蚀性。
化学镍工艺流程在实际应用中广泛用于各种金属制品的表面处理,如汽车零部件、工具、家电等。
它具有厚膜、均匀性好、附着力强、耐腐蚀性好等优点。
通过不同的处理参数和控制条件,可以得到不同要求的镀层,如亮镍、半亮镍和黑镍等。
总之,化学镍工艺流程是一种应用广泛的金属表面处理方法。
它通过一系列的前处理、电镀和后处理环节,将镍离子还原成金属镍,并形成一层均匀、致密的镍层。
化学镍工艺流程的应用可以提高制品的表面质量和性能,延长其使用寿命。
在未来的发展中,化学镍工艺流程将继续得到改进和创新,以满足不断变化的工业需求。
化学镀镍与电镀镍工艺及相互之间的区别1 电镀镍电镀是一种电化学过程,也是一种氧化还原过程。
电镀镍是将零件浸入镍盐的溶液中作为阴极,金属镍板作为阳极,接通直流电源后,在零件上就会沉积出金属镍镀层。
电镀镍的配方及工艺条件见表1。
电镀镍的工艺流程为:①清洗金属化瓷件;②稀盐酸浸泡;③冲净;④浸入镀液;⑤调节电流进行电镀;⑥自镀液中取出;⑦冲净;⑧去离子水设备煮;⑨烘干。
表1 电镀镍的配方及工艺条件成分含量/g/L 温度/0C PH值电流密度/A/dm2硫酸镍硫酸镁硼酸氯化钠100-170 21-30 14-30 4-12 室温5-6 0.5电镀镍的优点是镀层结晶细致,平滑光亮,内应力较小,与陶瓷金属化层结合力强。
电镀镍的缺点是:①受金属化瓷件表面的清洁和镀液纯净程度的影响大,造成电镀后金属化瓷件的缺陷较多,例如起皮,起泡,麻点,黑点等;②极易受电镀挂具和在镀缸中位置不同的影响,造成均镀能力差,此外金属化瓷件之间的相互遮挡也会造成瓷件表面有阴阳面的现象;③对于形状复杂或有细小的深孔或盲孔的瓷件不能获得较好的电镀表面;④需要用镍丝捆绑金属化瓷件,对于形状复杂、尺寸较小、数量多的生产情况下,需耗费大量的人力。
2 化学镀镍化学镀镍又称无电镀或自催化镀,它是一种不加外在电流的情况下,利用还原剂在活化零件表面上自催化还原沉积得到镍层,当镍层沉积到活化的零件表面后由于镍具有自催化能力,所以该过程将自动进行下去。
一般化学镀镍得到的为合金镀层,常见的是Ni-P合金和Ni-B合金。
相较Ni-P合金而言,Ni—B合金的熔焊能力更好,共晶温度高,内应力较小,是一种更为理想的化学镀镍方式。
但本文着重讨论的是Ni-P合金镀层。
化学镀镍的配方及工艺条件见表2。
表2化学镀镍的配方及工艺条件成分含量/g/L 温度/0C PH值硫酸镍次磷酸钠柠檬酸钠氯化铵45-50 45-60 20-30 5-8 85 9.5化学镀镍的工艺流程为:①清洗金属化瓷件;②去离子水设备冲洗;③活化液浸泡;④冲净;⑤还原液浸泡;⑥浸入镀液并不时调节pH值;⑦自镀液中取出;⑧冲净;⑨去离子水设备煮;⑩烘干。
化学镀镍張正東发表于: 2010-8-18 16:10 来源: 半导体技术天地化学镀化学镀是在无电流通过(无外界动力)时借助还原剂在同一溶液中发生氧化还原作用,从而使金属离子还原沉积在自催化表面表面上的一种镀覆方法。
化学镀与电镀的区别在于不需要外加直流电源,无外电流通过,故又称为无电解镀(Electroless Plating)或“自催化镀”(Autocatalytic Plating)。
所以化学镀可以叙述为一种用以沉积金属的、可控制的、自催化的化学还原过程,其反应通式为:上述简单反应式指出,还原剂Rn+经氧化反应失去电子,提供给金属离子还原所需的电子,还原作用仅发生在一个催化表面上。
因为化学镀的阴极反应常包括脱氢步骤,所需反应活化能高,但在具有催化活性的表面上,脱氢步骤所需活化能显著降低。
化学镀的溶液组成及其相应的工作条件也必须是使反应只限制在具有催化作用的零件表面上进行,而在溶液本体内,反应却不应自发地产生,以免溶液自然分解。
对于某一特定的化学镀过程来说,例如化学镀铜和化学镀镍时,如果沉积金属(铜或镍)本身就是反应的催化剂,那么,这个化学镀的过程是自动催化的,基本上是与时间成线性关系,相当于在恒电流密度下电镀,可以获得很厚的沉积层。
如果在催化表面上沉积的金属本身不能作为反应的催化剂,那么一旦催化表面被该金属完全覆盖后,沉积反应便终止了,因而只能取得有限的厚度。
例如化学镀银时的情形,这样的过程是属于非自动催化的。
化学镀不能与电化学的置换沉积相混淆。
后者伴随着基体金属的溶解;同时,也不能与均相的化学还原过程(如浸银)相混淆,此时沉积过程会毫无区别地发生在与溶液接触的所有物体上。
随着工业的发展和科技进步,化学镀已成为一种具有很大发展前途的工艺技术,同其他镀覆方法比较,化学镀具有如下特点:(1)可以在由金属、半导体和非导体等各种材料制成的零件上镀覆金属;(2)无论零件的几何形状如何复杂,凡能接触到溶液的地方都能获得厚度均匀的镀层,化学镀溶液的分散能力优异,不受零件外形复杂程度的限制,无明显的边缘效应,因此特别适合于复杂零件、管件内壁、盲孔件的镀覆;(3)对于自催化的化学镀来说,可以获得较大厚度的镀层,甚至可以电铸;(4)工艺设备简单,无需电源、输电系统及辅助电极,操作简便;(5)镀层致密,孔隙少;(6)化学镀必须在自催化活性的表面施镀,其结合力优于电镀层;(7)镀层往往具有特殊的化学、力学或磁性能。
化学镀镍磷合金和电镀硬铬的比较化学镀原理:化学镀是通过溶液中适当的还原剂使金属离子在金属表面的自催化作用下还原进行的金属沉积过程,也叫无电解电镀,自催化电镀。
化学镀过程实质是化学氧化还原反应,有电子转移,无外电源的化学沉积过程。
电镀原理:电镀是通过电解质溶液或熔融电解质时,两个电极上发生化学反应。
电解质的阳离子移向阴极,并在阴极上得到电子而被还原成新的物质;阴离子移向阳极,并在阳极上失去电子而被氧化成新的物质。
(这种化学反应过程可以用法拉第定律来表示)化学镀镍磷合金的特点:化学镀镍磷合金可以用应于各种基体,包括各种金属和非金属材料。
化学镀镍磷合金镀层厚度均匀不管是如合复杂的工件只要处理得当都可以镀出厚度一致的镀层,如轴之类要求尺寸精度高的产品施镀后无需再研磨。
并且在管道内壁和一些有较深内空的工件都可以施镀而且镀层厚度里外完全一致,甚至可以局部施镀比如各种机械管道类的工件只镀内壁而不镀外壁。
而且化学镀镍磷合金是微晶或非晶镀层,镀层致密光滑空隙率小,经试验发现当镀层厚度12微米时,空隙率在5-20个每平方厘米,而无空镀层应在30微米以上。
空隙率和耐腐蚀的关系非常重要,因为化学镀镍磷合金和电镀硬铬为阳极保护镀层。
也就是在含水情况下局部形成微电池时,镀层为阳极,对基体产生牺牲阳极保护作用,因为镀层基体比较稳定,在形成微电池时镀层为阴极,因而在镀层有裂纹或空隙是起不了防止基体腐蚀的作用。
也就是说空隙率越小耐腐蚀性能也就越高(此理论同样适合电镀硬铬)。
化学镀镍磷合金厚度在达到30微米时,在中性烟雾试验下耐腐蚀性能是硬铬的几十倍甚至共多。
化学镀镍磷合金的硬度为镀态硬度为400-500HV而经热处理后可达到900-1000HV耐磨性仅次于硬铬。
电镀硬铬的特点:电镀铬在沉积初始阶段,即铬很薄的时候小于0.5微米,有很多空隙。
随着厚度的增加,空隙尺寸不会改变,但铬会发生不规则的开裂,直至形成垂直于金属表面的网状裂纹。
化学镍金与电镀镍金表面处理焊盘的比较研究罗道军贺光辉中国赛宝实验室广州 510610,luodj@摘要本文对比分析了化学镍金处理的焊盘与电镀镍金处理的焊盘的形貌、结构以及润湿性能差异,并给出了使用这两类表面处理的优缺点以及针对相应问题的预防控制措施。
关键词:化学镍金电镀镍金表面处理引言由于化学镍金(ENIG)表面处理以及电镀镍金表面处理的突出的可焊性好和平整度好的优点,使得越来越多的电子产品使用镍金表面处理的PCB。
同时由于使用镍金镀层的焊盘可以邦定的同时还可以耐高温的老化,甚至在无铅工艺条件下可以经过2~3次的焊接后,未焊接的焊盘仍然可以保持很好的可焊性。
而价格相对低廉的有机助焊保护膜(OSP)和热风整平处理(HASL)的合金可焊性涂层由于其不耐高温老化或是平整度不能满足日益增长的细间距安装的要求。
因此,随着电子产品的小型化与无铅化以及人们对高可靠性的要求,镍金表面处理焊盘的印制电路板的使用将越来越广泛,但是选用化学镍金还是电镀镍金的表面处理,哪个更合适呢?本文将探讨化学镍金与电镀镍金的差异以及各自存在的可靠性风险,以及预防风险的措施。
1 化学镍金与电镀镍金的基本工艺化学镍金最大的优点之一就是工艺相对简单,只需使用两种关键的化学药水,即含有次磷酸盐与镍盐的化学镀液与酸性金水(含有KAu(CN)2)。
工艺一般先经过酸洗、微蚀、活化、化学镀镍、清洗、浸金等过程,关键的步骤是在铜焊盘上自催化化学镀镍,通过控制时间和温度以及pH值等参数来控制镍镀层的厚度;再利用镀好的新鲜镍的活性,将镀好镍的焊盘浸入酸性的金水中,通过化学置换反应将金从溶液中置换到焊盘表面,而部分表面的镍则溶入金水中,这样只要置换上来的金将镍层完全覆盖,则该置换反应自动停止,清洗焊盘表面的污物后工艺即可完成。
这就是说化学镍金的工艺相对容易控制,这时的镀金层往往只有约0.03~0.1微米的厚度,且各种形状或各部位的镀层厚度都均匀一致。
电镀镍金是通过施电的方式,在焊盘的铜基材上镀上一层低应力的约3~5微米的镍镀层,然后再在镍上镀上一层约0.01~0.05微米的薄金,在电镀液一定的情况下,通过控制电镀的时间来实现对镀层厚度的控制。
电镀镍种类全文共四篇示例,供读者参考第一篇示例:电镀镍是一种常见的表面处理技术,广泛应用于金属制品的防腐、外观美化等方面。
根据不同的需求和工艺要求,电镀镍可以分为多种种类。
本文将就电镀镍的种类进行介绍。
1. 光亮镍电镀光亮镍电镀是一种常见的电镀镍种类,主要特点是表面光洁、光亮,具有良好的耐腐蚀性能。
光亮镍电镀可以使金属制品表面看起来更加光滑、亮丽,增强其美观性,常用于首饰、五金制品等领域。
光亮镍电镀还具有一定的导电性能和耐磨性,能有效延长金属制品的使用寿命。
2. 半光亮镍电镀半光亮镍电镀是一种介于光亮镍电镀和哑光镍电镀之间的一种种类,表面光泽度适中,既具备一定的光亮效果,又不失现代感。
半光亮镍电镀常用于汽车、家电等领域,能够增加产品的质感和高档感,提升产品的市场竞争力。
3. 哑光镍电镀哑光镍电镀是一种表面呈现哑光效果的电镀镍种类,表面光洁度较差,呈现出一种磨砂质感。
哑光镍电镀常用于一些需要凹凸感和纹理感的产品上,如手机壳、手提包等。
哑光镍电镀还具有一定的防刮、防指纹等功能,能够有效保护产品表面,延长使用寿命。
4. 镍铬合金电镀镍铬合金电镀是一种将镍和铬进行合金化处理的电镀镍种类,具有较高的耐腐蚀性能和硬度。
镍铬合金电镀常用于汽车零部件、机械设备等领域,能够提供良好的防腐蚀效果和耐磨性能,保护金属制品表面不受氧化、腐蚀等影响。
电镀镍种类繁多,不同的种类适用于不同的产品和领域,具有各自独特的优点和特点。
选择适合的电镀镍种类可以提升产品的外观质感和性能表现,增强产品的市场竞争力,值得生产制造企业在生产过程中进行认真考虑和选择。
希望以上内容可以对读者有所帮助。
第二篇示例:电镀镍是一种常见的表面处理方法,通过在基材表面沉积一层镍金属来改善其耐腐蚀性能和外观。
电镀镍可以分为多种类型,每种类型都有其特定的用途和优点。
下面将介绍几种常见的电镀镍种类:1. 光亮镍电镀光亮镍电镀是一种外观光亮、光滑的电镀镍工艺。
通过在基材表面沉积一层均匀而细密的镍层,可以使其表面呈现出非常明亮的金属光泽。
化学镀金电镀镍与化学镍相比成本高谁能耐用2010-09-11问题:电镀镍与化学镍相比成本高?谁能耐用?我的要求是镀好之后还要拉丝,封油的!锁具来的!急!最佳答案:没有最佳答案其他回答1:化学镀相比电镀其主要特点如下:①.化学镀可用于各种基体,包括金属、半导体及非金属。
②.化学镀厚度均匀,无论工件如何复杂,只要采取适当的技术措施,就可以在工件上得到均一镀层。
③.对于能自动催化的化学镀而言,可获得任意厚度的镀层,甚至可以电铸。
④.化学镀所得到的镀层具有很好的化学、机械和磁学性能(如镀层致密、硬度高等)。
由于化学镀具有一些优于电镀的特性,所以获得了广泛的应用。
化学镀最先开始于化学镀镍,目前已经发展到化学的铜、化学镀钴、化学镀锡及化学镀金、银、铂等其他贵金属以及多元合金,且在电子及微电子工业上得到了高速的发展。
电镀较化学镀发展历史久,技术成熟,在工业行业中有着极其广泛的应用。
相比于化学镀,电镀层更容易获得,且与基体结合力较强,性能稳定。
电镀、刷镀和化学镀电镀电镀是一种用电化学方法在镀件表面上沉积所需形态的金属覆层工艺。
其目的是改善材料的外观,提高材料的各种物理化学性能,赋予材料表面特殊的耐蚀性、耐磨性、装饰性、焊接性及电、磁、光学性能等。
电镀时将零件作为阴极放在含有欲镀金属的盐类电解质溶液中,通过电解作用而在阴极上(即零件)发生电沉积现象形成电镀层。
镀层材料可以是金属、合金、半导体等,基体材料主要是金属也可以是陶瓷、高分子材料。
1)单金属电镀单金属电镀是指电镀液中只含一种金属离子,电沉积后形成单一金属镀层的方法。
常用的单金属电镀有镀锌、镀铜、镀镍、镀铬、镀锡等,其中以镀铬最为常见。
镀铬主要用于装饰性镀层和耐蚀、耐磨镀层。
其中,镀铬层是最常用的耐磨镀层,它可用于铁基及非铁金属的电镀。
镀铬的镀液由铬酐(CrO3)和硫酸(H2SO4)按一定比例配制而成。
在一定的电流密度(30A/dm2)和一定的温度下(50~60℃)可在工件上镀出一定厚度的铬层,一般约为10~50μm。
化学镀和电镀的知识点电镀镍与化学镀镍的区别
1. 化学镀镍层是极为均匀的,只要镀液能浸泡得到,溶质交换充分,镀层就会非常均匀,几乎可以达到仿形的效果。
2. 化学镀目前市场上只有纯镍磷合金的一种颜色,而电镀可以实现很多色彩。
3. 化学镀是依靠在金属表面所发生的自催化反应,化学镀与电镀从原理上的区别就是电镀需要外加的电流和阳极。
4. 化学镀过以对任何形状工件施镀,但电镀无法对一些形状复杂的工件进行全表面施镀。
5. 电镀因为有外加的电流,所以镀速要比化学镀快得我,同等厚度的镀层电镀要比化学镀提前完成。
6. 高磷的化学镀镍层为非晶态,镀层表面没有任何晶体间隙,而电镀层为典型的晶态镀层。
7. 化学镀层的结合力要普遍高于电镀层。
8. 化学镀由于大部分使用食品级的添加剂,不使用诸如氰化物等有害物质,所以化学镀比电镀要环保一些。
关于化学镀镍层的工艺特点:
1. 厚度均匀性
厚度均匀和均镀能力好是化学镀镍的一大特点,也是应用广泛的原因之一,化学镀镍避免了电镀层由于电流分布不均匀而带来的厚度不均匀,电镀层的厚度在整个零件,尤其是形状复杂的零件上差异很大,在零件的边角和离阳极近的部位,镀层较厚,而在内表面或离阳极远的地方镀层很薄,甚至镀不到,采用化学镀可避免电镀的这一不足。
化学镀时,只要零件表面和镀液接触,镀液中消耗的成份能及时得到补充,任何部位的镀层厚度都基本相同,即使凹槽、缝隙、盲孔也是如此。
2. 不存在氢脆的问题
电镀是利用电源能将镍阳离子转换成金属镍沉积到阳极上,用化学还原的方法是使镍阳离子还原成金属镍并沉积在基体金属表面上,试验表明,镀层中氢的夹入与化学还原反应无关,而与电镀条件有很大关系,通常镀层中的含氢量随电流密度的增加而上升。
3. 很多材料和零部件的功能如耐蚀、抗高温氧化性等均是由材料和零部件的表面层体现出来,在一般情况下可以采用某些具有特殊功能的化学镀镍层取代用其他方法制备的整体实心材料,也可以用廉价的基体材料化学镀镍代替有贵重原材料制造的零部件,因此,化学镀镍的经济效益是非常大的。
4. 可沉积在各种材料的表面上,例如:钢镍基合金、锌基合金、玻璃、陶瓷、塑料、半导体等材料的表面上,从而为提高这些材料的性能创造了条件。
5. 不需要一般电镀所需的直流电机或控制设备,热处理温度低,只要在400℃以下经不同保温时间后,可得到不同的耐蚀性和耐磨性,因此,它不存在热处理变形的问题,特别适用于加工一些形状复杂,表面要求耐磨和耐蚀的零部件等。
化学镀镍技术是采用金属盐和还原剂,在材料表面上发生自催化反应获得镀层的方法。
到目前为止,化学镀镍是国外发展最快的表面处理工艺之一,且应用范围也最广。
化学镀镍之所以得到迅速发展,是由于其优越的工艺特点所决定
三大处理金属表面的方法
在现有的工件表面处理方法中,清理效果最佳的还数喷砂清理。
喷砂适用于工件表面要求较高的清理。
手工处理:如刮刀、钢丝刷或砂轮等。
用手工可以除去工件表面的锈迹和氧化皮,但手工处理劳动强度大,生产效率低,质量差,清理不彻底。
对于较复杂的结构件和有孔的零件,经酸性溶液酸洗后,浸入缝隙或孔穴中的余酸难以彻底清除,若处理不当,将成为工件以后
腐蚀的隐患,且化学物易挥发,成本高,处理后的化学排放工作难度大,若处理不当,将对环境造成严重的污染。
随着人们环保意识的提高,此种处理方法正被机械处理法取代。
喷丸又分为喷丸和喷砂。
用喷丸进行表面处理,打击力大,清理效果明显。
但喷丸对薄板工件的处理,容易使工件变形。
机械处理法:主要包括抛丸法和喷丸法。
抛丸法清理是利用离心力将弹丸加速,抛射至工件进行除锈清理的方法。
但抛丸灵活性差,受场地限制,清理工件时有些盲目性,在工件内表面易产生清理不到的死角。
设备结构复杂,易损件多,特别是叶片等零件磨损快,维修工时多,费用高,一次性投入大。
化学处理:主要是利用酸性或碱性溶液与工件表面的氧化物及油污发生化学反应,使其溶解在酸性或碱性的溶液中,以达到去除工件表面锈迹氧化皮及油污的目的。
化学处理适应于对薄板件清理,但缺点是:若时间控制不当,即使加缓蚀剂,也能使钢材产生过蚀现象。