水质 多环芳烃的测定 液液萃取和固相萃取高效液相色谱法HJ478-2009 方法证实记录
- 格式:doc
- 大小:494.00 KB
- 文档页数:18
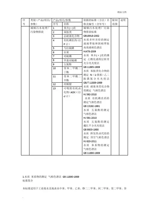
1.水质苯系物的测定气相色谱法GB 11890-1989标准简介本标准适用于工业废水及地表水中苯、甲苯、乙苯、睁二二甲苯、间二甲苯、邻二甲苯、异丙苯、苯乙烯了8种苯系物的测定。
2.水质挥发性卤代烃的测定顶空气相色谱法HJ 620-2011标准简介本标准规定了测定水中挥发性卤代烃的顶空气相色谱法。
本标准适用于地表水、地下水、饮用水、海水、工业废水和生活污水中挥发性卤代烃的测定。
具体组分包括1,1-二氯乙烯、二氯甲烷、反式-1,2-二氯乙烯、氯丁二烯、顺式-1,2-二氯乙烯、三氯甲烷、四氯化碳、1,2-二氯乙烷、三氯乙烯、一溴二氯甲烷、四氯乙烯、二溴一氯甲烷、三溴甲烷、六氯丁二烯等14 种。
其他挥发性卤代烃通过验证后,也可以使用本方法进行测定。
1.水质五氯酚的测定藏红T分光光度法GB 9803-1988标准简介本标准适用于含五氯酚工业废水以及被五氯酚污染的水体中五氯酚的测定。
其测定浓度范围为0.01~0.5mg/L;挥发酚类化合物(以苯酚计)低于150mg/L对测定无干扰。
最低检出浓度为0.01mg/L。
2.水质五氯酚的测定气相色谱法HJ 591-2010标准简介本标准规定了水中五氯酚和五氯酚盐的气相色谱测定方法。
本标准适用于地表水、地下水、海水、生活污水和工业废水中五氯酚和五氯酚盐的测定。
3.水质有机磷农药的测定气相色谱法GB 13192-1991标准简介本标准适用于地面水、地下水及工业废水中甲基对硫磷、对硫磷、马拉硫磷、乐果,敌敌畏、敌百虫的测定。
6.水质硝基苯类化合物的测定气相色谱法HJ 592-2010标准简介本标准规定了水中硝基苯类化合物的气相色谱法。
本标准适用于工业废水和生活污水中硝基苯类化合物的测定。
7.水质苯胺类化合物的测定N-(1-萘基)乙二胺偶氮分光光度法GB/T 11889-1989标准简介本标准规定了测定水中苯胺类化合物的N-(1-蔡基)乙二胺重氮偶合比色法。
本标准适用于地面水、染料、制药等废水中芳香族伯胺类化合物的测定。
固相萃取-高效液相色谱法测定水体中有机污染物的开题报告标题:固相萃取-高效液相色谱法测定水体中有机污染物摘要:水体中的有机污染物严重影响了水质安全和生态环境。
本文介绍了一种将固相萃取和高效液相色谱相结合的方法,用于测定水体中的有机污染物。
通过优化样品的预处理和萃取条件、色谱柱选择和色谱条件等参数,可以有效提高测定的精度和灵敏度。
本方法具有操作简便、快速、灵敏度高等优点,已经得到广泛应用和推广。
关键词:固相萃取;高效液相色谱;水体;有机污染物1. 研究背景和意义水是人类赖以生存的重要资源,而水体中的有机污染物严重影响了水质安全和生态环境。
因此,准确测定水体中的有机污染物已成为环境科学研究的重要课题之一。
目前,测定水体中有机污染物的方法主要包括色谱分析法、质谱分析法等,其中,固相萃取-高效液相色谱法已经成为一种较为广泛使用的方法,其优点是操作简便、快速、灵敏度高等。
2. 研究内容和方法本文主要研究水体中有机污染物的固相萃取-高效液相色谱分析方法。
具体步骤如下:(1)水样的前处理:根据不同的污染物种类和浓度等因素,选择适当的前处理方法,比如萃取、浓缩、过滤等。
(2)固相萃取条件的优化:根据水样中污染物的种类、结构和物化性质等因素,选择适当的固相萃取柱,比如C18、C8等,然后优化萃取条件,比如pH值、萃取时间、萃取溶液体积等。
(3)高效液相色谱条件的优化:根据不同的污染物种类和萃取条件,选择适当的色谱柱、检测波长等参数,然后优化流动相的组成、流速等条件,以提高分离和检测的灵敏度和精度。
3. 结论与展望本文采用固相萃取-高效液相色谱方法测定水体中的有机污染物,取得了较好的实验结果。
通过样品前处理和萃取条件的优化,可以有效提高测定的精度和灵敏度。
本方法具有操作简便、快速、灵敏度高等优点,可以广泛应用于实际工程中。
未来的研究方向应该是进一步完善本方法的参数选择和优化方法,提高测定的准确度和稳定性,拓展适用范围,以满足更广泛的应用需求。
固相萃取-高效液相色谱法测定水中多环芳烃PAHs梁焱;王碧云【摘要】Seven kinds of SPE - HPLC methods for the detection of PAHs in water were introduced in this article, and the extraction efficiency was the highest when ACCUBOND ODS C18 and Oasis HLB were used as the solid phase extraction column, it not only had good recovery efficiency and high detection sensitivity, but also had the characters of easy operation and little solvent dosage, and all above corresponded with the basic requirements of PAHs detection. The peak area had good linear relation with the mass concentration, with the correlation coefficient of more than 0.9990. The average recovery rate was 81.8% ~107.4%, and the relative standard deviation was 1.80%~5.73%.%介绍了7种水中多环芳烃高效液相色谱的检测方法,其中以ACCUBOND ODS C18作为水中PAHs固相萃取柱的萃取效率最高,不仅各组分的回收效率和检测灵敏度高,而且具有操作简便、溶剂用量小的特点,符合水中多环芳烃检测的基本要求,其峰面积与质量浓度呈现良好的线性关系,相关系数≥0.9990,平均加标回收率为81.8%~107.4%,相对标准偏差为1.80%~5.73%.【期刊名称】《江西农业学报》【年(卷),期】2011(023)008【总页数】4页(P153-155,163)【关键词】液相色谱;多环芳烃;甲醇;固相萃取【作者】梁焱;王碧云【作者单位】国家城市供水水质监测网海口监测站,海南海口570203;国家城市供水水质监测网海口监测站,海南海口570203【正文语种】中文【中图分类】X824多环芳烃(Polycyclic Aromatic Hydrocarbons,PAHs)是煤、石油、木材、烟草、有机高分子化合物等在不完全燃烧时所产生的挥发性碳氢化合物,是重要的环境和食品污染物。
水质 多环芳烃类的测定 高效液相色谱法编 制 说 明(征求意见稿)沈阳市环境监测中心站2008年3月水质 多环芳烃类的测定 高效液相色谱法编 制 说 明一、任务来源2007年2月国家质检总局公布了《关于下达2007年第一批国家标准制修订项目经费的通知》(国质检财函[2007]971 号),向沈阳市环境监测中心下达了编制《水质 多环芳烃类的测定 高效液相色谱法》的项目计划。
根据环境保护部科技标准司的意见,由沈阳市环境监测中心承担《水质 多环芳烃类的测定 高效液相色谱法》的编制工作。
二、编制目的和意义多环芳烃(简称PAHs或PNA)是一类非常重要的化学三致物(致癌、致畸、致突变),因其具有生物难降解性和累积性,所以广泛存在于水体、大气、土壤、生物体等环境中。
多环芳烃引起的环境污染越来越引起人们的重视,它已成为世界许多国家的优先监测物。
1976年EPA列出了16项PAHs为优先控制污染物。
1990年我国提出的68种水体优先控制污染物中有7种属于PAHs。
PAHs主要是在煤、石油等矿物性燃料不完全燃烧时产生的,主要的污染源是焦化、石油炼制、冶炼、塑胶、制革、造纸等工业排放的三废物质以及船舶油污、机动车尾气、香烟烟雾等等。
自1775年Pott医生发现扫烟囱工人患阴囊癌至今,许多人研究了PAHs的致癌性,其中已有不少被确定或被怀疑具有致癌、致畸或致突变作用。
尤其是苯并[a]芘和荧蒽是强致癌物质,严重影响人体健康,所以日益受到人们的关注。
人们对空气中多环芳烃的污染研究较多,实际上多环芳烃是水中普遍存在的污染物质,多环芳烃在不同水体中的分布取决于它们的污染源。
我国原有的标准方法GB 13198-91规定了测定水体中六种特定多环芳烃的高效液相色谱法,但已不能满足当前环境监测和管理的需要。
因此,修订GB 13198-91标准,将会进一步完善我国的有机污染物分析方法体系,努力使环境保护标准与环保目标相衔接。
修订该标准由环境保护部科技标准司提出,由沈阳市环境监测中心站起草。
固相萃取-高效液相色谱-荧光检测法测定海水中的多环芳烃
固相萃取-高效液相色谱-荧光检测法测定海水中的多环芳烃
建立了用固相萃取-高效液相色谱-荧光检测法测定海水中多环芳烃的方法,优化了色谱条件和萃取条件.除苊不能用荧光检测器检出外,其余15种多环芳烃的.空白加标回收率在64.5%(苯并[g,h,i],茚并[1,2,3-cd]芘)~88.7%(苯并[a]蒽)之间,相对标准偏差(n=5)为4.9%(荧蒽,苯并
[b]荧蒽)~11.1%(苯并[g,h,i],茚并[1,2,3-cd]芘),方法的检出限在
0.72(蒽)~14.10 ng/L(荧蒽)之间,基本上达到了痕量分析的要求.利用该方法测得青岛湾表层海水中多环芳烃的浓度在0.125(苯并[k]荧蒽)~25.996 ng/L(萘)之间,但苯并[a]芘未检出.
作者:李先国阎国芳周晓虢新运王岩刘金燕作者单位:李先国,虢新运,王岩,刘金燕(中国海洋大学海洋化学理论与工程技术教育部重点实验室,山东,青岛,266100)
阎国芳(青岛市产品质量监督检验所,山东,青岛,266061)
周晓(中国海洋大学海洋化学理论与工程技术教育部重点实验室,山东,青岛,266100;国家质量监督检验检疫总局,北京,100088) 刊名:中国海洋大学学报(自然科学版) ISTIC PKU 英文刊名:PERIODICAL OF OCEAN UNIVERSITY OF CHINA 年,卷(期):2009 39(5) 分类号: P734.6 关键词:固相萃取高效液相色谱海水多环芳烃测定。
2021环境监测上岗考试真题模拟及答案(3)1、吸收瓶应严密不漏气,多孔筛板吸收瓶鼓泡要均匀,在流量为0.5L/min时,其阻力应在()kPa。
(单选题)A. 5±0.7B. 5±0.5C. 7±0.7D. 7±0.5试题答案:A2、《电镀污染物排放标准》GB21900-2008中规定,废气排气筒达不到规定高度的,其()按限值的50%执行。
(单选题)A. 排放速率B. 排放浓度C. 排放浓度和速率试题答案:B3、公共场所空气温度测定时,数显式温度计的测量范围为()℃,测量精度±0.5℃(单选题)A. -30~+100B. -40~+100C. -30~+90D. -40~+90试题答案:D4、臃面污染测量时,探测器与被测表面之间的距离为()cm(单选题)A. 0.5B. 1.0D. 2.0试题答案:B5、用重铬酸盐法测定水中化学需氧量时,用()作催化剂。
(单选题)A. 硫酸-硫酸根B. 硫酸-氯化汞C. 硫酸-硫酸汞试题答案:A6、林格曼黑度4级的确定原则是:30min内出现4级及以上林格曼黑度的累计时间超过()min时,烟气的黑度按4级计。
(单选题)A. 1B. 2C. 3D. 4试题答案:B7、数据库营销的适用范围包括()。
(多选题)A. 服务营销B. 产业营销C. 网络营销D. 人员营销E. 公共关系试题答案:A,B,C8、过滤水样中的叶绿素a时,应用孔径()μm乙酸纤维滤膜。
(单选题)A. 0.45C. 1.0试题答案:A9、用快速密闭催化消解法测定水中化学需氧量中,当水样中C.OD值A. 0.02B. 0.05C. 0.4D. 0.5试题答案:B10、微观经济学分析生产要素最优组合的工具有()。
(多选题)A. 等产量线B. 边际成本线C. 等成本线D. 边际产量线E. 平均成本线试题答案:A,C11、环境标准是()的依据。
(多选题)A. 评价环境质量B. 环境保护工作监督和检查C. 确定环境污染和污染者应否承担法律责任D. 环境与资源保护法实施试题答案:A,B,C,D12、《水质采样技术指导》(HJ494-2009)规定,符合要求的采样设备应具备:()(多选题)A. 使样品和容器的接触时间降至最低B. 使用不会污染样品的材料C. 容易清洗,表面光滑,没有弯曲物干扰流速,尽可能减少旋塞和阀的数量D. 有适合采样要求的系统设计试题答案:A,B,C,D13、在对实际环境水样的液液萃取过程中,常会出现乳化现象,此时可采用()方法破乳。
中华人民共和国国家环境保护标准HJ 478—2009代替GB 13198—91水质 多环芳烃的测定液液萃取和固相萃取高效液相色谱法 Water quality-Determination of polycyclic aromatic hydrocarbons by liquid‐ liquid extraction and solid‐phase extraction -High performanceliquid chromatography(发布稿)本电子版为发布稿。
请以中国环境科学出版社出版的正式标准文本为准。
环 境 保 护 部 发布目次前言 (Ⅱ)1适用范围 (1)2方法原理 (1)3试剂和材料 (1)4仪器和设备 (2)5样品 (3)6分析步骤 (3)7结果计算 (6)8准确度和精密度 (7)9质量控制和质量保证 (7)附录A(规范性附录) 方法的检出限和测定下限 (8)附录B(资料性附录) 方法的精密度和准确度 (10)前言为贯彻《中华人民共和国环境保护法》和《中华人民共和国水污染防治法》,保护环境,保障人体健康,规范水中多环芳烃的测定方法,制定本标准。
本标准规定了测定水中十六种多环芳烃的液液萃取和固相萃取高效液相色谱法。
本标准适用于饮用水、地下水、地表水、海水、工业废水及生活污水中十六种多环芳烃的测定。
本标准是对《水质六种特定多环芳烃的测定高效液相色谱法》(GB 13198—91)的修订。
本标准首次发布于1991年,原标准起草单位为北京环境保护监测中心。
本次为第一次修订。
本次修订的主要内容有:——增加了方法的测定组分;——增加了固相萃取方法;——修改了萃取溶剂体系及净化的方法;——修改了高效液相色谱法的流动相配比;——修改了高效液相色谱法的检测条件;——增加了质量保证和质量控制的规定。
自本标准实施之日起,原国家环境保护局1991年8月31日批准、发布的国家环境保护标准《水质六种特定多环芳烃的测定高效液相色谱法》(GB 13198—91)废止。
方法验证报告项目名称:水质多环芳烃的测定方法名称:《HJ 478-2009水质多环芳烃的测定液液萃取和固相萃取高效液相色谱法》报告编写人:参加人员:审核人员:报告日期:1 实验室基本情况1.1 人员情况实验室检测人员已通过《HJ478-2009水质多环芳烃的测定液液萃取和固相萃取高效液相色谱法》的培训,熟知标准内容、检测方法及样品数据采集和处理等,考核合格,得到公司技术负责人授权上岗。
1.2 检测仪器/设备情况1.3 检测用试剂情况1.4 环境设施和条件情况实验室具有检定合格的温湿度计,环境可以控制在标准要求范围内,满足检测环境条件。
另外实验室配备了洗眼器、喷淋设施、护目镜、灭火器等的安全防护措施,符合实验室安全内务的要求。
2 实验室检测技术能力2.1方法原理及适用范围液液萃取法:用正己烷或二氯甲烷萃取水中多环芳烃,萃取液经硅胶或弗罗里硅土柱净化,用二氯甲烷和正己烷的混合溶剂洗脱,洗脱浓缩后,用具有荧光/紫外检测器的高效液相色谱仪分离检测。
固相萃取法:采用固相萃取技术富集水中多环芳烃,用二氯甲烷洗脱,洗脱液浓缩后,用具有荧光/紫外检测器的高效液相色谱仪分离检测。
液液萃取法适用于饮用水、地下水、地表水、工业废水及生活污水中多环芳烃的测定。
当萃取样品体积为1L时,方法的检出限为0.002~0.016μg/L,测定下限为0.008~0.064μg/L。
萃取样品体积为2L,浓缩样品至0.1ml,苯并[a]芘的检出限为0.0004 μg/L,测定下限为0.0016μg/L。
固相萃取法适用于清洁水样中多环芳烃的测定。
当富集样品的体积为10 L时,方法的检出限为0.0004~0.0016 μg/L,测定下限为0.0016~0.0064 μg/L。
2.2标准曲线的绘制取200μg/ml的多环芳烃贮备液1ml于10ml容量瓶中,配制成20μg/ml的使用液,再用使用液配置多环芳烃的标准溶液系列,标准系列浓度分别为:0.1μg/ml、0.5μg/ml、1.0μg/mL、5.0μg/ml、10.0μg/ml,加入浓度为40μg/ml的十氟联苯。
《地表水环境质量标准》109项采样及样品保存建议方案
完成一次109项指标采样,共需13类保存剂,25个不同类型的采样瓶。
保存剂和采样器的种类及数量如下:
1、常规和重金属采样需要的保存剂有:HCl、HNO3、H2SO4、NaOH、硫酸亚铁+磷酸+硫酸铜、氢氧化钠+抗坏血酸+EDTA+饱和醋酸钠;有机类采样需要的保存剂有:硫代硫酸钠或抗坏血酸、浓硫酸、1g/L硫酸铜、1% NaOH、HCl溶液、NaOH溶液、丙酮(农残纯)。
出发前应根据分析指标,带足相应的保存剂,检查确认无误。
2、109项采样共需采样样品瓶25个。
其中,常规和重金属采样需要的采样瓶种类及个数为:250mL硬质玻璃瓶2个、1000mL 硬质玻璃瓶2个、500mL灭菌磨口玻塞棕色广口瓶1个、1000mL 棕色玻璃瓶1个、500mL聚乙烯瓶8个;有机类采样需要的采样瓶种类及个数为:40mLVOC采样瓶1个、5L棕色磨口玻璃瓶3个、5L磨口玻璃瓶1个、250mL棕色磨口玻璃瓶3个、1000 mL磨口玻璃瓶1个、250mL具塞玻璃瓶或具聚四氟乙烯衬垫螺旋瓶盖的玻璃瓶1个、10L塑料桶1个。
应对照附表,逐项清点样品瓶数量,汇总后,检查确认无误。
3、对照表使用说明:(1)若109项做全分析,按上述1、2点要求备足所有保存剂和采样瓶;(2)若只监测部分项目,应先找到对应项目,再按其后的要求做相应准备,分类记载、汇总,交由该次任务负责人复核。
附表:
地表水109项样品采集及保存准备表。
2023年第2期品牌与标准化Determination of Polycyclic Aromatic Hydrocarbonsin Water and Analysis of Relevant Domestic and Foreign StandardsLUO Min ,ZHU Linlin(Liaoning Shenyang Environmental Monitoring Centre ,Shenyang 110015,China )Abstract :As polycyclic aromatic hydrocarbons (PAHs )are carcinogens,they will be harmful to human health ,so the environmental monitoring department should strengthen the detection of PAHs in water bodies.This paper summarizes the detection methods of polycyclic aromatic hydrocarbons ,sorts out the domestic and foreign standards related to the detection of polycyclic aromatic hydrocarbons in water ,compares and analyzes the detection methods of polycyclic aromatic hydrocarbons in domestic and foreign standards ,and provides guidance for personnel engaged in water monitoring.Key words :polycyclic aromatic hydrocarbons ;standard comparison ;environmental monitoring水中多环芳烃检测方法及相关国内外标准分析罗敏,祝琳琳(辽宁省沈阳生态环境监测中心,辽宁沈阳110015)【摘要】由于多环芳烃属于致癌物质,会对人体产生危害,所以作为环境监测部门应加强对水体中多环芳烃的检测。
附件2
《炼焦化学工业污染物排放标准》(GB 16171-2012)修改单(征求意见稿)
为贯彻落实《中华人民共和国水污染防治法》,加强对炼焦化学工业企业水污染物排放管理,我部决定修改《炼焦化学工业污染物排放标准》(GB 16171-2012)。
修改内容如下:
一、调整表1、表2、表3中多环芳烃、苯并(a)芘的排放控制要求,增加萘排放控制要求:
二、表1、表2、表3中增加表注“注1):酚氰废水单独处理,执行括号外排放限值;酚氰废水与生活污水等其他废水混合处理,执行括号内排放限值。
”
三、删除5.2.2条,将4.1.5条修改为:焦化生产废水经处理后用于洗煤、熄焦和高炉冲渣等的水质,其pH、SS、COD Cr、氨氮、挥发酚、氰化物、多环芳烃(PAHs)、苯并(a)芘及萘应满足表1中相应的间接排放限值,监控位置为酚氰废水处理站废水排放口;洗煤、熄焦和高炉冲渣的回用水池内挥发酚应满足表1中相应的间接排放限值,监控位置为洗煤、熄焦和高炉冲渣
的回用水池内。
四、“水污染物浓度测定方法标准”表中增加废水中萘的监测分析方法:
现有企业自2021年1月1日起,新建企业自本修改单发布实施之日起,按照本修改单规定执行。
城镇污水处理厂水污染物排放标准D ischarge standard of water pollutants for municipal wastewatertreatment plant(征求意见稿)北京市环境保护局 发布DBXX/ XXX—XXXX目次前言 (II)1范围 (1)2规范性引用文件 (1)3术语和定义 (2)4污染物排放控制要求 (3)5污染物监测要求 (5)6标准的实施与监督 (8)DBXX/ XXX—XXXX前言为贯彻《中华人民共和国环境保护法》、《中华人民共和国水污染防治法》,控制水污染,保护水环境,加强对北京市城镇污水处理厂的排放控制和管理,制定本标准。
本标准是在国家标准GB 18918—2002《城镇污水处理厂污染物排放标准》的基础上,结合北京市水环境污染现状和水环境质量要求、城镇污水处理厂建设和升级改造的需要制订的。
自本标准实施之日起,北京市城镇污水处理厂水污染物的排放控制执行本标准,不再执行DB 11/307-2005《水污染物排放标准》中关于城镇污水处理厂的排放限值。
城镇污水处理厂排放大气污染物、恶臭污染物、噪声适用相应的国家或地方污染物排放标准,产生污泥的处理和处置适用国家或地方相应的污染控制标准。
本标准为首次发布。
本标准由北京市环境保护局提出并归口。
本标准由北京市人民政府于年月日批准。
本标准自年月日起实施。
本标准起草单位:北京市环境保护科学研究院。
本标准主要起草人:本标准由北京市环境保护局负责解释。
城镇污水处理厂水污染物排放标准1范围本标准规定了城镇污水处理厂水污染物排放限值、监测和监控要求,以及标准的实施与监督等相关规定。
本标准适用于北京市辖区内现有城镇污水处理厂水污染物的排放管理,以及城镇污水处理厂新、扩、改建项目的环境影响评价、环境保护设施设计、竣工环境保护验收及其投产后的水污染物排放管理。
本标准适用于法律允许的污染物排放行为。
新建城镇污水处理厂的选址和特殊保护区域内现有污染源的管理,按照《中华人民共和国水污染防治法》、《北京市水污染防治条例》等法律、法规、规章的相关规定执行。
HJ 中华人民共和国国家环境保护标准HJ 478-2009代替GB 13198—91水质多环芳烃的测定液液萃取和固相萃取高效液相色谱法Water quality—Determination of polycyclic aromatic hydrocarbons—Liquid-liquid extraction and solid-phase extraction followed by highperformance liquid chromatographic method2009-09-27发布 2009-11-01实施环境保护部发布HJ478—2009中华人民共和国环境保护部公告2009年第47号为贯彻《中华人民共和国环境保护法》,保护环境,保障人体健康,现批准《水质多环芳烃的测定液液萃取和固相萃取高效液相色谱法》等十八项标准为国家环境保护标准,并予发布。
标准名称、编号如下:一、《水质多环芳烃的测定液液萃取和固相萃取高效液相色谱法》(HJ 478—2009);二、《环境空气氮氧化物(一氧化氮和二氧化氮)的测定盐酸萘乙二胺分光光度法》(HJ 479—2009);三、《环境空气氟化物的测定滤膜采样氟离子选择电极法》(HJ 480—2009);四、《环境空气氟化物的测定石灰滤纸采样氟离子选择电极法》(HJ 481—2009);五、《环境空气二氧化硫的测定甲醛吸收-副玫瑰苯胺分光光度法》(HJ 482—2009);六、《环境空气二氧化硫的测定四氯汞盐吸收-副玫瑰苯胺分光光度法》(HJ 483—2009);七、《水质氰化物的测定容量法和分光光度法》(HJ 484—2009);八、《水质铜的测定二乙基二硫代氨基甲酸钠分光光度法》(HJ 485—2009);九、《水质铜的测定 2,9-二甲基-1,10菲啰啉分光光度法》(HJ 486—2009);十、《水质氟化物的测定茜素磺酸锆目视比色法》(HJ 487—2009);十一、《水质氟化物的测定氟试剂分光光度法》(HJ 488—2009);十二、《水质银的测定 3,5-Br2-PADAP分光光度法》(HJ 489—2009);十三、《水质银的测定镉试剂2B分光光度法》(HJ 490—2009);十四、《土壤总铬的测定火焰原子吸收分光光度法》(HJ 491—2009);十五、《空气质量词汇》(HJ 492—2009);十六、《水质样品的保存和管理技术规定》(HJ 493—2009);十七、《水质采样技术指导》(HJ 494—2009);十八、《水质采样方案设计技术指导》(HJ 495—2009)。
水质多环芳烃的测定1、方法依据水质多环芳烃的测定液液萃取和固相萃取高效液相色谱法,HJ478-20092、适用范围本标准规定了测定水中十六种多环芳烃的液液萃取和固相萃取高效液相色谱法。
本标准适用于饮用水、地下水、地表水、海水、工业废水及生活污水中十六种多环芳烃的测定。
十六种多环芳烃(PAHs)包括:萘、苊、二氢苊、芴、菲、蒽、荧蒽、芘、苯并[a]蒽、芁屈、苯并[b]荧蒽、苯并[k]荧蒽、苯并[a]芘、茚并[1,2,3-cd]芘、二苯并[a,h]蒽、苯并[ghi]苝。
液液萃取法适用于饮用水、地下水、地表水、工业废水及生活污水中多环芳烃的测定。
当萃取样品体积为1 L时,方法的检出限为0.002~0.016 μg/L,测定下限为0.008~0.064 μg/L,详见表A.1。
萃取样品体积为2 L,浓缩样品至0.1 ml,苯并[a]芘的检出限为0.000 4 μg/L,测定下限为0.001 6 μg/L。
固相萃取法适用于清洁水样中多环芳烃的测定。
当富集样品的体积为10 L时,方法的检出限为0.000 4~0.001 6 μg/L,测定下限为0.001 6~0.006 4 μg/L,详见表A.2。
3、测定原理3.1 液液萃取法用正己烷或二氯甲烷萃取水中多环芳烃(PAHs),萃取液经硅胶或弗罗里硅土柱净化,用二氯甲烷和正己烷的混合溶剂洗脱,洗脱液浓缩后,用具有荧光/紫外检测器的高效液相色谱仪分离检测。
3.2 固相萃取法采用固相萃取技术富集水中多环芳烃(PAHs),用二氯甲烷洗脱,洗脱液浓缩后,用具有荧光/紫外检测器的高效液相色谱仪分离检测。
4、试剂本标准所用试剂除另有注明外,均应为符合国家标准的分析纯化学试剂。
除非另有说明,本标准中所涉及的水均为不含有机物的蒸馏水。
4.1 乙腈(CH3CN):液相色谱纯。
4.2 甲醇(CH3OH):液相色谱纯。
4.3 二氯甲烷(CH2Cl2):液相色谱纯。
4.4 正己烷(C6H14):液相色谱纯。
ICS13.060.30Z 75备案号:DB37 山东省地方标准DB 37/ 3416.1—2018部分代替DB37/ 599—2006流域水污染物综合排放标准第1部分:南四湖东平湖流域Integrated wastewater discharge standard for basin Part 1: Nansi Lake and DongpingLake basin2018-09-10发布2019-03-10实施山东省环境保护厅目次前言 (II)1 范围 (1)2 规范性引用文件 (1)3 术语和定义 (3)4 流域范围及控制区划分 (4)5 技术内容 (4)5.1 污染物排放控制要求 (4)5.2 其他要求 (9)6 污染物监测要求 (9)6.1 采样点 (9)6.2 分析方法 (10)7 达标判定 (13)8 标准实施与监督 (13)前言DB37/ 3416《流域水污染物综合排放标准》目前计划发布以下部分:——第1部分:南四湖东平湖流域;——第2部分:沂沭河流域;——第3部分:小清河流域;——第4部分:海河流域;——第5部分:半岛流域。
本标准为DB37/ 3416的第1部分。
本标准按照GB/T 1.1—2009给出的规则起草。
本标准代替DB37/ 599—2006《山东省南水北调沿线水污染物综合排放标准》,与DB37/ 599—2006相比主要技术内容变化如下:——明确了流域范围;——调整了第二类污染物的控制因子;——加严了部分污染物的排放控制要求。
本标准由山东省环境保护厅提出。
本标准由山东省环保标准化技术委员会归口。
本标准起草单位:山东省环境规划研究院。
本标准主要起草人:谢刚、史会剑、李玄、苏志慧、许颖。
本标准首次发布于2006年,本次为第一次修订。
流域水污染物综合排放标准第1部分:南四湖东平湖流域1 范围本标准规定了山东省南四湖、东平湖流域内除农村生活污水处理设施和医疗机构之外的所有排污单位水污染物的排放浓度限值、监测方法以及标准的实施与监督等有关要求。
水中多环芳烃的测定1目的为规范水中多环芳烃的测定及测量结果的准确度,特制定本作业指导书。
2适用范围本法适用于饮用水、地下水、地表水、海水、工业废水及生活污水中5种多环芳烃的测定。
3 岗位要求和职责检验员经培训后持证上岗,能熟练操作该仪器。
4 依据文件HJ 478-2009 水质多环芳烃的测定液液萃取和固相萃取高效液相色谱法5 方法概述用取水样1000mL,加入30g氯化钠,加入25mL二氯甲烷,萃取5分钟,静置分层后,收集有机相。
再加入25mL二氯甲烷,萃取静置,合并有机相,过无水硫酸钠脱水,KD浓缩至尽干,甲醇定容至1.0mL,混匀,过0.45μm有机滤膜,上机。
6 检测程序6.1方法原理用二氯甲烷萃取水中多环芳烃,萃取液经净化浓缩后,用具有二极管阵列检测器的高效液相色谱仪分离检测。
保留时间定性,外标法定量。
6.2 仪器和设备、试剂和材料、样品采集与保存6.2.1 仪器:高效液相色谱仪带二极管阵列检测器和梯度洗脱功能。
(校准周期2年,校准周期内做期间核查)色谱柱:C18 250mm×4.6mm 粒径5μm。
分液漏斗振荡器旋转蒸发装仪6.2.2所需化学试剂乙腈:HPLC级甲醇:HPLC级二氯甲烷:HPLC级无水硫酸钠:分析纯,400℃灼烧2h,冷却后玻璃瓶密封储存。
氯化钠:分析纯,400℃灼烧2h,冷却后玻璃瓶密封储存。
脱脂棉:医用6.2.3玻璃器皿:2000mL分液漏斗、旋转蒸发瓶及一般常用仪器清洗:首先用自来水冲洗玻璃器皿残留的溶剂。
然后用低泡洗涤剂洗刷玻璃器皿,用自来水冲洗三遍。
最后用纯水冲洗三遍、超纯水冲洗三遍。
(冲洗规则遵循少量多次)6.2.4环境条件:实验前对实验室通风6.2.5样品采集与保存:样品采集于棕色硬质玻璃中,水样充满样品瓶,加盖密封,4℃避光保存,7天内萃取。
6.2.6 每分析一批(20个)样品有一个空白加标,组分回收率70%-120%。
6.2.7仪器所配备计算机需满足仪器对软件/硬件的要求6.2.8结果计算6.2.8.1按以下公式计算水样中多环芳烃质量浓度(mg/L)ρ=ρ1×V1V×1000式中:ρ1——水样中多环芳烃的质量浓度 (mg/L)V1——萃取液浓缩后体积(mL)V——水样体积(mL)1000——换算系数6.2.8.2检测过程中及时填写使用记录及维护保养记录。
水质多环芳烃的测定液液萃取和固相萃取高效液相色谱法HJ478-2009 方法证实记录一、方法原理用二氯甲烷萃取水中多环芳烃(PAHs),萃取液经弗罗里硅土柱净化,用二氯甲烷和正己烷的混合溶剂洗脱,洗脱液经浓缩后,用具有紫外检测器的高效液相色谱仪分离检测。
二、试剂2.1乙腈:SIGMA-ALDRICH,液相色谱纯2.2 甲醇:Fisher,液相色谱纯2.3 二氯甲烷:天津致远,色谱纯2.4 正己烷:SIMARK,液相色谱纯2.5 无水硫酸钠:天津光复,优级纯,400℃烘烤2h2.6 氯化钠:天津北联,优级纯,400℃烘烤2h2.7 多环芳烃标准溶液:SITAER,甲醇中16种多环芳烃混标(编号:301702F55)2.8 弗罗里硅土柱:100mg/6mL三、主要仪器设备3.1 液相色谱仪:Thermo,Μ-3000,配有紫外检测器3.2色谱柱:Acclaim TM 120 C18 5μm 120Å(4.6X250mm)3.3 分液漏斗:2000mL,活塞不加凡士林3.4 层析柱3.5旋转蒸发仪四、方法步骤4.1 样品预处理4.1.1 萃取摇匀水样,量取1000mL水样,倒入2000mL分液漏斗中,加入30g氯化钠,再加入50mL二氯甲烷,振摇5min,静置分层,收集有机相,放入250mL接收瓶中,重复萃取两遍,合并有机相,加入无水硫酸钠至有流动的无水硫酸钠存在。
放置30min,脱水干燥。
4.1.2 浓缩用旋转蒸发仪浓缩至1mL,加入正己烷至5mL,重复浓缩3次,最后浓缩至1mL,待净化。
4.1.3 净化用1g弗罗里硅土柱净化:先用4mL淋洗液(二氯甲烷:正己烷=1:1)冲洗净化柱,再用10mL正己烷平衡净化柱。
将浓缩后的样品加到柱上,再用3mL正己烷分3次洗涤装样品的容器,一并加到柱上,弃去流出的溶剂。
用10mL淋洗液洗涤净化柱,收集洗脱液于浓缩瓶中,浓缩至0.5~1.0mL后加入3mL乙腈,浓缩至0.5mL,最后用乙腈定容至1.0mL。
4.2 色谱条件4.2.1色谱条件0-15min,乙腈:水=60:40;15-30min,乙腈:水变化至100:0;30-39min,乙腈:水=100:0;39-40min,乙腈:水变化至60:40;40-42min,乙腈:水=60:404.2.2检测器检测器类型:紫外检测器。
检测波长:220nm。
五、标准曲线5.1标准系列的制备取一定量多环芳烃标准溶液,用乙腈稀释至少5个浓度点的标准系列:0.5、1.0、2.0、4.0、5.0、10.0μg/mL。
5.2标准曲线的测定通过自动进样器移取10μL标准系列注入液相色谱仪,得到不同浓度的多环芳烃的色谱图,以峰面积为纵坐标,浓度为横坐标,绘制标准曲线。
六、方法检出限检出限的2~5倍法。
(采用曲线点0.04μg/mL测量7次得到萃取液检出限,再根据水样体积和萃取液定容体积,算出方法检出限)七、精密度实验室内相对标准偏差:标准曲线点测定法。
(对3组不同浓度的标准曲线点各测定6次,得到3组结果)八、准确度样品加标法。
(分别对6个平行样品加标0.5mg/L,得到6个加标结果)九、结论方法的线性为0.9986~0.9999;检出限为0.001μg/L ~0.010μg/L,均等于或优于方法检出限;精密度为0.08%~2.01%;加标回收率为63.3%~97.1%,均满足方法要求。
附表1方法检出限、测定下限测试数据表平行样品编号试样1(萘)试样2(二氢苊)试样3(苊)备注测定结果(μg/L)1 0.0381 0.0379 0.0376 浓度0.04μg/mL2 0.0370 0.0369 0.03553 0.0371 0.0364 0.03264 0.0372 0.0385 0.03745 0.0371 0.0369 0.03626 0.0370 0.0368 0.03527 0.0377 0.0373 0.0358平均值(μg/L)0.0373 0.0372 0.0358 标准偏差S i(μg/L)0.00042 0.0007 0.00167 t值 3.143 3.143 3.143 检出限(μg/L)0.001 0.002 0.005 测定下限(μg/L)0.005 0.009 0.021方法检出限、测定下限测试数据表平行样品编号试样1(芴)试样2(菲)试样3(蒽)备注测定结果(μg/L)1 0.0413 0.0376 0.0385 浓度0.04μg/mL2 0.0458 0.0369 0.03653 0.0428 0.0361 0.03844 0.0355 0.0351 0.03805 0.0413 0.0361 0.03836 0.0432 0.0361 0.03627 0.0420 0.0.372 0.0393平均值(μg/L)0.0417 0.0364 0.0379 标准偏差S i(μg/L)0.0031 0.0008 0.0011 t值 3.143 3.143 3.143 检出限(μg/L)0.010 0.003 0.004 测定下限(μg/L)0.039 0.011 0.014方法检出限、测定下限测试数据表平行样品编号试样1(荧蒽)试样2(芘)试样3(苯并[a]蒽)备注测定结果(μg/L)1 0.0396 0.0383 0.0396 浓度0.04μg/mL2 0.0387 0.0375 0.04023 0.0382 0.0380 0.03944 0.0384 0.0374 0.03955 0.0384 0.0370 0.03956 0.0383 0.0373 0.03997 0.0382 0.0367 0.0400平均值(μg/L)0.0385 0.0375 0.0397 标准偏差S i(μg/L)0.0005 0.0006 0.0003 t值 3.143 3.143 3.143 检出限(μg/L)0.002 0.002 0.001 测定下限(μg/L)0.006 0.007 0.004平行样品编号试样1(䓛)试样2(苯并[b]荧蒽)试样3(苯并[k]荧蒽)备注测定结果(μg/L)1 0.0406 0.0361 0.0365 浓度0.04μg/mL2 0.0390 0.0367 0.03883 0.0402 0.0367 0.03854 0.0396 0.0361 0.03875 0.0399 0.0365 0.03856 0.0393 0.0362 0.03847 0.0395 0.0362 0.0385平均值(μg/L)0.0397 0.0364 0.0383 标准偏差S i(μg/L)0.0005 0.0003 0.0008 t值 3.143 3.143 3.143 检出限(μg/L)0.002 0.001 0.002 测定下限(μg/L)0.007 0.003 0.010方法检出限、测定下限测试数据表平行样品编号试样1(苯并[a]芘)试样2(二苯并[a,h]蒽)试样3(苯并[g,h,i]苝)备注测定结果(μg/L)1 0.0444 0.0488 0.0416 浓度0.04μg/mL2 0.0421 0.0461 0.03863 0.0428 0.0473 0.03894 0.0440 0.0470 0.03915 0.0440 0.0481 0.03886 0.0423 0.0462 0.03887 0.0421 0.0486 0.0385平均值(μg/L)0.0431 0.0474 0.0392 标准偏差S i(μg/L)0.0010 0.011 0.0011 t值 3.143 3.143 3.143 检出限(μg/L)0.003 0.003 0.003 测定下限(μg/L)0.013 0.014 0.014平行样品编号试样1(茚并[1,2,3,-c,d]芘)试样2()试样3()备注测定结果(μg/L)1 0.0394 浓度0.04μg/mL2 0.03863 0.03874 0.03865 0.03886 0.03847 0.0383平均值(μg/L)0.0387标准偏差S i(μg/L)0.0004t值 3.143检出限(μg/L)0.001测定下限(μg/L)0.004附表2方法精密度测试数据表平行样品编号试样1(1.00mg/L)试样2(2.00mg/L)试样3(5.00mg/L)备注萘测定结果(mg/L)1 1.0184 2.0153 5.07872 1.0309 2.0164 5.07873 1.0290 2.0168 5.08354 1.0335 2.0004 5.07555 1.0342 2.0002 5.07976 1.0349 2.0053 5.0677平均值(mg/L)1.03022.0091 5.0773 标准偏差S i(mg/L)0.0062 0.0080 0.0054 相对标准偏差RSD i%0.60 0.40 0.11平行样品编号试样1(1.00mg/L)试样2(2.00mg/L)试样3(5.00mg/L)备注苊测定结果(mg/L)1 1.0087 2.0087 5.09002 0.0223 2.0109 5.09293 1.0212 2.0106 5.09844 1.0261 1.9944 5.09605 1.0261 1.9928 5.10246 1.0270 1.9987 5.0952平均值(mg/L)1.02192.0027 5.0958 标准偏差S i(mg/L)0.0062 0.0083 0.0043 相对标准偏差RSD i%0.60 0.42 0.08方法精密度测试数据表平行样品编号试样1(1.00mg/L)试样2(2.00mg/L)试样3(5.00mg/L)备注芴测定结果(mg/L)1 0.9658 1.9351 5.04912 0.9733 1.9463 5.04613 0.9842 1.9636 4.98294 0.9792 1.9479 4.95785 0.9822 1.8943 4.89706 0.9719 1.9007 5.0241平均值(mg/L)0.9761 1.9313 4.9928 标准偏差S i(mg/L)0.0070 0.0278 0.0591 相对标准偏差RSD i%0.72 1.44 1.18平行样品编号试样1(1.00mg/L)试样2(2.00mg/L)试样3(5.00mg/L)备注二氢苊测定结果(mg/L)1 1.0091 2.0197 5.12472 1.0245 2.0192 5.12703 1.0201 2.0139 5.14614 1.0274 1.9991 5.09935 1.0270 2.0090 5.12046 1.0298 2.0130 5.1262平均值(mg/L)1.02302.0123 5.1240 标准偏差S i(mg/L)0.0076 0.0076 0.0150 相对标准偏差RSD i%0.74 0.38 0.29方法精密度测试数据表平行样品编号试样1(1.00mg/L)试样2(2.00mg/L)试样3(5.00mg/L)备注菲测定结果(mg/L)1 0.9848 1.9598 5.15622 0.9961 1.9629 5.16003 0.9943 1.9614 5.16314 0.9999 1.9456 4.95965 1.0011 1.9435 4.96176 0.9995 1.9494 5.1322平均值(mg/L)0.9960 1.9538 5.0888 标准偏差S i(mg/L)0.0060 0.0086 0.0999 相对标准偏差RSD i%0.61 0.44 1.96平行样品编号试样1(1.00mg/L)试样2(2.00mg/L)试样3(5.00mg/L)备注蒽测定结果(mg/L)1 0.9557 1.9339 5.18692 0.9768 1.9330 5.17373 0.9764 1.9314 5.17944 0.9800 1.9144 4.90355 0.9802 1.9153 4.90896 0.9834 1.9173 5.1399平均值(mg/L)0.9754 1.9242 5.0820 标准偏差S i(mg/L)0.0100 0.0094 0.1372 相对标准偏差RSD i%1.02 0.492.70方法精密度测试数据表平行样品编号试样1(1.00mg/L)试样2(2.00mg/L)试样3(5.00mg/L)备注荧蒽测定结果(mg/L)1 0.9859 1.9714 5.16412 0.9995 1.9728 5.16513 0.9986 1.9709 5.16914 1.0033 1.9544 5.05395 1.0034 1.9681 5.05936 1.0049 1.9589 5.1354平均值(mg/L)0.9993 1.9661 5.1245 标准偏差S i(mg/L)0.0070 0.0076 0.0540 相对标准偏差RSD i%0.70 0.39 1.05平行样品编号试样1(1.00mg/L)试样2(2.00mg/L)试样3(5.00mg/L)备注芘测定结果(mg/L)1 0.9597 1.9386 5.24772 0.9733 1.9403 5.23133 0.9715 1.9357 5.22574 0.9756 1.8998 5.05075 0.9764 2.0077 5.04876 0.9782 1.9028 5.1701平均值(mg/L)0.9724 1.9375 5.1624 标准偏差S i(mg/L)0.0067 0.0389 0.0911 相对标准偏差RSD i%0.69 2.01 1.76方法精密度测试数据表平行样品编号试样1(1.00mg/L)试样2(2.00mg/L)试样3(5.00mg/L)备注䓛测定结果(mg/L)1 0.9956 2.0011 5.16572 1.0136 1.9891 5.13953 1.0275 1.9988 5.15244 1.0172 2.0011 5.08835 1.0198 2.0322 5.10996 1.0205 1.9825 5.1373平均值(mg/L)1.01572.0008 5.1322 标准偏差S i(mg/L)0.0109 0.0171 0.0284 相对标准偏差RSD i%1.07 0.85 0.55平行样品编号试样1(1.00mg/L)试样2(2.00mg/L)试样3(5.00mg/L)备注苯并[a]蒽测定结果(mg/L)1 0.9919 2.0124 5.10882 1.0114 1.9908 5.12413 1.0270 1.9818 5.11844 1.0135 2.0048 5.08745 1.0149 2.0198 5.08356 1.0132 1.9712 5.0807平均值(mg/L)1.0120 1.9968 5.1005 标准偏差S i(mg/L) 1.0113 0.0187 0.0190 相对标准偏差RSD i%1.12 0.94 0.37方法精密度测试数据表平行样品编号试样1(1.00mg/L)试样2(2.00mg/L)试样3(5.00mg/L)备注苯并[b]荧蒽测定结果(mg/L)1 0.9822 1.9724 5.07722 0.9943 1.9528 5.07643 1.0054 1.9566 5.07694 0.9979 1.9594 4.99795 0.9973 1.9634 5.00126 0.9982 1.9418 5.0204平均值(mg/L)0.9959 1.9577 5.0417 标准偏差S i(mg/L)0.0076 0.0103 0.0393 相对标准偏差RSD i%0.77 0.53 0.78平行样品编号试样1(1.00mg/L)试样2(2.00mg/L)试样3(5.00mg/L)备注苯并[k]荧蒽测定结果(mg/L)1 1.0064 1.9945 5.10202 1.0128 2.0039 5.09613 1.0099 2.0028 5.10194 1.0168 1.9861 5.06515 1.0162 1.9840 5.06636 1.0171 1.9841 5.0674平均值(mg/L)1.0132 1.9926 5.0831 标准偏差S i(mg/L)0.0043 0.0092 0.0186 相对标准偏差RSD i%0.43 0.46 0.37方法精密度测试数据表平行样品编号试样1(1.00mg/L)试样2(2.00mg/L)试样3(5.00mg/L)备注苯并[a]芘测定结果(mg/L)1 0.9701 1.9827 5.13692 0.9930 2.0000 5.14073 0.9887 1.9962 5.14004 0.9945 1.9803 5.02405 0.9982 1.9804 5.02446 0.9955 1.9707 5.0237平均值(mg/L)0.9900 1.9850 5.0816 标准偏差S i(mg/L)0.0102 0.0110 0.0631 相对标准偏差RSD i%1.03 0.55 1.24平行样品编号试样1(1.00mg/L)试样2(2.00mg/L)试样3(5.00mg/L)备注二苯并[a,h]蒽测定结果(mg/L)1 0.9736 1.9921 5.00232 1.0001 2.0041 4.98473 1.0025 1.9972 4.99124 0.9965 1.9733 4.98375 1.0170 1.9745 4.98066 1.0119 1.9844 4.9757平均值(mg/L)1.0002 1.9876 4.9864 标准偏差S i(mg/L)0.0151 0.0124 0.0093 相对标准偏差RSD i%1.51 0.62 0.19方法精密度测试数据表平行样品编号试样1(1.00mg/L)试样2(2.00mg/L)试样3(5.00mg/L)备注苯并[ghi]苝测定结果(mg/L)1 1.0092 2.0111 5.09162 1.0217 2.0135 5.09103 1.0190 2.0116 5.09324 1.0241 1.9948 5.08705 1.0249 1.9929 5.08966 1.0225 1.9985 5.0810平均值(mg/L)1.02022.0037 5.0889 标准偏差S i(mg/L)0.0058 0.0093 0.0044 相对标准偏差RSD i%0.57 0.47 0.09平行样品编号试样1(1.00mg/L)试样2(2.00mg/L)试样3(5.00mg/L)备注茚并[1,2,3-c,d]芘测定结果(mg/L)1 1.0063 2.0122 5.09752 1.0215 2.0133 5.09473 1.0189 2.0122 5.09894 1.0273 1.9954 5.09255 1.0246 1.9942 5.09496 1.0240 1.9998 5.0854平均值(mg/L)1.02042.0045 5.0940标准偏差S i(mg/L)0.0075 0.0090 0.0048相对标准偏差RSD i%0.73 0.45 0.09附表4方法准确度测试数据表(实际样品加标测试数据)平行样品编号有证标准样品备注试样1 萘试样2苊试样3 芴样品加标样品样品加标样品样品加标样品测定结果(μg/L)1 0.1713 0.4873 0 0.4830 0 0.46802 0.1686 0.4888 0 0.4822 0 0.46633 0.1716 0.4871 0 0.4821 0 0.46104 0.1713 0.4874 0 0.4835 0 0.47535 0.1724 0.4878 0 0.4822 0 0.46586 0.1730 0.4899 0 0.4854 0 0.4605平均值(μg/L)0.1714 0.4880 0 0.4831 0 0.4662 加标量μ(μg/L)0.5 0.5 0.5加标回收率P i(% )63.3 96.6 93.2平行样品编号有证标准样品备注试样1 二氢苊试样2菲试样3 蒽样品加标样品样品加标样品样品加标样品测定结果(μg/L)1 0 0.4847 0 0.4736 0 0.45952 0 0.4851 0 0.4715 0 0.46113 0 0.4849 0 0.4715 0 0.46014 0 0.4831 0 0.4713 0 0.46145 0 0.4855 0 0.4714 0 0.46076 0 0.4889 0 0.4685 0 0.4633平均值(μg/L)0 0.4854 0 0.4713 0 0.4610加标量μ(μg/L)0.5 0.5 0.5加标回收率P i(% )97.1 94.3 92.2方法准确度测试数据表(实际样品加标测试数据)平行样品编号有证标准样品备注试样1荧蒽试样2芘试样3 䓛样品加标样品样品加标样品样品加标样品测定结果(μg/L)1 0 0.4742 0 0.4616 0 0.47662 0 0.4745 0 0.4613 0 0.47963 0 0.4736 0 0.4616 0 0.47764 0 0.4743 0 0.4619 0 0.47895 0 0.4751 0 0.4632 0 0.47676 0 0.4757 0 0.4653 0 0.4802平均值(μg/L)0 0.4746 0 0.4625 0 0.4783 加标量μ(μg/L)0.5 0.5 0.5加标回收率P i(% )94.9 92.5 95.7平行样品编号有证标准样品备注试样1苯并[a]蒽试样2苯并[b]荧蒽试样3苯并[k]荧蒽样品加标样品样品加标样品样品加标样品测定结果(μg/L)1 0 0.4787 0 0.4692 0 0.48052 0 0.4762 0 0.4694 0 0.48033 0 0.4766 0 0.4681 0 0.47904 0 0.4767 0 0.4689 0 0.48055 0 0.4792 0 0.4685 0 0.48056 0 0.4790 0 0.4707 0 0.4816平均值(μg/L)0 0.4777 0 0.4691 0 0.4804加标量μ(μg/L)0.5 0.5 0.5加标回收率P i(% )95.5 93.8 96.1方法准确度测试数据表(实际样品加标测试数据)平行样品编号有证标准样品备注试样1苯并[a]芘试样2二苯并[a,h]蒽试样3苯并[ghi]苝样品加标样品样品加标样品样品加标样品测定结果(μg/L)1 0 0.4727 0 0.4807 0 0.48212 0 0.4768 0 0.4736 0 0.48173 0 0.4737 0 0.4874 0 0.48064 0 0.4732 0 0.4937 0 0.48305 0 0.4732 0 0.4811 0 0.48276 0 0.4741 0 0.4911 0 0.4842平均值(μg/L)0 0.4740 0 0.4846 0 0.4824 加标量μ(μg/L)0.5 0.5 0.5加标回收率P i(% )94.8 96.9 96.5平行样品编号有证标准样品备注试样1茚并[1,2,3-c,d]芘试样2 试样3样品加标样品样品加标样品样品加标样品测定结果(μg/L)1 0 0.48252 0 0.48283 0 0.48014 0 0.48315 0 0.48326 0 0.4842平均值(μg/L)0 0.4826 加标量μ(μg/L)0.5加标回收率P i(% )96.5。