安全文明施工检查评分标准(计分)
- 格式:doc
- 大小:102.50 KB
- 文档页数:16
文明施工检查评分表(一)文明施工检查评分汇总表五牌一图内容一、施工标牌二、组织网络牌三、全纪律牌内容1、进入现场必须戴好安全帽,系好安全带,并正确使用个人劳动防护用品。
2、凡2米以上悬空、高处作业无安全设施的必须系好安全带,扣好保险钩。
3、高处作业时不往下乱抛材料和工具等物件。
4、各种电动机械设备,必须有漏电保护装置和可靠安全接地方能开动使用。
5、未经有关人员批准不准任意拆除安全设施和安全装置。
6、未经教育不得上岗,无证不得操作,非操作人员严禁进入危险区域。
7、井字架吊篮、料斗不准乖人。
8、洒后不准上班操作。
9、穿拖鞋、高跟鞋、赤脚或者赤膊不准进入施工现场。
10、穿硬底不准进行登高作业。
四、防火须知牌内容1、不准在宿舍内和施工现场明火燃烧杂物和废纸等,现场制沥青时应有防火措施,并指定专人负责。
2、宿舍、仓库、办公室内不准使用电饭煲、电水壶、电炉、电热杯等,如需使用应由行政办公室指定统一地点,但严禁使用电炉。
3、不准在宿舍、办公室内乱抛烟头、火柴棒、不准躺在床上吸烟,吸烟者应备烟缸,烟头和火柴必须丢进烟缸。
4、不准在宿舍、办公室内乱接电源,非专职电工不准私接熔丝,不准以其他金属代替保险丝。
5、宿舍内照明不准使用60w以上灯泡,灯泡离地高度不低于2.5米,离开蚊帐等物品不少于50厘米。
6、不准将易燃易爆物品带进宿舍。
7、食堂、浴室、炉灶的烧火人员不得擅自离开岗位,清理炉灶余灰、不准随便乱倒。
8、不准将火种带进仓库和施工危险区域、木工间及木制品堆放场地。
9、不准在宿舍区、施工现场和公安局规定的禁区内燃放鞭炮和烟火。
10、电焊、气焊人员应严格执行操作规程,执行动火证制度,不准易燃易爆物附近放焊。
五、文明施工管理牌内容包括现场文明施工管理组织机构、责任制分解落实情况、管理人员和操作人员的文明守则等。
六、工现场平面布置图内容大型工程施工现场平面布置图因施工期变动较大,可按基础、主体、装饰三阶段进行施工现场平面布置图设计,内容应包括:1、临时设施、现场交通、现场作业区、施工设备及机具的布置,现场办公室、仓库、生活区的布置,成品、半成品、原材料的堆放位置等。
文明施工检查评分表备注:(一)基坑开挖阶段扬尘防治措施1.控制扬尘作业。
土石方及支护施工的爆破、挖掘、风炮作业等应采取喷淋、洒水等防扬尘措施,未施工的裸露作业面、裸露区域应使用密目安全网进行有效覆盖。
2.规范土石方运输车辆。
必须使用密闭加盖运输车辆,并严格控制渣土装车高度,装车高度一律不得高出车辆挡板。
3.坡道硬化、覆盖。
基坑内坡道应采取硬化、覆盖等防扬尘措施。
4.大风天气。
风速四级以上天气时,现场应停止土石方开挖、锚杆打孔、建筑垃圾清理和倒运等易产生扬尘的作业。
(二)主体施工阶段扬尘防治措施1.建筑物围挡。
在建建筑物必须使用符合标准要求的密目式安全立网进行全封闭围挡,并及时整理、维护,确保严密、清洁、平整、美观。
2.物料堆放。
建筑施工现场水泥等易产生扬尘的材料应放置在封闭的库房内,无法存放在库房的应进行有效覆盖,严禁露天放置。
3.严禁抛洒垃圾。
建筑施工现场禁止从建筑内向外抛扬建筑垃圾。
架体内脚手板转层时应先洒水湿润并清理脚手板上的杂物,清理时严禁高空抛撒。
4.严禁露天切割作业。
施工现场墙体砌筑、建材切割应有密闭的专用配砖切割场地,并有降尘措施,严禁现场干式切割造成扬尘污染。
5.粉尘、垃圾清理。
现场道路不得有粉尘、浮土,清扫时应先洒水湿润。
建筑施工现场应设建筑废料集中堆放点,分类堆放,及时清运。
生活垃圾应采用密闭式容器装存,日产日清。
(三)装饰装修阶段扬尘防治措施1.严禁露天切割作业。
施工现场镶贴石材和墙地瓷砖时应有密闭的专用配砖切割场地,并有降尘降噪措施,严禁现场干式切割造成扬尘污染。
2.粉尘、垃圾清理。
现场道路、场区内不得有粉尘、浮土,清扫时应先洒水湿润。
建筑物内垃圾清理应先洒水湿润后,才能清扫,禁止从建筑内向外抛扬建筑垃圾。
3.主体脚手架拆除时应先清理架体内的杂物,清理时严禁高空抛撒,拆除脚手架密目安全网围挡不得产生扬尘。
(四)竣工前阶段扬尘防治措施1.室外作业。
项目范围内室外管网、道路、绿化等施工作业应采取扬尘防治措施,未施工的裸露作业面、土堆等应严密覆盖。
青岛市建筑施工安全文明标准化考核评价标准一、考核评价标准汇总表考核评分说明1.考核评价标准对施工现场质量安全管理体系、安全生产管理、文明施工、质量管理、工程监理、建筑队伍管理、绿色施工、工程创新、双重预防体系9个分项进行考核评分。
根据考核结果汇总所得分值,确定项目考核结果。
2.考核汇总分值计算方法:(考核计分采用百分制)(1)分项检查评分表和检查评分汇总表的满分分值均应为100分,评分表的实得分值应为各检查项目所得分值之和。
(2)汇总表(分表)实际得分=汇总表(分表)在考核表中实得分之和乘以汇总表(分表)该分项应得分值/100。
3.考核结果的确定方法:(1)项目考核得分大于90分(含90分)的,可推荐示范工地。
(2)项目考核得分小于90分且大于70分(含70分)的,为达标工地。
(3)项目考核得分小于70分或存在一票否决项的工程,均视为不达标。
4.工程创新项中智慧工地建设情况的评分方法:(1)经青岛市住房和城乡建设局相关主管部门评定为AAA级智慧化工地的,其智慧工地建设情况评分为80分。
(2)经青岛市住房和城乡建设局相关主管部门评定为AA级智慧化工地的,其智慧工地建设情况评分为70分。
(3)经青岛市住房和城乡建设局相关主管部门评定为A级智慧化工地的,其智慧工地建设情况评分为60分。
(4)未参与相关主管部门智慧化工地等级评定的,将参考智慧化工地评价标准,根据现场实际情况进行评分。
(一)质量安全保证体系考核评价标准(二)安全生产管理考核评价标准(三)文明施工考核评价标准(四)质量管理考核评价标准(五)工程监理考核评价标准(六)建筑队伍管理考核评价标准(七)绿色施工考核评价标准(八)工程创新考核评价标准(九)双重预防体系考核评价标准。
施工现场安全、文明施工检查评分表表一
(安全内业)
检查人:日期:年月日
现场负责人:日期:年月日
施工现场安全、文明施工检查评分表表二
检查人:日期:年月日
现场负责人:日期:年月日
施工现场安全、文明施工检查评分表表三
(施工现场消防保卫)
检查人:日期:年月日
现场负责人:日期:年月日
施工现场安全、文明施工检查评分表表四
检查人:日期:年月日
现场负责人:日期:年月日
施工现场安全、文明施工检查评分表表五
检查人:日期:年月日
现场负责人:日期:年月日
施工现场安全、文明施工检查评分表表六
(施工现场防护管理-碗扣式钢管脚手架)
检查人:日期:年月日
现场负责人:日期:年月日
施工现场安全、文明施工检查评分表表七
(施工现场防护管理-基坑支护)
检查人:日期:年月日
现场负责人:日期:年月日
施工现场安全、文明施工检查评分表表八
(施工现场防护管理-模板工程)
检查人:日期:年月日
现场负责人:日期:年月日
施工现场安全、文明施工检查评分表表九
(“三宝”、“四口”管理)
检查人:日期:年月日
现场负责人:日期:年月日
施工现场安全、文明施工检查评分表表十
检查人:日期:年月日
现场负责人:日期:年月日
施工现场安全、文明施工检查评分表表十一
(特种、大型设备及施工机具)
检查人:日期:年月日
现场负责人:日期:年月日
施工现场安全、文明施工检查评分表表十二
(盾构施工)
检查人:日期:年月日现场负责人:日期:年月日。
第1篇一、前言为确保工程质量,提高施工管理水平,本工程对施工情况进行定期检查,并制定评分标准。
以下为工程施工情况检查评分标准。
二、评分标准1. 工程进度(30分)(1)按照合同约定,按期完成工程进度,得分30分。
(2)进度滞后,每滞后1%,扣1分,最高扣至10分。
(3)进度提前,每提前1%,加1分,最高加至10分。
2. 工程质量(40分)(1)按照国家及行业相关质量标准,工程合格率达到100%,得分40分。
(2)出现质量问题,每发现一处,扣1分,最高扣至10分。
(3)工程优良率达到30%,加2分。
3. 施工安全(20分)(1)严格执行国家及行业相关安全规定,施工现场安全文明,得分20分。
(2)发生安全事故,每发生一次,扣2分,最高扣至10分。
(3)安全教育培训到位,施工现场安全标志齐全,加1分。
4. 环境保护(10分)(1)严格按照国家及地方环保要求,施工现场环境保护措施到位,得分10分。
(2)存在环境污染问题,每发现一处,扣1分,最高扣至5分。
三、检查流程1. 检查人员根据检查评分标准,对施工现场进行实地检查。
2. 检查人员填写检查记录表,对发现的问题进行记录。
3. 检查结束后,检查人员将检查记录表及评分结果提交给项目经理。
4. 项目经理根据检查结果,对施工方进行通报,并提出整改要求。
5. 施工方在规定时间内完成整改,并提交整改报告。
6. 检查人员对整改情况进行复查,确保问题得到解决。
四、总结通过工程施工情况检查评分,有助于提高工程管理水平,确保工程质量。
施工方应严格按照国家及行业相关标准进行施工,确保工程进度、质量、安全及环境保护等方面达到要求。
同时,检查人员应认真履行职责,确保检查工作公正、公平、公开。
第2篇一、引言为了确保工程质量、进度和安全,加强对工程施工过程的监督管理,提高施工管理水平,现对工程施工情况进行检查评分。
以下是对工程施工情况的检查评分细则。
二、检查内容1. 工程施工合同执行情况(1)合同签订是否合法、合规。
计分规则:
记分值计算
建筑施工企业质量安全文明施工行为评价得分采取动态平均分制。
动态平均分制是指被评价建筑施工企业在评价周期内所有被查在建工程的企业质量安全文明施工行为评价分值的算术平均。
易错点:
1.取条款扣分时平均值时,扣分为0的未计入检查次数。
如本项目条款3.8.2
很容易出错以(2+1)/2来算,这样是不对的。
该条款正确的平均值应为(0+2+1)/3,因为只要该检查条款有检查到,即使扣0分,也要计算到检查次数内。
2.取条款扣分时平均值时,未检查的条款,算入了检查次数。
例如本项目条款
3.5.4
如果将平均值以3/3来计算是不对的,因为此第一次第二次并未检查此条款内容,只有第三次有检查该条款的内容,因此检查次数为1次,平均值为3/1=3才正确。
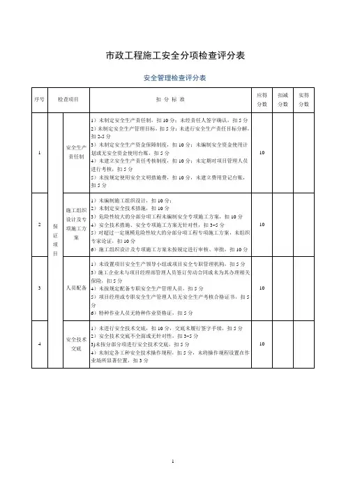
建筑工地安全文明施工标准化检查评分表工程名称: 元谋金汇·双城小区(一期)三标段1、2栋工程 工程地址: 元谋永武高速路旁考核项目 考评内容 评分说明 应得分缺项减分扣分实得分安全管理 (20)安全生产责任制未建立安全生产责任制扣3分 ;各级部门未执行责任制的扣3分;经济承包中无安全生产指标的扣3分;未制定各工种安全技术操作规程扣3分;未按规定配备专(兼)职安全员的扣3分;管理人员责任制考核不合格的扣3分,直至得分为0。
3 目标管理未制定安全管理目标(伤亡控制、重大责任事故指标)扣2分;无责任目标考核规定的扣2分;考核办法未落实或落实不好的扣2分,直至得分为0。
2 施工组织设计中安全措施施工组织设计中无安全措施扣3分;施工组织设计中无临时用电设计方案扣3分;临时用电设计方案未经审批扣3分;专业性较强的大项目,未编制独立专项安全施工组织设计扣3分;安全措施不全面扣3分;安全措施未落实或无针对性扣3分,季节性安全措施不齐全扣3分,针对性不强扣3分,直至得分为0。
3 分部、分项工程安全技术交底无书面安全技术交底扣2分;交底针对性不强扣2分;交底不全面扣2分;交底未交到班组、作业人员扣2分;交底无履行签字手续扣2分,直至得分为0。
2 安全检查无定期安全检查制度扣2分;安全检查无记录扣2分;检查无事故隐患,整改做不到定人、定时间、定措施扣2分;对重大事故隐患整改通知书所列项目未按时完成扣2分,直至得分为0。
2 安全教育无安全教育制度扣2分;新入场工人未进行三级教育扣2分;无具体安全教育内容扣2分;交换工种时,未进行安全教育扣2分;有一人不懂本工种安全技术操作规程扣2分;施工管理人员未按规定进行年度安全培训扣2分;兼职安全员未按规定进行年度培训或考核不合格扣2分,直至得分为0。
2 班前安全活动、应知考核未建立班前安全活动制度扣1分;班前安全活动无记录扣1分,职工未应知考核制度扣1分;直至得分为0。
建筑施工安全检查评分方法建筑施工安全是一项极为重要的工作,关系到工人的生命安全和施工质量。
为了确保建筑施工的安全性,常常需要进行安全检查评分。
本文将详细介绍建筑施工安全检查评分方法。
一、安全管理体系评分方法1. 安全管理制度得分(500分)- 建筑施工单位是否有健全的安全管理制度;- 安全管理制度的完善程度和贯彻执行的情况;- 是否有明确的安全责任制和操作规程。
2. 安全生产责任制得分(400分)- 建筑施工单位是否建立了完善的安全生产责任制;- 是否有明确的安全生产目标和责任分工;- 是否定期进行安全生产责任制的考核。
3. 安全教育培训得分(300分)- 建筑施工单位是否进行了必要的安全教育培训;- 是否有明确的安全培训计划和安全技术交底;- 是否定期进行安全教育培训的检查和考核。
4. 安全设施设备得分(300分)- 建筑施工单位是否有完善的安全设施设备;- 安全设施设备的数量和质量是否达标;- 是否定期进行安全设施设备的检查和维护。
5. 防护措施得分(500分)- 施工现场是否有明确的防护措施;- 施工现场的防护措施是否到位和有效;- 是否进行了相关防护措施的检查和评估。
6. 安全检查得分(500分)- 施工单位是否定期进行安全检查和评估;- 是否有安全隐患排查整改的记录和情况;- 是否进行了定期的安全检查和评估。
7. 应急救援得分(400分)- 施工单位是否建立了完善的应急救援预案;- 是否有明确的应急救援组织和指挥体系;- 是否进行了应急演练和应急救援能力评估。
8. 安全文明施工得分(300分)- 施工单位是否开展了安全文明施工活动;- 是否有明确的施工文明施工要求和标准;- 是否进行了安全文明施工的检查和评估。
以上安全管理体系评分方法共计3000分,可以根据具体情况进行权重调整和分值分配。
二、作业环境评分方法1. 施工场地布局得分(400分)- 施工场地的布局是否合理和安全;- 是否有明确的施工区域划分和通道设置;- 是否有合适的施工设备存放和堆放区域。