安全检查评分表_(完整版)
- 格式:doc
- 大小:430.50 KB
- 文档页数:50
施工现场安全、文明施工检查评分表表一
(安全内业)
检查人:日期:年月日
现场负责人:日期:年月日
施工现场安全、文明施工检查评分表表二
检查人:日期:年月日
现场负责人:日期:年月日
施工现场安全、文明施工检查评分表表三
(施工现场消防保卫)
检查人:日期:年月日
现场负责人:日期:年月日
施工现场安全、文明施工检查评分表表四
检查人:日期:年月日
现场负责人:日期:年月日
施工现场安全、文明施工检查评分表表五
检查人:日期:年月日
现场负责人:日期:年月日
施工现场安全、文明施工检查评分表表六
(施工现场防护管理-碗扣式钢管脚手架)
检查人:日期:年月日
现场负责人:日期:年月日
施工现场安全、文明施工检查评分表表七
(施工现场防护管理-基坑支护)
检查人:日期:年月日
现场负责人:日期:年月日
施工现场安全、文明施工检查评分表表八
(施工现场防护管理-模板工程)
检查人:日期:年月日
现场负责人:日期:年月日
施工现场安全、文明施工检查评分表表九
(“三宝”、“四口”管理)
检查人:日期:年月日
现场负责人:日期:年月日
施工现场安全、文明施工检查评分表表十
检查人:日期:年月日
现场负责人:日期:年月日
施工现场安全、文明施工检查评分表表十一
(特种、大型设备及施工机具)
检查人:日期:年月日
现场负责人:日期:年月日
施工现场安全、文明施工检查评分表表十二
(盾构施工)
检查人:日期:年月日现场负责人:日期:年月日。
表B.1安全管理检查评分表表B.2文明施工检查评分表表B・3扣件式钢管脚手架检查评分表表B.4基坑支护、土方作业检查评分表表B・5模板支架检查评分表表B.6“三宝、四口”及临边防护检查评分表表B.7施工用电检查评分表表B.8施工升降机检查评分表表B.9塔式起重机检查评分表表B.10施工机具检查评分表8圆盘锯 未设置安全防护棚扣3分 无人操作时未切断电源扣3分使用平刨和圆盘锯合用一台电机的多功能木工机具,平刨和圆盘 锯两项扣12分电锯安装后未留有验收合格手续扣3分未设置锯盘护罩、分料器、防护挡板安全装置和传动部位未进行防护每缺一项扣3分未做保护接零、未设置漏电保护器每处扣3分 未设置安全防护棚扣3分 无人操作时未切断电源扣3分I 类手持电动工具未采取保护接零或漏电保护器扣8分手持电 使用I 类手持电动工具不按规定穿戴绝缘用品扣4分动工具 使用手持电动工具随意接长电源线或更换插头扣4分 机械安装后未留有验收合格手续扣5分 未做保护接零、未设置漏电保护器每处扣5分钢筋机 钢筋加工区无防护棚,钢筋对焊作业区未采取防止火花飞溅措施,械冷拉作业区未设置防护栏每处扣5分电焊机 搅拌机 气瓶传动部位未设置防护罩或限位失灵每处扣3分 电焊机安装后未留有验收合格手续扣3分 未做保护接零、未设置漏电保护器每处扣3分未设置二次空载降压保护器或二次侧漏电保护器每处扣3分 一次线长度超过规定或不穿管保护扣3分二次线长度超过规定或未采用防水橡皮护套铜芯软电缆扣3分 电源不使用自动开关扣2分二次线接头超过3处或绝缘层老化每处扣3分 电焊机未设置防雨罩、接线柱未设置防护罩每处扣3分搅拌机安装后未留有验收合格手续扣4分 未做保护接零、未设置漏电保护器每处扣4分 离合器、制动器、钢丝绳达不到要求每项扣2分 操作手柄未设置保险装置扣3分未设置安全防护棚和作业台不安全扣4分 上料斗未设置安全挂钩或挂钩不使用扣3分 传动部位未设置防护罩扣4分 限位不灵敏扣4分 作业平台不平稳扣3分 氧气瓶未安装减压器扣5分 各种气瓶未标明标准色标扣2分气瓶间距小于5米、距明火小于10米又未采取隔离措施每处扣2 分。
表A 建筑施工安全检查评分汇总表
企业名称:资质等级:年月日
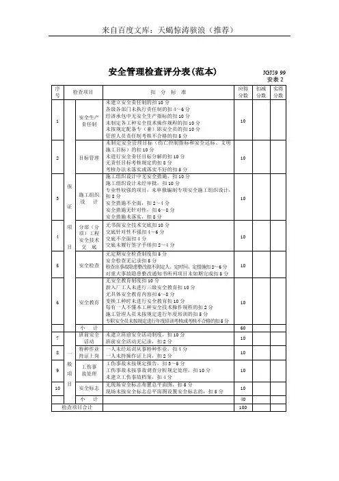
表B.1 安全管理检查评分表
表B.2 文明施工检查评分表
表B.3 扣件式钢管脚手架检查评分表
表B.4 门式钢管脚手架检查评分表
表B.5 碗扣式钢管脚手架检查评分表
表B. 6承插型盘扣式钢管支架检查评分表
表B.7 满堂式脚手架检查评分表
表B.4 悬挑式脚手架检查评分表
表B.9 附着式升降脚手架检查评分表
表B. 10 高处作业吊篮检查评分表
表B. 13 高处作业检查评分表
表B.14 施工用电检查评分表
表B.15物料提升机检查评分表
表B.16 施工升降机检查评分表
表B.17 塔式起重机检查评分表。
安全检查评估打分表
以下是一个通用的安全检查评估打分表,可以根据实际情况进行调整和补充:
1. 安全管理制度
- 安全责任制度:(打分范围0-10)
- 安全生产管理制度:(打分范围0-10)
- 应急救援预案:(打分范围0-10)
- 安全培训计划:(打分范围0-10)
2. 设备设施安全
- 设备设施维护保养:(打分范围0-10)
- 设备设施更新改造:(打分范围0-10)
- 设备设施安全标志标识:(打分范围0-10)
3. 应急预案和演练
- 应急预案编制和完善:(打分范围0-10)
- 演练计划和组织:(打分范围0-10)
- 演练效果评估和改进:(打分范围0-10)
4. 作业安全
- 作业安全培训和考核:(打分范围0-10)
- 作业风险评估和控制措施:(打分范围0-10)
- 作业监督和检查:(打分范围0-10)
5. 个体防护措施
- 个人防护装备配备和使用:(打分范围0-10)
- 个体防护设施管理情况:(打分范围0-10)
总分:(根据具体分值进行计算)
请注意,具体的打分标准和权重可以根据实际情况进行制定,以适应不同行业和企业的特殊需求。
另外,安全检查评估应该是一个定期进行的过程,以确保安全管理工作的持续改进和有效实施。
安全检查评分表安全检查评分表一、场所外部安全检查1. 房屋外部是否存在裂缝或倒塌的迹象?2. 门窗是否完好无损,能否顺畅打开和关闭?3. 是否安装了防盗门锁或其他防盗措施?4. 是否清理了路面积水和其它障碍物,以保障安全通行?二、灾害防范安全检查1. 是否存在火灾隐患,如电线杂乱,明火使用等?2. 是否存在漏电隐患,如电线老化,socket不合格等?3. 是否存在天气灾害隐患,如窗户密封性差等?4. 是否存在自然灾害隐患,如地震,海啸等?三、应急处理安全检查1. 是否准备了消防器材及第一扑救工具?2. 是否有紧急通讯手段,例如电话或对讲机?3. 是否制定了应急预案,以应对各种突发事件?四、人员安全检查1. 安全负责人是否及时通知员工有关安全事项?2. 员工是否接受了必要的安全培训?3. 是否定期开展安全教育活动,以提高员工安全意识?4. 是否制定了职业病防护规定,以保障员工职业健康?五、设备安全检查1. 机器设备是否按照规定操作?2. 是否及时保养维护设备,确保设备正常运转?3. 是否进行了必要的安全检测,以保证设备质量?六、其他安全检查1. 场所内是否存在走路打滑的危险?2. 是否存在物品悬挂在高处,可能掉下伤人?3. 是否存在堆放杂物的现象,可能引发安全事故?4. 是否遵守环保规定,避免污染环境?七、评估措施1. 检查结果如下,请对照真实情况填写,并得出相应措施。
项目得分相应措施一、场所外部安全检查1.房屋外部 /10 消除存在安全隐患的问题,确保房屋稳定安全。
2.门窗 /10 安装防盗门锁及其它防盗措施,保障安全。
3.路面通行 /10 清理路面积水和其它障碍物,以保障安全通行。
二、灾害防范安全检查1.火灾隐患 /10 清理杂物,规范使用材料,防患于未然。
2.漏电隐患 /10 更换电线及plug,防患于未然。
3.天气灾害 /10 检查窗户密封,更换需要更换的窗户。
4.自然灾害 /10 根据地理位置决定所需防范措施。