40.5kV交流三相隔离开关技术规范书
- 格式:doc
- 大小:139.00 KB
- 文档页数:10
GW4一40.5/126kv高压隔离开关安装调试手册基本参数主闸刀断口/最小空气距离40.5KV 72.5KV 126KV≥540mm ≥650mm ≥1200mm相对地断口/最小空气距离40.5KV 72.5KV 126KV≥400mm ≥650mm ≥900mm主回路接触电阻1250~1600A2000~3150A4000A 126kv ≤140uΩ≤120uΩ≤60uΩ72.5kv ≤130uΩ≤100uΩ≤50uΩ40.5kv ≤125uΩ≤85uΩ≤50uΩ主刀三相同期40.5KV 72.5KV 126KV≤6mm ≤6mm ≤10mm—:开箱检查GW4一40.5一126kv隔离开关每组均调试出厂,主要有以下几个部分包装,有本体包装箱、电动操作机构包装箱、水平连杆包装。
开箱时应对照装箱清单仔细检查,零部件有无遗失缺漏、损坏,绝缘子瓷质有无破损、附件胶装处是否松动。
本体包装箱内有主刀闸装配3相(开关带接地时附有1组或2组接地闸刀)、垂直连杆、主、地刀水平连杆、手动操作机构。
附件箱内有隔离开关出厂资料,(十二孔)接头(用于连接地刀水平连杆,手动操作机构与垂直连杆的连接),地刀垂直出轴装配。
二.安装调试产品出厂时均已整组调试,但因基础、吊装等因素使刀闸有变化,现场安装仍要稍微调整。
1、刀闸的吊装吊装前用水平尺检测基础立柱上安装槽钢的水平,并调整好。
吊装时需在两瓷瓶的上端用两根木条将两导电杆固定,以防吊装过程中刀闸翻转。
把吊带绑在底座吊装(吊装时瓷瓶、转动轴承座不能受力),吊带上方需固定在木条上。
GW4一40.5一126kv隔离开关为机械三相联动,按设计图将主刀操作相刀闸安装在基础主刀操作相位置,地刀操作相在基础立柱的另一端,用M16螺栓临时固定。
三相刀闸全部吊装到位后,在底座同一位置拉一通线,调整底座的位置使底座在同一中心线上,同时相邻的两相底座的两对角距离相等。
查看瓷瓶是否基本垂直,如偏差太大调节瓷瓶下方转动轴承座和底座相连的4个M12螺栓。
1、概述1.1本技术描述中的所有的技术内容,技术参数,采用的标准及所选用的设备和材料符合招标书的要求。
1.2本技术描述根据本公司多年的制造经验和本公司的先进技术作出。
2、基本依据2.1所有设备的制造、测试和安装均采用中国国家标准,同时满足相应的IEC标准,主要标准号如下:GB11022 《高压开关设备通用技术条件》GB3906 《3~35KV交流金属封闭开关设备》IEC298 《额定电压1KV以上52KV及以下的交流金属封闭开关设备和控制设备》IEC694 《高压开关设备和控制设备标准的共用条款》IEC60056 《高压交流断路器》GB1985-89 《交流高压隔离开关和接地开关》IEC60529 《外壳防护等级国际防护等级代码》GB763-90 《交流高压电器在长期工作时的发热》B311.1-1997 《高压输电设备的绝缘配合》GB/T16927-1997《高压试验技术》DL/T1620-1997 《交流电气装置的过电压保护和绝缘配合》GB1408-89 《固体绝缘材料工频电气强度的试验方法》GB2706-89 《交流高压电器动热稳定试验方法》GB3309-89 《高压开关设备常温下的机械试验方法》GB/7534-87 《局部放电测量》DL/T404-1997 《户内交流高压开关柜订货技术条件》《电力设备交接和预防性试验规程》2000版3、高压开关柜技术参数3.1环境条件3.1.1周围环境温度上限 +40℃下限 -10℃3.1.2海拔不超过1000m3.1.3环境温度:月平均相对湿度不大于90%日平均相对湿度不大于95%3.1.4地震烈度及加速度不大于8度3.1.5适用于Ⅲ级污秽场所4、系统参数4.1系统标称电压: 35KV4.3额定频率: 50HZ4.4系统接地方式:不接地5、技术参数5.1断路器技术参数5.1.1开关柜采用ZN85-40.5断路器,断路器配宝光陶瓷真空灭弧室。
5.1.2 ZN85-40.5断路器技术参数:5.2 开关柜的技术参数5.2.1开关柜为KYN61—40.5金属铠装移开式封闭开关柜。
一、产品概述GW4-40.5型系列户外交流高压隔离开关适用于频率为50Hz,额定电压为40.5kV的电力系统中,作为有电压无负荷时分合电路用。
其中防污型的隔离开关可满足重污秽地区用户的要求,并可以有效的解决隔离开关在运行中出现的污闪问题。
产品分不接地、单接地、双接地。
本系列隔离开关满足GB1985《交流高压隔离开关与接地开关》、IEC60129《交流隔离开关与接地开关》和IEC60694《高压开关设备和控制设备共用条款》等标准的相关要求。
二、使用环境1. 海拔不超过1000米;2. 周围空气温度不高于+40℃及不低于-10℃;3. 空气相对温度不大于90%的户内场所(当温度为+25℃);4. 无导电性尘埃的环境中;无破坏金属和绝缘的腐蚀性气体的物体;无剧烈震动和冲击的地方;无燃烧与爆炸危险的环境中。
三、型号及定义四、技术参数五、结构简介隔离开关本体隔离开关均为双柱水平旋转式,由底架、支柱绝缘子、导电系统、接地开关(不接地除外)及传动系统组成:1)底架:底架一端或两端焊有接地开关支座,备装接地开关。
隔离开关有不接地、单接地及双接地三种形式;2)支柱绝缘子:每级有两柱,按使用条件分为普通型与耐污型及高原型三种。
支柱绝缘子下端固定在轴承座的转动板上,支柱绝缘子上端固定主导电部分。
3)导电系统:导电部分固定在支柱绝缘子的上端,主闸刀分成两半,接触部分在中间,接触部分触头合闸时圆柱形触头嵌入两排触指内,630A、1250A、1600A结构型式基本相同、仅导电杆截面及表面处理有所区别。
4)接地开关:产品所配装的接地刀组装于底座转动轴上,静触头装于主导电系统导电杆上,接地开关分Ⅰ型(单接地)与Ⅱ型(双接地)。
5)传动系统:配用CS系列机构。
六、外形及安装尺寸图七、订货须知:用户订货时请注明:1) 隔离开关的型号、规格和数量;2) 配用接地开关数量及形式(单接地或双接地);3) 操作机构:手动机构型号,辅助开关级数(4级或8级);4) 要求提供备件的代号名称及数量。
概述GW5-40.5户外隔离开关为交流50Hz的户外高压电器设备,额定电压等级有40.5kV,供高压线路在无负载情况下进行开合,以及对被检修高压母线、断路器等电气设备带电的高压线路进行电气隔离之用,也可用于开、合小的电容或电感电流。
本系列户外隔离开关满足GB1985《交流高压隔离开关和接地开关》、IEC60129《交流隔离开关与接地开关》以及GB/T11022《高压开关设备和控制设备标准的共用技术要求》等标准的相关规定。
型号及其含义G W 5 - (40.5) D额定电流A(630,1000,1250,1600)结构类型(W防污型,G高原型,普通型不标)接地开关耐受电流能力(ⅠⅡ)单接地 (ⅠD 为单接地,ⅡD 为双接地 )额定电压kV 设计序号使用场所(户外)隔离开关(加H绝缘子为硅橡胶材料)主要技术参数GW5-40.5户外高压交流隔离开关高压电器121图1 GW5-40.5隔离开关安装示意图结构特征● 每台隔离开关单极由两个支柱绝缘子,分别固定在一个底座上,交角为50°构成V型结构,主要由以下几部份组成:底座部份、支柱绝缘子、接线座部份、触头部份、接地刀、接地静触头、接线端子等。
● 本隔离开关分不接地、单接地和双接地三种,主轴与接地刀之间具有机械联锁,并带辅助开关。
开关的操作方式有手动和电动两种。
本隔离开关具有如下几方面特点:1、转动灵活,开合自如。
由于采用滚动轴承传动,所以在转动过程中较为灵活,操作比较省力。
2、通过伞齿轮机构来传动,从而保证两柱的分合闸动作一致。
3、分合闸有限位装置,保证触头接触在最佳位置。
同时,操作完毕手柄被锁环扣住,以免发生有无意识的外力作用下自由分合,从而保证了分合位置的可靠性。
4、触头开距大,有足够裕量的绝缘隔离断口,从而保证了其安全性。
5、接地与不接地共有三种方式,主轴与接地之间有可靠的机械联锁,从而保证安全,用户可根据需要选定接地方式。
6、根据用户的方便,操动机构可以安装在任一极的下方,操动效果一样。
G W 4 - 40.5D (W) / 630额定电流防污型(普通型不标)单接地(ⅠD 为单接地,ⅡD为双接地 )额定电压设计序号使用场所(户外)隔离开关概述主要技术参数结构特征1、装有导电闸刀,两侧闸刀触头接触处在两支柱的中间部位。
支柱的下端各装有轴承套,在操动机构的带动下,可使闸刀作水平旋转90°从而达到分合闸之要求。
2、隔离开关为单极型,也可通过连杆将三极连成能够联动的三极型式。
配用CS11型或CS8-6D 型手动机构操作。
其中CS17用于带双接地装置的隔离开关。
(可据需要配电动机构)。
3、本隔离开关结构合理,操动灵活自如;可单极,也可三极使用,安装方便;触刀开距大,绝缘安全可靠。
还可根据用户需要,不接地或配装单边接地或双接地均可。
隔离开关由底座、绝缘支柱及导电部分以及操动机构等组成。
每极有两个支柱,每个支柱上端各型号及其含义GW4-40.5户外隔离开关适用于装置在户外交流50Hz、额定电压分别为40.5kV的电力系统中,供线路在有电压、无负载时作为开合电路之用。
产品符合GB/T 1985及其他相关标准的要求。
GW4-40.5户外高压交流隔离开关1181、接线板2、导电回路3、绝缘支柱4、连接杆5、底架图1GW4-40.5型户外高压交流隔离开关外形图图2 GW4-40.5型户外高压交流隔离开关(单接地)安装示意图GW4-40.5户外高压交流隔离开关高压电器1191、机构转轴2、手柄3、基座4、罩5、定位锁件图3GW4-40.5型户外高压交流隔离开关手动操作机构CS11手动操作机构CS8-6D手动操作机构订货须知客户订货时,请注明:1、产品型号、名称、主要技术数据;2、使用环境条件;3、安装方式及对接地装置之要求;4、操动机构型号;5、装配形式:焊接式或组装式;6、如有其他特殊要求,可协商解决。
GW4-40.5户外高压交流隔离开关120。
XGN17-40.5箱式固定式高压开关柜XGN17-40.5开关柜概述:XGN17-40.5箱式固定式交流金属封闭开关设备(简称开关柜),系户内成套配电装置,使用与电压40.5KV三相交流50Hz电力系统接受和分配网络电能,并对电路进行控制、保护和监测。
本产品符合GB3906、DL404、IEC298等标准要求,具有结构设计合理,维护使用方便,安全可靠性高,可频繁操作等特点。
本产品可配用ZN12、ZN85、VCP-W等高压真空断路器,一次接线方案齐全,对各种不同的使用场合,不同的用户需求均能提供满意的配电方案。
适合用环境:环境温度:-10摄氏度-40摄氏度海拔:不超过1000m。
空气相对湿度:日平均不大于95%,月平均不大于90%。
地震强度:不超过8级。
没有火灾、爆炸危险、严重污秽、化学腐蚀、剧烈震动的场所。
注:超过上述正常使用条件时,用户可与本公司协商解决。
开关柜结构说明:开关总体结构为金属封闭结构,柜体由角钢和优质经折弯焊接而成,柜体内部分断路器室(断路器可安装简易手车方便检修)、母线室、电缆室、继电器室。
在柜体的前、后门均设有观察窗和照明灯可以观察柜内主要元器件运行情况,柜体外壳防护等级为IP2X,可以有效的防止异物进入柜内造成短路故障,并可防止人体接近带电体。
以确保设备和运行操作人员的安全。
1.断路器室高压室按不同的配电方案可安装断路器,隔离开关,接地开关,电流互感器,电压互感器,高压熔断器,避雷器,主母线和分支母线及支持绝缘子等电器元件。
主母线通过柜体侧面绝缘套管从一个开关柜引至另一个开关柜,柜体与柜体之间用金属板隔离,可以防止内部故障电弧蔓延到相邻的开关柜,从而限制事故扩大。
主母线也可以不通过绝缘套管直接与各柜贯通。
各电器元件高压带电体对地和相间空气绝缘距离均大于300mm。
支持绝缘子与绝缘套管均采用全工况型,爬距大于810mm。
2.仪表室低压室可安装继电保护元件、仪表、带电监视器,信号指示灯,操作开关等电器元件。
目录1.总则 12.环境条件 43.设备技术要求 54.试验 75.质量保证及管理 86.技术服务、设计联络、工厂检验和监造 8附录A 投标方提供的设备技术数据 9附录B 备品备件 11附录C 专用工具和仪器仪表 11附录D 包装及标志 12附录E 主要外购件清单 14附录F 技术偏差表 141.总则1.1 本技术规范书适用于40.5kV高压隔离开关(以下简称“设备”),包括隔离开关本体、操动机构及附件、传动部分的连接件(包括相间连杆及与操动机构间的连杆)、备品备件及专用工具等。
1.2 本技术规范书提出的是最低限度的技术要求,并未对一切技术细节作出规定,也未充分引述有关标准和规范的条文,供货方应提供符合本规范书和国家标准的优质产品。
1.3 国产隔离开关必须是通过完善化技术审查的产品,并提供针对瓷瓶断裂、操作失灵、导电回路过热、锈蚀等易发故障进行的完善化技术措施证明。
1.4 投标技术文件中应提供技术偏差表,并提供不低于所供产品技术要求的全部型式试验报告。
偏差表中未提及的条款,则视同完全同意本技术规范书的要求。
1.5 投标人或供货方 (包括分包厂)应已设计、制造和提供过同类设备,且技术参数应与本工程相类似,或较规定的条件更严格,至少有3组2年以上的商业运行经验。
如发现有失实情况,招标方有权拒绝该投标。
1.6 规范书所使用的标准如遇与供货方所执行的标准不一致时,按较高标准执行。
1.7 规范书经买卖双方确认后,作为合同的附件,与合同正文具有同等的法律效力。
1.8 本规范书中涉及有关商务方面的内容,如与招标文件的《商务部分》有矛盾时,以《商务部分》为准。
1.9 本规范书未尽事宜,由招标人和投标人在合同技术谈判时双方协商确定。
1.10合同签订后,供货方应在2周内,向买方提出一个详尽的生产计划,包括设备设计、设计联络会、材料采购、设备制造、厂内测试以及运输等项的详情,以确定每部分工作及其进度。
1.11 如有延误,供货方应及时将延误交货的原因、后果及采取的补救措施等,向买方加以说明。
40.5kV-1250A-31.5kA 固定式开关柜技术规范(专用部分)版本号:2014版V1.0编号:中国南方电网有限责任公司2014年06月目录1标准技术参数 (1)2项目需求部分 (6)2.1 供货需求及供货范围 (6)2.2 必备的备品备件、专用工具和仪器仪表供货表 (7)2.3 图纸资料提交单位 (7)2.4 工程概况 (8)2.5 使用条件 (8)2.6 项目单位可选技术参数 (9)2.7 项目单位技术差异表 (10)2.8 一次、二次及土建接口要求(适用于扩建工程) (11)2.9 设备图纸及资料 (11)3 投标人响应部分 (12)3.1 投标人应提供技术参数 (12)3.2 投标人技术偏差 (12)3.3 投标人资料提交时间及培训要求 (13)3.4 主要元器件来源 (13)3.5 推荐备品备件、专用工具和仪器仪表 (13)3.6 投标产品的销售及运行业绩................................................................... 错误!未定义书签。
3.7 投标方需说明的其他问题 (15)1标准技术参数投标方应认真逐项填写所供设备技术参数和性能要求响应表(见表1.1)中“投标方保证值”栏,不能空格,也不能以“响应”两字代替,不允许改动本表内“投标方保证值”栏之外的数值。
如有差异,请填写表3.2:技术差异表。
所有由投标方提供的标准参数值应与型式试验报告一致。
表1.1 技术参数和性能要求响应表2项目需求部分2.1 供货需求及供货范围投标方提供的35kV固定式开关柜的具体规格、数量见表2.1:供货范围及设备技术规格一览表。
投标方应如实填写“投标方保证”栏。
表2.1供货范围及设备技术规格一览表2.2 必备的备品备件、专用工具和仪器仪表供货表投标方应向招标方提供必备的备品备件,备品备件清单详见检修维护手册,专用工具和仪器仪表清单见表2.2,要求提供的专用工具和仪器仪表应是新品,与设备同型号、同工艺。
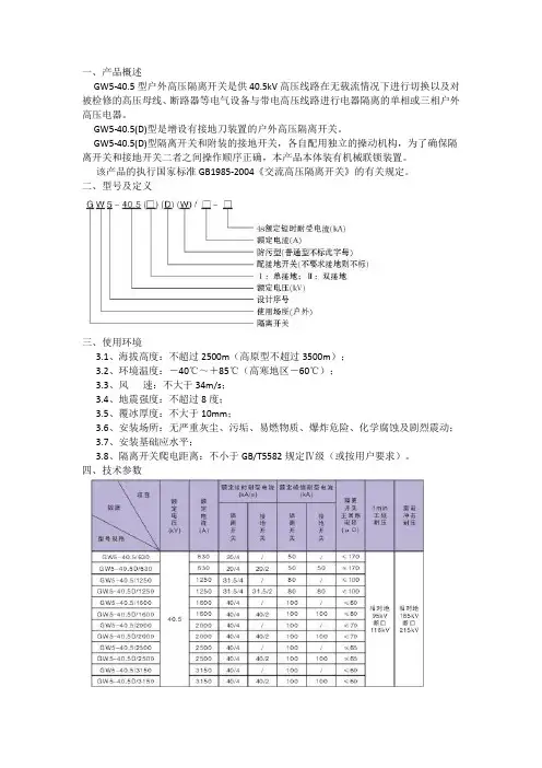
一、产品概述GW5-40.5型户外高压隔离开关是供40.5kV高压线路在无载流情况下进行切换以及对被检修的高压母线、断路器等电气设备与带电高压线路进行电器隔离的单相或三相户外高压电器。
GW5-40.5(D)型是增设有接地刀装置的户外高压隔离开关。
GW5-40.5(D)型隔离开关和附装的接地开关,各自配用独立的操动机构,为了确保隔离开关和接地开关二者之间操作顺序正确,本产品本体装有机械联锁装置。
该产品的执行国家标准GB1985-2004《交流高压隔离开关》的有关规定。
二、型号及定义三、使用环境3.1、海拔高度:不超过2500m(高原型不超过3500m);3.2、环境温度:-40℃~+85℃(高寒地区-60℃);3.3、风速:不大于34m/s;3.4、地震强度:不超过8度;3.5、覆冰厚度:不大于10mm;3.6、安装场所:无严重灰尘、污垢、易燃物质、爆炸危险、化学腐蚀及剧烈震动;3.7、安装基础应水平;3.8、隔离开关爬电距离:不小于GB/T5582规定Ⅳ级(或按用户要求)。
四、技术参数五、结构简介5.1 隔离开关结构简介单级隔离开关呈V型结构,由成50度夹角的两个支座、支柱绝缘子、接线座、触头、接地静触头、接地刀闸、接线端子等部分组成。
不同电流规格产品的结构形式以及底座、轴承座、支柱绝缘子等部件都是相同的,只是主导电回路稍有差别。
5.1.1 传动箱传动箱供配用机构传动轴90°转动时使用。
5.1.2 操动机构本产品配用的机构有CS17、CS17-G2人力操动机构或CJ6电动操动机构,CS17型人力操动机构其操动手柄转动角度为90°,机构上设有连锁板,以防止隔离开关的误动作。
CS17-G2型人力操动机构是一种多用途组合式人力机构,它采用竖直90°操作并带辅助开关。
CJ6电动操动机构为电动机通过减速装置驱动的电动操动机构。
由电动机、传动齿轮、涡轮、涡杆、转轴、辅助开关及电动机控制附件等组成。
GW4(A)-40.5D(G·W)型户外高压交流隔离开关安装使用说明书0SR.412.084江苏省如高高压电器有限公司2010年05月GW4(A)-40.5D(G·W)型户外高压交流隔离开关安装使用说明书1 概述1.1 GW4A-40.5D(G·W)型户外高压交流隔离开关系三相交流额定频率50Hz、额定电压35kV 的户外高压输电设备,用以在无负载情况下断开或接通高压线路,以便对高压线路进行转换,改变运行方式,以及对检修的母线与断路器等高压电器设备实行安全的电气隔离。
1.2 隔离开关配用CS11、CS14G型人力操动机构(以下简称手动机构)或CJ2型电动操动机构。
接地开关配CS11、CS14G手动机构。
1.3 本设备依据以下标准制造:a) GB1985-2004 高压交流隔离开关和接地开关b) GB/T11022 高压开关设备和控制设备标准的共用技术条件c) DL/T486 交流高压隔离开关和接地开关订货技术条件d) DL/T593 高压开关设备和控制设备标准的共用技术条件2使用环境条件2.1 使用环境条件:a﹚海拔高度不超过2000m;b﹚环境温度-50℃~+50℃;c﹚风速不大于34m/s;d﹚地震强度不超过9度;e﹚覆冰厚度不大于10mm;f﹚安装场所无严重灰尘、污垢、易燃物质、爆炸危险、化学腐蚀及剧烈震动;g﹚安装基础应水平;h﹚本隔离开关爬电比:不小于GB/T5582规定的Ⅲ级(按用户要求)。
2.2 用户使用周围环境超出2.1条的要求,可与我公司协商解决。
3 技术参数3.1 GW4(A)-40.5 D(G·W)系列隔离开关和接地开关的主要技术数据如表1所示:表1表1(续)3.2 操动机构中辅助开关型号与触点对数如表2所示表24 主要结构4.1 GW4(A)-40.5系双柱水平断口中央开断式隔离开关, 可增设接地开关, GW4(A)-40.5D (G·W)为带有接地开关。
五、动作原理本系列户外交流隔离开关的分合闸的动作基本相同。
三级联动时,需将安装完成的各独立的单极隔离开关分别按安装图10或图11用拉杆等零件连接起来。
1.隔离开关动作原理隔离开关的操作机构通过连接管与隔离开关的主动级相连,机构主轴旋转90°,带动主动级的绝缘支柱旋转90°,底座内的伞型齿轮带动另一侧绝缘支柱按相反方向旋转,实现分、合闸动作,主动级通过极间联动管、带动另外两个从动极转动,从而保持三相同步动作。
2.接地开关动作原理三相接地开关的主轴,用水平连接管通过接头连接起来,操作机构的手柄水平旋转90°或竖直旋转180°,通过连杆带动连接管转动,实现接地开关分、合闸动作。
3.配用传动箱动作原理配用传动箱,水平安装时传动箱的位置可根据需要,置于两极之间,也可置于三极的任意一端。
隔离开关操动机构则置于其下,用水煤气管与其连接。
当机构主轴旋转时,连接传动箱的水煤气管带动隔离开关中的一个支柱绝缘子转动,此时装在底座中的一对啮合伞齿轮带动另一个支柱绝缘子旋转。
从而保证了左、右触刀合、合闸动作的一致性。
隔离开关的分、合闸转角均为90°,其分、合状态终端位置由隔离开关的机械限位装置确定。
4.配用CSl7一G型手力操动机构动作原理配用CSl7一G型手力操动机构时,使用CS17-G4、5、6机构对隔离开关进行分、合闸,将机构拔杆移至“E”形槽中间位置,即可扳动机构手柄进行旋转180°进行操作,分、合闸终了再将拔杆由“E”形槽的中心移至“分”“合’’牌方向两端的槽中。
使用CS17-G1、2、3机构操作接地开关时,其操作程序与操作隔离开关相同,只是机构手柄为竖直操动。
5.配用附装电磁锁CSl7一G型手力操动机构动作原理配用附装电磁锁的CSl7一G型手力操动机构,操作时将机构拔杆移至“E’’形槽中间位置,然后按下电磁锁的按钮;同时将电磁锁旋钮顺时针转至限位处,锁杆退出锁孔,即可扳动机构手柄进行分、合操作。
手动机构分为CS11不接地机构(图5)、CS8-6D单接地机构(图6)两种。
其操作手柄为水平旋转,转动角度为90°; CS14G机构安装尺寸与CS11机构相同,只是转动角度为180°,用于双接地隔离开关的主刀手动机构。
同时CJ2、CJ5、CJ6、CJ11(电动机构),电磁锁也可供用户选配。
五、动作原理1、隔离开关动作原理隔离开关的操作机构通过连接管与隔离开关的主动级相连,机构主轴旋转90°,带动主动级的绝缘支柱旋转90°,底座内的连杆带动另一侧绝缘支柱按相反方向旋转,实现分、合闸动作,主动级通过极间联动管、带动另外两个从动极转动,从而保持三相同步动作。
机构中的辅助开关与机构主输出轴相连,在分合闸位置时发出相应的分合信号。
2、接地开关动作原理三相接地开关的主轴,用水平连接管通过接头连接起来,操作机构的手柄水平旋转90°,通过连杆带动水平连接管转动,实现接地开关分、合闸动作。
3 、手动机构动作原理操作机构通过连接管与隔离开关及接地开关的主轴相连,CS11手动机构配不带接地刀的隔离开关,CS8-6D手动机构配带接地刀的隔离开关,其输出轴设有机械联锁板,保证按规定的程序(主分-地合-地分-主合)进行操作。
六、安装与调整1、隔离开关的安装调整应达到下列各项要求:(1)配用手动机构时,一般体力的操作人员应能独立进行分、合闸操作,动作灵活。
(2)隔离开关的三相联动的合闸同期性数值为:40.5kV不大于5mm。
2 、隔离开关的安装调整(1)将每极隔离开关底座固定在水平基础上,并使三极的接地刀转轴成一直线。
(2)将操作机构置于隔离开关主动级侧面的转动主轴下方,在隔离开关主体和机构隔离开关操作主轴处于合闸位置时,用水煤气管连接,当主、从动两绝缘支柱不同步时,可以调整极间正反牙螺杆来达到分、合闸同步。
(3)隔离开关的三相联动的合闸同期性的安装调整,在两接线端承受正常母线拉力的条件下,调整相间正反牙连杆长度,达到上述要求。
临城县刘家洞28兆瓦光伏电站送出变电工程40.5kV三相高压隔离开关(2500A,31.5kA,手动双柱水平旋转,双接地)技术规范书河北能源工程设计有限公司二〇一六年一月货物需求及供货范围一览表I、技术规范书(通用部分)1 总则提供设备的厂家,应获得GB/T19000资格认证书或具备同等质量认证证书,投标人(制造商)应设计和制造过至少200组40.5kV隔离开关,并已安全运行3年及以上。
其产品应按国家标准、电力行业标准和IEC标准提供有效的型式试验报告。
1.1本技术规范提出了电力公司电网项目40.5kV高压隔离开关(2500A,31.5kA,手动双柱水平旋转,双接地,三极)的功能设计、结构、性能、安装和试验等方面的技术要求。
1.2本协议提出的是最低限度的技术要求,并未对一切技术细节作出规定,也未充分引述标准和规范的条文,卖方应提供符合本协议和国家最新标准的优质产品。
1.3 卖方在投标文件中应向买方提供如下资料:卖方在投标文件中应向买方提供如下资料:隔离开关技术规范书、说明书、总装图、近三年供货业绩和有关试验报告等。
1.4对于进口或采用引进技术制造的隔离开关,还应符合引进国的技术标准或IEC标准,当这些标准与本规范书有矛盾时,卖方应将处理意见书面通知买方,由买卖双方协商解决。
1.5投标人应严格按附录A的要求提供相应文件,确保提供文件的真实性和完整性,并承担提供文件与本次投标产品存在偏差造成的一切后果。
1.6投标产品的使用寿命应不小于20年;1.7本协议所使用的标准如遇与卖方所执行的标准不一致时,应按较高标准执行。
1.8本技术协议经双方确认签字后,将作为合同附件,与合同具有同等效力。
1.9本协议未尽事宜,由买、卖双方在甲方招标文件,厂家投标文件、澄清文件等基础上协商确定。
2 图纸及技术文件2.1 图纸交付2.2 技术文件2.2.1在技术协议签订2个星期内,卖方向买方提供以下技术文件:1)总装图,应表示设备总的装配情况,包括外形尺寸、安装尺寸、设备的重心位置与总重量,受风面积、运输尺寸和重量,操动机构箱位置、电缆入口位置,端子尺寸及其它。
2)基础图:应注明设备和其操动机构箱的尺寸,基础螺栓的位置和尺寸、设备操作时的动态负荷等。
3)电气原理图:操动机构箱的内部接线和远方操作的控制、讯号、照明等交流及直流回路,如有多张电气原理图、还应标明各图之间的有关线圈与触点的相互对应编号,必要时,应提供所有特殊装置或程序的操作说明概要。
4)操动机构箱安装图。
5)表示隔离开关和操动机构断面的结构图以及对基础的要求。
买方有权对供货设备的卖方图纸作必要的修改,对此买方不承担附加费用,卖方在收到买方的最终认可图纸或意见后方可生产。
3 技术要求3.1应遵守的标准3.1.1合同中按照有关标准规范规定的设备包括卖方从别处购来的设备和附件,都必须符合标准规范和准则的最新版本或修订本。
3.1.2按本规范提供的设备、应当遵循下列标准的最新版本或修改版本,但不局限于这些标准。
卖方对下列标准要补充或代替应在投标文件中列出,并经业主确认。
1) GB 311.1 《高压输变电设备的绝缘配合》2) GB 1985 《高压交流隔离开关和接地开关》3) GB 11604 《高压电器设备无线电干扰测量方法》4) DL/T 486 《交流高压隔离开关和接地开关订货技术条件》5) GB/T 11022 《高压开关设备和控制设备标准的共用技术要求》6) GB 8287.1 《高压支柱瓷绝缘子技术条件》7) GB 8287.2 《高压支柱瓷绝缘子尺寸和特性》8) GB 3309 《高压开关设备常温下的机械试验》9) GB/T 13601 《高压开关设备严重冰冻条件下的操作》3.2 使用条件3.2.1 海拔高度:≤1000m3.2.2 最高环境温度:40℃3.2.3 最低环境温度:-25℃ (户外)3.2.4 最大日温差:25K3.2.5 耐地震能力:七度地区地面水平加速度0.2g,垂直加速度0.1g,八度地区地面水平加速度0.25g,垂直加速度0.15g,按标准试验,安全系数1.673.2.6 外绝缘爬电距离:户外爬距为1256mm3.2.7 安装地点:户外3.2.8 最大风速(户外):34m/s3.3 电气要求3.3.1 隔离开关的相间距离:符合保证安全的有关规定3.3.2 带电部分对接地部分最小净距:0.4m(户外)3.3.3 不同相带电部分间最小净距:0.4m(户外)3.3.4 额定电压:40.5kV3.3.5 额定频率:50Hz3.3.6 额定电流: 2500A3.3.7 雷电冲击耐压(1.2/50μs)(峰值)对地:185kV断口间:215 kV3.3.8 一分钟工频耐压(湿试及干试)(有效值)对地:95kV断口间:118 kV3.3.9 4s热稳定电流(接地开关2s):31.5kA3.3.10 动稳定电流: 50kA3.3.11 电晕及无线电干扰电压:户外晴天夜间在1.1倍额定相电压下,应不出现可见电晕。
在1.1倍额定相电压下,隔离开关的无线电干扰电压应不大于500μV。
3.3.12 三相合闸不同期:主刀小于5mm。
地刀小于10mm3.4 机械要求3.4.1在不进行机械调整、维修或更换部件情况下,隔离开关的机械寿命应大于2000次分合操作。
3.4.2 每相隔离开关均应设平板式主接线端子板。
为防止电化腐蚀,主接线端子板应采用金属覆层或其他措施。
3.4.3 作用于各型隔离开关主接线端子板及线路线夹上的允许组合荷载不得小于下列值,该荷载同时作用情况下,其静态安全系数不得小于3.5,动态安全系数不得小于1.7。
纵向水平:750N 横向水平:500N 垂直:750N主接线端子板及线路线夹,尚应耐受400Nm弯距而不变形。
3.4.4 隔离开关支柱绝缘子隔离开关的绝缘子的瓷釉为棕色,并采用优质的高强瓷瓶。
绝缘子伞裙为不等径大小伞,伞型设计应符合IEC60815的要求,两裙伸出之差(P1-P2)≥15mm,相邻裙间高(S)与大裙伸出长度(P1)之比值应大于0.9;并具有良好的抗污秽能力和运行特性。
支持绝缘子质量应符合GB8287规定。
3.5 隔离开关触头3.5.1 隔离开关触头应是自净式,并应设计成在正常变化及中心调整情况下,其接触压力符合规定,触指应使其具有足够的压力。
3.5.2出线座应镀银,主触指接触面镀银层厚度≥20μm、硬度≥120韦氏。
3.5.3隔离开关的主刀和接地开关在覆冰厚度为10mm下可靠分闸和合闸。
3.6隔离开关结构3.6.1隔离开关应结构简单,性能可靠、安装调试容易、维护检修方便。
出线端子采用软联接型式。
在3.2条规定的使用条件下,应能防止从合闸位置自行分闸,或从分闸位置自行合闸。
其金属制件(包括联锁元件),应能耐受氧化而不腐蚀,并能耐受不同材料间的电蚀及材料热胀冷缩造成的附加应力的作用。
各螺栓连接部分应防止松动,必要时在结构上应采取补偿措施。
对铁制件应采用热镀锌处理。
隔离开关的轴销材料应采用不锈钢,滚珠轴承的润滑脂应采用高品质的二硫化钼锂基脂。
3.6.2 在风力、重力、短路电动力、地震或操动机构与隔离开关之间连杆被偶然撞击时,隔离开关应能防止从合闸位置脱开或从分闸位置合闸。
3.6.3 接地开关和主刀应有机械闭锁。
3.6.4 本体上M12及以上的螺栓、螺母采用热镀锌,M10及以下采用不锈钢材料。
3.7操动机构3.7.1手动操作杆位置距离地面高约1.1m,操作力矩不大于200Nm。
3.7.2操动机构应有明显的分、合闸标识,操动机构应具有防止锈蚀、进水、防潮功能,操动机构外壳采用不锈钢材料制成。
3.7.3操动机构箱内应配置温湿度控制器和加热器(驱湿器),以防止柜内出现凝露。
加热器适用于单相220VAC电源。
3.8 辅助开关3.8.1 每组隔离开关和接地开关,应设有一组快速切换辅助开关,主刀辅助开关不少于8付常开,8付常闭,接地开关辅助开关不少于4付常开,4付常闭。
这些辅助开关应能开断220V、5A电流。
3.8.2 全部辅助开关,其动作应能与主刀闸或接地开关的全部行程正确配合。
3.8.3 每付开关均应有可靠的夹紧螺栓和螺母,以防止进行调整时松动了其他开关,夹紧螺栓或装置,应在进行适当调整时不致使部件或材料受到损伤,并保证开关处于牢靠的夹紧状态。
3.9 镀锌和防锈所有外露的金属部件,除了非磁性金属及有配合的转轴销之外,均应热镀锌。
3.10 附件3.10.1每组隔离开关的铭牌应符合有关标准规定。
所有铭牌应能经受自然环境影响,其字样、符号应清晰耐久,铭牌应明显可见。
3.10.2 隔离开关的底座上,应装设2只防锈的导电性能良好的直径不小于12mm的接地螺栓。
3.10.3隔离开关支架统一由卖方提供。
3.11关键元器件应提供唯一的厂家和型号的清单。
如供货产品需更换与投标时承诺元器件的厂家及型号,应事先征得用户同意。
否则用户有权要求退换货。
请按附录A的要求逐条填写主要元器件清单。
主要元器件在保证寿命期内因内在质量问题损坏的,投标厂家应免费更换。
4 试验4.1型式试验4.1.1外观检查:对产品进行外观检查。
4.1.2机械试验:按GB 1985进行。
4.1.3耐压试验:按GB 1985、GB/T 11022及DL/T 486进行。
4.1.4温升试验和主回路的电阻测量:按有关标准进行。
4.1.5动、热稳定试验:按GB 1985及GB/T 11022进行。
4.1.6破冰试验:按GB/T 13601《高压开关设备严重冰冻条件下的操作试验》进行。
4.1.7防雨试验:隔离开关的操动机构箱的防雨试验按GB4208和GB/T 11022的规定进行。
4.1.8开合环流试验:按GB 1985 要求进行。
4.1.9开合小电流试验:在最高电压下隔离开关应能可靠地开合电感电流0.5A,电容电流1A。
4.1.10地震试验:按GB/T 13540《高压开关设备抗震性能试验》进行。
4.1.11无线电干扰和电晕试验:按GB 1985和DL/T 486的规定进行。
4.1.12抗弯、抗扭试验:对隔离开关应进行整体的抗弯、抗扭强度试验,安全系数不得小于2.5。
4.1.13极限温度下的操作:1)、最低周围空气温度下的操作按GB 1985标准中进行。
2)、最高周围空气温度下的操作按GB 1985标准中进行。
4.1.14操动机构中电磁线圈的匝间绝缘试验:按GB 1985进行。
4.2出厂试验隔离开关应在工厂内进行整台组装并进行出厂试验,出厂试验的技术数据应随产品一起交付买方。
在拆装前关键连接部位和部件应做好标记并记录在出厂试验报告中。
4.2.1结构检查。
4.2.2主回路电阻测量。
4.2.3耐压试验。
4.2.4机械操作试验1)、对隔离开关进行空载操作,在额定操作电压下连续进行30次合、分操作,在最高和最低操作电压下连续进行10次合、分操作,且手动合、分各5次。