平法识图与钢筋算量经典试题
- 格式:doc
- 大小:19.13 KB
- 文档页数:4
《新平法识图与钢筋计算》第一版勘误表练习题答案第二章第五节一、单选题1、当图纸标有:KL7(3)300х700 GY500х250表示?( D )A、7号框架梁,3跨,截面尺寸为宽300、高700,第三跨变截面根部高500、端部高250B、7号框架梁,3跨,截面尺寸为宽700、高300,第三跨变截面根部高500、端部高250C、7号框架梁,3跨,截面尺寸为宽300、高700,第一跨变截面根部高250、端部高500D、7号框架梁,3跨,截面尺寸为宽300、高700,框架梁竖向加腋,腋长500、腋高2502、架立钢筋同支座负筋的搭接长度为:( C )A、15dB、12dC、150D、2503、一级抗震框架梁箍筋加密区判断条件是( B )A、1.5Hb(梁高)、500mm取大值B、2Hb(梁高)、500mm取大值C、1200mmD、1500mm4、梁的上部钢筋第一排全部为4根通长筋,第二排有2根端支座负筋,端支座负筋长度为( B )A、1/5Ln+锚固B、1/4Ln+锚固C、1/3Ln+锚固D、其他值5、当图纸标有:JZL1(2A)表示?( A )A、1号井字梁,两跨一端带悬挑B、1号井字梁,两跨两端带悬挑C、1号剪支梁,两跨一端带悬挑 B、1号剪支梁,两跨两端带悬挑6、抗震屋面框架梁纵向钢筋构造中端支座处钢筋构造是伸至柱边下弯,请问弯折长度是( A )A、15dB、12dC、梁高-保护层D、梁高-保护层х27、梁有侧面钢筋时需要设置拉筋,当设计没有给出拉筋直径时如何判断( A )A、当梁高≤350时为6mm,梁高>350mm时为8mmB、当梁高≤450时为6mm,梁高>450mm时为8mmC、当梁宽≤350时为6mm,梁宽>350mm时为8mmD、当梁宽≤450时为6mm,梁宽>450mm时为8mm8、纯悬挑梁下部带肋钢筋伸入支座长度为( A )A、15dB、12dC、LaeD、支座宽9、悬挑梁上部第二排钢筋伸入悬挑端的延伸长度为( D )A、L(悬挑梁净长)-保护层B、0.85хL(悬挑梁净长)C、0.8хL(悬挑梁净长)D、0.75хL(悬挑梁净长)10、当梁上部纵筋多余一排时,用什么符号将各排钢筋自上而下分开(A )A、/B、;C、*D、+11、梁中同排纵筋直径有两种时,用什么符号将两种纵筋相连,标注时将角部纵筋写在前面(D )A、/B、;C、*D、+12、梁高≤800时,吊筋弯起角度为( C )A、60B、30C、45二、多选题1、梁的平面标注包括集中标注和原位标注,集中标注有五项必注值是:( ABC )A、梁编号、截面尺寸B、梁上部通长筋、箍筋C、梁侧面纵向钢筋D、梁顶面标高高差2、框架梁上部纵筋包括哪些?( A BC )A、上部通长筋B、支座负筋C、架立筋D、腰筋3、框架梁的支座负筋延伸长度怎样规定的(ABD )A、第一排端支座负筋从柱边开始延伸至Ln/3位置B、第二排端支座负筋从柱边开始延伸至Ln/4位置C、第二排端支座负筋从柱边开始延伸至Ln/5位置D、中间支座负筋延伸长度同端支座负筋4、楼层框架梁端部钢筋锚固长度判断分析正确的是(BD )A、当Lae≤支座宽-保护层时可以直锚B、直锚长度为LaeC、当Lae>支座宽-保护层时必须弯锚D、弯锚时锚固长度为:支座宽-保护层+15d5、下列关于支座两侧梁高不同的钢筋构造说法正确的是(BCD )A、顶部有高差时,高跨上部纵筋伸至柱对边弯折15dB、顶部有高差时,低跨上部纵筋直锚入支座Lae(La)即可C、底部有高差时,低跨上部纵筋伸至柱对边弯折,弯折长度为15d+高差D、底部有高差时,高跨下部纵筋直锚入支座Lae(La)三、计算题1、如下图所示,一级抗震,混凝土等级C30,保护层厚度25,定尺长度=9000,绑扎搭接,求悬挑梁的钢筋长度。
一、填空题(本题总计25分,每空1分)1.梁集中标注的必注项包括、、、、、。
2.在集中标注表达梁的通用数值,原位标注表达梁的特殊数值,取值优先。
3.梁的集中标注包括、、、、、、、。
4.框架梁支座负筋的延伸长度:对于端支座来说,第一排支座负筋从柱边开始延伸至净跨位置,第二排延伸至净跨位置;对于中间支座来说,第一排支座负筋从柱边开始延伸至位置,第二排延伸至位置。
(设l为支座两边净跨长度的最大值)。
5.梁的原位标注包括、、。
6.如果框架梁的某一支座左边标注了,而支座的右边没有标注,则认为支座右边的配筋也是6Φ25 4/2,这种原则我们称为。
7.架立筋的根数=8.抗震框架梁下部纵筋在中间支座内,是进行,而不是进行钢筋连接。
二、问答题(本题总计30分)1.什么是平法识图?平法识图的特点是什么?与其他图集有什么不同?(9分,每问3分)2.建筑层高与结构层高的区别?(3分)3.两个梁编成同一编号的条件是什么?(4分)4.如何识别主梁和次梁?(4分)5.在分层计算中如何正确划定“标准层”?(5分)三、计算题(本题总计35分,每小题35分)计算KL1端支座(600×600的端柱)的支座负筋的长度。
混凝土强度等级C25,二级抗震等级。
取L aE 为45d ,钢筋保护层厚度为28mm 。
6φ25 4/26φ22 4/27φ20 3/46φ22 4/2KL1(3)300×700φ10@100/200(2)2φ22G4φ106φ25 4/26φ22 4/26φ22 2/472007200150450150KZ2 600×600四、识图题(解读图中集中标注和原位标注的内容)(本题总计15分,每小题15分)KL3(3A)450×600φ12@150/200(4)2φ25;4φ25G4φ124φ256φ25 4/26φ25 4/27φ25 2/5 N4φ168φ22 3/5 2φ16φ10@200(2)答案一、填空题(本题总计30分,每小题1分)1.梁编号、截面尺寸、箍筋、上部通长筋、架立筋、侧面构造钢筋或抗扭钢筋2.原位标注3.梁的编号、截面尺寸、箍筋规格与间距、上部通长筋、下部通长筋、架立筋、侧面构造钢筋、抗扭钢筋4.1/3、1/4、l/3、l/45.左右支座上部纵筋的原位标注、上部跨中的原位标注、下部纵筋的原位标注6.缺省对称原则7.箍筋的肢数-上部通长筋的根数8.锚固二、问答题(本题总计25分,每小题25分)1.答: ①平法识图是把结构构件的尺寸和配筋的呢过,按照平面整体表示方法制图规则,整体直接表达在各类构建的结构平面布置图上的一种表示方法。
《新平法识图与钢筋计算》第一版勘误表练习题答案第二章第五节一、单选题1、当图纸标有:KL7(3)300х700 GY500х250表示?( D )A、7号框架梁,3跨,截面尺寸为宽300、高700,第三跨变截面根部高500、端部高250B、7号框架梁,3跨,截面尺寸为宽700、高300,第三跨变截面根部高500、端部高250C、7号框架梁,3跨,截面尺寸为宽300、高700,第一跨变截面根部高250、端部高500D、7号框架梁,3跨,截面尺寸为宽300、高700,框架梁竖向加腋,腋长500、腋高2502、架立钢筋同支座负筋的搭接长度为:( C )A、15dB、12dC、150D、2503、一级抗震框架梁箍筋加密区判断条件是( B )A、1.5Hb(梁高)、500mm取大值B、2Hb(梁高)、500mm取大值C、1200mmD、1500mm4、梁的上部钢筋第一排全部为4根通长筋,第二排有2根端支座负筋,端支座负筋长度为( B )A、1/5Ln+锚固B、1/4Ln+锚固C、1/3Ln+锚固D、其他值5、当图纸标有:JZL1(2A)表示?( A )A、1号井字梁,两跨一端带悬挑B、1号井字梁,两跨两端带悬挑C、1号剪支梁,两跨一端带悬挑 B、1号剪支梁,两跨两端带悬挑6、抗震屋面框架梁纵向钢筋构造中端支座处钢筋构造是伸至柱边下弯,请问弯折长度是( A )A、15dB、12dC、梁高-保护层D、梁高-保护层х27、梁有侧面钢筋时需要设置拉筋,当设计没有给出拉筋直径时如何判断( A )A、当梁高≤350时为6mm,梁高>350mm时为8mmB、当梁高≤450时为6mm,梁高>450mm时为8mmC、当梁宽≤350时为6mm,梁宽>350mm时为8mmD、当梁宽≤450时为6mm,梁宽>450mm时为8mm8、纯悬挑梁下部带肋钢筋伸入支座长度为( A )A、15dB、12dC、LaeD、支座宽9、悬挑梁上部第二排钢筋伸入悬挑端的延伸长度为( D )A、L(悬挑梁净长)-保护层B、0.85хL(悬挑梁净长)C、0.8хL(悬挑梁净长)D、0.75хL(悬挑梁净长)10、当梁上部纵筋多余一排时,用什么符号将各排钢筋自上而下分开(A )A、/B、;C、*D、+11、梁中同排纵筋直径有两种时,用什么符号将两种纵筋相连,标注时将角部纵筋写在前面( D )A、/B、;C、*D、+12、梁高≤800时,吊筋弯起角度为( C )A、60B、30C、45二、多选题1、梁的平面标注包括集中标注和原位标注,集中标注有五项必注值是:( ABC )A、梁编号、截面尺寸B、梁上部通长筋、箍筋C、梁侧面纵向钢筋D、梁顶面标高高差2、框架梁上部纵筋包括哪些?( A BC )A、上部通长筋B、支座负筋C、架立筋D、腰筋3、框架梁的支座负筋延伸长度怎样规定的( ABD )A、第一排端支座负筋从柱边开始延伸至Ln/3位置B、第二排端支座负筋从柱边开始延伸至Ln/4位置C、第二排端支座负筋从柱边开始延伸至Ln/5位置D、中间支座负筋延伸长度同端支座负筋4、楼层框架梁端部钢筋锚固长度判断分析正确的是(BD )A、当Lae≤支座宽-保护层时可以直锚B、直锚长度为LaeC、当Lae>支座宽-保护层时必须弯锚D、弯锚时锚固长度为:支座宽-保护层+15d5、下列关于支座两侧梁高不同的钢筋构造说法正确的是( BCD )A、顶部有高差时,高跨上部纵筋伸至柱对边弯折15dB、顶部有高差时,低跨上部纵筋直锚入支座Lae(La)即可C、底部有高差时,低跨上部纵筋伸至柱对边弯折,弯折长度为15d+高差D、底部有高差时,高跨下部纵筋直锚入支座Lae(La)三、计算题1、如下图所示,一级抗震,混凝土等级C30,保护层厚度25,定尺长度=9000,绑扎搭接,求悬挑梁的钢筋长度。
9-钢筋平法识图练习题(总21页)--本页仅作为文档封面,使用时请直接删除即可----内页可以根据需求调整合适字体及大小--一、单项选择题1.当独立基础板底X、Y方向宽度满足什么要求时,X、Y方向钢筋长度=板底宽度*()A.≥2500 B.≥2600 C.≥2700 D.≥2800正确答案:A答案解析:参考图集11G101-3,第63页。
2.在基础内的第一根柱箍筋到基础顶面的距离是多少()A.50 B.100 C.3d(d为箍筋直径) D.5d(d为箍筋直径)正确答案:B答案解析:参考图集11G101-3第59页3.高板位筏型基础指:()。
A.筏板顶高出梁顶 B.梁顶高出筏板顶 C.梁顶平筏板顶 D.筏板在梁的中间正确答案:C答案解析:参考图集11G101-3第30页4.基础主梁在高度变截面处,上下钢筋深入支座长要达到什么要求()A.深入支座长要满足La B.深入支座长要满足1000mmC.深入支座长要满足15d D.深入支座长要满足2倍的梁高正确答案:A答案解析:参考图集11G101-3第74页5.支座两侧筏板厚度有变化时,板上部筋深入支座应满足什么要求()A.深入支座不小于La B.深入支座≥12d且伸到支座中心线C.不小于500mm D.≥15d正确答案:A答案解析:参考图集11G101-3第80页6. 剪力墙中水平分布筋在距离基础梁或板顶面以上多大距离时,开始布置第一道()A.50mm B.水平分布筋间距/2 C.100mm D.5d正确答案:A答案解析:参考图集11G101-3第58页,06G901-1第3-97. 承台下部钢筋端部到桩里皮小于35d时,承台钢筋需向上弯折多少()A.15d B. 12d C.承台厚/2 D.10d正确答案:D答案解析:参考图集11G101-3第85页8. 条形基础底板一般在短向配置(),在长向配置( ) 。
A.分布筋 B.受力主筋正确答案:B ,A答案解析:11G101-3第25页9. 梁板式筏形基础平板LPB1,每跨的轴线跨度为5000,该方向的底部贯通筋为 14@150,两端的基础梁JZL1的截面尺寸为500*900,纵筋直径为25mm,基础梁的混凝土强度为C25。
g101平法识图与钢筋算量第三版答案【单选题】下面哪一项表示柱箍筋加密区间距为100m,非加密区间距为200mm?()10@100+ ?10@20010@200+ ?10@10010@100/20010@200/100答案:10@100/200【多选题】板平板注写的表达方式()。
板带集中标注板带支座原位标注分散标注交错标注答案:板带集中标注板带支座原位标注【单选题】当柱距较大时,除基础底部配筋外,尚需在两柱间配置基础顶部钢筋或设置()。
基础梁板圈梁过梁答案:基础梁【单选题】在楼梯施工图剖面注写示例(剖面图)列表注写方式表里,AT1的踏步高度和踏步级数分别是()。
1320/81480/51320/61800/12答案:1800/12【多选题】关于地下室外墙外侧非贯通筋说法正确的是()。
采用“隔一布一”标注间距与贯通筋相同贯通筋与非贯通筋组合后的实际分布间距为各自标注间距的1/2 贯通筋与非贯通筋组合后的实际分布间距为各自标注间距的1/3 答案:采用“隔一布一”标注间距与贯通筋相同贯通筋与非贯通筋组合后的实际分布间距为各自标注间距的1/2【判断题】ET型楼梯为楼层间的单跑楼梯,跨度较大,一般情况下均应双层配筋。
()答案:A【判断题】()剪力墙柱的构造同剪力墙身的构造相同。
答案:A【多选题】板带集中标注的内容()。
两梯梁之间的矩形梯板全部由踏步段构成踏步段两端均以梯梁为支座,且楼板低端支承处做成滑动支座梯板低端支承处做成滑动支座框架结构中,楼梯中间平台通常设梯柱答案:两梯梁之间的矩形梯板全部由踏步段构成踏步段两端均以梯梁为支座,且楼板低端支承处做成滑动支座梯板低端支承处做成滑动支座框架结构中,楼梯中间平台通常设梯柱【单选题】剖面图注写方式在平法施工图中绘制楼梯平面布置图和楼梯剖面图,注写方式分()和()两部分。
平面注写和剖面注写结构注写和施工注写结构注写和剖面注写平面注写和结构注写答案:平面注写和剖面注写【多选题】柱在楼面处节点上下非连接区的判断条件是()。
《平法钢筋识图、构造、算量》—框架柱篇习题一、认识图集和钢筋1、本套系列课程会使用到的图集有()?A、11G101B、12G901C、16G101D、18G901答案:C、D答案解析:图集的发展经由03G,到11G,再到现行的16G101。
匹配的钢筋图集也由12G901 到现行的18G901.2、图纸识读内容有抗震等级和混凝土强度等级。
()答案:x答案解析:图纸识读内容有:抗震等级、混凝土强度等级、保护层厚度、构件使用环境、嵌固部位等3、视频中讲了几种钢筋连接工艺?()A、1B、2C、3D、4答案:C答案解析:C视频中讲解了:机械套筒、电渣压力焊接、帮条焊二、柱的图纸和钢筋1、视频中讲到框架柱的图纸示例采用了截面注写和列表注写表达方法。
()答案:√答案解析:图集对于构件的表达方法均有:截面注写和列表注写两种方法。
2、视频中讲到柱子的钢筋有哪些?()A、插筋B、底层钢筋C、中间层钢筋D、顶层钢筋E、箍筋答案:ABCDE答案解析:柱的钢筋按施工顺序从下往上分为插筋、底层钢筋、中间层钢筋、顶层钢筋、箍筋。
另外还有顶层柱附加角筋。
3、柱子的钢筋分柱子纵筋和箍筋两类。
()答案:√答案解析:柱子的钢筋类型总的分为两大类,分别是:柱子纵筋和箍筋。
三、柱平法制图规则1、框架柱的识图讲解从图集的多少页到多少页?()A、8 10B、8 12C、8 13D、8 14答案:B答案解析:从图集可看到识读部分是从第8页到12页。
2、图集11页的柱表这样识读先横着看自身标高段的构造,再竖着看不同标高段的变化情况,是否正确?()答案:√答案解析:通常的柱表识读顺序为:先横着看自身标高段的构造信息,再竖着看不同标高段的变化情况。
3、框架柱应考虑的钢筋类型有哪些?()A、纵筋B、箍筋C、角部附加D、通长筋答案:ABC答案解析:柱的构造钢筋主要分三类,分别是:纵筋:基础插筋、中间层、顶层;箍筋;角部附加四、柱的钢筋节点讲解—插筋1、插筋的节点图在图集多少页?()A、63B、64C、65D、66答案:D答案解析:插筋的节点图在图集16G101-3 第66页2、低端钢筋构造长度是:长度=a+hj-c ()答案:X答案解析:依照图集的钢筋构造,低端插筋的长度=a+hj-c+ 非连接区3、高端钢筋构造长度是a+hj-c+ 非连接区+搭接错开长度?()答案:√答案解析:依照图集的钢筋构造,高端插筋的长度=a+hj-c+ 非连接区+搭接错开长度五、柱的钢筋节点讲解—地下室框架柱钢筋1、节点图在图集多少页?()A、63B、64C、65D、66答案:B答案解析:节点图在图集16G101-1 第64页2、嵌固部位一般在基础顶面。
《新平法识图和钢筋计算》练习题和答案————————————————————————————————作者:————————————————————————————————日期:《新平法识图与钢筋计算》第一版勘误表序号页数行数错误更正1 26 7 【例2-12】如图2-43所示,一级抗震,混凝土强度等级c30。
【例2-12】如图2-43所示,一级抗震,混凝土强度等级应为C40。
2 26 图2-43中三级钢筋符号C应为一级钢筋符号A3 27 8 【例2-13】混凝土强度等级c30。
【例2-13】中混凝土强度等级应为C40。
4 27 【例2-14】混凝土强度等级c30,【例2-14】中混凝土强度等级应为C40。
5 45 5 【例3-4】混凝土强度等级c30。
【例3-4】中混凝土强度等级应为C40。
6 46 【例3-6】【例3-7】【例3-8】【例3-9】中把混凝土强度等级c30。
【例3-6】【例3-7】【例3-8】【例3-9】中混凝土强度等级全部为C407 63 3 【例4-2】如图4-25所示,剪力墙水平筋为直径12mm的HRB400钢筋,两排,c30混凝土,一级抗震……【例4-2】如图4-25所示,剪力墙水平筋为直径12mm的HRB300钢筋,两排,C40混凝土,一级抗震……8 63 【例4-3】中混凝土C30,水平筋和垂直筋2B14@200。
【例4-3】中混凝土为C40水平筋和垂直筋改为2A14@200。
9 64 【例4-4】【例4-5】中HRB400钢筋,c30混凝土。
更改为HRB300钢筋,混凝土应为C40混凝土。
10 65 图4-28中钢筋符号2C20;2C20图中钢筋符号应为2A20;2A20练习题答案第二章第五节一、单选题1、当图纸标有:KL7(3)300х700 GY500х250表示?( D )A、7号框架梁,3跨,截面尺寸为宽300、高700,第三跨变截面根部高500、端部高250B、7号框架梁,3跨,截面尺寸为宽700、高300,第三跨变截面根部高500、端部高250C、7号框架梁,3跨,截面尺寸为宽300、高700,第一跨变截面根部高250、端部高500D、7号框架梁,3跨,截面尺寸为宽300、高700,框架梁竖向加腋,腋长500、腋高2502、架立钢筋同支座负筋的搭接长度为:( C )A、15dB、12dC、150D、2503、一级抗震框架梁箍筋加密区判断条件是( B )A、1.5Hb(梁高)、500mm取大值B、2Hb(梁高)、500mm取大值C、1200mmD、1500mm4、梁的上部钢筋第一排全部为4根通长筋,第二排有2根端支座负筋,端支座负筋长度为( B )A、1/5Ln+锚固B、1/4Ln+锚固C、1/3Ln+锚固D、其他值5、当图纸标有:JZL1(2A)表示?( A )A、1号井字梁,两跨一端带悬挑B、1号井字梁,两跨两端带悬挑C、1号剪支梁,两跨一端带悬挑 B、1号剪支梁,两跨两端带悬挑6、抗震屋面框架梁纵向钢筋构造中端支座处钢筋构造是伸至柱边下弯,请问弯折长度是( A )A、15dB、12dC、梁高-保护层D、梁高-保护层х27、梁有侧面钢筋时需要设置拉筋,当设计没有给出拉筋直径时如何判断( A )A、当梁高≤350时为6mm,梁高>350mm时为8mmB、当梁高≤450时为6mm,梁高>450mm时为8mmC、当梁宽≤350时为6mm,梁宽>350mm时为8mmD、当梁宽≤450时为6mm,梁宽>450mm时为8mm8、纯悬挑梁下部带肋钢筋伸入支座长度为( A )A、15dB、12dC、LaeD、支座宽9、悬挑梁上部第二排钢筋伸入悬挑端的延伸长度为( D )A、L(悬挑梁净长)-保护层B、0.85хL(悬挑梁净长)C、0.8хL(悬挑梁净长)D、0.75хL(悬挑梁净长)10、当梁上部纵筋多余一排时,用什么符号将各排钢筋自上而下分开(A )A、/B、;C、*D、+11、梁中同排纵筋直径有两种时,用什么符号将两种纵筋相连,标注时将角部纵筋写在前面(D )A、/B、;C、*D、+12、梁高≤800时,吊筋弯起角度为( C )A、60B、30C、45二、多选题1、梁的平面标注包括集中标注和原位标注,集中标注有五项必注值是:( ABC )A、梁编号、截面尺寸B、梁上部通长筋、箍筋C、梁侧面纵向钢筋D、梁顶面标高高差2、框架梁上部纵筋包括哪些?( A BC )A、上部通长筋B、支座负筋C、架立筋D、腰筋3、框架梁的支座负筋延伸长度怎样规定的(ABD )A、第一排端支座负筋从柱边开始延伸至Ln/3位置B、第二排端支座负筋从柱边开始延伸至Ln/4位置C、第二排端支座负筋从柱边开始延伸至Ln/5位置D、中间支座负筋延伸长度同端支座负筋4、楼层框架梁端部钢筋锚固长度判断分析正确的是(BD )A、当Lae≤支座宽-保护层时可以直锚B、直锚长度为LaeC、当Lae>支座宽-保护层时必须弯锚D、弯锚时锚固长度为:支座宽-保护层+15d5、下列关于支座两侧梁高不同的钢筋构造说法正确的是(BCD )A、顶部有高差时,高跨上部纵筋伸至柱对边弯折15dB、顶部有高差时,低跨上部纵筋直锚入支座Lae(La)即可C、底部有高差时,低跨上部纵筋伸至柱对边弯折,弯折长度为15d+高差D、底部有高差时,高跨下部纵筋直锚入支座Lae(La)三、计算题1、如下图所示,一级抗震,混凝土等级C30,保护层厚度25,定尺长度=9000,绑扎搭接,求悬挑梁的钢筋长度。
第一章平法梁习题检测一、平法单项选择题1.梁平面注写包括集中标注与原位标注,施工时,以( )取值优先。
A. 集中标注B. 原位标注C.平面标注D.截面标注2.当抗震结构中的非框架梁、悬挑梁、井字梁,及非抗震设计中的各类梁采用不同的箍筋间距及肢数时,用“/”将其分开。
注写时,在“/”前后分别注定( ) 的箍筋、间距及肢数。
A. 梁支座端部/梁跨中部分B. 梁跨中部分C. 梁支座端部D. 梁跨中部分/梁支座端部3.梁平法中标注的KL1(2A)表示()。
A. 1号框架梁,两跨一端带悬挑B. 1号框架梁,两跨两端带悬挑C. 1号框架梁,两跨无悬挑D. 1号框架梁,一跨两端带悬挑4.架立钢筋同支座负筋的搭接长度为:()A.15dB.12dC.150D.2505.梁平法中标注KL7(3)300*700 Y500*250表示()。
A. 7号框架梁,3跨,截面尺寸为宽300、高700,第三跨变截面根部高500、端部高250B. 7号框架梁,3跨,截面尺寸为宽700、高300,第三跨变截面根部高500、端部高250C. 7号框架梁,3跨,截面尺寸为宽300、高700,第一跨变截面根部高250、端部高500D. 7号框架梁,3跨,截面尺寸为宽300、高700,框架梁加腋,腋长500、腋高2506. 当直形普通梁端支座为框架梁时,第一排端支座负筋伸入梁内的长度为:()A.1/3LnB.1/4LnC.1/5LnD.1/6Ln7.当梁上部纵筋多余一排时,用( )符号将各排钢筋自上而下分开A./B.;C.*D.+8.梁中同排纵筋直径有两种时,用( )符号将两种纵筋相连,注写时将角部纵筋写在前面A./B.;C.*D.+9.框架梁平法施工图中集中标注内容的选注值为( )。
A.梁编号 B.梁截面尺寸 C.梁箍筋 D.梁顶面标高高差10.下列关于梁、柱平法施工图制图规则的论述中正确的是( )。
A.梁采用平面注写方式时,集中标注取值优先。
《平法钢筋识图、构造、算量》—框架梁篇习题一、框架梁的图纸和钢筋1、框架梁图纸的基本识读单元是?()A、根B、块C、堵D、段答案:A答案解析:框架梁图纸的基本识读单元是以单独的一根框架梁为识读单位。
2、框架梁钢筋包括那些?()A、上部:通长筋、支座负筋、架立筋B、下部钢筋C、侧面钢筋:受扭、构造D、附加:吊筋、箍筋E、箍筋答案:ABCDE答案解析:依据钢筋构造可知框架梁钢筋包括:(1)上部:通长筋、支座负筋、架立筋(2)下部钢筋(3)侧面钢筋:受扭、构造(4)附加:吊筋、箍筋(5)箍筋3、工程中的梁按框架体系可分为框架梁、非框架梁。
()答案:√答案解析:框架体系受力结构体系可知,框架体系的梁可分为:有支座的框架梁无支座的非框架梁。
二、框架梁平法制图规则1、框架梁的平面注写方式有集中标注和原位标注()答案:√答案解析:依据图集识读部分可知:框架梁的平面注写方式有集中标注和原位标注2、当集中标注与原位标注不同时,应已集中标注为主。
()答案:x答案解析:依据图集识读部分可知,当集中标注与原位标注不同时,已原位标注为主3、框架梁的集中标注顺序为?()(1)梁编号、梁尺寸(2)箍筋信息(3)上部通长筋、下部通长筋(4)侧面钢筋(5)顶部标高A、(1)(2)(3)(4)(5)B、(1)(2)(4)(3)(5)C、(1)(2)(5)(4)(3)D、(1)(2)(5)(3)(4)答案:A答案解析:依据图集识读部分可知:框架梁的集中标注顺序为:梁编号、梁尺寸箍筋信息上部通长筋、下部通长筋侧面钢筋顶部标高三、框架梁的钢筋节点讲解—上部通长筋1、节点图在图集的16G101-1多少页?()A、83B、84C、85D、86答案:B答案解析:依据图集钢筋节点部分在16G101-1第84页。
2、通长筋的位置在梁的中部。
()答案:x答案解析:通长筋的位置在梁的角部。
在中部的为支座负筋。
3、端支座的直锚情况Hc-c与max(lae、0.5hc+5d)的关系为?()A、>B、<C、=答案:A答案解析:依据图集钢筋节点可知:Hc-c>max(lae、0.5hc+5d)—直锚四、框架梁的钢筋节点讲解—上部支座负筋1、支座负筋的位置在哪里?()A、端部B、中间C、底部答案:AB答案解析:依据图集钢筋节点可知:支座负筋的位置端部支座、中间支座2、中间支座负筋的第一排长度为(Max左右)Ln/3 + Hc(柱宽)+Ln/3()答案:√答案解析:依据图集钢筋节点可知,中间支座负筋的第一排长度为(Max左右)Ln/3 + Hc(柱宽)+Ln/33、中间支座负筋的第二排长度为(Max左右)Ln/5 + Hc(柱宽)+Ln/5 ()答案:x答案解析:依据图集钢筋节点可知,中间支座负筋的第二排长度为(Max左右)Ln/4 + Hc(柱宽)+Ln/4五、框架梁的钢筋节点讲解—上部架立筋1、节点图在图集16G101-1多少页?()A、84B、85C、86D、87答案:A答案解析:依据图集钢筋节点可知,节点图在16G101-1第84页2、当通长筋的根数不能满足箍筋肢数时,就需要出现架立筋。
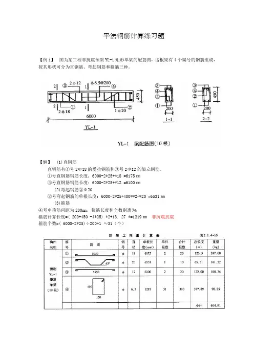
平法钢筋计算练习题【例1】图为某工程非抗震预制YL-1矩形单梁的配筋图,这根梁有4个编号的钢筋组成,按其形状可分为直钢筋、弯起钢筋和箍筋三种。
【解】 (1)直钢筋直钢筋有①号2Φ18的受拉钢筋和③号2Φ12的架立钢筋。
①号直钢筋钢筋长度:6000-2*25+*18 =6175㎜③号直钢筋钢筋长度:6000-2*25+*12 =6100㎜(2)弯起钢筋②Φ20②号弯起钢筋的单根长度:6000-2*25+400**2+*20 =6531㎜(3)箍筋④号Φ箍筋问距为200mn,箍筋长度和个数别离为:箍筋计算长度=( 200+450 -4*25) *2+18. 27 *=1219㎜非抗震抗震箍筋个数=( 6000-2*25)÷200+1 ≈31(个)【例2】如图所示,计算独立基础底板配筋工程量(共6个)。
已知:基础底板混凝土保护层厚度40㎜。
(规范规定:基础边长B≥3000㎜时<除基础支承在桩上外>.受力钢筋的长度可减为交织布置。
)【解】 (1) ①号筋12每根长 = 3300* =2970㎜钢筋数量:(2800-2*40) ÷100+1 =28根(2) ②号筋12每根长= 2800-2*40 =2720㎜钢筋数量:(3300-2*40) ÷130+1 =26根基础底板钢筋重量:号筋12:*28*m * 6个 =②号筋12:*26*0.888kg/m * 6个 =376.80kg合计:10以上:+ =819.88kg套用定额:01040219【例3】计算图中1轴与A轴相交的KZ1的钢筋。
已知:某工程共五层,室外地坪标高-0. 05m,每层层高,梁高400㎜,抗震品级四级,混凝土强度C25,柱的混凝土保护层厚度为30㎜,柱钢筋采用绑扎搭接,J4基础剖面图见下图。
【解】1~A轴KZ1: P55①角筋422: 100+400+400-30+1250+*34d =3167㎜四级抗震,Lae=La=34d, P34 搭接率50%,修正系数.3. 167*2.98kg/m *4根 =37.75kg②b、h边820: 400+400-30+1250+1. 4*34d =2972㎜2. 972*2. 47kg/m *8根 =58.73kg(2) -0. 050 ~层钢筋:①角筋422:3900+1. 4*34d=4947㎜4. 947*2. 98kg/m *4根*4层=235.87kg②b、h边820: 3900+1. 4*34d=4852㎜4. 852*2. 47kg/m *8根*4层=383.50kg(3) ~层钢筋:①外侧钢筋角筋322: 3900-400+*34d =4547㎜ P37b、h边420: 3900-400+*34d =4520㎜4. 547*3根*2.98kg/m+*4根*2.47kg/m =94.25kg②内侧钢筋角筋122:3900-30+12d =4134㎜b、h边4 20:3900-30+12d =4110㎜4. 134*1根*2. 98kg/m+4. 11*4根*2. 47kg/m =52.93kg(4)箍筋长度:[(400-30*2)+(500-30*2)] *2+= 1786㎜[400/3+( 500-30*2)] *2+=1373㎜[ 500/3+( 400-30*2)] *2+=1240㎜合计: 1786+1373+1240 =4399㎜加密区高度(搭接长度d取大值):(1250+3900-400)/3 +1. 4*34d =2630㎜P61柱全长箍筋根数:[ (1250+3900*5-30)/200+1) ]=105根加密部位增加箍筋根数:2630/200+3869/200+( 3660/200) *3+2000/200 =96根Φ8: *(2+105+96) *0. 395kg/m=合计:Φ10之内圆钢(01040216):10以上螺纹钢(01040219):+++++ =【例4】计算下图板的配筋。
可编辑修改精选全文完整版平法识图试卷及答案一、单项选择题(每题2分,共30分)1. 下列选项中,属于框支梁编号的为()A.KL01(2A)B.WKL01(2B)C.KZL01(3)D.JZL01(2A)2. 下列选项中,属于屋面框架梁编号的为()A.XL01(2A)B.KL01(2B)C.WKL01(3)D.KZL01(2A)3. 钢筋强度等级HPB300中,H、P、B分别代表()。
A、热轧、带肋、钢筋B、热轧、光滑、钢筋C、冷轧、带肋、钢筋D、冷轧、光滑、钢筋4. 下列选项中,属于剪力墙上柱的代号为()A、KZZB、XZC、LZD、QZ5. 下列选项中,属于约束边缘转角墙柱代号的为()。
A、YYZB、YDZC、YBZD、YJZ6.下列选项中,属于基础主梁的编号为()A.JLL01(2B)B.JL01(1A)C.JCL01(1B)D.JZL01(2A)7. 楼板开间为3.6m,进深为4.2m,下列选项中不能作为这块板负筋长度值的为()。
A、800mmB、900mmC、1000mmD、1100mm8. 下列选项中,属于地下室外墙代号的为()。
A、ISQB、DWQC、OSQD、TBQ9. 室内剪力墙顶层竖向钢筋与下一层竖向钢筋不全在同一平面机械连接,相邻两节点的间距为()。
A、300mmB、400mmC、500mmD、600mm10.下列选项中,属于悬挑板代号的为()。
A、LBB、WBC、XBD、ZSB11. 下列选项中,属于构造边缘端柱代号的为()。
A、GAZB、GBZC、GDZD、GJZ12. 下列选项中,属于约束边缘暗柱代号的为()。
A、YAZB、YBZC、YDZD、YYZ13. 下列选项中的楼梯,其楼梯板是由踏步板、低端平板和高端平板组成的为()。
A、ATB、BTC、CTD、DT14. 下列选项中,不属于桩基础编号的有()。
A、CT J01B、CT P01C、CTL01D、CTZ0115. 下列选项中,属于阶形普通独立基础代号的为()A.DJ PB.DJ JC.BJ JD.BJ J二、简答题 (每题 2分,共10分)16.简述梁箍筋9Ф10@100/150(2)的含义;17. 简述XL01 200x550/300的含义;18.简述WB3 h=100的含义;19.简述板中贯通筋Ф10/12@150的含义;20.简述KZB5(1A)的含义;三、识图题(每题10分,共30分)21.右图所示为一基础配筋图,请识读基础配筋图。
平法识图与钢筋算量经典试题横法单项选择题1。
梁水平表面注释包括集中注释和原位注释。
在构造过程中,()值应优先A.集中标记b .现场标记c .平面标记d .截面标记2。
当抗震结构中的非框架梁、悬臂梁、横梁和非抗震设计中的各种梁采用不同的箍筋间距和肢数时,用“/”隔开书写时,箍筋、间距和肢数()应在“/”前后确定A.梁支撑端/梁中跨部分b .梁中跨部分c .梁支撑端d .梁中跨部分/梁支撑端3。
会员代码“GAZ”是指()A。
边缘暗列b .受约束的边缘暗列c .非边缘暗列d .构建的边缘暗列4。
荷航L1(2A)在横梁调平方法中标记的意思是()A 1框架梁,两跨一端为悬臂B 1框架梁,两跨两端为悬臂C 1框架梁,两跨一端为悬臂D 1框架梁,两跨为悬臂5。
KL7(3)300*700 Y500*250标有横梁调平方法()A 7框架梁,3跨,截面尺寸为300宽700高,第三跨变截面根部高度500,端高250B 7框架梁,3跨,截面尺寸为700宽300高,第三跨变截面根部高度500,端高250C 7框架梁,3跨,截面尺寸为300宽700高。
第一跨的横截面可变,根部高度为250,末端高度为500。
框架梁横截面尺寸为300宽700高。
框架梁的腋长为500,腋高为250±6。
车牌号码XB表示()A现浇板b悬臂板c延伸悬臂板d屋面现浇板7。
当梁的上部有一排以上的纵向钢筋时,用()符号将每排钢筋从上到下分隔开a,/B,;c,* D,+8。
当梁中同一排有两个直径的纵向肋时,用()符号将两个纵向肋连接起来,并将角部纵向肋写在A,/B,;c,* D,+9。
框架梁调平施工图集中标注内容的可选注记值为()A.比蒙诺。
b .梁截面尺寸c .梁箍筋d .梁顶高差10。
以下关于梁柱平面法施工图规则的讨论是正确的()A.当梁由平面注释写入时,集中注释优先b。
梁上原地标记的支架上部的纵向钢筋是指该位置的所有纵向钢筋,包括纵向钢筋C.横梁中心标记中的扭曲钢筋用g表示。
平法单项选择题1.梁平面注写包含集中标明与原位标明,施工时,以( )取值优先。
A. 集中标明B. 原位标明C.平面标明D.截面标明2.当抗震结构中的非框架梁、悬挑梁、井字梁,及非抗震设计中的各种梁采纳不一样的箍筋间距及肢数时,用“/ ”将其分开。
注写时,在“/ ”前后分别注定()的箍筋、间距及肢数。
A. 梁支座端部/ 梁跨中部分B. 梁跨中部分C. 梁支座端部D. 梁跨中部分/ 梁支座端部3.构件代号“GAZ”代表的意思是()A.边沿暗柱B.拘束边沿暗柱C.非边沿暗柱D.结构边沿暗柱4.梁平法中标明的KL L1(2A)表示()。
A 1 号框架梁,两跨一端带悬挑B 1 号框架梁,两跨两头带悬挑C 1 号框架梁,两跨一端带悬挑D 1 号框架梁,两跨两头带悬挑5.梁平法中标明KL7(3)300*700 Y500*250 表示()。
A7 号框架梁, 3 跨,截面尺寸为宽 300、高 700,第三跨变截面根部高 500、端部高 250 B7 号框架梁, 3 跨,截面尺寸为宽 700、高 300,第三跨变截面根部高 500、端部高 250 C7 号框架梁, 3 跨,截面尺寸为宽 300、高 700,第一跨变截面根部高 250、端部高 500 D7 号框架梁, 3 跨,截面尺寸为宽 300、高 700,框架梁加腋,腋长 500、腋高 2506.板块编号XB表示()。
A现浇板 B 悬挑板C延长悬挑板D屋面现浇板7.当梁上部纵筋剩余一排时,用()符号将各排钢筋自上而下分开A、/B、;C、*D、+8.梁中同排纵筋直径有两种时,用()符号将两种纵筋相连,注写时将角部纵筋写在前面A、/B、;C、*D、+9.框架梁平法施工图中集中标明内容的选注值为( )。
A.梁编号B.梁截面尺寸C.梁箍筋D.梁顶面标高高差10.以下对于梁、柱平法施工图制图规则的阐述中正确的选项是()。
A.梁采纳平面注写方式时,集中标明取值优先。
B.梁原位标明的支座上部纵筋是指该部位不含通长筋在内的所有纵筋。
结构平法识图与钢筋算量知到章节测试答案智慧树2023年最新北京财贸职业学院模块一测试1.下列哪个是其它各项工作的初级准备工作。
()参考答案:工程计量2.16G101-2平法图集表示()。
参考答案:现浇混凝土板式楼梯3.随着技术的发展和绿色节能环保要求,钢筋混凝土结构主要以()级热轧钢筋为主导钢筋。
参考答案:HRB500;HRB4004.混凝土保护层厚度是指()。
参考答案:箍筋外表面到混凝土表面的距离5.常用的多高层建筑结构体系有哪些()。
参考答案:框架-剪力墙结构;筒体结构;框架结构;剪力墙结构模块二测试1.电算流程包括以下()环节。
参考答案:分析图纸;建立模型;新建工程;工程设置2.在结构设计总说明中,需要了解()工程基本概况。
参考答案:钢筋等级;混凝土标号;抗震等级;结构类型3.工程设置不包括()项目。
参考答案:做法设置4.住宅的宽度和住宅的实际长度叫开间和进深。
()参考答案:对5.给主轴网添加辅轴的方式有()。
参考答案:平行辅轴;三点辅轴;起点圆心终点辅轴模块三测试1.基础构件的类型不包括以下()类型。
参考答案:承台基础2.独立基础的钢筋应该在独立基础中输入。
()参考答案:错3.以下()基础是可以采用点、直线和矩形都可以绘制的。
参考答案:筏形基础4.某独立基础平面尺寸为3000*3000,中心对称,混凝土保护层厚度为40mm, 底部X方向钢筋长度计算正确的是()。
参考答案:中部钢筋长度为2700mm;边缘钢筋长度为2920mm5.筏形基础端部等截面外伸构造显示,上部和下部贯通钢筋应在基础边缘弯钩,弯钩长度为15d。
()参考答案:错模块四测试1.结构构件的支座关系,决定了构造和锚固,以下说法正确的有()。
参考答案:梁是板的支座;基础是柱的支座;柱是梁的支座2.柱纵筋中处在转角位置的钢筋是角筋,直径比边筋更大。
()参考答案:错3.钢筋在基础中的()长度,共同组成了基础插筋的长度。
参考答案:弯折长度;伸入长度;底部非连接区长度4.柱顶层纵筋根据柱在结构中所在的位置要分为()。
平法单项选择题1.梁平面注写包括集中标注与原位标注,施工时,以( )取值优先。
A. 集中标注B. 原位标注C.平面标注D.截面标注2.当抗震结构中的非框架梁、悬挑梁、井字梁,及非抗震设计中的各类梁采用不同的箍筋间距及肢数时,用“/”将其分开。
注写时,在“/”前后分别注定( ) 的箍筋、间距及肢数。
A. 梁支座端部/梁跨中部分B. 梁跨中部分C. 梁支座端部D. 梁跨中部分/梁支座端部3.构件代号“GAZ”代表的意思是()A.边缘暗柱B.约束边缘暗柱C.非边缘暗柱D.构造边缘暗柱4.梁平法中标注的KL L1(2A)表示()。
A 1号框架梁,两跨一端带悬挑B 1号框架梁,两跨两端带悬挑C 1号框架梁,两跨一端带悬挑D 1号框架梁,两跨两端带悬挑5.梁平法中标注KL7(3)300*700 Y500*250表示()。
A 7号框架梁,3跨,截面尺寸为宽300、高700,第三跨变截面根部高500、端部高250B 7号框架梁,3跨,截面尺寸为宽700、高300,第三跨变截面根部高500、端部高250C 7号框架梁,3跨,截面尺寸为宽300、高700,第一跨变截面根部高250、端部高500D 7号框架梁,3跨,截面尺寸为宽300、高700,框架梁加腋,腋长500、腋高2506.板块编号XB表示()。
A 现浇板B 悬挑板C 延伸悬挑板D 屋面现浇板7.当梁上部纵筋多余一排时,用( )符号将各排钢筋自上而下分开A、/B、;C、*D、+8.梁中同排纵筋直径有两种时,用( )符号将两种纵筋相连,注写时将角部纵筋写在前面A、/B、;C、*D、+9.框架梁平法施工图中集中标注内容的选注值为( )。
A.梁编号 B.梁截面尺寸 C.梁箍筋 D.梁顶面标高高差10.下列关于梁、柱平法施工图制图规则的论述中正确的是( )。
A.梁采用平面注写方式时,集中标注取值优先。
B.梁原位标注的支座上部纵筋是指该部位不含通长筋在内的所有纵筋。
C.梁集中标注中受扭钢筋用G打头表示。
.梁编号由梁类型代号、序号、跨数及有无悬挑代号几项组成。
D.11.混凝土保护层是指( )。
A.纵筋中心至截面边缘的距离。
B.纵筋外缘至截面边缘的距离。
C.箍筋中心至截面边缘的距离。
D.箍筋外缘至截面边缘的距离。
12.下列关于柱平法施工图制图规则论述中错误的是( )。
A.柱平法施工图系在柱平面布置图上采用列表注写方式或截面注写方式。
B.柱平法施工图中应按规定注明各结构层的楼面标高、结构层高及相应的结构层号。
C.柱编号由类型代号和序号组成。
D.注写各段柱的起止标高,自柱根部往上以变截面位置为界分段注写,截面未变但配筋改变处无须分界。
13.施工图中若某梁编号为KL2(3B),则3B表示( )。
A.三跨无悬挑 B.三跨一端有悬挑 C.三跨两端有悬挑 D.三跨边框梁14.平法表示中,若某梁箍筋为Φ8@100/200(4),则括号中4表示( )。
A.有四根箍筋间距200 B.箍筋肢数为四肢C.有四根箍筋加密 D都不对15.梁平法配筋图集中标注中,G2Φ14表示( )。
A.梁侧面构造钢筋每边两根 B.梁侧面构造钢筋每边一根C.梁侧面抗扭钢筋每边两根 D.梁侧面抗扭钢筋每边一根16.梁的上部有4根纵筋,2Φ25放在角部,2Φ12放在中部作为架立筋,在梁支座上部应注写为()A、2Φ25+2Φ12B、2Φ25+(2Φ12)C、2Φ25;2Φ1217.梁的支座下部钢筋两排,上排2Φ22,下排4Φ25,在梁支座上部应注写为()。
A、2Φ22+4Φ25B、2Φ22+4Φ25 4/2C、2Φ22+4Φ25 2/418.梁的平法注写包括集中标注原位标注,表达梁的通用数值,表达粱的特殊数值( )。
A、原位标注、集中标注B、集中标注、原位标注19.施工图中若某梁编号为KL2(3B),则3B表示()。
A.三跨无悬挑 B.三跨一端有悬挑C.三跨两端有悬挑 D.三跨边框梁20.梁平法施工图的表示方法系在梁的平面布置图上采用()注写方式和()注写方式。
A;平面和截面 B:集中标注和原位标注 C;集中标注和平面21、直径1200的混凝土圆柱,每层柱净高4200,一层梁高750,无其它特殊要求的情况下,第一个加密区长度()、该柱为短柱,通长加密700 D、1400 C、 B1800、A.L7(8B)表示()22、跨,其中两跨为悬挑梁、7号非框架梁,8A跨内号非框架梁,8跨,两端为悬挑梁,悬挑梁不计入8B、7跨,其中两跨为悬挑梁、7号连梁,8C跨内8跨,两端为悬挑梁,悬挑梁不计入8D、7号连梁,,以及偏心受拉柱内的纵筋,不宜采用绑扎接头。
、框架柱纵向钢筋直径()23d≮28>≮20 C、d28 D、A、d>20 B、d时,应设置()个箍筋。
24、锚入承台内的柱钢筋纵向长度1800mm D、5、3 C、4 、A2 B,在无其它特殊要求的情况下,第二个加的混凝土柱,梁高800,净高、 650×550570025)。
密区长度为(、2700 、950 C、1800 DA、500 B。
)26、当柱纵筋采用搭接时,柱纵筋搭接长度范围内的箍筋间距说法正确的是(箍筋不用加密100的间距加密5d(d钢筋较大直径)及≦B、应按≦d钢筋较小直径C、应按≦5d的间距加密,100的间距加密(d钢筋较小直径)及≦D、应按≦5d多项选择题(每空4分,错选不得分,对选一项加一分,共20分)1. 梁的平面注写包括集中标注和原位标注,集中标注有五项必注值是()。
A、梁编号、截面尺寸B、梁上部通长筋、箍筋C、梁侧面纵向钢筋D、梁顶面标高高差2.两个柱编成统一编号必须相同的条件是 ( )。
A、柱的总高相同B、分段截面尺寸相同C、截面和轴线的位置关系相同D、配筋相同3.下面有关BT型楼梯描述正确的是( ) 。
A、BT型楼梯为有低端平板的一跑楼梯B、BT型楼梯为有高端平板的一跑楼梯C、梯板低端、高端均为单边支座D、梯板低端为三边支座、高端为单边支座4.梁的平面注写包括集中标注和原位标注,集中标注有五项必注值是()。
A 梁编号、截面尺寸B 梁上部通常筋、箍筋 C梁侧面纵向钢筋 D梁顶面标高高差5.柱箍筋加密范围包括()。
A节点范围 B底层刚性地面上下500mm C基础顶板嵌固部位向上1/3Hn D搭接范围,剪力墙) AB ,梁的注写方式有() CD 、平法施工图制图规则中,柱的注写方式有(6.的注写方式有( DC )。
A、集中标注B、原位标注C、截面注写D、列表注写7、钢筋保护层和()有关A、环境类别B、结构部位C、混凝土强度D、使用年限8、边角三级抗震柱的钢筋采用柱锚梁方式施工时,以下柱外侧纵筋锚固长度达标的选项有()。
A、从梁底开始计算达到B、从柱顶开始计算达到C、当柱顶水平弯折段位于顶部第一层时,全部伸至柱内边后向下弯折8dD、当柱顶水平弯折段位于顶部第二层时,全部伸至柱内边判断题1.相交的主次梁中,次梁断面的下部筋应放置在主梁下部筋之上。
(√ )2. 柱平法施工图的注写方式有平面注写方式和截面注写方式。
X3.φ10@100/200(4)表示箍筋为一级钢,直径为10,加密区间为100,非加密区为200,均为四肢箍。
(√)4. KL8(5A)表示第8号框架梁,5跨,一端有悬挑。
(√)5.当梁顶比板顶低的时候,注写“负标高高差”。
(√)6.平面标注包括集中标注与原位标注,集中标注表达梁的通用数值,原位标注表达梁的特殊数值。
当集中标注中的某项数值不适用于梁的某部位时,则将该项数值原位标注,施工时原位标注取值优先。
(x )打头的钢筋是构造钢筋,N打头的是抗扭钢筋。
(√)8.梁集中标注中的()表示梁顶面比楼板顶面低(单位:m)。
(x )9. LZ表示梁上柱。
(x )10.φ10@100/200(4)表示箍筋为一级钢,直径为10,加密区间为100,非加密区为200,均为四肢箍。
(√)(5A)表示第8号框架梁,5跨,一端有悬挑。
(√)12. JCL是表示基础承台的意思。
( x)13. 梁的平面注写包括集中标注和原位标注,集中标注表达梁的通用数值,原位标注表达梁的特殊数值。
(x )(√)时,须在梁中配置纵向构造筋。
450≥hw梁腹板高度14.15.梁腹板高度hw≥450时,须在梁中配置纵向构造筋。
(√)16. b*h PYc1*c2表示水平加腋,c1为腋长,c2为腋宽。
(√)17.当某跨梁原位标注的箍筋规格或间距与集中标注不同的时候,以集中标注的数值为准。
(√)18.当梁上部纵筋和下部纵筋均为通长筋时,用分号“;”将上部与下部纵筋分开。
(√)19. 梁集中标注中,当同排纵筋有两种直径时,用“+”将两种直径的纵筋相连。
(√)20. KL4(3B)表示框架梁第四号,3跨,两端有悬挑。
(√)21.相交的主次梁中,次梁断面的下部筋应放置在主梁下部筋之上。
(√)22.现浇板式结构中,长向钢筋应放置在短向钢筋的下方。
( x )23.当图纸结构设计说明对钢筋的锚固长度有要求时,按照图纸设计进行施工,但也可以按照平法图集的要求施工。
( x )24.柱平法施工图的注写方式有平面注写方式和截面注写方式。
(√)25柱钢筋的保护层厚度是从柱纵向受力钢筋的中心到柱边的距离。
( x )26Ф10@100/250表示箍筋为Ⅰ级钢筋,直径Ф10,加密区100,非加密区250。
(√)27梁施工时,原位标注取值优先。
( x )28柱相邻纵向钢筋连接接头相互错开,在同一截面内钢筋接头面积百分率不应大于50%。
(√)29在任何情况下,受拉钢筋的锚固长度不得小于250mm。
(√)。