阀门常用材质温度要求
- 格式:docx
- 大小:23.72 KB
- 文档页数:8
[转] 阀门材质与应用(阀门压力、温度使用范围)WCB碳钢ASTM A216无腐蚀性应用,包括水,油和气,温度范围:-30℃至+425℃LCB低温碳钢ASTM A352低温应用,温度低至-46℃不能用于温度高于+340℃的场合LC33.5%镍钢ASTM A352低温应用,温度低至-101℃不能用于温度高于+340℃的场合WC61.25%铬0.5%钼钢ASTM A217无腐蚀性应用,包括水,油和气,温度范围:-30℃至+593℃WC92.25铬ASTM A217无腐蚀性应用,包括水,油等级WC9和气,温度范围:-30℃至+593℃C55%铬0.5%钼ASTM A217轻度腐蚀性或侵蚀性应用及无腐蚀性应用,温度范围:-30℃至+649℃C129%铬1%钼ASTM A217轻度腐蚀性或侵蚀性应用及无腐蚀性应用,温度范围:-30℃至+649℃CA6NM(4)12%铬钢ASTM A487腐蚀性应用,温度范围:-30℃至+482℃CA15(4)12%铬ASTM A217腐蚀性应用,温度范围高达+704℃CF8M 316不锈钢ASTM A351腐蚀性或超低温或高温无腐蚀性应用,温度范围:-268℃至+649℃,温度+425℃以上要指定碳含量0.04%及以上CF8C347不锈钢ASTM A351主要用于高温,腐蚀性应用,温度范围:-268℃至+649℃,温度+540℃以上要指定碳含量0.04%及以上CF8304不锈钢ASTM A351腐蚀性或超低温或高温无腐蚀性应用,温度范围:-268℃至+649℃温度+425℃以上要指定碳含量0.04%及以上CF3304L不锈钢ASTM A351腐蚀性或无腐蚀性应用,温度范围高达+425℃CF3M316L不锈钢ASTM A351腐蚀性或无腐蚀性应用,温度范围高达+454℃CN7M合金钢ASTM A351具有很好的抗热硫酸腐蚀性能,温度高达+425℃M35-1蒙乃尔ASTM A494可焊接等级。
常见的阀门材质选择阀门主要零件的材质,首先应考虑到工作介质的物理性能(温度、压力)和化学(腐蚀性)等。
同时,还应了解介质的清洁程度(有无固体颗粒)。
除此之外,还要参照国;使用部门的有关规定和要求。
许多种材料可以满足阀门在多种不同工况的使用要求。
但是,正确、合理地选择阀门材料,可以获得阀门最经济的使用寿命和最佳的性能。
阀门的材质,种类繁多,适用于各种不同工况。
现把常用的壳体材质、件材质和密封材质介绍如下。
1 壳体常用的材质1.灰铸铁适用于工作温度在-1 5~200℃之间,公称压力PN≤1.6MPa的低压阀门。
用介质为水、煤气等。
2.黑心可锻铸铁适用于工作温度在-15~300℃之间。
公称压力PN≤2.5MPa的中压阀门。
适用介质为水、海水、煤气、氨等。
3.球墨铸铁适用于工作温度在-30~350℃之间。
公称压力PN≤4.0MPa的中低压阀门。
适用介质为水、海水、蒸汽、空气、煤气、油品等。
4.碳素钢(WCA,WCB,WCC) 适用于工作温度在-29~425℃之间的中高压阀门。
中1 6Mn、30Mn工作温度为-40~450℃之间,常用来替代ASTM A105。
适用介质为饱和召-2:和过热蒸汽。
高温和低温油品、液化气体、压缩空气、水、天然气等。
5.低温碳钢(1CB) 适用于工作温度在-46~345℃之间的低温阀门。
6.合金钢 WC6、WC9适用于工作温度在-29~595℃之间的非腐蚀性介质的高温高压C5、C12适用于工作温度在-29~650℃之间的腐蚀性介质的高温高压阀门。
7.奥氏体不锈钢适用于工作温度在-196~600℃之间的腐蚀性介质的阀门。
8.蒙乃尔合金主要适用于含氢氟酸介质的阀门中。
9.哈氏合金主要适用于稀硫酸等的强腐蚀性介质的阀门中。
10.钛合金主要适用于各种强腐蚀介质的阀门中。
11.铸造铜合金主要适用于工作温度在-27~200℃之间氧气管路和海水管路用的阀门中。
12.塑料、瓷这两材料都属于非金属材料。
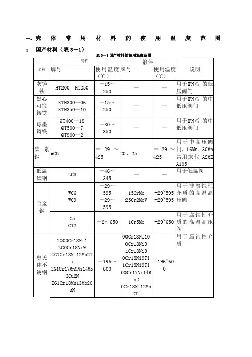
阀门常用材料使用温度范围及核级材料.docx一、壳体常用材料的使用温度范围1国产材料(表3-1)表 3-1 国产材料的使用温度范围名称铸件锻件说明牌号使用温度(℃)牌号使用温度(℃)灰铸铁HT200 HT250- 15~ 250——用于PN≤ 1.6MPa 的低压阀门黑心可锻KTH300— 06- 15~ 250——用于PN≤ 2.5MPa 的中铸铁KTH350— 10低压阀门QT400—18用于PN≤ 4.0MPa 的中球墨铸铁QT500—7- 30~350——低压阀门QT900—2用于中高压阀门,碳素钢WCB-29~42520、25-29~42516Mn、 30Mn 常用来代ASME A105低温碳钢LCB- 46~ 345——用于低温阀WC6- 29~ 59515CrMo-29~595用于非腐蚀性介质的合金钢WC9- 29~ 59525Cr2MoV-29~595高温高压阀C5用于腐蚀性介质的高-2~6501Cr5Mo-29~650C12温高压阀00Cr18Ni10用于腐蚀性介质ZG00Cr18Ni10Cr18Ni9ZG0Cr18Ni91Cr18Ni9ZG1Cr18Ni12Mo2Ti-196 ~6000Cr18Ni9Ti-196~600ZG1Cr17Mn9Ni14Mo3Cu2N1Cr18Ni9Ti奥氏体不ZG1Cr18Mn13Mo2CuN00Cr17Ni14Mo20Cr18Ni12Mo2Ti锈钢CF8304CF8M316CF3—304LCF3M316L CF8C321 CN7M B462蒙乃尔合——(NCu28—2.5 —-29~450主要用于含氢氟介质金 1.5 )ZCuSn5Pb5Zn5主要用于氧气管路5-5-5 锡青铜ZCuSn10Zn2铸铜合金10-2 锡青铜-273~200——ZCuAI9Mn39-2 锡青铜ZCuAl10Fe39-3 锡青铜2 美国 ASTM材料(表 3-2)表 3-2 美国 ASTM材料的使用温度范围ANSI锻件铸件B16.34标准钢号代号使用温度(℃)代号使用温度(℃)说明材料分类号1.1碳钢A105-29~425A216—WCB-29~425 1. A105 、WCB、碳钢——A216—WCC- 29~425WCC、长时期处在1.22-1/2Ni——A352—LC2- 29~345425 ℃以上高温3-1/2Ni A350—LF3- 29~370A352—LC3- 29~345时,碳钢的碳化1.3碳钢——A352—LCB- 46~345相可能变成石墨1.4碳钢A350—LF1- 29~345——相2. F1、WC1长时C-1/2Mo A182— F1- 29~455A217—WC1- 29~4551.5期处在470℃以——A352—LC1- 59~3451/2Cr — 1/2Mo A182— F2- 29~540— 1.7Ni —Cr-1/2Mo ——A217—WC4Ni —Cr -1Mo —— A217—WC5 1.91Cr —1/2Mo A182—F12 -29~595 —1-1/4Cr —1/2Mo A182—F11 - 29~595 A217~WC61.10 2-1/4Cr —1MoA182—F22 - 29~595 A217~WC9 1.113Cr —Mo A182—F21 - 29~595 —5Cr —1/2MoA182—F5a- 29~650 —~540 1.13-29~ 650A182— F5—~5401.149Cr — 1MoA182— F9- 29~650A217~C12~540A182—F304-254~800—~5402.118Cr —8NiA182—F304H -254~800—~540 A351~ CF3A351~ CF8—- 29~540 - 29~565—- 29~595 - 29~595——- 29~650——- 254~425- 254~800上高温时,碳钼钢的碳化物相可能变成石墨相3. WC1、 WC4、WC5、WC6、 WC9、C5、C12 仅用于正火和回火材料4. CF8使用温度或焊接温度超过260 ℃,不得采用含铅牌号的材料 5. F304 、 F316、CF8M 、F321 、 F347 、 CF8C 、 F348 、 CH8 、 CH20 、 F310 、 CK20 如果含碳量超过或等于0.04%,温度超过540 ℃才使用A182-F316- 254~800 —~540 16Cr-12Ni-2Mo- 254~800A182-F316H—~5402.2——A351- CF3A18Cr-13Ni-3Mo—— A351- CF8A—— A351- CF3M18Cr-9Ni-2Mo—— A351- CF8M18Cr-8NiA182-F304L - 254~425 —6. F310 工作温度—565 ℃或大于上述温度者,必须—保证晶粒不低于254~ 345 ASTMNo.6 的规- 254~ 345 定- 254~ 4557. B462B160--254~ 800 No2200 仅用退~ 540火的材料—8. CN - 7M 仅用2.318Cr-12Ni-2MoA182-F316L- 254~450 —A182-F321- 254~540 —2.418Cr-10Ni-Ti- 254~800 —A182-F321H~540———固溶处理的材料A182-F347- 254~540 —— 2.518Cr-10Ni-NbA182-F347H - 254~450 —— A182-F348 - 254~540 ——A182-F348H- 254~450———A351-CH8- 29~800~540 2.620Cr-12Ni- 29~800——A351- CH20~5402.725Cr-20NiA182-F310— A351- CK20- 29~800~5403.1Cr-Ni-Fe-Mo B462 - 29~450 A351-CN -7M - 29~450 3.2镍合金 200B160-No2200- 29~450——二、核 2、3 级设备用法、中、美相应材料对照表(表3-3)序材料法国中国美国号 RCC -M类型20MN5MZG275-485H WCB 、 WCCGB7659-87 ASTM A216/A216M - 89碳钢ZG230-450HM1112WCA 、 WCB2铸件20MN5MZG275-485HASTM A216/A216M - 89GB7659-873A42AP 20Ⅰ类碳钢 NFA36- 601 JB4726-94 ASTM A765/A765M - 90 M1122A48AP 16Mn Ⅱ类4锻件NFA36- 601JB4726-94ASTM A765/A765M - 90A37、55( 380)、60(415)5ASTM A515/A515M- 90NFA36- 205压力容器用ASTM A516/A516M- 90 M1131碳钢钢板65( 450)、70(485)A526ASTM A515/A515M- 90NFA36- 205ASTM A516/A516M- 907E242NE Q235- B55(380 )NFA35- 501GB700- 88ASTM A6663/A663M-90a60(415 )8E243Q235-C ASTM A675/A675M-90a NFA35-501GB700- 88 B 级ASTM A283 A283M- 949E244Q235- D58 级( 400)NFA35- 501GB700- 88ASTM A573/A573M- 90结构用碳钢M1134E282NE20Mn70(485)、75(515)板材或型材E283ASTM A675 A675M -90a10GB711- 88E284 B 级GB699- 88NFA35- 501ASTM A662 A662M- 9011E362NE Q345B、 Q390B NFA35- 501GB/T1591- 9412E363Q345C、 Q390C50(345 )NFA35- 501GB/T1591- 94ASTM A572 A572M- 9113E364Q345D、 Q390D NFA35- 501GB/T1591- 9414碳钢无缝钢M1141NFA49- 21320G B 管GB5310-1995ASTM A106- 9115M1141NFA49- 21325MnG牌号GB5310-1995ASTM A714-89a16碳钢无缝钢TUE22010牌号Ⅰ和牌号Ⅱ管NFA49-211GB8163-87ASTM A524- 89 M114320MnG牌号 B17NFA49- 211GB5310-1995ASTM A106- 9118TS37b(TSE235A)Q235B牌号 B碳钢电NFA49- 142GB/T13793-92ASTM A139-89b M1142 焊钢管TS42b(TSE250A)20牌号 C19NFA49- 142GB/T13793-92ASTM A139-89b20Z5CND13-04ZG0Cr13Ni4Mo CA6NMAJB/ZQ4299-86ASTM A487/A487M- 91CA15M3201ASTM A217/A217M- 91不锈钢铸件ASTM A487/A487M-91 21Z5CN12-01ASTM A743/A743M-92aCA15MASTM A487/A487M- 91ASTM A743/A743M-92a( S41000)22Z12C13GB1220-92ASTM A479/A479M-91a JB4728-94F6 不锈钢M3202ASTM A32 89锻轧件2Cr1342023Z20C13GB1220-92ASTM A276-91a24Z5CND13-04S41500( UNS)ASTM A276-91a25钢板M3203Z10C131Cr13410SGB4237-92ASTM A176- 9026M3204Z5CND13-04S41500( UNS)不锈钢ASTM A473-91a 27锻件M3205Z12CN13414 ASTM A473-91a28不锈钢M3206 29锻轧棒30不锈钢钢管M320731不锈钢M3208铸件3233343536不锈钢M3301锻件373839404142M3303 43不锈钢无缝44钢管45M3304 4647不锈钢无缝48M3304 钢管4950515253不锈钢锻轧M3306 54棒5556Z100CD179Cr18Mo440CGB1220-92ASTM A276-91aZ6CNU17-040Cr17Ni4Cu4Nb630GB1220-92ASTM A564/A564M- 91 Z12C13 1Cr13MT410GB/T14975-94ASTM A511- 90Z5CND13-04ZG0Cr13Ni4Mo CA6NMJB/ZQ4299-86ASTM A487/A487M- 91 Z6CNU17-04ZG0Cr17Ni4Cu4Nb CB7Cu-1GB2100-80ASTM A747/A747M-89 Z6CN18-100Cr18Ni9304Z5CN18- 10JB4728-94ASTM A473-91aZ2CN18- 1000Cr19Ni10304LJB4728-94ASTM A473-91aZ2CN19- 10Z6CNNb18-110Cr18Ni11Nb348JB/T6398 - 92ASTM A473-91aZ8CNT18-110Cr18Ni10Ti321JB4728-94ASTM A473-91aZ6CND17-120Cr17Ni12Mo2316Z5CND17-12JB4728-94ASTM A473-91aZ2CND17-1200Cr17Ni14Mo2316LJB4728-94ASTM A473-91aZ2CND18-12Z5CN18- 100Cr18Ni9TP304GB13296-91ASTM A213/A213M-91a Z2CN18- 1000Cr19Ni10TP304LGB13296-91ASTM A213/A213M-91a Z5CND17-120Cr17Ni12Mo2TP316GB13296-91ASTM A213/A213M-91a Z2CND17-1200Cr17Ni14Mo2TP316LGB13296-91ASTM A213/A213M-91a Z6CN18- 100Cr18Ni9TP304 MT304GB/T14975-94ASTM A312/A312M-91b Z5CN18- 10GB/T14976-94ASTM A511- 9000Cr19Ni10TP304L MT304LZ2CN18- 10GB/T14975-94ASTM A312/A312M-91bGB/T14976-94ASTM A511- 90Z6CND17-120Cr17Ni12Mo2TP316、 MT316GB/T14975-94ASTM A312/A312M-91b Z5CND17-12GB/T14976-94ASTM A511- 9000Cr17Ni14Mo2TP316L、 MT316L Z2CND17-12GB/T14975-94ASTM A312/A312M-91bGB/T14976-94ASTM A511- 90Z2CND19-10Z2CND18-12Z6CN18- 100Cr18Ni9304Z5CN18- 10GB1220-92ASTM A276-91aZ2CN18- 1000Cr19Ni10304LGB1220-92ASTM A276-91aZ2CN19- 10Z6CNNb18-110Cr18Ni11Nb347GB1220-92ASTM A276-91aZ6CNN18-110Cr18Ni10Ti321GB1220-92ASTM A276-91aZ6CND17-120Cr17Ni12Mo2316Z5CND17-12GB1220-92ASTM A276-91a57Z2CND17-1200Cr17Ni14Mo2316LGB1220-92ASTM A276-91a58Z2CND18-1259Z8CNDT18-120Cr18Ni12Mo2Ti316Ti GB1220-92ASTM A276-91a60Z8CNDNb18- 12316Cb ASTM A276-91aZ6CN18- 100Cr18Ni930461GB3280-92ASTM A167- 91Z5CN18- 10GB4237-92ASTM A240-92b 不锈钢钢板M330700Cr19Ni10304L62Z2CN18- 10GB3280-92ASTM A167- 91GB4237-92ASTM A240-92b 63Z6CN19- 10序材料RCC-M法国中国美国号类型0Cr18Ni11Nb34864Z6CNNb18-11GB3280-92ASTM A167- 91GB4237-92ASTM A240-92b0Cr18Ni10Ti321H65Z8CNT18-11GB3280-92ASTM A167- 91GB4237-92ASTM A240-92bZ6CND17-120Cr17Ni12Mo231666GB3280-92ASTM A167- 91Z5CND17-12GB4237-92ASTM A240-92b 不锈钢钢板M330700Cr17Ni14Mo2316L67Z2CND17-12GB3280-92ASTM A167- 91GB4237-92ASTM A240-92b 68Z2CND18-12 0Cr18Ni12Mo2Ti316Ti69Z8CNDT18-12GB3280-92ASTM A167- 91 GB4237-92ASTM A240-92b316Cb70Z8CNDNb18-12ASTM A167- 91ASTM A240-92b71Z6CND17-120Cr17Ni12Mo2B8M、B8M2 GB1220-92ASTM A193/A193M-91a不锈钢钢棒M330800Cr17Ni14Mo2316L72Z2CND17-12GB1220-92ASTM A276-91a73Z2CN18- 1000Cr19Ni10F304LJB4728-94ASTM A336/A336M- 89不锈钢锻件M331100Cr17Ni14Mo2F316L74Z2CND17-12JB4728-94ASTM A336/A336M- 8975Z5CN18- 10TP304ASTM A249/A249M- 8976Z2CN18- 10TP304LASTM A249/A249M- 9177不锈钢Z5CND17-12TP316M3319ASTM A249/A249M- 91卷焊管TP316L78Z2CND17-12ASTM A249/A249M- 91Z6N18-100Cr19Ni9TP30479GB12770-91Z5N18-10ASTM A312/A312M-90b GB12771-91不锈钢卷焊00Cr19Ni11TP304L80M3320Z2CN18- 10GB12770-91管ASTM A312/A312M-90bGB12771-91Z6CND17- 120Cr17Ni12Mo2TP31681GB12770-91Z5CND17- 12ASTM A312/A312M-90b GB12771-9100Cr17Ni14Mo2TP316L82Z2CND17-12GB12770-91ASTM A312/A312M-90bGB12771-9183M3401Z3CN20-09M Z0Cr19Ni9CF8 EJ467- 89ASTM A743/A743M-92a84Z3CN20-09MCF8、CF8A ASTM A351/A351M-91aM3402CF8M85不锈钢铸件Z3CND19-10MASTM A351/A351M-91a86M3403Z3CND19-10MCF8M CF8MGB12230-89ASTM A743/A743M-92a87M3405Z3CN20-09M 20Cr19Ni9CF8EJ467- 89ASTM A743/A743M-92a88不锈钢铸管M3406Z3CN20-09MCPF8、CPF8A ASTM A451- 9189XC18201017、 1020 NFA35- 552GB699- 88ASTM A576-90b90XC25251025NFA35- 552GB699- 88ASTM A576-90b91XC32301030螺钉紧固NFA35-552GB699-88ASTM A576-90b 件、驱XC38H351038921动杆和动NFA35- 552GB699- 88ASTM A576-90b 轴、拉杆和XC38H35Mn1037932支撑螺栓用NFA35- 552GB699- 88ASTM A576-90b棒材140104294XC42HNFA35- 552GB699- 88ASTM A576-90b95XC42H40Mn1037NFA35- 552GB699- 88ASTM A576-90b XC48H451045、1049961NFA35- 552GB699- 88ASTM A576-90b97XC48H245Mn1548NFA35- 552GB699- 88ASTM A576-90b XC55H551055 981NFA35- 552GB699- 88ASTM A576-90bXC55H50Mn1053992NFA35- 552GB699- 88ASTM A576-90b10020M51518NFA35- 552ASTM A576-90b10135M51536NFA35- 552ASTM A576-90b 螺钉紧固40M61541102件、NFA35- 552ASTM A576-90b 驱动杆和传M511020MC520CrMo103动M5150NFA35- 552GB3077-88轴、拉杆和38C25140H104支撑NFA35- 552ASTM A304- 90螺栓用棒材42C25145H105NFA35- 552ASTM A304- 9010632C430Cr5130H NFA35- 552GB3077-88ASTM A304- 90 10738C435Cr5135H NFA35- 552GB3077-88ASTM A304- 90 10842C440Cr5145H NFA35- 552GB3077-88ASTM A304- 90 10925CD420CrMo4130H NFA35-552GB3077-88ASTM A304- 90110111112113114115116117螺钉紧固件、驱118动杆和传动轴119拉杆和支撑螺120栓用棒材121122123124125螺钉和驱动杆用棒材126127128129130131132螺母用棒材133134135轴、拉杆螺栓用棒136137138轴承钢13930CD430CrMo4130HNFA35- 552GB3077-88ASTM A304- 90 34CD435CrMo4135HNFA35- 552GB3077-88ASTM A304- 90 38D435CrMo4137HNFA35- 552GB3077-88ASTM A304- 90 50CV450CrVA6150HNFA35- 552GB3077-88ASTM A304- 90 30NCH30CrNiNFA35- 552GB3077-8840CAD61238CrMoAlNFA35- 552GB3077-8821B315B21HNFA35- 552ASTM A304- 9038B340BNFA 35-552GB3077-8820MB515B21HM5110NFA 35-552ASTM A304- 90M515038MB540MnB15B37HNFA 35-552GB3077-88ASTM A304- 90 38CB150B40HNFA 35-552ASTM A304- 9019NCDB294B17HNFA 35-552ASTM A304- 9042CD440CrMoA B22GB3077-88ASTM A540/A540M- 89 42CDV4B21ASTM A540/A540M- 89 Z12C131Cr13B6、B6XGB1220-92ASTM A193/A193M-91a Z6CN18-100Cr18Ni9B8、B8PM5110Z5CN18- 10GB1220-92ASTM A193/A193M-91aZ6CND17- 120Cr17Ni12Mo2B8M、B8M2、B8M3Z5CND17- 12GB1220-92ASTM A193/A193M-91aZ12CNDV12-02XM- 32ASTM A565- 91 Z6CNU17- 040Cr17Ni4Cu4Nb630GB1220-92ASTM A564/A564M- 91 Z6NCTDV25150Cr15Ni25Ti2MoA1VB660GB1221-92ASTM A453/A453M-88a 42CD442CrMoA7、7MGB3077-88ASTM A194/A194M-91 Z6CN18-100Cr17Ni98、8AZ5CN18- 10GB1220-92ASTM A194/A194M- 91 M5120 Z6CND17- 120Cr17Ni12Mo28M、8MAZ5CND17-12GB1220-92ASTM A194/A194M-91 XC42H1452H、2HMXC42H GB699- 88ASTM A194/A194M- 91Z12C131Cr136GB1220-92ASTM A194/A194M- 91 30NCD167 级ASTM A470- 89M515040CrNiMoA B2440NCD7.03GB3077-88ASTM A540/A540M- 89 100NCD7.352100.3 (AISI )ASTM A535- 85M5160100C2Gcr650100NFA35- 565YJZ84ASTM295-91100C6Gcr1552100NFA35- 565YB(T) 1- 80ASTM295-91140100CM6G15SiMn52100.1 NFA35- 565YB(T) 1- 80ASTM A535- 853 级、 3a 级14116MND518MnNiMo ASTM A508/A508M-88bGB/T15443-95 3 级低合金钢锻M5170件ASTM A541/A541M-88a14220NCD127 级ASTM A541/A541M-88a14320CV420CVA GB1222-8414451CDV460CrMnMoAASTM A232/A232M- 91 GB1222-840Cr18Ni9304GB1220-92145Z7CN18- 09ASTM A276-91a0Cr19Ni10ASTM A313- 87YB( T)11-83146Z12CN18-091Cr18Ni9302YB( T)11-83ASTM A313- 87弹簧M51900Cr17Ni12Mo2316147Z7CND17-11-02GB1220-92ASTM A276-91a YB( T)11-83ASTM A313- 870Cr18Ni10Ti 321148Z6CNT18-10ASTM A276-91aGB1220-92ASTM A313- 87149NC18FeNbAGH1145 EJ481- 89150NC19FeNbDIGH169A EJ481- 89。
阀门材质使用温度WCB碳钢A216无腐蚀性应用,包括水,油和气,温度范围:-30℃至+425℃LCB低温碳钢A352低温应用,温度低至-46℃不能用于温度高于+340℃的场合LC33.5%镍钢A352低温应用,温度低至-101℃不能用于温度高于+340℃的场合WC61.25%铬0.5%钼钢A217无腐蚀性应用,包括水,油和气,温度范围:-30℃至+593℃WC92.25铬A217无腐蚀性应用,包括水,油等级WC9和气,温度范围:-30℃至+593℃C55%铬0.5%钼A217轻度腐蚀性或侵蚀性应用及无腐蚀性应用,温度范围:-30℃至+649℃C129%铬1%钼A217轻度腐蚀性或侵蚀性应用及无腐蚀性应用,温度范围:-30℃至+649℃CA6NM(4)12%铬钢A487腐蚀性应用,温度范围:-30℃至+482℃CA15(4)12%铬A217腐蚀性应用,温度范围高达+704℃CF8M 316不锈钢A351腐蚀性或超低温或高温无腐蚀性应用,温度范围:-268℃至+649℃,温度+425℃以上要指定碳含量0.04%及以上CF8C347不锈钢A351主要用于高温,腐蚀性应用,温度范围:-268℃至+649℃,温度+540℃以上要指定碳含量0.04%及以上CF8304不锈钢A351腐蚀性或超低温或高温无腐蚀性应用,温度范围:-268℃至+649℃温度+425℃以上要指定碳含量0.04%及以上CF3304L不锈钢A351腐蚀性或无腐蚀性应用,温度范围高达+425℃CF3M316L不锈钢A351腐蚀性或无腐蚀性应用,温度范围高达+454℃CN7M合金钢A351具有很好的抗热硫酸腐蚀性能,温度高达+425℃M35-1蒙乃尔A494可焊接等级。
具有很好的抗所有普通有机酸和盐水腐蚀的性能。
也具有很高的抗大多数碱性溶液腐蚀的性能,温度高达+400℃。
阀门材质使用温度一、常用材料牌号(1)A216 WCB,碳钢:无腐蚀性应用,包括水,油和气,温度范围:-30℃至+425℃。
(2)A352 LCB,低温碳钢:低温应用,温度低至-46℃,不能用于温度高于+340℃的场合。
(3)A352 LC3,3.5%镍钢:低温应用,温度低至-101℃,不能用于温度高于+340℃的场合。
(4)A217 WC6 1.25%铬0.5%钼钢无腐蚀性应用,包括水,油和气,温度范围:-30℃至+593℃(5)A217 WC9,2.25铬无腐蚀性应用,包括水,油等级WC9和气,温度范围:-30℃至+593℃(6)A217 C5,5%铬0.5%钼轻度腐蚀性或侵蚀性应用及无腐蚀性应用,温度范围:-30℃至+649℃A217,C12,9%铬1%钼轻度腐蚀性或侵蚀性应用及无腐蚀性应用,温度范围:-30℃至+649℃A487 CA6NM(4),12%铬钢腐蚀性应用,温度范围:-30℃至+482℃A217 CA15(4),12%铬腐蚀性应用,温度范围高达+704℃A351 CF8M 316不锈钢腐蚀性或超低温或高温无腐蚀性应用,温度范围:-268℃至+649℃,温度+425℃以上要指定碳含量0.04%及以上A351CF8C,347不锈钢主要用于高温,腐蚀性应用,温度范围:-268℃至+649℃,温度+540℃以上要指定碳含量0.04%及以上A351 CF8,304不锈钢腐蚀性或超低温或高温无腐蚀性应用,温度范围:-268℃至+649℃,温度+425℃以上要指定碳含量0.04%及以上A351 CF3,304L不锈钢腐蚀性或无腐蚀性应用,温度范围高达+425℃A351 CF3M, 316L不锈钢腐蚀性或无腐蚀性应用,温度范围高达+454℃A351 CN7M,合金钢具有很好的抗热硫酸腐蚀性能,温度高达+425℃M35-1, 蒙乃尔可焊接等级。
具有很好的抗所有普通有机酸和盐水腐蚀的性能。
也具有很高的抗大多数碱性溶液腐蚀的性能,温度高达+400℃A494 N7M,哈斯特镍合金B特别适用于处理器各种浓度和温度的氢氟酸。
一、材料一般要求1.阀体、阀盖、法兰的材料,应根据使用条件和制造要求选用,并应符合 GB 12228、GB 12229、GB 12230 和 GB 3077 的规定。
2.螺母、螺栓、螺柱材料可用 A5、25、35、30CrMoA 和 40MnVB 等,应根据使用压力和温度选用,并应符合 GB 700、GB 699 和 GB 3077 的规定。
3.精密铸造件不得用于公称压力 PN > 10.0MPa 的阀门。
4.对下列各种情况应注意材料可能发生石墨化:•碳素钢约高于425℃ 时;•碳钼钢约高于470℃ 时;•铬钼钢(含铬 0.6% 以下)约高于525℃ 时。
5.下列各种情况应注意可能发生的过氧反应(起氧化皮):•约高于565℃ 以上的 1Cr-0.5Mo 钢、1.25Cr-0.5Mo 钢、2Cr-1Mo 钢和 3Cr-1Mo 钢•约高于595℃ 以上的 5Cr-0.5Mo 钢二、主要零件材料选用规定1.用于输送介质温度为 -20~425℃ 的碳素钢制阀门的主要零件材料,应符合《表 1》的规定。
2.用于输送介质温度低于或等于540℃ 的合金钢制阀门的主要零件材料,应符合《表 2》的规定。
3.用于输送介质温度低于或等于550℃ 的合金钢制阀门的主要材料,应符合《表 3》的规定。
4.用于输送介质温度低于或等于200℃ 的不锈耐酸钢制阀门的主要零件材料,应符合《表 4》的规定。
5.用于 A、B 级管道且启闭频繁的楔式闸阀的密封面材质,应选用硬质合金材料。
6.对输送腐蚀性介质管道阀门的主要零件材料如有特殊要求时,应在订货时提出。
7.与阀盖分开的合金钢,不锈钢制阀门支架材料,应为碳钢或按订货要求确定。
8.阀门填料和垫片的生产厂,必须经有关密封检测单位对其产品进行性能测试,技术性能应符合以下规定:•垫片本体表面不应有伤痕,凹凸不平和锈斑等缺陷;•非金属带应均匀突出于金属带,并应光洁平整;•垫片不得进行预压或其他加工,焊点不应有虚焊和过烧等缺陷。
阀门常用材料使用温度范围及核级材料一、壳体常用材料的使用温度范围11国产材料(表33-11)表表33-11国产材料的使用温度范围名称铸件锻件说明牌号使用温度(℃)牌号使用温度(℃)灰铸铁HT200HT250-15~250——用于PN≤1.6MPa的低压阀门黑心可锻铸铁KTH300—06KTH350—10-15~250——用于PN≤2.5MPa的中低压阀门球墨铸铁QT400—18QT500—7QT900—2-30~350——用于PN≤4.0MPa的中低压阀门碳素钢WCB-29~42520、25-29~425用于中高压阀门,16Mn、30Mn常用来代ASMEA105低温碳钢LCB-46~345——用于低温阀合金钢WC6WC9-29~595-29~59515CrMo25Cr2MoV-29~595-29~595用于非腐蚀性介质的高温高压阀C5C12-2~6501Cr5Mo-29~650用于腐蚀性介质的高温高压阀奥氏体不锈钢ZG00Cr18Ni1ZG0Cr18Ni9ZG1Cr18Ni12Mo2TiZG1Cr17Mn9Ni14Mo3Cu2NZG1Cr 18Mn13Mo2CuN-196~60000Cr18Ni100Cr18Ni91Cr18Ni90Cr18Ni9Ti1Cr18Ni9Ti00Cr17Ni14Mo20 Cr18Ni12Mo2Ti-196~600用于腐蚀性介质CF8CF8MCF3CF3MCF8CCN7M—304316304L316L321B462蒙乃尔合金——(NCu28—2.5—1.5)-29~450主要用于含氢氟介质铸铜合金ZCuSn5Pb5Zn55-5-5锡青铜ZCuSn10Zn210-2锡青铜ZCuAI9Mn39-2锡青铜ZCuAl10Fe39-3锡青铜-273~200——主要用于氧气管路22美国MASTM材料(表33-22)表表33-22美国MASTM材料的使用温度范围ANSIB16.34材料分类号标准钢号锻件铸件说明代号使用温度(℃)代号使用温度(℃)1.1碳钢A105-29~425A216—WCB-29~4251.A105、WCB、WCC、长时期处在425℃以上高温时,碳钢的碳化相可能变成石墨相2.F1、WC1长时期处在470℃以1.2碳钢——A216—WCC-29~4252-1/2Ni——A352—LC2-29~3453-1/2NiA350—LF3-29~370A352—LC3-29~3451.3碳钢——A352—LCB-46~3451.4碳钢A350—LF1-29~345——1.5C-1/2MoA182—F1-29~455A217—WC1-29~455——A352—LC1-59~3451.71/2Cr—1/2MoA182—F2-29~540——上高温时,碳钼钢的碳化物相可能变成石墨相3.WC1、WC4、WC5、WC6、WC9、C5、C12仅用于正火和回火材料4.CF8使用温度或焊接温度超过260℃,不得采用含铅牌号的材料5.F304、F316、CF8M、F321、F347、CF8C、F348、CH8、CH20、F310、CK20如果含碳量超过或等于0.04%,温度超过540℃才使用Ni—Cr-1/2Mo——A217—WC4-29~540Ni—Cr-1Mo——A217—WC5-29~5651.91Cr—1/2MoA182—F12-29~595——1-1/4Cr—1/2MoA182—F11-29~595A217~WC6-29~5951.102-1/4Cr—1MoA182—F22-29~595A217~WC9-29~5951.113Cr—MoA182—F21-29~595——1.135Cr—1/2MoA182—F5a-29~650~540——A182—F5-29~650~540—-29~6501.149Cr—1MoA182—F9-29~650~540A217~C12—2.118Cr—8NiA182—F304-254~800~540——A182—F304H-254~800~540—-254~425A351~CF3-254~800A351~CF82.216Cr-12Ni-2MoA182-F316-254~800~540——6.F310工作温度565℃或大于上述温度者,必须保证晶粒不低于ASTMNo.6的规定7.B462B160-No2200仅用退火的材料-7M仅用固溶处理的材料A182-F316H-254~800~540——18Cr-13Ni-3Mo——A351-CF3A-254~345——A351-CF8A-254~34518Cr-9Ni-2Mo——A351-CF3M-254~455——A351-CF8M-254~800~5402.318Cr-8NiA182-F304L-254~425——18Cr-12Ni-2MoA182-F316L-254~450——2.418Cr-10Ni-TiA182-F321-254~540——A182-F321H-254~800~540——2.518Cr-10Ni-NbA182-F347-254~540——A182-F347H-254~450——A182-F348-254~540——A182-F348H-254~450——2.620Cr-12Ni——A351-CH8-29~800~540——A351-CH20-29~800~5402.725Cr-20NiA182-F310—A351-CK20-29~800~5403.1Cr-Ni-Fe-MoB462-29~450A351-CN-7M -29~4503.2镍合金200B160-No2200-29~450——二、核22、33级设备用法、中、美相应材料对照表(表33-33)序号材料类型RCC-M法国中国美国1碳钢铸件M111220MN5MZG275-485HGB7659-87WCB、WCCASTMA216/A216M-89220MN5MZG230-450HZG275-485HGB7659-87WCA、WCBASTMA216/A216M-893碳钢锻件M1122A42APNFA36-60120JB4726-94Ⅰ类ASTMA765/A765M-904A48APNFA36-60116MnJB4726-94Ⅱ类ASTMA765/A765M-905压力容器用碳钢钢板M1131A37、NFA36-205 55(380)、60(415)ASTMA515/A515M-90ASTMA516/A516M-906A52NFA36-20565(450)、70(485)ASTMA515/A515M-90ASTMA516/A516M-907结构用碳钢板材或型材M1134E242NENFA35-501Q235-BGB700-8855(380)ASTMA6663/A663M-90a8E243NFA35-501Q235-CGB700-8860(415)ASTMA675/A675M-90aB级ASTMA283A283M-949E244NFA35-501Q235-DGB700-8858级(400)ASTMA573/A573M-9010E282NEE283E284NFA35-50120MnGB711-88GB699-8870(485)、75(515)ASTMA675A675M-90aB级ASTMA662A662M-9011E362NENFA35-501Q345B、Q390BGB/T1591-94 12E363NFA35-501Q345C、Q390CGB/T1591-9450(345)ASTMA572A572M-9113E364NFA35-501Q345D、Q390DGB/T1591-94 14碳钢无缝钢管M1141NFA49-21320GGB5310-1995BASTMA106-9115碳钢无缝钢管M1141NFA49-21325MnGGB5310-1995牌号ASTMA714-89a16M1143TUE220NFA49-21110GB8163-87牌号Ⅰ和牌号ⅡASTMA524-8917NFA49-21120MnGGB5310-1995牌号BASTMA106-9118碳钢电焊钢管M1142TS37b(TSE235A)NFA49-142Q235BGB/T13793-92牌号BASTMA487/A487M-9121Z5CN12-01CA15ASTMA217/A217M-91ASTMA487/A487M-91ASTMA743/A743M-92aCA15MASTMA487/A487M-91ASTMA743/A743M-92a22不锈钢锻轧件M3202Z12C13GB1220-92JB4728-94(S41000)ASTMA479/A479M-91aF6ASTMA328923Z20C132Cr13GB1220-92420ASTMA276-91a24Z5CND13-04S41500(UNS)ASTMA276-91a25钢板M3203Z10C131Cr13GB4237-92410SASTMA176-9026不锈钢锻件M3204Z5CND13-04S41500(UNS)ASTMA473-91a27M3205Z12CN13414ASTMA473-91a28不锈钢锻轧棒M3206Z100CD179Cr18MoGB1220-92440CASTMA276-91a29Z6CNU17-040Cr17Ni4Cu4NbGB1220-92630ASTMA564/A564M-9130不锈钢钢管M3207Z12C131Cr13GB/T14975-94MT410ASTMA511-9031不锈钢铸件M3208Z5CND13-04ZG0Cr13Ni4MoJB/ZQ4299-86CA6NMASTMA487/A487M-9132Z6CNU17-04ZG0Cr17Ni4Cu4NbGB2100-80CB7Cu-1ASTMA747/A747M-8933不锈钢锻件M3301Z6CN18-10Z5CN18-100Cr18Ni9JB4728-94304ASTMA473-91a34Z2CN18-1000Cr19Ni10JB4728-94304LASTMA473-91a35Z2CN19-1036Z6CNNb18-110Cr18Ni11NbJB/T6398-92348ASTMA473-91a37Z8CNT18-110Cr18Ni10TiJB4728-94321ASTMA473-91a38Z6CND17-12Z5CND17-120Cr17Ni12Mo2JB4728-94316ASTMA473-91a39Z2CND17-1200Cr17Ni14Mo2JB4728-94316LASTMA473-91a40Z2CND18-1241不锈钢无缝钢管M3303Z5CN18-100Cr18Ni9GB13296-91TP304ASTM A213/A213M-91a42Z2CN18-1000Cr19Ni10GB13296-91TP304LASTMA213/A213M-91a43Z5CND17-120Cr17Ni12Mo2GB13296-91TP316ASTM A213/A213M-91a44Z2CND17-1200Cr17Ni14Mo2GB13296-91TP316LASTMA213/A213M-91a45M3304Z6CN18-10Z5CN18-100Cr18Ni9GB/T14975-94GB/T14976-94TP304MT304ASTMA312/A312M-91bASTMA511-9046Z2CN18-1000Cr19Ni10GB/T14975-94GB/T14976-94TP304LMT304LASTMA312/A312M-91bASTMA511-9047不锈钢无缝钢管M3304Z6CND17-12Z5CND17-120Cr17Ni12Mo2GB/T14975-94GB/T14976-94TP316、MT316ASTM A312/A312M-91bASTMA511-9048Z2CND17-1200Cr17Ni14Mo2GB/T14975-94GB/T14976-94TP316L、MT316LASTMA312/A312M-91bASTMA511-9049Z2CND19-1050Z2CND18-1251不锈钢锻轧棒M3306Z6CN18-10Z5CN18-100Cr18Ni9GB1220-92304ASTMA276-91a52Z2CN18-1000Cr19Ni10GB1220-92304LASTMA276-91a53Z2CN19-1054Z6CNNb18-110Cr18Ni11NbGB1220-92347ASTMA276-91a55Z6CNN18-110Cr18Ni10TiGB1220-92321ASTMA276-91a56Z6CND17-12Z5CND17-120Cr17Ni12Mo2GB1220-92316ASTMA276-91a57Z2CND17-1200Cr17Ni14Mo2GB1220-92316LASTMA276-91a58Z2CND18-1259Z8CNDT18-120Cr18Ni12Mo2TiGB1220-92316TiASTMA276-91a60Z8CNDNb18-12316CbASTMA276-91a61不锈钢钢板M3307Z6CN18-10Z5CN18-100Cr18Ni9GB3280-92GB4237-92304ASTMA167-91ASTMA240-92b62Z2CN18-1000Cr19Ni10GB3280-92GB4237-92304LASTM A167-91ASTMA240-92b63Z6CN19-10序号材料类型RCC-M法国中国美国64不锈钢钢板M3307Z6CNNb18-110Cr18Ni11NbGB3280-92GB4237-92348ASTMA167-91ASTMA240-92b65Z8CNT18-110Cr18Ni10TiGB3280-92GB4237-92321HASTMA167-91ASTMA240-92b66Z6CND17-12Z5CND17-120Cr17Ni12Mo2GB3280-92GB4237-92316ASTMA167-91ASTMA240-92b67Z2CND17-1200Cr17Ni14Mo2GB3280-92GB4237-92316LASTMA167-91ASTMA240-92b68Z2CND18-1269Z8CNDT18-120Cr18Ni12Mo2TiGB3280-92GB4237-92316TiASTM A167-91ASTMA240-92b70Z8CNDNb18-12316CbASTMA167-91ASTMA240-92b71不锈钢钢棒M3308Z6CND17-120Cr17Ni12Mo2GB1220-92B8M、B8M2ASTMA193/A193M-91a72Z2CND17-1200Cr17Ni14Mo2GB1220-92316LASTM A276-91a73不锈钢锻件M3311Z2CN18-1000Cr19Ni10JB4728-94F304LASTMA336/A336M-8974Z2CND17-1200Cr17Ni14Mo2JB4728-94F316LASTM A336/A336M-8975不锈钢卷焊管M3319Z5CN18-10TP304ASTMA249/A249M-8976Z2CN18-10TP304LASTMA249/A249M-9177Z5CND17-12TP316ASTMA249/A249M-9178Z2CND17-12TP316LASTMA249/A249M-9179Z6N18-10Z5N18-100Cr19Ni9GB12770-91GB12771-91TP304ASTM A312/A312M-90b80不锈钢卷焊管M3320Z2CN18-1000Cr19Ni11GB12770-91GB12771-91TP304LASTMA312/A312M-90b81Z6CND17-12Z5CND17-120Cr17Ni12Mo2GB12770-91GB12771-91TP316ASTMA312/A312M-90b82Z2CND17-1200Cr17Ni14Mo2GB12770-91GB12771-91TP316LASTMA312/A312M-90b83不锈钢铸件M3401Z3CN20-09MZ0Cr19Ni9EJ467-89CF8ASTMA743/A743M-92a84M3402Z3CN20-09MCF8、CF8AASTMA351/A351M-91a85Z3CND19-10MCF8MASTMA351/A351M-91a86M3403Z3CND19-10MCF8MGB12230-89CF8MASTM A743/A743M-92a87M3405Z3CN20-09M20Cr19Ni9EJ467-89CF8ASTM A743/A743M-92a88不锈钢铸管M3406Z3CN20-09MCPF8、CPF8AASTMA451-9189螺钉紧固件、驱动杆和动轴、拉杆和支撑螺栓用棒材某C18NFA35-55220GB699-881017、1020ASTMA576-90b90某C25NFA35-55225GB699-881025ASTMA576-90b91某C32NFA35-55230GB699-881030ASTMA576-90b92某C38H1NFA35-55235GB699-881038ASTMA576-90b93某C38H2NFA35-55235MnGB699-881037ASTMA576-90b94某C42H1NFA35-55240GB699-881042ASTMA576-90b95某C42H2NFA35-55240MnGB699-881037ASTMA576-90b96某C48H1NFA35-55245GB699-881045、1049ASTMA576-90b97螺钉紧固件、驱动杆和传动轴、拉杆和支撑螺栓用棒材M5110M5150某C48H2NFA35-55245MnGB699-881548ASTMA576-90b98某C55H1NFA35-55255GB699-881055ASTMA576-90b99某C55H2NFA35-55250MnGB699-881053ASTMA576-90b10020M5NFA35-5521518ASTMA576-90b10135M5NFA35-5521536ASTMA576-90b10240M6NFA35-5521541ASTMA576-90b10320MC5NFA35-55220CrMoGB3077-8810438C2NFA35-5525140HASTMA304-9010542C2NFA35-5525145HASTMA304-9010632C4NFA35-55230CrGB3077-885130HASTMA304-9010842C4NFA35-55240CrGB3077-885145HASTMA304-9010925CD4NFA35-55220CrMoGB3077-884130HASTMA304-9011030CD4NFA35-55230CrMoGB3077-884130HASTMA304-9011238D4NFA35-55235CrMoGB3077-884137HASTMA304-9011350CV4NFA35-55250CrVAGB3077-886150HASTMA304-9011430NCHNFA35-55230CrNiGB3077-8811540CAD612NFA35-55238CrMoAlGB3077-88116螺钉紧固件、驱动杆和传动轴拉杆和支撑螺栓用棒材M5110M515021B3NFA35-55215B21HASTMA304-9011738B3NFA35-55240BGB3077-8811820MB5NFA35-55215B21HASTMA304-9011938MB5NFA35-55240MnBGB3077-8815B37HASTMA304-9012038CB1NFA35-55250B40HASTMA304-9012119NCDB2NFA35-55294B17HASTMA304-90122螺钉和驱动杆用棒材M511042CD440CrMoAGB3077-88B22ASTMA540/A540M-8912342CDV4B21ASTMA540/A540M-89124Z12C131Cr13GB1220-92B6、B6某ASTMA193/A193M-91a125Z6CN18-10Z5CN18-100Cr18Ni9GB1220-92B8、B8PASTMA193/A193M-91a126Z6CND17-12Z5CND17-120Cr17Ni12Mo2GB1220-92B8M、B8M2、B8M3ASTMA193/A193M-91a127Z12CNDV12-02某M-32ASTMA565-91128Z6CNU17-040Cr17Ni4Cu4NbGB1220-92630ASTMA564/A564M-91129Z6NCTDV25150Cr15Ni25Ti2MoA1VBGB1221-92660ASTMA453/A453M-88a130螺母用棒材M512042CD442CrMoAGB3077-887、7MASTMA194/A194M-91131Z6CN18-10Z5CN18-100Cr17Ni9GB1220-928、8AASTMA194/A194M-91132Z6CND17-12Z5CND17-120Cr17Ni12Mo2GB1220-928M、8MAASTMA194/A194M-91133某C42H1某C42H245GB699-882H、2HMASTMA194/A194M-91134Z12C131Cr13GB1220-926ASTM7级ASTMA470-8913640NCD7.0340CrNiMoAGB3077-88B24ASTMA540/A540M-89137轴承钢M5160100NCD7.352100.3(AISI)ASTMA535-85141低合金钢锻件M517016MND518MnNiMoGB/T15443-953级、3a级ASTMA508/A508M-88b3级ASTMA541/A541M-88a14220NCD127级ASTMA541/A541M-88a143弹簧M519020CV420CVAGB1222-8414451CDV460CrMnMoAGB1222-84ASTMA232/A232M-91145Z7CN18-090Cr18Ni9GB1220-920Cr19Ni10YB(T)11-83304ASTMA276-91aASTMA313-87146Z12CN18-091Cr18Ni9YB(T)11-83302ASTMA313-87147Z7CND17-11-020Cr17Ni12Mo2GB1220-92YB(T)11-83316ASTMA276-91aASTMA313-87148Z6CNT18-100Cr18Ni10TiGB1220-92321ASTMA276-91aASTMA313-87149NC18FeNbAGH1145EJ481-89 150NC19FeNbDIGH169AEJ481-89。
阀门的使用温度是由制造阀门的材质所确定的,
灰铸铁阀门-15~250℃
可锻铸铁阀门-15~250℃
球墨铸铁阀门-30~350℃
WCB碳钢,-30~425°C
CF8,304不锈钢,ASTM A351,-268~425°C,425°C需指定含碳量0.04%°C
CF8M对应316不锈钢,-268~425°C,含碳量0.04%以上可达到649°C
CF3对应304L不锈钢,425°C
CF3M对应316L不锈钢,~425°C
塑料阀门(尼龙)最高使用温度100℃
WCB 铸的碳钢,标准为ASTM A216/A216M
A105与A216WCB的区别:都是碳钢,
WCB是铸钢,适用于大口径中低压阀门。
A105是锻钢,适用于小口径阀门或高压阀门
WCB是铸造的碳钢,A105是锻造的碳钢,都是用做阀门阀体的,铸造的阀体可能有气泡砂眼等瑕疵,锻造致密性更好一些,能减少气泡砂眼等。
一般用WCB或WCC(含C量不一样)做阀体,对一些要求比较高的场合,比如减温减压器,如果温度不超过427摄氏度,就常用A105,锻造工艺比铸造工艺少沙眼气孔,更适合使用在天然气球阀上。
但A105阀门整体成本上比WCB 高很多,A216—WCB 美标材料牌号,A216代表碳钢大类,旗下常用的牌号有:A216—WCA/B/C、A216—WC9、A216—WC6、A216—WCC等W的含义是“weld—焊接”代表此钢材有很好的焊接性能,C的含义是“碳—碳钢”,基本牌号有ABC三种,A最差C最好,B中等且最常用。
阀门材质的适用范围以及适用温度(1)材质: WCB碳钢ASTM A216使用范围:无腐蚀性应用,包括水、油、气使用温度:-30度至+425度(2)材质: LCB低温碳钢ASTM A352使用范围:低温应用,温度低至-46度使用温度:不能用于温度高于+340度的场合(3)材质: LC3 3.5%镍钢ASTM A352使用范围:低温应用,温度低至-101度使用温度:不能用于温度高于+340度的场合(4)材质: WC6 1.25%铬0.5%钼钢ASTM A217 使用范围: 无腐蚀性应用,包括水、油、气使用温度:-30度至+593度(5)材质: WC9 2.25铬ASTM A217使用范围: 无腐蚀性应用,包括水、油等级WC9和气使用温度:-30度至+593度(6)材质: C55%铬0.5%钼ASTM A217使用范围: 轻度腐蚀性或侵蚀性应用及无腐蚀性应用使用温度:-30度至+649度(7)材质: C129%铬1%钼ASTM A217使用范围: 轻度腐蚀性或侵蚀性应用及无腐蚀性应用使用温度:-30度至+649度(8)材质: CA6NM(4)12%铬钢ASTM A487使用范围:腐蚀性应用使用温度:-30度至+482度(9)材质: CA15(4)12%铬ASTM A217使用范围:腐蚀性应用使用温度:高达+704度(10)材质: CF8M316不锈钢ASTM A351使用范围:腐蚀性或超低温或高温无腐蚀性应用使用温度:-268度+649度温度+425度以上要指定碳含量0.04%及以上(11)材质: CF8C347不锈钢ASTM A351使用范围:腐蚀性应用使用温度:-268度+649度温度+540度以上要指定碳含量0.04%及以上(12)材质: CF8304不锈钢ASTM A351使用范围:腐蚀性或超低温或高温无腐蚀性应用使用温度:-268度+649度温度+425度以上要指定碳含量0.04%及以上(13)材质: CF3304L不锈钢ASTM A351使用范围:腐蚀性或无腐蚀性应用使用温度:高达+425度(14)材质: CF3M316L不锈钢ASTM A351使用范围:腐蚀性或无腐蚀性应用使用温度:高达+454度(15)材质: CN7M合金钢ASTM A351使用范围:具有很好的抗热硫酸腐蚀性能使用温度:高达+425度(16)材质: M35-1蒙乃尔ASTM A494使用范围:可焊接等级.具有很好的抗所有普通有机酸和盐水腐蚀的性能.也具有很高的抗大多数碱性溶液腐蚀的性能使用温度:高达+400度(17)材质: N7M哈斯特镍合金B ASTM A494使用范围:特别适用于处理器各种浓度和温度的氢氟酸.具有很好的抗硫酸和磷酸腐蚀的性能使用温度:高达+649度(18)材质: CW6M哈斯特镍合金C ASTM A494使用范围:具有很好的抗强氧化环境腐蚀的性能,在高温下具有很好的特性,对甲酸(蚁酸)、磷酸、亚硫酸和硫酸具有很高的抗腐蚀性能.使用温度:高达+649度(19)材质: CY40因科镍合金ASTM A494使用范围:在高温应用中表现很好,对于强腐蚀流体介质具有很好的抗腐蚀性能.使用温度:(20)材质: 灰铸铁灰铸铁适用公称压力PN≤2.5MPa常用牌号:KTH300-06KTH330-08KTH350-10使用温度:-10度至200度的水、蒸气、空气、煤气及油品等介质.(21)材质: 可锻铸铁灰铸铁适用公称压力PN≤2.5MPa 常用牌号:KTH300-06KTH330-08KTH350-10使用温度:-30度至300度的水、蒸气、空气及油品等介质.阀门的使用温度表阀门使用温度灰铸铁阀门-15至250度可锻铸铁阀门-15至250度球墨铸铁阀门-30至350度高镍铸铁阀门最高使用温度为400度碳素钢阀门-29至450度在JB/T3595-93 标准中推荐使用温度t<425度ICr5Mo 合金钢阀门最高使用温度为550度12CrMoV A合金钢阀门最高使用温度为570度ICr18Ni9Ti ICr18Ni12Mo2Ti不锈钢阀门-196至600度。
用于 碳刚:1 , WCBA105),使用温度在—29C 〜427C,主要适用介质有水、蒸汽、空气,以及油产品等。
合金钢:1, WC1( F1),使用温度在—29 C 〜454 C,主要适用介质有蒸汽、石油产品等(主要 高温高压阀)。
2, C5 ( F5),使用温度在—29C 〜650C ,主要适用介质有蒸汽、石油产品等(主要用于高 温咼压阀)。
3, WC6( F11),使用温度在—29C 〜552 C ,主要适用介质有蒸汽、石油产品等(主要用于 高温高压阀)。
4, WC9( F22),使用温度在—29C 〜595C ,主要适用介质有蒸汽、石油产品等(主要用于 高温高压阀)。
不锈钢:1, CF8 ( 304),使用温度在—196C 〜800C ,主要适用介质有硝酸类等腐蚀性介质。
2, CF8(316),使用温度在—196C 〜800C ,主要适用介质有醋酸类及尿素等腐蚀性介质。
3,CF3 ( 304L),使用温度在—196C 〜425C ,主要适用介质有硝酸类等腐蚀性介质 4, CF3( 316L),使用温度在—196 C 〜455C ,主要适用介质有醋酸类及尿素等腐蚀 介质 低温用碳素钢:1, LCB( LF1),使用温度在—46C 〜345C ,主要适用介质有蒸汽、石油产品等(主要用于低温阀)。
还有20号合金钢和蒙奈尔合金钢等材质。
标准标准名称GB12220- 89通用阀门标志GB12221- 89法兰连接金属阀门结构长度GB12222- 89多回转阀门驱动装置的连接GB12223- 89部分回转阀门驱动装置的连接GB12224- 89钢制阀门一般要求GB12225- 89通用阀门铜合金铸件技术条件GB12226- 89通用阀门灰铸铁件技术条件GB12227- 89通用阀门球墨铸铁件技术条件G B12228-89通用阀门碳素钢锻件技术条件GB12229- 89通用阀门碳素钢铸件技术条件GB12230- 89通用阀门奥氏体钢铸件技术条件GB12232- 89通用阀门法兰连接铁制闸阀GB12233- 89通用阀门铁制截止阀与升降式止回阀GB12234 89通用阀门法兰和对焊焊连接铜制闸阀GB12235- 89通用阀门法兰连接钢制截止阀和升降式止回阀GB12236- 89通用阀门钢制旋启式止回阀GB12237- 89通用阀门法兰和对焊连接钢制球阀GB12238- 89通用阀门法兰和对夹连接蝶阀GB12239- 89通用阀门隔膜阀GB12240- 89通用阀门铁制旋塞阀GB12241- 89安全阀一般要求GB12242- 89安全阀性能试验方法GB12243- 89弹簧直接载荷式安全阀GB12244- 89减压阀一般要求GB12245- 89减压阀性能试验方法GB12246- 89先导式减压阀GB12247- 89蒸汽疏水阀分类GB12248- 89蒸汽疏水阀术语GB12249- 89蒸汽疏水阀标志筑龙网GB12250- 89蒸汽疏水阀结构长度GB12251- 89蒸汽疏水阀试验方法GB/T13927-92通用阀门压力试验GB/T13932-92通用阀门铁制旋启式止回阀GB/T15185-94铁制和铜制球阀GB/阀门的结构长度对焊连接阀门GB/阀门的结构长度对夹连接阀门GB/阀门的结构长度内螺纹连接阀门GB/阀门的结构长度外螺纹连接阀门JB93 -91 手柄JB94 -91 扳手JB106-78阀门标志和识别涂漆JB308-75阀门型号编制方法JB309-75闸阀参数JB311-75止回阀参数JB312-75旋塞阀参数JB/T450-92 ~ 锻造角式高压阀门,管件,紧固件,技术条件JB451-64杠杆式安全阀技术条件JB610-79疏水阀参数JB1308 -73 Pg(2500kgf/cm2) 阀门型式与基本参数JB1309 -73 pg(2500kgf/cm2) 阀门管件和紧固件技术要求JB1681 -75 截止阀参数JB1682 -75 节流阀参数JB1683 -75 球阀参数JB1684 -75 蝶阀参数JB1685 -75 隔膜阀参数JB/T1691-92阀门结构要素阀杆头部尺寸JB1692 -91 伞行手轮JB1693 -91 平行手轮JB1694 -91 阀杆螺母(一) JB1695 -91 阀杆螺母(二)JB1696 -91 阀杆螺母(三)JB1698 -91 阀杆螺母(五)筑龙网JB1699 -91 阀杆螺母(四)锁紧螺母(一-)锁紧螺母(: 二)JB1701 -91 阀杆螺母(六)轴承压盖(一-)轴承压盖(: 二)JB1703 -91 衬套JB1706 -91 压套螺母JB1708 -91 填料压盖JB1709 -91 T 型螺栓JB1712 -91 石棉填料JB1713 -91 填料垫(一)JB1716 -91 填料垫(二)JB/T1717-92 阀门结构要素上密封座尺寸JB1718 -91 垫片(一)JB1719 -91 垫片(二)JB1720 -91 垫片(三)JB1721 -91 垫片(四)JB1726-91 阀瓣盖JB1727-91 对开圆环JB1728-91 止退垫圈JB/T1732-92 阀门结构要素锥形密封面尺寸JB/T1733-92 阀门结构要素阀体铜密封面尺寸JB/T1734-92 阀门结构要素闸板和阀瓣铜密封面尺寸JB1735 -91 底阀阀瓣密封圈JB1736 -91 旋启式止回阀阀瓣密封圈JB1737 -91 旋启式止回阀阀瓣密封圈压板JB/T1738-92 阀门结构要素式闸阀阀体闸板导轨和导轨槽尺寸JB/T1739-92 阀门结构要素式闸阀阀体密封面间距和角尺寸JB/T1740-92 阀门结构要素式闸板密封面尺寸JB1741 -91 顶心JB1742 -91 调整垫JB1747 -91 填料压环筑龙网JB1749 -91 氨阀阀瓣JB/T1750-92 阀门结构要素氨阀阀体密封面尺寸JB/T1751-92 阀门结构要素承插焊连接和配管端部尺寸JB/T1752-92 阀门结构要素外螺纹连接端部尺寸JB1753 -91 接头垫JB1754 -91 接头JB1755 -91 接头螺母JB/T1756-92 阀门结构要素卡套连接端部尺寸JB1757 -91 卡套JB1758 -91 卡套螺母JB1759 -91 轴套JB1760 -91 六角螺塞JB1761 -91 螺塞垫JB/T1762-92 阀门结构要素板体尺寸JB2202 -77 弹簧式安全阀参数JB2203 -77 弹簧式安全阀结构长度JB2205 -77 减压阀结构长度JB2206 -77减压阀技术条件JB2311 -78 球阀技术条件JB2765 -81 阀门名词术语JB2766 -92 〜锻造高压阀门结构长度JB/T2768-92 〜管子、管件、阀门端部尺寸JB/T2769-92 〜螺纹法兰JB/T2770-92 〜接头螺母JB/T2771-92 〜接头JB/T2772-92 〜盲板JB/T2773-92 〜双头螺柱JB/T2774-92 〜阶端双头螺柱及螺孔尺寸JB/T2775-92 〜螺母JB/T2776-92 〜透镜垫JB/T2777-92 〜无孔透镜垫JB/T2778-92 〜管件和紧固件温度标记JB2920 -81 阀门电动装置型式、基本参数和连接尺寸筑龙网JB2986 -81 旋塞阀技术条件JB3328 -83 气瓶阀和管路阀JB3339-83 小型医用气瓶框式阀的连接尺寸填料压套(「一)填料压套(二)填料压套(三)JB5207 -91 填料压板JB5208 -91 隔环JB5209 -91 塑料填料JB5210 -91 上密封座JB5211 -91 闸阀阀座JB/T5296-91 通用阀门流量系数和流阻系数的试验方法JB/T5298-91 管线用钢制平板闸阀JB/T5299-91 通用阀门液控蝶式止回阀JB/T5300-91 通用阀门材料JB/T6438-92 阀门密封面等离子弧堆焊技术要求JB/T6439-92 阀门受压铸钢件磁粉探伤检验JB/T6440-92 阀门受压铸钢件射线照相检验JB/T6441-92 压缩机用安全阀JB/T6495-92 阀门结构要素闸板(或阀瓣)T型槽尺寸JB/T6496-92 阀门结构要素填料函尺寸JB/T6497-92 阀门结构要素阀杆端部尺寸JB/T6498-92 阀门结构要素阀瓣与阀杆连接槽尺寸JB/T6899-93 阀门的耐火试验JB/T6900-93 排污阀JB/T6901-93 封闭式眼睛阀JB/T6902-93 阀门铸钢件液体渗透检查方法JB/T6903-93 阀门锻钢件超声波检查方法JB/T6904-93 气瓶阀的检验与试验JB/T7248-94 阀门用低温钢铸件技术条件JB/T7744-95 阀门密封面等离子弧堆焊用合金粉末JB/T7745-95 管线球阀JB/T7746-95 缩径锻钢阀门筑龙网JB/T7747-95 针形截止阀JB/T7748-95 阀门清洁度和测定方法JB/T7749-95 低温阀门技术条件JB/T7927-95阀门铸钢件外观质量要求JB/T7928-95通用阀门供货要求JB/Z243-85闸阀静压寿命试验规程JB/Z244-85截止阀静压寿命试验规程JB/Z245-85旋塞阀静压寿命试验规程JB/Z246-85球阀静压寿命试验规程JB/Z247-85阀门电动装置寿命试验规程JB/Z248-85蝶阀静压寿命试验规程ZBJ16002-87 阀门电动装置技术条件ZBJ16004-88 减压阀型式与基本参数ZBJ16006-90 阀门的试验与检验ZBJ16007-90 蒸汽疏水阀技术条件ZBJ16008-90 液化石油气设备紧急切断阀技术条件ZBJ16009-90 阀门气动装置技术条件JB/T8473-96 仪表阀组JB/T8528-97 普通型阀门电动装置技术条件JB/T8527-97 金属密封蝶阀JB/T8529-97 隔爆型阀门电动装置技术条件JB/T8530-97 阀门电动装置型号编制方法JB/T8531-97 阀门手动装置技术条件JB/T8670-97YBDF2系列阀门电动装置用隔爆型三相异步电动机技术。
常用阀门材料、成分及使用温度1.铸造碳钢ASTM A216 等级 WCC温度范围 =-20 至800°F(-29 至427℃) 成份(百分比)C 0.25 最大Mn 1.2 最大P 0.04 最大S 0.045 最大Si 0.6 最大2.铸造碳钢ASTM A352 等级 LCC温度范围 =-50 至650°F(-46 至343℃) 成份-同 ASTM A216 等级 WCC3.圆棒碳钢AISI 1018,UNS G10180温度范围 =-20 至800°F(-29 至427℃)成份(百分比)C 0.15 至 0.2Mn 0.6 至 0.9P 0.04 最大S 0.05 最大4.铅钢圆棒AISI 12L14,UNS G12144温度范围=-20 至800°F(-29 至427℃) 成份(百分比)C 0.15 最大Mn 0.85 至 1.15P 0.04 至 0.09S 0.26 至 0.35Pb 0.15 至 0.355.AISI 4140 铬 - 钼钢(类似于 ASTM A193 等级 B7 螺栓材料) 温度范围=-55°F 至1000°F(-48 至538℃)成分P 0.035 最大S 0.035 最大Si 0.15 至 0.35Cr 0.8 至 1.1Mo 0.15 至 0.25Fe 其余6.锻造 3-1/2% 镍钢ASTM A352 等级 LC3温度范围 =-150 至650°F(-101 至343℃) 成份(百分比) C 0.15 最大Mn 0.5 至 0.8P 0.04 最大S 0.045 最大Si 0.6 最大Ni 3.0 至 4.07.铸造铬-钼钢ASTM A217 等级 WC6温度范围 =-20 至1100°F(-29 至593℃) 成份(百分比) C 0.05 至 0.2Mn 0.5 至 0.8P 0.04 最大 S 0.045 最大 Si 0.60 最大Cr 1.0 至 1.5Mo 0.45 至 0.658.铸造铬-钼钢ASTM A217 等级 WC9温度范围 =-20 至1100°F(-29 至593℃) 成份(百分比) C 0.05 至 0.18Mn 0.4 至 0.7P 0.04 最大S 0.045 最大9.锻造铬-钼钢ASTM A182 等级 F22温度范围 =-20 至1100°F(-29 至593℃) 成份(百分比) C 0.05 至 0.15Mn 0.3 至 0.6P 0.04 最大S 0.04 最大 Si 0.5 最大 Cr 2.0 至 2.5Mo 0.87 至 1.1310.铸造铬-钼钢ASTM A217 等级 C5温度范围 =-20 至1200°F(-29 至649℃) 成份(百分比) C 0.2 最大Mn 0.4 至 0.7P 0.04 最大S 0.045 最大Si 0.75 最大Cr 4.0 至 6.5Mo 0.45 至 0.6511.302 型不锈钢ASTM A479 等级 UNS S30200温度范围=-325 至1500°F(-198 至 816℃) 成份(百分比) C 0.15 最大Mn 2.0 最大P 0.045 最大S 0.03 最大Si 1.0 最大Cr 17.0 至 19.0Ni 8.0 至 10.0N 0.1 最大Fe 其余温度范围 =-425 至800°F(-254 至427℃) 成份(百分比) C 0.03 最大Mn 2.0 最大P 0.045 最大S 0.03 最大Si 1.0 最大Cr 18.0 至 20.0Ni 8.0 至 12.0N 0.1 最大Fe 其余13.铸造 304L 型不锈钢ASTM A351 等级 CF3温度范围 =-425 至800°F(-254 至427℃) 成份(百分比) C 0.03 最大Mn 1.5 最大 Si 2.0 最大 S 0.03 最大P 0.045 最大Cr 18.0 至 21.0Ni 8.0 至 11.0Mo 0.50 最大14.316L 型不锈钢ASTM A479 等级 UNS S31603温度范围 =-425 至850°F(-254 至454℃) 成份(百分比) C 0.03 最大Mn 2.0 最大P 0.045 最大S 0.03 最大Si 1.0 最大Cr 16.0 至 18.0Ni 10.0 至 14.0Mo 2.0 至 3.0N 0.1 最大Fe 其余温度范围=-325 至1500°F(-198 至816℃);大于1000°F(538℃)时,需要 0.04 的碳成份(百分比)C 0.08 最大Mn 2.0 最大P 0.045 最大S 0.03 最大Si 1.0 最大Cr 16.0 至 18.0Ni 10.0 至 14.0Mo 2.0 至 3.0N 0.1 最大Fe 其余16.铸造 316 型不锈钢ASTM A351 等级 CF8M温度范围=-425 至1500°F(-254 至816℃);大于1000°F(538℃)时,需要 0.04 的碳成份(百分比)C 0.08 最大Mn 1.5 最大 Si 1.5 最大 P 0.04 最大S 0.04 最大Cr 18.0 至 21.0Ni 9.0 至 12.0Mo 2.0 至 3.017.317 型不锈钢ASTM A479 等级 UNS S31700温度范围=-325 至1500°F(-198 至816℃);大于1000°F(538℃)时,需要 0.04 的碳成份(百分比)C 0.08 最大 Mn 2.0 最大 P 0.045 最大S 0.03 最大Si 1.0 最大Cr 18.0 至 20.0Ni 11.0 至 15.0N 0.1 最大Fe 其余18.铸造 317 型不锈钢ASTM A351 等级 CG8M温度范围=-325至1000°F(-198 至538℃);大于1000°F(538℃),时需要 0.04 的碳成份(百分比)C 0.08 最大Mn 1.5 最大 Si 1.5 最大 P 0.04 最大S 0.04 最大Cr 18.0 至 21.0Ni 9.0 至 13.0Mo 2.0 至 3.019.410 型不锈钢ASTM A276 等级 S41000温度范围 = 退火,-20 至1200°F(-29 至649℃);热处理 38 HRC,-20 至800°F(-29 至427℃)成份(百分比)C 0.15 最大Mn 1.0 最大P 0.04 最大S 0.03 最大Si 1.0 最大Cr 11.5 至 13.5Fe 其余20.17-4PH 型不锈钢ASTM A564 等级 630,UNS S17400温度范围 =-20 至650°F(-29 至343℃)。
阀门阀体的常⽤材质以及阀体材质适⽤温度阀门阀体的常⽤材料料阀门阀体的常⽤材料料灰铸铁,⿊⼼可锻铸铁,球墨铸铁,碳素钢,低温碳钢,合⾦钢,奥⽒体不锈钢,蒙乃尔合⾦,铸铜合⾦,还有钛合⾦(钛阀)、铝合⾦(铝阀);塑料(塑料阀);陶瓷(陶瓷阀)等等。
螺杆泵⼚家阀体的常⽤材料及各种材料热处理分析,阀体的材料种类繁多,适⽤于各种不同的⼯况。
1、灰铸铁,适⽤于⼯作温度在-15~+200之间,公称压⼒PN≤1.6MPa的低压阀门。
2、⿊⼼可锻铸铁,适⽤于⼯作温度在-15~+250之间,公称压⼒PN≤2.5MPa的中低压阀门。
3、球墨铸铁,适⽤于⼯作温度在-30~+350之间,公称压⼒PN≤4.0MPa的中低压阀门。
4、碳素钢(WCA、WCB、WCC),适⽤于⼯作温度在-29~+425之间的中、⾼压阀门,其中16Mn、30Mn⼯作温度为-40~+450之间,常⽤来代替ASTMA105。
5、低温碳钢(LCB),适⽤于⼯作温度在-46~+345之间的低温阀门阀门。
6、合⾦钢(WC6、WC9),适⽤于⼯作温度在-29~+595之间的⾮腐蚀性介质的⾼温⾼压阀门;WC5、WC12适⽤于⼯作温度在-29~+650之间的腐蚀性介质的⾼温⾼压阀门。
污泥螺杆泵7、奥⽒体不锈钢,适⽤于⼯作温度在-196~+600之间的腐蚀性介质的阀门。
8、蒙乃尔合⾦,主要适⽤于含氢氟介质的阀门。
9、铸铜合⾦,主要适⽤于⼯作温度在-273~+200之间的氧⽓管路⽤阀门。
以上列举的是阀体常⽤材料中的⼤类,具体每类材料中,⼜有很多不同牌号,各种不同牌号⼜适⽤于各种不同的压⼒等级。
因此,在选择阀门的阀体材料时,应根据不同的⽤途和不同的压⼒等级,确定适合于⼯况需要的阀体材料。
氟塑料磁⼒泵⼚家此外,阀体材料还有钛合⾦(钛阀)、铝合⾦(铝阀);塑料(塑料阀);陶瓷(陶瓷阀)等等。