路基声屏障技术交底
- 格式:doc
- 大小:69.00 KB
- 文档页数:3
技术交底2路基左NXK378+050-NXK379+760 3 1710 43路基左SYDK337+874--SYDK338+300 3 426 54路基右SYDK337+874--SYDK338+300 3 426 55路基右SIYK378+200--SIYK379+200 3 1000 56路基左PXDK577+410--PXDK578+650 3 1240 47路基右ZXDK579+000--ZXDK+320 3 320 48路基右ZZDK576+100--ZZDK+750 3 350 59路基右ZZDK577+000--GCK0+300 3 335 4合计63072、声屏障技术要求(1)路基声屏障设置位于路肩最外侧,路基3m高直立式声屏障采用非金属插板式,并采用H型钢立柱固定声屏障插板,钢立柱与基础采用螺栓连接,相邻两处H型钢立柱间距为4m;声屏障插板尺寸为3.96m*0.5m*0.16m。
(2)路基声屏障基础包括钢筋混凝人工挖孔桩和钢筋混凝土连系梁挖孔桩间距4.0m,直径0.85m,桩长根据路基高度确定(路基高度小于1m时桩长4m,大于1m时桩长5m),混凝土强度等级C30,钢筋最小保护层厚度50mm;连系梁高度0.4m,宽度0.25m,混凝土强度等级C30,钢筋最小保护层厚度40㎜,连系梁每20m设置一处30mm宽伸缩缝,每4m设置一处泄水孔;连系梁钢筋,纵向上层钢筋锚入桩身,下层钢筋可穿过桩身直线连接,连梁底部换填150mm厚粗砂。
桩顶处连系梁混凝土在安装钢立柱后再进行浇筑。
(3)路基地段声屏障连续长度大于500m时设置安全门,安全门间距不大于500m,在桥路连接处、涵洞路基连接处对应的检修台阶设置安全门。
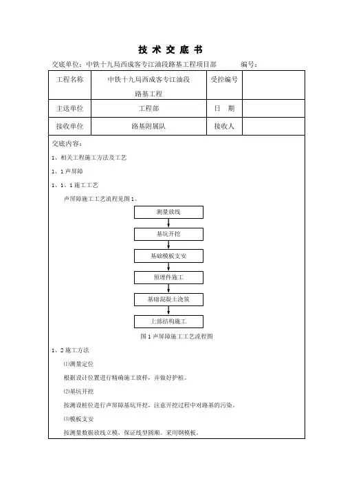
五、施工工艺流程及技术要求1、声屏障基础及连系梁施工(1)施工工艺施工时先桩后梁。
施工工艺流程见下图:安装示意图(2)二次混凝土浇筑H型钢立柱安装调整就位后,采用C20混凝土对预埋件处的连系梁进行二次浇筑。
一、工程名称:____________________二、施工部位:____________________三、施工内容:____________________四、交底时间:____________________五、交底人:____________________六、接受人:____________________一、工程概况1. 工程名称:____________________2. 施工地点:____________________3. 施工单位:____________________4. 施工内容:声屏障基础施工及声屏障安装。
二、安全技术措施1. 施工现场安全管理(1)施工前应进行安全检查,确保施工现场安全设施齐全、完好,并符合国家及地方安全标准。
(2)施工现场应设置明显的安全警示标志,警示内容包括:施工区域、危险区域、禁止区域等。
(3)施工现场应设置消防设施,确保消防设施完好、有效。
(4)施工现场应设置急救箱,配备必要的急救药品和器材。
2. 声屏障基础施工安全技术措施(1)施工人员必须佩戴安全帽、安全带等个人防护用品。
(2)基础施工前,应检查施工现场地质情况,确保基础施工安全。
(3)挖掘机、吊车等大型机械操作人员应持证上岗,严格遵守操作规程。
(4)挖掘、运输、安装过程中,应确保车辆、人员安全。
3. 声屏障安装安全技术措施(1)安装人员必须佩戴安全帽、安全带等个人防护用品。
(2)安装过程中,应确保施工人员与上方设备、线路等保持安全距离。
(3)安装时,应严格按照设计图纸和施工方案进行,确保安装质量。
(4)安装过程中,如遇特殊情况,应立即停止施工,并采取相应措施进行处理。
三、施工注意事项1. 施工过程中,应密切关注施工现场安全,发现安全隐患及时整改。
2. 施工人员应严格遵守操作规程,不得违章作业。
3. 施工过程中,应保持施工现场整洁,不得乱堆乱放材料、工具等。
4. 施工过程中,应确保施工人员身体健康,如发现身体不适,应立即停止施工,并采取相应措施。
技术交底书
图一:8m跨连系地梁正立面图
图二:12m跨连系地梁正立面图
图三:8m跨连系地梁断面
图四:8m跨连系地梁与桩连接图
图五:12m跨连系地梁断面
图六:12m跨连系地梁与桩连接图
表1:8m跨连系地梁材料表
表2:12m跨连系地梁材料表
图七:桩身图
图八:桩基础截面
表3:桩基工程数量表
图九:钢筋混凝土板配筋平面图
图十:钢筋混凝土板配筋1-1剖面图
图十一:钢筋混凝土板配筋2-2剖面图
图十一声屏障预埋件留置方向示意图
表4:钢筋混凝土板材料表
交底人交底接受人审核人注:本交底一式两份,交底人上交资料室1份,被交底人1份。
技术交底书技术交底内容:1、技术交底范围滨绥线K157+500-K248+700段既有线路基声屏障,图号:哈牡电化施环-01~122、设计情况路基地段声屏障为挖孔桩基础,桩径850mm,设计桩长平路基及路基高Im以下为4m,路基高Im以上为5m。
桩间距4ι‰桩身灌注C30钢筋硅,钢筋最小保护层厚度70mm。
桩顶设路基声屏障底梁,声屏障基础与上部Il型钢柱预埋件整体一次性浇注。
声屏障基础在底梁上每隔20m设一道伸缩缝,^宽3cm。
桩间设连系梁。
梁高度0.40m,宽度0.25m,混凝土强度等级C30,钢筋最小保护层厚度40mm。
采用非金属复合吸声材料,插板式,采用H钢立柱,立柱间距不大于4m。
C30桩身混凝土5.63m3/根(4.5m3/根),C30连系梁混凝土0.4ι113∕4m,C20混凝土封钢柱底部0.05m3/柱。
路基地段声屏障连续长度大于500m时设置安全门,安全门间距不大于500mβ声屏障排水:路基段声屏障每隔4m设置排水口,排水口应对应路基边坡排水槽设置,路基边坡上无排水槽时,声屏障排水口对应的路基边坡应进行防护,避免声屏障排水冲刷路基边坡。
接地要求:本工程路基段利用基础钢筋作为接地体,每根H型钢立柱的其中至少1个连接螺栓通过①14的钢筋与基础中的受力钢筋可靠焊接,并且至少有一根钢筋漏出混凝土接地,保证接地电阻不大于IO0.人工挖桩采用相邻桩跳挖,施工净距不小于5m,施工时可以同时开挖5〜10根桩3,开始施工条件及施工准备工作将施工内容纳入B、C类施工计划。
水泥、片石、砂等材料进场并经检验合格。
水泥堆放在工地不受潮的地点并覆盖。
施工时测量放线定出每根桩基础的中心,并做好引桩。
4、施工工艺拆除模板路基声屏障基础施工工艺流程图 (1)本次针对根据预先确定好的桩孔位置,采用全站仪将桩心位置精确放出,并钉立护桩,护桩形式,顺线路方向每40m 放线埋设固定一块木板,木板上钉一根钢钉,钢钉为水平轴线方向,两木板钢钉挂线排尺确定桩中心,必要时在垂直线路方向采用在内外股钢轨标记两点确定一条直线,在轨腰标记距线路中线距离辅助定位,施工过程中经常恢复桩心位置进行检查。
声屏障安装安全技术交底一、工程概述在进行声屏障安装工程之前,首先需要对工程的基本情况进行了解。
本次声屏障安装工程位于_____路段,旨在降低道路交通噪声对周边居民和环境的影响。
声屏障的总长度为_____米,高度为_____米,采用_____材料制作。
二、施工准备1、技术准备施工前,应认真熟悉施工图纸和相关技术规范,制定详细的施工方案,并向施工人员进行技术交底。
同时,要对施工现场进行勘察,了解现场的地形、地貌、交通等情况,为施工做好充分准备。
2、材料准备(1)声屏障的材料应符合设计要求,具有良好的吸声、隔声性能和强度。
在材料进场时,应进行严格的检验,确保材料的质量合格。
(2)施工所需的钢材、螺栓、螺母等构配件应规格齐全,质量合格,并按照要求进行防腐处理。
3、人员准备(1)施工人员应具备相关的施工经验和技能,特种作业人员应持证上岗。
(2)施工前,应对施工人员进行安全教育和技术培训,使其了解施工过程中的安全风险和质量要求。
4、设备准备(1)根据施工需要,配备吊车、电焊机、钻孔机等施工设备,并确保设备的性能良好,安全可靠。
(2)对施工设备进行定期维护和保养,保证设备在施工过程中的正常运行。
三、施工工艺流程1、测量放线根据设计图纸,使用全站仪等测量仪器对声屏障的安装位置进行测量放线,确定立柱的中心线和基础的位置,并做好标记。
2、基础施工(1)按照设计要求进行基础开挖,基础的尺寸和深度应符合设计要求。
在开挖过程中,要注意保护地下管线等设施。
(2)基础钢筋的绑扎应符合设计和规范要求,钢筋的间距、长度、直径等应符合要求。
(3)基础混凝土的浇筑应采用商品混凝土,混凝土的配合比应符合设计要求。
在浇筑过程中,要振捣密实,确保混凝土的质量。
3、立柱安装(1)使用吊车将立柱吊起,对准基础中心线,缓慢放下,使立柱插入基础预留孔中。
(2)调整立柱的垂直度和水平度,使其符合设计要求,然后用螺栓将立柱固定在基础上。
4、屏体安装(1)将声屏障屏体运输到施工现场,使用吊车将屏体吊起,对准立柱的卡槽,缓慢放下,使屏体安装在立柱上。
新建杭甬铁路客运专线HYZQ-3标庄桥站改线工程声屏障基础技术交底一、工程概况庄桥站改线声屏障设计里程为:声屏障采用H型钢,基础为现浇钢筋混凝土结构,采用C30混凝土。
钢筋采用HPB235、HPB335级别钢筋,钢筋保护层厚度:柱30mm,,基础40mm。
基础顶设置预埋螺栓和预埋钢板,预埋钢板与H型钢底部钢板螺栓连接。
H型钢距离改线中心线距离要求为4.2m,具体布置见附图1。
二、施工技术方法及质量要求1、位置标高确定声屏障离改线中心距为4.2m,以萧甬线上行线设计线路中心为准,测放站台墙位置。
声屏障基础标高以设计纵断面标高拟合后的标高来控制,顶面高度与设计路肩顶标高一致,控制桩位间距按20m/个控制。
2、土方开挖采用机械开挖,开挖至离设计标高0.1m处后,剩余土方采用人工清底。
开挖后的级配碎石放置路基顶,作为回填土,淤泥外运。
基坑开挖后,要及时报验,并进行垫层施工,防止积水。
基坑垫层采用素混凝土,厚度10cm。
3、钢筋工程所采用的钢筋品种、规格、数量、位置和间距严格按照设计要求施作。
材料要求分类堆放,材料场地硬化。
严禁将钢筋直接放置地面上。
做好材料标识工作,并用防雨布覆盖。
4、预埋螺栓和预埋铁板预埋螺栓采用M36螺栓,长度为860mm,外露长度为145mm。
预埋铁板尺寸为430*430*12。
具体布置见图杭甬客专施图HYZQ-(环)-01-9。
预埋螺栓和预埋铁板的位置必须符合设计要求。
5、模板工程立模先进行挂线放样,模板立在基础砼垫层上,模板应具有足够的强度、刚度和稳定性;要能够承受所浇筑混凝土的侧压力以及施工荷载,要保证结构尺寸的正确性。
要求模板的安装必须稳定牢固,接缝严密,不得漏浆。
模板与混凝土的接触面必须清理干净并涂刷隔离剂。
在浇筑混凝土之前,模板的积水和杂物应清理干净。
所有模板接缝处用双面胶密封。
模板分块制作要以安装方便,脱模、拆除容易为原则,更应考虑到人工搬运方便;同时兼顾到运输、吊装的要求。
一、工程名称:[填写工程名称]二、施工单位:[填写施工单位名称]三、建设单位:[填写建设单位名称]四、分项工程名称:声屏障安装五、交底部门:[填写交底部门名称]六、交底人:[填写交底人姓名及职务]七、施工期限:[填写施工期限,例如:2023年3月1日至2023年5月31日]八、接受交底班组或员工签名:[填写班组或员工签名]九、交底内容:1. 进入施工现场的安全要求:- 所有进入施工现场的操作人员必须佩戴安全帽,并确保安全帽佩戴正确。
- 作业人员严禁穿高跟鞋、硬底鞋或易滑鞋,以防滑倒。
- 高处作业人员必须佩戴安全带,并做到高挂低用,确保安全带扣紧。
2. 声屏障材料及工具的安全管理:- 在运输和存放声屏障材料时,应确保材料堆放稳固,防止倾倒或滑落。
- 所用工具必须完好无损,如有损坏应及时更换或维修。
- 电动工具在使用前应检查电源线和插头,确保安全。
3. 安装作业的安全措施:- 声屏障安装前,应对安装区域进行清理,确保无障碍物,地面平整。
- 安装过程中,操作人员应站在稳固的位置,避免因站立不稳导致坠落。
- 高处作业时,应设置安全防护设施,如安全网、防护栏杆等。
- 安装声屏障时,应使用适当的吊装设备,并确保吊装设备完好可靠。
4. 吊装作业的安全要求:- 吊装作业前,应对吊装设备进行全面检查,确保其符合安全标准。
- 吊装过程中,操作人员应保持通信畅通,确保指挥信号清晰。
- 吊装作业区域应设置警示标志,提醒过往人员注意安全。
5. 应急处理措施:- 发生意外事故时,应立即停止作业,迅速组织人员进行救援。
- 确保急救设备齐全,并熟悉急救方法。
- 安排专人负责事故调查和处理,及时向上级汇报。
6. 环境保护要求:- 安装过程中,应采取措施减少对周围环境的影响,如噪音、粉尘等。
- 废弃物应按照规定进行处理,不得随意丢弃。
十、注意事项:- 操作人员应严格按照安全技术交底的要求进行作业。
- 加强安全教育培训,提高操作人员的安全意识。
单位:编号:
编制:复核:批准:签收:年月日注:“技术交底书”一式两份,一份交工点负责人作为施工的依据,一份留存备查,并办理交接手续。
单位:编号:
编制:复核:批准:签收:年月日注:“技术交底书”一式两份,一份交工点负责人作为施工的依据,一份留存备查,并办理交接手续。
单位:编号:
编制:复核:批准:签收:年月日注:“技术交底书”一式两份,一份交工点负责人作为施工的依据,一份留存备查,并办理交接手续。
单位:编号:
编制:复核:批准:签收:年月日注:“技术交底书”一式两份,一份交工点负责人作为施工的依据,一份留存备查,并办理交接手续。
单位:编号:
编制:复核:批准:签收:年月日注:“技术交底书”一式两份,一份交工点负责人作为施工的依据,一份留存备查,并办理交接手续。
单位:编号:
编制:复核:批准:签收:年月日注:“技术交底书”一式两份,一份交工点负责人作为施工的依据,一份留存备查,并办理交接手续。
声屏障安装技术交底一、工程概述在本次工程项目中,为了有效降低交通噪音对周边环境的影响,提高居民的生活质量,将在指定路段安装声屏障。
声屏障的安装长度为_____米,高度为_____米,采用_____材质。
二、施工准备1、技术准备施工前,应熟悉施工图纸,明确声屏障的安装位置、高度、长度及结构形式等技术要求。
编制施工方案,确定施工工艺、施工流程及质量控制要点。
对施工人员进行技术交底,使其了解施工工艺和质量要求。
2、材料准备声屏障板材:应符合设计要求,具备良好的隔音性能和耐候性,板材表面应平整、无裂缝、无破损。
立柱:立柱材质为_____,规格应符合设计要求,立柱表面应进行防腐处理。
连接件:包括螺栓、螺母、垫圈等,应符合国家标准,强度应满足设计要求。
密封材料:用于声屏障板材之间的密封,应具有良好的密封性能和耐候性。
3、施工机具准备吊车:用于吊运声屏障立柱和板材。
电焊机:用于焊接立柱与基础预埋件。
扳手:用于紧固螺栓。
水平仪、经纬仪:用于测量立柱的垂直度和水平度。
4、现场准备清理施工现场,确保施工场地平整、无障碍物。
按照设计要求,对基础进行验收,基础的强度、尺寸、平整度等应符合设计要求。
在施工现场设置警示标志,确保施工安全。
三、施工工艺流程1、测量放线根据施工图纸,使用经纬仪和水准仪,在基础上放出立柱的中心线和标高控制线。
测量放线应准确无误,误差应控制在允许范围内。
2、立柱安装将立柱吊起,使其中心线与基础上的中心线对齐,然后缓慢放下立柱,使立柱插入基础预埋件中。
立柱插入预埋件后,使用电焊机将立柱与预埋件焊接牢固,焊接质量应符合设计要求和相关标准。
立柱安装完成后,使用水平仪和经纬仪测量立柱的垂直度和水平度,如不符合要求,应及时调整。
3、声屏障板材安装从一端开始,将声屏障板材依次插入立柱的卡槽中,板材之间应紧密贴合,不得有缝隙。
板材安装完成后,使用螺栓将板材与立柱固定牢固,螺栓应拧紧,不得松动。
4、密封处理在声屏障板材之间的缝隙处,使用密封材料进行密封处理,确保声屏障的隔音效果。
一、交底目的为确保高速公路声屏障施工过程中的安全,降低安全事故发生的风险,提高施工人员的安全意识,特制定本安全技术交底。
二、交底对象1. 施工单位项目经理、技术负责人、安全员、施工班组负责人及全体施工人员。
2. 监理单位、设计单位等相关人员。
三、交底内容1. 施工现场安全管理制度(1)严格遵守国家及地方有关安全生产的法律法规,执行安全生产标准化要求。
(2)施工现场必须设立安全警示标志,确保警示标志醒目、规范。
(3)施工人员必须佩戴安全帽、反光背心等个人防护用品。
(4)施工现场应设置安全通道,确保人员安全通行。
2. 施工工艺及安全注意事项(1)声屏障安装前,应对施工人员进行技术交底,确保施工人员了解施工工艺及安全注意事项。
(2)安装声屏障时,应遵循自下而上、先左后右的原则进行。
(3)在安装声屏障时,严禁施工人员攀登、跨越声屏障,以免发生坠落事故。
(4)安装声屏障时,严禁施工人员站在声屏障上作业,以免发生倾倒事故。
(5)声屏障安装过程中,应确保安装牢固,防止因风吹、雨淋等原因导致声屏障倾倒。
3. 机械设备安全操作(1)施工现场机械设备应按照操作规程进行操作,确保机械设备运行正常。
(2)操作人员应持证上岗,熟悉机械设备性能及操作方法。
(3)机械设备作业时,应确保操作人员安全距离,防止发生机械伤害。
(4)机械设备作业完毕后,应将设备停放在安全位置,切断电源,确保安全。
4. 临时用电安全(1)施工现场临时用电必须按照国家相关标准进行设计、安装和使用。
(2)临时用电线路应采用绝缘导线,并按照规定进行架设。
(3)施工现场临时用电设备应定期检查,确保设备安全可靠。
(4)施工人员不得擅自改动临时用电线路,如需改动,应报请相关部门审批。
5. 环境保护及文明施工(1)施工现场应按照国家及地方有关环境保护的法律法规进行施工。
(2)施工现场应设置环保设施,确保施工过程中的废水、废气、噪声等污染物达标排放。
(3)施工现场应保持整洁,不得乱堆乱放材料、垃圾等,确保文明施工。
一、交底项目:声屏障施工二、交底时间:____年__月__日三、交底地点:____施工地点四、交底人员:项目技术负责人、安全员、施工队长、班组长及全体施工人员五、交底内容:一、工程概况1. 项目名称:____工程2. 声屏障施工范围:____区域3. 施工期限:____年__月__日至____年__月__日二、施工工艺及流程1. 声屏障基础施工:(1)按照设计图纸要求,进行基础施工,确保基础平整、坚实。
(2)根据地质情况,合理选择基础类型,如桩基础、条形基础等。
(3)基础施工过程中,严格按照施工规范进行,确保基础质量。
2. 声屏障安装:(1)根据设计图纸要求,进行声屏障构件的加工、制作。
(2)安装前,对构件进行质量检查,确保无变形、裂缝等缺陷。
(3)按照施工规范进行安装,确保安装牢固、美观。
三、安全技术措施1. 施工现场安全措施:(1)施工现场设置安全警示标志,明确危险区域。
(2)施工人员进入施工现场必须佩戴安全帽、安全带等防护用品。
(3)高空作业人员必须系好安全带,使用安全绳,确保安全。
(4)施工现场禁止吸烟、酒后作业、违章操作等。
2. 声屏障基础施工安全措施:(1)挖掘机、装载机等施工机械操作人员必须具备相应操作资格。
(2)挖掘、装载、运输等作业过程中,确保人员安全,防止发生意外。
(3)挖掘、装载、运输过程中,注意防止车辆、设备碰撞声屏障基础。
3. 声屏障安装安全措施:(1)安装人员必须熟悉安装工艺,掌握安全操作规程。
(2)安装过程中,确保构件平稳放置,防止构件坠落。
(3)安装过程中,注意防止高空坠落、物体打击等事故。
四、应急预案1. 高空坠落事故:(1)立即停止作业,组织人员进行救援。
(2)对伤员进行初步急救,并拨打急救电话。
(3)事故发生后,立即上报相关部门,并做好事故调查处理。
2. 物体打击事故:(1)立即停止作业,组织人员进行救援。
(2)对伤员进行初步急救,并拨打急救电话。
(3)事故发生后,立即上报相关部门,并做好事故调查处理。
一、工程名称:____________________二、工程地点:____________________三、施工单位:____________________四、施工负责人:__________________五、交底时间:____________________六、交底内容:一、工程概况1. 声屏障工程位于____________________,全长____________________米,高____________________米。
2. 声屏障工程分为____________________段,其中本段工程起止桩号为____________________。
二、施工安全注意事项1. 施工现场安全标志、警示标志应齐全,并设置在醒目位置。
2. 施工现场应设置安全防护设施,如围栏、警示带、安全网等。
3. 施工人员必须佩戴安全帽、安全带等个人防护用品。
4. 施工现场应配备消防器材,如灭火器、消防栓等。
5. 施工现场不得堆放易燃、易爆、有毒有害物品。
6. 施工现场应设置安全通道,确保人员疏散畅通。
三、施工安全操作规程1. 施工人员必须按照施工图纸和施工方案进行施工。
2. 声屏障基础施工:(1)挖掘机、装载机等大型设备操作人员必须取得相应资格证书。
(2)挖掘、运输、回填等作业应严格按照施工方案执行,确保施工质量。
(3)施工过程中,应确保施工现场安全,防止人员、设备安全事故发生。
3. 声屏障安装施工:(1)安装人员必须熟悉声屏障的结构、性能和安装要求。
(2)安装过程中,应确保安装牢固,防止因安装不当导致声屏障脱落、倾斜等事故。
(3)施工过程中,应加强现场安全管理,防止人员、设备安全事故发生。
四、施工过程中应注意的问题1. 施工过程中,应密切关注天气变化,遇有大雨、大雪等恶劣天气,应暂停施工。
2. 施工过程中,如发现安全隐患,应立即停止施工,采取措施排除隐患。
3. 施工过程中,如发生安全事故,应立即启动应急预案,及时上报相关部门。
路基非金属声屏障基础施工技术交底工程名称施工里程
施工内容日期
一、编制依据
1、《新建时速300-350公里客运专线铁路设计暂行规定》(铁建设【2007】47号)
2、《建筑桩基技术规范》(JGJ94-2008)
3、《铁路工程抗震设计规范》(GB50111-2006)
4、《混凝土结构设计规范》(GB50010-2002)
5、《铁路工程参考图路基整体式混凝土声屏障》(通环(2008)8322)
二、适用范围
1、新建客运专线铁路路基段声屏障,设计运行时速350km/h。
2、中铁三局沪昆客专杭长湖南段路基声屏障,施工长度总共196.62m。
3、本交底不适用路基边坡有支挡结构地段、涵洞地段、台风地区。
三、技术要求
1、结构形式
声屏障由声屏障上部结构和声屏障基础两部分组成。
1)声屏障以H型钢立柱作为声屏障支撑,采用插板式与基础连接,上部采用吸隔声材料。
2)声屏障高度依据动车组车窗下缘距轨面的高度确定。
2、声屏障基础
采用钢筋混凝土钻孔桩
3、混凝土施工
1、声屏障现浇梁的保护层厚度不小于40mm,声屏障基础保护层厚度不小于70mm。
2、施工时按照钻孔桩施工,并且应一次施工到桩底高程,对桩底清底和灌注混
凝土,施工时必须保证路基本体不被破坏。
3、底梁施工宜连续浇筑,每隔25m、26m设伸缩缝一处,缝内填沥青油麻毡,伸
缩缝处设双桩,如下图1,图中尺寸均以米为单位。
图1
4、声屏障基础施工时,确认孔位无误后施工。
5、桩基施工,按照后附图施工,图中尺寸均以米为单位混凝土均匀灌注,捣实
严禁出现断桩、错颈现象,混凝土浇筑应一次性完成。
底梁施工应采用插入式振捣棒振移动间距不宜大于振捣器作用半径的1.5倍,切插入下层混凝土深度宜为50-100 mm,与侧模应保持50-100mm的距离,振捣完应边振边竖向缓慢提出振捣器,不得
平托,避免过振漏振。
4、钢筋绑扎
桩基钢筋绑扎及底梁钢筋绑扎严格按照技术交底后附钢筋图03绑扎,图中尺寸
以米为单位安装钢筋骨架时,保证其在模型中的位置不得倾斜、扭曲、不得改变保
护层厚度,钢筋搭接部位,受拉区不小于35d,受压区不小于25d。
5、安装与偏差
立柱高程偏差为±5mm,立柱轴线偏差为±5mm,柱底钢板水平度偏差为±0.5mm 单元板安装左右偏差为±2mm,上下板缝前后偏差为±1mm,相邻单元板高程偏差为±2mm:H型钢及螺杆的垂直度偏差为±0.2%,外漏螺杆长度误差为±3mm,预留孔底高程误差为±5mm,26m范围内,H型钢沿线路方向的横向误差为±3mm。
四、施工注意
1、桥梁台尾处声屏障安装:路桥过渡段厂家根据现场采集数据,注意夹角,前
后高度保持一致。
2、灌注重力砂浆:安装声屏障插板前必须先灌注重力砂浆,灌注重力式流动砂
浆必须保持表面光滑。
3、生产厂家必须按照设计要求预留相应的综合接地专业接口,同时负责综合接
地的安装工作。
中铁三局沪昆客专杭长湖南段第一项目分部
编制:复核:
接收人:。