分支器和分配器技术指标
- 格式:doc
- 大小:2.58 MB
- 文档页数:86
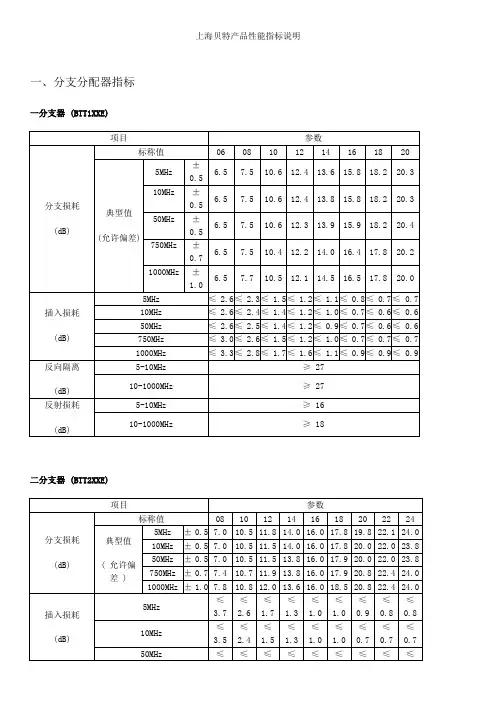
上海贝特产品性能指标说明一、分支分配器指标一分支器 (BTT1XXE)二分支器 (BTT2XXE)三分支器 (BTT3XXE)四分支器 (BTT 4XXE)五分支器 (BTT5XXE)六分支器 (BTT6XXE)八分支器 (BTT8XXE)二分配器 (BTS204E)三分配器 (BTS306E)四分配器 (BTS408E)四分配器 (BTS408EA)四分配器 (BTS408EB)五分配器 (BTS509E)六分配器 (BTS610E)八分配器 (BTS812E)二、射频传输放大设备BTIA4000系列放大器技术指标特点:1,BTIA4000系列放大器是吸收了国外最新同类产品的长处,为有线电视系统研制的放大设备。
2,采用进口BGY系列推挽集成电路模块作放大电路,输出电平高。
3,采用铝合金压铸全密封防水型外壳,屏蔽性能佳,防水性能好,能适用于野外各种环境。
4,性能可靠,安装方便。
注 : ① 59 个频道安排在 550MHz 以下,在系统最高频道处测得。
② 59 个频道,采用同步视频方波调制,在系统低端测得。
SGF4100系列自动增益控制及斜率补偿放大器特点:1功率倍增输出有利于系统的扩展和延伸。
2,本系列干线放大器既有采用高导频进行自动增益控制及斜率自动补偿的品种,也有采用低导频进行低端输出电平控制的品种,并可在传输系统中将两者结合,按适当比例间隔配置使用,从而组成具有双导频控制ALC功能的传输系统。
3,由于在传输电平控制方案上利用了单导频控制技术组成双导频控制系统,使系统中干线放大器的调整工作大大简化,同时也提高了设备及系统的可靠性。
4,放大及频率分隔滤波器等部件均采用模块化,便于选件安装及升级。
5,1000MHz的底板及无源部件设计。
6,具有级间频响微调,均衡等多种选件。
注 : * 59 个 PAL 模拟频道安排在 550MHz 以下,在系统最高频道处测得。
BTEA系列放大器特点:1,采用进口BGY系列推挽集成电路模块作放大电路,输出电平高。
catv中分配器、分支器和功分器
CATV(有线电视)系统中的分配器、分支器和功分器都是用来分配和传输信号的设备,它们在系统中起着不同的作用。
首先,让我们来谈谈分配器。
分配器是用来将信号分配到不同的输出端口的设备。
在CATV系统中,分配器通常用于将来自中心信号源的信号分发到不同的用户家庭或终端设备。
分配器通常具有多个输出端口,可以根据需要将信号均匀地分配到各个输出端口上,以确保每个用户都能够接收到清晰稳定的信号。
接下来是分支器。
分支器也是用来将信号分配到不同的输出端口,但它与分配器不同的是,分支器通常是将信号分配到不同的方向或位置。
在CATV系统中,分支器通常用于将信号分发到不同的区域或楼层,以满足不同位置的用户的需求。
分支器可以根据需要将信号分配到不同的输出端口,以实现信号的覆盖和传输。
最后是功分器。
功分器是用来将信号分配到不同的输出端口,并且可以根据需要对信号进行功率分配和调节的设备。
在CATV系统中,功分器通常用于对信号进行功率平衡和调节,以确保每个输出端口都能够接收到适当的信号功率。
功分器可以根据需要对信号进
行精确的功率分配,以满足不同输出端口的信号传输需求。
总的来说,分配器、分支器和功分器在CATV系统中都起着至关重要的作用,它们通过将信号分配到不同的输出端口,并根据需要对信号进行调节和分配,确保了系统中信号的稳定传输和覆盖,从而满足了用户对信号质量和覆盖范围的需求。
分支器与分配器的区别
在有线电视系统中,分支器与分配器都是起到分配信号的作用。
分支器与分配器不同的是:
无论是几分支器,都有一个主输出口(OUT),若干个分支口(TAP)或(BR),三分支器就是三个分支口,四分支器就是四个分支口,依此类推;分支器的主输出口(OUT)对信号的衰减(即插入损耗)很小,一般只有1dB左右。
而分支口(TAP)或(BR)的衰减则根据实际的型号不同。
比如华正达三分支器TU3-10MH-10dB,线路输入信号是100dB时,主输出口输出的信号大约为100-1=99dB左右,另外三个分支口输出的信号就都是100-10=90dB。
分支器的衰减可以根据实际需求配置,一般从8dB~30dB不等。
正是由于分支器的OUT口衰减小,在实际应用中,一般是多个分支器串接起来使用(上一个分支器的OUT串接到下一个分支器的IN,(TAP)或(BR)直接到房间电视接线盒),用于同一条主线上多个终端的信号分配。
而分配器就是一个输入口(IN),多个输出口(OUT),它的作用是将信号平衡分配给每个输出口。
衰减值大致是多一个端口多衰减2dB;二分配器的衰减是4dB,三分配是6dB ,四分配是8dB ,六分配是10dB,八分配是12dB,十分配是15dB,十二分配是17dB,十六分配是:20dB,如三分配器的进线信号是
100dB,则三个输出口(OUT)的信号就都是100-6=94 dB(所以分配器叫平衡分配信号)。
在实际应用中,多用于需要信号平衡分配的场合及楼层主干线分配信号,如某家庭用户有四台电视机,则只需要在进线的位置装一个四分配即可,如某酒店宾馆共6个楼层,前端机房则在进线位置装一个六分配器即可。
1/ 1。
第一章 CATV工程设计标准1、工程设计规格表(引自GY106-92,GY/T 121-95)2、CATV图像质量主观评价表用户端图像质量的主观评价是采用五级损伤标准,应参照国际GB7401第4.2条五级损伤制标准执行,4级图像是CATV系统的设计标准。
对于中国电视制式 C/N=N+6.4dB,图像等级4级(S/N=36.6dB)对应C/N=43dB。
3、米加权信噪比与图像等级关系公式(S/N)5MHz=23-Q+1.1Q2(dB)(欧广联实验公式),(S/N)5MHz指在5MHz带宽内测得的米加权信噪比(S/N)6MHz=21-Q+1.1Q2(dB)(广电部补充公式)第二章 CATV双向系统频率分割配置示意图5-8MHz状态监测、业务通讯8-22MHz数字电视回传22-30MHz回传模拟电视30-65MHz交互式数据业务65-87MHz隔离带87-108MHz FM广播(低端内含业务通讯频段)111-566MHz下行模拟电视566-670MHz下行数字电视670-750MHz数据传输专用通道,传送交互式数据业务此频率分割配置适合大型综合业务网,上行通路较5-30MHz扩展35 MHz,为开展交互业务提供可能;下行能路有58个模拟电视频道可供使用,同时提供了104MHz的下行数字压缩电视的频率空间,约可传送120套的数字压缩电视节目,为提供NVOD服务创造了条件;在最高端有80MHz 的带宽,可开展交互式数据业务。
第三章中国有线电视频道配置表第四章常用电缆技术特性及参数常用电缆枝术特性及参数常用(20℃)结构特性第五章 RF放大模块技术参数及型号对照1、常用飞利浦放大模块及光纤接收模块参数2、CATV放大器模块对照表3、放大器常用放大技术相对推挽放大CTB指标改善及功率消耗对比第六章分支器、分配器技术指标1、迅田牌(5-1000MHz)高品质分支器性能指标2、迅田牌CATV(5-1000MHz)高品质分配器性能指标注:以上指标符合(超出)GY/T137-1999标准第七章光缆设计基本数据第八章市—县—乡长距离光纤传输相关技术第九章 CATV设计使用符号第十章有线电视主要指标定义及计算公式第十一章传输系统设计公式第十二章 CATV工程验收测试第十三章模拟有线电视系统图第十四章数字有线电视系统图第十五章中国无线电频率划分表第十六章有线电视系统主要技术指标解析第十七章常用光纤传输技术问答1、如何选择光纤?选择光纤,要从以下特性进行考察:一、不连续点:在1310nm和1550nm波长下,不存在衰减大于0.1 dB的不连续点。
有线电视分支器与分配器的区别有线电视分支器与分配器是电视信号处理领域常见的两种设备,它们在电视信号分配和传输过程中起到了关键作用。
虽然它们的功能有些相似,但在设计、用途和工作原理等方面存在一些差异。
首先,从设计上来说,有线电视分支器是将一个输入信号分成多个输出信号的设备。
它通常具有一个输入端和多个输出端口,可将信号分配给多个电视机或其他终端设备。
而分配器则相反,它将一个输入信号发送到多个输出端口,用于将信号传输给多个电视机或终端设备。
所以,这两种设备的设计目标是完全不同的。
其次,从用途上来说,有线电视分支器主要用于将一个信号源分配给多个接收端,以满足多个设备同时观看不同频道的需求。
例如家庭中有多个电视机,可以使用分支器将有限的信号源分发给这些电视机。
而分配器则用于将一个信号源广播到多个设备上,常见的应用场景是酒店、医院或会议室等需要提供相同电视信号的场所。
此外,有线电视分支器和分配器在工作原理上也有所不同。
分支器采用的是被动分配方式,即将输入信号通过分支器内部的电路进行简单的分割,使信号同时传输到各个输出端口上,无需额外的电源供给。
而分配器则采用的是主动分配方式,通过内置的电源和电路进行信号扩展和放大,以确保信号的质量和稳定性。
综上所述,有线电视分支器和分配器虽然在功能上都是用于信号的分配和传输,但从设计、用途和工作原理等方面存在一些差异。
分支器主要用于将一个信号分配给多个接收端,在设计上是被动的;而分配器则用于将一个信号广播到多个设备上,在设计上是主动的。
在实际应用中,根据具体需求选择合适的设备,可以更好地满足各类信号分配和传输的需求。
继续探讨有线电视分支器与分配器的区别,我们可以从以下几个方面来深入分析。
首先,我们可以看看它们的连接方式不同。
有线电视分支器通常采用一进多出的连接方式,即一个输入端口连接到电视信号源上,而多个输出端口则连接到各个电视机或终端设备上。
这样,一个单一的信号源就可以被多个终端设备接收。
上海贝特产品性能指标说明一、分支分配器指标一分支器 (BTT1XXE)二分支器 (BTT2XXE)三分支器 (BTT3XXE)四分支器 (BTT 4XXE)五分支器 (BTT5XXE)六分支器 (BTT6XXE)八分支器 (BTT8XXE)二分配器 (BTS204E)三分配器 (BTS306E)四分配器 (BTS408E)四分配器 (BTS408EA)四分配器 (BTS408EB)五分配器 (BTS509E)六分配器 (BTS610E)频率范围( MHz )分配损耗( dB )隔离( dB )反射损耗( dB )5-10 ≤ 8.9≥ 27≥ 1610-50 ≤ 8.8 ≥ 28≥ 1850-750 ≤ 9.9≥ 28≥ 18750-1000 ≤ 10.5≥ 28≥ 18八分配器 (BTS812E)频率范围( MHz )分配损耗( dB )隔离( dB )反射损耗( dB )5-10 ≤ 10.8≥ 27≥ 1610-50 ≤ 10.8≥ 28≥ 1850-750 ≤ 11.5≥ 28≥ 18750-1000 ≤ 12.5≥ 28≥ 18二、射频传输放大设备BTIA4000系列放大器技术指标特点:1,BTIA4000系列放大器是吸收了国外最新同类产品的长处,为有线电视系统研制的放大设备。
2,采用进口BGY系列推挽集成电路模块作放大电路,输出电平高。
3,采用铝合金压铸全密封防水型外壳,屏蔽性能佳,防水性能好,能适用于野外各种环境。
4,性能可靠,安装方便。
参数单位指标型号4021D 4026D 4033D 4021G 4026G 4032G 4021H 4026H 4032H 带宽MHz 47-550 47-750 47-862注 : ① 59 个频道安排在 550MHz 以下,在系统最高频道处测得。
② 59 个频道,采用同步视频方波调制,在系统低端测得。
SGF4100系列自动增益控制及斜率补偿放大器特点:1功率倍增输出有利于系统的扩展和延伸。
有线电视分配器与分支器的区别1、分配器的端口标识为:IN、OUT、OUT这是一分二的分配器2、分支器的端口标识为:IN、OUT、TAP、TAP这是一分二的分支器3、分配器出来的信号都一样的比如说306分配器就是说有一个进口(IN)三个出口(OUT) 每个出口衰减的DB数是6DB。
4、分支器可以连级接,而分配器则不能连级接,因为分配器连级接衰减大。
放大器后接一个分配器到电视,两个以上才能到电视的,中间请用分支器。
5、分支器与分配器最大的区别就在于输出到电视的输出口不同,分支器输出到电视的是BR 输出口,而分配器是OUT输出口。
6、分配器对信号进行同等的分配,在有线电视经常用到,2 3 4 6 8分配器或更大。
7、分支器从主路上取出少部分信号送到分支口的功率电平分配器件称为分支器。
8、分支器不一样,比如说410分支器是一个进口(IN) 5个出口其中只有一个(OUT)口其余4个是BR(分支)口BR口衰减是10DB OUT口衰减是2DB 也就是我们常说的插入损耗。
在安装时,分配器的每个输出口子,绝对不可以空载,否则会由于阻抗不匹配的原因造成重影,一般都要求加上阻抗匹配器。
而对于某几级的分支器的分支输出口,则关系不大。
9、分支/配器区别:分支器输出、输入的电平不相等,分配器输出、输入的电平完全相等。
10、分支器的OUT输出口是输出给下路需要接分支分配器用的输出口,因为分支器的OUT 输出口的衰减很小,所以作为干路的分支设备,使后面串联线路中的电视信号衰减减小,配合干路放大器使整个线路中的信号均衡。
干线放大器要采用增益较低的放大器,30dB增益的放大器通常作为“用户放大器”,不宜作为干线放大器使用。
目前一般采用24dB增益的放大器作为干线放大器。
放大器的输出电平和斜率,一般应当通过设计计算来确定。
如果没有条件搞设计,那么放大器的调试很简单啊!无论干线放大器还是用户放大器,都可以调在它的“标称输出电平”(或附近)。
一分四功分器设计指标一分四功分器是一种电子器件,常用于无线通信系统中的功率分配和合成。
它可以将输入功率均匀地分配到四个输出端口上,同时可以将四个输入功率合成为一个输出功率。
设计一个高性能的一分四功分器需要考虑以下几个指标:1.平衡度:平衡度是衡量器件将输入功率均匀分配到输出端口的能力。
设计时需保证每个输出端口之间的功率差尽可能小,以确保系统的稳定性和性能。
常用平衡度指标为S参数中的插入损耗和匹配度。
2.插入损耗:插入损耗是指输入功率经过功分器后在输出端口的损耗。
设计时需尽量减小插入损耗,以确保更高的功率分配效率和整体系统性能。
3.带宽:带宽是指一分四功分器在不同频率范围内工作的能力。
设计时需要考虑带宽的要求,并选择合适的材料和结构来满足这一要求。
4.相移:一分四功分器在功率合成时需要确保四个输入信号的相位一致性,因此相移是一个重要的设计指标。
设计时需尽量减小相移,以确保合成输出信号的相位准确性。
5.尺寸和重量:一分四功分器通常需要集成到一台设备中,因此尺寸和重量的指标也要考虑。
设计时需选择合适的材料和结构,尽量减小尺寸和重量,以提高整体的系统集成度和便携性。
6.抗干扰性:一分四功分器在无线通信系统中常受到外界干扰的影响,因此抗干扰性也是一个重要的设计指标。
设计时需采取合适的衍射、屏蔽和滤波等技术手段,以提高器件的抗干扰能力。
7.良好的线性度和动态范围:一分四功分器需要处理不同功率水平的输入信号,因此良好的线性度和动态范围也是一个重要的设计指标。
设计时需采取合适的电路结构和信号处理算法,以保证整体系统在不同工作条件下的线性性能和动态范围。
综上所述,设计一个高性能的一分四功分器需要综合考虑平衡度、插入损耗、带宽、相移、尺寸和重量、抗干扰性、良好的线性度和动态范围等多个指标。
合理选择适当的材料和结构,采用合适的设计和优化方法,可以实现一个具有高效率、稳定性和可靠性的一分四功分器。
1、分配器的端口标识为:IN、OUT、OUT这是一分二的分配器2、分支器的端口标识为:IN、OUT、TAP、TAP这是一分二的分支器3、分配器出来的信号都一样的比如说306分配器就是说有一个进口(IN)三个出口(OUT) 每个出口衰减的DB数是6DB。
4、分支器可以连级接,而分配器则不能连级接,因为分配器连级接衰减大。
放大器后接一个分配器到电视,两个以上才能到电视的,中间请用分支器。
5、分支器与分配器最大的区别就在于输出到电视的输出口不同,分支器输出到电视的是BR输出口,而分配器是OUT输出口。
6、分配器对信号进行同等的分配,在有线电视经常用到,2 3 4 6 8分配器或更大。
7、分支器从主路上取出少部分信号送到分支口的功率电平分配器件称为分支器。
8、分支器不一样,比如说410分支器是一个进口(IN) 5个出口其中只有一个(OUT)口其余4个是BR(分支)口 BR口衰减是 10DB OUT 口衰减是2DB 也就是我们常说的插入损耗。
在安装时,分配器的每个输出口子,绝对不可以空载,否则会由于阻抗不匹配的原因造成重影,一般都要求加上阻抗匹配器。
而对于某几级的分支器的分支输出口,则关系不大。
9、分支/配器区别:分支器输出、输入的电平不相等,分配器输出、输入的电平完全相等。
10、分支器的OUT输出口是输出给下路需要接分支分配器用的输出口,因为分支器的OUT输出口的衰减很小,所以作为干路的分支设备,使后面串联线路中的电视信号衰减减小,配合干路放大器使整个线路中的信号均衡。
分支器是在一个主输出信号顺利通过的情况下,能分出一部分低于主输出信号电平的一个或几个相等信号的电子电路,它也具有很好的隔离性,只要在主输出口接有标准阻抗的同轴电缆或终端匹配电阻,分支口开路或短路对输入口的网络的影响不大,有线电视网络运用这个特性来连接用户终端主输入口。
分支器:从主路上取出少部分信号送到分支口的功率电平分配器件称为分支器。
主路的输出/输入口分别用OUT和IN表示,支路的分支口用BR表示。
功分器和分配器分支器什么区别
分配器、分支器、功分器三个器件的用途和性能是完全不同的:
1、分配器是有线电视传输系统中分配网络里最常用的器件,它的功能是将一路输入有线电视信号均等的分成几路输出,通常有二分配,四分配,六分配等。
工作的频率范围5MHz-870MHz,甚至更宽;分配器输入端和输出端阻抗均为75欧;分配损失即插损,在系统中总希望接入分配器的损耗越小越好,分配损失的大小与分配路数是有直接关系的,二分配器的分配损失一般在3.5dB,四分配器的分配损失一般在8d B。
分配器在使用中还可分为电流通过型、双向通过型;户外型、户内型等等。
2、分支器的功能是从所传输的有线电视信号中取出一部分馈送给支线或用户终端,其余大部分信号则仍按原方向继续传输。
通常有一分支器、二分支器、四分支器等等,其他性能和分配器大致是一样的。
3、功分器的功能是将一路输入的卫星中频信号均等的分成几路输出,通常有二功分、四功分、六功分等等。
功分器的工作频率是950MHz-2150MHz。
1、分配器的端口标识为:IN、OUT、OUT这是一分二的分配器2、分支器的端口标识为:IN、OUT、TAP、TAP这是一分二的分支器3、分配器出来的信号都一样的比如说306分配器就是说有一个进口(IN)三个出口(OUT) 每个出口衰减的DB数是6DB。
4、分支器可以连级接,而分配器则不能连级接,因为分配器连级接衰减大。
放大器后接一个分配器到电视,两个以上才能到电视的,中间请用分支器。
5、分支器与分配器最大的区别就在于输出到电视的输出口不同,分支器输出到电视的是BR 输出口,而分配器是OUT输出口。
6、分配器对信号进行同等的分配,在有线电视经常用到,2 3 4 6 8分配器或更大。
7、分支器从主路上取出少部分信号送到分支口的功率电平分配器件称为分支器。
8、分支器不一样,比如说410分支器是一个进口(IN) 5个出口其中只有一个(OUT)口其余4个是BR(分支)口BR口衰减是10DB OUT口衰减是2DB 也就是我们常说的插入损耗。
在安装时,分配器的每个输出口子,绝对不可以空载,否则会由于阻抗不匹配的原因造成重影,一般都要求加上阻抗匹配器。
而对于某几级的分支器的分支输出口,则关系不大。
9、分支/配器区别:分支器输出、输入的电平不相等,分配器输出、输入的电平完全相等。
10、分支器的OUT输出口是输出给下路需要接分支分配器用的输出口,因为分支器的OUT 输出口的衰减很小,所以作为干路的分支设备,使后面串联线路中的电视信号衰减减小,配合干路放大器使整个线路中的信号均衡。
分支器是在一个主输出信号顺利通过的情况下,能分出一部分低于主输出信号电平的一个或几个相等信号的电子电路,它也具有很好的隔离性,只要在主输出口接有标准阻抗的同轴电缆或终端匹配电阻,分支口开路或短路对输入口的网络的影响不大,有线电视网络运用这个特性来连接用户终端主输入口。
分支器:从主路上取出少部分信号送到分支口的功率电平分配器件称为分支器。
主路的输出/输入口分别用OUT和IN表示,支路的分支口用BR表示。
1、分配器的端口标识为:IN、OUT、OUT这是一分二的分配器2、分支器的端口标识为:IN、OUT、TAP、TAP这是一分二的分支器3、分配器出来的信号都一样的比如说306分配器就是说有一个进口(IN)三个出口(OUT) 每个出口衰减的DB数是6DB。
4、分支器可以连级接,而分配器则不能连级接,因为分配器连级接衰减大。
放大器后接一个分配器到电视,两个以上才能到电视的,中间请用分支器。
5、分支器与分配器最大的区别就在于输出到电视的输出口不同,分支器输出到电视的是BR输出口,而分配器是OUT 输出口。
6、分配器对信号进行同等的分配,在有线电视经常用到,2 3 4 6 8分配器或更大。
7、分支器从主路上取出少部分信号送到分支口的功率电平分配器件称为分支器。
8、分支器不一样,比如说410分支器是一个进口(IN) 5个出口其中只有一个(OUT)口其余4个是BR(分支)口BR 口衰减是10DB OUT口衰减是2DB 也就是我们常说的插入损耗。
在安装时,分配器的每个输出口子,绝对不可以空载,否则会由于阻抗不匹配的原因造成重影,一般都要求加上阻抗匹配器。
而对于某几级的分支器的分支输出口,则关系不大。
9、分支/配器区别:分支器输出、输入的电平不相等,分配器输出、输入的电平完全相等。
10、分支器的OUT输出口是输出给下路需要接分支分配器用的输出口,因为分支器的OUT输出口的衰减很小,所以作为干路的分支设备,使后面串联线路中的电视信号衰减减小,配合干路放大器使整个线路中的信号均衡。
分支器是在一个主输出信号顺利通过的情况下,能分出一部分低于主输出信号电平的一个或几个相等信号的电子电路,它也具有很好的隔离性,只要在主输出口接有标准阻抗的同轴电缆或终端匹配电阻,分支口开路或短路对输入口的网络的影响不大,有线电视网络运用这个特性来连接用户终端主输入口。
分支器:从主路上取出少部分信号送到分支口的功率电平分配器件称为分支器。
主路的输出/输入口分别用OUT和IN 表示,支路的分支口用BR表示。
分支器、分配器介绍(福建金钱猫公司)分支/分配器是一种高频宽带信号功率分配的无源器件。
它的带宽目前已达到5—1000MHz,其结构简单,价格低廉,工作不需要电源,广泛用于HFC有线电视领域。
器件分为室内型和野外型两种结构,以适应不同环境的需要。
野外型器件除具有防水功能外,通常还具有过流功能,以适应需要通过电缆供电的网络。
分配器能将卫星天线上高频头接收到的信号,经同轴电缆均等地分成多路的电子电路,我们称它为分配器,或叫功率分配器。
常见的有两种:一种是有源的,其供电取自于卫星接收机向天线高频头的供电,有源分配器多见于六分配器、八分配器和少数四分配器。
另一种是无源分配器,它是通过电感、电阻和电容进行无源分配的。
分配器是CATV网络前端设备中一个重要组成部件(后端常用分支器)。
分支器分支器是在一个主输出信号顺利通过的情况下,能分出一部分低于主输出信号电平的一个或几个相等信号的电子电路,它也具有很好的隔离性。
只要在主输出口接有标准阻抗的同轴电缆线或终端匹配电阻,分支口开路或短路对输入口阻抗和网络传输影响不大。
有线电视网络运用这个特性来连接各用户终端主输入口。
但要求每条线路终端主输出口必须接75Ω标准负载,既不能开路也不能短路,也不允许接用。
分支分配器区别1、分配器的端口标识为:IN、OUT、OUT这是一分二的分配器。
分支器的端口标识为:IN、OUT、TAP、TAP这是一分二的分支器。
2、分配器出来的信号都一样的比如说306分配器就是说有一个进口(IN)三个出口(OUT) 每个出口衰减的DB数是6DB。
分支器可以连级接,而分配器则不能连级接,因为分配器连级接衰减大。
放大器后接一个分配器到电视,两个以上才能到电视的,中间请用分支器。
3、分支器与分配器最大的区别就在于输出到电视的输出口不同,分支器输出到电视的是BR输出口,而分配器是OUT输出口。
4、分配器对信号进行同等的分配,在有线电视经常用到。
分支器从主路上取出少部分信号送到分支口的功率电平分配器件称为分支器。
上海贝特产品性能指标说明一、分支分配器指标一分支器 (BTT1XXE)二分支器 (BTT2XXE)三分支器 (BTT3XXE)四分支器 (BTT 4XXE)五分支器 (BTT5XXE)六分支器 (BTT6XXE)八分支器 (BTT8XXE)二分配器 (BTS204E)三分配器 (BTS306E)四分配器 (BTS408E)四分配器 (BTS408EA)四分配器 (BTS408EB)五分配器 (BTS509E)50-750≤ 9.3≥ 28≥ 18750-1000≤ 10.0≥ 28≥ 18六分配器 (BTS610E)频率范围( MHz )分配损耗( dB )隔离( dB )反射损耗( dB )5-10≤ 8.9≥ 27≥ 1610-50≤ 8.8≥ 28≥ 1850-750≤ 9.9≥ 28≥ 18750-1000≤ 10.5≥ 28≥ 18八分配器 (BTS812E)频率范围( MHz )分配损耗( dB )隔离( dB )反射损耗( dB )5-10≤ 10.8≥ 27≥ 1610-50≤ 10.8≥ 28≥ 1850-750≤ 11.5≥ 28≥ 18750-1000≤ 12.5≥ 28≥ 18二、射频传输放大设备BTIA4000系列放大器技术指标特点:1,BTIA4000系列放大器是吸收了国外最新同类产品的长处,为有线电视系统研制的放大设备。
2,采用进口BGY系列推挽集成电路模块作放大电路,输出电平高。
3,采用铝合金压铸全密封防水型外壳,屏蔽性能佳,防水性能好,能适用于野外各种环境。
4,性能可靠,安装方便。
注 : ① 59 个频道安排在 550MHz 以下,在系统最高频道处测得。
② 59 个频道,采用同步视频方波调制,在系统低端测得。
SGF4100系列自动增益控制及斜率补偿放大器特点:1功率倍增输出有利于系统的扩展和延伸。
2,本系列干线放大器既有采用高导频进行自动增益控制及斜率自动补偿的品种,也有采用低导频进行低端输出电平控制的品种,并可在传输系统中将两者结合,按适当比例间隔配置使用,从而组成具有双导频控制ALC功能的传输系统。
3,由于在传输电平控制方案上利用了单导频控制技术组成双导频控制系统,使系统中干线放大器的调整工作大大简化,同时也提高了设备及系统的可靠性。
4,放大及频率分隔滤波器等部件均采用模块化,便于选件安装及升级。
5,1000MHz的底板及无源部件设计。
6,具有级间频响微调,均衡等多种选件。
外形尺寸mm320*225*110注 : * 59 个 PAL 模拟频道安排在 550MHz 以下,在系统最高频道处测得。
BTEA系列放大器特点:1,采用进口BGY系列推挽集成电路模块作放大电路,输出电平高。
2,具有前置可调衰减及可调均衡器,并预置输出均衡器,方便用户使用。
3,采用铝合金压铸全密封防水型外壳,屏蔽性能佳,防水性能好,能适用于野外各种环境。
4,性能可靠,安装方便。
•技术指标参数单位指标型号4021D4026D4033D4021G4026G4032G4021H4026H4032H带宽MHz47-55047-75047-862最小满增益dB≥ 21≥ 26≥ 32≥ 21≥ 26≥ 32≥ 21≥ 26≥ 32前置均衡器调节范围dB0-10 (连续可调)+ 6 (固定均衡)平坦度dB± 0.75噪声系数dB≤ 8≤ 7.5≤ 7.5≤ 7.5≤ 7.5≤ 8.5≤ 7.5≤ 7.5≤ 8参考输出电平dBuV939810593981049398104组合三次差拍比 CTBdB787062787062787062①交调比CM ②dB776961776961776961组合二次差拍比 CSOdB706662706662706662①反射损耗dB≥ 14≥ 14≥ 14信号交流声比dB≥ 70≥ 66电源输入范围 (准方V~44-62波)功率消耗W20外形尺寸mm235 × 205 × 80注 : ① 59 个频道安排在 550MHz 以下,在系统最高频道处测得。
② 59 个频道,采用同步视频方波调制,在系统低端测得。
BTLE-M系列双向放大器特点:1,具有功率倍增输出为将来提供扩展的可能及选择。
2,放大及频率分隔滤波器等部件均采用模块化,便于选件安装及升级。
3,1000MHz的底板及无源部件设计。
4,具有单路及双路输出,可与各种不同接入网络结构配套。
5,具有级间频响微调,均衡等多种选件。
注:① 59 个 PAL 模拟频道安排在 550MHz 以下,在系统最高频道处测得。
② 59 个 PAL 模拟频道,采用同步视频方波调制,在系统低端测得。
③增加反向放大模块后功耗将增加 2W 。
附:产品定购须知BTIA系列室内型线路延长放大器特点:1,采用进口BGY系列混合集成电路模块作放大电路,输出电平高。
2,采用铝合金压铸外壳,外形美观,轻巧,散热良好。
3,采用市电220V供电,适合于室内系统使用。
4,具有单路输出,二分配输出二种规格可供选择使用。
技术指标:项目单位指标标称增益dB 22 26 34传输频带MHz 45-550频率响应dB ± 0.3± 0.5反射损耗dB ≥ 16噪声系数 NF dB < 7.5 < 7 < 7标称输出电平dBuV 93 98 105组合三阶差拍比dB 86 76 62 CTB *交扰调制比 CM *dB 89 79 65 *载波二次互调比dB ≥ 76≥ 74≥ 64最大输出电平dBuV 120信号交流声比dB ≥ 70供电电压V 220V 50Hz功率消耗W 12 15 15外形尺寸mm 187.5×106×61注:① 59 个频道,在系统最高处测得。
② 59 个频道,采用同步视频方波调制,在 CH1 处测得。
BTLE-系列双向放大器特点:1, 具有推挽及功率倍增输出为将来提供扩展的可能及选择。
2,放大及频率分隔滤波器等部件均采用模块化,便于选件安装及升级。
3,1000MHz的底板及无源部件设计。
4,具有单路及双路输出,可与各种不同接入网络结构配套。
5,具有级间频响微调,均衡等多种选件。
6,具有网管接口,可用于具备网络管理功能的CATV系统中。
注 : ① 59 个 PAL 模拟频道安排在 550MHz 以下,在系统最高频道处测得。
② 59 个 PAL 模拟频道,采用同步视频方波调制,在系统低端测得。
③增加反向放大模块后功耗将增加 8W 。
附:产品定购须知三、光传输和接收设备SBO -860系列野外型光接收机特点:1,采用进口BGY系列集成电路,噪声低,频带宽。
2,主路(MAIN)与桥接(BRIDGE)均可为高电平或分配输出,任意搭配可选,方便用户系统设计上的灵活应用。
3,设置光输入信号测试点(5V/mW),并有光输入信号丢失报警指示,可以便捷地测试光路的运行情况。
4,可配备专用防水型光缆连接器,多种形式的光纤连接方式。
5,采用铝合金压铸全密封防水型外壳,既可防水防潮,同时,散热条件良好,可在野外各种气候条件下工作。
6,高可靠性,元器件采用国外优质产品,在使用中留有较大指标富余量。
技术指标:附表: SBO - 860 光纤链路特性注:①以上链路特性在 CTB = 65dB,CSO=63dB 时测得②加载频道数为 59 个 PAL 中国标准制式③接收机光输入功率: 0dBm④无主路输出放大器( SBO - 867 - MJ - * )⑤光发射机采用贝特( BTOT )⑥交流电源为准方波输出。
若交流电源为正弦波,则工作电压为 44~60V⑦带有主路输出放大器BTNS系列网络工作站特点:1,1000MHz通用机壳和无源器件设计。
2,光正向接收及反向发射设备与放大设备兼容。
3,具有四通道高电平输出。
4,每通道单独采用功率倍增集成块输出。
5,可选用AGC电平控制。
6,高效率开关电源及优良的散热设计。
7,不间断工作测试点。
8,具有正向光接收备份。
技术指标:反向光发送机: 1mW - 2mW射频激励电平:视频为 102dBuV 数据为 92dBuV正向光接收机: -8dBm 报警(红灯亮)-2dBm 接收: 84dBuV 左右输出(光接收机)CNR : 50dB (光功率在- 2dBm 接收, 59 路 PAL - D 射频)(第一级采用低噪声放大)频响:± 0.75dB反射:≥ 16dBBTOP-4W网络工作站特点:1,1000MHz通用机壳和无源器件设计。
2,具有双向四通道高电平输出。
3,每通道单独采用功率倍增(砷化镓或硅)集成模块输出。
4,具有光发射及光接收备份,并自动切换。
(按需订购)5,高效率开关电源热备份及优良的散热设计。
(按需订购)6,不间断工作测试点。
7,具有网络状态监测功能。
(按需订购)技术指标:反向光发送机: 1mW 或 2mW射频激励电平:视频为 106dBuV 数据为 96dBuV正向光接收机:- 8dBm 报警(红灯亮)-2dBm 接收: 84dBuV 左右输出(光接收机)CNR : 50dB( 光功率在- 2dBm 接收, 59 路 PAL - D 射频 ) , ( 第一级采用低噪声放大 )频响:± 0.75dB反射:≥ 16dB射频(正向通道)参数单位技术参数频率范围MHz85-75085-860标称增益dB38标称输出电平dBuV110/100108/98最小满增益dB42带内平坦度dB± 0.75dB (含双工)反射损耗dB≥ 16载波组合三次差拍 C/CTB dB72载波组合二次差拍 C/CSO dB74载波组合交调 C/CXM dB70噪声系数dB≤ 9群时延ns112.25MHz/116.68MHz τ≤ 8 ( 85-750MHz )载波交流声比dB≥ 66耐冲击电压 10/700us KV5供电电压V~60 ( 35-90 ) 50Hz功耗W65注:标称输出电平 110/100 dBuV 及 108/98 dBuV 指 47-550MHz 的输出电平, 550-860MHz 为数据传输频带比模拟信号低 10dB 。
射频(反向通道)参数单位技术指标频率范围MHz5-65增益dB14161820标称输出电平dBuV92949698带内平坦度dB≤± 0.75反射损耗dB≥ 16噪声系数dB≤ 13载波二次互调比dB≥ 55最大输出电平dBuV≥ 120功耗W15注:测试时输出电平为 120dBuV 。
载波二次互调比为 5-65MHz 波段内 f1=31.25MHz , f2=48.25MHz , f2 - f1=17MHz 处测得。
BTOS系列网络工作站特点:1,1000MHz通用机壳和无源器件设计。