”拨叉零件的机械加工工艺工序卡片
- 格式:doc
- 大小:123.54 KB
- 文档页数:6
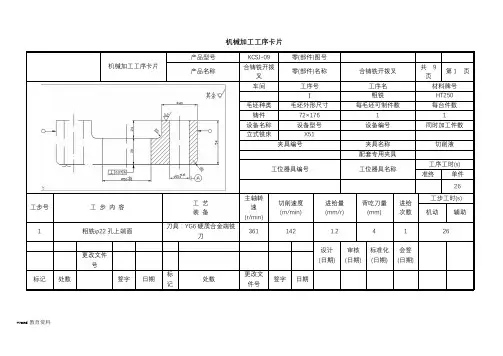
机械加工工序卡零件名称拨叉零件编号工序号工序名称设备型号夹具名称定位原件材料班级姓名日期序刀具及辅具切削用量步内容工号名称规格 f n831008010铣削X62万能铣床通用夹具V形块HT200辅机动助时间时间min1 以φ32 外圆为粗基准,粗铣φ20 孔上端面,使其长度端铣刀W18Cr4V硬质合至 39mm 金钢 YG6以φ32 外圆为粗基准,粗铣φ20 孔下端面,使其长度端铣刀W18Cr4V硬质合2的下端面金钢 YG6 至 37mm,以及φ54成都理工大学机械加工工序卡零件名称1.5m 0.16 119.3475r/min 0.09m mm/z m/min1.5m 0.16 119.3475r/min 0.09m mm/z m/min拨叉零件编号831008工序号020工序铣削名称设备X62型号万能铣床夹具通用名称夹具定位V 形块元件材料HT200班级姓名日期2008.1序刀具及辅具工步内容号名称规格2 精铣φ 20 上表面,使其长度至 36mm 端铣刀W18Cr4V硬质合金钢 YG63 精铣φ 20 下表面,使其长度至 35mm 端铣刀W18Cr4V硬质合金钢 YG6成都理工大学机械加工工序卡零件名称辅切削用量机动助时间时间f n min1.0m 0.16 119.3475r/min 0.09m mm/z m/min1.0mm0.16 119.30.09475r/minmm/z m/min拨叉零件831008编号工序号030工序铣削名称设备钻床型号夹具通用夹具名称定位V 形块元件材料HT200序工步内容号刀具及辅具班级姓名日期2008.1辅机动助切削用量时间时间名称规格以φ20 孔的下端面为精基准,钻, 扩, 铰, 精铰φ高速钢d0 =191孔,保证垂直精度达到IT7 (扩钻)麻花钻头202铰孔铰刀高速钢d0=20 3精铰铰刀高速钢d0=20 成都理工大学机械加工工序卡零件名称f n min15.4m2mm0.48mm/r 272r/min 0.10 m/r15.4m0.5mm0.48mm/r 272r/min 0.10 m/r15.4mIT70.48mm/z 272r/min 0.10 m/r拨叉零件编号831008工序号040工序名称设备型号夹具名称定位元件材料班级姓名日期序刀具及辅具切削用量工步内容号名称规格 f n1 以φ20 内孔为精基准,钻,扩 , 铰,精铰,φ542mm0.40高速钢φ=53 mm 19.5m/min 125r/min麻花钻头的孔,保证孔的精度达到 IT13 。
.拨叉机械加工工艺过程卡片产品型号零〔零件〕图号机械加工工艺过程卡片第产品名称拨叉零〔零件〕名称拨叉共21页页资料牌号QT200毛坯种毛坯外形尺寸每毛坯可制件数1每台件数备铸件1类注工序工时/s工序内容车间工段设施工艺设施准 工序名称号单件终1 锻造锻造2粗铣面以凹弧面及60的外圆为粗基准粗加工加工底面,同时加工两个φ20的下端面到尺寸。
3 精铣面精加工底面留刮余量,4钻、绞孔钻φ的孔,绞至φ20的基准孔。
以底面和孔定位,加工φ30的沉孔到尺寸要求,粗铣尺寸5铣沉孔、铣面 长度尺寸104的两头面抵达所需尺寸,用相同的方法粗铣内侧表面抵达尺寸6 钻孔 钻φ 的通孔,钻φ的通孔绞至φ10 的孔7 绞孔、攻螺纹 绞φ的孔至尺寸要求,攻M12的螺纹至深度.8钻孔、攻螺纹以φ10的孔为基准钻φ的孔,攻M6的螺纹。
9钻、绞孔以底面和孔为定位基准钻φ的同轴孔,绞同轴孔尺寸至φ10铸工机工X62卧式铣床专用夹具、端面铣刀、三用游标卡尺机工X62卧式铣床专用夹具、端面铣刀、三用游标卡尺机工Z525型立式钻专用夹具、麻花钻、硬质床合金锥柄绞、内径千分尺机工X51立式铣床专用夹具、端面铣刀、三用游标卡尺机工Z525型立式钻专用夹具、麻花钻、内径床千分尺机工Z525型立式钻专用夹具、硬质合金锥柄床绞、丝锥、内径千分尺机工Z525型立式钻专用夹具、麻花钻、丝锥、床内径千分尺机工Z525型立式钻专用夹具、麻花钻、硬质床。
合金锥柄绞、内径千分尺;..10刮底面刮底面到尺寸及表面粗拙度。
机工平底锪刀11去毛刺去除所有毛刺钳工台虎钳锉刀12检查终检标准化设计〔日期〕审查〔日期〕会签〔日期〕〔日期〕改正签日标处改正文件签日标志处数文件字期记数号字期号;.机械加工工序卡片.机械加工工序卡片产品型号产品名称零〔零件〕图号拨叉零〔零件〕名称车间工序号机工02毛坯毛坯外形种类尺寸共拨叉2第1页页工序名资料牌号粗铣面QT200每毛坯可制每台件数件数铸件256*60*62.511设施设施型号名称卧式X62卧式铣铣床床夹具编号工位用具编号设施编号同时加工夹具名称切削液专用夹具乳化液工位用具工序工时/s单名称准终件工步号工步内容工艺设施1粗铣60端面硬质合金镶齿套式端面铣刀2粗铣φ20端面硬质合金镶齿套式端面铣刀3粗铣φ20端面硬质合金镶齿套式端面铣刀切削主轴转速速度进给量/r﹒s-1/mm﹒r-1/m﹒s-1走刀进工步工时/s给长度次灵活协助/mm数60111;..标志处数改正文件署名日期标志处数改正文件号署名日号期;..机械加工工序卡片产品型号零〔零件〕图号机械加工工序卡片产品名称拨叉零〔零件〕名称拨叉共1 第1页页车间 工序号工序名 资料牌号机工 03精铣面 QT200毛坯 毛坯外形尺寸每毛坯可 每台件数种类 制件数铸件11设施 设施型号设施编号同时加工名称卧式 X62卧式铣床铣床夹具编号夹具名称 切削液专用夹具 乳化液工位用具编号工位用具名工序工时/s称准终单件主轴转切削走刀 进 工步工时/s速度 进给量给工步号工步内容工艺设施速/r ﹒-1长度/m ﹒/mm ﹒r 次 灵活 协助s-1/mms -1数 1精铣60端面硬质合金镶齿套式端面铣601刀2精铣φ20 端面硬质合金镶齿套式端面铣201刀3精铣φ20 端面硬质合金镶齿套式端面铣201刀标志处数改正文件日期标志处数改正文件号日署名署名号期;..机械加工工序卡片产品型号零〔零件〕图号机械加工工序卡片拨叉拨叉产品名称零〔零件〕名称车间工序号工序名机工04钻、绞孔毛坯种毛坯外形尺寸每毛坯可类制件数铸件1设施名设施型号设施编号称卧式铣Z525型立式钻床床夹具编号夹具名称专用夹具工位用具编号工位用具名称共1第1页页资料牌号QT200每台件数1同时加工切削液乳化液工序工时/s准终单件主轴转切削速进给量走刀进给工步工时/s工步号工步内容工艺设施速/r﹒度-1长度/mm﹒r次数灵活协助s-1/m﹒s-1/mm1钻φ的孔麻花钻、内径千分尺12绞至φ20的基准孔硬质合金锥柄绞、内径千分尺201标志改正文件署名日期标志处数改正文件号日处数署名号期;.工步号123标志.机械加工工序卡片产品型号零〔零件〕图号机械加工工序卡片产品名称拨叉零〔零件〕名称拨叉共1第1页页车间工序号工序名资料牌号机工05铣面钻QT200绞孔毛坯每毛坯毛坯外形尺寸可制件每台件数种类数铸件11设施设施型号设施编同时加工名称号卧式X52K立式铣床铣床夹具编号夹具名称切削液专用夹具乳化液工位用具编号工位用具名工序工时/s称准终单件主轴转切削走刀进工步工时/s速度进给量给工步内容工艺设施速/r﹒-1长度/m﹒/mm﹒r次灵活协助s-1/mms-1数粗铣、半精铣尺寸长度尺寸104的两头面抵达所需尺硬质合金镶齿套式端面铣2寸刀用相同的方法粗铣内侧表面抵达尺寸84硬质合金镶齿套式端面铣82刀铣U型槽硬质合金镶齿套式端面铣141刀处数改正文署名日期标志处数改正文件号署名日件号期;..机械加工工序卡片产品型号零〔零件〕图号机械加工工序卡片产品名称拨叉零〔零件〕名称拨叉共1 第1页页车间 工序号工序名资料牌号机工 06钻孔 QT200毛坯 毛坯外形尺寸每毛坯可 每台件数种类 制件数铸件11设施 设施型号设施编号同时加工名称卧式 Z525型立式钻铣床床夹具编号夹具名称 切削液专用夹具乳化液工序工时/s工位用具编号工位用具名称准终单件127 256主轴转切削走刀工步工时/s速度 进给量 进给工步号工步内容工艺设施速/r ﹒长度辅 /m ﹒/mm ﹒r -1次数 灵活s-1/mm 助s -11钻φ 的通孔 麻花钻、内径千分尺1 122 钻φ的通孔麻花钻、内径千分尺25 1 73绞至φ10的孔硬质合金锥柄绞、内径千分尺2516标志处数 改正文件署名日期标志处数改正文件号署名日号期;.机械加工工序卡片产品型号零〔零件〕图号机械加工工序卡片拨叉拨叉产品名称零〔零件〕名称5车间工序号工序名机工07绞孔、攻螺纹毛坯种毛坯外形尺寸每毛坯可类制件数铸件1设施名设施型号设施编号称卧式铣Z525型立式钻床床夹具编号夹具名称专用夹具工位用具名工位用具编号称.共1第1页页资料牌号QT200每台件数1同时加工切削液乳化液工序工时/s准终单件7.2108.6主轴转切削速走刀进工步工时/s进给量给工步号工步内容工艺设施速/r﹒度-1长度/mm﹒r次灵活协助s-1/m﹒s-1/mm数1绞φ的孔至尺寸要求硬质合金锥柄绞、内径千分1尺2攻M12的螺纹丝锥、内径千分尺1标志处数改正文件日期标志处数改正文件号署名日署名期号;..机械加工工序卡片产品型号零〔零件〕图号机械加工工序卡片共1第产品名称拨叉零〔零件〕名称拨叉1页页车间工序号工序名资料牌号机工08钻孔、攻螺纹QT200毛坯种毛坯外形尺寸每毛坯可制每台件数类件数铸件11设施名设施型号设施编号同时加工称卧式铣X62床夹具编号夹具名称切削液专用夹具乳化液工序工时工位用具编号工位用具名称/s单准终件3.56主轴转切削速走刀工步工时进给量进给次/s工步号工步内容工艺设施速/r﹒度-1长度/mm﹒r数辅s-1/m﹒s-1/mm灵活助1以φ10的孔为基准钻φ的孔麻花钻、内径千分尺412攻M6的螺纹丝锥、内径千分尺41标志改正文件署名日期标志处数改正文件号日处数署名号期;..机械加工工序卡片产品型号零〔零件〕图号机械加工工序卡片产品名称拨叉零〔零件〕名称拨叉共1第1页页车间工序号工序名资料牌号机工09钻、绞孔QT200毛坯毛坯外形尺寸每毛坯可制每台件数种类件数铸件11设施设施型号设施编号同时加工名称卧式Z525型立式钻铣床床。
机械加工工艺过程卡片生产类型大批量零件图号产品名称拨叉零件名称共 1 页第 1 页材料牌号HT200 毛坯种类铸件毛坯外形尺寸每毛坯件数每台件数备注工序号工名序称工序内容车间工段设备工艺装备工时夹具刀具量具准终单件05 铣粗铣Φ40下端面金工X6140卧式铣床专用铣夹具YG8硬制合金刀具千分表10 铣粗铣Φ50下端面金工X6140卧式铣床专用铣夹具YG8硬制合金刀具千分表15 铣粗铣Φ40上端面金工X6140卧式铣床专用铣夹具YG8硬制合金刀具千分表20 铣粗铣Φ50上端面金工X6140卧式铣床专用铣夹具YG8硬制合金刀具千分表25 铣粗铣Φ20台阶面金工X6140卧式铣床专用铣夹具YG8硬制合金刀具千分表30 钻钻、扩Φ20孔,倒角C2 金工组合机床专用钻夹具麻花钻刀具游标卡尺35 镗粗镗Φ50孔金工卧室镗床T616专用铣夹具镗刀游标卡尺40 拉拉Φ20孔金工卧式拉床专用钻夹具铰刀千分表45 铣半精铣Φ40下端面金工X51专用铣夹具硬质合金刀片千分表50 铣半精铣Φ40上端面金工X51专用铣夹具硬质合金刀片千分表55 铣半精铣Φ50上端面金工X51 专用铣夹具硬质合金刀片千分表60 铣半精铣Φ50下端面金工X51专用铣夹具硬质合金刀片千分表65 拉拉Φ50 孔金工卧式拉床专用镗夹具特制拉刀游标卡尺70 钻钻、铰Φ3锥孔金工Z525立式钻床专用钻夹具麻花钻、铰刀塞规75 钻钻、铰Φ8孔金工Z525立式钻床专用钻夹具麻花钻、铰刀塞规80 钻钻M10底孔金工Z525立式钻床专用钻夹具麻花钻塞规85 铣断金工X60专用铣夹具圆盘铣刀塞规90 去毛刺金工终检设计(日期)校对(日期)审核(日期)标准化(日期)会签(日期)标记处数更改文件号签字日期标记处数更改文件号签字日期。
机械加工工艺过程卡片产品型号零件图号1
产品名称拨叉零件名称拨叉共 1 页第 1 页材料牌号HT200 毛坯种类铸件毛坯外形尺寸200×90×130每毛坯件数 1 每台件数 1 备注
工序号工名
序称
工序内容
车
间
工
段
设备
工艺装备工时
夹具刀具量具准终单件铸造铸
时效热
涂底漆表
10
铣
粗铣下端面金工专用铣床专用夹具面铣刀游标卡尺20 铣粗铣Φ80上端面金工专用铣床专用夹具面铣刀游标卡尺30 铣粗铣Φ45上端面金工专用铣床专用夹具面铣刀游标卡尺40 拉拉φ40孔及宽为8的键槽,底部Ra6.3,侧面Ra3.2的键槽金工拉床专用夹具拉铣刀内径百分表50 钻钻φ20孔,金工钻床专用夹具铰刀
60 钻钻φ18的孔金工钻床专用夹具钻头
70 锯锯两条厚为5的缝金工专用夹具
80 铣精铣上端面金工铣床专用夹具铣刀
90 铣精铣下端面金工铣床专用夹具铣刀
100 钻钻两个R14孔金工钻床专用夹具钻头
110 攻攻螺纹金工钻床专用夹具丝锥
120 去毛刺金工
130 清洗金工
140 终检金工
设计(日期)校对(日期)审核(日期)标准化(日期)会签(日期)谢伟明2011-6-24
日
2011-6-24 2011-6-24 2011-6-24 2011-6-24 2011-6-24
标记处数更改文件号签字日期标记处数更改文件号签字
期。
潍坊学院机械加工工序卡片生产类型中批生产工序号10零件名称拨叉零件号零件重量 1.0kg 同时加工零件数 1材料毛坯牌号硬度型式重量HT200 HB170~240 铸件设备夹具和辅助工具名称型号普通夹具车床C3163-1工序工步工步说明刀具量具走刀长度(mm)走刀次数切削深度(mm)进给量(mm/n)主轴转速(r/min)切削速度(m/min)基本工时min粗车 1 粗车端面 A 保证尺寸82mm90度车刀游标卡尺30 1 2.8 0.53200 40.8 0.33潍坊学院机械加工工序卡片生产类型中批生产工序号30零件名称拨叉零件号零件重量 1.0kg 同时加工零件数 1材料毛坯牌号硬度型式重量HT200 HB170~240 铸件设备夹具和辅助工具名称型号普通夹具车床C3163-1工序工步工步说明刀具量具走刀长度(mm)走刀次数切削深度(mm)进给量(mm/n)主轴转速(r/min)切削速度(m/min)基本工时min粗铣 1 粗铣端面B 90度车刀游标卡尺30 1 0.5 0.16 400 57.1 0.35潍坊学院机械加工工序卡片生产类型中批生产工序号40零件名称拨叉零件号零件重量 1.0kg 同时加工零件数 1材料毛坯牌号硬度型式重量HT200 HB170~240 铸件设备夹具和辅助工具名称型号普通夹具钻床工序工步工步说明刀具量具走刀长度(mm)走刀次数切削深度(mm)进给量(mm/n)主轴转速(r/min)切削速度(m/min)基本工时min钻孔 1 钻花键底孔至19mm以零件上表面定位,保证尺寸29mmФ20中心钻游标卡尺80 1 20 0.62 280 17 0.32潍坊学院机械加工工序卡片生产类型中批生产工序号30零件名称拨叉零件号零件重量 1.0kg 同时加工零件数 1材料毛坯牌号硬度型式重量HT200 HB170~240 铸件设备夹具和辅助工具名称型号普通夹具车床C3163-1工序工步工步说明刀具量具走刀长度(mm)走刀次数切削深度(mm)进给量(mm/n)主轴转速(r/min)切削速度(m/min)基本工时min精铣 12 精铣端面A精铣端面B,保证尺寸80mm90度车刀游标卡尺30 1 0.5 0.16 400 57.1 0.35潍坊学院机械加工工序卡片生产类型中批生产工序号50零件名称拨叉零件号零件重量 1.0kg 同时加工零件数 1材料毛坯牌号硬度型式重量HT200 HB170~240 铸件设备夹具和辅助工具名称型号普通夹具车床C3163-1工序工步工步说明刀具量具走刀长度(mm)走刀次数切削深度(mm)进给量(mm/n)主轴转速(r/min)切削速度(m/min)基本工时min扩孔 12 扩花键底孔至直径22mm倒角2x15Ф22mm扩孔钻45度偏刀游标卡尺游标卡尺801512120.620.6228028017170.320.32潍坊学院机械加工工序卡片生产类型中批生产工序号20零件名称拨叉零件号零件重量 1.0kg 同时加工零件数 1材料毛坯牌号硬度型式重量HT200 HB170~240 铸件设备夹具和辅助工具名称型号普通夹具铣床X62W工序工步工步说明刀具量具走刀长度(mm)走刀次数切削深度(mm)进给量(mm/r)主轴转速(r/min)切削速度(m/min)基本工时min粗铣 1 粗铣C面和D面保证尺寸27.5mm和73mm 高速钢面铣刀游标卡尺52 1 3 0.6 160 23.7 0.525潍坊学院机 械 加 工 工 序 卡 片 生产类型中批生产 工序号 603.2QQB零件名称 拨 叉 零件号零件重量 1.0kg 同时加工零件数 1材 料 毛 坯 牌 号 硬 度 型 式 重 量 HT200 HB170~240 铸 件设 备 夹具和辅助工具 名 称型 号普通夹具铣床 X62W工 序 工 步 工步说明刀 具 量 具 走刀 长度 (mm ) 走刀 次数 切削 深度(mm) 进给量(mm/r) 主轴转速 (r/min )切削速度(m/mi n) 基本工时min 精铣1精铣C 面 保证尺寸27mm高速钢面铣刀游标卡尺521 0.2 0.512 210 33.10.336潍坊学院机 械 加 工 工 序 卡 片 生产类型 中批生产 工序号 70 QQQ QQ零件名称拨 叉零件号零件重量 1.0kg同时加工零件数 1材 料 毛 坯 牌 号 硬 度 型 式 重 量 HT200HB170~240 铸 件设 备 夹具辅助工具名 称型 号普通 夹具拉床工序 工 步 工步说明刀 具 量 具 走刀 长度 (mm ) 走刀 次数 切削 深度(mm) 进给量(mm/r) 主轴转速 (r/min )切削速度(m/s) 基本工时min拉花键1拉六齿方型花键 健齿高为3mm高速钢拉刀游标卡尺1001 1 0.060.060.13潍坊学院机械加工工序卡片生产类型中批生产工序号80零件名称拨叉零件号零件重量 1.0kg 同时加工零件数 1材料毛坯牌号硬度型式重量HT200 HB170~240 铸件设备夹具和辅助工具名称型号普通夹具铣床X62W工序工步工步说明刀具量具走刀长度(mm)走刀次数切削深度(mm)进给量(mm/z)主轴转速(r/min)切削速度(m/min)基本工时min粗铣槽1 粗铣槽A 保证尺寸19mm和尺寸10mm高速钢直齿精密级三面刃铣刀莫氏量规60 1 8 0.018 375 74.2 0.491.61.63.2Q潍坊学院机 械 加 工 工 序 卡 片 生产类型 中批生产 工序号 90 3.2QQ26.05零件名称拨叉零件号零件重量 1.0kg同时加工零件数 1材 料 毛 坯 牌 号 硬 度 型 式 重 量 HT200 HB170~240铸 件 设 备夹 具辅助工具名 称 型 号普通 夹具铣床X62W工 序 工 步 工步说明刀 具量 具 走刀 长度 (mm ) 走刀 次数 切削 深度(mm) 进给量(mm/z) 主轴转速 (r/min )切削速度(m/mi n) 基本工时min 粗铣槽1粗铣槽B 至17.9mm 保证尺寸26.05mm 和尺寸50mm 高速钢直齿精密级三面刃铣刀莫氏量规601 22.9 0.020 30094.20.537潍坊学院机 械 加 工 工 序 卡 片 生产类型 中批生产 工序号 100 3.23.23.2QQ零件名称拨叉零件号零件重量 1.0kg同时加工零件数 1材 料 毛 坯 牌 号 硬 度 型 式 重 量 HT200 HB170~240铸 件 设 备夹 具辅助工具名 称 型 号普通 夹具铣床工 序 工 步 工步说明刀 具 量 具 走刀 长度 (mm ) 走刀 次数 切削 深度(mm) 进给量(m/min ) 主轴转速 (r/mi n ) 切削 速度(m/s) 基本工时min 精铣槽1精铣槽B保证尺寸26mm 和尺寸50mmGZ46KV6P350×40 ×127莫氏量规12010.550 30002.53.1。
机械加工工艺过程卡片机械加工工序卡片(一)机械加工工序卡片产品型号CA6140零件图号共7 页产品名称车床零件名称拨叉第 1 页车间工序号工序名称材料牌号车床 1 车HT200毛坯种类毛坯外形尺寸每件毛坯可制件数每台件数铸件 1 1设备名称设备型号设备编号同时加工件数转塔式六角车床C3613-1 1 夹具编号夹具名称切削液通用夹具工位器具编号工位器具名称工序工时/min准终单件工步号工步内容工艺装备主轴转速/(r/min)切削速度/(m/min)进给量/(mm/r)背吃刀量/mm走刀次数公步工时/min机动辅助1 粗车端面A 90度车刀,游标卡尺200 40.8 0.53 2.8 1 0.332 精车端面A 90度车刀,游标卡尺400 57.1 0.16 0.5 1 0.353 钻花键底孔Φ20中心钻,游标卡尺280 17 0.62 20 1 0.324 扩花键底孔Φ21扩孔钻,游标卡尺280 17 0.62 1 1 0.325 倒角2x15°45度偏刀 2 2设计(日期)校对(日期)审核(日期)标准化(日期)会签(日期)标记处数更改文件号签字日期标记处数更改文件号签字日期6月9号机械加工工序卡片(二)机械加工工序卡片产品型号CA6140零件图号共7 页产品名称车床零件名称拨叉第 2 页车间工序号工序名称材料牌号机械加工工序卡片(三)机械加工工序卡片产品型号CA6140零件图号共7页产品名称车床零件名称拨叉第3页车间工序号工序名称材料牌号铣床 3 铣HT200 毛坯种类毛坯外形尺寸每件毛坯可制件数每台件数铸件 1 1设备名称设备型号设备编号同时加工件数铣床X62W 1 夹具编号夹具名称切削液专用夹具工位器具编号工位器具名称工序工时/min准终单件步号工步内容工艺装备主轴转速/(r/min)切削速度/(m/min)进给量/(mm/r)背吃刀量/mm走刀次数公步工时/min机动辅助1 粗铣B面高速钢面铣刀,游标卡尺160 23.7 0.6 3 1 0.5282 精铣B面高速钢面铣刀,游标卡尺210 33.1 0.512 0.2 1 0.336设计(日期)校对(日期)审核(日期)标准化(日期)会签(日期)标记处数更改号件号签字日期标记处数更改号件号签字日期6月9号机械加工工序卡片(四)机械加工工序卡片产品型号CA6140零件图号共7页产品名称车床零件名称拨叉第4页车间工序号工序名称材料牌号铣床 4 铣HT200 毛坯种类毛坯外形尺寸每件毛坯可制件数每台件数铸件 1 1设备名称设备型号设备编号同时加工件数铣床X62W 1 夹具编号夹具名称切削液1 专用夹具工位器具编号工位器具名称工序工时/min准终单件工步号工步内容工艺装备主轴转速/(r/min)切削速度/(m/min)进给量/(mm/r)背吃刀量/mm走刀次数公步工时/min机动辅助1 铣8mm的槽高速钢直齿精密级三面刃铣刀,量块375 74.2 0.018 8 1 0.49设计(日期)校对(日期)审核(日期)标准化(日期)会签(日期)标记处数更改文件号签字日期标记处数更改文件号签字日期6月9号机械加工工序卡片(五)机械加工工序卡片产品型号CA6140零件图号共7 页产品名称车床零件名称拨叉第5页车间工序号工序名称材料牌号铣床 5 铣HT200 毛坯种类毛坯外形尺寸每件毛坯可制件数每台件数铸件 1 1设备名称设备型号设备编号同时加工件数铣床X62W夹具编号夹具名称切削液专用夹具工位器具编号工位器具名称工序工时/min准终单件工步号工步内容工艺装备主轴转速/(r/min)切削速度/(m/min)进给量/(mm/r)背吃刀量/mm走刀次数公步工时/min机动辅助1 铣18mm的槽高速钢直齿精密级三面刃铣刀,量块300 94.2 0.020 22.9 1 0.5372 铣18mm的槽高速钢直齿精密级三面刃铣刀,量块300 94.2 0.020 23.9 1 0.537设计(日期)校对(日期)审核(日期)标准化(日期)会签(日期)标记处数更改文件号签字日期标记处数更改文件号签字日期6月9号机械加工工序卡片(六)机械加工工序卡片产品型号CA6140零件图号共7页产品名称车床零件名称拨叉第6页车间工序号工序名称材料牌号磨床 6 磨HT200 毛坯种类毛坯外形尺寸每件毛坯可制件数每台件数铸件 1 1设备名称设备型号设备编号同时加工件数磨床 1 夹具编号夹具名称切削液专用夹具工位器具编号工位器具名称工序工时/min准终单件工步号工步内容工艺装备主轴转速/(r/min)切削速度/(m/s)进给量/(mm/r)背吃刀量/mm走刀次数公步工时/min机动辅助1 磨宽为18mm的槽GZ46KV6P350×40×127,量块3000 2.5 50 0.5 1 3.1设计(日期)校对(日期)审核(日期)标准化(日期)会签(日期)标记处数更改文件号签字日期标记处数更改文件号签字日期6月9号。
XXXX公司机械加工工序卡片产品型号零(部)件图号产品名称车床拨叉零(部)件名称拨叉共 12 页第 1 页车间工序号工序名称材料牌号1粗铣拨叉头两端面ZG45毛坯种类毛坯外形尺寸每毛坯件数每台件数锻件 1 1设备名称设备型号设备编号同时加工件数立式铣床X51 2夹具编号夹具名称切削液专用夹具乳化液工位器具编号工位器具名称工序工时准终单件0 36.85s工步号工步内容工艺设备主轴转速(r/min)切削速度(m/min)进给量(mm/r)背吃刀量mm进给次数工步工时机动辅助1 粗铣A面至61.46-62.00mm、Ra12.5μmYT15硬质合金面铣刀、游标卡尺380 119.3 0.13 2.2 1 18s 2.70s排图2 粗铣B面至59.46-60.00mm、Ra12.5μmYT15硬质合金面铣刀、游标卡尺380 119.3 0.13 1.7 1 18s 2.70s排校底图号装订号编制日期审核日期会签日期标记处数更改文件号签字日期标记处数更改文件号签字日期XXXX公司机械加工工序卡片产品型号零(部)件图号产品名称车床拨叉零(部)件名称拨叉共 12 页第 2 页车间工序号工序名称材料牌号2 钻扩铰φ20孔ZG45毛坯种类毛坯外形尺寸每毛坯件数每台件数锻件 1 1设备名称设备型号设备编号同时加工件数立式钻床Z535 1夹具编号夹具名称切削液专用夹具乳化液工位器具编号工位器具名称工序工时准终单件工步号工步内容工艺设备主轴转速(r/min)切削速度(m/min)进给量(mm/r)背吃刀量mm进给次数工步工时机动辅助1 钻孔至φ18.00-18.21mm、Ra12.5μm硬质合金麻花钻、游标卡尺392 22.16 0.28 9 1 37.2s 5.58s排图2 扩孔至φ19.84-19.97mm、Ra6.3μm硬质合金扩孔钻、游标卡尺423 24.37 0.62 0.9 1 15.6s 2.34s排校3 铰孔至φ19.96-20.03mm、Ra3.2μm硬质合金铰刀、塞规140 8.80 0.22 0.1 1 144s 21.6s底图号装订号编制日期审核日期会签日期标记处数更改文件号签字日期标记处数更改文件号签字日期XXXX公司机械加工工序卡片产品型号零(部)件图号产品名称零(部)件名称拨叉共 12 页第4 页车间工序号工序名称材料牌号4粗铣拨叉脚两端面ZG45毛坯种类毛坯外形尺寸每毛坯件数每台件数锻件 1 1设备名称设备型号设备编号同时加工件数卧式铣床X62 2夹具编号夹具名称切削液专用夹具乳化液工位器具编号工位器具名称工序工时准终单件工步号工步内容工艺设备主轴转速(r/min)切削速度(m/min)进给量(mm/r)背吃刀量mm进给次数工步工时机动辅助1 粗铣A面至22.01-22.05mm、Ra12.5μm硬质合金三面刃铣刀、游标卡尺135 119.3 0.13 2 1 23.3s 3.50s排图2 粗铣B面至20.01-20.05mm、Ra12.5μm硬质合金三面刃铣刀、游标卡尺135 119.3 0.13 2 1 23.3s 3.50s排校底图号装订号编制日期审核日期会签日期标记处数更改文件号签字日期标记处数更改文件号签字日期XXXX公司机械加工工序卡片产品型号零(部)件图号产品名称零(部)件名称拨叉共 12 页第 5 页车间工序号工序名称材料牌号5 铣叉爪口内侧面ZG45毛坯种类毛坯外形尺寸每毛坯件数每台件数锻件 1 1设备名称设备型号设备编号同时加工件数立式铣床X51 1夹具编号夹具名称切削液专用夹具乳化液工位器具编号工位器具名称工序工时准终单件工步号工步内容工艺设备主轴转速(r/min)切削速度(m/min)进给量(mm/r)背吃刀量mm进给次数工步工时机动辅助1 铣叉爪口内侧面硬质合金铣刀、卡规380 119.3 0.132 1 25.4s 3.81s 排图排校底图号装订号编制日期审核日期会签日期标记处数更改文件号签字日期标记处数更改文件号签字日期XXXX公司机械加工工序卡片产品型号零(部)件图号产品名称零(部)件名称拨叉共 12 页第 6 页车间工序号工序名称材料牌号6精铣拨叉脚两端面ZG45毛坯种类毛坯外形尺寸每毛坯件数每台件数锻件 1 1设备名称设备型号设备编号同时加工件数卧式铣床X62 2夹具编号夹具名称切削液专用夹具乳化液工位器具编号工位器具名称工序工时准终单件工步号工步内容工艺设备主轴转速(r/min)切削速度(m/min)进给量(mm/r)背吃刀量mm进给次数工步工时机动辅助1 粗铣A面至18.01-18.05mm、Ra6.3μm硬质合金三面刃铣刀、游标卡尺590 185.26 0.08 0.052 1 26.6s 3.99s排图2 粗铣B面至17.97-18.02mm、Ra6.3μm硬质合金三面刃铣刀、游标卡尺590 185.26 0.08 0.052 1 26.6s 3.99s排校底图号装订号编制日期审核日期会签日期标记处数更改文件号签字日期标记处数更改文件号签字日期。