合铸铣开拨叉工序过程卡片
- 格式:doc
- 大小:425.50 KB
- 文档页数:10
拨叉加工工序卡片零件图号共7页零件名称变速器换档叉第1页车间工序号工序名称材料牌号05 铳端面35毛坯种类毛坯外形尺寸每件毛坯可制件数每台件数锻件 1 1设备名称设备型号设备编号同时加工件数立式铳床X51 1 夫具编号夹具名称切削液专用夹具乳化液工位器具编号工位器具名称工序工时准终单件主轴转速切削速度进给量/( mm 1背吃刀量走刀工时定额50 钳毛刺塞规百分表卡尺等设计(日期)校对(日期)审核(日期)标准化(日期)会签(日期)标记处数更改文件号签字日期标记处数更改文件号签字日期机械加工工序(05)卡片江汉大学机电学院机械加工工序卡片机械加工工序(10)卡片零件图号零件名称车间变速器换档叉毛坯种类锻件设备名称立式钻床夹具编号工位器具编号工序号10毛坯外形尺寸设备型号Z525工序名称钻孔,铰孔每件毛坯可制件数1设备编号夹具名称专用夹具工位器具名称共7页第—2页材料牌号35每台件数1同时加工件数1切削液乳化液工序工时准终|单件工步工步内容号1 用①15.5的麻花钻钻孔工艺装备主轴转速切削速度进给量/ (mm背吃刀量硬质合金麻花钻/ (r / min) / (mj/ min) /mm走刀次数工时定额基本辅助392 19.09 0.22 42.9 32.4s 6.48s2 粗铰孔至①15.7 , IT10 铰刀,塞规195 9.61 0.22 42.9 81.6s3 精铰孔至①15.81 , IT,8 Ra3.2 铰刀,塞规195 9.68 0.12 42.91 78.6s16.32s15.72s设计(日期)校对(日期)审核(日期)标准化(日期)会签(日期)更改签字日期标记处数更改文件号签字日期标记处数文件号机械加工工序(15 )卡片零件图号共7页零件名称变速器换档叉第3页车间工序号工序名称材料牌号15 铣端面35毛坯种类毛坯外形尺寸每件毛坯可制件数每台件数锻件 1 1设备名称设备型号设备编号同时加工件数立式铳床X51 1夫具编号夹具名称切削液专用夹具乳化液工位器具编号工位器具名称工序工时准终单件1背吃刀量走刀工时定额主轴转速切削速度进给量/( mm机械加工工序(20 )卡片机械加工工序(25 )卡片设计(日期)校对(日期) 审核(日期) 标准化(日期) 会签(日期)处数 更改文件号 标记 处数 更改 文件号日期江汉大学机电学院机械加工工序卡片机械加工工序(30 )卡片零件图号共 7页零件名称变速器换档叉第6页车间工序号工序名称材料牌号30 铣侧面35毛坯种类毛坯外形尺寸「每件毛坯可制件数每台件数锻件 1 1设备名称设备型号设备编号同时加工件数立式铳床X51 1夫具编号夹具名称切削液专用夹具乳化液工位器具编号工位器具名称工序工时准终单件机械加工工序(35 )卡片。
目录一. 零件的分析-----------------------------------------2(一)零件作用----------------------------------------2(二)零件工艺分析------------------------------------2 二. 确定毛坯-------------------------------------------3(一)确定毛坯种类--------------------------------------3(二)毛坯各加工面加工余量确定--------------------------3(三)绘制铸件毛坯图------------------------------------4 三. 合铸铣开拔叉的机械加工工艺路线---------------------4(一)选择定位基准------------------------------------4(二)制定工艺路线------------------------------------4(三)机械加工余量、工序尺寸及公差的确定--------------6(四)时间定额的确定----------------------------------8 四. 夹具设计-------------------------------------------9(一)问题的提出----------------------------------------9(二)夹具设计------------------------------------------10(三)夹具装配图及夹具体零件图--------------------------11五.参考文献-------------------------------------------11六. 小结-----------------------------------------------12致谢-----------------------------------------------13一、零件的分析(一)零件的作用合铸铣开拔叉,它位于车床变速机构中,主要起换档,使主轴回转运动按照设计者的要求工作,获得所需的速度和扭矩的作用。
最新资料推荐拨叉机械制造加工工艺卡鲁亚迪 刘 军 机电工程学院 河南农业大学编制人员 指导老师 学 院 学 校产品名称及型号 零件名称 零件图号河 南 农业大学拨叉机械加工工 艺过程卡片iU n机加工 同时加工 件数工序名称每料件数工序号第 3 页«~~8 页材料牌号IIIHT200技术等级力学性能IT7 W200设备名称 摇瞬钻床夹具名称 设备型号 设备编号工作液Z3O25夹具编号单件时间min准备一终结 时间/min工步号 工步内容 工艺装备主紬转速r/min 切削速度m/mim 背吃刀量nri: 进给虽mm/r 进给 次数时间定额 机动辅助1 钻孔eio Z3025 800 25 5 0.2 1 0. 192扩孔①11Z3025800250.50.810. 05更改内容编制 鲁亚迪 抄写 核对 审核 批准专用夹具产品名称及型号 零件图号 第 4 页河 南 农业大学机械加工工 艺过程卡片零件名称 拨叉车间 机加12 同时加丄 件数L :序名称每料件数工序号 IV技术等级材料牌号HT200力学性能设备名称 设备型号IT11设备编号W200匸作液匸步号 匚步内容 工艺装备主轴转速r/min半精锂孔①28T611560镣床T611夹具名称 夹具編号取件时间min准备一终结 时间/'nun通用夹具切削速度m/mim 背吃刀量mm 491.6进给址mm. r 进给 次数时间定额 机动辅助0.30. 1更改内容 编制鲁亚迪抄t 核对 审核批准零件图号产品名称及型号河 南 农业大学机械加工工 艺过程卡片零件名称 拨叉!/1〃///////////力,7〃///〃/〃必 %X\ f f }JA ---- 1 -----f / / 1/十工步号 工步内容 1:艺装备1 拉键槽3X2L6120吏改内容B 主轴转速r/min 500车间 机加工同时加1:件数设备名称拉床夹具名称专用夹具切削速度 m/mim 4.7匸序名称 每料件数 设备型号L6120夹具编号背吃刀虽 mm 2进给塑 工序号 V 技术等级 IT7设备编号m •件时间mmmm/r 次数 0. 151材料牌号HT200力学性能W200工作液准备一终结时间定额 机动 辅助0.41编制 魯亚迪 抄写 核对 审核 批准鼓新资料推荐零件图号产品名称及型号河 南 农业大学机械加丄工 艺过程卡片零件名称 拨叉机加匸 同时加1:工步号工步内容 工艺装备匸序名称工序号 每料件数VI材料牌号HT200技术等级力学性能IT11设备名称设备型号 设备编号W200工作液拉床L6120夹具名称 专用夹具夹具编号单•件时何min准备一终结 时间/mm1 两件切开X52K主轴转速r/min 900切削速度 m/mim 56背吃刀量 m m 9进给虽 mm/r 0」进给 时间定额次数 机动 辅助1 0.57鼓新资料推荐最新将品资料整理推荐,更新于二O二一年一月九日2021年1月9 口星期六20:13:10。
机械加工工艺过程卡片产品型号零件图号1
产品名称拨叉零件名称拨叉共 1 页第 1 页材料牌号HT200 毛坯种类铸件毛坯外形尺寸200×90×130每毛坯件数 1 每台件数 1 备注
工序号工名
序称
工序内容
车
间
工
段
设备
工艺装备工时
夹具刀具量具准终单件铸造铸
时效热
涂底漆表
10
铣
粗铣下端面金工专用铣床专用夹具面铣刀游标卡尺20 铣粗铣Φ80上端面金工专用铣床专用夹具面铣刀游标卡尺30 铣粗铣Φ45上端面金工专用铣床专用夹具面铣刀游标卡尺40 拉拉φ40孔及宽为8的键槽,底部Ra6.3,侧面Ra3.2的键槽金工拉床专用夹具拉铣刀内径百分表50 钻钻φ20孔,金工钻床专用夹具铰刀
60 钻钻φ18的孔金工钻床专用夹具钻头
70 锯锯两条厚为5的缝金工专用夹具
80 铣精铣上端面金工铣床专用夹具铣刀
90 铣精铣下端面金工铣床专用夹具铣刀
100 钻钻两个R14孔金工钻床专用夹具钻头
110 攻攻螺纹金工钻床专用夹具丝锥
120 去毛刺金工
130 清洗金工
140 终检金工
设计(日期)校对(日期)审核(日期)标准化(日期)会签(日期)谢伟明2011-6-24
日
2011-6-24 2011-6-24 2011-6-24 2011-6-24 2011-6-24
标记处数更改文件号签字日期标记处数更改文件号签字
期。
!!拨叉机械加工工序卡常州机电职业技术学院机械加工工序卡产品型号及规格图号名称工艺文件编号1/5拨叉材料牌号及名称毛坯外型尺寸HT200 拨叉零件毛重零件净重硬度设备型号设备名称X52K 铣床专用工艺装备名称代号专用夹具机动时间单件工时定额每合件数5min 1 技术等级冷却液中工序号工步号工序及工步内容刃具量检具切削用量代号名称代号名称切削速度(米/分)切削深度(毫米)进给量(毫米/转)转速(转/分)5 0 1铣ø15.8孔右侧端面面铣刀游标卡尺95.4561.7 0.8 380编制校对会签复制修改标记处数文件号签字日期修改标记处数文件号签字日期常州机电职业技术学院机械加工工序卡产品型号及规格图号名称工艺文件编号2/5拨叉材料牌号及名称毛坯外型尺寸HT200 拨叉零件毛重零件净重硬度设备型号设备名称Z525钻床专用工艺装备名称代号专用夹具机动时间单件工时定额每合件数5min 1 技术等级冷却液中工序号工步号工序及工步内容刃具量检具切削用量代号名称代号名称切削速度(米/分)切削深度(毫米)进给量(毫米/转)转速(转/分)6 0 1以孔端面定位,钻扩铰ø.81F851mm孔至图纸要求麻花钻、铰刀光滑极限量规95.4561.7 0.8 380编制校对会签复制修改标记处数文件号签字日期修改标记处数文件号签字日期常州机电职业技术学院机械加工工序卡产品型号及规格图号名称工艺文件编号3/5拨叉材料牌号及名称毛坯外型尺寸HT200 拨叉零件毛重零件净重硬度设备型号设备名称X52K 铣床专用工艺装备名称代号专用夹具机动时间单件工时定额每合件数5min 1 技术等级冷却液中工序号工步号工序及工步内容刃具量检具切削用量代号名称代号名称切削速度(米/分)切削深度(毫米)进给量(毫米/转)转速(转/分)7 0 1以铣叉口内侧面定位铣将尺寸51mm加工到图纸要求面铣刀游标卡尺95.4561.7 0.8 380编制校对会签复制修改标记处数文件号签字日期修改标记处数文件号签字日期常州机电职业技术学院机械加工工序卡产品型号及规格图号名称工艺文件编号4/5拨叉材料牌号及名称毛坯外型尺寸HT200 拨叉零件毛重零件净重硬度设备型号设备名称X52K 铣床专用工艺装备名称代号专用夹具机动时间单件工时定额每合件数5min 1 技术等级冷却液中工序号工步号工序及工步内容刃具量检具切削用量代号名称代号名称切削速度(米/分)切削深度(毫米)进给量(毫米/转)转速(转/分)8 1 铣14.5开口槽,将尺寸14.2mm加工到图纸要求面铣刀游标卡尺95.4561.7 0.8 380编制校对会签复制修改标记处数文件号签字日期修改标记处数文件号签字日期常州机电职业技术学院机械加工工序卡产品型号及规格图号名称工艺文件编号5/5拨叉材料牌号及名称毛坯外型尺寸HT200 拨叉零件毛重零件净重硬度设备型号设备名称Z525 钻床专用工艺装备名称代号专用夹具机动时间单件工时定额每合件数5min 1 技术等级冷却液中工序号工步号工序及工步内容刃具量检具切削用量代号名称代号名称切削速度(米/分)切削深度(毫米)进给量(毫米/转)转速(转/分)9 1 钻ø8.4mm孔至图纸要求钻头钳工划线工具95.4561.7 0.8 380编制校对会签复制修改标记处数文件号签字日期修改标记处数文件号签字日期。
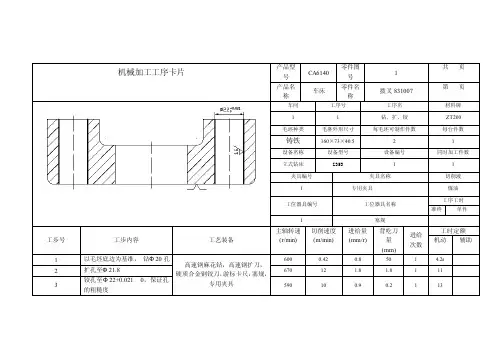
大学机械设计制造及自动化专业机械加工工艺过程卡片产品型号CA6140 零件图号831003 共 1 页产品名称车床零件名称拨叉第 1 页材料牌号HT200 毛坯种类铸件毛坯外型尺寸40×83×75 每毛坯可制件数 1 每台件数 1工序号工序名称工序内容设备夹具刀具量具工时名称型号名称规格名称规格名称规格1 铣削1.以右端面为基准面,粗铣左端面(40*75端面)Ra=6.32. 半精铣75×40的左端面直至符合表面粗糙度Ra=3.2立式铣床X51专用夹具端面铣刀游标卡尺2 钻孔、扩孔以已加工的左端面为基准面,钻孔φ20mm 、扩孔至φ021.022+mm Ra=3.2 立式钻床Z535专用夹具麻花钻、扩孔钻、铰刀游标卡尺、塞规100s3 锪倒角锪两端倒角1.5×15°立式钻床Z525 专用夹具锪钻游标卡尺4 拉花键以左端面和上端面为基准,拉花键φ22H7 卧式拉床L6110A 专用夹具矩形拉刀卡规9.6s5 铣削以花键孔的轴线和左端面为基准,粗铣沟槽、精铣沟槽11.018+×35,槽底Ra=6.3 槽内侧Ra=3.2 立式铣床X51专用夹具三面刃铣刀卡规、深度游标卡尺6 铣削以花键孔的轴线和左端面为基准,粗铣上端面 Ra=6.3,精铣上端面 Ra=3.2立式铣床X51专用夹具端面铣刀游标卡尺200s7 钻孔以花键孔的轴线和左端面为基准,钻孔2×φ7 立式钻床Z525 专用夹具麻花钻内径千分尺8 攻螺纹以花键孔的轴线和左端面为基准,攻螺纹2×M8mm 立式钻床Z525 专用夹具丝锥9 钻、铰、锥销孔以花键孔的轴线和左端面为基准,钻、铰φ5锥销孔立式铣床X52K专用夹具面铣刀刀形平尺、游标卡尺10 去毛刺钳工台平锉百分表11 清洗清洗机清洗机12 检验检验车间游标卡尺、塞规、深度游标卡尺等广东海洋大学工程学院机械系班级:姓名:编制日期:2014-7-7。
潍坊学院机械加工工序卡片生产类型中批生产工序号10零件名称拨叉零件号零件重量 1.0kg 同时加工零件数 1材料毛坯牌号硬度型式重量HT200 HB170~240 铸件设备夹具和辅助工具名称型号普通夹具车床C3163-1工序工步工步说明刀具量具走刀长度(mm)走刀次数切削深度(mm)进给量(mm/n)主轴转速(r/min)切削速度(m/min)基本工时min粗车 1 粗车端面 A 保证尺寸82mm90度车刀游标卡尺30 1 2.8 0.53200 40.8 0.33潍坊学院机械加工工序卡片生产类型中批生产工序号30零件名称拨叉零件号零件重量 1.0kg 同时加工零件数 1材料毛坯牌号硬度型式重量HT200 HB170~240 铸件设备夹具和辅助工具名称型号普通夹具车床C3163-1工序工步工步说明刀具量具走刀长度(mm)走刀次数切削深度(mm)进给量(mm/n)主轴转速(r/min)切削速度(m/min)基本工时min粗铣 1 粗铣端面B 90度车刀游标卡尺30 1 0.5 0.16 400 57.1 0.35潍坊学院机械加工工序卡片生产类型中批生产工序号40零件名称拨叉零件号零件重量 1.0kg 同时加工零件数 1材料毛坯牌号硬度型式重量HT200 HB170~240 铸件设备夹具和辅助工具名称型号普通夹具钻床工序工步工步说明刀具量具走刀长度(mm)走刀次数切削深度(mm)进给量(mm/n)主轴转速(r/min)切削速度(m/min)基本工时min钻孔 1 钻花键底孔至19mm以零件上表面定位,保证尺寸29mmФ20中心钻游标卡尺80 1 20 0.62 280 17 0.32潍坊学院机械加工工序卡片生产类型中批生产工序号30零件名称拨叉零件号零件重量 1.0kg 同时加工零件数 1材料毛坯牌号硬度型式重量HT200 HB170~240 铸件设备夹具和辅助工具名称型号普通夹具车床C3163-1工序工步工步说明刀具量具走刀长度(mm)走刀次数切削深度(mm)进给量(mm/n)主轴转速(r/min)切削速度(m/min)基本工时min精铣 12 精铣端面A精铣端面B,保证尺寸80mm90度车刀游标卡尺30 1 0.5 0.16 400 57.1 0.35潍坊学院机械加工工序卡片生产类型中批生产工序号50零件名称拨叉零件号零件重量 1.0kg 同时加工零件数 1材料毛坯牌号硬度型式重量HT200 HB170~240 铸件设备夹具和辅助工具名称型号普通夹具车床C3163-1工序工步工步说明刀具量具走刀长度(mm)走刀次数切削深度(mm)进给量(mm/n)主轴转速(r/min)切削速度(m/min)基本工时min扩孔 12 扩花键底孔至直径22mm倒角2x15Ф22mm扩孔钻45度偏刀游标卡尺游标卡尺801512120.620.6228028017170.320.32潍坊学院机械加工工序卡片生产类型中批生产工序号20零件名称拨叉零件号零件重量 1.0kg 同时加工零件数 1材料毛坯牌号硬度型式重量HT200 HB170~240 铸件设备夹具和辅助工具名称型号普通夹具铣床X62W工序工步工步说明刀具量具走刀长度(mm)走刀次数切削深度(mm)进给量(mm/r)主轴转速(r/min)切削速度(m/min)基本工时min粗铣 1 粗铣C面和D面保证尺寸27.5mm和73mm 高速钢面铣刀游标卡尺52 1 3 0.6 160 23.7 0.525潍坊学院机 械 加 工 工 序 卡 片 生产类型中批生产 工序号 603.2QQB零件名称 拨 叉 零件号零件重量 1.0kg 同时加工零件数 1材 料 毛 坯 牌 号 硬 度 型 式 重 量 HT200 HB170~240 铸 件设 备 夹具和辅助工具 名 称型 号普通夹具铣床 X62W工 序 工 步 工步说明刀 具 量 具 走刀 长度 (mm ) 走刀 次数 切削 深度(mm) 进给量(mm/r) 主轴转速 (r/min )切削速度(m/mi n) 基本工时min 精铣1精铣C 面 保证尺寸27mm高速钢面铣刀游标卡尺521 0.2 0.512 210 33.10.336潍坊学院机 械 加 工 工 序 卡 片 生产类型 中批生产 工序号 70 QQQ QQ零件名称拨 叉零件号零件重量 1.0kg同时加工零件数 1材 料 毛 坯 牌 号 硬 度 型 式 重 量 HT200HB170~240 铸 件设 备 夹具辅助工具名 称型 号普通 夹具拉床工序 工 步 工步说明刀 具 量 具 走刀 长度 (mm ) 走刀 次数 切削 深度(mm) 进给量(mm/r) 主轴转速 (r/min )切削速度(m/s) 基本工时min拉花键1拉六齿方型花键 健齿高为3mm高速钢拉刀游标卡尺1001 1 0.060.060.13潍坊学院机械加工工序卡片生产类型中批生产工序号80零件名称拨叉零件号零件重量 1.0kg 同时加工零件数 1材料毛坯牌号硬度型式重量HT200 HB170~240 铸件设备夹具和辅助工具名称型号普通夹具铣床X62W工序工步工步说明刀具量具走刀长度(mm)走刀次数切削深度(mm)进给量(mm/z)主轴转速(r/min)切削速度(m/min)基本工时min粗铣槽1 粗铣槽A 保证尺寸19mm和尺寸10mm高速钢直齿精密级三面刃铣刀莫氏量规60 1 8 0.018 375 74.2 0.491.61.63.2Q潍坊学院机 械 加 工 工 序 卡 片 生产类型 中批生产 工序号 90 3.2QQ26.05零件名称拨叉零件号零件重量 1.0kg同时加工零件数 1材 料 毛 坯 牌 号 硬 度 型 式 重 量 HT200 HB170~240铸 件 设 备夹 具辅助工具名 称 型 号普通 夹具铣床X62W工 序 工 步 工步说明刀 具量 具 走刀 长度 (mm ) 走刀 次数 切削 深度(mm) 进给量(mm/z) 主轴转速 (r/min )切削速度(m/mi n) 基本工时min 粗铣槽1粗铣槽B 至17.9mm 保证尺寸26.05mm 和尺寸50mm 高速钢直齿精密级三面刃铣刀莫氏量规601 22.9 0.020 30094.20.537潍坊学院机 械 加 工 工 序 卡 片 生产类型 中批生产 工序号 100 3.23.23.2QQ零件名称拨叉零件号零件重量 1.0kg同时加工零件数 1材 料 毛 坯 牌 号 硬 度 型 式 重 量 HT200 HB170~240铸 件 设 备夹 具辅助工具名 称 型 号普通 夹具铣床工 序 工 步 工步说明刀 具 量 具 走刀 长度 (mm ) 走刀 次数 切削 深度(mm) 进给量(m/min ) 主轴转速 (r/mi n ) 切削 速度(m/s) 基本工时min 精铣槽1精铣槽B保证尺寸26mm 和尺寸50mmGZ46KV6P350×40 ×127莫氏量规12010.550 30002.53.1。