正泰KG316T定时器使用说明书
- 格式:doc
- 大小:67.00 KB
- 文档页数:5
KG316T微电脑时控开关说明书一、概述二、型号定义KG316T-□□表示额定控制电源电压,见3.5节。
KG表示时控。
316T表示设计序号。
三、技术特性额定绝缘电压Ui:380V;额定耐冲击电压Uimp:AC1.5KV;使用类别下各个额定工作电压Ue/额定工作电流Ie:AC-15 Uc/Ie:AC240V/2A;Uc/Ie:AC380V/1.9A;额定发热电流Ith:10A;额定控制电源电压Us:AC50/60HZ;220V/380V;污染等级:3;外壳防护等级:IP50;负载功率:阻性负载:6KW;感性负载:1.8KW;机电负载:1.2KW;灯负载:0.9KW;走时误差:±2秒/天;开关次数:日/周循环10次开关;开关时间:可按日或者周循环;最长控制时间:168小时,最短期1分钟;机械寿命至少1000,000次;电寿命:100,000次;与短路保护器(SCPD)的协调配合:在选用不同型号规格的熔断器时,原有的协调配合可能失效。
四、产品外型及安装尺寸本时控开关采用八位微处理器芯片。
直接封装在PCB板上,外围使用贴片元件、表面安装LCD液晶显示屏,大功率继电器输出;电池可更换。
外型及安装开孔尺寸(或者采用35mm标准导轨安装)如图1所示。
五、安装、使用操作5.1 调时钟出厂已经调整好,如需再调整按住“时钟键”不放的同时再按“校星期、校时键、校分键”,调整北京时间。
5.2 设定第一次开启时间按一下“定时”键,液晶显示器屏浮现(图2)状态,再按“校时键、校分键”,输入第一次开启时间。
![图2]5.3 设定第一次关闭时间按一下“定时”键,液晶显示器屏浮现(图3)状态输入第一次开启时间,再按“校时键、校分键”,输入第一次关闭时间。
![图3]5.5 定时设置完毕应按“时钟”键,使液晶屏幕上显示当前北京时间。
若不一致,请按“校时、校分、校星期”键进行调整或者重新设定。
5.6 接上电源面板上绿灯亮表示电路有电,红绿灯同时亮,表示开关接通。
KG316T 微电脑时控开关使用说明书◆使用之前请务必仔细阅读本说明书,以便正确使用本产品。
◆读后请将说明书妥善保管。
功能和用途:本产品能根据用户设定的时间,自动打开和关闭各种用电设备的电源。
控制对象可以是路灯、霓虹灯、广告招牌灯、生产设备、广播电视设备等一切需要定时打开和关闭的电器显示屏显示符号解释设备和家用电器。
性能指标:◆标准工作电源220V/50Hz◆计时误差<±2 秒/ 天◆适用电源范围160~ 240V◆环境温度 -25~ 60℃◆开关容量阻性 20A 感性◆相对温度< 95%16A◆消耗功率< 4VA◆外形尺寸 120×74×58mm◆时控范围 1 分~ 168 小时◆重量 430g◆有 10 组开关时间,手动、自动两用操作说明◆ 7、按“自动/手动”键,将显示下方的“”符号调到“自动”位置,定时设置此时,时控开关才能根据所设定的时间自动开、关电路。
如在◆ 1、先检查时钟显示是否与当前时间一致,如需重新使用过程中需要临时开、关电路,则只需按“自动 /手动”键将“”准,按住“时钟”键的同时,查看显示屏所显示的时符号调到相应的“开”或“关”的位置。
间是否与当前时间一样。
分别按住“校星期”、“校时”“、校■例1:某电器需每天 19 :00通电,次日 08: 00 断电。
分”键,将时钟调到当前时间; A 、按照步骤 1 、2,使显示屏显示如图1a 所示。
◆ 2、按一下“定时”键,显示屏左下方出现“1开” B 、按照步骤 3 ,使显示屏显示如图 1b所示。
字样 (表示第一次开启时间 )。
然后按“校星期”选择C、按照步骤5,使以后各组“2ON、 2OFF、⋯⋯、 10ON、 10OFF”五天工作制、每日相同、每日不同的工作模式,再按“校的时间在显示屏上显示为“ --: -- ”。
时”、“校分”键,输入所需开启的时间;D、重复按“定时”键,检查各组开关时间是否与要求的一样,如◆ 3、再按一下“定时”键,显示屏左下方出现“1关”字样(表不正确,还应重复 A-C 。
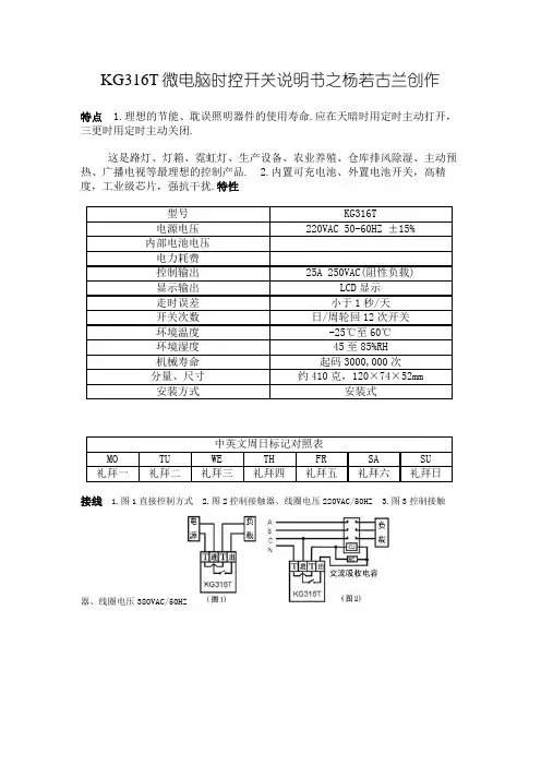
KG316T微电脑时控开关说明书特点1.理想的节能、延长照明器件的使用寿命。
应在天暗时用定时自动打开,半夜时用定时自动关闭。
这是路灯、灯箱、霓虹灯、生产设备、农业养殖、仓库排风除湿、自动预热、广播电视等最理想的控制产品。
2.内置可充电池、外置电池开关,高精度,工业级芯片,强抗干扰。
特性型号KG316T电源电压220VAC 50-60HZ ±15%内部电池电压 3.6VDC电力消耗约1.5VA控制输出25A 250VAC(阻性负载)显示输出LCD显示走时误差小于1秒/天开关次数日/周循环12次开关环境温度-25℃至60℃环境湿度45至85%RH机械寿命最少3000,000次重量、尺寸约410克,120×74×52mm安装方式装置式中英文周日标志对照表MO TU WE TH FR SA SU 星期一星期二星期三星期四星期五星期六星期日接线1.图1直接控制方式2.图2控制接触器、线圈电压220VAC/50HZ3.图3控制接触器、线圈电压380VAC/50HZ操作使用1.使用前把产品左面的电池开关置于"开"位置!显示器上显示(星期一、5点正),按住“时钟键”不放的同时再按“星期键、时键、分键”,调整北京时间。
2.设定开关时间:*如不需12个开关定时按(时钟)键,返回实际时间*如设定错误或取消设定请按(取消)键,再按一次恢复原来的设定*无设定时显示(--:--)3.检查:按(设定)键检查所设定的时间是否正确。
4.修改:请在该设定处按(取消)键,然后重量新设定该定时开关的时间及星期5.结束检查:按(时钟)结束检查及设定,显示时钟6.手动控制:按(手动)键,即可实现随意的开关参考使用1.例如控制器每天下午6点自动打开电源,到夜里2点关闭电源,按以下操作2.调好时间后按一下“设定键”显示器上显示如图4,按住“时键”显示器显示如图5。
再按一下“设定键”显示器显示如图6,按住“时键”显示器显示如图7。
正泰KG316T微电脑时控开关使用说明书用途及适用范围适用于交流50Hz(或60Hz),额定控制电源电压至220V,额定工作电流3A的自动控制电路中,作为路灯、广告灯箱等设备的定时接通和断开控制之用。
设置与使用在使用本产品时请先装入电池,电池盖方向为电池正极。
用户阅读本说明书时,请认清产品面板上的按键,一边阅读,一边操作。
本产品所有设置只有在取消键盘锁定功能后,才能进行。
本说明书以8开8关为例,10、12、16组开关可参考设置。
1.按“取消/恢复”键四次取消键盘锁定功能,“锁”消隐.如图2.按“时钟”键一次,然后分别按“校星期”键、“校时”键和“校分”键调整时钟为当前时间,设置后再按“时钟”键确认,液晶显示屏将显示当前时间。
3.按一下“定时”键,液晶显示屏左下方出“I ON”字样(表示第一次开启时间)再按“校星期”键,“校时”键和“校分”键,输入所需开启时间,如图所示4.再按一下“定时”键,液晶显示屏左下方出“I OFF”字样(表示第一次关闭时间)。
再按“校星期”键、“校时”键和“校分”键,输入所需关闭的时间,如图所示。
5.继续按动“定时”键,显示屏左下方将依次显示(2 ON、2OFF……8 ON、8OFF),参考以上步骤设置其余各组的开关时间。
如果每天只开,关一次,则必须按“取消/恢复”键,将其余各组的时间消除,使液晶显示出“--;--6.按“星期”键,可设定工作模式,如表所示Array 7.定时设置完毕,应按“时钟”键,使液晶显示屏显示当前时间,如果不按“时钟”键,时控开关将在30秒后自动转换到时钟模式。
8.按接线图正确接线,接通电源,面板上红灯亮;开关接通后,绿灯亮,输出端有220V电压输出。
9.按动“自动/手动”键,可直接开、关电路。
要让开关自动动作时,应先按动此键将显示屏下方的箭头调到“关”位置,然后再将显示屏下方的箭头调到“自动”位置,这样时按开关才能按设定的时间工作,实现自动控制。
正泰时控开关K G316T说明书-CAL-FENGHAI.-(YICAI)-Company One1KG316T微电脑时控开关说明书特点1.理想的节能、延长照明器件的使用寿命。
应在天暗时用定时自动打开,半夜时用定时自动关闭。
这是路灯、灯箱、霓虹灯、生产设备、农业养殖、仓库排风除湿、自动预热、广播电视等最理想的控制产品。
2.内置可充电池、外置电池开关,高精度,工业级芯片,强抗干扰。
特性接线1.图1直接控制方式2.图2控制接触器、线圈电压220VAC/50HZ3.图3控制接触器、线圈电压380VAC/50HZ操作使用 1.使用前把产品左面的电池开关置于"开"位置!显示器上显示(星期一、5点正),按住“时钟键”不放的同时再按“星期键、时键、分键”,调整北京时间。
2.设定开关时间:步骤按键设定项目1按(手动)使显示器的短横线在自动位置2按(设定)进入定时开设定(显示1ON)3按(星期)设定每天相同,每天不同,星期一至星期五相同,或星期六至星期日相同4按(时)(分)设定开的时间5按(设定)进入定时关设定(显示1OFF)6按(时)(分)设定关的时间7重复2-6设定第2-12次开关的时间8按(时钟)结束时间设定*如不需12个开关定时按(时钟)键,返回实际时间*如设定错误或取消设定请按(取消)键,再按一次恢复原来的设定*无设定时显示(--:--)3.检查:按(设定)键检查所设定的时间是否正确。
4.修改:请在该设定处按(取消)键,然后重量新设定该定时开关的时间及星期5.结束检查:按(时钟)结束检查及设定,显示时钟6.手动控制:按(手动)键,即可实现随意的开关参考使用。
正泰KG316T定时器使用说明书一、用途及适用范围适用于交流50Hz(或60Hz),额定控制电源电压至220V,额定工作电流3A的自动控制电路中,作为路灯、广告灯箱等设备的定时接通和断开控制之用。
二、设置与使用在使用本产品时请先装入电池,电池盖方向为电池正极。
用户阅读本说明书时,请认清产品面板上的按键,一边阅读,一边操作。
本产品所有设置只有在取消键盘锁定功能后,才能进行。
本说明书以8开8关为例,10、12、16组开关可参考设置。
1.按“取消/恢复”键四次取消键盘锁定功能,“锁”消隐.如图2.按“时钟”键一次,然后分别按“校星期”键、“校时”键和“校分”键调整时钟为当前时间,设置后再按“时钟”键确认,液晶显示屏将显示当前时间。
3.按一下“定时”键,液晶显示屏左下方出“I ON”字样(表示第一次开启时间)再按“校星期”键,“校时”键和“校分”键,输入所需开启时间,如图所示4.再按一下“定时”键,液晶显示屏左下方出“I OFF”字样(表示第一次关闭时间)。
再按“校星期”键、“校时”键和“校分”键,输入所需关闭的时间,如图所示。
5.继续按动“定时”键,显示屏左下方将依次显示(2 ON、2OFF……8 ON、8OFF),参考以上步骤设置其余各组的开关时间。
如果每天只开,关一次,则必须按“取消/恢复”键,将其余各组的时间消除,使液晶显示出“--;--6.按“星期”键,可设定工作模式,如表所示7.定时设置完毕,应按“时钟”键,使液晶显示屏显示当前时间,如果不按“时钟”键,时控开关将在30秒后自动转换到时钟模式。
8.按接线图正确接线,接通电源,面板上红灯亮;开关接通后,绿灯亮,输出端有220V电压输出。
9.按动“自动/手动”键,可直接开、关电路。
要让开关自动动作时,应先按动此键将显示屏下方的箭头调到“关”位置,然后再将显示屏下方的箭头调到“自动”位置,这样时按开关才能按设定的时间工作,实现自动控制。
三、注意事项1.本开关进线只能接交流220V电源,切勿接入其它电源。
KG316T微电脑时控开关说明书之杨若古兰创作特点 1.理想的节能、耽误照明器件的使用寿命.应在天暗时用定时主动打开,三更时用定时主动关闭.这是路灯、灯箱、霓虹灯、生产设备、农业养殖、仓库排风除湿、主动预热、广播电视等最理想的控制产品. 2.内置可充电池、外置电池开关,高精度,工业级芯片,强抗干扰.特性型号KG316T电源电压220VAC 50-60HZ ±15%内部电池电压电力耗费控制输出25A 250VAC(阻性负载)显示输出LCD显示走时误差小于1秒/天开关次数日/周轮回12次开关环境温度-25℃至60℃环境湿度45至85%RH机械寿命起码3000,000次分量、尺寸约410克,120×74×52mm安装方式安装式中英文周日标记对照表MO TU WE TH FR SA SU 礼拜一礼拜二礼拜三礼拜四礼拜五礼拜六礼拜日接线 1.图1直接控制方式 2.图2控制接触器、线圈电压220VAC/50HZ 3.图3控制接触器、线圈电压380VAC/50HZ操纵使用 1.使用前把产品左面的电池开关置于"开"地位!显示器上显示(礼拜一、5点正),按住“时钟键”不放的同时再按“礼拜键、时键、分键”,调整北京时间. 2.设定开关时间:步调按键设定项目1 按(手动) 使显示器的短横线在主动地位2 按(设定) 进入定时开设定(显示1ON)3 按(礼拜) 设定每天不异,每天分歧,礼拜一至礼拜五不异,或礼拜六至礼拜日不异4 按(时)(分) 设定开的时间5 按(设定) 进入定时关设定(显示1OFF)6 按(时)(分) 设定关的时间7 反复2-6 设定第2-12次开关的时间8 按(时钟) 结束时间设定*如不需12个开关定时按(时钟)键,返回实际时间*如设定错误或取消设定请按(取消)键,再按一次恢复本来的设定*无设定时显示(--:--) 3.检查:按(设定)键检查所设定的时间是否准确. 4.点窜:请在该设定处按(取消)键,然后分量新设定该定时开关的时间及礼拜 5.结束检查:按(时钟)结束检查及设定,显示时钟 6.手动控制:按(手动)键,即可实现随意的开关参考使用 1.例如控制器每天下战书6点主动打开电源,到夜里2点关闭电源,按以下操纵2.调好时间后按一下“设定键”显示器上显示如图4,按住“时键”显示器显示如图5.再按一下“设定键”显示器显示如图6,按住“时键”显示器显示如图7.以上调整完再按一下“时钟键”显示器恢复显示北京时间.再按“手动键”可以直接开或关闭电路,然后每天控制器按主动运行.留意事项1.为防强电流下融点发热,接线时务必拧紧接线柱的螺钉 2.控制器进线220VAC/50-60HZ电源,切勿接到380VAC 3.控制器红灯亮有电进入,红、绿灯同时亮开关有电输出 4.设定的时间,不克不及交叉设定,应按时间的顺序设定。
KG316T微电脑时控开关说明书接线1.图1直接控制方式2.图2控制接触器、线圈电压220VAC/50HZ3.图3控制接触器、线圈电压380VAC/50HZ操作使用1.使用前把产品左面的电池开关置于"开"位置!显示器上显示(星期一、5点正),按住“时钟键”不放的同时再按“星期键、时键、分键”,调整北京时间。
2.设定开关时间:步骤按键设定项目1按(手动)使显示器的短横线在自动位置2按(设定)进入定时开设定(显示1ON)]3按(星期)设定每天相同,每天不同,星期一至星期五相同,或星期六至星期日相同4按(时)(分)设定开的时间5按(设定)进入定时关设定(显示1OFF)6按(时)(分)%设定关的时间7重复2-6设定第2-12次开关的时间8按(时钟)结束时间设定*如不需12个开关定时按(时钟)键,返回实际时间*如设定错误或聚消设定按(取消)键,再按一次恢复原来的设定*无设定时显示(--:--)3.检查:按(设定)键检查所设定的时间是否正确。
4.修改:请在该设定处按(取消)键,然后重量新设定该定时开关的时间及星期5.结束检查:按(时钟)结束检查及设定,显示时钟6.手动控制:按(手动)键,即可实现随意的开关参考使用1.例如控制器每天下午6点自动打开电源,到夜里2点关闭电源,按以下操作2.调好时间后按一下“设定键”显示器上显示如图4,按住“时键”显示器显示如图5。
再按一下“设定键”显示器显示如图6,按住“时键”显示器显示如图7。
以上调整完再按一下“时钟键”显示器恢复显示北京时间。
再按“手动键”可以直接开或关闭电路,然后每天控制器按自动运行。
注意事项1.为防强电流下融点发热,接线时务必拧紧接线柱的螺钉2.控制器进线220VAC/50-60HZ电源,切勿接到380VAC3.填订单时,希望电源电压,订制:24V、110V、380VAC4.控制器红灯亮有电进入,红绿灯同时亮开关有电输出5.设定的时间,不能交叉设定,应按时间的顺序设定KG316T微电脑时控开关说明书。
KG316T微电脑时控开关说明书一解锁(进入设定界面必须先解锁)按 4下“恢复/取消键”,进行解锁(显示屏左边的字母“a”消失即为解锁状态)二解锁后,可以对以下4点进行逐个设定,设定不分先后顺序1. 设定系统时间:a,设定系统的“时”。
按住“时钟”健不放,同时按下“校时”健,两个键按完后松开,再按“校时”进行24小时的数字切换,设定好准确的北京时间“时|”后,按“时钟”键完成设定。
b,设定系统的“分”。
按住“时钟”健不放,同时按下“校分”健,两个键按完后松开,再按“校分”进行0-59分的数字切换,设定好准确的北京时间“分|”后,按“时钟”键完成设定。
c,设定系统的“星期”。
按住“时钟”健不放,同时按下“校星期”健,两个键按完后松开,再按“校星期”进行星期一到星期天的切换,设定好当天的星期后,按“时钟”键完成设定。
2.设定定时器的开启和关闭时间,系统共有12个时间段可以调整,我们一般使用前面第一段,设定步骤如下:a 按一下“定时”键,出现 1 NO 00 :00 提示,再按“校时”进行24小时的数字切换,设定“时”后,按“校分”进行“分”时设定,设定好自己需要送电的时后,按“时钟”键完成第一段开启的时间设定,进入1 OFF 00 :00 界面备注: 1 NO 00 :00 代表第一段时间开 1 OFF 00 :00 代表第一段时间关b 完成第一段开的时间设定后,出现 1 OFF 00 :00 提示框,再按“校时”进行24小时的数字切换,设定好“时”后,按“校分”进行“分”时调整,设定好自己需要断电的时后,按“时钟”键完成第一段断电的时间设定,只需要一个时间段的时候,以上设定完成后,按“时钟”结束设定,如要继续多时间断,按“定时”间继续设定,依次类推。
3. 星期定时设定有固定的休息日期时,可以选择某个星期的一天或者多天,让设备全天处于断电状态,设定步骤如下:按一下“定时”键,根据显示框上面的提示,按“校星期”进行切换。
KG316T Micro computer timer switch 1-circuitFunction:The product can open and close all kinds of power supply automatically according to the user’s time. The co ntrol objects can be road lamp, neon lamp, billboard, producing equipment, broadcast TV, and all that the circuit fixtures and home appliances needsetting time to control.Technical index:1. Working voltage: 220V/50Hz2. Applicable voltage range: 160V~240V3. Switch capacity: Residence 25A, Sensible 20A4. Consumed power: <1W5. No effect from power cut, charge automatically inside6. Can set 10 ON and 10 OFF at most everyday, manual and automatically7. Work circularly according to designed procedure by week or by day8. Time-lapse range: 1 min~ 168 Hrs9. Environmental temperature: -20℃~60℃10. Time error: <0.5s/day11. Environmental humidity:<95%12. Net weight: 430gInstructionsTime settingWhen reading the manual, user shall make clear the keys on the panel and operate it.1.Adjust clock:The products have been adjusted well when ex-factory. If you need readjust, please press the clock key, at the same time, press the week key, thus finish the week adjustment. The rest may be deduced by analogy.2.Set the first open time:Press the timer key, LCD screen shall appear (see picture 1), then press hour key and second key, put in the open time.3.Set the first close time:Press the timer key again, LCD screen shall appear (see picture 2), then press hour key and second key, put in the close time.4.Press the timer key continually, the bottom left of LCD screen shall appear in turn (two ONand two OFF, ……six ON and six OFF, ……ten ON and ten OFF), refer to step 2 and 3 to set future open and close time. If open and close one time in one day, you must press Reset/Recall key to remove all the deposited time (two ON and two OFF, ……six ON and sixOFF, ……ten ON and ten OFF), making the LCD show “--:-- ”mark.5.After finishing the timer setting, press clock key, or not press any key within 30 seconds,making LCD show the Beijing time.6.After engaging the power supply, if the indicator lamp only shows red, which means thecircuit is with electricity. If the indicator lamps show both red and green, which means the switch is connected.7.Pressing Auto/Manu key can open or close circuit directly. If you want the switchautomatically work, please press Auto/Manu key first, and adjust the mark under the LCD to the close position, and then press it again to adjust to the Auto position. For example: Open at 18:30 P.M. (See picture 3, introduced in step 2) and close at 23:20 P.M. automaticallyeveryday (See picture 4, introduced in step 3), and the following is to adjust the LCD to be“--:-- ”marked (Introduced in step4), and operate as introduced in step 5,6, 7.8.Press timer key, and then press week key, thus can set same or different combinations of Mon,Wed, Fri or Tue, Thu, Sat, or Mon, Tue, Wed, or Thu, Fri, Sat. and set same from Mon to Fri, or Sat. to Sunday.Mounting sizeConnection methods1. Direct control connectionThe controlled equipment shall be single-phase power supply, and the power shall not beyond the rated capacity (Resistibility loading 25A, sensibility loading 20A), is available for direct control method. See picture 1.2. Single phase and extended capacity connectionThe controlled equipment is single-phase power supply, but the power is beyond the rated capacity (Resistibility loading 25A, sensibility loading 20A), then you shall need an AC contactorto extend the capacity. See picture 2.3. Three-phases connectionThe controlled equipment is three-phase power supply, which need a three-phase AC contactor connected outside. The loop of the AC contactor is AC220V, 50Hz. See picture 3. And if the loop is AC380V, 50Hz, then see picture 4.When you think it at fault●If the switch has not open at the open time, or close not at the close time after opening, itmaybe the week adjustment goes wrong, please check or readjust it according to the methods of the timer setting introduction.●If you confirm the open and close time have been right adjusted, but the switch open or closeat the wrong time, it maybe redundant time settings have not be removed, please remove them according to the methods of the timer setting introduction. ( Note: The timer shows “--:-- ”is OK instead of “00:00”.)●If the above two are all right, but the switch doesn’t work normally, maybe the Auto/Manukey is wrongly done, please check mark▼of open, auto, close, and adjust it to be current time,then back at the auto position.●If the switch has not work normally yet, please open the rear fuse cover (terminal panel),check whether the fuse break off or not, if yes, please change it with new fuse of 0.1A~0.3A.●If the above several methods still can’t remove the faults, please contact our company or localdistributor.Attentions●For the equipment which has possible accident caused by the timer switch going wrong, or theequipment which has great effect to the society such as medical treatment equipment and large-scale equipment, etc., Please don’t use our timer switch.●For the equipments (large-scale ones such as heat warehouse or refrigeratory, etc.) which havethe possible great belongings losing caused by the timer switch goes wrong, please be sure to have enough space for the properties and performance value, and take measures such as double circuit for secure, when you use our timer switch.●Don’t repair, disassemble, change, and check it by yourself.●Please be sure to entrust distributor or builder.●Don’t touch terminal part after connecting power supply.●The switch works at non-humidity, corrosion proof and free from high metal-contained gasenvironment. Please don’t touch with oil or water.。
KG316T 微电脑时控开关使用说明书◆使用之前请务必仔细阅读本说明书,以便正确使用本产品。
◆读后请将说明书妥善保管。
功能和用途:本产品能根据用户设定的时间,自动打开和关闭各种用电设备的电源。
控制对象可以是路灯、霓虹灯、广告招牌灯、生产设备、广播电视设备等一切需要定时打开和关闭的电器显示屏显示符号解释设备和家用电器。
性能指标:◆标准工作电源220V/50Hz◆计时误差<±2 秒/ 天◆适用电源范围160~ 240V◆环境温度 -25~ 60℃◆开关容量阻性 20A 感性◆相对温度< 95%16A◆消耗功率< 4VA◆外形尺寸 120×74×58mm◆时控范围 1 分~ 168 小时◆重量 430g◆有 10 组开关时间,手动、自动两用操作说明◆ 7、按“自动/手动”键,将显示下方的“”符号调到“自动”位置,定时设置此时,时控开关才能根据所设定的时间自动开、关电路。
如在◆ 1、先检查时钟显示是否与当前时间一致,如需重新使用过程中需要临时开、关电路,则只需按“自动 /手动”键将“”准,按住“时钟”键的同时,查看显示屏所显示的时符号调到相应的“开”或“关”的位置。
间是否与当前时间一样。
分别按住“校星期”、“校时”“、校■例1:某电器需每天 19 :00通电,次日 08: 00 断电。
分”键,将时钟调到当前时间; A 、按照步骤 1 、2,使显示屏显示如图1a 所示。
◆ 2、按一下“定时”键,显示屏左下方出现“1开” B 、按照步骤 3 ,使显示屏显示如图 1b所示。
字样 (表示第一次开启时间 )。
然后按“校星期”选择C、按照步骤5,使以后各组“2ON、 2OFF、⋯⋯、 10ON、 10OFF”五天工作制、每日相同、每日不同的工作模式,再按“校的时间在显示屏上显示为“ --: -- ”。
时”、“校分”键,输入所需开启的时间;D、重复按“定时”键,检查各组开关时间是否与要求的一样,如◆ 3、再按一下“定时”键,显示屏左下方出现“1关”字样(表不正确,还应重复 A-C 。
正泰KG316T微电脑时控开关使用说明书用途及适用范围适用于交流50Hz(或60Hz),额定控制电源电压至220V,额定工作电流3A的自动控制电路中,作为路灯、广告灯箱等设备的定时接通和断开控制之用。
设置与使用在使用本产品时请先装入电池,电池盖方向为电池正极。
用户阅读本说明书时,请认清产品面板上的按键,一边阅读,一边操作。
本产品所有设置只有在取消键盘锁定功能后,才能进行。
本说明书以8开8关为例,10、12、16组开关可参考设置。
1.按“取消/恢复”键四次取消键盘锁定功能,“锁”消隐.如图2.按“时钟”键一次,然后分别按“校星期”键、“校时”键和“校分”键调整时钟为当前时间,设置后再按“时钟”键确认,液晶显示屏将显示当前时间。
3.按一下“定时”键,液晶显示屏左下方出“I ON”字样(表示第一次开启时间)再按“校星期”键,“校时”键和“校分”键,输入所需开启时间,如图所示4.再按一下“定时”键,液晶显示屏左下方出“I OFF”字样(表示第一次关闭时间)。
再按“校星期”键、“校时”键和“校分”键,输入所需关闭的时间,如图所示。
5.继续按动“定时”键,显示屏左下方将依次显示(2 ON、2OFF……8 ON、8OFF),参考以上步骤设置其余各组的开关时间。
如果每天只开,关一次,则必须按“取消/恢复”键,将其余各组的时间消除,使液晶显示出“--;--6.按“星期”键,可设定工作模式,如表所示Array 7.定时设置完毕,应按“时钟”键,使液晶显示屏显示当前时间,如果不按“时钟”键,时控开关将在30秒后自动转换到时钟模式。
8.按接线图正确接线,接通电源,面板上红灯亮;开关接通后,绿灯亮,输出端有220V电压输出。
9.按动“自动/手动”键,可直接开、关电路。
要让开关自动动作时,应先按动此键将显示屏下方的箭头调到“关”位置,然后再将显示屏下方的箭头调到“自动”位置,这样时按开关才能按设定的时间工作,实现自动控制。
创作编号:
GB8878185555334563BT9125XW
创作者:凤呜大王*
KG316T微电脑时控开关的用法
1,打开或锁定键盘:按住“时钟键”同时按住“取消/恢复键”几秒,锁定显示标志“锁”。
2,按住“时钟键”同时再按“星期键,时键,分键”,调整北京时间。
3设定开关时间:
步骤,按键,设定项目
1)按(手动),使显示器的三角形在自动位置
2)按(设定),进入定时开设定(显示1开)
3)按(星期),设定每天相同,每天不同,星期一至星期五相同,或星期六至星期日相同
4)按(时)(分),设定开的时间
5)按(设定),进入定时关设定(显示1关)
6)按(时)(分),设定关的时间
7)重复2)~6),设定第2~6次,2~12次开关的时间
8)按(时钟),结束时间设定
*如果不需要6个,12个开关定时按(时钟)键,返回实际时间。
*如果设定错误或取消设定按(取消)键,再按一次恢复原来的设定。
*无设定时显示(----)。
4,检查:按(设定)检查所有设定的时间是否正确。
5,修改:请在该设定处按(取消)键,然后重新设定该定时开关时间及星期。
6,结束检查:按(时钟)键结束检查及设定,显示时钟。
7,手动控制:按(手动)键,即可实现随意的开和关或自动运行。
创作编号:
GB8878185555334563BT9125XW
创作者:凤呜大王*。
正泰KG316T时控开关使用说明书新一、产品概述正泰 KG316T 时控开关是一款以微电脑芯片为核心组成的智能控制开关,能根据用户设定的时间,自动接通和断开各种电器设备的电源。
它具有操作简单、控制精准、性能稳定等优点,广泛应用于路灯、广告灯箱、霓虹灯、生产设备、家用电器等的定时控制。
二、产品规格及技术参数1、工作电压:AC 220V 50Hz2、额定电流:16A3、计时误差:≤±1 秒/天4、环境温度:-10℃~50℃5、环境湿度:≤85%RH三、产品外观及功能键1、显示屏:用于显示当前时间、设定的开关时间等信息。
2、“时钟”键:用于调整当前时间。
3、“定时”键:用于进入定时设置模式。
4、“校时”键:用于调整小时数值。
5、“校分”键:用于调整分钟数值。
6、“自动/手动”键:用于切换开关的工作模式,手动模式下开关不受定时控制,始终保持接通或断开状态;自动模式下开关按照设定的时间自动控制。
7、“取消/恢复”键:用于取消已设置的定时时间或恢复出厂设置。
四、安装与接线1、安装时控开关选择干燥、通风良好的安装位置,避免阳光直射和雨淋。
使用螺丝将时控开关固定在墙壁或配电箱内。
2、接线时控开关的进线端(L、N)连接电源,出线端(LOAD)连接需要控制的电器设备。
务必确保接线牢固,避免接触不良导致故障。
五、设置当前时间1、按下“时钟”键,显示屏的小时数字开始闪烁。
2、按“校时”键调整小时数值。
3、按“校分”键调整分钟数值。
4、调整完成后,再次按下“时钟”键,确认当前时间设置。
六、设置定时开/关时间1、按下“定时”键,显示屏的第一组开时间的小时数字开始闪烁。
2、按“校时”键和“校分”键分别调整开时间的小时和分钟数值。
3、按“星期”键,选择需要定时开启的星期(可选择一至星期日中的任意几天)。
4、再次按下“定时”键,显示屏的第一组关时间的小时数字开始闪烁,按照上述方法设置关时间和星期。
5、重复以上步骤,可设置多组定时开/关时间(最多可设置 16 组)。
正泰KG316T微电脑时控开关使用说明书用途及适用范围适用于交流50Hz(或60Hz),额定控制电源电压至220V,额定工作电流3A的自动控制电路中,作为路灯、广告灯箱等设备的定时接通和断开控制之用。
设置与使用在使用本产品时请先装入电池,电池盖方向为电池正极。
用户阅读本说明书时,请认清产品面板上的按键,一边阅读,一边操作。
本产品所有设置只有在取消键盘锁定功能后,才能进行。
本说明书以8开8关为例,10、12、16组开关可参考设置。
1.按“取消/恢复”键四次取消键盘锁定功能,“锁”消隐.如图2.按“时钟”键一次,然后分别按“校星期”键、“校时”键和“校分”键调整时钟为当前时间,设置后再按“时钟”键确认,液晶显示屏将显示当前时间。
3.按一下“定时”键,液晶显示屏左下方出“I ON”字样(表示第一次开启时间)再按“校星期”键,“校时”键和“校分”键,输入所需开启时间,如图所示4.再按一下“定时”键,液晶显示屏左下方出“I OFF”字样(表示第一次关闭时间)。
再按“校星期”键、“校时”键和“校分”键,输入所需关闭的时间,如图所示。
5.继续按动“定时”键,显示屏左下方将依次显示(2 ON、2OFF……8 ON、8OFF),参考以上步骤设置其余各组的开关时间。
如果每天只开,关一次,则必须按“取消/恢复”键,将其余各组的时间消除,使液晶显示出“--;--6.按“星期”键,可设定工作模式,如表所示7.定时设置完毕,应按“时钟”键,使液晶显示屏显示当前时间,如果不按“时钟”键,时控开关将在30秒后自动转换到时钟模式。
8.按接线图正确接线,接通电源,面板上红灯亮;开关接通后,绿灯亮,输出端有220V电压输出。
9.按动“自动/手动”键,可直接开、关电路。
要让开关自动动作时,应先按动此键将显示屏下方的箭头调到“关”位置,然后再将显示屏下方的箭头调到“自动”位置,这样时按开关才能按设定的时间工作,实现自动控制。
注意事项1.本开关进线只能接交流220V电源,切勿接入其它电源。
KG316T微电脑时控开关说明书特点1.理想的节能、延长照明器件的使用寿命。
应在天暗时用定时自动打开,半夜时用定时自动关闭。
?? 这是路灯、灯箱、霓虹灯、生产设备、农业养殖、仓库排风除湿、自动预热、广播电视等最理想的控制产品。
2.内置可充电池、外置电池开关,高精度,工业级芯片,强抗干扰。
特性??接线1.图1直接控制方式2.图2控制接触器、线圈电压220VAC/50HZ3.图3控制接触器、线圈电压380VAC/50HZ操作使用1.使用前把产品左面的电池开关置于"开"位置!显示器上显示(星期一、5点正),按住“时钟键”不放的同时再按“星期键、时键、分键”,调整北京时间。
2.设定开关时间:*如不需12个开关定时按(时钟)键,返回实际时间*如设定错误或取消设定请按(取消)键,再按一次恢复原来的设定*无设定时显示(--:--)3.检查:按(设定)键检查所设定的时间是否正确。
4.修改:请在该设定处按(取消)键,然后重量新设定该定时开关的时间及星期5.结束检查:按(时钟)结束检查及设定,显示时钟6.手动控制:按(手动)键,即可实现随意的开关参考使用1.例如控制器每天下午6点自动打开电源,到夜里2点关闭电源,按以下操作2.调好时间后按一下“设定键”显示器上显示如图4,按住“时键”显示器显示如图5。
再按一下“设定键”显示器显示如图6,按住“时键”显示器显示如图7。
以上调整完再按一下“时钟键”显示器恢复显示北京时间。
再按“手动键”可以直接开或关闭电路,然后每天控制器按自动运行。
注意事项1.为防强电流下融点发热,接线时务必拧紧接线柱的螺钉2.控制器进线220VAC/50-60HZ电源,切勿接到380VAC3.控制器红灯亮有电进入,红、绿灯同时亮开关有电输出4.设定的时间,不能交叉设定,应按时间的顺序设定。
KG316T微电脑时控开关说明书特点1.理想的节能、延长照明器件的使用寿命。
应在天暗时用定时自动打开,半夜时用定时自动关闭。
这是路灯、灯箱、霓虹灯、生产设备、农业养殖、仓库排风除湿、自动预热、广播电视等最理想的控制产品。
2.内置可充电池、外置电池开关,高精度,工业级芯片,强抗干扰。
特性接线1.图1直接控制方式2.图2控制接触器、线圈电压220VAC/50HZ3.图3控制接触器、线圈电压380VAC/50HZ操作使用1.使用前把产品左面的电池开关置于"开"位置!显示器上显示(星期一、5点正),按住“时钟键”不放的同时再按“星期键、时键、分键”,调整北京时间。
2.设定开关时间:*如不需12个开关定时按(时钟)键,返回实际时间*如设定错误或取消设定请按(取消)键,再按一次恢复原来的设定*无设定时显示(--:--)3.检查:按(设定)键检查所设定的时间是否正确。
4.修改:请在该设定处按(取消)键,然后重量新设定该定时开关的时间及星期5.结束检查:按(时钟)结束检查及设定,显示时钟6.手动控制:按(手动)键,即可实现随意的开关参考使用1.例如控制器每天下午6点自动打开电源,到夜里2点关闭电源,按以下操作2.调好时间后按一下“设定键”显示器上显示如图4,按住“时键”显示器显示如图5。
再按一下“设定键”显示器显示如图6,按住“时键”显示器显示如图7。
以上调整完再按一下“时钟键”显示器恢复显示北京时间。
再按“手动键”可以直接开或关闭电路,然后每天控制器按自动运行。
注意事项1.为防强电流下融点发热,接线时务必拧紧接线柱的螺钉2.控制器进线220VAC/50-60HZ电源,切勿接到380VAC3.控制器红灯亮有电进入,红、绿灯同时亮开关有电输出4.设定的时间,不能交叉设定,应按时间的顺序设定该型号锁定和解锁为按取消/恢复 3-4次另外有一种是按住时钟键再按取消或其它键解锁/锁定。
正泰KG316T定时器使用说明书
一、用途及适用范围
适用于交流50Hz(或60Hz),额定控制电源电压至220V,额定工作电流3A的自动控制电路中,作为路灯、广告灯箱等设备的定时接通和断开控制之用。
二、设置与使用
在使用本产品时请先装入电池,电池盖方向为电池正极。
用户阅读本说明书时,请认清产品面板上的按键,一边阅读,一边操作。
本产品所有设置只有在取消键盘锁定功能后,才能进行。
本说明书以8开8关为例,10、12、16组开关可参考设置。
1.按“取消/恢复”键四次取消键盘锁定功能,“锁”消隐.
如图
2.按“时钟”键一次,然后分别按“校星期”键、“校时”
键和“校分”键调整时钟为当前时间,设置后再按“时
钟”键确认,液晶显示屏将显示当前时间。
3.按一下“定时”键,液晶显示屏左下方出“I ON”字样(表示第一次开启时间)再按“校星期”键,“校时”
键和“校分”键,输入所需开启时间,如图所示
4.再按一下“定时”键,液晶显示屏左下方出“I OFF”
字样(表示第一次关闭时间)。
再按“校星期”键、“校
时”键和“校分”键,输入所需关闭的时间,如图所示。
5.继续按动“定时”键,显示屏左下方将依次显示(2 ON、2OFF……8 ON、8OFF),参考以上步骤设置其余各组
的开关时间。
如果每天只开,关一次,则必须按“取消
/恢复”键,将其余各组的时间消除,使液晶显示出“--;
--
6.按“星期”键,可设定工作模式,如表所示
7.定时设置完毕,应按“时钟”键,使液晶显示屏显示当前时间,如果不按“时钟”键,时控开关将在30秒后
自动转换到时钟模式。
8.按接线图正确接线,接通电源,面板上红灯亮;开关接通后,绿灯亮,输出端有220V电压输出。
9.按动“自动/手动”键,可直接开、关电路。
要让开关自动动作时,应先按动此键将显示屏下方的箭头调到
“关”位置,然后再将显示屏下方的箭头调到“自动”
位置,这样时按开关才能按设定的时间工作,实现自动
控制。
三、注意事项
1.本开关进线只能接交流220V电源,切勿接入其它电源。
2.如确认输入端有电,而开关上的红色指示灯不亮,请检
查面板上的保险丝是否已经熔断。
如已熔断,请换上信
的0.25A的保险管。
3.本产品采用1.5V高性能电池,自出场之日起可保持1年的使用时间,超过该期限后,请及时更换电池,以免
电池电量不足时漏液。
4.以垂直安装位置为基准,将电池盖旋转至“○一”位置,可以打开电池盖更换电池;更换后盖上电池盖旋至“①”
位置,将电池盖盖好。
接线:
1.图1直接控制方式。
2.图2控制接触器、线圈电压220VAC/50HZ。
3.图3控制接触器、线圈电压380VAC/50HZ。
注意事项:
1.为防强电流下融点发热,接线时务必拧紧接线柱的螺钉。
2.控制器进线220VAC/50-60HZ电源,切勿接到
380VAC。
3.控制器红灯亮有电进入,红、绿灯同时亮开关有电
输出。
4.设定的时间,不能交叉设定,应按时间的顺序设定。
5.该型号锁定和解锁为按取消/恢复3-4次另外有一种是按住时钟键再按取消或其它键解锁/锁定。