生产车间清洗消毒作业程序
- 格式:doc
- 大小:108.50 KB
- 文档页数:7
车间员工进入车间的更衣消毒流程为了保障车间员工的健康和安全,确保生产环境的卫生和无菌状态,车间员工进入车间前需要进行更衣和消毒。
下面是车间员工进入车间的更衣消毒流程的详细步骤:1. 提前准备:- 车间入口处设置更衣消毒区域,包括更衣室、消毒液和洗手设施等。
- 在更衣室内设置足够的衣物储存柜和个人物品存放柜,以便员工更换工作服和存放个人物品。
2. 进入更衣室:- 员工进入车间前,需先进入更衣室,放置个人物品并更换工作服。
- 员工应保持良好的个人卫生习惯,如洗手、戴口罩等。
3. 更换工作服:- 员工需将工作服放置在指定的衣物储存柜内。
- 员工应穿上新的工作服,确保干净整洁。
4. 洗手消毒:- 员工更换工作服后,需前往洗手消毒区域进行洗手消毒。
- 使用洗手液和流动的清水充分清洗双手,确保洗手彻底干净。
5. 戴防护用品:- 员工洗手后,需戴上防护用品,包括手套、口罩、护目镜等,根据工作需要而定。
6. 消毒程序:- 员工完成更衣和洗手后,需进行消毒程序。
- 在消毒区域,员工应按照规定的程序进行消毒,包括手部消毒、衣物消毒等。
- 手部消毒可使用消毒液或洗手液进行擦拭或浸泡,确保双手消毒彻底。
- 衣物消毒可使用消毒液进行喷洒或浸泡,确保衣物表面无菌。
7. 准备进入车间:- 员工完成消毒程序后,应等待一段时间,确保消毒液的残留物挥发完全。
- 员工应检查自身是否符合进入车间的要求,如防护用品是否佩戴正确、工作服是否整洁等。
8. 进入车间:- 员工进入车间后,应按照工作要求进行相应的操作,如生产、检测、维护等。
以上是车间员工进入车间的更衣消毒流程的详细步骤。
通过严格执行这些步骤,可以有效保障车间员工的健康和安全,同时确保生产环境的卫生和无菌状态。
公司应定期对这些流程进行培训和检查,以确保员工的遵守和执行。
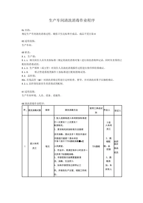
生产车间清洗消毒作业程序
O1目的:
规定生产车间清洗消毒过程,确保卫生达标和半成品、成品不受污染0
02适用范围:
生产车间。
03职责:
3.1.生产部:
3.1.1.相关岗位人员负责按标准(规定的清洗消毒对象)进行清洗消毒和记录,同时负责领用已配好的消毒试剂。
3.1.2.生产领班(或主管)对岗位人员清洗消毒操作过程进行指导和结果确认。
3.1.3.糕点管道系统类操作工按标准进行配制消毒试剂。
3.2.品控部:
321.在线品控(QC)对清洗消毒过程进行定时检查、督导,并对清洗结果予以抽检确认。
3.2.1.品控部化验室负责消毒试剂配制。
04适用范围:
生产车间环境、人员、设备、设施等。
食品生产车间清洗消毒规范食品生产车间清洗消毒规范(范例)目的适用范围3.定义4.职责5.程序5.1 人员手部清洗消毒规范人员手部清洗消毒方式1:洗手液+消毒水5.1.1 人员手部清洗:用清水将手部润湿,取一次按下洗手液储存罐的盖子后的流出量,对手部正面、背面、指缝等部位进行揉搓,指甲处可使用指甲刷搓洗。
5.1.2 人员手部清洗时间:时间为1520秒,根据洗手六步法洗手。
5.1.3 人员手部清洗频率:包装区域人员每2小时清洗一次,其他区域人员进出车间时清洗一次。
5.1.4 消毒液的配制:消毒液的有效浓度为200ppm。
5.1.5 人员手部消毒:将双手手腕以下放入消毒液中。
5.1.6 人员手部消毒时间:浸泡15秒。
5.1.7 消毒水更换频率:每4小时更换一次,或浓度不达标时,或消毒水较脏时现场配置。
5.2 人员鞋靴清洗消毒规范5.2.1人员工作鞋清洗频率:以工作鞋表面无明显污渍为标准5.2.2 消毒池消毒液配制:消毒液的有效浓度为300ppm。
5.2.3 人员工作鞋消毒:双脚踏入消毒水池,消毒水的高度要超过鞋底。
5.2.4 人员工作鞋消毒时间:双脚在消毒水池内停留不少于3秒。
5.2.5 人员工作鞋消毒频率:每次进入车间时。
5.2.6 消毒水更换频率:每4小时更换一次或消毒水污浊时现场配置。
5.3 工器具清洗消毒规范5.3.1 清洗液的配制:使用75℃以上的热水,按5%的浓度配制洗洁精清洗后直接使用清水冲洗洁净。
5.3.2 工器具清洗时间:以除去工器具表面油渍、污渍为标准。
5.3.3 工器具清洗频率:按批量生产单位进行清洗,或工器具较脏时。
5.3.4 消毒液的配制:消毒液的有效浓度为200ppm。
5.3.5 工器具消毒:采纳浸泡或擦拭的方式,对工器具表面进行消毒。
5.3.6 工器具消毒频率:包装区域生产使用前后,或生产中受污染后。
其他区域每天生产完后进行。
5.3.7 消毒水更换频率:包装区域每4小时更换一次,或浓度不达标时,或消毒水较脏时。
食品生产车间清洗和消毒的方法一、 清洗和消毒概念清洗就是把工厂和加工设备的污物去掉。
“污物”确切的说就是存于食品接触表面为细菌生长所需的营养物质。
包括脂肪、碳水化合物、蛋白质和矿物质。
消毒是在清洗之后,用消毒剂破坏微生物的繁殖体,进而减少其它微生物的数量。
注意所有表面未经“清洗”,消毒剂是不能完全发挥作用的。
1、常用清洗药物:水、碱、酸、软化剂等。
水:要求是无微生物、中性 PH 值和低矿物成分,一般要软化和消毒处理; 清洗消毒用水最好包括热水和冷水,而且压力较大。
对人工清洗来说, 热水的温度应最低 82 ℃或更高。
NaOH :作为普通清洗剂使用的最强碱,1 的 NaOH 溶液 PH 值大约为 13。
由于 NaOH 的高 PH 值,它对溶解蛋白质特别有效,也可以皂化脂肪。
Na 2CO 3:中强碱,其 1 水溶液 PH 值约为 11。
其乳化脂肪、溶解蛋白质的能力一般。
对铝、锡、锌腐蚀性很强。
由于会产生 CaCO 3 沉淀,所以不适用于硬水。
HNO3:强酸,1 水溶液 PH 约为 1,对去除矿物质盐沉淀非常有效,也可以溶解一些蛋白质,HNO3对不锈钢、铝具有保护性,但会腐蚀铬、镍、锡材料。
HNO3具有杀菌作用;H3PO4:中强酸,其 1 水溶液 PH 值约为 3。
腐蚀性比 HNO3弱得多。
因此被广泛用作酸请洗剂。
柠檬酸、醋酸、草酸:弱酸,PH 约为 4.5,主要用于非不锈钢材料的清洗,草酸特别适用于地板等锈斑的去除。
软化剂:当用硬水清洗时,碱液中会出现沉淀,防止:使用软水或添加试剂形成钙、镁的可溶性化合物。
2、清洗方法:有人工清洗和现场(Clean-In-Place)清洗,两种方式:现场(Clean-In-Place)清洗:第一工序:水洗,首先将冷水或温水(50 ℃)送入,时间 3-5min。
第二工序:自动注入碱洗涤剂(0.5~1 )水温60~80 ℃,时间 10-20min。
第三工序:用水冲洗附着残留在管道、容器中的洗涤剂,时间 5-10min。
车间清洁消毒管理程序1.目的防止交叉污染的发生,确保所有与产品接触的表面和加工环境的清洁卫生。
2.合用范围合用于生产的各个环节,与生产有关的直接接触和间接接触的人和物。
包括:2.1 直接接触:加工设备、工器具和操作台、加工人员的手套、工作服、围裙。
2.2 间接接触:运输工具、库房、垃圾处理以及洗手间的门把手等。
2.3 加工环境:地面、墙、天花板、下水道等。
3.定义/参考3.1 《作业员个人卫生管理规范》3.2 《生产车间卫生管理规定》3.3 《生产车间设备、加工工具管理规定》4.职责4.1 技术对车间的清洁卫生提出要求制定清洗消毒操作规程。
4.2 生产加工各工序人员按操作规程专职负责实施车间的清洁卫生工作。
4.3 技术部负责制定食品接触面清洁卫生监控计划,技术部对计划负责具体实施。
4.4 监控员负责抽查监督。
5.程序内容清洗和消毒的五个步骤:1、预冲洗;2、使用清洁剂;3、清水冲洗;4、消毒5、漂洗。
5.1 所有与食品接触面的材料卫生要求,必须满足如下要求:无毒、抗腐蚀、不吸水、光滑、不生锈,禁止使用竹木制品、纤维等易吸潮、不易清洁和易脱落的材料。
5.2 所有与产品接触的设备、工器具、操作台的设计和安装必须满足如下要求:能被正确地清洁和消毒;表面光滑,包括缝、角和边在内;拆装方便,便于维护保养5.3 所有与产品接触的面的清洗消毒规定如下:5.3.1 消毒水浓度:5.3.1.1 手消毒水:50-60PPM,按照60PPM 浓度配置。
5.3.1.2 脚池、车间墙壁、车间地面消毒水池:150-200PPM,按照200PPM 浓度配置。
工器具、设备、运输工具消毒水池:150-200PPM,按照200PPM 浓度配置。
5.3.2 所有与产品接触的面清洗消毒后必须用清水冲洗干净,防止污染产品,保护设备。
5.4 车间卫生5.4.1 清洗、消毒要求5.4.1.1 长期停产后恢复生产时必须对所有的设备、工器具及相连管路等按要求进行全面的清洗,清洗完毕后由检查科检查签字后方可正式生产,如有问题耽误生产个人或者部门将负全责。
1目的
规定员工进入车间及洗手消毒的程序,规范员工的洗手消毒。
2适用范围
适用于所有员工进行车间的洗手消毒。
3职责
生产部负责制定并执行员工进入车间的洗手消毒程序。
4 程序
4.1员工进入生产车间必须严格按员工进入车间程序执行。
4.1.1员工进入车间程序:
更换工作鞋、工作服―→穿戴好工作服、帽―→按洗手消毒程序洗手消毒―→进入车间。
4.2、洗手消毒程序:
员工进入消毒间―→清水冲手―→用洗手液清洗―→清水冲洗―→用干手器吹干手―→消毒器喷洒消毒剂(75%的酒精)。
4.2.1洗手的基本步骤及洗手的方法示意图:
1.开水龙头
2.用流动水润湿双手
3. 洗手液
4.按照上图方法搓洗手部至少20秒
5.用流动的水将手冲洗干净
6.使用烘手机将手烘干
7.消毒液双手抹匀
以下情况发生时必须洗手:
1.使用卫生间;
2.接触可能污染产品的物品;
3.从事与生产无关的其他活动后;
4.再次从事接触工器具、设备等与生产相关的活动前应洗手消毒。
员工进入车间要求
第一步:穿戴整洁的工作服:
员工入口处换鞋(禁止穿细高跟鞋子进,防止地板受到损伤) 更衣室戴口罩戴工作帽(头发要藏于工作帽内) 穿工作上衣穿工作裤
第二步:进入作业区域不得化妆、不得留长指甲、不得染指甲、不得喷洒香水;不得带手机进入;不得佩戴饰物,不得戴手表,不得携带或存放与生产无关的个人用品。
开水龙头洗手自动干手机
烘干手
净手器
喷淋消毒
液
进入
生产岗位。
进车间程序
用手肘掀开软帘进入更衣室
更换个人衣服
换上工作服
戴口罩、帽子、自查
脱下外鞋置鞋架
穿上个人雨鞋
过风淋机
进入洗手消毒处自查
进入洗手消毒通道按照《洗手消毒程序》操作
洗手消毒程序
清水湿润双手
取洗手液搓洗双手
清水冲洗
50~100PPM消毒池手部浸泡30秒
清水清洗
进入200~300PPM脚踏池中消毒雨鞋
烘干双手
75%酒精消毒
洗手消毒程序(20张)如图(可放大)清水洗手洗手液洗手清水洗手
50~100PPM消毒手中浸泡30秒清水洗手
自来水编号1-10号码如图(可放大):。
XXX 有限公司清洗、消毒作业指导书文件类别:作业指导书文件编号: XXX-X-XXX撰写单位:品管部门版本:发行日期:机密等级:合计页数:第 B3 版2022年04月16日一般共 6 页审核制定核准XXX 有限公司清洗消毒作业指导书让各操作工明白自己该做什么, 如何去做, 以及要达到什么效果, 最终达到规范操作的目的。
凡公司车间范围内工器具、车间地板、地沟、天花板、日光灯罩、车间小件工器具,手等的 清洗均合用,此外包括车间内部环境的消毒。
3.1 工器具清洗由各楼层清洗班班长按相关要求执行, QC 负责监督与检查,并将结果记录于《车间卫生检查日报表》; 3.2 机械设施的清洗,由当班操作者负责清洗,由各原料前处理区班长或者工段长负责执行, QC 员负责监督与检查 (查看设备是否经过清洁和消毒 (必要时需要拆开设备进行检查),清洁方法 明显有效),并将结果记录于《车间卫生检查日报表》;3.3 各操作流水线、主车间地板、地沟、墙壁及天花板之清洗由各清洁班负责实施与执行,并将结果记录于《车间卫生检查日报表》。
3.4 围裙、袖套及工作鞋由各员工自己清洗, QC 员负责检查。
3.5 车间环境的消毒由车间各区域负责人执行,并将结果记录在《臭氧消毒记录表》中, QC员负责监督检查,并签字确认。
4.1 指定色泽刷子:指生加工区用绿色刷子,熟加工区用蓝色刷子; 4.2 专用刷子:指生加工区用黑色刷子,熟加工区用红白色刷子; 4.3 洗涤液:指按规定(详见附件)用洗洁精为原料配制的水溶液5.1 车间工器具清洗:5.1.1 清洗架子:5.1.1.1、用绿色刷子沾取洗洁精刷洗架子上的油污,重点部位用喷枪清洗包含架子最顶部盖板和拉手,除去油污,无油污的架子倾斜用热水冲洗; 5.1.1.2、用清水洗净残附在架子上的洗洁精液;清洗完成后架子倾斜沥干水分; 5.1.2 清洗大钢盘:5.1.2.1、在装满温水 (50℃摆布) 的水池里加适量洗洁精液, 配置成去污力强的洗涤液; 5.1.2.2、将大钢盘放入洗涤液中,用绿色刷子逐只刷洗油污及脏物; 5.1.2.3、将盘子放入流动清水池中刷洗以除去残留在盘子上的洗洁精液;生效日期 2022-04-16 页 次 1/6 版 序 B3表号: XXX-XX-XXX文件标准用纸 文件编号: XXX-X-XXX名 称XXX 有限公司名称清洗消毒作业指导书文件编号: XXX-X-XXX5.1.2.5、将盘子倒放在已清洗过的架子上,进行消毒处理,备用;5.1.3 车间白色大晒盘:5.1.3.1、先用水枪冲洗,冲掉清除黏附在盘子上的杂物;5.1.3.2、用指定色泽刷子蘸洗涤液逐只刷洗,刷掉水枪不能冲掉的地方以及盘子缝隙处。
车间清洗消毒制度⽣产车间清洗消毒制度(⼀)各单位负责清扫和管理本单位的环境卫⽣间,车间内卫⽣责任区由各单位⾃⾏划分,⽣活区要安排轮流值⽇⽣,做到责任到⼈。
(⼆)采取有效措施消除苍蝇、⽼⿏、蟑螂和其它有害昆⾍及孳⽣条件。
1.外门放置防⿏挡板,地漏安装隔⿏⽹;2.夏天时窗户安装隔蝇、蚊等纱窗。
(三)⽣产⼀线员⼯患有痢疾、伤寒、病毒性肝炎等消化道传染病(包括病源携带者),活动性肺结核,化脓性或者渗出性⽪肤病以及其他有碍⾷品卫⽣的疾病应调离⼯作岗位。
(四)⽣产车间内的设备、⼯器具、操作台必须每天清洗和进⾏必要的消毒。
⼯器具的摆放要有序、整洁,室内和室外打扫⽤具应分开存放。
1、待宰圈每天都要⽤0.5%的过氧⼄酸溶液或千分之⼀百毒杀溶液或25%的漂⽩粉溶液冲洗⼀次。
经常轮换使⽤。
2、待宰圈要经常通风换⽓。
不允许⾮⼯作⼈员进⼊。
3、屠宰车间的地⾯每周⽤2%或3%的⽕碱溶液冲洗两次。
4、屠宰车间设备每周⽤0.5%的过氧⼄酸喷雾消毒⼀次。
5、屠宰车间每天⼯作完后,需要臭氧消毒器对整个空间设备表⾯等消毒两个⼩时。
6、刺杀放⾎处,⼀头猪⼀把⼑。
7、割车间所有使⽤的⼑器具,在⼑具消毒器内⽤82度的热⽔消毒。
8、割车间的⼑器具每半⼩时或⼀⼩时消毒⼀次。
磨完⼑具后必须清洗消毒。
9、车间输送带,每周彻底拆洗⼀次。
⽅法是:把输送带放到槽车内,⽤2%或3%的⽕碱溶液浸泡。
在操作过程中,员⼯必须要带防腐⼿套。
取出后,⽤⽑刷正反⾯清理,⽤清⽔冲刷,达到洁净为⽌。
10、每天分割车间⼯作结束后,⽤臭氧消毒器消毒两个⼩时;每天上班前三⼩时再打开臭氧消毒器消毒⼀个⼩时。
11、屠宰车间、分割车间所使⽤的所有的槽车、不锈钢⼯作台、架⼦车、脚踏台全部⽤清⽔冲洗⼲净后,全部⽤75%的酒精喷洒或碳酸钠溶液消毒。
12、洗⼿间的卫⽣标准:①洗⼿程序要符合标准。
洗⼿程序为:⼿指甲长的应剪掉,然后再清⽔冲洗、洗⼿液清洗、⽤0.2%的过氧⼄酸溶液消毒、清⽔冲洗、吹⼲。
净化车间车间消毒操作规程一、目的和适合范围本操作规程的目的是确保净化车间内的环境卫生达到标准要求,保证产品的质量和安全性。
适合于所有净化车间的工作人员。
二、定义和缩写1. 净化车间:指用于生产和加工高要求产品的特殊车间,要求环境洁净、无菌。
2. 消毒:指使用化学物质或者物理方法杀灭或者去除车间内的微生物。
3. 操作人员:指执行车间消毒工作的工作人员。
4. SOP:指标准操作规程(Standard Operating Procedure)。
三、消毒频率1. 净化车间每日上班前进行一次全面消毒。
2. 净化车间每日下班后进行一次局部消毒。
3. 净化车间每周进行一次深度消毒。
四、消毒方法1. 化学消毒方法:使用消毒剂进行消毒,如酒精、过氧化氢等。
操作人员应按照产品说明书的要求正确使用消毒剂,避免过量使用或者误用。
2. 物理消毒方法:使用紫外线灯进行消毒。
操作人员应按照使用说明正确操作紫外线灯,避免直接暴露于紫外线下。
五、消毒程序1. 准备工作:a. 操作人员应佩戴个人防护装备,包括口罩、手套、工作服等。
b. 准备所需的消毒剂或者紫外线灯。
c. 清理净化车间,确保表面无明显污垢。
2. 化学消毒程序:a. 将适量的消毒剂倒入喷雾瓶中。
b. 从车间入口开始,挨次喷洒消毒剂,覆盖整个车间的表面,特殊是容易被忽视的角落和隐蔽部位。
c. 等待消毒剂起效时间,通常为15-30分钟。
d. 使用清水擦拭车间表面,将残留的消毒剂清除。
3. 物理消毒程序:a. 将紫外线灯放置在车间中央,确保能够辐射到所有区域。
b. 打开紫外线灯,根据车间大小和紫外线灯的功率,设置辐射时间,通常为15-30分钟。
c. 在紫外线辐射期间,操作人员应离开车间,避免直接暴露于紫外线下。
d. 关闭紫外线灯,重新进入车间,清理紫外线灯表面的灰尘和污垢。
六、操作注意事项1. 操作人员应定期接受消毒操作培训,了解消毒剂的正确使用方法和注意事项。
2. 操作人员在进行消毒操作前应进行手部卫生,使用洗手液或者消毒洗手液彻底清洁双手。
1. 目的:建立生产车间清洗消毒标准操作程序,使之符合工艺卫生要求。
2. 依据:2.1 中华人民共和国国家标准GB 14930.2-94 食品工具、设备用洗涤消毒剂卫生标准2.2 中华人民共和国国家标准GB 14881-1994 食品企业通用卫生规范2.3 《食品卫生学》---中国农业大学出版社3. 适用范围:3.1操作人员的手。
3.2接触食品的操作台面,各种劳保用具、操作工具和容器具。
3.3接触与间接接触食品的生产设备表面。
3.4生产车间地面、墙壁、顶棚及灭蚊、照明、通风排气等设施。
4. 清洁用具及溶液:4.1 毛巾、塑料毛刷、清洁球、地板刷、扫把、拖把。
4.2 自来水、洗洁精、100PPM有效氯的84消毒液。
5. 责任:5.1 生产车间操作人员按本程序正确实施清洗操作。
5.2 车间主任、品控人员负责对车间卫生清洗消毒卫生进行监督与检查。
6. 内容:6.1 清洗消毒分生产前、后和生产间隙进行。
6.2 生产前开启紫外线灭菌灯2小时,对车间空气进行消毒。
6.3 生产结束后的清洗消毒。
6.3.1 清扫:应清除地面、墙面和各种设备、设施、工器具中的杂物、残留物。
6.3.2清洗:分为食品直接接触面清洗与间接接触面的清洗。
食品直接接触面的清洗流程:直接接触产品的工器具包括不锈钢盆、漏勺、刀具、菜板、包装工具、切菜设备、拣选车此类器具清洗流程为(六步法):清水清洗-----洗洁精清洗-----清水清洗-----破损检查-----100PPM的84消毒剂消毒10分钟以上-----清水清洗;并且所有可拆装移动的工器具必须保证每周用82度以上热水浸煮20分钟以上。
食品间接接触面的清洗流程:间接接触产品的工器具包括台秤、周转筐、推车、真空包装机、操作台面、墙面、地面等。
此类器具的清洗流程为(五步法):完好情况检查-----清水清洗-----洗洁精清洗-----清水清洗-----100PPM的84消毒剂清洗消毒。
6.3.3 具体操作方法及工器具清洗消毒后的要求。
清洗、消毒作业指导书1、目的:控制产品的微生物指标,提高并稳定产品质量2、范围:适用于车间工艺线3、内容:3.1、发酵工段3.1.1、清洗3.1.1.1、清洗范围:种子罐、种浆罐、发酵罐、稀释蜜罐以及相关管路、阀门、泵、排污口、取样口等。
3.1.1.2、清洗程序:水洗二至三遍→CIP洗→清水冲洗(或空消)3.1.1.3、清洗要求:A:清水冲洗至排出的清洗水干净无泡沫。
B:碱液浓度2-3%,温度85℃以上,热碱清洗至少15min,种浆罐用碱清洗时可根据生产节奏适当采用泡罐2小时以增加清洗灭菌效果。
C:各条管路、各取样阀、排污阀、压力传感器排污阀在清洗时必须有少量水(碱)排出,消除死角。
D:清洗完毕后的罐,管路中不得残留物料。
E:长时间停机应将乳化剂放出过滤,清洗乳化剂罐、泵、管路等,开机时再加入。
3.1.2、消毒:3.1.2.1、消毒范围:种浆罐、种子罐、发酵罐及稀蜜罐及相关管路阀门等;地面、空气过滤器及风机风管路。
3.1.2.2、要求:A:蒸汽消毒时罐内温度必须大于90℃时间不少于30分钟,管路用手摸烫手,各取样排污口有少量蒸汽排出。
B:风机系统甲醛熏蒸,每次1.5L,每台风机都要启动5-10分钟。
C:注意:空消后的罐只能在打开排空或罐盖后才可以加冷水,防止罐内形成负压损害罐体!3.1.3、卫生3.1.3.1、卫生范围:仍执行原有划分的卫生责任区域3.1.3.2、卫生要求:A:责任区地面干净无杂物,设备(包括管路、罐、泵等)上无尘土无污垢;每天用漂白粉水将地面消毒一次(大夜班下班前完成)。
B:操作间物品摆放整齐干净,不得摆放与生产无关的物品、食品等C:操作间要做到窗明几净,一尘不染。
D:清洗用具定点存放。
E:发酵罐清洗完以后或接完种、清洗完接种管路以后稀蜜罐清洗完后地沟一定要冲洗干净。
3.2、分离工段3.2.1、清洗3.2.1.1、清洗范围:分离机、洗水罐、酵母浆罐、接料槽、板式换热器相关的物料管路、阀门、泵、排污取样口等。
目的:规范300000级洁净区清洁消毒程序。
范围:适用于各生产车间300000级洁净区的清洁。
责任:操作工、清洁工、车间主任、质监员程序:1清洁工具:不锈钢拖桶、不锈钢桶、丝光毛巾,无纤维和颗粒脱落的拖把,喷洗瓶、玻璃刮水器。
2清洁频次及清洁范围2.1清洁频次按洁净区卫生管理制度执行,生产不正常时,按该区域生产活动情况而定。
2.2清洁范围:门窗、地面、走廊、墙壁、地漏、废弃物密闭容器用具,容器设备、顶棚、进、排风口。
3清洁剂:取适量洗洁精,加饮用水配成0.2%的清洁剂。
4消毒剂:4.1 0.5%醋酸洗必泰的70%乙醇液。
4.2 0.2%新洁尔灭液;4.3 3%碘伏液;4.4 5%来苏液;5清洁方法5.1清洁顺序本着先物后地,先上后下,先内后外,先拆后洗,先零后整的擦拭原则,不允许干拖、干擦。
5.2用具、容器:按“洁净区容器具清洁、消毒程序”(SOP-CM-426-01)执洁净区清洁消毒程序第2页行。
5.3设备:按“洁净区各设备清洁程序”执行。
5.4废弃物密闭容器:按“洁净区废弃物处理、清洁程序”(SOP-CM-430-01)执行。
5.5玻璃门、窗、墙壁;用洁净的湿抹布蘸取清洁剂抹、擦,用饮用水冲洗干净清洁剂,后用喷水瓶喷洒消毒剂,再用纯化水洗净消毒剂残留物,用经消毒过并用纯化水冲洗干净的玻璃刮水器刮涂玻璃上的积水。
5.6地面、走廊:用浸湿饮用水的拖把、拖擦地面,如地面有污迹,则蘸取少量清洁液拖擦,用湿拖把拖洗干净,用消毒剂拖擦地面,后用纯化水拖洗地面,再用干净的拖把拖干地面。
5.7洗涤盆、水池:先用饮用水冲洗干净,如有污迹,用抹布蘸取清洁剂擦洗,用饮用水冲净清洁剂,用抹布蘸取消毒剂抹擦,最后用纯化水冲洗干净。
5.8地漏:按“洁净区地漏清洁消毒程序”(SOP-CM-427-01)执行。
6清洁工具的清洁、存放6.1清洁工具的清洁按“洁净区清洁工具清洁、消毒程序”执行(SOP-CM-429-01)。
6.2已清洁的洁净工具放在洁净区洁具指定位置存放。