槽钢尺寸表
- 格式:xls
- 大小:61.00 KB
- 文档页数:8
a 高度h 140 腿宽b 58 腰厚d 6 理论重量14b 高度h 140 腿宽b 60 腰厚d 8 理论重量热轧轻型槽钢尺寸及重量14a 高度h 140 腿宽b 62 腰厚d 理论重量14 高度h 140 腿宽b 58 腰厚d 理论重量谢谢2.这个这的是角钢的边长一般的都是等边角钢当然还有不等边角钢的标准型号{拿30角钢举例}是两个边长是3公分厚3毫米长6米、槽钢是一样的道理标准型号{5号槽钢举例}长6米宽就是5公分槽钢的5号 6号指的是槽钢的宽度国标槽钢的重量就是5号槽钢那个它就要一米5公斤重那个它6米就30公斤你老板说的10号和18号槽钢指的是槽钢的宽度槽钢规格尺寸表20 200 7620a 200 8022 220 82 2122a 220 8724 240 90 2424a 240 9527 270 95 630 300 10033 330 105 736 360 11040 400 115 8槽钢规格型号及理论重量表时间:2009-09-25 11:53来源:网络作者:槽钢网点击:1470次槽钢规格型号及理论重量表槽钢是截面为凹槽形的长条钢材;其规格表示方法,如abc这里的a,b,c仅代表字母,无其他含义,和下面字母无关系,表示腰高为a毫米,腿宽为b毫米的槽钢规格型号及理论重量表槽钢是截面为凹槽形的长条钢材;其规格表示方法,如abc这里的a,b,c仅代表字母,无其他含义,和下面字母无关系,表示腰高为a毫米,腿宽为b毫米的槽钢,腰厚为c毫米的槽钢,或称a/10槽钢;腰高相同的槽钢,如有几种不同的腿宽和腰厚也需在型号右边加a b c 予以区别,如25a 25b 25c等;槽钢分普通槽钢和轻型槽钢;热轧普通槽钢的规格为5-40;经供需双方协议供应的热轧变通槽钢规格为;槽钢主要用于建筑结构、车辆制造和其它工业结构,槽钢还常常和工字钢配合使用;槽钢规格型号及理论重量表:规格mm型号单重kg/m503756340654080435810048101205312。
我们就将槽钢的规格表以及理论重量分享给大家槽钢是一种截面呈槽形的长钢材,是一种非常常见的装饰材料。
槽钢可以分为很多规格,不同的规格有不同的用途。
今天给大家分享一下槽钢的规格表和理论重量,让大家对槽钢有更好的了解。
我们就将槽钢的规格表以及理论重量分享给大家 1槽钢最小尺寸为5#槽钢,规格一般为50mm*50mm*3mm50mm*50mm*4mm 50mm*50*mm5mm 50mm*50mm*6 mm,最常用的就是这几种了,50*50为直角数,后面一位数为厚度数.一般重量计算:截面面积6.93cm2 理论重量5.44kg/m,5号槽钢的理论重量是5.438kg/m。
槽钢是一种横截面呈槽形的钢带。
槽钢。
槽钢理论重量槽钢理论重量计算钢材理论重量计算的计量单位为公斤( kg )。
其基本公式为: w (重量, kg ) = f (断面积mm2 )× l (长度,m )×ρ(密度,g/cm3 )× 1/1000钢的密度为:7.85g/cm3 ,各种钢材理论重量计算公式如下:名称(单位) 计算公式符号意义。
计算举例槽钢(kg/m) w=0.00785 ×[hd+2t (b ?cd )+0.349 (r2 ?c r 2 )] h= 高 b= 腿长 d= 腰厚 t= 平均腿厚 r= 内弧半径 r= 端弧半径求80 mm × 43mm × 5mm 的槽钢的每m 重量。
从冶金产品目录中查出该槽钢t 为8 ,r 为8 ,r 为4 ,则每m 重量=0.00785 ×[80 ×5+2 ×8 ×(43 ?c 5 )+0.349 ×(82?c4 2 )]= 8.04kg槽钢的规格和理论重量是我们进一步了解槽钢的重要知识。
不知道大家看了我们上面的介绍,对槽钢有没有更深的了解。
如果你想了解更多关于槽钢的信息,可以通过关注我们的网站来了解。
槽钢规格表大全(最新)槽钢规格表大全(最新)
四、角钢单位重量表热轧等边角钢每米重量表
热轧不等边角钢每米重量表
五、工字钢单位重量表热轧普通工字钢每米重量表
热轧轻型工字钢每米重量表
六、槽钢单位重量表热轧普通槽钢每米重量表
热轧轻型槽钢每米重量表
七、轨道材料重量表钢轨每米重量表
鱼尾板每块重量表
九、无缝钢管单位重量表
热轧无缝钢管每米重量表
注:1、括号内的尺寸不推荐使用。
2、钢管长度:3~12.5米。
冷拔(轧)无缝钢管每米重量表(理论重量)
注:1、括号内的尺寸不推荐使用。
2、钢管长度:壁厚<=1毫米;壁厚>1毫米,1.5~9米。
十、不锈钢管单位重量表
热轧不锈钢管(1Cr18Ni9Ti)每米重量表
冷拔不锈钢管(1Cr18Ni9Ti)每米重量表
十一、焊接钢管单位重量表
电焊钢管每米重量表
.。
1.14#a高度(h)140腿宽(b)58腰厚(d)6理论重量14.53514#b高度(h)140腿宽(b)60腰厚(d)8理论重量16.733热轧轻型槽钢尺寸及重量14#a高度(h)140腿宽(b)62腰厚(d)4.9理论重量13.314#高度(h)140腿宽(b)58腰厚(d)4.9理论重量12.3谢谢!2.这个这的是角钢的边长一般的都是等边角钢当然还有不等边角钢的标准型号{拿30角钢举例}是两个边长是3公分厚3毫米长6米、槽钢是一样的道理标准型号{5号槽钢举例}长6米宽就是5公分槽钢的5号6号指的是槽钢的宽度国标槽钢的重量就是5号槽钢那个它就要一米5公斤重那个它6米就30公斤你老板说的10号和18号槽钢指的是槽钢的宽度槽钢规格尺寸表槽钢规格型号及理论重量表时间:2009-09-2511:53来源:网络作者:槽钢网点击:1470次槽钢规格型号及理论重量表槽钢是截面为凹槽形的长条钢材。
其规格表示方法,如a*b*c(这里的a,b,c仅代表字母,无其他含义,和下面字母无关系),表示腰高为a毫米,腿宽为b毫米的槽钢规格型号及理论重量表槽钢是截面为凹槽形的长条钢材。
其规格表示方法,如a*b*c(这里的a,b,c 仅代表字母,无其他含义,和下面字母无关系),表示腰高为a毫米,腿宽为b 毫米的槽钢,腰厚为c毫米的槽钢,或称(a/10)#槽钢。
腰高相同的槽钢,如有几种不同的腿宽和腰厚也需在型号右边加abc予以区别,如25a#25b#25c#等。
槽钢分普通槽钢和轻型槽钢。
热轧普通槽钢的规格为5-40#。
经供需双方协议供应的热轧变通槽钢规格为6.5-30#。
槽钢主要用于建筑结构、车辆制造和其它工业结构,槽钢还常常和工字钢配合使用。
槽钢规格型号及理论重量表:?。
槽钢规格表大全(最新)槽钢规格表大全(最新)
四、角钢单位重量表热轧等边角钢每米重量表
热轧不等边角钢每米重量表
五、工字钢单位重量表热轧普通工字钢每米重量表
热轧轻型工字钢每米重量表
六、槽钢单位重量表热轧普通槽钢每米重量表
热轧轻型槽钢每米重量表
七、轨道材料重量表钢轨每米重量表
鱼尾板每块重量表
九、无缝钢管单位重量表热轧无缝钢管每米重量表
注:1、括号内的尺寸不推荐使用。
2、钢管长度:3~12.5米。
冷拔(轧)无缝钢管每米重量表(理论重量)
注:1、括号内的尺寸不推荐使用。
2、钢管长度:壁厚<=1毫米;壁厚>1毫米,1.5~9米。
十、不锈钢管单位重量表
热轧不锈钢管(1Cr18Ni9Ti)每米重量表
冷拔不锈钢管(1Cr18Ni9Ti)每米重量表
十一、焊接钢管单位重量表电焊钢管每米重量表。
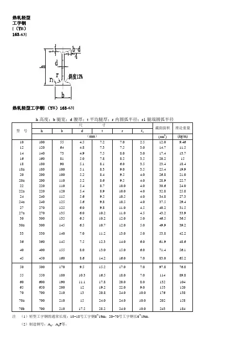
热轧轻型工字钢[(Y B )163-63]
热轧轻型工字钢[(Y B )163-63]
热轧轻型工字钢
240x115x5.6-YB193-93
A 3F-YB170-63
热轧等边角钢[(YB )166-65]
注 (1)轻型工字钢的通常长度:10~18号工字钢5~19m ;20~70号工字钢长6~19m 。
(2)制造钢号:A 3,A 3F 等。
(3)标记举例:普通碳素钢甲类平炉3号沸腾钢240mmX115mmX5.6mm
的热轧轻型工字钢的标记为:
注 (1)等边角钢的通常长度:2~4号长3~9m ;5~8号长4~12m ;9~14号长4~19m ;16~20号长6~19m 。
热轧普通槽钢[(G B )707-65]
(2)制造钢号:A 3,A 3F ,B 3F 。
(3)标记举例:普通碳素钢甲类平炉3号沸腾钢160mmX160mmX16mm 的热轧等边角钢的标记为:
热轧等边角钢
160x160x16-YB166-65
A 3
F-YB170-63
(3)标记举例:普通碳素钢甲类平炉3号沸腾钢180mmX68mmX7mm 的热轧普通槽钢的标记为: 热轧普通槽钢
180x68x7-GB707-65A 3F-YB170-63
(2)制造钢号:A 3,A 3F ,B 3F 等。
1.14#a 高度(h) 140 腿宽(b) 58 腰厚(d) 6 理论重量14.53514#b 高度(h) 140 腿宽(b) 60 腰厚(d) 8 理论重量16.733热轧轻型槽钢尺寸及重量14#a 高度(h) 140 腿宽(b) 62 腰厚(d) 4.9 理论重量13.314# 高度(h) 140 腿宽(b) 58 腰厚(d) 4.9 理论重量12.3 谢谢!2.这个30.40.50 这的是角钢的边长一般的都是等边角钢当然还有不等边角钢的标准型号{拿30角钢举例}是两个边长是3公分厚3毫米长6米、槽钢是一样的道理标准型号{5号槽钢举例}长6米宽就是5公分槽钢的5号 6号指的是槽钢的宽度国标槽钢的重量就是5号槽钢那个它就要一米5公斤重那个它6米就30公斤你老板说的10号和18号槽钢指的是槽钢的宽度槽钢规格尺寸表槽钢规格型号及理论重量表槽钢规格型号及理论重量表槽钢是截面为凹槽形的长条钢材。
其规格表示方法,如a*b*c(这里的a,b,c 仅代表字母,无其他含义,和下面字母无关系),表示腰高为a毫米,腿宽为b毫米的槽钢规格型号及理论重量表槽钢是截面为凹槽形的长条钢材。
其规格表示方法,如a*b*c(这里的a,b,c仅代表字母,无其他含义,和下面字母无关系),表示腰高为a毫米,腿宽为b毫米的槽钢,腰厚为c毫米的槽钢,或称(a/10)#槽钢。
腰高相同的槽钢,如有几种不同的腿宽和腰厚也需在型号右边加a b c 予以区别,如25a# 25b# 25c#等。
槽钢分普通槽钢和轻型槽钢。
热轧普通槽钢的规格为5-40#。
经供需双方协议供应的热轧变通槽钢规格为6.5-30#。
槽钢主要用于建筑结构、车辆制造和其它工业结构,槽钢还常常和工字钢配合使用。
槽钢规格型号及理论重量表:。
槽钢规格表大全最新槽钢规格表大全最新
四、角钢单位重量表热轧等边角钢每米重量表
热轧不等边角钢每米重量表
五、工字钢单位重量表热轧普通工字钢每米重量表
热轧轻型工字钢每米重量表
六、槽钢单位重量表热轧普通槽钢每米重量表
热轧轻型槽钢每米重量表
七、轨道材料重量表钢轨每米重量表
鱼尾板每块重量表
九、无缝钢管单位重量表热轧无缝钢管每米重量表
注:1、括号内的尺寸不推荐使用;2、钢管长度:3~米;
冷拔轧无缝钢管每米重量表理论重量
注:1、括号内的尺寸不推荐使用;
2、钢管长度:壁厚<=1毫米;壁厚>1毫米,~9米;
十、不锈钢管单位重量表
热轧不锈钢管1Cr18Ni9Ti每米重量表
冷拔不锈钢管1Cr18Ni9Ti每米重量表
十一、焊接钢管单位重量表
电焊钢管每米重量表。
1.14#a 高度(h) 140 腿宽(b) 58 腰厚(d) 6 理论重量 14.535 14#b 高度(h) 140 腿宽(b) 60 腰厚(d) 8 理论重量 16.733 热轧轻型槽钢尺寸及重量14#a 高度(h) 140 腿宽(b) 62 腰厚(d) 4.9 理论重量 13.3 14# 高度(h) 140 腿宽(b) 58 腰厚(d) 4.9 理论重量 12.3 谢谢!2.这个30.40.50 这的是角钢的边长一般的都是等边角钢当然还有不等边角钢的标准型号{拿30角钢举例}是两个边长是3公分厚3毫米长6米、槽钢是一样的道理标准型号{5号槽钢举例}长6米宽就是5公分槽钢的5号 6号 指的是槽钢的宽度 国标槽钢的重量就是5号槽钢 那个它就要一米5公斤重 那个它6米就30公斤 你老板说的10号 和18号槽钢 指的是槽钢的宽度槽钢规格尺寸表热轧普通槽钢尺寸及重量规格尺寸理论重量规格型号高度(h) 腿宽(b) 腰厚(d)5 50 37 4.5 5.4386.3 63 40 4.8 6.6348 80 43 5 8.04510 100 48 5.3 10.00712.6 126 53 5.5 12.31814#a 140 58 6 14.53514#b 140 60 8 16.73316#a 160 63 6.5 17.2416#b 160 65 8.5 19.75418#a 180 68 7 20.17418#b 180 70 9 2320#a 200 73 7 22.63720#b 200 75 9 25.77722#a 220 77 7 24.99922#b 220 79 9 28.45325#a 250 78 7 27.4125#b 250 80 9 31.33525#c 250 82 11 35.2628#a 280 82 7.5 31.42728#b 280 84 9.5 35.82328#c 280 86 11.5 40.21932#a 320 88 8 38.08332#b 320 90 10 43.10732#c 320 92 12 48.13136#a 360 96 9 47.81436#b 360 98 11 53.46636#c 360 100 13 59.11840#a 400 100 10 58.92840#b 400 102 12.5 65.20840#c 400 104 14.5 71.488 热轧轻型槽钢尺寸及重量尺寸理论重重规格型号高度腿宽腰厚5 50 32 4.4 4.846.5 65 36 4.4 5.98 80 40 4.5 7.05 10 100 46 4.5 8.59 12 120 52 4.8 10.4 14a 140 62 4.9 13.3 14 140 58 4.9 12.3 16 160 64 5 14.2 16a 160 68 5 15.3 18 180 70 5.1 16.3 18a 180 74 5.1 17.420 200 76 5.2 18.4 20a 200 80 5.2 19.8 22 220 82 5.4 21 22a 220 87 5.4 22.6 24 240 90 5.6 24 24a 240 95 5.6 25.8 27 270 95 6 27.7 30 300 100 6.5 31.8 33 330 105 7 36.5 36 360 110 7.5 41.9 40 400 115 8 48.3槽钢规格型号及理论重量表时间:2009-09-25 11:53来源:网络作者:槽钢网点击: 1470次槽钢规格型号及理论重量表槽钢是截面为凹槽形的长条钢材。
槽钢规格表大全〔最新〕槽钢规格表大全〔最新〕
四、角钢单位重量表热轧等边角钢每米重量表
热轧不等边角钢每米重量表
五、工字钢单位重量表热轧普通工字钢每米重量表
热轧轻型工字钢每米重量表
六、槽钢单位重量表热轧普通槽钢每米重量表
热轧轻型槽钢每米重量表
七、轨道材料重量表钢轨每米重量表
鱼尾板每块重量表
九、无缝钢管单位重量表热轧无缝钢管每米重量表
注:1、括号内的尺寸不推荐使用。
2、钢管长度:3~12.5米。
冷拔〔轧〕无缝钢管每米重量表〔理论重量〕
注:1、括号内的尺寸不推荐使用。
2、钢管长度:壁厚<=1毫米;壁厚>1毫米,1.5~9米。
十、不锈钢管单位重量表
热轧不锈钢管〔1Cr18Ni9Ti)每米重量表
冷拔不锈钢管〔1Cr18Ni9Ti)每米重量表
十一、焊接钢管单位重量表电焊钢管每米重量表。
槽钢规格表大全(最新)槽钢规格表大全(最新)
四、角钢单位重量表
热轧等边角钢每米重量表
热轧不等边角钢每米重量表
五、工字钢单位重量表热轧普通工字钢每米重量表
热轧轻型工字钢每米重量表
六、槽钢单位重量表热轧普通槽钢每米重量表
热轧轻型槽钢每米重量表
七、轨道材料重量表
钢轨每米重量表
鱼尾板每块重量表
九、无缝钢管单位重量表热轧无缝钢管每米重量表
注:1、括号内的尺寸不推荐使用。
2、钢管长度:3~12.5米。
冷拔(轧)无缝钢管每米重量表(理论重量)
注:1、括号内的尺寸不推荐使用。
2、钢管长度:壁厚<=1毫米;壁厚>1毫米,1.5~9米。
十、不锈钢管单位重量表
热轧不锈钢管(1Cr18Ni9Ti)每米重量表
冷拔不锈钢管(1Cr18Ni9Ti)每米重量表
十一、焊接钢管单位重量表电焊钢管每米重量表
注:1、表括号内的外径或重量是指经过冷拔的钢管;外径<63.5毫米,壁厚<2.5毫米,
没有括号的是指
经过冷拔或不经过冷拔方法制造的钢管;其余的钢管均不经过冷拔方法制
造。
2、钢管长度:外径<=30毫米为2~6米;外径30~70毫米为3~10米;外径70
毫米为4~10米。
水、煤气管每米重量表
注:镀锌钢管比不镀锌钢管重3~6%。
钢管一般用材料为A
2,A
3,
A
4。
电线管规格重量表
十二、铸铁管单位重量表
上水铸铁管重量表
下水铸铁管重量表
十三、电焊条规格表
结构钢电焊条每公斤根数换算表
电焊条规格重量表。