防反二极管MD250A
- 格式:pdf
- 大小:373.43 KB
- 文档页数:5
常用开关二极管型号及主要参数开关二极管是一种具有特殊结构的二极管,其主要作用是实现电路开关控制功能。
在数字电子、通信、电源管理等领域都广泛应用。
以下将对常用的几种开关二极管型号及其主要参数进行介绍。
1.1N4148开关二极管-最大反向电压:100V-最大正向电流:200mA-最大功耗:500mW- 开关时间:4ns1N4148是一种常见的开关二极管,具有快速开关、低反向电流、高正向导通能力等特点。
广泛应用于数字逻辑门、开关电路以及高频信号放大电路中。
2.1N4007开关二极管-最大反向电压:1000V-最大正向电流:1A-最大功耗:3W-开关时间:<50μs1N4007是一种经典的开关二极管,主要用于低频交流电源整流和保护电路,具有高耐压、大电流特点,适用于一般电源电路。
3.1N5822开关二极管-最大反向电压:40V-最大正向电流:3A-最大功耗:2.5W- 开关时间:20ns1N5822是一种快恢复型开关二极管,具有快速恢复时间和低导通损耗的特点。
常用于开关电源和充电电路中,以提高电路的稳定性和效率。
4.2N3904开关二极管-最大反向电压:40V-最大正向电流:200mA-最大功耗:625mW- 开关时间:20ns2N3904是一种常见的NPN型开关二极管,适用于低功耗开关电路和放大电路。
具有高动态特性、低饱和电压和低输入电容等特点。
5.PN2222开关二极管-最大反向电压:40V-最大正向电流:600mA-最大功耗:500mW- 开关时间:25nsPN2222是一种广泛应用的PNP型开关二极管,常用于电源管理、接口驱动、瞬态抑制等电路。
具有较高的集电极电流和较低的饱和电压。
以上是几种常见的开关二极管型号及其主要参数。
在实际应用中,选择合适的开关二极管要综合考虑最大反向电压、最大正向电流、功耗和开关时间等参数,并根据具体应用需求进行合适选择。
二极管是一种最简单的电子器件,由P型半导体和N型半导体材料组成。
它具有导电的特性,但是只允许电流单向流动。
二极管中最大直流反向电流额定直流阻断电压(Maximum DC reverse current and DC reverse breakdown voltage of a diode)是描述二极管性能的重要参数。
一、二极管中最大直流反向电流额定(Maximum DC reverse current of a diode)在正向工作状态下,二极管具有很低的电阻,可以通过大量的电流。
而在反向工作状态下,尽管二极管理论上不允许电流流动,但实际上还是存在反向漏电流。
这种反向漏电流,如果超过了二极管中最大直流反向电流额定值,就会导致器件烧坏。
二极管中最大直流反向电流额定是指在反向电压作用下,二极管漏电流的最大允许值。
二极管中最大直流反向电流额定的大小,受到二极管制造工艺和材料的影响。
一般来说,正常工作条件下的二极管反向电流都非常小,一般在微安以下,可以忽略不计。
但是一旦超过了最大额定值,就可能出现二极管漏电流变大,从而导致器件失效或损坏。
二、二极管中最大直流阻断电压(Maximum DC reverse breakdown voltage of a diode)在反向工作状态下,当反向电压增加到一定程度时,二极管会发生击穿,形成反向漏电流增大的状态。
二极管中最大直流阻断电压是指在一定条件下,二极管能够承受的最大反向电压。
一般来说,二极管中最大直流阻断电压的大小受到材料和结构的影响。
对于硅、锗等材料制成的二极管,其反向阻断电压一般在几伏到数百伏之间。
而在一些特殊的二极管中,如肖特基势垒二极管(Schottky barrier diode),其反向阻断电压很小,一般在几伏以下,但具有快速开关速度和低电压损耗的特点。
三、个人观点和理解二极管的性能参数对于电子设备的设计和应用具有重要意义。
在选择二极管时,需要仔细考虑其最大直流反向电流额定和最大直流阻断电压,以确保器件能够长时间稳定地工作。
光伏电站防反二极管的典型应用一、引言集中式并网光伏电站是利用荒漠,集中建设大型光伏电站,发电直接并入公共电网,接入高压输电系统供给远距离负荷。
防反二极管在集中式并网光伏电站建设中,不可或缺的原因,主要是集中式光伏电站发展初期重点考虑系统运行的稳定性和可靠性等因素;随着集中式光伏电站建设规模的增大,节约成本成为集中式光伏电站建设的重点考虑问题。
二、防反二极管的作用利用二极管的单向导电性,在每个组串的正极串联一个防反二极管。
主要作用是:防止因光伏组件正负极反接导致的电流反灌而烧毁光伏组件;防止光伏组件方阵各支路之间存在压差而产生电流倒送,即环流;当所在组串出现故障时,作为一个断开点,与系统有效隔离,在保护故障组串的同时,为检修提供方便。
三、防反二极管的选型大电流的二极管主要有整流二极管和肖特基二极管。
这两种二极管的正向导通压降分别是:肖特基二极管约1.2V、大容量整流二极管约0.8V。
在通过相同电流的情况下,肖特基二极管的导通损耗大于整流二极管。
因此,集中式光伏电站建设中普遍采用大容量整流二极管。
选用大容量整流二极管主要考虑以下两方面:最大耐压和最大整流电流。
器件的最大耐压必须大于系统设计电压的1.5倍,最大电流值必须大于系统设计最大电流的2倍。
目前市场上大部分汇流箱、直流柜、逆变器等光伏设备上的防反二极管采用浙江柳晶整流器有限生产的光伏防反二极管产品,光伏设备比较常用的防反二极管型号有:MDK55A1600V MD55A1600V MDA55A1600V MD25A1600V MDK25A1600VMDA25A1600V MDK26A1600V MDK160A1600V MD300A1600V MDK300A1600VMDA300A1600V MDA500A1600V MD500A1600V MDK500A1600V等,柳晶目前采用的3D三维技术,还可以免费提供样品、3D三维图纸、技术资料、光盘、目录本等资料,可最大限度满足可以设计汇流箱、直流柜的需要。
防倒流二级管工作原理
防倒流二极管的工作原理基于二极管的单向导电性。
当电流通过二极管时,电流只能在一个方向上流动。
具体来说,当二极管处于正向偏置时,电流可以流动;而处于反向偏置时,电流几乎无法流动。
正向偏置时,二极管内部的P型半导体和N型半导体产生电场,空穴(P型半导体)向N型半导体方向移动,自由电子(N型半导体)向P型半导体方向移动。
由于浓度梯度的存在,空穴和自由电子最终会相遇并复合,形成正向电流。
反向偏置时,由于反向电压的作用,空穴和自由电子的扩散被阻止,二极管内部形成一个高电场区域。
在高电场区域中,空穴和自由电子被推向禁带区域,使得P-N结的耗尽层变得更宽。
由于禁带区域几乎没有载流子,所以在反向偏置下,二极管的电流非常小,几乎可以忽略不计。
防倒流二极管的作用就是利用二极管的这种单向导电性,将电流限制在一个方向上,防止电流逆向流动。
这种特性使得防倒流二极管在各种电路中都有广泛的应用,如电源供应、信号处理、电机控制等。
MDK55MD55参 数 值 符号 参 数 测 试 条 件结温T j (°C) 最小 典型最大 单位I F(AV) 正向平均电流 180°正弦半波, 50Hz 单面散热, T c =100°C 150 55 A I F (RMS) 方均根电流15086 A V RRM 反向重复峰值电压 V RRM tp=10ms V RSM = V RRM +200V 150 600 3600 V I RRM 反向重复峰值电流 V RM = V RRM150 10 mA I FSM 正向不重复浪涌电流 1.30 KA I 2t 浪涌电流平方时间积 10ms 底宽,正弦半波, V R =0.6V RRM 150 8.6 A 2s*103V FO 门槛电压 0.85 V r F 斜率电阻150 3.76 m Ω V FM 正向峰值电压 I FM =170A25 V R th(j-c) 热阻抗(结至壳) 180°正弦半波,单面散热 0.68 °C /W R th(c-h) 热阻抗(壳至散) 180°正弦半波, 单面散热0.2 °C /W V iso 绝缘电压 50Hz,R.M.S,t=1min,I iso :1mA(max) 3600 V 安装扭矩(M5) 4 N ·m F m 安装扭矩(M6) 6 N ·m T stg 贮存温度 -40 125 °C W t质量115gI F(AV) 55A RRM 600~3600V FSM 1.3 KA 2t 8.6 103A 2S西瑪華晶科技(深圳)有限公司防反专用二极管0.80Fig.1 正向伏安特性曲线Fig.2 瞬态热阻抗曲线Fig.5最大正向功耗与平均电流的关系曲线Fig.6管壳温度与正向平均电流的关系曲线Fig.4管壳温度与正向平均电流的关系曲线Fig.3最大正向功耗与平均电流的关系曲线西瑪華晶科技(深圳)有限公司MDK55MD55 防反专用二极管外形图:Fig.7 正向浪涌电流与周波数的关系曲线Fig.8 I 2t 特性曲线西瑪華晶科技(深圳)有限公司MDK55MD55 防反专用二极管。
1). 芯片与底板绝缘,采用日本菊水耐压测试仪,绝缘耐压3500V以上2). 采用304不锈钢螺丝,免维护3). 行业第一家通过德国莱茵TUV认证4). 通过欧盟CE认证5). 使用寿命按照25年设计6). 安装方便、散热佳1). 光伏直流柜防反专用2). 光伏逆变器3). 新能源汽车4). 电动车5). 充电桩防反106B一. 使用条件及注意事项1). 使用环境应无剧烈振动和冲击,环境介质中应无腐蚀金属和破坏绝缘的杂质和气氛。
2). 模块管芯工作结温:二极管为-40℃∽160℃;环境温度不得高于40℃;环境湿度小于86%。
3). 模块在使用前一定要加装散热器,散热器的选配见下节。
散热可采用自然冷却、强迫风冷或水冷;当 实际负载电流大于40A的设备,一般都需要选择强迫风冷设计。
强迫风冷时,风速应大于6米⁄秒。
4). 对于加装散热器后,如何检查散热器是否配置合适。
a.可以用温度表测量散热器的温度(靠近模块与散热器安装结合部),来分析是否能够可靠运行。
b.测量散热器温度的时间点把握。
待设备开机运行30分钟-60分钟,达到热平衡后。
c.测量到的温度数据如果做分析?一般情况下,我们要求防反二极管安装的散热器最高有效温升小于50℃。
即当散热器工作的环境温度在25℃时,散热器的温度应该小于75℃;如果环境温度达到45℃时,散热器的温度应该小于95℃。
5). 必须保证控制柜内控制循环流动。
当防反二极管模块安装于控制柜内时,必须在控制柜顶部安装2-3台往顶部外抽的轴流风机(热风是往上升的,有利于散热),同时控制柜靠近底部四周最好多开些百叶窗。
二. 安装注意事项1). 由于LJMD光伏防反二极管模块是绝缘型(即模块接线柱对铜底板之间的绝缘耐压大于3.1KV 有效值),因此可以把多个模块安装在同一散热器上,或装置的接地外壳上。
2). 散热器安装表面应平整、光滑,不能有划痕、磕碰和杂物。
散热器表面光洁度应小于10μm。
太阳能防倒流二极管型号
太阳能防倒流二极管在太阳能电池中扮演着至关重要的角色,它能够防止太阳能电池在无光照情况下被电池串联的电荷流倒流。
而太阳能电池的防倒流二极管型号的选择对于太阳能系统的效率和稳定性都有着重要的影响。
在市场上,太阳能防倒流二极管型号的选择非常丰富,下面介绍一些常见的型号,以供选择。
1. SCS220AG:该型号的太阳能防倒流二极管采用有机高分子材料封装,能够达到高达2A的电流负载,其正向工作电压仅为0.5V,具有响应快、温度变化小等优点,适用于小型太阳能电池应用。
2. SB360:该型号具有轻巧、小巧、高效的特点,其正向工作电压低至0.3V,额定电流可达3A,被广泛应用于家庭太阳能电池板中。
3. 1N5817G:该型号采用玻璃封装,额定电流可达1A,正向工作电压从0.5V到1V不等,其反向电流非常小,适用于一些低功率的太阳能应用。
4. SS54:该型号的太阳能防倒流二极管采用Plastic Melf封装,具有
高速反应、低电压降等优点,适用于大功率太阳能应用。
5. MBR10100CT:该型号的太阳能防倒流二极管采用TO-220AB封装,额定电流可达10A,正向电压低至0.75V,反向电流非常小,广泛应用于大型太阳能电池系统中。
在选择太阳能防倒流二极管型号时,需要考虑到太阳能电池的额定电流、正向工作电压、反向电流以及所需的封装类型等因素。
正确的选择可以提高太阳能电池系统的效率和稳定性,同时延长系统寿命。
总之,太阳能防倒流二极管型号的选择对太阳能电池的工作效率和稳定性有着重要的影响,选择合适的型号可以增加太阳能电池的输出功率、延长系统寿命,提高太阳能系统的可靠性和安全性。
250a空开参数250A空开参数空开是一种常见的电气设备,用于控制和保护电路。
250A空开是指额定电流为250安培的空开。
本文将介绍250A空开的参数及其相关知识。
1. 额定电流:250A空开的额定电流为250安培,表示该空开可以承受的最大电流为250安培。
在电路中,电流超过该额定值时,空开会自动断开电路,起到保护电路的作用。
2. 额定电压:250A空开的额定电压一般为230V、400V或者690V,具体取决于电路的电压等级。
额定电压是指空开可以正常工作的电压范围。
3. 极数:250A空开的极数一般为3P(三相)或4P(四相),分别用于三相电路或四相电路。
不同极数的空开适用于不同类型的电路。
4. 短路容量:短路容量是指空开能够承受的瞬时短路电流的最大值。
250A空开的短路容量一般为25kA、36kA或50kA等级。
短路容量越高,表示空开能够更好地承受电路中的短路电流,保护电路的安全。
5. 使用环境:250A空开适用于室内环境和室外环境。
在室内使用时,空开一般采用塑料外壳,具有防尘、防水等特性;在室外使用时,空开一般采用金属外壳,具有耐候性和防腐蚀性。
6. 使用寿命:250A空开的使用寿命取决于使用条件和负载情况。
一般情况下,空开的使用寿命为10年左右。
在使用过程中,应定期进行检查和维护,确保其正常工作。
7. 安装方式:250A空开可以采用插入式安装或固定式安装。
插入式安装适用于需要频繁更换或移动的场合,固定式安装适用于长期使用的场合。
8. 防护等级:250A空开的防护等级一般为IP20或IP40。
IP20表示空开对固体物体的直接触碰有一定的防护措施,IP40表示空开对固体物体的直接触碰有较高的防护措施。
9. 脱扣方式:250A空开的脱扣方式一般为手动脱扣和电动脱扣。
手动脱扣需要人工操作,电动脱扣可以通过电气信号实现自动脱扣。
10. 附件选配:250A空开可以选配不同的附件,如过载保护、短路保护、漏电保护等。
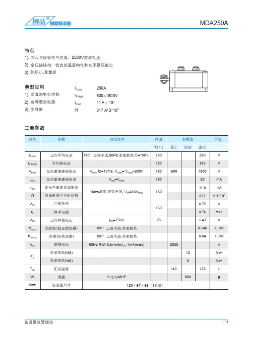
特性典型应用1). 电极与底板电气绝缘,3100V 绝缘2). 采用德国产玻璃钝化芯片焊接,具有优良的温度特性和 功率循环能力3). 采用 ALN 基板,热阻更低4). SIC 芯片,功耗更小5). 体积小,重量轻6). 符合 ROHS 标准7). 通过 CE 认证1). 光伏汇流防反应用主要参数产品介绍产品订货标记示例用户一般如何选择柳晶光伏防反二极管MD 250A - 1600V - 1P组合数1P:1只反向电压:1600VDC 电流:250A单路光伏防反二极管模块在对光伏专用防反二极管进行选型时,必须要注意一点,防反二极管在设备一开机就在使用,防反二极管标称的电流为最大正向的导通电流,标称的电压为最大防反电压。
而一旦电流或电压超过标称值,将直接导致防反二极管模块失效。
所以用户在选择防反二极管模块时,务必放置一定的安全系数。
一般建议实际汇流电流在120A 左右的选择 250A , 实际汇流电流在160A 左右的选择300A 。
而关于最大防反电压的选型, 一般选择放置 1.3-1.5 倍的安全系数即可,但是国家汇流箱行业标准规定放置 2 倍,所以对开路电压在700-800VDC 的光伏电池组汇流防反可以选择1600VDC 或1800VDC 。
MD 系列模组以光伏防反二极管模块为基本元件,通过对应用环境与光伏汇流参数的综合运用分析, 配置标准化的散热装置。
目前推向市场的MD 系列光伏防反二极管模块主要包括两大块:光伏汇流箱专用防反二极管模组与直流柜专用防反二极管模组。
MD250A-1600V-1P 模组采用N 型铝质材料散热器,配置标准化风机直吹式安装于散热器侧面;散热器与风机之间采用绝缘隔热垫片,有效的阻止了散热器热量直接传导至风机上,造成风机温度过高、降低使用寿命。
MD250A 光伏防反二极管模块底板与电极之间绝缘强度达到2500V ,确保了三只MD250A 光伏防反二极管模块可以安装于同一只散热器上。
s3m二极管参数S3M二极管参数1. 概述S3M二极管是一种高效、高速的二极管,常被用于电源供应和其他高频电路中。
本文将介绍S3M二极管的参数及其特点。
2. 参数S3M二极管的主要参数如下:2.1 电压S3M二极管的最大反向电压为60伏特,最大正向电压为1.2伏特。
2.2 电流S3M二极管的最大正向电流为3安培,最大反向电流为250微安。
2.3 反向漏电流S3M二极管在最大反向电压下的反向漏电流为5微安。
2.4 导通压降S3M二极管的导通压降在1.5安的电流下为0.8伏特。
2.5 截止时间S3M二极管的截止时间在1.5安的电流下为30纳秒。
2.6 转移电容S3M二极管的转移电容为2.5皮法。
3. 特点S3M二极管具有以下特点:3.1 高效S3M二极管的导通损耗低,能有效地降低电路的功耗,提高电路的效率。
3.2 高频S3M二极管具有快速的截止时间和低的转移电容,适用于高频电路。
3.3 温度稳定性好S3M二极管的特殊工艺和材料使其具有较好的温度稳定性,即使在高温环境下也能保持良好的性能。
3.4 小尺寸S3M二极管体积小,适用于高密度电路设计。
4. 应用S3M二极管适用于电源供应、变换器、高频电路等领域,如:4.1 切换电源中的反向保护。
4.2 高频调制器和解调器中的检波。
4.3 电源开关的过压保护。
4.4 电源变换器中的涓流限制。
4.5 电源开关的短路保护。
5. 结论S3M二极管是一种高效、高速、温度稳定性好、体积小的二极管,广泛应用于电源供应和其他高频电路中。
了解其参数和特点,有助于更好地选择和应用S3M二极管。
6. 应用案例6.1 电源开关保护电路在电源开关电路中,经常需要使用二极管进行反向保护和过压保护。
S3M二极管的最大反向电压为60伏特,最大正向电压为1.2伏特,可以很好地满足这些需求。
S3M二极管具有快速的截止时间和低的转移电容,能够提高电路的响应速度和减小噪声。
6.2 电源变换器在电源变换器中,S3M二极管经常被用来做涓流限制和短路保护。
符号参数测试条件
结温
Tj (℃)
参数值
单位
最小
典型
最大I F(A V)通态平均电流180°正弦半波,50HZ 单面散热,T c =85℃150250A I F(RMS)方均根电流150
392
A V DRM V RRM 断态重复峰值电压反向重复峰值电压V DRM &V RRM tp=10ms
V D s M &V RsM =V DRM &V RRM +200V
150600
1600
2200V I DRM I RRM 断态重复峰值电流反向重复峰值电流V DM =V DRM V RM =V RRM
1505mA I FSM 通态不重复浪涌电流10ms 底宽,正弦半波15011.0KA
I 2t 浪涌电流平均时间积V R =0.6V RRM
150617103A 2S
V FO 门槛电压0.75V R F 斜率电阻150
0.76
m ΩV FM 通态峰值电压I TM =750A
25
1.2
1.3V R th(j-c)热阻抗(结至壳)180°正弦半波,单面散热0.14℃/W R th(c-h)热阻抗(结至散)180°正弦半波,单面散热0.08
℃/W V iso 绝缘电压50HZ
,R.M.S ,t=1min
I iso :1mA(max)2500
V F m 安装扭矩(M5)安装扭矩(M6)与散热器固定
4.0±15%
5.0±15%
N ·m N ·m T sbg 储存温度-40
125
℃W t 质量(约)
700
g
Outline
M353
attribute data
■芯片与底板电气绝缘,2500V 交流绝缘■优良的温度特性和功率循环能力■国际标准封装■符合CE、Rohs 认证
typical application
■光伏发电防反应用■交直流电机控制■电机软启动■各种整流电源
I F(AV)
250A V DRM /V RRM 600~2200V I FSM 11.0KA I 2t
617103A 2S
`
、
Install Size Diagram:
matters needing attention:
1、模块实际负载电流大于5A时务必要加装散热器,需提供良好的通风条件。
2、工作环境温度高于40℃时,应优化散热通风条件。
3、模块工作后会发热,在设备未断电及模块未完全冷却降温之前,严禁用手触摸模块的任何部位。