结构设计常用参数表
- 格式:doc
- 大小:290.50 KB
- 文档页数:17
YJK计算参数(-注释)20171011SATWE结构计算中的参数选取一、总信息..............................................1、结构体系根据实际情况填写。
该参数直接影响整体指标统计、构件内力调整、构件设计等内容。
2、结构材料信息: 根据实际情况确定3、地下室层数:指与上部结构同时进行内力分析的地下室部分的层数。
该参数对结构整体分析与设计有重要影响,无地下室时填0,有地下室时根据实际情况填写。
4、嵌固端所在层号: MQIANGU= 1嵌固端所在层号主要用于设计,如按《抗震规范》6.1.14.3.2条对梁、柱钢筋进行调整;按《高规》3.5.5.2条确定刚度比限值;地震组合下的设计内力调整;底部加强区起始位置等方面。
软件默认嵌固层号=地下室层数,如果在基础顶嵌固,则该参数填0,如果修改了地下室层号,1;对钢结构或大型体育场馆类(指没有严格的标准楼层概念)结构应选一次性加载。
10、风荷载计算信息:一般计算方式。
一般计算方式:软件先求出某层X、Y方向水平风荷载外力FX、FY,然后根据该层总节点数计算每个节点承担的风荷载值,再根据该楼层刚性楼板信息计算该刚性板块承担的总风荷载值并作用在板块质心;如果是弹性节点,则直接施加在该节点上,最后进行风荷载计算;11、地震力计算信息:计算水平地震作用12、生成绘等值线用数据选中该参数之后,后处理中的“等值线”才有数据,用来画墙、弹性楼板、转换梁以及框架梁转连梁的应力等值线。
二、计算控制信息..............................................1、水平力与整体坐标夹角该参数为地震作用、风荷载计算时的X正向与结构整体坐标系下X轴的夹角,逆时针方向为正,单位为度。
改变该参数时,地震作用和风荷载计算时的X正向将发生改变,进而影响与坐标系方向有关的统计结果,如风荷载计算时的迎风面宽度、风荷载、地震作用计算时的层外力、层间剪力、层间位移、层刚度等指标。
结构总体信息1、结构体系:按实际情况填写。
1)框架结构:框架结构是指由梁和柱以刚接或者铰接相连接而成,构成承重体系的结构,即由梁和柱组成框架共同抵抗使用过程中出现的水平荷载和竖向荷载。
结构的房屋墙体不承重,仅起到围护和分隔作用,一般用预制的加气混凝土、膨胀珍珠岩、空心砖或多孔砖、浮石、蛭石、陶粒等轻质板材等材料砌筑或装配而成。
2)框剪结构:框架-剪力墙结构,俗称为框剪结构。
主要结构是框架,由梁柱构成,小部分是剪力墙。
墙体全部采用填充墙体,由密柱高梁空间框架或空间剪力墙所组成,在水平荷载作用下起整体空间作用的抗侧力构件。
适用于平面或竖向布置繁杂、水平荷载大的高层建筑。
3)框筒结构:如果把框剪结构剪力墙布置成筒体,围成的竖向箱形截面的薄臂筒和密柱框架组成的竖向箱形截面,可称为框架-筒体结构体系。
具有较高的抗侧移刚度,被广泛应用于超高层建筑。
4)筒中筒结构:筒中筒结构由心腹筒、框筒及桁架筒组合,一般心腹筒在内,框筒或桁架筒在外,由内外筒共同抵抗水平力作用。
由剪力墙围成的筒体称为实腹筒,在实腹筒墙体上开有规则排列的窗洞形成的开孔筒体称为框筒;筒体四壁由竖杆和斜杆形成的桁架组成则称为桁架筒。
5)剪力墙结构:剪力墙结构是用钢筋混凝土墙板来代替框架结构中的梁柱,能承担各类荷载引起的内力,并能有效控制结构的水平力,这种用钢筋混凝土墙板来承受竖向和水平力的结构称为剪力墙结构。
这种结构在高层房屋中被大量运用。
6)部分框支剪力墙结构:框支剪力墙指的是结构中的局部,部分剪力墙因建筑要求不能落地,直接落在下层框架梁上,再由框架梁将荷载传至框架柱上,这样的梁就叫框支梁,柱就叫框支柱,上面的墙就叫框支剪力墙。
这是一个局部的概念,因为结构中一般只有部分剪力墙会是框支剪力墙,大部分剪力墙一般都会落地的。
7)板柱-剪力墙结构:柱-剪力墙结构(slab-column shearwall structure),是由无梁楼板与柱组成的板柱框架和剪力墙共同承受竖向和水平作用的结构。
设计院结构设计数据结构专业技术统一口径1、采用规范及选用图集(1)建筑结构荷载规范GB50009-2001;(2)建筑抗震设计规范GB50011-2001;(3)混凝土结构设计规范GB50010-2002;(4)高层建筑混凝土结构技术规程JGJ3-2002;(5)建筑地基基础设计规范GB50007-2002;(6)建筑桩基技术规范JGJ94-94;(7)《混凝土结构施工图平面整体表示方法制图规则和构造详图》(现浇砼框架、剪力墙、框剪、框支剪力墙结构03G101-1;现浇砼板式楼梯03G101-2)。
(8)框架轻质填充墙构造图集(西南G701(一)(二)(三));(9)钢筋砼过梁(西南G301(一)(二))。
2、荷载(1)恒载a、楼面板:80厚板(用于卫生间)(3.5KN/m2);100厚板(4.0KN/m2);120(4.5KN/m2);转换层板厚180(6KN/m2)(不包括回填层)。
屋面板:120厚板(7.0KN/m2),130厚板(8.0KN/m2);地下室顶板:板厚150(6.0KN/m2)。
b、卫生间板:8.0KN/m2(包括回填层)。
(2)活载a、住宅客厅、卧室、书房、餐厅、过道等:2.0KN/m2b、公共楼梯、消防疏散楼梯、住宅楼梯:3.5KN/m2c、厨房、卫生间:2.5KN/m2d、阳台:2.5KN/m2e、露台:3.5KN/m2f、上人屋面:2.0KN/m2,不上人屋面:0.5KN/m2g、花园:5.0KN/m2h、消防控制室:7.0KN/m2i、电梯机房:7.0KN/m2j、发电机房:10.0KN/m2k、车库:4.0KN/m2l、消防车道:20.0KN/m2(当有1.2~1.5米覆土时,消防荷载取8KN/M2)m、商场:3.5KN/m2n、公共卫生间:2.5KN/m2(3)基本风压:高度小于60米,为0.4KN/m2;高度大于60米,0.45KN/m2 ;地面粗糙度类别:C 类(市区内)(4)填充墙体:200厚墙7.3KN/m2,100厚墙5.5KN/m2,阳台3KN/m23、抗震设防类别及抗震等级丙类建筑,6度设防。
建筑施工常用砌体结构荷载参数(精编版)请翻至文章末尾砌体结构计算砌体结构的计算用表1.砌体和砂浆的强度等级砌体和砂浆的强度等级,应按下列规定采用:烧结普通砖、烧结多孔砖等的强度等级:MU30、MU25、MU20、MU15和MU10;蒸压灰砂砖、蒸压粉煤灰砖的强度等级:MU25、MU20、MU15和MU10;砌块的强度等级:MU20、MU15、MU10、MU7.5和MU5;石材的强度等级:MU100、MU80、MU60、MU50、MU40、MU30和MU20;砂浆的强度等级:M15、M10、M7.5、M5和M2.5。
2.各类砌体的抗压强度设计值(表2-60~表2-64)烧结普通砖和烧结多孔砖砌体的抗压强度设计值(MPa)表2-60 砖强度砂浆强度等级砂浆强度等级M15 M10 M7.5 M5 M2.5 0MU30 3.94 3.27 2.93 2.59 2.26 1.15MU25 3.60 2.98 2.68 2.37 2.06 1.05MU20 3.22 2.67 2.39 2.12 1.84 0.94MU15 2.79 2.31 2.07 1.83 1.60 0.82MU10 - 1.89 1.69 1.50 1.30 0.67蒸压灰砂砖和蒸压粉煤灰砖砌体的抗压强度设计值(MPa)表2-61砖强度砂浆强度等级砂浆强度等级M15 M10 M7.5 M5 0MU25 3.60 2.98 2.68 2.37 1.05MU20 3.22 2.67 2.39 2.12 0.94MU15 2.79 2.31 2.07 1.83 0.82MU10 - 1.89 1.69 1.50 0.67单排孔混凝土和轻骨料混凝土砌块砌体的抗压强度设计值(MPa)表2-62砌块强砂浆强度等级砂浆强度度等级Mb15 Mb10 Mb7.5 Mb5 0MU20 5.68 4.95 4.44 3.94 2.33MU15 4.61 4.02 3.61 3.20 1.89MU10 - 2.79 2.50 2.22 1.31MU7.5 - - 1.93 1.71 1.01MU5 - - - 1.19 0.70注:1.对错孔砌筑的砌体,应按表中数值乘以0.8;2.对独立柱或厚度为双排组砌的砌块砌体,应按表中数值乘以0.7;3.对T形截面砌体,应按表中数值乘以0.85;4.表中轻骨料混凝土砌块为煤矸石和水泥煤渣混凝土砌块。
1.排位尺寸可参考教材74页图3-2,表3-1;
2. 模架的尺寸选择可参照教材18页图2-2,19页表2-1;
3. C板厚度=推杆固定板厚度+推杆底板厚度+限位钉高度+顶出距离(塑件高度)+10~15mm。
限位钉高度一般取5mm;
4.创建浇口套;浇口套的形式及参数见教材P25
一般情况下,浇口套的直径根据模架的大小选取,模架4040以下,选用D=φ12的类型,模架4040以上,选用D=φ16的类型。
长度根据模架大小确定;
5.分流道、浇口的尺寸确定可参照教材27页中提供的经验值;
6.添加定位环;定位环的直径一般为100mm,另外还有120mm和150mm。
7.创建模仁与模架连接的螺钉见教材图2-5(P20)
①确定螺钉的数量;②确定螺钉的位置;③确定螺钉的尺寸;
8.创建推杆见教材
①确定推杆的数量;②确定推杆的位置;③确定推杆的尺寸;通常直径为4mm~6mm的圆推杆用的较多。
9.冷却水道
①直径的确定:
②一般冷却水孔的孔径至型腔表面的距离应大于10mm,常用12mm-15mm。
③水喉间距:。
钢结构中檩条设计的6个关键参数解析范本1: 钢结构中檩条设计的6个关键参数解析1. 引言在钢结构设计中,檩条是承载屋顶或支撑结构的重要元素。
檩条的设计参数直接影响结构的稳定性和强度。
本文将对钢结构中檩条设计的6个关键参数进行详细解析。
2. 檩条的材料选择檩条的材料选择是檩条设计的第一个关键参数。
常见的檩条材料包括钢材、铝合金和木材等。
每种材料具有不同的强度和耐久性,需要根据具体的工程要求进行选择。
3. 檩条的截面形状檩条的截面形状是檩条设计的第二个关键参数。
常见的檩条截面形状有I型、H型和C型等。
不同的截面形状对结构的强度和稳定性有着不同的影响,需要根据具体的荷载要求进行选择。
4. 檩条的尺寸设计檩条的尺寸设计是檩条设计的第三个关键参数。
檩条的尺寸包括高度、宽度和厚度等。
檩条尺寸的选择需要考虑到结构的荷载和跨度等因素,确保檩条具有足够的强度和刚度。
5. 檩条的连接方式檩条的连接方式是檩条设计的第四个关键参数。
常见的檩条连接方式包括焊接、螺栓连接和铆接等。
不同的连接方式对结构的刚度和可靠性有不同的要求,需要根据具体的工程要求进行选择。
6. 檩条的支撑设计檩条的支撑设计是檩条设计的第五个关键参数。
支撑方式可以是墙体支撑、柱子支撑或悬挑支撑等。
檩条的支撑设计需要考虑到结构的荷载和变形等因素,确保檩条具有足够的稳定性。
7. 檩条的防腐处理檩条的防腐处理是檩条设计的第六个关键参数。
钢结构中的檩条需要进行防腐处理,以延长其使用寿命。
常见的防腐处理方式包括喷涂防腐漆、热镀锌和涂覆防腐剂等。
8. 附件本文档涉及的附件包括檩条的设计图纸、檩条的材料证书和相关计算表格等。
9. 法律名词及注释1) 钢材:一种常用的结构材料,具有高强度和耐久性。
2) 铝合金:一种轻量级的结构材料,具有较高的强度和耐腐蚀性。
3) 木材:一种常用的结构材料,具有较低的强度和较高的可塑性。
10. 结束语范本2: 钢结构中檩条设计的6个关键参数解析1. 引言檩条是钢结构中的重要组成部分,对结构的承载能力和稳定性有着重要影响。
常用作用符号
表1-1
续上表
注:当不致混淆时,表示设计值的下标d可以省略。
常用的作用效应符号
表1-2
续上表
各类结构常用的作用效应符号
表1-3
注:当不致混淆时,下标中的逗号可以省略。
常用的材料性能和结构构件抗力符号
表1-4
注:1.标R抗力系泛指,可根据具体情况采用相应的下标,如开裂(cra)、屈服(y)、极限(u)、临界(cri)等;2.当不致混淆时,表示设计值的下标d可以省略。
各类结构常用的材料性能符号
表1-5
常用的几何参数符号
表1-6
续上表
各类结构常用的几何参数符号
表1-7
常用的设计参数和计算系数符号
表1-8
各类结构常用的设计参数和计算系数符号
表1-9
建筑结构设计常用的上标
表1-10
表示材料的常用小写正体拉丁字母下标
表1-11
表示受力状态的常用小写正体拉丁字母下标
表1-12
表示部位、方向的常用小写正体拉丁字母下标
表1-13
表示性质、原因等的常用小写正体拉丁字母和数字下标
表1-14
表示作用、作用效应和抗力的常用正体拉丁字母下标
表1-15
注:1.采用小写字母可能混淆时,可采用括号内的大写字母;
2.遇混淆时,偶然作用可采用“ac”,扭矩可采用“tor”,温度作用可采用“tem”;
3.当需要时,应力ζ、η,应变ε、γ可用作下标。
常用小写正体拉丁字母表示的缩写词下标
表1-16
注:当不致混淆时,缩写词下标可仅采用第一个或前二字母。
(《钢结构设计规范》GB 50017━2003表)(有限元材料库的参数为:45号钢密度7890kg/m3,泊松比0.269,杨氏模量209000GP.)(HT200,弹性模量为135GPa,泊松比为0.27)(HT200 密度:7.2-7.3,弹性模量:70-80; 泊松比0.24-0.25;热膨胀系数加热:10冷却-8)(用灰铸铁HT200 , 根据资料可知其密度为7 340kg/ m 3 , 弹性模量为120 GPa ,泊松比为0. 25)(HT200,弹性模量E=1.22e 11 Pa, 泊松比λ=0.25,密度ρ=7800 kg/m 3)(HT200 122 /0. 3 /7. 2 ×10 - 6)(材料HT200,密度为7. 8103 kg / m 3 ,弹性模量为145 GPa,泊松比为0.3)( HT200,其弹性模量E=140GPa,泊松比μ=0.25,密度ρ=7.8×10 3 kg/m 3) (模具材料为灰口铸铁HT200,C-3.47%,Si-2.5%,密度7210 kg / m3 ,泊松比0.27。
)(箱体材料为HT200,其性能参数为:弹性模量E=1.4×10 11 Pa,泊松比μ=0.3,密度为ρ=7.8×10 3 kg.m -3 )(模型材料HT200,其主要物理与机械性能参数如下:密度7.25 t/m 3 ,弹性模量126 GPa, 泊松比0.3)(垫板的材料采用HT200, 材料相关参数查表可得, 弹性模量E = 1120 ×10 5 N /mm 2 , 泊松比μ= 0125, 密度ρ=712 ×10 - 9 t /mm 3)表58-23,常用材料的弹性模量,泊松比和线胀系数常用材料弹性模量及泊松比━━━━━━━━━━━━━━━━━━━━━━━━━名称弹性模量E 切变模量G 泊松比μGPa GPa─────────────────────────镍铬钢206 79.38 0.25-0.30合金钢206 79.38 0.25-0.30碳钢196-206 79 0.24-0.28铸钢172-202 0.3球墨铸铁140-154 73-76 0.23-0.27灰铸铁113-157 44 0.23-0.27白口铸铁113-157 44 0.23-0.27冷拔纯铜127 48轧制磷青铜113 41 0.32-0.35轧制纯铜108 39 0.31-0.34轧制锰青铜108 39 0.35铸铝青铜103 41冷拔黄铜89-97 34-36 0.32-0.42 轧制锌82 31 0.27硬铝合金70 26轧制铝68 25-26 0.32-0.36铅17 7 0.42玻璃55 22 0.25混凝土14-23 4.9-15.7 0.1-0.18纵纹木材9.8-12 0.5横纹木材0.5-0.98 0.44-0.64橡胶0.00784 0.47电木1.96-2.94 0.69-2.06 0.35-0.38尼龙28.3 10.1 0.4可锻铸铁152拔制铝线69大理石55花岗石48石灰石41尼龙1010 10.7夹布酚醛塑料4-8.8 石棉酚醛塑料1.3高压聚乙烯0.15-0.25低压聚乙烯0.49-0.78 聚丙烯1.32-1.42。
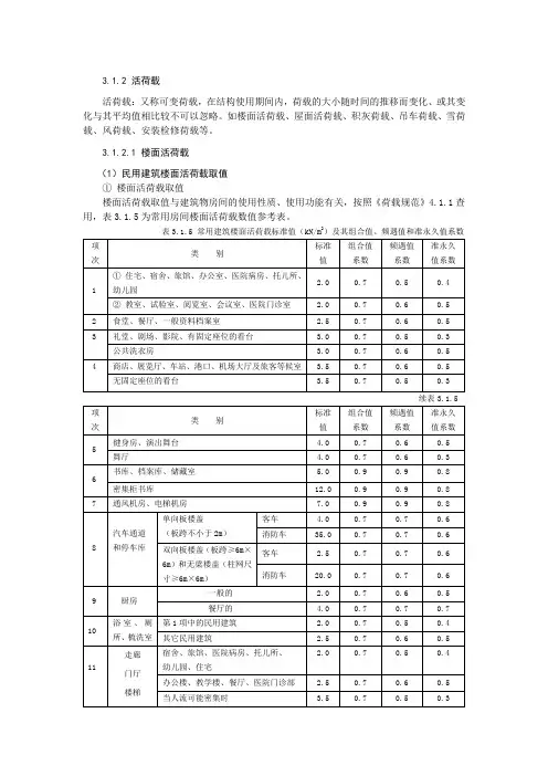
3.1.2 活荷载活荷载:又称可变荷载,在结构使用期间内,荷载的大小随时间的推移而变化、或其变化与其平均值相比较不可以忽略。
如楼面活荷载、屋面活荷载、积灰荷载、吊车荷载、雪荷载、风荷载、安装检修荷载等。
3.1.2.1 楼面活荷载(1)民用建筑楼面活荷载取值①楼面活荷载取值楼面活荷载取值与建筑物房间的使用性质、使用功能有关,按照《荷载规范》4.1.1查用,表3.1.5为常用房间楼面活荷载数值参考表。
表3.1.5 常用建筑楼面活荷载标准值(kN/m2)及其组合值、频遇值和准永久值系数续表3.1.5②楼面梁设计时活荷载的折减系数《荷载规范》4.1.2明确,在设计楼面梁时,表3.1.5中的楼面活荷载在下列情况下应乘以规定的折减系数:第1项中第①项:当楼面梁从属面积超过25m2时,折减系数为0.9;第1项中第②项~第7项:当楼面梁从属面积超过50m2时,折减系数为0.9;第8项,对单向板楼盖的次梁和槽型板的纵肋,折减系数为0.8;对单向板楼盖的主梁,折减系数为0.8;对双向板楼盖的梁,折减系数为0.8;第9项~第12项:采用与所属房屋类别相同的折减系数。
注:楼面梁从属面积,为梁两侧各延伸二分之一梁间距范围内的实际面积。
③墙、柱及基础设计时活荷载的折减系数《荷载规范》4.1.2明确,在设计墙、柱及基础时,表3.1.5中的楼面活荷载在下列情况下应乘以规定的折减系数:第1项中第①项:按照表3.1.6规定采用;第1项中第②项~第7项:采用与其楼面梁相同的折减系数;第8项,对单向板楼盖:折减系数为0.5;对双向板楼盖和无梁楼盖,折减系数为0.8;第9项~第12项:采用与所属房屋类别相同的折减系数。
表3.1.6 活荷载按楼层的折减系数2、工业建筑楼面活荷载(包括吊车荷载等)取值根据设备使用的要求,工业建筑楼面活荷载由工艺专业(或设备产生厂家)提出,如缺乏资料,对于一般的金工车间、仪器仪表生产车间、半导体器件生产车间、棉纺织造生产车间、轮胎厂准备车间和粮食加工车间等,可按照《荷载规范》附录C查用,工程设计中工业建筑楼面活荷载取值通常≧4.0 kN/m2。
公称直径mm不同根数钢筋的计算截面面积/mm2 单根钢筋理论重量(kg/m) 1 2 3 4 5 6 7 8 96 28.3 57 85 113 142 170 198 226 255 0.222 6.5 33.2 66 100 133 166 199 232 265 299 0.260 8 50.3 101 151 201 252 302 352 402 453 0.395 8.2 52.8 106 158 211 264 317 370 423 475 0.432 10 78.5 157 236 314 393 471 550 628 707 0.617 12 113.1 226 339 452 565 678 791 904 1017 0.888 14 153.9 308 461 615 769 923 1077 1231 1385 1.21 16 201.1 402 603 804 1005 1206 1407 1608 1809 1.58 18 254.5 509 763 1017 1272 1526 1780 2036 2290 2.00 20 314.2 628 941 1256 1570 1884 2200 2513 2827 2.47 22 380.1 760 1140 1520 1900 2281 2661 3041 3421 2.98 25 490.9 982 1473 1964 2454 2945 3436 3927 4418 3.85 28 615.8 1232 1847 2463 3079 3695 4310 4926 5542 4.83 32 804.2 1609 2413 3217 4021 4826 5630 6434 7238 6.31 36 1017.9 2036 2054 4072 5089 6107 7125 8143 9161 7.99 40 1256.6 2513 3770 5027 6283 7540 8796 10053 11310 9.87 注:表中直径d=8.2mm 的计算截面面积及理论重量仅适用于有纵肋的热处理钢筋钢筋间距(MM2)当钢筋直径(mm) 为下列数值时的钢筋截面面积(mm2)4 4.5 56 8 10 12 14 16 18 20 22 2570 180 227 280 404 718 1122 1616 2199 2872 3635 4488 5430 7012 75 168 212 262 377 670 1047 1508 2053 2681 3393 4189 5068 6545 80 157 199 245 353 628 982 1414 1924 2513 3181 3927 4752 6136 90 140 177 218 314 559 873 1257 1710 2234 2827 3491 4224 5454 100 126 159 196 283 503 785 1131 1539 2011 2545 3142 3801 4909 110 114 145 178 257 457 714 1028 1399 1828 2313 2856 3456 4462 120 105 133 164 236 419 654 942 1283 1676 2121 2618 3168 4091 125 101 127 157 226 402 628 905 1232 1608 2036 2513 3041 3927 130 97 122 151 217 387 604 870 1184 1547 1957 2417 2924 3776 140 90 114 140 202 359 561 808 1100 1436 1818 2244 2715 3506 150 84 106 131 188 335 524 754 1026 1340 1696 2094 2534 3272 160 79 99 123 177 314 491 707 962 1257 1590 1963 2376 3068 170 74 94 115 166 296 462 665 906 1183 1497 1848 2236 2887 175 72 91 112 162 287 449 646 880 1149 1454 1795 2172 2805 180 70 88 109 157 279 436 628 855 1117 1414 1745 2112 2727 190 66 84 103 149 265 413 595 810 1058 1339 1653 2001 2584 200 63 80 98 141 251 392 565 770 1005 1272 1571 1901 2454 250 50 64 79 113 201 314 452 616 804 1018 1257 1521 1963 300 42 53 65 94 168 262 377 513 670 848 1047 1267 16362箍筋间距s钢筋直径(mm)6 8 10 12100 0.283 0.503 0.785 1.131 150 0.188 0.335 0.523 0.754 200 0.142 0.251 0.392 0.566梁宽(mm)钢筋直径(mm)14 16 18 20 22 25 28200 4 3/4 3/4 3 3 3 2/3 250 5 5 4/5 4 4 3/4 3 300 6/7 6 5/6 5/6 5 4/5 4 350 7/8 7 6/7 6/7 6 5/6 4/5 400 8/9 8/9 7/8 7/8 7 6/7 5/6九、混凝土保护层《混凝土结构设计规范》第9.2.1条纵向受力的普通钢筋及预应力钢筋,其混凝土保护层厚度(钢筋外边缘至混凝土表面的距离)不应小于钢筋的公称直径,且应符合表9.2.1的规定。
一、钢筋的计算截面面积及理论重量101151201注:表中直径d=8.2mm 的计算截面面积及理论重量仅适用于有纵肋的热处理钢筋二、每米板宽内的钢筋截面面积表三、单肢箍Asv1/s(mm2/mm)四、梁内单层钢筋最多根数14 16九、混凝土保护层《混凝土结构设计规范》第9.2.1条纵向受力的普通钢筋及预应力钢筋,其混凝土保护层厚度(钢筋外边缘至混凝土表面的距离)不应小于钢筋的公称直径,且应符合表9.2.1的规定。
表9.2.1 纵向受力钢筋的混凝土保护层最小厚度(mm)梁注:基础中纵向受力钢筋的混凝土保护层厚度不应小于40mm;当无垫层时不应小于70mm。
第9.2.3条板、墙、壳中分布钢筋的保护层厚度不应小于本规范表9.2.1中相应数值减10mm,且不应小于10mm;梁、柱中箍筋和构造钢筋的保护层厚度不应小于15mm。
第9.2.4条当梁、柱中纵向受力钢筋的混凝土保护层厚度大于40mm时,应对保护层采取有效的防裂构造措施。
通常在砼保护离构件表面10-15mm处增配φ4@150钢筋网片。
处于二、三类环境中的悬臂板,其上表面应采取有效的保护措施。
第9.2.5条对有防火要求的建筑物,其混凝土保护层厚度尚应符合国家现行有关标准的要求。
处于四、五类环境中的建筑物,其混凝土保护层厚度尚应符合国家现行有关标准的要求。
注意事项:混凝土最低强度等级和保护层厚度问题1、±0.00以下(基础、底层柱)和屋面、露台梁板环境类别为二(a)类,应采用C25或以上混凝土。
2、基础混凝土保护层厚度为40mm,特别注意基础梁纵向钢筋净距是否满足规范要求。
3、应根据混凝土构件所处的环境类别和强度等级修改结构分析程序的保护层厚度。
十、纵向受力钢筋的配筋率10.1、考虑到满足最小配筋率要求,常见板纵向受力钢筋的最小配筋率应符合《混凝土结构设计规范》第9.5.1条的规定:《混凝土规范》第9.5.1条钢筋混凝土结构构件中纵向受力钢筋的配筋百分率不应小于表9.5.1规定的数值。
表9.5.1 钢筋混凝土结构构件中纵向受力钢筋的最小配筋百分率(%)注:1、受压构件全部纵向钢筋最小配筋率,当采用HRB400级、RRB400级钢筋时,应按表中规定减小0.1;当混凝土强度等级为C60及以上时,应按表中规定增大0.1;2、偏心受拉构件中的受压钢筋,应按受压构件一侧纵向钢筋考虑;3、受压构件的全部纵向钢筋和一侧纵向钢筋的配筋率以及轴心受拉构件和小偏心受拉构件一侧受拉钢筋的配筋率应按构件的全截面面积计算;受弯构件、大偏心受拉构件一侧受拉钢筋的配筋率应按全截面面积扣除受压翼缘面积(b’f-b)h’f后的截面面积计算;4、当钢筋构件截面周边布置时,“一侧纵向钢筋”系指沿受力方向两个对边中的一边布置的纵向钢筋。
10.2、当按单向板设计时,除沿受力方向布置受力钢筋外,尚应在垂直受力方向布置分布钢筋。
单位长度上分布钢筋的截面面积不宜小于单位宽度上受力钢筋截面面积的15%,且不宜小于该方向板截面面积的0.15%(《混凝土结构设计规范》第10.1.7条和第10.1.8条),特别注意梯段板分布筋问题。
《混凝土结构设计规范》第10.1.7条对于支承结构整体浇筑或嵌固在承重砌体墙内的现浇混凝土板,应沿支承周边配置上部构造钢筋,其直径不宜小于8mm,间距不宜大于200mm,并应符合下列规定:1、现浇楼盖边与混凝土梁或混凝土墙整体浇筑的单向板或双向板,应在板边上部设置垂直于板边的构造钢筋,其截面面积不宜小于板跨中相应方向纵向钢筋截面面积的三分之一;该钢筋自梁边或墙边伸入板内的长度,在单向板中不宜小于受力方向板计算跨度的五分之一,在双向板中不宜小于板短跨方向计算跨度的四分之一;在板角处该钢筋应沿两个垂直方向布置或按放射状布置;当柱角或墙的阳角突出到板内且尺寸较大时,亦应沿柱边或墙阳角边布置构造钢筋,该构造钢筋伸入板内的长度应从柱边或墙边算起。
上述上部构造钢筋应按受拉钢筋锚固在梁内、墙内或柱内(在板角上部按放射状布置板筋不少于7Φ8@200,长度为短向跨度的0.5倍);2、嵌固在砌体墙内的现浇混凝土板,其上部与板边垂直的构造钢筋伸入板内的长度,从墙边算起不宜小于板短边跨度的七分之一;在两边嵌固于墙内的板角部分,应配置双向上部构造钢筋,该钢筋伸主板内的长度从墙边算起不宜小于板短边跨度的四分之一;沿板的受力方向配置的上部构造钢筋,其截面面积不宜小于该方向跨中受力钢筋截面面积的三分之一;沿非受力方向配置的上部构造钢筋,可根据经验适当减少。
《混凝土结构设计规范》第10.1.8条当按单向板设计时,除沿受力方向布置受力钢筋外,尚应在垂直受力方向布置分布钢筋。
单位长度上分布钢筋的截面面积不宜小于单位宽度上受力钢筋截面面积的15%,且不宜小于该方向板截面面积的0.15%;分布钢筋的间距不宜大于250mm,直径不宜小于6mm;对集中荷载较大的情况,分布钢筋的截面面积应适当增加,其间距不宜大于200mm。
注:当有实践经验或可靠措施时,预制单向板的分布钢筋可不受本条限制。
10.3、板配筋计算时,边梁板支座应按简支考虑,边梁板支座负筋应按《混凝土结构设计规范》第10.1.7条的规定配置。
10.4、板配筋应按塑性理论计算,因混凝土板并非弹性材料,而是弹塑性材料。
当计算结果裂缝超过限值时,应进行调整;提高混凝土标号、增加板的厚度、选用直径小的钢筋及增加钢筋用量均可减小裂缝宽度。
当增加钢筋用量时,为节约钢材,调整后板的裂缝宽度,对于楼面应控制在0.25mm至0.30mm之间;对于屋面应控制在0.15mm至0.2mm 之间。
建议板布筋间距相对统一,以利施工;支座负筋与跨中配筋相差不宜超过一级,如跨中配筋Φ8@150,则支座配筋为Φ10@150;过大差距不符合混凝土实际受力特点。
尤其是支座负筋的有效高度很难保证。
10.5、《混凝土结构设计规范》第10.1.9条在温度、收缩应力较大的现浇板区域内,钢筋间距宜取为150~200mm,并应在板的未配筋表面布置温度收缩钢筋。
板的上、下表面沿纵、横两个方向的配筋均不宜小于0.1%。
温度收缩钢筋可利用原有钢筋贯通布置,也可另行设置构造钢筋网,并与原有钢筋按受拉钢筋的要求搭接或在周边构件中锚固。
10.7、现浇钢筋混凝土悬臂板的最小厚度现浇悬臂板的最小厚度10.8、屋面、露台梁板环境类别为二(a )类,应严格控制梁板构件最大裂缝宽≤0.2 mm。
10.9、当L2/L1≥1.4时小跨板负弯矩钢筋宜通长布置(L2为双向板长向跨度;L1为双向板短向跨度)。
11.2 框架梁11.4、《混凝土结构设计规范》第11.3.1条考虑地震作用组合的框架梁,其正截面抗震受弯承载力应按规范第7.2节的规定计算,但在受弯承载力计算公式右边应除以相应的承载力抗震调整系数γRE。
在计算中,计入纵向受压钢筋的梁端混凝土受压区高度应符合下列要求:一级抗震等级χ≦0.25h0二、三级抗震等级χ≦0.35h0 且梁端纵向受拉钢筋的配筋率不应大于2.5%。
条文解释:设计框架梁时,控制混凝土受压区高度的目的是控制梁端塑性铰区有较大塑性转动能力,以保证框架梁有足够的曲率延性。
根据国内的试验结果和参考国外经验,当相对受压区高度控制在0.25至0.35时,梁的位移延性系数可达到3~4,在确定混凝土受压区高度时,可把截面内的受压钢筋计算在内。
11.5、《混凝土结构设计规范》第11.3.5条框架梁截面尺寸宜符合下列要求:1、截面宽度不宜小于200mm;2、截面宽度与截面高度的比值不宜大于4;3、净跨与截面高度的比值不宜小于4。
11.6、《混凝土结构设计规范》第11.3.6条框架梁的钢筋配置应符合下列规定:1、纵向受拉钢筋的配筋率不应小于表11.3.6-1规定的数值;表11.3.6-1 框架梁纵向受拉钢筋的最小配筋百分率(%)2、框架梁梁端截面的底部和顶部纵向受力钢筋截面面积的比值,除按计算确定外,一级抗震等级不应小于0.5;二、三级抗震等级不应小于0.3;框架梁纵向受拉钢筋的最大配筋量mm2(梁宽250)3、梁端箍筋加密区长度、箍筋最大间距和箍筋最小直径,应按表11.3.6-2采用;当梁端纵向钢筋配筋率大于2%时,表中箍筋最小直径应增大2mm。
表11.3.6-2 框架梁梁端箍筋加密区的构造要求框架梁纵向钢筋配筋率为2%时的配筋量mm2(梁宽250)11.7、《混凝土结构设计规范》第11.3.7条沿梁全长顶面和底面至少应各配置两根通长的纵向钢筋,对一、二级抗震等级,钢筋直径不应小于14mm,且分别不应少于梁两端顶面和底面纵向受力钢筋中较大截面面积的1/4;对三、四级抗震等级,钢筋直径不应小于12mm。
条文解释:沿梁全长需配置一定数量的通长钢筋是考虑框架梁在地震作用过程中反弯点位置可能变化。
这里“通长”的含义是保证梁各个部位的这部分钢筋都能发挥其受拉承载力。
11.8、《建筑抗震设计规范》第6.3.4条梁的纵向钢筋配置,尚应符合下列要求:1、沿梁全长顶面和底面的配筋,一、二级不应小于2Φ14mm,且分别不应少于梁两端顶面和底面纵向配筋中较大截面面积的1/4;三、四级不应少于2Φ12mm;2、一、二级框架梁内贯通中柱的每根纵向钢筋直径,对矩形截面柱,不宜大于柱在该方向截面尺寸的1/20;对圆形截面柱,不宜大于纵向钢筋所在位置柱截面弦长的1/20。
11.9、《混凝土结构设计规范》第11.3.8条梁箍筋加密区长度内的箍筋肢距:一级抗震等级,不宜大于200mm和20倍箍筋直径的较大值;二、三级抗震等级,不宜大于250mm和20倍箍筋直径的较大值;四级抗震等级,不宜大于300mm。
11.10、《混凝土结构设计规范》第11.3.9条梁端设置的第一个箍筋应距框架节点边缘不大于50mm。
非加密区的箍筋间距不宜大于加密区箍筋间距的2倍。
沿梁全长箍筋的配筋率ρsv应符合下列规定:一级抗震等级ρsv≥0.30f t/fyv二级抗震等级ρsv≥0.28 f t/fyv三、四级抗震等级ρsv≥0.26 f t/fyv式中:ρsv=A sV/bs f yv---箍筋抗拉强度设计值,按 fy值采用;A sV---配置在同一截面内箍筋各肢的全部截面面积:A sV=n A sV1,此处,n为在同一截面内箍筋的肢数,A sV1为单肢箍筋的截面面积;S---沿构件长度方向的箍筋间距梁全长箍筋配筋率ρsv参考值(梁宽250)梁箍筋的最小配筋率(%)梁实配箍筋的配筋率注意事项:1、注意核对梁箍配置是否符合规范要求。
常见混凝土强度等级和截面宽度的梁箍筋配筋率见下表。
2、当框架梁端纵向受拉钢筋配筋率大于2%时,箍筋直径应≥Φ10(框架抗震等级为二、三级)。
3、超筋梁问题:大跨度框架梁且带小截面悬挑端,悬挑梁顶筋由框架内跨顶筋伸来时,常出现超筋现象,应注意校核。