分析方法验证报告2.2
- 格式:docx
- 大小:32.17 KB
- 文档页数:6
生物样品定量分析方法验证指导原则(草案)11. 范围2准确测定生物基质(如全血、血清、血浆、尿)中的药物浓度,对于药物和3制剂研发非常重要。
这些数据可被用于支持药品的安全性和有效性,或根据毒动4学、药动学和生物等效性试验的结果做出关键性决定。
因此,必须完整地验证和5记录应用的生物分析方法,以获得可靠的结果。
6本指导原则提供生物分析方法验证的要求,也涉及非临床或临床试验样品实7际分析的基本要求,以及何时可以使用部分验证或交叉验证,来替代完整验证。
8生物样品定量分析方法验证和试验样品分析应符合本指导原则的技术要求。
9应该在相应的生物样品分析中遵守GLP原则或GCP原则。
102.生物分析方法验证112.1 分析方法的完整验证12分析方法验证的主要目的是,证明特定方法对于测定在某种生物基质中分析13物浓度的可靠性。
此外,方法验证应采用与试验样品相同的抗凝剂。
一般应对每14个物种和每种基质进行完整验证。
当难于获得相同的基质时,可以采用适当基质15替代,但要说明理由。
16一个生物分析方法的主要特征包括:选择性、定量下限、响应函数和校正范17围(标准曲线性能)、准确度、精密度、基质效应、分析物在生物基质以及溶液18中储存和处理全过程中的稳定性。
19有时可能需要测定多个分析物。
这可能涉及两种不同的药物,也可能涉及一20个母体药物及其代谢物,或一个药物的对映体或异构体。
在这些情况下,验证和21分析的原则适用于所有涉及的分析物。
22对照标准物质23在方法验证中,含有分析物对照标准物质的溶液将被加入到空白生物基质24中。
此外,色谱方法通常使用适当的内标。
25应该从可追溯的来源获得对照标准物质。
应该科学论证对照标准物质的适用26性。
分析证书应该确认对照标准物质的纯度,并提供储存条件、失效日期和批号。
27对于内标,只要能证明其适用性即可,例如显示该物质本身或其相关的任何杂质28不产生干扰。
29当在生物分析方法中使用质谱检测时,推荐尽可能使用稳定同位素标记的内30标。
实用文档1.目的PURPOSE建立分析方法验证的程序要求、文件和步骤,确保分析方法有效。
2.范围SCOPE2.1 实验室涉及定性或定量的分析方法,包括含量、有关物质(限度或定量)、鉴别和性能测试等相关分析方法。
2.2 颗粒度与原子吸收在此文件中单独列出,微生物见SOP C-2007。
2.3 不适用于毒性、临床前和临床研究的生物分析方法。
2.4 本SOP为验证的通用要求。
产品的具体分析方法验证应有相应验证文件,可根据实际情况对验证过程进行调整。
3.定义DEFINITION3.1 分析方法的分类3.1.1按照检测目的的不同有如下表3-1所述表3-1:分析方法的分类3.1.2按照来源不同又分为法定分析方法和非法定分析方法3.1.2.1法定分析方法-包括各药典收载的或已经验证并在法规部门注册得到批准的分析方法。
3.1.2.2非法定分析方法-除上述分析方法外自主开发或者是经过修订的法定分析方法。
实用文档3.2分析方法验证/确认一般来说,无论是应用于生产过程、放行、接收还是稳定性试验,所用的方法必须是经过验证或确认且有文件支持的分析方法。
3.2.1分析方法验证-证明分析方法符合其应用目的的过程。
对于自主开发分析方法,须经过全面的验证,详见表3-2。
对于经过修订的法定方法,视修改的条件,必须进行部分或全面的方法验证。
表3-2:分析方法的验证要求注:(1)- 正常情况下不需包含在验证方案中;(2)+ 正常情况下须包含在验证方案中;(3)# 根据实际需求而定;(4)※溶液的稳定性至少应包括实际应用条件下的稳定性;(5)▲不能完全代表物质专属性的分析方法,应有其它分析方法补充;(6)* 当分析方法用于稳定性样品的检测时,专属性必须做稳定性指示特性;(7)只有当方法转移到不同地点的另一个实验室或收录在药典中时才需要做重现性,如果已经做了重现性,中间精密度可不做;(8)滤膜影响试验:根据实际需求而定,对于定量分析中使用到滤膜的一般要求做。
DMF注册文件简介USDMF1适用于美国市场注册,每一个产品文件递交FDA后均会取得一个DMF No. 2注册文件简称USMDF,包括3部分:2.1基本信息(Drug Substance)2.2区域信息(Regional Information)2.2.1执行批记录的扫描件以及翻译件2.2.2分析方法验证报告2.3附录(Appendices)1公司简介2承诺信3组织结构图及人员介绍4公司平面图5设备一览表6QA/QC系统7GMP系统8环境评估及检查证书EDMF/CEP申报1EDMF适用于除美国以外的欧洲等国家注册申报,文件递交官方后有的会收到DMF No.,有的没有。
2CEP适用于被收载入欧洲药典的产品,文件递交EDQM后审评批准后获得COS证书(CEP证书)及证书编号。
eg.Certificate of suitability No.R0-CEP 2003-064-Rev003EDMF只包括基本信息(3.2.S.Drug Substance)DMF3.2.S Drug Substance原料药/中间体3.2.S.1GENERAL INFORMATION一般信息3.2.S.1.1Nomenclature命名提供原料药命名的信息:—美国认可药名(USAN)—官方药典药名—化学名—国际非专用药名(INN)—CAS登记号3.2.S.1.2Structure结构—化学结构式—分子式—分子量3.2.S.1.3General properties一般性质提供原料药的理化性质(至少提供质量指标中所列的检测项目):—一般性状;—物理常数(如熔点、沸点、凝点、相对密度、粒径和表面积);—旋光度/比旋光度—水溶液pH值—异构体信息—晶型信息等3.2.S.2Manufacturer生产制造3.2.S.2.1Manufacturer生产商提供每个生产商的名称,地址和责任。
3.2.S.2.2Description of manufacturing process and process controls工艺描述和工艺控制(DMF公开部分只体现ROS和Flow chart)对于合成产品提供下列信息:—化学合成流程图(包括分子量和立体结构)—工艺流程图(包括关键参数和溶剂信息)—USDMF:设备一览表:名称、规格、大小、材质—USDMF:设备流程图—工艺中使用的溶剂—工艺描述(包括原料、中间体、溶剂、反应试剂等数量,详细的操作规程描述,批量大小,混批,原料药产率,返工描述说明等等等)—返工说明3.2.S.2.3Control of materials物料的控制(只在DMF保密部分体现)—物料清单:列出原料药生产工艺中使用的材料(如原材料、起始材料、溶剂、试剂、催化剂)名称,注明各自的使用工序。
×××色谱纯度分析方法验证报告目录.............................................................................................................................................................................................. ×××色谱纯度分析方法验证报告批准----------------------------------------------------31. 验证目的 ---------------------------------------------------------------------------42. 色谱纯度分析方法 -------------------------------------------------------------------42.1 仪器 ------------------------------------------------------------------------------42.2 试剂 ------------------------------------------------------------------------------42.3 标准品 ----------------------------------------------------------------------------42.4 色谱条件 --------------------------------------------------------------------------42.5 溶液配制 --------------------------------------------------------------------------52.6 进样操作 --------------------------------------------------------------------------53. 方法验证 ---------------------------------------------------------------------------63.1 专属性 ----------------------------------------------------------------------------63.2 系统适用性试验 --------------------------------------------------------------------93.3 精密度 ----------------------------------------------------------------------------93.4 线性及范围 ------------------------------------------------------------------------113.5 准确度 ----------------------------------------------------------------------------173.6 检测限及定量限 --------------------------------------------------------------------204.验证评价及结论 ---------------------------------------------------------------------215. 附件 -------------------------------------------------------------------------------21×××色谱纯度分析方法验证报告批准对本验证方案批准表示同意其验证项目和可接受标准、验证方法和本方案内的各种表格格式、内容。
国际人用药品技术协调会ICH协调指导原则分析方法验证Q2草案2022年3月24日签署目前公开征求意见在ICH进程的第2阶段, ICH大会将由ICH专家工作组认可的共识草案文本或指导原则按照国家或地区程序交给ICH区域的监管机构进行内部和外部征求意见。
Q2文件历史法律声明:本文件受版权保护,除ICH标志外,在始终承认ICH拥有本文件版权的前提,基于公开许可可以使用、复制、在其他文件中引用、改编、修改、翻译或传播。
如果对文件进行任何改编、修改或翻译,必须采取合理措施清晰注明、界定或以其他方式标记对原始文件所做的更改。
应避免产生误导使人认为ICH对原始文件的改编、修改或翻译给予批准或认可。
本文件根据现有内容提供,无附带任何形式担保。
在任何情况下,ICH或原始文件的作者均不承担因使用该文件而产生的任何索赔、损害或其他责任。
上述许可不适用于第三方提供的内容。
因此,对于版权归第三方所有的文件,必须获得该版权持有者的转载许可。
ICH协调指导原则分析方法验证Q2ICH共识指导原则目录1引言 (1)2范围 (2)3分析方法验证研究 (2)3.1分析方法生命周期中的验证 (4)3.2可报告范围 (5)3.3稳定性指示特性的证明 (6)3.4多变量分析方法的考虑 (6)3.4.1参比分析方法 (6)4验证试验、方法学和评价 (7)4.1专属性/选择性 (7)4.1.1无干扰 (7)4.1.2正交方法比较 (7)4.1.3技术固有合理性 (7)4.1.4数据要求 (8)4.1.4.1鉴别 (8)4.1.4.2含量测定、纯度和杂质检查 (8)4.2工作范围 (9)4.2.1响应 (9)4.2.1.1线性响应 (9)4.2.1.2非线性响应 (10)4.2.1.3多变量校正 (10)4.2.2范围下限验证 (10)4.2.2.1根据信噪比 (10)4.2.2.2根据线性响应值的标准偏差和标准曲线斜率 (11)4.2.2.3根据范围下限的准确度和精密度 (12)i4.2.2.4数据要求 (12)4.3准确度和精密度 (12)4.3.1准确度 (12)4.3.1.1参比物比较 (13)4.3.1.2加标研究 (13)4.3.1.3正交方法比较 (13)4.3.1.4数据要求 (13)4.3.2精密度 (14)4.3.2.1重复性 (14)4.3.2.2中间精密度 (14)4.3.2.3重现性 (14)4.3.2.4数据要求 (14)4.3.3准确度和精密度的合并评价方式 (15)4.3.3.1数据要求 (15)4.4耐用性 (15)5术语 (16)6参考文献 (24)7附件1验证试验选择 (24)8附件2分析技术例证 (25)ii1引言12本指导原则是讨论药物在ICH成员监管机构注册申请时,递交的分析方法验证所3需考虑的要素。
方法验证报告一、引言。
方法验证是指通过实验、测试和分析来验证某一方法的可行性、准确性和可靠性。
方法验证的目的是确保所采用的方法能够满足其预期的使用要求,以及符合相关的法规和标准要求。
本报告旨在对某一特定方法的验证过程进行详细描述,并提供验证结果的分析和结论。
二、方法验证的目的。
方法验证的主要目的是确保所采用的方法在特定的应用场景下能够稳定、准确地进行测试和分析。
通过方法验证,可以评估方法的可靠性、准确性和重复性,以确保其在日常实验和分析中的可靠性和有效性。
同时,方法验证还可以为相关法规和标准的遵循提供必要的依据。
三、验证方法。
在进行方法验证时,首先需要明确定义验证的目标和范围,然后制定验证计划和实施方案。
验证方法通常包括以下几个步骤:1. 确定验证目标和范围,明确所要验证的方法及其适用范围,包括方法的原理、适用样品类型、测试参数等。
2. 制定验证计划,制定详细的验证计划,包括验证的具体步骤、实验方案、数据分析方法等。
3. 实施验证实验,按照验证计划进行实验,收集相关数据并进行分析。
4. 数据分析和结论,对验证实验结果进行分析,评估方法的准确性、重复性和稳定性,并得出验证结论。
四、验证实验。
在本次方法验证中,我们选择了某一特定的分析方法进行验证。
验证实验包括了样品的准备、实验操作、数据收集和分析等步骤。
在实验过程中,我们严格按照验证计划进行操作,并对实验数据进行了详细的记录和分析。
五、数据分析和结论。
通过对验证实验数据的分析,我们得出了以下结论:1. 方法的准确性,经验证,所选方法在特定条件下具有较高的准确性,能够满足实验要求。
2. 方法的重复性,验证实验结果表明,所选方法具有良好的重复性,能够稳定地进行测试和分析。
3. 方法的稳定性,经过长期实验验证,所选方法在不同条件下表现稳定,能够适应不同的实验环境。
六、结论。
通过本次方法验证,我们确认所选方法在特定条件下具有良好的准确性、重复性和稳定性,能够满足实验要求。
离子色谱法测定城市污水中硫酸根及氯离子的分析方法验证报告一、原理当淋洗液携带样品进入分离柱后,样品离子便与离子交换功能基的平衡离子争夺树脂的离子交换位置。
经过多次竞争达到离子平衡。
由于不同离子对树脂固定项相的亲和力不同,通过淋洗液的不断淋洗,各种离子便先后从色谱柱上被洗脱下来,实现了分离。
通过抑制器大幅度降低淋洗液的电导值,即可经检测器检测各种离子,得到一个个色谱峰,与标准进行比较,根据保留时间定性,根据峰面积或峰高定量。
二、试剂2.1. 淋洗液: Na2CO3称取0.1908g Na2CO3定容至500mL容量瓶中。
2.2. 硫酸盐标准溶液2.3. 硫酸盐标准样品三、仪器及器皿3.1. 离子色谱仪3.2. 自动进样器3.3 超声波振荡器3.4 真空抽滤器四、操作步骤1. 试样的制备样品经过0.45微米微孔滤膜后,再经过SEP小柱处理,收集于清洁的玻璃瓶或聚四氟乙烯瓶中待测2.校准曲线准确移取10mL(500mg/L)标准贮备液于100ml容量瓶中,用2%的硝酸溶液定容至刻度,得浓度为50mg/L中间液,再分别取0ml、2.5ml、5ml、7.5ml、10ml、15ml、20ml、中间液于50ml容量瓶中配制成相应浓度为0mg/L、2.5mg/L、5mg/L、7.5mg/L、10mg/L、15mg/L、20mg/L硫酸盐及0mg/L、0.5mg/L、1mg/L、1.5mg/L、2mg/L、3mg/L、4mg/L氯化物的混合标准使用液。
五、测定将预处理好的样品及空白溶液,在仪器最佳工作参数条件下,进行工作曲线系列及空白、试样、加标样品及质控样的测定。
七、检出限测最低浓度点(SO42-2.5mg/l Cl-0.25mg/l),连续7次测量其峰高,计算仪器检出限IDLIDL= 2C s×H n/H式中:C s—低浓度点浓度H n—基线噪声H—峰高八、精密度实验根据铜标准曲线的检测上限浓度C ,分别取0.1C,0.5C,0.9C的试样平行测定,做不同浓度水平的精密度,计算不同浓度水平的标准偏差及变异系数。
方法验证报告是指对制药生产过程中用于生产和检验的方法进行验证的报告。
在药品生产过程中,方法验证是非常重要的一环,它能够确保生产出的药品符合质量标准,保证药品的安全性和有效性。
本文将以hj657-2013方法验证报告为主题,对该报告的内容和要求进行详细阐述。
一、hj657-2013方法验证报告的内容1.1 方法验证的目的方法验证是为了验证用于生产和检验的方法的适用性和可靠性,包括原料药和制剂的生产方法、质量控制方法、分析检验方法等。
hj657-2013方法验证报告应当包括对验证目的的明确说明,以及验证结果的合理解释。
1.2 验证计划验证计划是指对方法验证工作进行合理规划的文件,hj657-2013方法验证报告应当包括验证计划的制定过程和内容,包括验证的范围、验证的方法和步骤、验证的样品数量、验证的时间安排等信息。
1.3 验证样品的选择验证样品的选择是方法验证工作中非常重要的一环,它直接影响到验证结果的准确性和可靠性。
hj657-2013方法验证报告应当包括对验证样品选择的合理性解释和说明。
1.4 验证方法的确认验证方法的确认是指对用于方法验证的分析方法进行确认,确保方法的可靠性和准确性。
hj657-2013方法验证报告应当包括对验证方法确认过程和结果的记录和分析。
1.5 验证结果的分析验证结果的分析是对方法验证结果进行综合分析和评价,包括数据的统计分析、结果的合理解释等。
hj657-2013方法验证报告应当包括对验证结果的详细分析和评价。
1.6 验证报告的结论验证报告的结论是对方法验证工作的总结和评价,是方法验证工作的最终结果。
hj657-2013方法验证报告应当包括对验证报告结论的清晰、准确的表述。
二、hj657-2013方法验证报告的要求2.1 确保报告的准确性和完整性方法验证报告应当真实、客观、准确地反映验证过程和结果,不得夸大事实或隐瞒真相。
hj657-2013方法验证报告应当严格遵守这一要求。
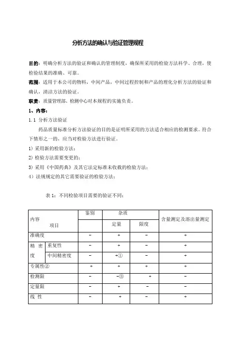
分析方法的确认与验证管理规程目的:明确分析方法的验证和确认的管理制度,确保所采用的检验方法科学、合理,使检验结果的准确、可靠。
范围:适用于本公司的物料,中间产品,中间过程控制和产品的理化分析方法的验证和确认,清洁方法的验证。
职责:质量管理部、检测中心对本规程的实施负责。
1、内容:1.1 分析方法验证药品质量标准分析方法验证的目的是证明所采用的方法适合相应的检测要求。
符合下情形之一的,应当对检验方法进行验证。
1)采用新的检验方法;2)检验方法需要变更的;3)采用《中国药典》及其它法定标准未收载的检验方法;4)法规规定的其它需要验证的检验方法;表1:不同检验项目需要的验证不同:注:①.已有重现性的可不需通验证中间精密度;②.如一种方法不够专属可用其它方法予以补充;③.视具体情况予以验证。
④.+正常要验证的内容,-表示不要验证的内容。
1.2在建立药品质量标准时,应对分析方法中的各检验项目进行完整的验证。
1.3当药品生产工艺变更时,制剂的组分变更、原分析方法修订时,可根据变更的内容决定对分析方法进行部分验证还是完全验证。
1.4当原料药合成工艺发生变更时,可能引入新的杂质,杂质检查方法和含量测定方法的专属性就需要进行验证,以证明有关物质检查方法能够检测新引入的杂质,且新引入1.5当质量标准中某一项目分析方法发生部分改变时,如采用高效液相色谱法测定含量时,检测波长发生改变,则需要重新进行检测限、定量限、专属性、准确度、精密度、线性等内容的验证,证明修订后的分析方法的合理可行。
1.6当变更达到一定程度时,则需要完整的验证。
如分析方法完全改变,则应按新方法进行完整的验证。
2. 方法验证的一般原则2.1通常情况下,检验方法需进行方法验证。
对于仅需按照实验室日常测试操作步骤即可测定的检验项目不需进行方法验证,如外观、崩解时限、密度、重量、pH值、灰分、装量、硫酸盐等。
2.2 方法验证的内容应根据检验项目的要求,结合所采用分析方法的特点确定。
分析方法验证报告三篇篇一:分析方法验证报告三篇1.工作曲线的测定1.1工作曲线的测定条件分析日期:年月日温度21.3℃湿度64% 测定波长650.00nm 1.2工作曲线的测定表1工作曲线测定值标准溶液加入体积质量(ug)吸光度(A)序号(n)(mL)1 0.00 0.000 0.0002 0.05 0.0163 0.200 0.0414 0.8 0.0685 3.2 0.1266 7.2 0.1957 12.8 0.268 20 0.325回归方程y=0.1609x+0.002相关系数r 0.99921.3标准曲线的绘制回归方程y=0.1609x+0.0021相关系数r=0.99922.空白值测定结果及方法检出限的计算第页共页依据《环境监测分析方法标准制修订技术导则》HJ 168-20XX附录A方法特性指标确定方法。
方法检出限的一般确定方法:按照样品分析的全部步骤,重复n(≥7)次空白试验,将各测定结果换算为样品中的浓度或含量,计算n次平行测定的标准偏差,按公式(A.1)计算方法检出限。
×S(A.1)MDL=t(n-1,0.99)式中:MDL——方法检出限;n——样品的平行测定次数;t——自由度为n-1,置信度为99%时的t分布(单侧);S——n次平行测定的标准偏差。
其中,当自由度为n-1,置信度为99%时的t值可参考表A.1取值。
表A.1 t值表平行测定次数(n)自由度(n-1)T(n-1,0.99)7 6 3.1438 7 2.9989 8 2.89610 9 2.821表2空白值测定结果及方法检测限的计算结果分析日期:年月日空白测定次数(n)吸光度(A)浓度(mg/L)1 0 -0.0132 0 -0.0133 -0.002 -0.0254 0 -0.0135 0 -0.0136 0.003 0.0067 -0.004 -0.0388 0 -0.0139 -0.002 -0.02510 0 -0.013平均值X-0.016S 0.01147检出限(mg/L)0.032363.精密度的测定结果第页共页表3试样测定结果分析日期:年月日测定次数(n) 吸光度(A) 浓度(mg/L)试液配置浓度(mg/L)1 0.270 1.665 1.602 0.262 1.615 1.603 0.259 1.597 1.604 0.265 1.634 1.605 0.260 1.603 1.606 0.262 1.615 1.607 0.268 1.653 1.608 0.261 1.609 1.609 0.258 1.590 1.6010 0.272 1.677 1.601.626XS 0.0300V 1.85%4.准确度的测定结果表4准确度测定值 分析日期:年月日 测定次数(n ) 加入标准质量(mg )原样品加标样品回收率(%)吸光度(A ) 浓度(mg/L ) 吸光度(A ) 浓度(mg/L ) 1 0.8 0.065 0.391 0.129 0.789 99.44 2 0.8 0.063 0.378 0.127 0.776 99.44 3 0.8 0.062 0.372 0.124 0.758 96.33 4 0.8 0.070 0.422 0.135 0.826 100.99 5 0.8 0.061 0.366 0.123 0.751 96.33 6 0.8 0.068 0.410 0.131 0.801 97.89 7 0.8 0.067 0.403 0.131 0.801 99.44 8 0.8 0.071 0.428 0.136 0.832 100.99 9 0.8 0.067 0.403 0.129 0.789 96.33 100.80.066 0.3970.130.79599.44回收率平均值 98.66参考公式:第页共页测定均值nXX ni i∑==1标准偏差()112--=∑=n XXS ni i变异系数(精密度)V=%100⨯XS%100-⨯=加标量试样测定值加标试样测定值加标回收率4.评价与验证结论 4.1评价根据生活饮用水磷酸盐的测定磷钼蓝分光光度法GB5750.5-20XX 7.1对本实验的检出限、精密度、准确度进行相关评价。
分析方法验证方案及要求目的:各项目验证方案相对同一,并达到相应要求。
适用范围:适用于起始原料、原料药和制剂的有关物质、异构体、含量、溶出度和残留溶剂的方法验证。
1.参考标准及参考文献参考标准:USP/BP/EP/JP/CP 国标部标/进口注册标准符合说明/其他参考标准/参考文献等,并分析判断。
资料中结果和方案尽量以表格形式列出。
小数位数:所有有关物质百分含量计算过程中保留小数后3位,最终结果保留小数后2位。
如果样品特别纯,最大杂质也在0.01%以下,则最终结果保留小数后3位。
(四舍五入保留双)*每个项目各自始终重点保留好已知杂质(包括起始原料和中间体)、异构体、购买对照品(包括包装说明书空瓶)、自制对照品和粗品等。
2.1优化方法UV扫描(杂质可用DAD),确定波长、优化流动相、柱温、样品配制溶剂及浓度和进样量等。
粗品估计样品浓度(限度:限度浓度的对照溶液逢高至少大于LOQ两倍以上)。
模方法及方法波长不能完全确定时,可以选择双波长进行。
要求:优化流动相跟他每一个条件重复进样两针,写所有试验详细记录,注意问题讨论和结论。
图谱性能报告按有关物质放大比例打印。
最后资料体现几个代表性的优化过程及附图。
(几个参考方法列表,你比较优劣,如方法是在USP等法定或别的基础上优化的,则需有实验和图谱证明等同性或优越性。
并做1-n批的对比测试,证明结果相当)*原料和制剂报告限度、鉴定限和控制限的算法。
原料制剂中降解的未知组分超过鉴定限和控制限应该排除分析上的问题后着手从工艺、原辅料质量和贮存条件等上下功夫解决。
2.2耐用性有专家说考察系统适应性溶液的耐用性即可。
建议在专属性前优化方法时就做(破坏试验之前),以更好的了解方法本身;建议用粗品做:为兼顾到含量的系统适应性溶液的配制,可以设计系统适应性溶液为“活性成分含量的浓度+有关物质限度的浓度”。
分别考察流动相的比例变化按相对比例±5%(注意梯度计算方法)、流动相缓冲盐的浓度按摩尔浓度的±10%,流动相pH值变化±0.2、柱温变化±5°C、检测波长变化±5nm(如UV图半峰宽)比较小则±2nm)、流速相对值变化±20%(时间和分离度达不到则减小)以及采用三根柱子不同批号或不同品牌的色谱柱(最好是在精密度时做)进行测定时,仪器色谱行为的变化,每个条件下按方法的系统适用性溶液(研究时按已知杂质加样品)测试两次(有关物质耐用性:空白+系统适用性溶液2针)共6个数据;含量耐用性:除系统适用性溶液连续进样5针,计算RSD,最后总的RSD。
【分析方法验证的内容】分析方法的验证分析方法的验证,就是对药品分析实验所采用的分析方法是否完全达到了预期目的,或证明由分析方法误差而导致试验结果判断错误的概率是否在允许范围之内,而进行的科学证明。
分析方法的验证以验证参数表示。
在制定药品质量标准时,可通过这些参数证明所建立的分析方法是否适当。
本文所述分析方法验证是指下述情况:药局方新收载品种质量标准的建立;药局方已收载品种质量标准的修订;根据药局方的通则建立替代方法。
1日本药局方收载分析方法所需资料1.1概要对分析方法作简要说明,包括所采用分析方法的必要性,特点与优点及有关验证的要点。
如系分析方法的修订,则需阐明新方法与原方法的区别以及新方法的优势。
1.2分析方法本项记载的有关分析方法的内容要足以能对分析方法进行评价,并且必要时可用复核试验进行评价。
分析方法主要记载内容包括:分析的步骤、标准品及样品的制备方法、试剂与试药的调配、注意事项、分析系统是否正常运转的检验证明方法(例如高效液相色谱法中的分离效率的研究)、分析结果的计算公式、测定次数等。
并且,如果使用了药局方以外的装置,还需详述有关内容;如果使用了新的标准品,则必须提供其物理、化学及生物学特征数据,并提供其质量标准。
1.3有关分析方法验证的资料本项应包括求导各验证参数的试验设计、试验数据、计算结果及检定结果等。
2验证参数(validationcharacterisitics)分析方法适当与否可通过验证参数进行评价,下面列举了最典型的分析方法验证参数的定义及其评价方法。
验证参数的有关术语及定义因分析方法的应用领域不同而不同,本文所使用的术语及定义仅限于日本药局方。
评价方法项下所述内容也仅为简要概述。
确定验证参数的方法很多,采用何种方法没有具体限制。
但是,验证参数的限值常因确定方法的不同而发生变化。
故此,确定验证参数的实验方法、实验数据、计算方法等应尽可能详细地记述。
本文分析方法验证中未包括验证参数适应性/牢固性(Robustness)的讨论,这是由于牢固性的研究主要在分析方法的开发设计阶段进行,其研究结果可以在方法的分析条件或注意事项中得到体现。
分析方法验证报告
2019QQHJKX01
分析方法:《水质石油类的测定紫外分光光度法(试行)》(HJ970-2018)
验证人员:
验证时间:2019年01月23日—25日
乌拉特前旗环境保护监测站
1参加人员情况
2仪器、标准物质情况
3 工作曲线的测定
3.1 工作曲线的测定条件
分析日期:2019年01月23日
温度:20℃湿度:18% 测定波长:225nm 3.2 工作曲线的测定
3.2 标准曲线的绘制
4 方法检出限的测定
依据《环境监测分析方法标准制修订技术导则》(HJ168-2010)附录A 方法特性指标确定方法。
方法检出限的一般确定方法:
按照样品分析的全部步骤,重复n(≥7)次空白试验,将各测定结果换算为样品中的浓度,计算n次平行测定的标准偏差,按公式A-1计算,方法检出限按公式A-2计算。
标准偏差S=
(A-1)
式中:n —— 样品的平行测定次数 X i —— 单次测定值 X —— 测定平均值
MDL=t (n-1,0.99)×S (A-2) 式中:MDL —— 方法检出限
n —— 样品的平行测定次数
t —— 自由度为n -1 ,置信度为99%时的t 分布 S —— n 次平行测定的标准偏差
( )
1 1
2
- ⎪ ⎭ ⎫ ⎝ ⎛ - ∑ = n X x n
i i
5 精密度、准确度测试
分别对标准浓度为0.4mg/L、0.8mg/L、1.0mg/L和有证标准物质BW022四个浓度进行6次测定,测定结果见表5-1。
6 评价与验证结论
6.1 评价
根据《水质石油油类的测定紫外分光光度法(试行)》(HJ970-2018)对本实验的检出限、精密度、准确度进行相关评价。
6.1.1 空白值最低检出限评价
根据《水质石油油类的测定紫外分光光度法(试行)》(HJ970-2018)中的检出限为0.01 mg/L,本实验石油类的检出限为0.004mg/L,符合标准方法要求。
6.1.2 精密度评价
本次实验分别对油浓度为0.4 mg/L、0.8 mg/L、1.0 mg/L和有证标准物质BW022进行测试,相对标准偏差分别为4.6%、2.9%、4.7%、5.0%,符合标准方法要求。
6.1.3 准确度评价
根据方法条件,本次实验测定的加标回收率为96%-104%,平均值为99.75%,对标准浓度为0.4 mg/L、0.8 mg/L、1.0 mg/L和有证标准物质BW022的测定,相对误差分别为 2.5%、-1.2%、0.0%、5.0%,其结果均在标准范围内。
6.2 结论
通过对上述指标的验证,证明本站具备按照《水质石油油类的测定紫外分光光度法(试行)》(HJ970-2018)进行监测的能力,该项目可在本监测站正常开展。
分析者:复核者:审核者:
报告编写时间:2019年01月26日。