中频炉感应圈设计数据
- 格式:doc
- 大小:188.50 KB
- 文档页数:2
中频炉感应圈设计数据中频感应炉是一种利用感应加热原理进行金属加热的设备。
它通过高频电流在电感线圈中产生交变磁场,将电能转化为热能,实现金属加热。
感应圈是中频感应炉的重要组成部分,其设计对于炉的性能有着重要的影响。
下面将从感应圈的设计要求、参数计算和优化设计等方面进行讨论。
感应圈的设计要求:1.合理利用空间:在有限的炉体空间内,应充分考虑感应圈的结构形式和大小,使之能够容纳加热工件的尺寸,同时还要保留足够的维修和更换空间。
2.高效的能量传递:感应圈应能够将电能高效地转化为热能,减小能量损失,提高加热效率。
3.适应工作频率:感应圈的设计要根据中频感应炉的工作频率进行调整,以获得最佳的工作效果。
4.稳定性和耐久性:感应圈应具有良好的机械强度和耐热性能,以确保长时间稳定工作。
感应圈参数计算:1.感应圈的电感L:感应圈的电感直接影响感应加热的效果,一般可以根据工作频率和工件尺寸进行估算。
电感的计算公式为L=μ0*μr*N^2*(π*r^2)/h,其中L为电感,μ0为真空中的磁导率,μr为感应圈材料的相对磁导率,N为匝数,r为匝的平均半径,h为感应圈的高度。
2.感应圈的匝数N:匝数的选择要根据工作频率和工件尺寸来综合考虑。
一般来说,匝数越多,电感越大,加热效果越好,但也会带来更大的成本和功率损耗。
3.感应圈的截面积A:截面积的大小会影响感应加热的功率密度,一般可以通过感应加热功率和电流密度来计算。
截面积的计算公式为A=P/(k*J*N*f*Bm),其中A为截面积,P为感应加热功率,k为电磁性能系数,J为电流密度,f为工作频率,Bm为最大磁感应强度。
4.感应圈的材料选择:感应圈的材料应具有良好的导电性和磁导率,以提高加热效果和转换效率。
常用的材料有铜、铝等。
感应圈的优化设计:1.引入热分析方法:利用热传递分析软件对感应圈进行热传导分析,优化感应圈的结构设计,降低热损失和温度梯度,提高加热效果。
2.优化匝数和尺寸:根据具体工件尺寸和工作频率,通过优化匝数和尺寸的选择,达到最佳的加热效果和能量利用率。
中频炉感应线圈参数【中频炉感应线圈参数】:深度评估与理解导言:在现代工业领域中,中频炉作为一种常见的热处理设备,被广泛应用于各个行业。
其中,感应线圈作为中频炉的核心组成部分,其参数设置合理与否对整个炉体的加热效果和运行稳定性有着重要影响。
对中频炉感应线圈参数进行深入评估与理解势在必行。
一、了解中频炉感应线圈的基本参数1. 感应电流频率中频炉感应线圈的感应电流频率通常在1kHz至10kHz之间。
感应电流频率的选择直接影响到加热效果和材料的热影响区域。
高频率可以实现局部加热,而低频率则更适用于大面积加热。
在设置感应电流频率时需要考虑具体的工件形状和加热需求。
2. 感应电流强度感应电流的强度是中频炉加热效果的关键参数之一。
强度过低会导致加热速度慢、效率低,而强度过高则容易使工件产生变形或烧焦。
在设置感应电流强度时需要根据具体工件的材料特性和加热需求进行合理选择。
3. 线圈匝数和尺寸感应线圈的匝数和尺寸是影响电磁场分布和能量耗散的重要因素。
通常情况下,线圈匝数越多,能够实现更均匀的加热效果。
而线圈尺寸则需要考虑工件的大小以及加热区域的需求。
在实际应用中,要根据具体的工件形状和加热需求进行合理的线圈设计。
二、深入评估中频炉感应线圈参数的重要性1. 加热效果与参数的关系中频炉感应线圈参数决定了加热效果的质量和效率。
合理设置感应电流频率和强度,以及选择适当的线圈匝数和尺寸,可以实现快速、均匀、高效的加热过程。
这对提高生产效率、降低能耗和改善产品质量具有重要意义。
2. 对工件性能的影响中频炉感应线圈参数对加热过程中的工件性能也有一定的影响。
若参数设置不当,可能导致工件表面温度过高、温度梯度过大,从而引起金相组织的变化、尺寸的变形甚至裂纹的产生。
在选择感应线圈参数时,需要综合考虑工件的材料特性和热处理要求,以保证加热过程中的工件品质。
三、对中频炉感应线圈参数的个人见解和理解个人认为,在中频炉加热领域,感应线圈参数的合理设置是成败的关键。
中频炉的使用调试、使用、保养1、系统特点与技术新一代可控硅变频装置、高速节能熔炼炉、保温炉等加热系统吸取了国内外最新技术成果,在实际使用中各项指标均领先国内同行并接近国际先进水平,因此得到用户一致赞誉。
可控硅中频变频装置是将50HZ交流电,变为单向中频交流的静止变频器,配感应熔炼炉可融化各种金属,配中频变压器可实现金属零件淬火,配感应透热炉可加热金属,所以广泛用于锻造、冶炼、精铸、热处理、弯管、焊接等行业。
本装置噪声低、效率高、耗电省、操作简便、干扰小、使用该产品可提高加工工件质量、节约原材料和能源、减轻劳动强度、改造生产环境、经济效益显著提高,这就是用户对中频装置的具体要求。
技术保障措施:(1)中频电源控制电源引进、消化、吸收国内外先进电子线路,在负载快速变化下能可靠稳定输出电流、电压,热别是加热系统能实现恒功率输出,保证加热体温度均匀,达到产品的质量要求。
双闭环控制电路:有过电压、过电流、限压限流、缺相、欠压、欠水压、超前角自动变换、相序自动识别等功能。
(2)保护封锁电路采用快速反馈双闭环控制,在负载短路、开路等情况下,都能可靠保护可控硅元件,无需校相序。
使用过本厂设备的用户一致反映,在正常使用情况下,在开始两年内基本不坏可控硅,这也是本厂产品畅销的原因之一。
(3)采用恒功率零压启动控制方式,启动可靠,在轻载、重载、满炉、冷钢等情况下均可靠启动。
(4)中频炼钢采用快速熔炼法,缩短熔炼时间、提高单产,降低电耗和重要元素烧毁。
新线路采用700v~1000v进线电压,在同样功率时电流大大减少,降低了损耗,再加之超前角自动变换,自动调节最佳功率因数,降低无功损耗,达到高效节能目的。
我厂生产的1T、2T、3T电炉能保证1个小时内融化一炉,1T以下电炉能做到30—60分钟熔化一炉,比国内传统中频炉每吨耗电省10—20%。
(5)操作简便,中频电源操作仅用“启动”与“停止”及一只按钮。
另外“升功”“降功”“启动”“停机”可实现遥控操作,省时省力。
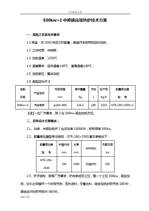
500kw×2中频感应加热炉技术方案一、加热工艺及技术要求1.1用途:与2500吨压力机配套,锻造汽车前桥的坯料加热;1.2 工件材质:中碳钢1.3 加热温度:1250℃1.4 温差要求:径向温差≤60℃,首尾温差≤80℃;1.5 加热部位:整体加热1.6 典型坯料尺寸:【注】:应厂方要求,按2台500kw组合加热方式。
二、总体设计方案概述:2.1、功率:中频加热炉2台总功率1000KW,标称频率500hz。
2.2、配置感应器型号与结构:GTR-190×2500,基本参数如下:2.3、炉子结构:按照厂方要求,炉体做成双工位,每一个工位500kw,组合加热,它们之间错开一个时间节拍,互补进料,交替出料,组合加热时的节拍180秒,单独运行时的节拍为360秒。
2.4、备料方式:采用地面提升机将坯料提升到储料架上。
储料台一次可储存4颗料;2.5、进料方式:采用气缸推料,步进式进料方法;2.6、出料方式:出料端采用辊道接送坯料;2.7、温度检测与分选:出炉口装有红外测温仪,对出炉坯料超高温、超低温、正常温度进行三分选2.8、整体结构如图示:三、供电变压器:3.1、为二台中频炉供电的变压器必须是专用整流变压器,这是因为大功率变频器会对电网产生谐波污染,因为整流变压器采用Y/△接法,阀侧Y-12和△-11的线电压相位相差30°使二台中频电源的Y组整流和△组整流电压纹波也有30°相位差,两组六相脉动波合成12相脉动波。
这两个电流波形在变压器网侧绕组当中的合成电流波形能有效抑制5次、7次谐波的产生。
3.2、整流变压器与二台中频电源的接法图示:3.3 、ZS-1250-10/0.38整流变压器技术参数:●额定容量:1250KVA;网侧额定电压:10±5%(KV)3Φ/ 50HZ●阀侧Ⅰ额定容量:625(KVA)●阀侧Ⅰ额定输出电压:380(V)●阀侧Ⅱ额定容量: 625(KVA)●阀侧Ⅱ额定输出电压:380 (V)●连接组别:D do yn11;●阻抗压降:Uk=7%●网侧、阀侧之间加屏蔽,减少谐波对网侧的冲击。
中频感应炉技术参数
摘要:
1.中频感应炉简介
2.中频感应炉的标准
3.中频感应热处理工艺参数的确定
4.中频感应炉的工作原理
5.中频感应炉的应用领域
正文:
一、中频感应炉简介
中频感应炉是一种将工频50HZ交流电转变为中频(300HZ以上至1000HZ)的电源装置。
它通过整流将三相工频交流电变成直流电,再将直流电变为可调节的中频电流。
中频电流在感应圈中产生高密度的磁力线,并切割感应圈里盛放的金属材料,从而在金属材料中产生很大的涡流。
二、中频感应炉的标准
虽然中频感应炉属于非标准电磁感应加热设备,但其设计制造仍有相应的标准可供参考。
我国针对中频感应炉生产制造制定了国标和部颁标准,如
GB10067.3-88、GB10066.1-88、GB10066.2-88、GB10066.3-88等。
三、中频感应热处理工艺参数的确定
中频感应热处理工艺参数的确定需考虑工件硬化层深度要求、设备能力(频率、功率大小)、材料及工件需淬火面积等因素。
具体的工艺参数要经过试验后才能真正确定下来。
四、中频感应炉的工作原理
中频感应炉利用中频电源建立中频磁场,使铁磁材料内部产生感应涡流并发热,达到加热材料的目的。
其工作原理主要包括电磁感应、涡流产生、热量传递等环节。
五、中频感应炉的应用领域
中频感应炉在机械、冶金、化工等行业具有广泛的应用,主要用于熔炼、透热、保温、高频淬火等领域。
其设备体积小、重量轻、效率高、耗电少、熔化升温快、炉温易控制等优点,使其成为现代工业生产中不可或缺的加热设备。
综上所述,中频感应炉作为一种先进的加热设备,在各个领域具有广泛的应用。
中频感应炉技术参数摘要:1.中频感应炉技术参数概述2.中频感应炉的主要技术参数3.中频感应炉的技术标准4.中频感应炉的正常运行条件5.中频感应炉的供水要求6.闭式冷却塔的特点正文:中频感应炉技术参数中频感应炉是一种常见的电炉设备,其工作原理是通过中频电流在感应圈中产生磁场,进而使坩埚内的金属炉料产生感应电势,从而产生热量,实现对金属的熔化和加热。
中频感应炉技术参数主要包括以下几个方面:一、中频感应炉技术参数概述中频感应炉的技术参数主要包括功率、频率、感应器配置等。
例如,一台中频加热炉的总功率为1000kw,标称频率为500hz,配置感应器。
二、中频感应炉的主要技术参数1.功率:中频感应炉的功率决定了其加热能力,一般而言,功率越大,加热能力越强。
2.频率:中频感应炉的频率决定了其加热效率,频率越高,加热效率越高。
3.感应器:感应器是中频感应炉的核心部件,其质量直接影响到加热效果。
三、中频感应炉的技术标准中频感应炉的设计制造应符合一系列国标和部标技术标准,如GB10067.3-88《电热设备基本技术条件—感应电热设备》、GB10063.3-88《电热设备的试验方法—无芯感应电炉》等。
四、中频感应炉的正常运行条件中频感应炉的正常运行条件包括环境、供电、供水等方面。
例如,环境要求海拔不超过1000m,环境温度在5~40 之间,相对湿度不大于90%(25 时),周围没有导电尘埃、爆炸性气体及能损坏金属和绝缘的腐蚀性气体,没有明显的振动和颠簸。
供电要求主电路供电电压660V 50Hz,波动不大于生5%,三相不平衡度不大于5%。
控制系统供电电压380V、220V,波动不大于5%。
主电路和控制系统供电电压必须为正弦波,波形畸变不大于10%。
供水要求冷却水系统电气部分采用风- 水型闭式冷却塔。
五、中频感应炉的供水要求中频感应炉的供水要求主要包括水质和供水方式。
水质要求为软水,不结水垢。
供水方式一般采用闭式冷却塔,这种冷却方式不用挖水池,现场使用只需将接口与需冷却的设备进行连接即可,不需增加其它辅助设备。
中频电炉加热线圈的设计与制作方法中频电炉加热线圈的加热效果不仅取决于感应圈的工作电流大小,更与感应圈的形状、圈数、引出铜管的长度、工件材料、形状等因素直接相关,要使设备的功率得到最有效的利用,根据工件的材料、形状合理设计感应圈至关重要。
感应圈的设计一般遵循以下原则:1、中频电炉感应线圈的形状应根据工件加热面的形状而定,制作原则应使感应部位铜管与工件加热面平行或等距且相邻匝间电流流向应一致。
2、中频电炉感应圈的确定,工作温度大于700℃和非导磁材料如铜、铝这两种情况,宜采用双圈或多圈结构。
3、中频电炉感应圈与工作的间隙调整原则:小型工件与感应圈的间隙应控制在1-3mm为宜;较大工件与感应圈的间隙按如下调整:当功率调旋转已调至最大,电流只是也达最大但加热速度很慢,此时应减小工件与感应圈的间隙或增加感应圈匝数。
4、对于利用外磁场加热(如平面加热、工件内孔淬火等)或对非导磁金属加热,可采用不同形状的铁氧体材料,聚磁会大大增加设备的输出功率。
5、红拼电炉感应圈的引出长度不宜过长,过长将加大设备的损耗,尽可能做到与变压器匹配。
6、中频电炉感应圈的制作:(1)特殊工件要制作特殊感应圈;(2)材料选用直径8mm以上、壁厚1mm的紫铜管,如果直径大于8mm的圆铜管最好先加工成方铜管,再弯制感应圈;(3)将铜管先进行退火处理,然后将一头敲扁,灌入细砂或铅液;(4)根据设计的感应圈形状逐渐完全敲打成型,敲打时最好用木榔头进行,转弯处应缓慢敲打,不宜用力过猛;(5)弯制好后,用铜管敲打感应圈将细砂抖出,灌铅液的应该将感应圈加热至铅溶化后,将铅液全部倒出,检查感应圈是否通气;对于多圈结构的感应圈为防止匝间短路,应套上耐高温的绝缘材料(如玻纤导管、玻纤带、耐火水泥),与机器连接的电接触部位将表面氧化层打磨干净。
中频炉感应线圈参数中频炉感应线圈参数是影响中频炉产品质量的一个重要因素。
感应线圈参数的设定直接影响到炉内温度的均匀性和稳定性,从而影响到产品的质量和成品的率。
因此,在设计和调整感应线圈参数时,需要充分考虑这些因素,确保产品的稳定性和质量。
感应线圈是中频炉的核心部件之一,主要用于将交变电流转换为定频电流,从而实现对炉内磁场的控制。
感应线圈的性能直接影响到炉内温度的均匀性。
为了保证炉内温度的均匀性,需要在设计感应线圈时充分考虑线圈的大小、形状、材料等因素,确保线圈在运行时能够稳定地产生磁场。
在实际应用中,感应线圈的参数需要根据产品的要求和制造工艺进行调整。
一般来说,感应线圈的参数需要包括以下几个方面:1.线圈的大小:线圈的大小直接影响到炉内电流的大小,从而影响到炉内温度的均匀性。
根据不同的生产工艺和产品要求,可以适当调整线圈的大小,以满足炉内加热的要求。
2.线圈的形状:线圈的形状会影响到线圈的磁通密度和磁通量的分布情况,从而影响到炉内温度的均匀性。
一般来说,线圈的形状可以采用圆形、矩形、三角形等不同形式,以满足不同的应用需求。
3.线圈的材料:线圈的材料直接影响到线圈的磁导率和磁饱和度,从而影响到炉内温度的均匀性。
根据不同的应用需求和制造工艺,可以选择合适的材料,如硅钢片、铁氧体等,以提高线圈的磁导率和磁饱和度,从而保证炉内温度的均匀性。
4.线圈的匝数:线圈的匝数直接影响到炉内电流的频率和幅值,从而影响到炉内温度的均匀性。
根据不同的生产工艺和产品要求,可以适当调整线圈的匝数,以满足炉内加热的要求。
5.线圈的温度控制:线圈温度控制是保证炉内温度均匀性的关键。
可以通过控制感应线圈的电阻、电感等参数,调节线圈产生的磁场,实现对炉内温度的控制。
总之,感应线圈参数的设定对于中频炉的生产和质量都至关重要。
在设计和调整感应线圈参数时,需要充分考虑这些因素,以保证产品的稳定性和质量。
10kg真空中频感应炉装置设计摘要目前,随着航天、航空、军工、核电、能源、化工等领域的不断向前发展,不仅特殊钢、精密合金、电热合金、高温合金及耐蚀合金等特殊合金的的需求量越来越大,而且对其质量要求更加苛刻,这就促进了真空感应炉的发展与研究。
与其他冶炼方法相比,真空感应炉熔炼能够精确控制所炼钢种或合金的成分;钢或合金中气体和非金属夹杂物的含量水平远远低于其他熔炼方法;真空感应炉的温度相对来说比较容易控制,而控制压力水平就是真空感应炉最显著的特点。
本课题研究的对象是10kg真空中频感应炉装置的设计,包括工艺参数的选择,坩埚材料的选择以及尺寸的设计,感应器材料的选择与结构的设计,倾炉机构的选择,冷却系统的设计等,本课题的设计论述出了各部分的设计方法与原则以及计算设计过程和必要的强度校核。
关键词真空,感应炉,设计ABSTRACTAt present,with the continuous development of some areas,such as aerospace,aviation,military industry, nuclear power,energy and chemical area, not only the demand of special alloy—heat-resisting alloy, high temperature alloy, corrosion resistant alloy—are increasing, but the quality requirements of this special alloy are becoming more stringent.All of this promoted the development and research of vaccum induction furnace. Compared with other smelting method, vaccum induction smelting furnace is able to precisely control composition of steel or alloy, and gas and nonmetallic inclusions in steel or alloy are far below other smelting method.The temperature of the vacuum induction furnace is relatively easy to control, and control the pressure level is the most distinguishing feature of vacuum induction furnace.This research sets the target of 10 kg vacuum intermediate frequency induction furnace equipment design, including the selection of process parameters, the selection of crucible materia and size design, material selection and structure design of sensors, furnace tilting mechanism and cooling system selection. the topics addressed in the design of the various components of the design principles and calculation methods and design process and the necessary degree of intensity.Key words vacuum, induction furnace, design目录摘要 .............................................................. I I ABSTRACT. (II)1绪论 (1)1.1真空中频感应炉概述 (1)1.2 国内外真空感应炉使用状况及发展趋势 (1)1.3 真空感应熔炼炉设计特点 (2)1.4 本课题研究的目的及意义 (2)2真空中频感应炉冶炼工艺 (3)2.1 装料 (3)2.2 熔化期 (3)2.3 精炼期 (3)2.3.1 精炼温度 (4)2.3.2 真空度 (4)2.3.3 精炼时间 (4)2.4 出钢和浇注 (5)310kg真空中频感应炉设计理论计算 (6)3.1 计算所需要的原始数据 (6)3.2 配料计算 (7)3.2.1 全部使用新料 (7)3.2.2 使用部分返回料 (9)3.3 真空感应炉炉衬耐火材料 (9)3.3.1 真空感应炉用耐火材料的工作条件和特点 (9)3.3.2 感应炉坩埚材质 (9)3.3.3 坩埚制作方法 (10)3.4 坩埚尺寸计算 (10)3.4.1 确定坩埚的总体积和金属液的体积 (10)3.4.2确定坩埚几何尺寸 (11)3.5 感应器 (12)3.5.1 确定感应器的直径 (12)3.5.2 确定感应器的有用功率 (13)3.5.3确定感应器的高度 (13)3.5.4 感应器截面形状的选择 (14)3.5.5 感应线圈铜管匝数的计算 (14)3.6 电源频率的选择 (15)3.7 磁轭 (17)3.8 水冷系统 (19)3.9 感应器与炉料系统的热计算 (20)3.10 倾炉机构 (22)3.11真空系统 (23)3.12 炉壳 (23)结论 (25)参考文献 (26)结论 (27)1 绪论1.1 真空中频感应炉概述真空感应熔炼(VIM)就是在真空条件下,利用电磁感应在金属液导体内产生涡流加热炉料进行熔炼的方法。
第1000卷(河北恒远电炉制造有限公司技术资料)V ol.1000 2014年2月Hebei Hengyuan Electric Co., Ltd. (TechnicalInformation) Mar.2014
------------------------------------------------------------------------------------------------------------------------------------------
中频炉感应器设计需确定哪些参数
在进行中频炉感应器设计时,必须提前了解加热毛坯的材料、尺寸、毛坯加热的温度以及生产率等信息。
根据这些信息,从而确定以下参数:
1、电流频率。
电流频率可以根据给出的毛坯断面尺寸来确定。
(确定方法参考:电流频率的选择)
2、在规定的生产率下加热毛坯所需的功率,可以根据单位电能消耗和金属重量来确定:P=GW.
P——为保证规定的生产率加热毛坯所需的功率;
G——被加热金属的重量,取决于毛坯尺寸和感应加热装置所需的生产率(kg/小时);
W——单位电能消耗,参考值0.35kwh/kg。
3、输出电压。
4、毛坯的电阻系数。
5、加热时间(确定感应加热时间需考虑的因素)
6、感应器的内径,应保证可以放下毛坯,热绝缘、电绝缘以及供毛坯滑移的导轨。
◆2014 Hebei Hengyuan Electric Co., Ltd. all rights reserved.。
中频感应圈|中频炉感应圈|铜感应圈
鼎丰电炉公司专业设计生产中高频电炉感应圈,参考国内外设计资料和多年经验数据积累而成设计合理,最大程度上提高了电效率。
生产工艺要求严格,加工精细美观,使用方便。
所有感应圈出厂前均已经过耐压和通水检测,保证质量。
产品采用优质的原材料及良好严格的加工工艺制作而成。
线圈采用国标优质无氧电解铜管绕制,含铜量99.95﹪以上,抗拉强度220kg/cm,伸展率45﹪;硬度HB35;绝缘电阻1KV以下≥0.5MΩ,1KV以上≥1MΩ。
铜管壁厚达4~10mm,不易破裂,便于焊接和通水冷却,接线铜排加宽加厚并有整体铜水槽,接线铜排全部镀银或镀锡处理,导电性及冷却效果更加优越。
感应圈间隙合理,采用高强度双马树脂胶木柱,80号铜螺丝固定,强度高不易发生扭曲变形。
胶木柱两侧及与线圈接触部敷贴10-15mm厚高档金云母板,这样胶木柱便不会炭化更不会打火,感应圈外层喷涂美国杜邦公司的Dote防电弧绝缘漆,从而保证了线圈不再打火,极大的延长的胶木柱及整个感应圈使用寿命。
鼎丰电炉产品质量优良(已通过ISO9001-2008质量体系认证)、性能稳定、售后服务完善,与国内外几大电炉生产厂家配套(如上海兆力、应达;杭州四达、因达;东阳宏泰、东阳宝马;苏州振吴、胜吴;西安宏源、电炉研究所;沈阳真空所...) 产品畅销全国各省市、地区及部分东南亚市场!
中频感应圈|中频炉感应圈|铜感应圈。
感应圈的设计与制作工件的加热效果不仅取决于感应圈的工作电流大小,更与感应圈的形状、圈数,引出钢管的长度,也与工件材料、形状等因素直接相关。
要使设备的功率得到最有效的利用,合理设计感应圈至关重要。
下面给出了常用机型的感应圈的制法,而加热工件要求比较大或特制机型,由厂家另外给出。
1、感应圈的形状,应根据工件加热部分的形状而定,制作原则是:应使感应部位的铜管与工件的加热面平等或等距。
且相邻匝间电流流向一致。
2、感应圈的圈数一般为两圈以下,十圈以上。
直径越大圈数应越小(特殊机器除外)3、感应圈与工件的调整间隙应控制在1-10mm为宜,特殊机型除外。
在不影响操作的情况下,间隙越小越好。
太小了可能会启动到微红时候即停,甚至一开始就不启动。
大了加热效果不好,太大了也会不启动。
所以对有些工件要试着做感应圈,一般当工件加热红时,模拟电流输出指示在1000A以上为好。
4、感应圈的引出长度在不影响操作的情况下,宜越短越好,越粗越好一般不超过400mm。
5、感应圈头部的绕制:★材料选用外径4-8mm的紫铜管(壁厚以1mm最佳)★将铜管先进行退火处理。
★根据所设计的感应圈的形状,逐渐弯曲敲打成型,敲打时最好用木榔头,转变片应缓慢敲打,不宜用力过猛,以免做成死弯,阻塞水路。
也不要用钳子夹成毛刺,以免尖端打火。
弯制好后,把两个铜口扩口,检查是否通气。
★为了避免两匝之间或感应圈与工件之间接触打火套上或者上而高温的绝缘材料(如硅胶管、玻璃丝带)6、两个引出铜管的制作★材料选用外径8-18mm的紫铜管,大功率的可用方铜管。
(壁厚1-1.5mm)★截取适当的长度,一头扩口,另一头打磨好,大功率夹制头机器,不用扩口,要折弯,注意不要折成死弯,影响通水。
7、绕好的感应圈和两个引出铜管,用砂纸把要焊接的部位磨光,然后进行锡焊(建议至少用150W的烙铁)或铜、银焊、焊点要光滑,不要有沙眼。
特别注意焊接时,不要堵塞了管口。
铜管、螺帽可到当地制冷家电维修部里购买,铜管的喇叭扩口也可在那里做。
中频炉感应线圈参数
摘要:
一、中频炉感应线圈参数选择
1.电流
2.匝数
3.线圈直径
4.线圈长度
5.截面形状与尺寸
6.线圈壁厚
7.匝间距
二、中频炉感应线圈设计案例
1.炉子功率
2.工作频率
3.炉子重量
4.加热材料
三、中频炉感应线圈结构说明
1.采用矩形厚壁铜管
2.中间无接头
3.两端采用纯铜氩弧焊
4.线圈压紧采用可调节不锈钢螺杆拉紧
四、中频炉感应线圈参数优化
1.加热效率
2.加热功率
3.加热棒料直径
正文:
中频炉感应线圈参数选择对于中频炉的正常运行至关重要。
需要考虑的因素包括电流、匝数、线圈直径、线圈长度、截面形状与尺寸、线圈壁厚、匝间距等。
在选择这些参数时,需要根据具体的中频炉型号和使用要求进行调整。
一个中频炉感应线圈设计案例是,炉子功率为10000kW,工作频率为0.25MHz,炉子重量为23t,加热材料为普碳钢。
在这个案例中,需要根据炉子的功率和工作频率,选择合适的线圈参数,以保证炉子能够正常运行。
中频炉感应线圈通常采用矩形厚壁铜管在专用模具上绕成,中间无接头,两端采用纯铜氩弧焊。
线圈压紧采用可调节不锈钢螺杆拉紧。
这种结构可以保证线圈的稳定性和安全性,同时也可以提高线圈的加热效率。
中频炉感应线圈参数优化需要根据中频炉的加热效率、加热功率、加热棒料直径等参数进行调整。
通过优化线圈参数,可以提高中频炉的运行效率,降低能耗,提高加热质量。
总之,中频炉感应线圈参数选择和优化是保证中频炉正常运行的重要环节。
中频感应电炉感应器匝数的简易计算
中频感应电炉感应器匝数是指感应器线圈的匝数,是中频感应电炉的重要组成部分。
以下是关于中频感应电炉感应器匝数的简易计算方法。
首先,计算感应器匝数需要知道感应器线圈的长度、宽度、厚度以及截面积。
此外,还需要知道感应器线圈的电感和工作频率。
其中,感应器线圈的长度、宽度、厚度和截面积可以通过感应器的设计图纸或实际测量得到。
其次,感应器的电感可以通过下式计算得到:
L = (μ* N^2 * A) / l
其中,L为感应器线圈的电感,μ为感应器线圈的磁导率,N为感应器线圈的匝数,A为感应器线圈的截面积,l为感应器线圈的长度。
最后,根据工作频率可以计算出感应器线圈的电容,然后根据感应器线圈的电感和电容可以计算出感应器线圈的共振频率。
根据共振频率和工作频率可以计算出感应器线圈的匝数。
综上所述,中频感应电炉感应器匝数的简易计算方法需要知道感应器线圈的长度、宽度、厚度、截面积、电感和工作频率。
通过计算感应器线圈的电感、电容和共
振频率,可以得到感应器线圈的匝数。
中频异形感应加热感应圈技术分析一、引言中频异形感应加热技术是现代金属热处理领域中的一项关键技术,广泛应用于机械制造、汽车、航空航天等行业。
它利用中频电流产生的交变磁场来加热金属材料,实现对金属的快速、均匀加热。
感应圈作为感应加热系统的核心部件,其设计直接影响到加热效果和能效。
本文旨在对中频异形感应加热感应圈的设计原理、特点、设计要点及应用进行详细分析。
二、中频异形感应加热原理中频异形感应加热基于法拉第电磁感应定律,即当导体(金属材料)放置于变化的磁场中时,导体内部会产生感应电流(涡流)。
这些涡流在金属内部流动时会因电阻而产生热量,从而达到加热目的。
中频指的是电源频率通常在1kHz至10kHz之间,这个频率范围适合深度加热和快速熔化金属。
三、感应圈的特点1. 形状多样:感应圈的形状根据被加热工件的形状而定,可以是圆形、方形、矩形等,也可以是更复杂的几何形状。
2. 材料选择:感应圈通常采用高导电性材料如铜或铜合金制作,以减少能量损耗。
3. 散热设计:由于感应圈在工作过程中会产生热量,因此需要良好的散热设计来保证其稳定运行。
四、感应圈设计要点1. 几何尺寸:感应圈的内径应略大于被加热工件的外径,以确保磁场能够充分覆盖工件。
2. 线圈匝数:线圈的匝数会影响磁场的强度和深度,通常需要根据加热需求进行优化设计。
3. 线圈截面:线圈的截面形状和大小会影响其电流承载能力和磁场分布,常见的有圆形、矩形等。
4. 冷却系统:感应圈需要配备有效的冷却系统,以排除工作中产生的热量,保证设备的连续稳定运行。
五、感应圈的应用中频异形感应加热感应圈的应用非常广泛,包括但不限于以下几个领域:1. 金属热处理:如淬火、退火、正火等。
2. 金属熔炼:如铜、铝等非铁金属的熔炼。
3. 焊接和钎焊:提供金属连接处的局部加热。
4. 塑性成形:如锻造前的金属预热。
六、结论中频异形感应加热感应圈是实现高效、精确热处理的关键组件。
通过对感应圈的设计优化,可以实现对各种形状工件的快速、均匀加热,满足现代工业对金属加工精度和效率的要求。
中频炉感应圈设计数据
中频炉感应圈设计时主要考虑的是正确地确定其直径、高度、线圈长度及截面形状与尺寸、线圈壁厚、匝数、匝间距等参数。
D 中频炉感应圈的壁厚
由于集肤效应,感应圈在工作时,电流大部分集中在向着炉料的一侧。
感应
炉的感应圈内电流很大,为了使感应圈本身的功率损耗蛀小,向着炉料侧的铜质
感应圈的管壁厚度,随着电源频率不同有一最佳值,其关系如表2-7所示。
襄2-7感应缝圈铜管壁厚度与感应频率的关系
线圈壁厚还应考虑到加工的方便以及线圈的刚性等要求。
E 中频炉感应圈截面形状
感应圈空心铜管一般由电解钢材料制成,截面形状有圆形、矩形及其他异形
管,中频炉现在一般用矩形,工频炉通常用异形管。
F 中频炉感应线圈的匝数及匝间距
通常用理论计算及配合实践经验而确定。
2+5。
3+2 感应圈设计案例(KGPS-O. 25/lOOOOkW-23t普碳钢)
A 设计条件。