华东交通大学车辆工程 第四章 客车转向架
- 格式:ppt
- 大小:35.63 MB
- 文档页数:135
转K1和转K2的区别转K1型转向架:指装用4个轴箱一系八字形橡胶剪切垫和侧架中交叉支撑装置的三大件货车提速转向架,最高运行速度为120km/h。
转K1转向架属于带变摩擦减振装置的新型铸钢转向架,在两侧架间安装了弹性中交叉支撑机构,交叉杆从摇枕腹部穿过,4个端点用橡胶锥套与支撑座连接。
在侧架导框顶面与承载鞍顶面之间安装八字形橡胶垫,实现轮对的弹性定位。
侧架、摇枕采用B级钢材质铸造,减振装置为整体式斜楔结构,中央悬挂系统采用两级刚度弹簧,上、下心盘之间安装心盘磨耗盘,采用双作用常接触弹性旁承,基础制动装置采用下拉杆结构,采用高摩合成闸瓦。
转K2型转向架:指装用弹性下交叉支撑装置的三大件货车提速转向架,最高商业运营速度为120km/h。
转K2型转向架属于带变摩擦减振装置的新型铸钢转向架,在两侧架之间安装了弹性下交叉支撑装置,交叉杆从摇枕下面穿过,4个端点用轴向橡胶垫与焊在侧架上的支撑座连接。
侧架、摇枕采用B级钢材质铸造。
减振装置装用整体式斜楔,摇枕斜楔摩擦面上焊装材质为0Cr18Ni9的磨耗板。
基础制动装置为中拉杆结构,车体上拉杆越过摇枕与转向架游动杠杆连接。
中央悬挂系统采用两级刚度弹簧,上、下心盘之间安装心盘磨耗盘。
装用双作用常接触弹性旁承。
装用材质为T10或47Mn2Si2TiB的卡入式滑槽磨耗板和侧架立柱磨耗板。
交叉支撑装置的作用:采用交叉支撑装置主要是用来提高转向架的抗菱刚度,减少轮对与转向架构架之间的蛇行运动,提高转向架的蛇行失稳临界速度;同时它可有效地保持转向架在运行中的正位状态,改善转向架的运行性能,减少轮轨之间的磨耗。
转K1型交叉支撑装置主要结构特点:转K1型中交叉支撑装置由支撑杆组成(1)、支撑杆组成(2)、4个橡胶锥套、4个上垫组成、4个双耳垫圈、4个紧固螺母组成。
支撑杆组成(1)和支撑杆组成(2)呈交叉状态从摇枕腹腔穿过,其端部通过橡胶锥套与焊在侧架上的锥柱连接,在橡胶锥套上部安装上垫组成和双耳垫圈,把紧固螺母旋在锥柱螺杆上,再用扭力扳手把螺母拧紧,最后把双耳垫圈的两个止耳撬起,使其贴靠在螺母的侧面上,以防止紧固螺母松动。
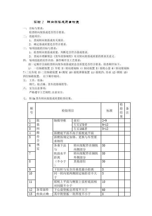
实验2 转向架落成质量检查一、目标与要求:检查转向架落成是否符合要求。
二、技能项目:1、查阅转向架落成有关规章。
2、确定落成质量是否符合要求。
三、每项技能的目标与要求:1、检查转向架落成质量,判断是否符合落成要求。
2、查阅并理解领会《货车段修规程》有关转向架落成质量的要求及意义。
四、每项技能的实作内容,操作顺序及工艺要求:按一定顺序全面检查转向架各部落成狀态及质量是否符合要求,检查顺序如下:1)一位轴箱装置 2)车轮 3)制动梁端轴 4)制动装置 5)摇枕心盘 6)制动梁端轴7)二位车轮 8)二位轴箱装置 9)侧架 10)摇枕弹簧装置 11)摇枕挡、旁承 12)侧架 13)四位轴箱装置,以下顺序相同。
五、工具、设备:纲尺、检点锤、货车段修规程等。
六、安全注意事项:严格遵守工艺规程,注意安全。
七、转8A货车转向架落成质量检查结果:附:一、货车转向架组装要求:1、杂型配件可按标准化规定,换为标准配件。
2、各螺栓组装前螺纹处须涂润滑油,心盘螺栓螺纹涂黑铅粉油。
3、金属配件结合面在组裝前涂防锈漆4、下心盘螺栓均须加防松螺母(FS、BFB、BY-A型),安裝直径Ф4mm开口销。
裝用BY-A型时,须安弹簧钢圈。
5、摩擦、转动部分应给油。
6、检修后各部件,零配件组装位置正确,弹簧入槽,螺栓紧固,作用良好,螺栓丝扣须露出一扣以上。
7、同一车辆上,不得装用异型轮对、轴承或轴箱。
8、同一车辆转向架须为同一型号。
9、转向架不准互换。
10、电焊作业时,须将轮对与侧架分离,禁止电流通过轴承。
11、装用冰冷车的转向架,摇枕、侧架除锈后,须涂油漆。
12、上下心盘垫板厚≤20mm,应使用钢垫板,车宽方向允许两块拼装各占一半,每块厚≥8mm,钢板两层以上时须四周点焊固。
13、下心盘垫板总厚度≤60mm,其中竹胶垫板<40mm,竹胶垫板可于车横向两块拼装,各占一半。
钢木板混用时,钢板放于底层。
竹胶板须单层用时,厚度>20mm。
考试试题铁路运输设备华东交通大学交通运输2011填空、选择:1、车辆按用途可分为:客车、货车和特种用途车。
2、铁路货车分为:通用货车和专用货车。
3、车辆标记中,超:部分配件超限,不危及行车安全;MC:表示可国际联运的货车。
4、客车的定检修程有:厂修、段修、辅修。
5、车辆在曲线上的偏移量与车辆长度成正比,与曲线半径成反比。
6、车轮与车轴之间通过过盈配合组成一个整体部件。
7、车轴内表面缺陷,可采用电磁探伤检测;车轴内部缺陷,可采用超声波探伤检测。
8、为了提高转向架的抗菱刚度不足,转8AG加装了交叉支持装置。
9、我国现生产的主型货车转向架为K5和K6型。
10、维持车体在不同载荷下,由于轨面而保持一定高度的部件是高度调整阀。
11、用于保证一个转向架两侧空气弹簧内压之差不超过规定的部件是差压调整阀。
12、客车转向架采用的轴承形式为短圆柱滚子轴承;货车转向架采用的轴承形式为两列圆锥滚子轴承。
13、客车的供电方式有以下3种:分散式、集中式、混合式。
14、电子防滑器主要用途是防止车轮抱死滑行。
15、铁路主要干线使用60KG/m钢轨和50KG/m钢轨;我国标准长度钢轨为:12.5m、25m。
16、轨道加强设备通常采用轨距杆和轨撑。
17、在直线轨道上,左右两股钢轨顶面的相对高度差成为水平。
18、轨道在纵向上的高低差称为线路的前后高低。
19、对称三开道岔和交叉互线分别属于道岔中的连接和连接交叉组合设备。
20、尖轨上安装顶轨的主要目的:防止轨距扩大。
21、尖轨按平面形状可分为直线型和曲线型尖轨。
22、道岔号数是指:辙叉号数。
(辙叉角的余切值)23、辙差角越小,道岔全长越长,道岔号数越大。
解释名词:1、线路平面:铁路线路平面是指铁路中心线在水平面上的投影,它由直线段和曲线段组成。
2、线路纵断面:铁路线路中心线纵向展直后,其路肩高程在垂直面上的投影。
3、坡道阻力:列车在倾斜线路上运行时,需克服由于坡度产生的动分力称为坡道阻力。
绪论1.简述轨道交通动力的发展。
畜力(人力)→蒸汽机车→电力机车→内燃机车2.简述我国铁道车辆的发展历史及方向。
发展历史:1949—1957年仿制阶段1958—1977年独立设计制造阶段1978—1996年较快发展时期1997—2003迅速发展时期2004年以后跨越式发展发展方向:高速重载。
技术:车体转向架车端连接装置(车钩、缓冲器、风挡)3.世界常用铁路速度等级如何划分的?100-120km/h,常速120-160km/h,中速160-200km/h,准高速(快速)200-400km/h,高速400km/h以上,超高速4.简述日本、德国、法国高速列车概况。
日本:“新干线”指的是日本“在线路的主要区间列车以200km/h以上速度运行的干线铁路”,也即高速铁路,以“子弹列车”闻名。
于1964年10月1日开始通车营运,也是全世界第一条载客营运高速铁路系统。
新干线高速列车已发展了40多年,相继研制开发了100系、100N系、200系、EI(Max系、400系、300系、500系、700系和 E系列等高速列车。
动力分散、轻量化是其显著特点。
德国:ICE 全称为 InterCityExpress,即城际快车。
德国传统铁路营运时速原来就有 200 km/h,1991 年,随着汉诺威-乌兹堡(全长 327 km)和曼海姆-斯图加特(全长 107 km)高速铁路的竣工,ICE 高速列车开始投入商业运营,其最高营运时速可达280 km/h。
法国:TGV是法文单词(Train à Grande Vitesse)的缩写,翻译过来是高速列车的意思。
1971年,法国政府批准修建TGV东南线(巴黎至里昂,全长417公里,其中新建高速铁路389公里),1976年10月正式开工,1983年9月全线建成通车。
动力集中是TGV高速动车组的一大特点。
第一章铁道车辆基本知识1.阐述如下概念有轨车辆:有轨道,不需要操纵运行方向的车辆铁道车辆:指那种必须沿着专设的钢铁轨道运行的车辆。