钢结构基础知识
- 格式:ppt
- 大小:4.90 MB
- 文档页数:80
钢结构的八大基础知识钢结构的八大基础知识一、钢结构的特点1钢结构自重较轻2钢结构工作的可靠性较高3钢材的抗振(震)性、抗冲击性好4钢结构制造的工业化程度较高5钢结构可以准确快速地装配6容易做成密封结构7钢结构易腐蚀8钢结构耐火性差二、常用钢结构用钢的牌号及性能1炭素结构钢:Q195、Q215、Q235等2低合金高强度结构钢3优质碳素结构钢及合金结构钢4专门用途钢三、钢结构的材料选用原则钢结构的材料选用原则是保证承重结构的承载能力和防止在一定条件下出现脆性破坏,根据结构的重要性、荷载特征、结构形式、应力状态、连接方法、钢材厚度和工作环境等因素综合考虑的。
《钢结构设计规范》GB50017-2003提出的四种钢材型号是“宜”使用的型号,是在条件许可时的首先选择,并不禁止其它型号的使用,只要使用的钢材满足规范的要求即可。
四、主要钢结构技术内容高层钢结构技术根据建筑高度和设计要求分别采用框架、框架支撑、筒体和巨型框架结构,其构件可采用钢、劲性钢筋混凝土或钢管混凝土。
钢构件质轻延性好,可采用焊接型钢或轧制型钢,适用于超高建层建筑;劲性钢筋混凝土构件刚度大,防火性能好,适用于中高层建筑或底部结构;钢管混凝土施工简便,仅用于柱结构。
空间钢结构技术空间钢结构自重轻、刚度大、造型美观,施工速度快。
以钢管为杆件的球节点平板网架、多层变截面网架及网壳等是我国空间钢结构用量最大的结构型式。
具有空间刚度大,用钢量低的优点,在设计、施工和检验规程,并可提供完备的CAD。
除网架结构外,空间结构尚有大跨悬索结构、索膜结构等。
轻钢结构技术伴随着轻型彩色钢板制成墙体和屋面围护结构组成的新结构形式。
由5mm以上钢板焊接或轧制的大断面薄壁H型钢墙梁和屋面檩条,圆钢制成柔性支持系统和高强螺栓连接构成的轻钢结构体系,柱距可从6m到9m,跨度可达30m或更大,高度可达十几米,并可设轻型吊四。
用钢量20~30kg/m2。
现已有标准化的设计程序和专业化生产企业,产品质量好,安装速度快,重量轻,投资少,施工不受季节限制,适用于各种轻型工业厂房。
钢结构基础知识钢结构是现代建筑中广泛应用的一种结构形式,它具有强度高、重量轻、施工速度快等诸多优点。
接下来,让我们一起深入了解一下钢结构的基础知识。
一、钢结构的定义与特点钢结构,顾名思义,是以钢材为主要材料构建的结构体系。
钢材具有优异的力学性能,其强度高,能够承受较大的荷载;同时,钢材的重量相对较轻,这使得钢结构在大跨度和高层建筑中具有明显的优势。
钢结构的特点可以总结为以下几点:1、强度高:钢材的强度远高于混凝土和木材等常见建筑材料,能够建造更高、更大跨度的建筑结构。
2、重量轻:在相同的承载能力下,钢结构的重量约为混凝土结构的一半,这减轻了建筑物的自重,有利于基础设计和降低运输成本。
3、施工速度快:钢结构构件可以在工厂预制,然后在施工现场进行快速组装,大大缩短了施工周期。
4、可重复利用:钢结构构件拆除后,大部分材料可以回收再利用,符合可持续发展的理念。
5、空间布置灵活:钢结构的梁柱截面较小,可以为建筑提供更大的使用空间和更灵活的布局。
二、钢结构的材料钢结构中常用的钢材主要包括碳素结构钢和低合金高强度结构钢。
碳素结构钢价格相对较低,但强度和韧性一般;低合金高强度结构钢则具有更高的强度、更好的韧性和焊接性能,在重要的钢结构工程中应用广泛。
钢材的性能指标主要包括强度、塑性、韧性、冷弯性能和可焊性等。
强度是钢材最重要的性能指标,通常用屈服强度和抗拉强度来表示。
塑性反映了钢材在受力时产生变形而不破坏的能力,常用伸长率来衡量。
韧性表示钢材在冲击荷载作用下抵抗破坏的能力,通过冲击试验来测定。
冷弯性能是衡量钢材在常温下承受弯曲变形的能力,可焊性则关系到钢材在焊接过程中的质量和性能。
三、钢结构的连接钢结构的连接方式主要有焊接、螺栓连接和铆钉连接三种。
焊接是通过高温使钢材局部融化,冷却后形成牢固的连接。
焊接连接的优点是刚度大、整体性好,但焊接质量容易受到焊接工艺和焊工技术水平的影响,并且焊接会产生残余应力和变形。
螺栓连接分为普通螺栓连接和高强度螺栓连接。
钢结构是一种使用钢材构建的建筑结构系统。
以下是钢结构的一些基础知识:
钢材特性:钢是一种高强度、耐久的金属材料,具有良好的可塑性和可焊性。
它具有较高的抗张强度和刚度,适用于构建跨度大、承载能力要求高的建筑结构。
钢结构构件:钢结构包括主要构件和次要构件。
主要构件包括梁、柱、桁架和桥梁等,用于承受和传递荷载。
次要构件包括连接件、支撑件和补强件等,用于连接和加固主要构件。
设计原则:钢结构设计需要遵循工程力学原理和适用的建筑设计规范。
设计考虑结构的荷载分布、刚度和稳定性等方面,以确保结构的安全性和可靠性。
钢结构施工:钢结构施工涉及钢构件的制造、运输和安装。
在施工过程中,需要进行准确的尺寸控制、焊接或螺栓连接、防腐处理等工艺,确保结构的质量和完整性。
钢结构优势:相比传统的混凝土结构,钢结构具有一些优势。
它具有较高的强度和刚度,可以实现大跨度和灵活的空间布局。
此外,钢结构具有可重复使用和可拆卸的特点,便于维护和改造。
钢结构应用:钢结构广泛应用于各种建筑类型,如高层建筑、工业厂房、桥梁、体育场馆等。
它也用于特殊环境和要求,如海洋平台、核电站和风力发电机组等。
需要指出的是,钢结构设计和施工需要专业的工程师和合格的施工团队进行。
合理的设计和精确的施工能够确保钢结构的安
全性、耐久性和美观性。
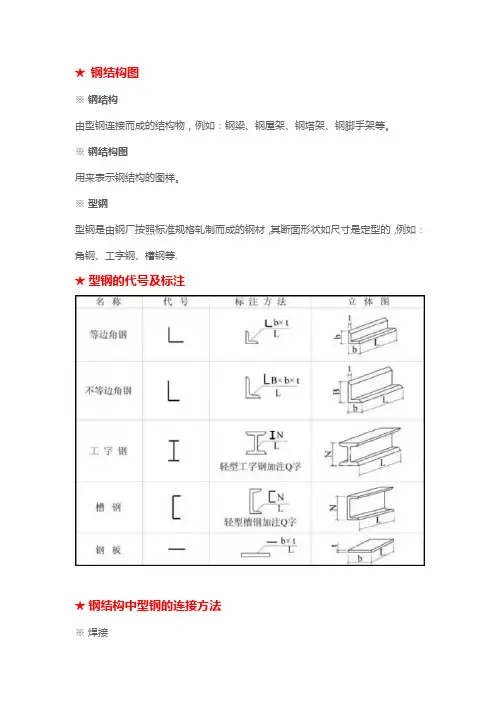
★钢结构图※钢结构由型钢连接而成的结构物,例如:钢梁、钢屋架、钢塔架、钢脚手架等。
※钢结构图用来表示钢结构的图样。
※型钢型钢是由钢厂按照标准规格轧制而成的钢材,其断面形状如尺寸是定型的,例如:角钢、工字钢、槽钢等.★型钢的代号及标注★钢结构中型钢的连接方法※焊接※铆接※螺栓连接一、焊接将被连接的型钢在连接部位加热使其和焊条熔化,凝结后成为不可分割的整体。
1、焊缝类型及其符号※坡口焊缝※贴角焊缝※塞焊缝★焊缝的图形符号和辅助符号2、焊缝的标注在钢结构图中,必须把焊缝的位置、形式、尺寸和辅助要求标准清楚.★焊缝的标注方法★焊缝不连续时的画法及标注当焊缝分布不连续时,可见焊缝宜在焊缝处加中实线,不可见焊缝加细栅线二、铆接用铆钉将两块或两块以上的钢板连接在一起★铆接分类※工厂连接※现场连接★铆钉类型三、螺栓连接※焊接和铆接都是不可拆卸的连接,螺栓连接是可拆卸的连接※连接方法★螺栓、孔、电焊铆钉图例钢梁结构图概述钢梁常用于大、中跨度桥梁中钢梁的种类※钢板梁※钢桁梁★下承式简支栓焊梁★钢梁结构图的内容※设计轮廓图※节点图※杆件图※零件图★设计轮廓图★节点图★节点构造图★拼接板、填板的拼装★立体图★节点板详图★杆件图★零件图钢屋架结构图概述※钢屋架※钢屋架结构图屋架简图、屋架详图(包括节点图)、杆件详图、连接板详图。
★屋架简图※屋架简图又称屋架示意图、屋架杆件几何尺寸简图。
※比例:1:100、1:200※单线条表示,杆件长度直接注在单线条旁边。
★屋架详图※图样:立面图,上弦实形辅助投影,剖面断面图.※比例:两种比例:杆件轴线采用较小比例(1:20,1:15)节点板、杆件、断面采用较大比例(1:10,1:5)※图线:可见轮廓线-—中实线不可见轮廓线-—中虚线★杆件拼接★支座节点图★屋脊节点图。
钢结构基础知识汇总一、钢结构的定义和分类1.1 钢结构的定义•钢结构是以钢材为主要构造材料的建筑结构。
•钢结构由钢柱、钢梁、钢框架等构件组成,并采用焊接、螺栓连接等方式连接构件。
1.2 钢结构的分类•根据结构形式可以分为框架结构、网格结构、膜结构等。
•根据结构用途可以分为工业厂房结构、商业建筑结构、桥梁结构等。
二、钢结构的优点与应用范围2.1 钢结构的优点•高强度:钢材具有较高的抗拉、抗压能力,使得钢结构具有较强的承载能力。
•轻质化:钢材密度相对较小,可以减轻自重,降低地基荷载。
•耐久性好:钢材具有较好的耐腐蚀性能,不易受潮湿、氧化等因素影响。
•施工周期短:钢结构构件可以预制,在施工现场进行简单拼装,节约施工时间。
2.2 钢结构的应用范围•工业领域:工厂、车间、仓库等工业建筑常采用钢结构。
•商业领域:商场、超市、办公楼等商业建筑多采用钢结构。
•桥梁领域:大跨度、重载桥梁常采用钢结构。
•体育场馆领域:体育场、体育馆多采用钢结构。
三、钢结构设计与施工要点3.1 钢结构设计要点•载荷计算:根据建筑用途、设计规范等确定设计荷载,包括静载荷和动载荷。
•构件选择:根据设计要求和构件受力情况选择合适的钢材种类和规格。
•连接设计:确定构件之间的连接方式,包括焊接、螺栓连接等。
•防护措施:考虑钢结构的防腐蚀、防火等安全性能。
3.2 钢结构施工要点•材料验收:对钢材进行验收,包括检查钢材的质量、规格等。
•构件制作:对钢结构构件进行制作,包括切割、焊接、翻样等工艺。
•构件安装:根据施工图纸要求,将钢结构构件进行安装和连接。
•质量检验:对施工过程中的质量进行检验,确保施工质量符合设计要求。
四、钢结构的维护与加固4.1 钢结构的维护•防腐蚀:对钢结构进行定期的防腐蚀处理,延长结构的使用寿命。
•检查修复:定期检查钢结构的连接、焊缝等部位,及时修复破损或松动的部分。
•清洁保养:保持钢结构的表面清洁,避免灰尘和污物对结构造成损害。
建筑钢结构基础知识点总结1. 钢材的种类和性质钢材是建筑钢结构的主要材料,它主要包括碳素钢、合金钢和不锈钢等。
碳素钢是最常用的钢材,它包括低碳钢、中碳钢和高碳钢。
合金钢是在碳素钢中加入其他合金元素的钢材,它具有较高的强度和硬度。
不锈钢是一种耐腐蚀的钢材,通常用于需要耐腐蚀性能的场合。
钢材的性质主要包括强度、韧性、延展性和焊接性等。
强度是材料抵抗外部力量的能力,韧性是材料在受到外部力量作用时的抗拉伸和抗压缩能力,延展性是材料在受到外部力量作用时的变形能力,焊接性是材料在焊接过程中的性能。
2. 钢结构构件建筑钢结构的构件主要包括梁、柱、梁柱节点、桁架和悬臂梁等。
梁是一种承受弯曲力的构件,通常用于支撑屋顶和地板。
柱是一种承受压力的构件,通常用于支撑建筑的重力荷载。
梁柱节点是连接梁和柱的构件,通常用螺栓连接或焊接连接。
桁架是由若干个直杆和连接节点组成的构件,通常用于支撑屋顶和天花板。
悬臂梁是一种悬挑于结构外侧的梁,通常用于悬挑屋盖和悬挑天花板。
3. 钢结构设计钢结构的设计包括结构分析、构件设计和连接设计等内容。
结构分析是确定结构的受力情况和变形情况,通常采用有限元分析和弹性分析等方法。
构件设计是确定构件的尺寸和材料规格,通常采用材料力学和结构力学等方法。
连接设计是确定构件之间的连接方式和连接件的尺寸和规格,通常采用焊接、螺栓连接和铆接等方法。
4. 钢结构施工钢结构的施工包括制作、运输、安装和验收等过程。
制作是指在工厂生产构件,通常采用切割、弯曲、焊接和装配等工艺。
运输是指将构件运输到工地,通常采用汽车运输或船运输等方式。
安装是指将构件安装在工地上,通常采用吊装和组装等方法。
验收是指检查构件的质量和连接的可靠性,通常采用检测和试验等方式。
5. 钢结构的应用建筑钢结构广泛应用于工业厂房、商业建筑、公共建筑和特殊建筑等领域。
工业厂房通常采用钢结构,因为它具有重量轻、施工速度快和成本低等优点。
商业建筑和公共建筑通常采用钢结构,因为它具有设计灵活、结构美观和使用寿命长等优点。
钢结构基础知识汇总一、引言钢结构是一种现代化的建筑结构,具有高强度、轻质、耐久性好、施工速度快等优点,因此在建筑领域得到了广泛应用。
而钢结构的基础则是其稳定性和安全性的保证。
本文将对钢结构基础知识进行汇总和介绍。
二、常见的钢结构基础形式1.浅基础浅基础是指深度不超过土层厚度1/3的基础形式,常见的有筏式基础、板式基础和桩基础。
2.深基础深基础是指深度超过土层厚度1/3的基础形式,常见的有灌注桩、钻孔灌注桩和挖孔桩。
三、钢结构浅基础设计要点1.筏式基础设计要点(1)确定承载力:根据建筑物荷载大小和地质条件,确定承载力。
(2)确定尺寸:根据承载力计算出所需面积,并考虑边缘距离等因素确定尺寸。
(3)加固措施:对于软土地区或者地下水位高的地区,需要采取加固措施,如加厚筏板或者增加钢筋数量等。
2.板式基础设计要点(1)确定承载力:根据建筑物荷载大小和地质条件,确定承载力。
(2)确定尺寸:根据承载力计算出所需面积,并考虑边缘距离等因素确定尺寸。
(3)加固措施:对于软土地区或者地下水位高的地区,需要采取加固措施,如增加钢筋数量或者采用预应力钢筋等。
3.桩基础设计要点(1)桩长的确定:根据建筑物荷载大小和地质条件,通过试验或者计算确定桩长。
(2)桩的直径和间距:根据荷载大小和桩长确定桩的直径和间距。
(3)桩头形式:根据实际情况选择合适的桩头形式。
四、钢结构深基础设计要点1.灌注桩设计要点(1)灌注混凝土强度:灌注混凝土强度应符合规定标准。
(2)灌注深度:灌注深度应符合规定标准,通常为地下水位以下1.5倍。
(3)桩直径和间距:根据荷载大小和灌注深度确定桩的直径和间距。
2.钻孔灌注桩设计要点(1)钻孔深度:钻孔深度应符合规定标准,通常为地下水位以下1.5倍。
(2)灌注混凝土强度:灌注混凝土强度应符合规定标准。
(3)桩直径和间距:根据荷载大小和钻孔深度确定桩的直径和间距。
3.挖孔桩设计要点(1)挖孔深度:挖孔深度应符合规定标准,通常为地下水位以下1.5倍。
钢结构基本原理知识点一、知识概述《钢结构基本原理》①基本定义:简单说,钢结构就是用钢材做成建筑结构的那些部分,像梁啊、柱啊这些,就跟我们搭积木似的,一块块钢材组合起来,能承受住上面的重量,构成房子或者其他建筑物的骨架。
②重要程度:在建筑学科里相当重要。
现在很多大高楼、大跨度的桥梁好多都用钢结构。
就好比人的骨头要是不强壮,那整个人就垮了,钢结构对建筑而言就是那强壮的骨头,没有它大楼就立不起来,桥也过不去车人。
③前置知识:你得先了解一些材料力学的知识,要是不知道材料受力的时候会怎么变形,钢材能承受多大的力这些,钢结构原理就不好理解。
还得有点工程力学基础,知道力怎么传,建筑物怎么平衡的。
我当初学的时候,先学这种基础知识的时候就挺难,感觉云里雾里,但是后来学钢结构就发现这些基础有用极了。
④应用价值:实际应用可太多了。
比如那些超高层的写字楼,用钢结构可以让建造速度更快,还能节省很多空间呢,因为钢结构可以做得比较纤细又很结实。
再比如大型的体育场,那个大屋顶往往是钢结构的,能覆盖很大的空间又不会塌下来。
二、知识体系①知识图谱:钢结构基本原理在建筑结构这个大范畴里属于骨架部分相关知识。
就像一个家族里关键的那几只顶梁柱的知识。
②关联知识:和混凝土结构知识有很大联系,很多时候建筑里既有钢结构的部分又有混凝土结构部分,它们之间怎么配合很重要。
还有结构力学知识,钢结构的受力分析离不开结构力学原理,就好像做菜离不开调料一样。
③重难点分析:- 掌握难度:有一定难度。
像钢结构的连接部分,螺栓连接、焊接不是那么简单就能全搞明白的。
钢材材料特性也复杂,不同型号的钢材性能不一样,就像不同的人力量大小不同一样。
- 关键点:我觉得理解钢材在不同受力状态下怎么工作是关键,且钢结构稳定理论也比较难,比如一根细长的钢柱怎么才能稳稳地立着,受到压力不那么容易弯掉之类的。
④考点分析:- 在考试中的重要性:超级重要。
无论是建筑专业的课程考试还是职业资格考试都会考到。
钢结构基础知识钢结构在现代建筑工程中起着至关重要的作用,它具有高强度、轻质、耐用等特点,因此在大型建筑物或桥梁等工程中广泛应用。
本文将介绍钢结构的基础知识,包括钢的性质、钢结构构件以及常见的钢结构连接方式等内容。
一、钢的性质钢是一种由铁和碳组成的合金,其中碳元素含量小于2%。
钢的特点主要包括以下几个方面:1.高强度:相比其他材料,钢的强度更高,能够承受较大的荷载。
2.轻质:相对于混凝土等材料,钢的密度较小,从而减轻了整体建筑的自重。
3.耐腐蚀:钢具有较好的耐腐蚀性能,可以抵抗大部分外界环境的侵蚀。
4.可回收再利用:钢可以通过回收再利用的方式减少资源浪费,符合可持续发展的理念。
二、钢结构构件钢结构构件是组成钢结构的基本单元,通过连接构件形成整体框架。
常见的钢结构构件包括梁、柱、桁架等,每种构件都有其特定的形状和功能。
1.梁:梁是一种用于支撑屋顶或楼板的水平构件,承担着承载荷载的任务。
梁的截面形状多样,常见的有I型梁和H型梁等。
2.柱:柱是一种用于承受垂直荷载并将其传递到地基的垂直构件。
柱的形状通常为圆形、矩形或方形。
3.桁架:桁架是由梁与柱构成的三角形结构,用于支撑较大跨度的屋顶或桥梁。
桁架结构具有高刚性和较低的自重。
4.其他构件:除了梁、柱和桁架,钢结构中还可以存在其他构件,如连接板、瓦楞钢板等,用于完成特定的功能或满足设计要求。
三、钢结构连接方式钢结构的连接方式对于结构的稳定性和完整性至关重要。
根据连接方式的不同,可以分为焊接连接、螺栓连接和铆接连接等几种。
1.焊接连接:焊接连接是将构件通过焊接的方式固定在一起。
焊接连接具有较高的强度和刚性,广泛应用于大型和重要的钢结构工程中。
2.螺栓连接:螺栓连接是通过将构件用螺栓紧固在一起形成连接。
螺栓连接具有可拆卸的特点,便于维护和更换。
3.铆接连接:铆接连接是使用铆钉将构件连接在一起。
铆接连接可以实现构件的高强度和可靠性,适用于较大荷载和较高要求的工程。
钢结构工程中使用钢材的基础知识在钢结构工程中使用钢材需要掌握的基础知识包括钢材的常见种类、性能指标、规格、加工及施工注意事项等。
以下是对这些基础知识的详细介绍。
1.常见种类:在钢结构工程中常用的钢材种类包括碳素结构钢、合金结构钢和不锈钢等。
碳素结构钢主要包括普通碳素结构钢和低合金高强度结构钢。
合金结构钢是在普通碳素结构钢中加入合金元素,如锰、铬、镍、钼等,以提高钢材的强度和韧性。
不锈钢则是含有至少12%的铬元素,具有优良的耐腐蚀性能。
2.性能指标:钢材的性能指标包括强度、韧性、可焊性和耐久性等。
强度是钢材抵抗外力作用的能力,通常用屈服强度和抗拉强度来表示。
韧性是指钢材在受力过程中的延展性和抗冲击性能。
可焊性是指钢材在焊接过程中的加工性能,主要考虑钢材的熔点、熔化性和变形性。
耐久性是指钢材在外界环境作用下的抗氧化、抗腐蚀和抗疲劳能力。
3.规格:钢材的规格通常包括尺寸和化学成分等。
尺寸规格主要包括长度、宽度、厚度和重量等,常见的规格有角钢、槽钢、H型钢、管材和板材等。
钢材的化学成分也是选择钢材的重要因素,不同的特定要求会有相应的化学成分要求。
4.加工:在钢结构工程中,钢材的加工是必不可少的环节。
常见的加工方式有切割、钻孔、焊接、弯曲和冷成型等。
切割可以通过火焰切割、等离子切割和机械切割等方式进行。
钻孔则可以通过钻孔机、冷冲击钻等工具完成。
焊接是将不同的钢材连接在一起的方式,常用的焊接方法包括气焊、电焊和埋弧焊等。
弯曲通常使用弯曲机、切管机等设备。
冷成型是通过压模将平板材料冷弯成所需的形状。
5.施工注意事项:在钢结构工程的施工中,需要注意以下几点。
首先,应根据设计要求选择合适的钢材,确保其性能符合要求。
其次,在加工钢材时,应注意切割尺寸的准确度和表面质量。
焊接时要严格执行焊接工艺规程,确保焊缝质量和焊接强度。
另外,钢结构的安装需要使用专业的设备和工具,严格遵守安全操作规程,以确保施工过程中的安全性。
总结起来,钢结构工程中使用钢材需要掌握其常见种类、性能指标、规格、加工及施工注意事项等基础知识。