钢结构基础知识教程
- 格式:ppt
- 大小:7.18 MB
- 文档页数:63
第一章概论第一节钢结构的特点和应用钢结构的特点:钢结构构件较小,质量较轻,便于运输和安装,便于装拆、扩建。
适用于跨度大、高度高,承载重的结构。
1.钢材的材质均匀,质量稳定,可靠度高;2.钢材的强度高,塑性和韧性好,抗冲击和抗振动能力强;3.钢结构工业化程度高,工厂制造,工地安装,加工精度高,制造周期短,生产效率高,建造速度快;4.钢结构抗震性能好;5.耐腐蚀和耐火性差。
第二节钢结构的应用范围一、大跨度结构:体育场、馆、会展中心、会堂、剧场、飞机库、机车库等。
二、高层建筑:纽约的西尔斯大厦共110层,总高443m;深圳的地王商业大厦总高368m;上海金茂大厦共88层,总高420.5m。
三、工业建筑设有大吨位吊车,炼钢车间,船体车间,水压机车间。
四、轻钢结构后面重点讲解。
五、高耸结构(塔桅结构)高压输电塔,微波站,雷达站,火箭发射塔,海洋石油平台。
随着现代建筑技术发展,塔桅结构由单一功能向多功能方向发展,如加拿大多伦多的电视塔为全钢结构,我国黑龙江省336m高的全钢结构多功能电视塔。
六、活动式结构水工钢闸门,升船机,三峡的升船机120×18×3.5m,最大提升高度113m,重11800T。
七、可拆卸或移动的结构钢栈桥、移动式平台,发挥钢结构重量轻,便于运输和安装的优点。
加拿大已建成120多万吨,可容纳5000多人的海上采油平台。
八、高压容器和大直径管道三峡水利枢纽工程中的发电机组压力钢管内径达12.4m,钢管壁厚60mm。
九、抗震要求高的结构十、特种结构钢烟囱、钢水塔,纪念性建筑(北京的中华世纪坛)城市大型雕塑(南海大佛)。
第三节现代建筑钢材的发展一、高强度钢材随着人们对结构性能要求的提高,研制和应用高强度钢材、优质钢和各种低合金钢,如Q345(16锰钢)、Q390(15锰钒钢)、Q420(15锰钒氮钢),有些西方国家已把钢材的屈服强度为700~800Mpa或更高强度的低合金钢列入设计规范。
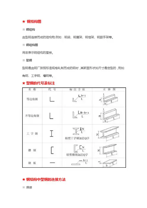
★钢结构图※钢结构由型钢连接而成的结构物,例如:钢梁、钢屋架、钢塔架、钢脚手架等。
※钢结构图用来表示钢结构的图样。
※型钢型钢是由钢厂按照标准规格轧制而成的钢材,其断面形状如尺寸是定型的,例如:角钢、工字钢、槽钢等.★型钢的代号及标注★钢结构中型钢的连接方法※焊接※铆接※螺栓连接一、焊接将被连接的型钢在连接部位加热使其和焊条熔化,凝结后成为不可分割的整体。
1、焊缝类型及其符号※坡口焊缝※贴角焊缝※塞焊缝★焊缝的图形符号和辅助符号2、焊缝的标注在钢结构图中,必须把焊缝的位置、形式、尺寸和辅助要求标准清楚.★焊缝的标注方法★焊缝不连续时的画法及标注当焊缝分布不连续时,可见焊缝宜在焊缝处加中实线,不可见焊缝加细栅线二、铆接用铆钉将两块或两块以上的钢板连接在一起★铆接分类※工厂连接※现场连接★铆钉类型三、螺栓连接※焊接和铆接都是不可拆卸的连接,螺栓连接是可拆卸的连接※连接方法★螺栓、孔、电焊铆钉图例钢梁结构图概述钢梁常用于大、中跨度桥梁中钢梁的种类※钢板梁※钢桁梁★下承式简支栓焊梁★钢梁结构图的内容※设计轮廓图※节点图※杆件图※零件图★设计轮廓图★节点图★节点构造图★拼接板、填板的拼装★立体图★节点板详图★杆件图★零件图钢屋架结构图概述※钢屋架※钢屋架结构图屋架简图、屋架详图(包括节点图)、杆件详图、连接板详图。
★屋架简图※屋架简图又称屋架示意图、屋架杆件几何尺寸简图。
※比例:1:100、1:200※单线条表示,杆件长度直接注在单线条旁边。
★屋架详图※图样:立面图,上弦实形辅助投影,剖面断面图.※比例:两种比例:杆件轴线采用较小比例(1:20,1:15)节点板、杆件、断面采用较大比例(1:10,1:5)※图线:可见轮廓线-—中实线不可见轮廓线-—中虚线★杆件拼接★支座节点图★屋脊节点图。
1、建筑体系1-1、门式刚架体系 1-1-1、基本构件图1-1-2、说明力学原理门式刚架结构以柱、梁组成的横向刚架为主受力结构,刚架为平面受力体系。
为保证纵向稳定, 设置柱间支撑和屋面支撑。
刚架刚架柱和梁均采用截面H 型钢制作,各种荷载通过柱和梁传给基础。
支撑、系杆刚性支撑采用热轧型钢制作,一般为角钢。
柔性支撑为圆钢。
系杆为受压圆钢管, 与支撑组成受力封闭体系。
屋面檩条、墙梁一般为C 型钢、Z 型钢。
承受屋面板和墙面板上传递来的力,并将该力传递给柱和梁。
钢结构入门1-1-3、门式刚架的基本形式a.典型门式刚架刑架跨度b.带吊车的门式刚架c.带局部二层的门式刚架* m* /a.柱脚节点钱接柱脚刚接柱脚一刚接柱脚二"b. 梁、柱节点s-柱头节点二梁间连接节点7柱头节点一吊车梁牛腿节点■局部二层节点参照多层框架体系1-1-5、刚架衍生形式抗风柱连接节点(:•连跨多屋脊-吐连跨单屋脊”£•单坡连跨'■吊车和局部二层可在衍生形式刚架中布置。
■山墙刚架其本质也是多连跨刚架,不过中间柱与刚架柱比截面旋转了90度。
1- 2、多层框架体系1-2-1、框架图示1 °1 ------- --- -------------- —三刁F7 i—-—— -——-_1—r° 1% ■彳J——---•——顶层框架柱t ——■—-—-厂wwm5\ ---- J 骂j屋而框架滦9 1\ i「E■]E 儿单坡单一跨b・山墙刚架,1-2-2、说明力学模型a. 纯刚接框架:纵横两个方向均采用刚接的框架。
b. 刚接-支撑框架:横向采用刚接,纵向采用铰接,并在纵向设置支撑,以传递水平力。
c. 支撑式框架:纵横向均采用铰接,两向均设置支撑传递水平力。
d. 有时为保证足够的刚度,在刚接框架中亦设置支撑。
框架柱框架柱可采用H型截面、箱形截面、十字形截面、圆管形截面等。
所有上部结构的力都通过框架柱传递给基础。
★钢结构图※钢结构由型钢连接而成的结构物,例如:钢梁、钢屋架、钢塔架、钢脚手架等。
※钢结构图用来表示钢结构的图样。
※型钢型钢是由钢厂按照标准规格轧制而成的钢材,其断面形状如尺寸是定型的,例如:角钢、工字钢、槽钢等。
★型钢的代号及标注★钢结构中型钢的连接方法※焊接※铆接※螺栓连接一、焊接将被连接的型钢在连接部位加热使其和焊条熔化,凝结后成为不可分割的整体。
1、焊缝类型及其符号※坡口焊缝※贴角焊缝※塞焊缝★焊缝的图形符号和辅助符号2、焊缝的标注在钢结构图中,必须把焊缝的位置、形式、尺寸和辅助要求标准清楚。
★焊缝的标注方法★焊缝不连续时的画法及标注当焊缝分布不连续时,可见焊缝宜在焊缝处加中实线,不可见焊缝加细栅线二、铆接用铆钉将两块或两块以上的钢板连接在一起★铆接分类※工厂连接※现场连接★铆钉类型三、螺栓连接※焊接和铆接都是不可拆卸的连接,螺栓连接是可拆卸的连接※连接方法★螺栓、孔、电焊铆钉图例钢梁结构图概述钢梁常用于大、中跨度桥梁中钢梁的种类※钢板梁※钢桁梁★下承式简支栓焊梁★钢梁结构图的内容※设计轮廓图※节点图※杆件图※零件图★设计轮廓图★节点图★节点构造图★拼接板、填板的拼装★立体图★节点板详图★杆件图★零件图钢屋架结构图概述※钢屋架※钢屋架结构图屋架简图、屋架详图(包括节点图)、杆件详图、连接板详图。
★屋架简图※屋架简图又称屋架示意图、屋架杆件几何尺寸简图。
※比例:1:100、1:200※单线条表示,杆件长度直接注在单线条旁边。
★屋架详图※图样:立面图,上弦实形辅助投影,剖面断面图.※比例:两种比例:杆件轴线采用较小比例(1:20,1:15)节点板、杆件、断面采用较大比例(1:10,1:5)※图线:可见轮廓线—-中实线不可见轮廓线——中虚线★杆件拼接★支座节点图★屋脊节点图。
钢结构识图基础知识培训讲义(图⽂并茂)钢结构识图培训讲义第⼀章识图基础⼀、投影及三视图三视图:正视图(上左)、侧视图(上右)、俯视图(下)三视图在使⽤是不⼀定完整,可能只出现其中两个。
有剖视符号的情况下,按照符号所⽰⽅向看物体,⽆剖视符号时,⼀般习惯的看图⽅向是:侧视图在正视图的右侧时,表⽰是站在正视图中物体的右侧向左看;侧视图在正视图的左侧时,表⽰是站在正视图中物体的左侧向右看;俯视图表⽰从上向下看到的正视图中的物体看图⽅向的正确⾄关重要,决定了装配⽅向的正确与否,由于详图绘制⼈员的个体差异,选择表达⽅式上会有所差异,需要在图⾯上相互印证,如有不⼀致处及时和制图⼈员沟通确认。
⼆、剖⾯符号和断⾯符号1.断⾯符号表⽰从符号处剖开看到的断⾯,不表⽰断⾯后⽅的其他东西;2.剖⾯符号表⽰从符号处剖开看到的断⾯及断⾯后⽅的其他东西;3.在钢构详图中,断⾯符号和剖⾯符号使⽤上有些随意,是因为功能上⽐较接近,着重表达的是看物体的⽅向。
看物的⽅向是从粗线朝⽂字的⽅向看。
粗线表⽰⼈的眼睛,⽂字表⽰看的朝向。
三、索引符号及节点符号1.不带剖视⽅向的索引字母a,如果节点详图不在本图中,就写对应的图纸编号,⽐如“详图-09”或“09”等。
有时也直接索引出来后直接放⼤,不⽤到节点符号,如下图:与剖(断)⾯符号类似,看物的⽅向是从粗线朝细线的⽅向看。
粗线表⽰⼈的眼睛,细线表⽰看的朝向。
四、对称符号五、焊缝符号*1. 焊缝基本符号(常⽤):表⽰焊缝横截⾯形状的符号2. 辅助符号:表⽰焊缝表⾯形状特征的符号3.补充符号:补充说明焊缝的某些特征⽽采⽤的符号4.尾注:是对焊缝的要求进⾏备注,⼀般说明质量等级,适⽤范围、剖⼝⼯艺的具体编号等常⽤的坡⼝的形状和尺⼨可以查看《建筑钢结构焊接技术规程》(JGJ81-2002),下表是根据规程及我司习惯绘制的坡⼝节点表,可供参考:5.焊缝尺⼨的标注:说明:当⽆焊缝长度尺⼨是表⽰焊缝是通长连续的;当对接焊缝(含⾓对接组合焊缝)⽆有效深度的尺⼨标注时,表⽰全熔透。
钢结构基础知识钢结构在现代建筑工程中起着至关重要的作用,它具有高强度、轻质、耐用等特点,因此在大型建筑物或桥梁等工程中广泛应用。
本文将介绍钢结构的基础知识,包括钢的性质、钢结构构件以及常见的钢结构连接方式等内容。
一、钢的性质钢是一种由铁和碳组成的合金,其中碳元素含量小于2%。
钢的特点主要包括以下几个方面:1.高强度:相比其他材料,钢的强度更高,能够承受较大的荷载。
2.轻质:相对于混凝土等材料,钢的密度较小,从而减轻了整体建筑的自重。
3.耐腐蚀:钢具有较好的耐腐蚀性能,可以抵抗大部分外界环境的侵蚀。
4.可回收再利用:钢可以通过回收再利用的方式减少资源浪费,符合可持续发展的理念。
二、钢结构构件钢结构构件是组成钢结构的基本单元,通过连接构件形成整体框架。
常见的钢结构构件包括梁、柱、桁架等,每种构件都有其特定的形状和功能。
1.梁:梁是一种用于支撑屋顶或楼板的水平构件,承担着承载荷载的任务。
梁的截面形状多样,常见的有I型梁和H型梁等。
2.柱:柱是一种用于承受垂直荷载并将其传递到地基的垂直构件。
柱的形状通常为圆形、矩形或方形。
3.桁架:桁架是由梁与柱构成的三角形结构,用于支撑较大跨度的屋顶或桥梁。
桁架结构具有高刚性和较低的自重。
4.其他构件:除了梁、柱和桁架,钢结构中还可以存在其他构件,如连接板、瓦楞钢板等,用于完成特定的功能或满足设计要求。
三、钢结构连接方式钢结构的连接方式对于结构的稳定性和完整性至关重要。
根据连接方式的不同,可以分为焊接连接、螺栓连接和铆接连接等几种。
1.焊接连接:焊接连接是将构件通过焊接的方式固定在一起。
焊接连接具有较高的强度和刚性,广泛应用于大型和重要的钢结构工程中。
2.螺栓连接:螺栓连接是通过将构件用螺栓紧固在一起形成连接。
螺栓连接具有可拆卸的特点,便于维护和更换。
3.铆接连接:铆接连接是使用铆钉将构件连接在一起。
铆接连接可以实现构件的高强度和可靠性,适用于较大荷载和较高要求的工程。