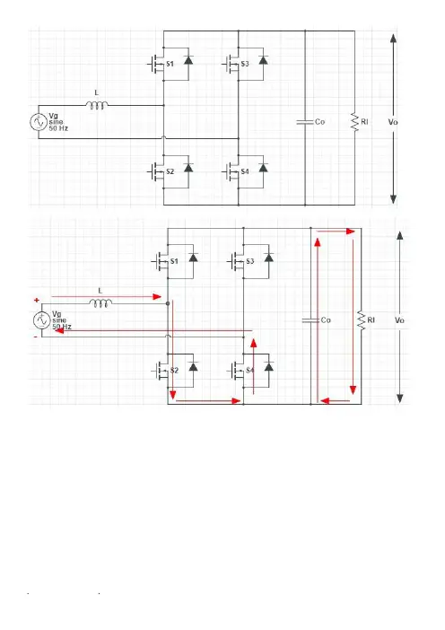
桥后采用电抗器的串联谐振无源PFC电路
- 格式:doc
- 大小:628.50 KB
- 文档页数:17
三相整流无源pfc电路
三相整流无源PFC电路是一种用于电力因素校正的电路,主
要用于将输入电源的功率因数提高到接近1的值。
该电路的基本结构由三相桥式整流器和无源PFC电路组成。
三相桥式整流器是由六个二极管和三个电感组成的,用于将三相交流电转换成直流电。
三个电感连接在整流器桥路的输出端,起到平滑输出电流的作用。
无源PFC电路中的无源指的是没有使用电子器件(如MOS管、开关电容等)进行功率因素校正,并且没有使用任何额外的能量源。
无源PFC电路通过合理的电路设计和选择适当的元器
件来实现功率因素校正。
在三相整流无源PFC电路中,通常采用谐振电路作为无源
PFC电路的核心。
谐振电路主要由电容、电感和二极管组成,通过合理的谐振频率来实现功率因素校正,减少电网对电源的谐波污染。
三相整流无源PFC电路的工作原理是:当输入电压的幅值较
小(在一定的范围内),谐振电路的功率因数可以接近于1,
从而实现功率因数校正的效果。
当输入电压的幅值较大时,谐振电路的功率因数会下降,但整流器桥路中的电感可以起到限流的作用,保证整流电流平滑输出。
三相整流无源PFC电路的优点是:1.功率因数校正效果好,可以将功率因数提高到接近1的值。
2.无需外部能量源,无需使
用额外的开关器件实现功率因素校正,成本低廉。
3.对电网的
谐波污染影响小。
总之,三相整流无源PFC电路是一种常用的电力因素校正电路,通过合理的谐振电路设计和电路结构来实现功率因数校正,提高电源的能效和稳定性。
功率因数校正(英文缩写是PFC)是目前比较流行的一个专业术语。
PFC 是在20世纪80年代发展起来的一项新技术,其背景源于离线开关电源的迅速发展和荧光灯交流电子镇流器的广泛应用。
PFC 电路的作用不仅仅是提高线路或系统的功率因数,更重要的是可以解决电磁干扰(EMI)和电磁兼容(EMC)问题。
线路功率因数降低的原因及危害 导致功率因数降低的原因有两个,一个是线路电压与电流之间的相位角中,另一个是电流或电压的波形失真。
前一个原因人们是比较熟悉的。
而后者在电工学等书籍中却从未涉及。
功率因数(PF)定义为有功功率(P)与视在功率(S)之比值,即PF=P/S 。
对于线路电压和电流均为正弦波波形并且二者相位角Φ时,功率因数PF 即为COS Φ。
由于很多家用电器(如排风扇、抽油烟机等)和电气设备是既有电阻又有电抗的阻抗负载,所以才会存在着电压与电流之间的相位角Φ。
这类电感性负载的功率因数都较低(一般为0.5-0.6),说明交流(AC)电源设备的额定容量不能充分利用,输出大量的无功功率,致使输电效率降低。
为提高负载功率因数,往往采取补偿措施。
最简单的方法是在电感性负载两端并联电容器,这种方法称为并联补偿。
PFC 方案完全不同于传统的“功率因数补偿”,它是针对非正弦电流波形而采取的提高线路功率因数、迫使AC 线路电流追踪电压波形的瞬时变化轨迹,并使电流与电压保持同相位,使系统呈纯电阻性的技术措施。
长期以来,像开关型电源和电子镇流器等产品,都是采用桥式整流和大容量电容滤波电路来实现AC-DC 转换的。
由于滤波电容的充、放电作用,在其两端的直流电压出现略呈锯齿波的纹波。
滤波电容上电压的最小值远非为零,与其最大值(纹波峰值)相差并不多。
根据桥式整流二极管的单向导电性,只有在AC 线路电压瞬时值高于滤波电容上的电压时,整流二极管才会因正向偏置而导通,而当AC 输入电压瞬时值低于滤波电容上的电压时,整流二极管因反向偏置而截止。
基础科普不可不知的无源PFC电路工作原理
基础科普不可不知的无源PFC电路工作原理
无源PFC电路在实际应用的过程中,由于其成本相对较低,因此曾经一度得到了广泛的应用。
不过,这种PFC电路设计方式目前已经逐渐开始被有源PFC电路所代替。
尽管如此,作为一种比较基础的PFC方式,刚刚开始接触电路设计工作的新人工程师们还是有必要了解一下无源PFC电路工作原理知识的。
在今天的文章中,我们将会就这种电路设计和工作运行原理知识,进行简要介绍。
所谓的无源PFC电路,顾名思义,就是在其电路设计的过程中并不使用晶体管等有源电子元器件,换句话说,这种PFC电路是由二极管、电阻、电容和电感等无源元件组成。
无源PFC电路有很多类型,其中比较简单的无源PFC电路由三只二极管和两只电容组成,这种比较基础的电路设计图如下图图1所示。
图1
接下来我们就以图1中所展示的无源PFC电路设计图为例,来为大家介绍一下这种PFC电路工作运行原理情况。
从图1中可以看到,当50Hz的AC 线路电压按正弦规律,由0向峰值Vm变化的1/4周期内,该系统的桥式整流器中,二极管VD2和VD3导通,与之相对应的是二极管VD1和VD4截止,此时电流对电容C1并经二极管VD6对C2充电。
当VAC,瞬时值达到Vm,因C1=C2,故电容C1、C2上的电压相同,均为二分之一Vm,当AC 线路电压从峰值开始下降时,电容C1通过负载和二极管VD5迅速放电,并且下降速率比AC电压按正弦规律下降快得多,因此直到AC电压瞬时值达。
氮化镓 (GaN)技术由于其出色的开关特性和不断提升的品质.近期逐渐得到了电力转换应用的青睐。
具有低寄生电容和零反向恢复的安全GaN可实现更高的开关频率和效率.从而为全新应用和拓扑选项打开了大门。
连续传导模式(CCM)图腾柱PFC就是一个得益于GaN优点的拓扑。
与通常使用的双升压无桥PFC拓扑相比.CCM图腾柱无桥PFC能够使半导体开关和升压电感器的数量减半.同时又能将峰值效率推升到95%以上。
本文分析了AC交叉区域内出现电流尖峰的根本原因.并给出了相应的解决方案。
一个750W图腾柱PFC原型机被构造成具有集成栅极驱动器的安全GaN.并且展示出性能方面的提升。
关键字—GaN;PFC;图腾柱;数字控制I. 简介当按下智能手机上的一个按钮时.这个手机会触发一个巨大的通信网络.并且连接到数千英里之外的数据中心。
承载通信数据时的功耗是不可见的.而又大大超过了人们的想象。
世界信息通信技术 (ICT) 生态系统的总体功耗正在接近全球发电量的10% [1]。
单单一个数据中心.比如说位于北卡罗来纳州的脸谱公司的数据中心.耗电量即达到40MW。
另外还有两个位于美国内华达州和中国重庆的200MW数据中心正在建设当中。
随着数据存储和通信网络的快速增长.持续运行电力系统的效率变得越来越重要。
现在比以前任何时候都需要对效率进行空前的改进与提升。
几乎所有ICT生态系统的能耗都转换自AC。
AC输入首先被整流.然后被升压至一个预稳压电平。
下游的DC/DC转换器将电压转换为一个隔离式48V或24V电压.作为电信无线系统的电源.以及存储器和处理器的内核电压。
随着MOSFET技术的兴起和发展.电力转换效率在过去三十年间得到大幅提升。
自2007年生效以来.Energy Star(能源之星)80 PLUS效率评价技术规范 [2] 将针对AC/DC整流器的效率等级从黄金级增加到更高的白金级.并且不断提高到钛金级。
然而.由于MOSFET的性能限制.以及与钛金级效率要求有关的重大设计挑战.效率的改进与提升正在变慢。
一种新型逆变桥臂无源无损耗吸收电路郑文娟,李晓帆,陈俊(华中科技大学电气与电子工程学院,湖北武汉430074)摘要:提出一种适用于逆变桥臂的无源无损耗吸收电路。
该电路采用了附加元件数最小的优化结构,把吸收能量集中传输至一储能电容,再通过谐振过程将能量回馈至直流母线。
该拓扑结构无源、无电阻相关损耗,且主管的关断冲击电压和开通电流过冲都很小,拓扑简单,性能良好。
相应给出了换流分析、解析描述以及仿真、实验结果,验证了方案的正确有效。
关键词:无源无损桥式逆变器谐振A Novel Passive Lossless Snubber for Inverter Bridge LegsZheng Wenjuan, Li Xiaofan,Chen Jun(Huazhong University of Science & Technology, Wuhan 430074, China)Abstract:This paper presents a novel passive snubber circuit suitable for inverter bridge leg modules. The optimized configuration is adopted in the main snubber circuit with the minimum number of additional components. Being firstly transferred into a buffer capacitor, the snubber energy is recovered into the DC rail based on a series of resonance. The circuit has no resistance losses, low voltage and current stresses of the main switch. Operation analysis, parameter designs are presented along with simulated and experimental confirmation.Keywords:Passive lossless Bridge-type inverter Resonance1 引言在无源与有源两大类软开关技术中,不使用额外开关元件、检测手段和控制策略的无源方式有着附加成本、可靠性、变换效率、性能价格比等诸多优势,在工业界单端变换器制造领域基本确定了主流地位。
数据说话两种三相无源PFC电路仿真数据简析
三相无源PFC电路是一种在大功率电源设计过程中常见的电路结构,能
够通过其功率因数矫正的独特优势,为电源系统提供较高的转换效率。
在今
天的文章中,我们将会就两种常见的三相无源PFC电路进行仿真测试,并进
行数据分析。
下面就让我们一起来看看这两种无源PFC电路的仿真数据结果
究竟是什幺样子的吧。
桥后采用电抗器的三相无源PFC电路
首先来看桥后采用电抗器的三相无源PFC电路,这种三相无源PFC电路是目前常见的PFC电路结构之一,常见于工业领域的开关电源设计中。
桥后采
用电抗器的三相无源PFC电路的拓扑结构如下图图1所示,这种电路的独有
特点是在原有三相不控整流电路的整流桥后负载之前串联一个电抗器。
图1 桥后采用电抗器的三相无源PFC电路
在了解了这种三相无源PFC电路的电路结构后,接下来我们来看一下这种
功率因数校正电路的仿真测试结果。
在测试中,我们选择利用Matlab仿真软
件对电路进行仿真,其中解算选项为:最大步长是le-5,,相对精度为le-3,
算法选择ode23t,仿真时间设为1s,其它选项默认。
这里需要说明,下文中
所介绍的另一种PFC电路仿真也采用这样的设置,因此在下文中不再重复叙述。
在利用软件对桥后采用电抗器的三相无源PFC电路进行仿真测试时,我们
所设置的仿真参数为:输入相电压有效值Ui=220V/50Hz,输出滤波电容
C=1800μF,负载R=50Ω。
电感L=10mH。
所得出的仿真结果如下图图2所示,。
三相无源PFC电路的仿真研究报告的三相不控整流电路仿真研究的基础上,指出了该电路存在的缺点。
通过在电路中加入电感、电容、二极管和变压器等无源器件可以改善输入相电流波形,达到功率因数校正的目的。
针对不同的电路拓扑,分别采用Matlab/Simulink6.0软件进行了仿真研究,给出了无源PFC 后的输入相电压相电流波形,并对输入相电流进行了谐波分析。
关键词:三相整流电路;无源PFC;Matlab仿真Abstract:The shortcomings of the three-phase-uncontroled rectifier circuit are introduced after simulation and analyzing the three-phase-uncontroled rectifier circuit.The input phase-current’s wave is improved and the PF value is advanced through adding inductance, capacitance, diode and transformer to thethree-phase-uncontroled rectifier circuit. All the topologies are respectively simulated by Matlab/Simulink6.0. The input phase-voltage and phase-current’s waves are afforded. The input phase-current’s harmonious are analyzed at last.Keywords:three-phase rectifier circuit;passive PFC;Matlab simulation1 引言随着三相变频设备的广泛应用,三相不控整流桥加大电容滤波电路的使用数量日益增加,由此而产生的谐波电流对电网造成的污染越来越严重,从而导致能量损耗也越来越多。
摘要 (Ⅰ)1概述 (1)1.1 无功功率和谐波简介 (1)1.2 谐波限制标准 (2)1.3 电网谐波的滤除装置 (3)2 功率因数校正 (5)2.1 电流谐波畸变率 (5)2.2 功率因数定义 (5)2.3功率因数校正电路 (7)2.3.1 有源功率因数校正电路 (8)2.3.2 无源功率校正电路 (9)3主电路与控制电路 (10)3.1 主电路拓扑结构 (10)3.2 控制电路原理框图 (11)4 MATLAB仿真及分析 (13)4.1 基于三次谐波电抗器的无源PFC仿真 (13)4.2 无三次谐波电抗器电路仿真 (17)5总结与体会 (20)参考文献 (22)随着电力电子技术的发展,各种电力电子装置在众多领域应用日益广泛。
而其中有一类变换AC-DC-AC变换在许多装置中被采用,例如不间断电源UPS、交流电动机的调速等。
但是在AC-DC这一变换中通常采用不可控整流,而在整流过程中会产生大量的高次谐波,并且会使是输入功率因数很低。
因此,鉴于以上原因,本次能力训练中对一种基于三次谐振电抗器的无源PFC电路进行研究与仿真。
通过MATLAB7.0中的Simulink对电路进行了仿真,得到所需的波形,从实际证明了三次谐振电抗器能够抑制谐波,提高输入功率因数。
本次实验仿真的操作系统环境为windows7.0,所需要的工具软件为MATLAB7.0及Simulink。
关键词:AC—DC—AC变换;谐振电抗器;PFC;Simulink基于三次谐振电抗器的无源PFC电路仿真1概述1.1 无功功率和谐波简介20多年来,随着电力电子技术的飞速发展,各种电力电子装置在电力系统、工业、交通、家庭等众多领域中的应用日益广泛,而由此所带来的谐波和无功问题也日益严重,并引起了越来越广泛的关注。
许多电力电子装置要消耗无功功率,会对公用电网带来不利影响:1)无功功率会导致电流增大和视在功率的增加,导致设备容量的增加;2)无功功率增加,会使总电流增加,从而使设备和线路的损耗增加;3)无功功率使线路压降增大,冲击性无功负载还会使电压剧烈波动。
三相不控整流电路中PFC设计PFC技术目前已经被成功应用到了中小功率开关电源产品的设计过程中,通过对功率因数校正的合理利用,工程师可以有效提升其工作效率。
在今天的文章中,我们将会通过一个实际案例,来为各位新人工程师们进行实例解析,看在三相不控整流电路中应当如何有效实现其PFC设计。
三相不控整流电路是一种在中小功率开关电源设计中,比较常见的电路设计类型。
但是,这种电路系统也有其本身的缺点,那就是即使负载等效为一个电阻,也不能获得满意的功率因数,需要人工进行PFC设计。
出现这一问题的根本原因在于,三相不控整流电路中三相电压通过不控整流桥互相耦合,输入电流是三个相电压的函数,不可能同时兼顾三相输入电流,使任何一相输入电流都不能独立控制为正弦波形,必须对三相输入电压进行解耦。
下图中,图1所展示的是就一种大电容滤波的三相不控整流电路结构。
1 1 JL▲订)1 XVD2 Xv'D3 Array图1大电容滤波的三相不控整流电路结合图1所给出的这种电路结构,下面我们就来对该种大电容滤波的三相不控整流电路进行仿真分析。
在仿真模拟过程中,我们所设置的各项参数如下:输入相电压有效值Ui=220V/50Hz,输出滤波电容C=1800^ F,负载R=50Q。
任意一相的输入相电压相电流波形如图2所示,图3为输入电流的谐波分析图,仿真测量的功率因数值为0.566。
通过仿真结果可以看出,这种电路具有功率因数低,输入电流的总谐波畸变程度大,输入谐波电流含量严重超标的缺点。
uww* di angoii. coni图2大电容滤波的三相不控整流电路输入电压电流波形图3大电容滤波的三相不控整流电路输入电流谐波分析在了解了这种大电容滤波的三相不控整流电路的缺点之后, 针对其本身所存在的缺陷,我们所采用的PFC 改良方法,是选择桥前采 用LC 滤波器桥后采用电抗器对这一电路系统进行重新设计,以此来 达成PFC 功率因数校正)的目的。
摘要近三四十年来,各种电力电子装置的迅速发展使得公用电网的谐波污染日趋严重,由谐波引起的各种故障和事故也不断发生,谐波危害的严重性才引起人们高度的关注。
谐波的危害十分严重。
谐波使电能的生产、传输和利用的效率降低,使电气设备过热、产生振动和噪声,并使绝缘老化,使用寿命缩短,甚至发生故障或烧毁。
谐波可引起电力系统局部并联谐振或串联谐振,使谐波含量放大,造成电容器等设备烧毁。
谐波还会引起继电保护和自动装置误动作,使电能计量出现混乱。
对于电力系统外部,谐波对通信设备和电子设备会产生严重干扰。
因此,我们必须消除各种电网谐波,于是产生了各种各样的有源滤波器和无源滤波器,本次能力拓展训练让我们对桥后采用电抗器的串联谐振无源PFC电路进行设计和仿真。
关键词:谐波功率因数无源PFC电路桥后采用电抗器的串联谐振无源PFC 电路1.绪论1.1谐波的产生与危害从严格的意义来讲,谐波是指电流中所含有的频率为基波的整数倍的电量,一般是指对周期性的非正弦电量进行傅里叶级数分解,其余大于基波频率的电流产生的电量。
从广义上讲,由交流电网有效分量为工频单一频率,因此任何与工频频率不同的成分都可以称之为谐波,这时“谐波”这个词的的意义已经变得与原意有些不符,但是我们仍然称之为谐波。
1.1.1谐波产生的原因在理想的干净供电系统中,电流和电压都是正弦波的。
在只含线性元件的简单电路里,流过的电流与施加的电压成正比,流过的电流是正弦波。
在电力系统中,谐波产生的根本原因是由于非线性负载所致。
当电流流经负载时,与所加的电压不呈线性关系,就形成非正弦电流,即电路中有谐波产生。
由于半导体晶闸管的开关操作和二极管、半导体晶闸管的非线性特性,电力系统的某些设备如功率转换器比较大的背离正弦曲线波形。
谐波电流的产生是与功率转换器的脉冲数相关的。
功率变换器的脉冲数越高,最低次的谐波分量的频率的次数就越高。
电力谐波的产生大致有以下几个来源:①发电环节;②输电环节;③用电环节;④电力电子变流设备,如各种电力变流设备、相控调速和调压装置以及大容量的电力晶闸管可控开关设备。
摘要近三四十年来,各种电力电子装置的迅速发展使得公用电网的谐波污染日趋严重,由谐波引起的各种故障和事故也不断发生,谐波危害的严重性才引起人们高度的关注。
谐波的危害十分严重。
谐波使电能的生产、传输和利用的效率降低,使电气设备过热、产生振动和噪声,并使绝缘老化,使用寿命缩短,甚至发生故障或烧毁。
谐波可引起电力系统局部并联谐振或串联谐振,使谐波含量放大,造成电容器等设备烧毁。
谐波还会引起继电保护和自动装置误动作,使电能计量出现混乱。
对于电力系统外部,谐波对通信设备和电子设备会产生严重干扰。
因此,我们必须消除各种电网谐波,于是产生了各种各样的有源滤波器和无源滤波器,本次能力拓展训练让我们对桥后采用电抗器的串联谐振无源PFC电路进行设计和仿真。
关键词:谐波功率因数无源PFC电路桥后采用电抗器的串联谐振无源PFC 电路1.绪论1.1谐波的产生与危害从严格的意义来讲,谐波是指电流中所含有的频率为基波的整数倍的电量,一般是指对周期性的非正弦电量进行傅里叶级数分解,其余大于基波频率的电流产生的电量。
从广义上讲,由交流电网有效分量为工频单一频率,因此任何与工频频率不同的成分都可以称之为谐波,这时“谐波”这个词的的意义已经变得与原意有些不符,但是我们仍然称之为谐波。
1.1.1谐波产生的原因在理想的干净供电系统中,电流和电压都是正弦波的。
在只含线性元件的简单电路里,流过的电流与施加的电压成正比,流过的电流是正弦波。
在电力系统中,谐波产生的根本原因是由于非线性负载所致。
当电流流经负载时,与所加的电压不呈线性关系,就形成非正弦电流,即电路中有谐波产生。
由于半导体晶闸管的开关操作和二极管、半导体晶闸管的非线性特性,电力系统的某些设备如功率转换器比较大的背离正弦曲线波形。
谐波电流的产生是与功率转换器的脉冲数相关的。
功率变换器的脉冲数越高,最低次的谐波分量的频率的次数就越高。
电力谐波的产生大致有以下几个来源:①发电环节;②输电环节;③用电环节;④电力电子变流设备,如各种电力变流设备、相控调速和调压装置以及大容量的电力晶闸管可控开关设备。
这些电力设备广泛地用于各行各业,量大面广,造成了比较严重的低次谐波、高次谐波、次谐波和间谐波电流问题。
1.1.2谐波的危害谐波污染对电力系统的危害是严重的,主要表现在以下的几个方面:(1)污染公用电网对供电线路来说,由于集肤效应和邻近效应,线路电阻随着频率的增加会很快增加,在线路中会有很大的电能浪费。
另外,在电力系统中由于中性线电流都很小,所以其线径一般都很细,当大量的谐波电流流过中性线时,会在其上产生大量的热量,不仅会破坏绝缘,严重时还会造成短路,甚至引起火灾。
而当谐波频率与网络谐振频率相近或相同时,会在线路中产生很高的谐振电压。
严重时会使电力系统或用电设备的绝缘击穿,造成恶性事故。
如果公用电网的谐波特别严重,则不但使接入该电网的设备无法正常工作,甚至会造成故障,而且还会造成向公用电网的中性线注入更多电流,造成超载、发热,影响电力正常输送。
(2)对电力变压器的影响谐波电流的存在增加了电力变压器的磁滞损耗、涡流损耗及铜损,对带有不对称负荷的变压器来说,会大大增加励磁电流的谐波分量。
谐波电流,特别是3次谐波侵入三角形连接的变压器,会在其绕组中形成环流,使绕组发热。
对Y形连接中性线接地系统中,侵入变压器的中性线的3次谐波电流会使中性线发热。
(3)对电力电容器的影响由于电容器对谐波的阻抗很小,谐波电流叠加到基波电流上,会使电力电容器中流过的电流有很大的增加,使电力电容器的温升增高,引起电容器过负荷甚至爆炸。
同时谐波还可能与电容器一起在电网中形成谐振,并又施加到电网中,形成更严重的后果。
(4)对电机的影响谐波会使电机的附加损耗增加,也会产生机械震动,产生甚至引起谐波过电压,使得电机绝缘损坏。
(5)对继电保护和自动装置的影响对于电磁式继电器来说,电力谐波常会引起继电保护以及自动装置的误动作或拒动,造成整个保护系统的可靠性降低,容易引起系统故障或使系统故障扩大。
如果继电保护装置是按基波负序量整定其整定值大小,此时,若谐波干扰叠加到极低的整定值上,则可能会引起负序保护装置的误动作,影响电力系统安全。
(6)对通信线路产生干扰在电力线路上流过幅度较大的奇次低频谐波电流时,通过电磁耦合,在邻近电力线路的通信线路中产生干扰电压。
干扰通信线路的正常工作,使通话清晰度降低,甚至会引起通信线路的破坏。
(7)对用电设备的影响电力谐波会使电视机、计算机等的显示亮度发生波动,图像或图形发生畸变,甚至会使机器内部元件损坏,导致机器无法使用或系统无法运行。
在电网中金属化膜电容器被大量用于无功补偿或滤波器,而在谐波的长期作用下,金属化膜电容器会加速老化。
(8)增加输电线路功耗如果电网中含有高次谐波电流,那么,高次谐波电流会使输电线路功耗增加。
如果输电线是电缆线路,与架空线路相比,电缆线路对地电容要大很多倍,而感抗远远小于架空线路的,所以很容易形成谐波谐振,造成绝缘击穿。
1.2谐波的治理措施在电力系统中对谐波的抑制就是如何减少或消除注入系统的谐波电流,以便把谐波电压控制在限定值之内,抑制谐波电流主要有三方面的措施:1.2.1 采取脉宽调制法采用脉宽调制技术,在所需要的频率周期内,将直流电压调制成等幅不等宽的系列交流电压脉冲,这种方法可以大大抑制谐波的产生。
1.2.2 降低谐波源的谐波含量在谐波源上采取措施,最大限度地避免谐波的产生。
这种方法比较积极,能够提高电网质量,可大大节省因消除谐波影响而支出的费用。
具体方法有:(1)增加整流器的脉动数高次谐波电流与整流相数密切相关,即相数增多,高次谐波的最低次数变高,则谐波电流幅值变小。
一般可控硅整流装置多为6相,为了降低高次谐波电流,可以改用12相或24相。
当采用12相整流时,高次谐波电流只占全电流的10%,危害性大大降低。
(2)脉宽调制法采用脉冲宽度调制,在所需的频率周期内,将直流电压调制成等幅不等宽的系列交流输出电压脉冲可以达到抑制谐波的目的。
(3)三相整流变压器采用Y- d或D-Y 的接线当两台以上整流变压器由同有一段母线供电时,可将整流变压器一次侧绕组分别交替接成Y型和△形,这就可使5次、7次谐波相互抵消,而只需考虑11次、13次谐波的影响。
由于频率高,谐波幅值小,所以危害性减小。
1.2.3 在谐波源处吸收谐波电流这类方法是对已有的谐波进行有效抑制的方法,这是目前电力系统使用最广泛的抑制谐波方法。
主要方法有以下几种:(1)无源滤波器无源滤波器安装在电力电子设备的交流侧,由L、C、R元件构成谐振回路,当LC回路的谐振频率和某一高次谐波电流频率相同时,即可阻止该次谐波流入电网。
由于具有投资少、效率高、结构简单、运行可靠及维护方便等优点,无源滤波是目前采用的抑制谐波及无功补偿的主要手段。
但无源滤波器存在着许多缺点,如滤波易受系统参数的影响,对某些次谐波有放大的可能,耗费多、体积大等。
因而随着电力电子技术的不断发展,人们将滤波研究方向逐步转向有源滤波器。
(2)有源滤波器与无源滤波器相比,APF具有高度可控性和快速响应性,能补偿各次谐波,可抑制闪变、补偿无功,有一机多能的特点。
在性价比上较为合理,滤波特性不受系统阻抗的影响,可消除与系统阻抗发生谐振的危险,具有自适应功能,可自动跟踪补偿变化着的谐波。
目前在国外高低压有源滤波技术已应用到实践,而我国还仅应用到低压有源滤波技术。
随着容量的不断提高,有源滤波技术作为改善电能质量的关键技术,其应用范围也将从补偿用户自身的谐波向改善整个电力系统的电能质量的方向发展。
(4)防止并联电容器组对谐波的放大在电网中并联电容器组起改善功率因数和调节电压的作用。
当谐波存在时,在一定的参数下电容器组会对谐波起放大作用,危及电容器本身和附近电气设备的安全。
可采取串联电抗器,或将电容器组的某些支路改为滤波器,还可以采取限定电容器组的投入容量,避免电容器对谐波的放大。
(5)加装静止无功补偿装置快速变化的谐波源如电弧炉、电力机车和卷扬机等,除了产生谐波外,往往还会引起供电电压的波动和闪变,有的还会造成系统电压三相不平衡,严重影响公用电网的电能质量。
在谐波源处并联装设静止无功补偿装置,可有效减小波动的谐波量,同时可以抑制电压波动、电压闪变、三相不平衡,还可补偿功率因数。
(6)改善供电系统及环境对于供电系统来说,谐波的产生不可避免,但通过加大供电系统短路容量、提高供电系统的电压等级、加大供电设备的容量、尽可能保持三相负载平衡等措施都可以提高电网抗谐波的能力。
选择合理的供电电压并尽可能保持三相电压平衡,可以有效地减小谐波对电网的影响。
谐波源由较大容量的供电点或高一级电压的电网供电,承受谐波的能力将会增大。
对谐波源负荷由专门的线路供电,减少谐波对其它负荷的影响,也有助于集中抑制和消除高次谐波。
2.谐振电抗器无源PFC电路拓扑与最佳条件2.1 谐振电抗器无源PFC电路拓扑采用谐振电抗器无源PFC的AC-DC变换器-逆变器-压缩机系统的拓扑见图2-1,图中T1为谐振电抗器,L1为普通电抗器,C2~C40为谐振电容,Lp为谐振电抗器的初级电感,L2~L40为次级绕组谐振电感。
图(a)次级为3次谐振,电抗器位于整流桥前,图(b)次级为3次谐振,电抗器位于整流桥后,仿真和实验结果表明这两个拓扑的校正效果几乎一样。
图(c)次级具有3次与5次谐振,可以同时补偿原级的3次谐波和5次谐波电流。
图(d)次级具有2次~40次谐振,理论上可以同时补偿原级的2次谐波到40次谐波电流。
(a)次级具有3次谐振-普通电抗器置于桥前(b)次级具有3次谐振-普通电抗器置于桥后(c)次级具有3次与5次谐振(d)次级具有2~40次谐振图2-1 谐振电抗器无源PFC AC-DC变换器拓扑我们使用谐振电抗器的目的就是通过次级各谐振回路产生的各次合适幅值的高次谐波电流产生的磁场抑制初级线圈中的高次谐波电流引起的磁通,对外呈现线性变压器特性,不会产生新的附加谐波电流,这就是谐振电抗器抑制谐波电流的工作原理。
2.2 谐振电抗器无源PFC最佳条件下面以图2-1(b)所示电路为例给出最佳校正效果时的一般条件,考虑到整流桥的作用后其结论同样适用图2-1 (a)、(c)与(d)。
在理想状况下,输入电流应该与输入电压同步且为完全正弦波,则图1(b)中电感L1的端电压和电流波形应该如图2-2所示,整流桥直接输出电压与电解电容电压波形应该如图2-3所示,说明电感L1的端电压为余弦函数0°~180°一段的周期函数,电流为该函数的积分,即为正弦函数0°~180°一段的周期函数,考虑到整流桥的整流作用意味着输入电流为正弦函数。
还说明此时电解电容电压的平均水平恰好与整流桥直接输出电压的平均值水平重合,二者之差即为电感L1的端电压。