突水危险性评价方法
- 格式:docx
- 大小:63.96 KB
- 文档页数:4
综放开采条件下煤层顶板涌(突)水危险性评价综放开采条件下的煤层顶板涌水,是指在煤矿综采作业过程中,由于地质构造、煤层中水文条件和开采技术等因素的影响,导致煤层顶板产生大量的水涌出。
煤层顶板涌水是煤矿安全生产的一个重要问题,必须对其进行科学的危险性评价,以制定相应的防治措施,确保煤矿工作人员的生命安全和财产安全。
煤层顶板涌水的危险性评价主要包括以下几个方面:1. 涌水量评价:根据煤层水文地质条件和矿井开采水平,评估涌水量的大小。
涌水量大时,可能对矿井的综放作业产生严重的影响,导致充水、冒水等危险情况的发生。
2. 预测涌水时间评价:通过分析矿井开采历史数据和煤层水文地质情况,预测煤层顶板涌水的时间。
及时准确地预测涌水时间,有利于采取相应的防护措施,避免发生事故。
3. 涌水来源评价:分析涌水的来源和渗流路径,判断煤层顶板涌水的可能性和潜在危险。
确定涌水来源后,可以有针对性地采取措施,加强对涌水区域的管理和监测,确保安全生产。
4. 涌水深度评价:评估煤层顶板涌水的深度,即涌水发生的位置。
涌水深度是确定涌水危险性的重要指标,涌水深度大时,可能导致井下的积水现象,威胁到工作人员的安全。
5. 应急预案评价:根据涌水危险性评价结果,制定相应的应急预案。
应急预案应包括煤层顶板涌水的处理方法、人员撤离的路径和方法、救援资源的调配等内容,以应对涌水事故的发生。
在进行煤层顶板涌水危险性评价时,需要充分考虑地质构造、煤层地质、水文地质条件、煤层开采技术和矿井的工作状态等因素。
还需要利用现代科技手段,如数字化矿山、智能化设备和数据分析等,辅助进行涌水危险性评价,提高评价的准确性和科学性。
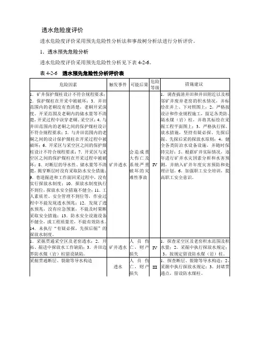
透水危险度评价透水危险度评价采用预先危险性分析法和事故树分析法进行分析评价。
1.透水预先危险分析透水危险度评价采用预先危险性分析见下表4-2-6。
表4-2-6 透水预先危险性分析评价表矿井透水危险度评价采用预先危险分析法,共分析透水危险、有害因素3个大项,见表4-2-4。
其中,IV级:危险的2项,占67%;III级:危险的1项,占33%;II级:危险的0项,占0%。
2.事故树分析1)突水伤亡事故树图朝阳煤矿井下突水事故是否发生主要取决于以下几方面因素:突水水源;水文地质预报;隔水煤岩柱;探放水工作失误;人员处于危险区。
现采用事故树的分析方法,通过对事故树的建造,分析可能导致事故发生的基本原因事件的关系,求出最小割(径)集和各基本事件的结构重要度,为预防突水事故提供依据。
突水伤亡事故树图如下图4-2-3所示。
2)事故树的分析(1)最小割集的求解事故树结构函数式为:T=M1M2=M3M4 M5M6 M7 X20 M2=(X1+X2+X3+X4+X5)(X10+X11+X12+X13)(X14+X15)(X16+X17+X18+X19)X20(X21+X22+X23+X24+X25+X26)(X6+X7+X8+X9)由事故树的结构函数式可知该事故树共有3840个最小割集,所以,宜采用最小径集进行分析。
(2)最小径集的求解成功树结构函数式为:T/=M1 / + M2/=M3/ + M4/ + M6/ + M7/ + X20/ + M2/=X1/ X2/ X3/ X4/ X5/ + X10/ X11/ X12/ X13/ X14/ X15/ X16/ X17/ X18/ X19/ + X20/ + X21/ X22/ X23/ X24/ X24/ X26/+ X6/ X7/ X8/ X9/得出最小径集P:P1={X1,X2,X3,X4,X5}P2={X6,X7,X8,X9}P3={X10,X11,X12,X13}P4={X14,X15}P5={X16,X17,X18,X19}P6={X20}P7={X21,X22,X23,X24,X25,X26}(3)结构重要度分析因为X20是单位最小径集的事件,所以I(20)最大。
综放开采条件下煤层顶板涌(突)水危险性评价煤层顶板涌水,又称为煤矿煤层顶板突水,是煤矿生产中常见的一种灾害,对矿井的安全生产带来了严重的危害。
为了科学评价综放开采条件下煤层顶板涌水的危险性,需要从矿井地质条件、开采工艺参数、煤层水文地质条件等多个方面进行评估。
以下是一种可能的评价方法。
需要对矿井地质条件进行评估。
煤层顶板涌(突)水的发生与矿井地质条件密切相关,地质构造、断层、岩性及厚度的变化等对涌水量和涌水性质起着重要的影响。
通过地质勘探、岩层划分以及水文地质调查等手段,获取矿井地质条件的详细信息,对矿区内的地质构造是否复杂、存在断层等进行评估,综合分析确定矿井地质条件的稳定性。
需要评估开采工艺参数对煤层顶板涌(突)水的影响。
包括开采方法、工作面推进速度、煤层瓦斯抽放措施等工艺参数的选择对煤层顶板稳定性和水文地质条件有一定的影响。
通过回顾历史开采经验、实地调研、现场监测等手段,对开采工艺参数进行评估,确定其对煤层顶板涌(突)水的危险性的影响程度。
需要对煤层水文地质条件进行评估。
煤层水文地质条件的评估包括煤层的含水层位、水文地质参数、水样化验结果等方面的信息。
通过开展煤层水文地质调查,获取含水层位所在的深度、煤层孔隙度、渗透系数、含水层位的吸水性等参数,并进行实地监测,获取水样化验结果,评估矿区煤层水文地质条件的稳定性。
将上述的评估结果进行综合分析,确定煤层顶板涌(突)水的危险性等级。
根据矿井地质条件、开采工艺参数、煤层水文地质条件等因素的不同危险性程度,可以将煤层顶板涌(突)水的危险性划分为高、中、低三个等级,以提供决策者对于矿井安全生产的参考。
综放开采条件下煤层顶板涌(突)水危险性评价综放开采条件下煤层顶板涌(突)水是煤矿生产中常见的一种安全隐患,如果不及时采取措施处理,可能会导致矿井水灾事故的发生,造成人员伤亡和财产损失。
对煤层顶板涌(突)水的危险性进行评价,对安全生产非常重要。
煤层顶板涌(突)水的危险性评价可以从以下几个方面进行衡量:一、水文地质条件评价:1.评价矿井所在地区的水文地质条件,包括地下水位、水文地质构造等,确定矿井水文地质条件与煤层开采的关系。
2.评价矿井附近的地质构造情况,如断层、裂隙等,这些地质构造可能导致地下水的集聚和静压力增大,从而引发顶板涌水。
二、煤层力学条件评价:1.评价煤层的采动性,包括煤层的厚度、倾角、岩层夹矸等条件,这些因素会影响煤层的稳定性。
2.评价煤层岩性、煤层顶板和底板的强度,确定煤层是否易于破裂和溃落。
3.评价采煤工作面的开采速度、煤柱宽度等因素,确定煤层是否承受了过大的载荷,导致顶板溃落。
三、矿井排水条件评价:1.评价矿井的排水设施和排水能力,包括排水井、抽水泵等设施,以及排水管道的流量和水位。
2.评价矿井的排水系统是否完善,是否存在漏水点和阻水点。
四、冒顶理论计算:通过冒顶理论计算,确定煤层顶板的破裂和冒落概率,包括冒落的规模和速度。
五、历史数据统计:通过矿井历史数据和事件统计,分析煤层涌水事故的发生原因和规律,预测涌水的可能性和危险程度。
六、工程措施评价:1.评价矿井的排水和防治措施,包括排水设施的完善程度、开采工艺的合理性等。
2.评价矿井的煤层顶板管理措施,如支护方式、支护材料的选择等,确定能否有效地防止煤层顶板的破裂和溃落。
根据以上评价结果,可以对矿井进行分类和评级,确定煤层顶板涌(突)水的危险性等级,从而采取相应的安全措施和预防措施,保障矿井的安全生产。
也可以根据评价结果对矿井进行监测和预警,及时采取相应的处理措施,减少事故发生的可能性和危害程度。
综放开采条件下煤层顶板涌(突)水危险性评价在综放开采条件下,煤层顶板涌水(也称为煤层突水)会给矿井生产和工作人员造成严重的危害。
对煤层顶板涌(突)水的危险性进行评价非常重要。
本文将介绍综放开采条件下煤层顶板涌(突)水的危险性评价方法及其应用。
一、煤层顶板涌水的危险性评价方法1. 体验法:通过矿井工作人员的经验和观察,评估煤层顶板涌水的危险性。
这种方法简单易行,但主观性较强,容易受到个人主观意识和经验的影响。
2. 统计法:通过对煤层顶板涌(突)水发生的频率和程度进行统计分析,评价其危险性。
这种方法可以客观地反映煤层顶板涌(突)水的情况,但需要大量的历史数据支持。
3. 数值模拟法:利用地质力学和水文地质知识,建立煤层顶板涌水的数学模型,通过计算机模拟煤层顶板涌水的过程和规律,评估其危险性。
这种方法可以定量地评价煤层顶板涌水的危险性,但需要准确的地质和水文地质参数。
二、煤层顶板涌水的危险性评价指标1. 涌水量:煤层顶板涌水的量大小直接影响矿井生产和工作面安全。
通常用每小时涌水量来评价涌水的危险性。
3. 涌水压力:煤层顶板涌水的压力越大,对矿井设备和工作人员的威胁越大。
通常用水压来评价涌水的危险性。
三、煤层顶板涌水的危险性评价应用煤层顶板涌水的危险性评价可以应用于矿井生产安全管理中,帮助矿井管理人员制定相应的防治措施。
以下是常见的应用方式:1. 评估开采工作面的涌水危险性:根据开采工作面历史涌水情况和地质条件,评估当前工作面的涌水危险性,并采取相应的防治措施。
3. 评估煤层顶板涌水对工作人员的威胁:根据煤层顶板涌水的涌水量、速度、压力和时间等指标,评估涌水对工作人员的威胁程度,并提醒工作人员采取相应的安全措施。
附录 A(资料性附录)涌(突)水危险性评价A.1 顶板涌(突)水危险性评价的“三图双预测法”A.1.1 三图双预测法“三图双预测法”是一种解决矿井顶板充水水源、通道和强度三大关键技术问题的顶板涌(突)水预测评价方法。
“三图”是指矿层顶板冒裂安全性分区图、顶板充水含水层富水性分区图和顶板涌(突)水条件综合分区图;“双预测”是指在天然和人为改造状态下的回采工作面分段和整体工程涌水量预测。
A.1.2 顶板冒裂安全性分区图顶板冒裂安全性分区图是指矿层回采过程中诱发的顶板导水裂缝带加保护层总高度与矿层至含水层之间覆岩厚度之差图,它是矿层回采过程中顶板突水灾害发生的前提。
顶板导水裂缝带发育总高度受控因素多,具有非常复杂的非线性特征,除了受控于矿层覆岩岩性组合、塑与脆性岩沉积厚度比值和其沉积位置、倾角和构造条件以及原岩地应力分布等自然影响因素外,开采工艺、采高和工作面斜长以及具体的顶板管理方式等人为影响因素也同等重要地控制其发育总高度。
导水裂缝带发育总高度一般可采用经验统计公式和数值模拟计算评价以及现场实测等方法确定。
A.1.3 充水含水层富水性分区图充水含水层富水性分区图可通过影响控制含水层富水程度的厚度和岩性、地质构造、渗透特性、单位涌水量、钻孔岩芯描述和采取率、冲洗液消耗量、抽(放)水试验和井下涌(突)水形成的地下水流场分析、地下水水化学场和地球物理勘探场分析等资料,根据多源信息复合原理,应用叠加功能编制形成。
A.1.4 顶板涌(突)水条件综合分区图顶板涌(突)水条件综合分区图是应用GIS的多源信息复合叠加功能,将前述的矿层顶板冒裂安全性分区图与顶板充水含水层富水性分区图复合叠加处理后编制而成。
A.1.5 天然和人为改造状态下的回采工作面分段和整体工程涌水量预测天然和人为改造状态下的回采工作面分段和整体工程涌水量预测是根据研究矿井具体的充水水文地质物理概念模型,建立地下水流系统的三维数值模拟模型,在反演识别基础上,根据回采工作面周期来压步骤,分别预测在天然和人为改造两种不同状态下的回采工作面分段和整体工程涌水量。
综放开采条件下煤层顶板涌(突)水危险性评价
煤矿开采中,煤层顶板涌(突)水是一种常见的危险现象,对矿井的安全生产和工人
的人身安全产生了严重威胁。
对煤层顶板涌(突)水的危险性进行评价,并采取相应的措
施来防范和应对涌(突)水事故的发生非常重要。
煤层顶板涌(突)水的危险性评价是指对煤层顶板涌(突)水的潜在危险性进行分析
和判断,以评估涌(突)水事故发生的可能性和危害程度。
1. 煤层地质条件评价:了解煤层的地质构造、岩性、裂隙发育情况等,判断煤层的
含水性和渗水性,评估煤层顶板涌(突)水的可能性。
2. 煤层顶板条件评价:煤层顶板的物理力学性质、稳定性和厚度等对涌(突)水的危险性有重要影响。
通过煤层顶板的颗粒构成、变形特性、水动力条件等方面的测试和分析,评估煤层顶板涌(突)水的可能性。
4. 工作面常规监测评价:工作面的常规监测是及时了解工作面变形、应力、温度、
水质等参数的重要手段。
通过对工作面常规监测数据的分析和评估,可以预测涌(突)水
的发生,并采取相应的安全措施。
5. 寻找和分析涌(突)水征兆:煤层顶板涌(突)水常有一定的征兆,如地表下陷、顶板变形、爆炸声等。
通过对这些征兆的分析和识别,可以及时发现涌(突)水的可能性,从而采取相应的应对措施。
通过上述评价,可以对煤层顶板涌(突)水的危险性进行及时、准确的评估。
在评估
的基础上,制定相应的防范和控制措施,如加强煤层顶板支护、提高煤层顶板稳定性、加
强抢险救援装备等,以减少涌(突)水事故的发生,保障煤矿的安全生产。
《龙王沟煤矿底板突水危险性评价》篇一一、引言随着煤炭资源开采的深入,煤矿安全尤其是底板突水事故频发,已经成为煤炭产业的重要问题。
龙王沟煤矿作为国内重要的煤炭产区之一,其底板突水问题尤为突出。
因此,对龙王沟煤矿底板突水危险性进行准确评价,对于保障矿工生命安全、提高煤矿生产效率具有重要意义。
本文旨在通过对龙王沟煤矿的地质条件、水文地质条件、采矿活动等因素的综合分析,对其底板突水危险性进行评价。
二、地质条件分析龙王沟煤矿位于某地质构造带,地质条件复杂。
矿区主要包含砂岩、泥岩、灰岩等岩层,其中灰岩层是主要的含水层。
在开采过程中,底板突水往往与岩层结构、含水层等因素密切相关。
因此,对地质条件的深入分析是评价底板突水危险性的基础。
三、水文地质条件分析水文地质条件是影响底板突水的重要因素。
龙王沟煤矿地区地下水丰富,且与周边水系有密切联系。
地下水的运动规律、水位变化、水质等都会对底板突水产生影响。
因此,对水文地质条件的全面分析,有助于准确评价底板突水的危险性。
四、采矿活动对底板突水的影响采矿活动是导致底板突水的主要因素之一。
龙王沟煤矿的采矿方法、开采深度、采空区分布等因素都会对底板突水产生影响。
例如,不合理的采矿方法可能导致岩层破坏,降低底板的稳定性;而开采深度的增加则可能增大地下水压力,提高底板突水的风险。
因此,在评价底板突水危险性时,必须充分考虑采矿活动的影响。
五、底板突水危险性评价基于上述分析,本文认为龙王沟煤矿底板突水危险性较高。
具体评价如下:1. 地质条件方面,由于岩层结构复杂、含水层丰富,底板突水的可能性较大。
2. 水文地质条件方面,地下水位高、水质复杂,增加了底板突水的风险。
3. 采矿活动方面,不合理的采矿方法、开采深度增加等因素都可能加剧底板突水的危险性。
综合上述因素,对龙王沟煤矿底板突水危险性进行综合评价。
为降低底板突水风险,建议采取以下措施:一是加强矿区地质勘探和水文地质观测,掌握矿区底板岩层结构、地下水动态变化等基本情况;二是改进采矿方法,减少对岩层的破坏,提高底板的稳定性;三是加强排水系统建设,确保在发生底板突水时能够及时排除积水,保障矿井安全。
下组煤突水危险性评价方法[摘要] 下组煤的开采受下部承压水的威胁,经常发生底板突水和渗水事故,因此评价底板突水危险性成为矿山安全生产的重要工作。
本文列举了评价底板突水危险性的四种方法,详述了他们的评价步骤和优缺点,对矿山安全评价具有一定的意义。
[关键词] 下组煤突水危险性危险性评价方法1.前言随着煤炭资源的开采,下组煤资源成为我国后续开采的主要方向,尤其是在我国东部地区,如冀、豫、鲁地区,下组煤资源量占40%以上,部分矿区达70%以上。
但是由于下组煤开采的研究程度不高,水文地质条件复杂,下组煤开采受下部岩溶水威胁严重,经常发生底板突水或渗水事故。
根据部分已开采下组煤的矿区资料统计,截至20世纪90年代末,发生底板突水、渗水事件300次以上,其中比较大的突水点初期突水量达1083~10640m3/h,稳定流量为660~4409m3/h,严重威胁矿井的生产安全[1]。
因此,有必要对下组煤进行突水危险性评价。
突水危险性评价方法种类繁多,下面简要介绍几种方法。
2.突水危险性评价方法2.1 突水系数法突水系数是指煤层底板单位隔水层厚度所承受的水压力,它是带压开采条件下衡量煤层底板突水危险程度的定量指标[2-4]。
突水系数法评价煤层底板突水危险性的步骤如下:首先,选择突水系数公式,采集数据,计算突水系数。
随着人们对突水机理认识的不断加深,突水系数公式也在不断的修正,常见的突水系数公式见表1。
2009年《煤矿防治水规定》中突水系数计算公式为:(1)其次,确定临界突水系数值。
不同的矿区,临界突水系数有所不同(见表2)。
应当注意,表2中的临界突水系数(Ts)是利用式(1)计算的。
根据矿区的不同,现在常用的临界突水系数有0.06 MPa/m、0.1MPa/m或0.15 MPa/m。
最后,生成突水系数等值线图,进行突水危险性评价。
突水系数越大,突水的危险性越高。
突水系数法评价煤层底板突水危险性的优点在于,该方法应用面广,不仅适用于回采工作面,而且适用于掘进巷道;并且简单实用。
综放开采条件下煤层顶板涌(突)水危险性评价煤层气开采是指通过人工采空区通风及水平钻孔等技术手段,使煤层气向井口或外部输送,并将之进行利用的一种采气方式。
虽然煤层气开采在提供清洁能源的同时也带来了一定的经济效益,但在实际的生产过程中,却存在一些不可避免的风险隐患,其中煤层顶板涌水(突水)是一个比较严重且常见的危险。
煤层顶板涌水是指在煤矿开采过程中,由于煤层底部或者煤与顶板之间的断裂带存在渗水层、工作面存在封闭不严密等原因,导致地下水在开采施工过程中突然溢出,从而给人员以及设备带来危害的现象。
煤层顶板涌水的危害主要包括:一是对矿井的安全和稳定性造成严重威胁,可能引发矿井坍塌、地面沉降等灾害;二是对矿井设备和生产作业造成影响,可能导致设备损坏、生产中断等问题;三是对矿井职工的生命安全和身体健康构成严重威胁。
对于煤层气开采条件下煤层顶板涌水危险性的评价成为了一项非常重要的工作。
本文将从煤层气开采的工作原理、煤层顶板涌水危险性的成因和特点,以及煤层顶板涌水危险性的评价方法等方面进行全面详细的介绍与阐述。
一、煤层气开采的工作原理煤层气是一种天然气,主要是在煤层中通过生物、化学和地质作用生成的,并且处于煤层的微孔隙中。
在煤矿开采过程中,随着煤层的压力释放和地下水的排放,煤层气将会因受到外界压力的作用而向井口或者井下的通风巷道中逸散,通过井口取出并进行利用。
而在煤层气的开采过程中,由于对煤层进行开采、开发和注水,煤层本身的结构和性质可能会发生改变,使得煤层中原本受到封闭的地下水得以释放,并最终导致煤层顶板涌水的产生。
二、煤层顶板涌水危险性的成因和特点1、成因:(1)煤层顶板断裂带存在渗水层在煤层气开采条件下,地下水主要存在于煤层的孔隙、裂隙和断裂带中,煤层顶板处可能存在一些渗水层,这些渗水层的存在是矿井涌水的直接原因。
(2)工作面存在封闭不严密煤层开采工作面通常都是通过采煤机等设备进行机械化采煤的,而在采煤的过程中,矿工会进行支护、排水等工作。
综放开采条件下煤层顶板涌(突)水危险性评价煤层顶板涌(突)水是指煤层开采过程中,煤层顶板发生大量水涌出或喷射的现象。
煤层顶板涌(突)水是煤矿生产中常见的地质灾害之一,对煤矿生产安全和效益造成严重影响。
为了评价煤层顶板涌(突)水的危险性,本文从煤层顶板涌(突)水的特征、诱发因素、危害程度等方面进行了综合分析和评价。
一、煤层顶板涌(突)水的特征1. 涌(突)水地点不固定:煤层顶板涌(突)水的位置常常不固定,难以准确预测。
2. 涌(突)水量大:煤层顶板涌(突)水的流量通常比较大,可能会导致矿井设备和人员受到严重影响。
4. 诱发煤层顶板涌(突)水的条件复杂:煤层顶板涌(突)水受矿井地质条件、水文条件、采煤工艺等多种复杂因素的影响,诱发条件复杂。
1. 煤层工作面超前开采:煤层开采工作面超前开采,导致采空区扩大,导致地下水承压增大,从而引起煤层顶板涌(突)水。
2. 煤层顶板岩层破碎、溶解:煤层顶板岩层受煤层开采影响,易发生破碎、溶解,从而导致水体迁移并引起煤层顶板涌(突)水。
3. 煤层顶板下伏水层破裂:在煤层开采作业过程中,如果不当操作,可能造成顶板下伏水层破裂,导致水涌出,引起煤层顶板涌(突)水。
1. 危害矿井设备和生产作业:煤层顶板涌(突)水会导致矿井设备和作业场地受到严重影响,严重影响矿井生产作业。
2. 危害矿工安全:煤层顶板涌(突)水会对矿工的生命安全构成威胁,产生严重的伤亡事故。
3. 危害矿井环境:煤层顶板涌(突)水会引起地下水、地表水急剧上升,严重影响矿井周边的环境。
4. 危害生产成本:煤层顶板涌(突)水会增加矿井的抢修和维护成本,影响矿井的经济效益。
2. 煤层顶板涌(突)水的影响范围:评估煤层顶板涌(突)水可能对矿井设备、生产作业、矿工安全、环境等的影响范围。
4. 煤层顶板涌(突)水的防治措施:根据煤层顶板涌(突)水的可能性、危害程度等评价结果,确定相应的防治措施和控制措施。
五、结论。
综放开采条件下煤层顶板涌(突)水危险性评价随着国家经济的快速发展,能源需求量不断增长。
煤炭作为我国主要的能源资源,采取综合采煤方式已成为一种趋势。
但是,在综放采煤过程中,煤层顶板涌(突)水是一项不容忽视的问题,因为它的发生会对采煤工作造成不利影响,甚至威胁采煤工人的生命安全。
因此,对于综放开采条件下煤层顶板涌(突)水的危险性进行评价具有重要意义。
一、煤层顶板涌(突)水危险性的定义和表现1、定义煤层顶板涌(突)水是指在开采煤炭的过程中,由于煤层顶板构造复杂,含水量大,岩层应力状态变化等因素,造成顶板下的地下水突然破裂并向井下涌入的现象。
2、表现煤层顶板涌(突)水危险性表现主要分为以下几个方面:(1)通风气味受到影响:通风气味突然变化,变得异常潮湿,浓烈的硫化氢气味弥漫在空气中,给煤矿工作人员带来了很大的困扰。
(2)水质变化:水量急剧增加,水质变浑,或出现油污、泥沙、垃圾等。
(3)喷水事故:井筒内突然喷出高压水,给井下人员带来极大的危险。
(4)地面变化:地面上可能出现不同程度的沉降、破坏等变化。
(5)供电系统故障:突水可能导致供电系统短路或烧坏,对采煤工作造成影响。
煤层顶板涌(突)水危险性评价是通过对煤层、地质构造、地下水、岩层力学性质等因素进行分析,计算出煤层顶板涌(突)水的概率和可能产生的影响范围的方法。
主要包括以下步骤:1、选取评价指标研究煤层顶板涌(突)水危险性评价过程中,需要确定一定的评价指标,如煤层顶板层间构造、顶板地质条件、地下水石化特征等。
2、获取数据获取煤层的形态、厚度、倾角、地壳应力、构造、地下水条件等相关信息,借助地质调查、钻孔资料、测量数据等获取。
3、建立数学模型将选定的评价指标和数据代入数学模型进行计算分析,得出煤层顶板涌(突)水的概率以及可能的影响范围。
4、评价结果分析对评价结果进行分析,从煤层顶板稳定性、综采进度、安全保障等方面进行评价,确定采掘方式、环境治理措施、安全设施建设等方面的对策和措施。
《龙王沟煤矿底板突水危险性评价》篇一一、引言煤矿底板突水是煤矿生产中常见的灾害之一,其危害性极大,不仅可能导致矿井淹没,还会对矿工的生命安全构成严重威胁。
龙王沟煤矿作为我国重要的煤炭生产基地之一,其安全生产形势备受关注。
本文旨在对龙王沟煤矿底板突水的危险性进行评价,为煤矿安全生产提供科学依据。
二、龙王沟煤矿概况龙王沟煤矿位于某地区,具有较长的开采历史。
该矿区地质条件复杂,含煤地层多为砂岩、泥岩和煤层互层。
在开采过程中,底板突水事故时有发生,给矿井安全生产带来极大的隐患。
三、底板突水危险性评价方法1. 地质因素评价地质因素是导致底板突水的主要因素之一。
在龙王沟煤矿地区,地质构造复杂,含水层多且分布不均。
因此,需要对矿区地质构造、含水层特征、地下水流向和压力等因素进行综合分析,以确定底板突水的可能性。
2. 采矿因素评价采矿因素也是导致底板突水的重要因素。
在评价过程中,需要分析采矿方法、开采深度、采空区分布等因素对底板稳定性的影响。
同时,还需要考虑采矿过程中可能对底板造成的破坏程度。
3. 监测与预警系统评价建立完善的监测与预警系统对于预防底板突水事故具有重要意义。
评价过程中,需要分析监测设备的布置、监测数据的准确性和实时性以及预警系统的灵敏度和可靠性等因素。
四、龙王沟煤矿底板突水危险性评价结果根据上述评价方法,对龙王沟煤矿底板突水危险性进行评价。
结果表明,该矿区地质条件复杂,含水层多且分布不均,底板突水风险较高。
采矿过程中对底板的破坏程度较大,增加了突水的可能性。
然而,该矿区已建立了一定的监测与预警系统,可以在一定程度上预防底板突水事故的发生。
五、措施与建议针对龙王沟煤矿底板突水危险性评价结果,提出以下措施与建议:1. 加强地质勘探工作,深入了解矿区地质构造和含水层特征,为底板突水防治提供科学依据。
2. 优化采矿方法,减少对底板的破坏程度,提高底板稳定性。
3. 完善监测与预警系统,提高监测数据的准确性和实时性,确保预警系统的灵敏度和可靠性。
附录 A(资料性附录)突水危险性评价方法A.1 顶板突水危险性评价A.1.1 导水裂缝带法A.1.1.1 一般经验公式导水裂缝带高度应当依据开采区域的地质采矿条件和实测数据分析确定;对于无实测数据的,可参考类似地质采矿条件矿井的实测数据、水体下开采成功经验或者依据表C.1的公式计算。
近距离煤层的导水裂缝带高度的计算,必须考虑上、下煤层开采的综合影响。
表A.1 厚煤层分层开采的导水裂缝带高度计算公式A.1.1.2 综采放顶条件综采放顶条件下导水裂缝带高度可采用表C.2的公式计算。
表A.2 综采放顶条件下导水裂缝带高度计算公式单位为米表C.2 综采放顶条件下导水裂缝带高度计算公式(续)A.1.1.3 导水裂缝带法危险评价分区的建议导水裂缝带法进行危险评价时,建议采用如下分区: a) 安全区:导水裂缝带最大高度加上保护层厚度的标高小于顶板直接充水含水层底板标高; b) 过渡区:导水裂缝带最大高度加上保护层厚度的标高大于顶板直接充水含水层底板标高,导水裂缝带最大高度的标高小于顶板直接充水含水层底板标高; c) 危险区:导水裂缝带最大高度的标高大于顶板直接充水含水层底板标高;根据顶板直接充水含水层的富水性或单位面积静涌水量分为3个等级: 1) 一般危险区:q ≤0.01或Q 单静j ≤52) 中等危险区:0.01<q ≤0.1或5<Q 单静j ≤10 3) 高危险区: q >0.1或Q 单静j >10d) j 单元单位面积静涌水量(Q 单静j 静)采用式(C.1)计算:Q ij ij H μ=∑n单静j i=1................................... (A.1)式中:Q 单静j —j 单元单位面积静涌水量;n —直接充水含水层层数;μ—给水度;H —顶板直接充水含水层厚度,单位为米(m )。
A.1.2 三图双预测法“三图”是指通过多元信息的空间分析生成矿层顶板冒裂安全性分区图、顶板充水含水层富水性分区图和顶板涌(突)水条件综合分区图;“双预测”是指在天然和人为改造状态下的回采工作面分段和整体工程涌水量预测。
附录 A
(资料性附录)
突水危险性评价方法
A.1 顶板突水危险性评价
A.1.1 导水裂缝带法
A.1.1.1 一般经验公式
导水裂缝带高度应当依据开采区域的地质采矿条件和实测数据分析确定;对于无实测数据的,可参考类似地质采矿条件矿井的实测数据、水体下开采成功经验或者依据表C.1的公式计算。
近距离煤层的导水裂缝带高度的计算,必须考虑上、下煤层开采的综合影响。
表A.1 厚煤层分层开采的导水裂缝带高度计算公式
A.1.1.2 综采放顶条件
综采放顶条件下导水裂缝带高度可采用表C.2的公式计算。
表A.2 综采放顶条件下导水裂缝带高度计算公式
单位为米
表C.2 综采放顶条件下导水裂缝带高度计算公式(续)
A.1.1.3 导水裂缝带法危险评价分区的建议
导水裂缝带法进行危险评价时,建议采用如下分区: a) 安全区:导水裂缝带最大高度加上保护层厚度的标高小于顶板直接充水含水层底板
标高; b) 过渡区:导水裂缝带最大高度加上保护层厚度的标高大于顶板直接充水含水层底板
标高,导水裂缝带最大高度的标高小于顶板直接充水含水层底板标高; c) 危险区:导水裂缝带最大高度的标高大于顶板直接充水含水层底板标高;根据顶板
直接充水含水层的富水性或单位面积静涌水量分为3个等级: 1) 一般危险区:q ≤0.01或Q 单静j ≤5
2) 中等危险区:0.01<q ≤0.1或5<Q 单静j ≤10 3) 高危险区: q >0.1或Q 单静j >10
d) j 单元单位面积静涌水量(Q 单静j 静)采用式(C.1)计算:
Q ij ij H μ=∑n
单静j i=1
................................... (A.1)
式中:Q 单静j —j 单元单位面积静涌水量;
n —直接充水含水层层数;
μ—给水度;
H —顶板直接充水含水层厚度,单位为米(m )。
A.1.2 三图双预测法
“三图”是指通过多元信息的空间分析生成矿层顶板冒裂安全性分区图、顶板充水含水层富水性分区图和顶板涌(突)水条件综合分区图;“双预测”是指在天然和人为改造状态下的回采工作面分段和整体工程涌水量预测。
其中:
a) 顶板冒裂安全性分区图是通过矿层回采过程中诱发的顶板导水裂缝带加保护层总
高度与上覆充水水源之间关系的空间分析图。
导水裂缝带发育总高度一般可采用经验统计公式和数值模拟计算评价以及现场实测等方法确定。
b) 顶板充水含水层富水性分区图是反映含水层富水性的多元信息(一般有含水层厚度
和岩性、地质构造分布特征、水文地质参数、单位涌水量、采取率、冲洗液消耗量、水化学特征、地球物理勘探成果等)空间分析成果图。
c) 顶板涌(突)水条件综合分区图是由顶板冒裂安全性分区图与顶板充水含水层富水
性分区图空间分析成果图。
d) 天然和人为改造状态下的回采工作面分段和整体工程涌水量预测是根据研究矿井
具体的充水水文地质物理概念模型,建立地下水流系统的三维数值模拟模型,在反
演识别基础上,根据回采工作面周期来压步骤,分别预测在天然和人为改造两种不同状态下的回采工作面分段和整体工程涌水量。
A.2 底板突水危险性评价 A.2.1 安全隔水层厚度和突水系数 A.2.1.1 安全隔水层厚度
式(C.2)主要适用于掘进工作面,当底板隔水层实际厚度小于计算值时,就是不安全的。
p
t ................................. (A.2)
式中:t ——安全隔水层厚度,单位为米(m ); L ——采掘工作面底板最大宽度,单位为米(m );
γ—— 底板隔水层岩石的平均重度,单位为兆牛每立方米(MN/m 3
); K p ——隔水层岩石的平均抗拉强度,单位为兆帕(MPa ); p ——隔水层底板承受的水头压力,单位为兆帕(MPa )。
A.2.1.2 突水系数
式(C.3)适用于回采和掘进工作面,就全国实际资料看,底板受构造破坏块段突水系
数一般不大于0.06MPa/m ,正常块段不大于0.1 MPa/m 。
p
T M
=
....................................... (A.3) 式中:T ——突水系数,单位为兆帕每米(MPa/m );
P ——隔水层底板承受的水头压力,单位为兆帕(MPa ); M ——底板隔水层厚度,单位为米(m )。
A.2.2 脆弱性指数法
脆弱性指数法进行底板突水危险性评价基本步骤如下:
a) 根据对矿井充水水文地质条件分析,建立煤层底板突水的水文地质物理概念模型; b) 确定煤层底板突水主控因素;
c) 采集收集各突水主控因素基础数据,并进行归一化无量纲分析和处理; d) 应用地理信息系统,建立各主控因素的子专题层图;
e) 应用信息融合理论,采用非线性数学方法(如ANN ,证据权重法,Logistic 回归法
或其它方法),或线性数学方法(如AHP 等其它方法),通过模型的反演识别或训练学习,确定出煤层底板突水的各主控因素的“权重”系数,建立煤层底板突水脆弱性的预测预报评价模型;即
1
N
i i
i VI S I ==∑ ..................................... (A.4)
式中:VI —煤层底板突水的脆弱性指数;
S i —第i 个主控因素对底板突水的“贡献”或相对权重;
I i—第i 个主控因素归一化后的无量纲值。
f)根据研究区各单元计算的突水脆弱性指数,采用频率直方图的统计分析方法,合理
确定突水脆弱性分区阀值;
g)提出煤层底板突水脆弱性分区方案。
A.2.3 五图双系数法
五图双系数法基本内容如下:
a)所指五图为:
1)第一图。
在工作面回采过程中,由于矿压等因素综合作用的结果,在煤层底板
产生一定深度的破坏,这种破坏后的岩层具有导水能力,故称之为“导水破坏
深度”,通过实验和计算可以获得该值的分布状况。
据此绘制“底板保护层破
坏深度等值线图”;
2)第二图。
煤层底面至隔水层顶面之间的这段岩层称之为“底板保护层”。
它是
阻止承压水涌入采掘空间的屏障,需查明其厚度及其变化规律。
据此绘制“底
板保护层厚度等值线图”;
3)第三图。
煤层底板以下含水层的承压水头将分别作用在不同标高的底板上。
根
据计算绘制“煤层底板上的水头等值线图”
4)第四图。
把导水破坏深度从底板保护层厚度中减去,所剩厚度称之为“有效保
护层”。
它是真正具有阻抗水头压力能力且起安全保护作用的部分。
据此绘制
“有效保护层厚度等值线图”;
5)第五图。
最后根据有效保护层的存在与否和厚度大小,依照“双系数”和“三
级判别”综合分析,即可绘制带压开采技术的最重要图件“带水头压力开采评
价图”。
b)双系数为:
1)带压系数是表示每米岩层可以阻抗多大水压的指标;
2)突水系数是“有效保护层厚度”与作用其上的水头值之比。
c)三级判别为:
1)I级判别是判别工作面必然发生直通式突水的指标;
2)II级判别是判别工作而发生非直通式突水可能性及其突水形式的指标;
3)III级判别是判别己被n级判别定为突水的工作面其突水量变化状况的指标。