K 徐工汽车起重机技术参数
- 格式:docx
- 大小:140.03 KB
- 文档页数:13
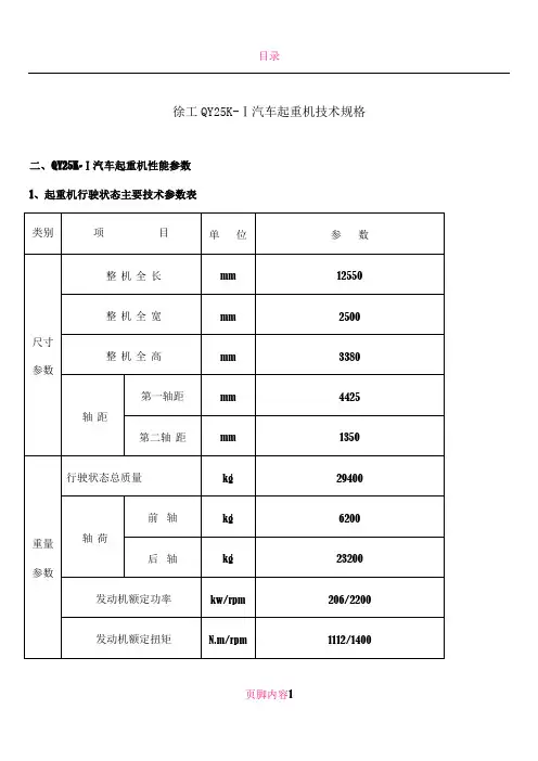
徐工QY25K-Ⅰ汽车起重机技术规格
二、QY25K-Ⅰ汽车起重机性能参数
1、起重机行驶状态主要技术参数表
2、起重作业状态主要技术参数表
3、QY25K-Ⅰ汽车起重机起重性能表
表1 主臂起重性能表
页脚内容5
页脚内容6
目录
表2 QY25K汽车起重机副臂起重性能表(侧、后方)
注意:
1、表中额定起重量所表示的数值,是在平整的坚固地面上本起重机能够保证的最大起重量,此起重量不超过倾翻载荷的75%;
2、表中额定起重量包括吊钩和吊具的重量;
3、表中的工作幅度是包括吊臂的变形量在内的实际值,因此一
定以工作幅度为依据进行起重作业;
4、只允许在7级风以下进行作业
5、表中起升高度及幅度均为参考值。
6、主臂起重性能表中所列参数是指不带副臂时的额定起重量,当主臂臂头装有副臂时,主臂的额定起重量根据实际情况,应减去900kg;
4、起升高度曲线
起 升 高 度 (m
)
工 作 幅 度(m )
目录
页脚内容11。
三、QY25K-Ⅰ汽车起重机性能参数
吊钩
2、起重作业状态主要技术参数表
3、QY25K-Ⅰ汽车起重机起重性能表
3 18
表2 QY25K汽车起重机副臂起重性能表(侧、后方)
1、表中额定起重量所表示的数值,是在平整的坚固地面上本起重机能够保证的
最大起重量,此起重量不超过倾翻载荷的75%;
2、表中额定起重量包括吊钩和吊具的重量;
3、表中的工作幅度是包括吊臂的变形量在内的实际值,因此一
定以工作幅度为依据进行起重作业;
4、只允许在7级风以下进行作业
5、表中起升高度及幅度均为参考值。
6、主臂起重性能表中所列参数是指不带副臂时的额定起重量,当主臂臂头装有副
臂时,主臂的额定起重量根据实际情况,应减去900kg;
4、起升高度曲线
钩心距滑轮组中
心最短距离
起
升
高
度
(
m
)回转中心
工作幅度(m)
主臂
副臂。
文档来源为 :从网络收集整理.word 版本可编辑 .欢送下载支持.QY25KⅠ-汽车起重机技术规格伸缩臂汽车式起重机型号 :QY25K-Ⅰ;最大额定起重量: 25t ;一、技术介绍1、底盘局部徐工设计、制造,全头驾驶室, 3 桥底盘,驱动 /转向: 6×4×2。
1.1 、车架徐工设计、制造,优化结构设计,防扭转箱型结构,高强度钢材。
支腿箱体位于1桥和 2 桥之间以及车架后端。
具有前后牵引挂钩。
1.2 、底盘发动机制造商:上海柴油机股份;型号: SC8DK280Q3〔东风牌〕;型式:直列六缸、水冷却、蜗轮增压、电控高压共轨、压燃式柴油发动机;环保性:符合欧洲Ⅲ标准燃料箱容量:约300L1.3 、动力传动系统机械操纵, 6 档变速箱,控制后桥驱动。
高强度承载桥,维护方便。
第一桥:单胎,转向但不驱动;第二桥:双胎,驱动但不转向。
一级主减速加轮边减速;第三桥:双胎,驱动但不转向。
一级主减速加轮边减速。
驱动轴均采用端面齿连接,优化动力传输,传递扭矩大。
维护简便,方便拆卸和安装。
1.4 、全桥悬挂前悬挂:纵置钢板弹簧式,筒式减震器;后悬架:双轴平衡、纵置板簧式,板簧与推力杆导向。
1.5 、转向机械式转向机构,带有液压助力。
方向盘位置可调。
1.6 、轮胎斜交轮胎,适用于重型汽车,通用性强。
标配 1 个备胎。
1.7 、制动行车制动:脚踏板操纵的双回路气压制动。
第一回路作用于一轴车轮上,第二回路作用于二、三轴车轮上;驻车制动:放气制动,作用于后面两根轴上,通过各轴上的弹簧储能气室起作用;辅助制动:发动机排气制动。
1.8 、底盘驾驶室新型豪华全宽驾驶室,配 CD 音响,可调式座椅和方向盘,大视野后视镜,电控洗窗器,电子门窗升降器。
空调:标配暖风和单冷空调。
1.9 、液压系统四联齿轮泵通过取力器联接至发动机,控制辅助转向、下车液压支腿。
1.10 、液压支腿“ H〞型支腿, 4 点支撑,水平和垂直支腿全液压操纵,底盘两侧装有操纵手柄,操纵手柄旁装有水平仪和油门操纵开关。
QY25K-Ⅰ汽车起重机技术规格伸缩臂汽车式起重机型号:QY25K-Ⅰ;最大额定起重量:25t;一、技术介绍1、底盘部分徐工设计、制造,全头驾驶室,3桥底盘,驱动/转向:6×4×2。
1.1、车架徐工设计、制造,优化结构设计,防扭转箱型结构,高强度钢材。
支腿箱体位于1桥和2桥之间以及车架后端。
具有前后牵引挂钩。
1.2、底盘发动机制造商:上海柴油机股份有限公司;型号:SC8DK280Q3(东风牌);型式:直列六缸、水冷却、蜗轮增压、电控高压共轨、压燃式柴油发动机;环保性:符合欧洲Ⅲ标准燃料箱容量:约300L1.3、动力传动系统1.3.1变速箱机械操纵,6档变速箱,控制后桥驱动。
1.3.2车桥高强度承载桥,维护方便。
第一桥:单胎,转向但不驱动;第二桥:双胎,驱动但不转向。
一级主减速加轮边减速;第三桥:双胎,驱动但不转向。
一级主减速加轮边减速。
1.3.3驱动轴驱动轴均采用端面齿连接,优化动力传输,传递扭矩大。
维护简便,方便拆卸和安装。
1.4、全桥悬挂前悬挂:纵置钢板弹簧式,筒式减震器;后悬架:双轴平衡、纵置板簧式,板簧与推力杆导向。
1.5、转向机械式转向机构,带有液压助力。
方向盘位置可调。
1.6、轮胎斜交轮胎,适用于重型汽车,通用性强。
标配1个备胎。
1.7、制动行车制动:脚踏板操纵的双回路气压制动。
第一回路作用于一轴车轮上,第二回路作用于二、三轴车轮上;驻车制动:放气制动,作用于后面两根轴上,通过各轴上的弹簧储能气室起作用;辅助制动:发动机排气制动。
1.8、底盘驾驶室新型豪华全宽驾驶室,配CD音响,可调式座椅和方向盘,大视野后视镜,电控洗窗器,电子门窗升降器。
空调:标配暖风和单冷空调。
1.9、液压系统四联齿轮泵通过取力器联接至发动机,控制辅助转向、下车液压支腿。
1.10、液压支腿“H”型支腿,4点支撑,水平和垂直支腿全液压操纵,底盘两侧装有操纵手柄,操纵手柄旁装有水平仪和油门操纵开关。
徐工QY25K-Ⅰ汽车起重机技术规格
二、QY25K-Ⅰ汽车起重机性能参数
1、起重机行驶状态主要技术参数表
2、起重作业状态主要技术参数表
3、QY25K-Ⅰ汽车起重机起重性能表
18
表2 QY25K汽车起重机副臂起重性能表(侧、后方)
1、表中额定起重量所表示的数值,是在平整的坚固地面上本起重机能够保证的
最大起重量,此起重量不超过倾翻载荷的75%;
2、表中额定起重量包括吊钩和吊具的重量;
3、表中的工作幅度是包括吊臂的变形量在内的实际值,因此一
定以工作幅度为依据进行起重作业;
4、只允许在7级风以下进行作业
5、表中起升高度及幅度均为参考值。
6、主臂起重性能表中所列参数是指不带副臂时的额定起重量,当主臂臂头装有副
臂时,主臂的额定起重量根据实际情况,应减去900kg;
4、起升高度曲线
起
升
高
度
(m )
工 作 幅 度(m )。
130吨汽车吊徐工QY130K型130吨汽车吊基本参数徐工QY130K型是一种130吨级大型卧式汽车吊,具有强大的起重能力和稳定性,适用于各类建筑工地、港口、桥梁等工程施工现场。
以下是该型号130吨汽车吊的基本参数。
1.总重量:约130吨这款汽车吊的总重量约为130吨,以满足其强大的起重能力需求。
其车架和起重臂均由高强度钢材制作而成,确保了稳定性和耐用性。
2.起重能力:130吨级徐工QY130K型汽车吊的起重能力达到了130吨级别,可以应对各种重型起重作业。
无论是搬运大型构件、重型设备还是进行吊装作业,该汽车吊都能够胜任。
3.起重臂长度:13至58米该款汽车吊的起重臂长度可根据实际需求进行调整,范围为13至58米之间。
可以根据工程需求进行伸缩,以满足不同高度和距离的起重任务。
4.最大工作半径:50米徐工QY130K型汽车吊的最大工作半径达到了50米,能够覆盖较大的作业范围。
无论是桥梁、建筑施工作业还是各种设备的装卸,该汽车吊都能够满足作业半径要求。
5.发动机功率:250千瓦这款汽车吊搭载了一台功率为250千瓦的柴油发动机,可以为其提供强大的动力支持。
发动机具有较低的燃油消耗和较低的噪音水平,同时满足了节能环保的要求。
6.最高行驶速度:70千米/小时徐工QY130K型汽车吊的最高行驶速度达到70千米/小时,能够快速到达施工现场,并满足工期要求。
整车采用了液力转向系统和液力传动系统,驾驶平稳舒适。
7.独立制动系统为了保证行车安全,该汽车吊配备了独立的制动系统,可以根据需要独立控制前后轮制动,确保行车的稳定性和安全性。
总的来说,徐工QY130K型130吨汽车吊具有强大的起重能力、稳定性和灵活性,并且配备了高功率发动机和独立制动系统,以确保在各种吊装作业中的安全和高效性能。
它是一种高性能的大型卧式汽车吊,适用于各类重型建筑工程、桥梁、港口等施工场景。
徐工QY25K-Ⅰ汽车起重机技术规格
二、QY25K-Ⅰ汽车起重机性能参数
1、起重机行驶状态主要技术参数表
2、起重作业状态主要技术参数表
3、QY25K-Ⅰ汽车起重机起重性能表
表2 QY25K汽车起重机副臂起重性能表侧、后方
1、表中额定起重量所表示的数值,是在平整的坚固地面上本起重机能够保证的
最大起重量,此起重量不超过倾翻载荷的75%;
2、表中额定起重量包括吊钩和吊具的重量;
3、表中的工作幅度是包括吊臂的变形量在内的实际值,因此一
定以工作幅度为依据进行起重作业;
4、只允许在7级风以下进行作业
5、表中起升高度及幅度均为参考值;
6、主臂起重性能表中所列参数是指不带副臂时的额定起重量,当主臂臂头装有副
臂时,主臂的额定起重量根据实际情况,应减去900kg;
4、起升高度曲线
起
升
高 度
m。
25K1徐工汽车起重机技术参数
徐工汽车起重机是一种专门设计用于提升和搬运重物的设备,具有高效、稳定和安全性能。
以下是徐工汽车起重机的技术参数:
1.起重能力:徐工汽车起重机的起重能力通常从5吨到200吨不等,
用户可根据自身需求选择适合的起重能力。
2.工作半径:徐工汽车起重机的工作半径通常从5米到60米不等,
工作半径越大,起重范围越广。
3.最大起升高度:徐工汽车起重机的最大起升高度一般从20米到
100米不等,用户可根据工作场地的高度选择适合的起升高度。
4.工作速度:徐工汽车起重机的工作速度一般为20米/分钟到60米/
分钟不等,用户可根据工作需求选择适合的工作速度。
5.起重机动力:徐工汽车起重机通常采用柴油机或电动机作为动力源,其功率从100马力到500马力不等。
6.控制系统:徐工汽车起重机配备先进的控制系统,可实现精准操控
和操作,提高工作效率和安全性。
7.安全设备:徐工汽车起重机配备多种安全设备,如过载保护系统、
紧急停车系统、防侧倾系统等,确保操控和操作过程中的安全性。
8.底盘:徐工汽车起重机的底盘通常为吊装底盘或自卸底盘,具有良
好的稳定性和操控性。
9.液压系统:徐工汽车起重机采用高品质的液压系统,提供充足的动
力和操控力,确保设备的顺畅运行。
总的来说,徐工汽车起重机具有强大的起重能力、稳定性能和安全设备,适用于各种工地搬运和起重作业。
用户在选购徐工汽车起重机时,可根据自身需求和工作环境选择合适的型号和配置,确保设备的高效运行和安全操作。
徐工汽车起重机技术规格大全本文将详细介绍徐工汽车起重机的技术规格。
徐工汽车起重机系列旨在满足各种起重需求,具有出色的性能和可靠性。
以下是徐工汽车起重机的具体技术规格。
1. 主要参数以下是徐工汽车起重机的主要参数:•起重量:从5吨到160吨;•工作半径:从3.5米到56米;•最大起升高度:从36米到82米。
2. 发动机性能徐工汽车起重机配备了高性能的发动机,以确保良好的动力和可靠性。
以下是几种常见的发动机性能参数:•最大功率:根据不同型号而有所不同,从100kW到300kW;•最大扭矩:根据不同型号而有所不同,从550Nm到1800Nm;•排量:根据不同型号而有所不同,从4.5L到12L。
3. 升降机构徐工汽车起重机的升降机构采用专业设计,具有良好的稳定性和安全性。
以下是升降机构的一些参数:•升降速度:根据不同型号而有所不同,从0.7m/s到1.5m/s;•最大起升重量:根据不同型号而有所不同,从5吨到160吨;•起升机构形式:液压式。
4. 转动机构徐工汽车起重机的转动机构采用现代化技术,确保平稳转动和精准定位。
以下是转动机构的一些参数:•转速范围:从0.8rpm到2.5rpm;•最大承载力:从6吨到25吨;•转动方式:液压旋转。
5. 底盘和变速器徐工汽车起重机的底盘和变速器经过精心设计,以提供稳定的行驶性能和灵活的操作。
以下是底盘和变速器的一些参数:•底盘类型:整车钢板焊接形式;•变速器类型:手动或自动。
6. 操纵性和安全性徐工汽车起重机注重操纵性和安全性,以确保操作人员的安全和提升工作效率。
以下是相关参数:•操纵系统:液压系统;•操作台:宽敞、人性化设计;•安全装置:重载保护、限位保护、风速报警等。
7. 其他特点除了上述主要技术规格外,徐工汽车起重机还具有其他特点,如:•车载式设计,方便运输和移动;•高效的液压系统,提供精确控制;•可选配件和附件,以满足不同用户需求。
结论徐工汽车起重机是一款功能强大的起重设备,具有出色的性能和可靠性。
徐工重型QY70K气车起重机是我公司第三代系列产品,广泛运用了我公司的成熟技术,主要关键动力元件、传动件、液压元件和结构材料采用国际一流配置,保证了产品的高性能和高可靠性。
类别项目单位参数XZJ5413JQZ70 K XZJ5431JQZ7尺寸参数整机全长mm 13500整机全宽mm 2800整机全高mm 3510 3540 轴距第一、二轴距mm 1520 1470第二、三轴距mm :3965 4150第三、四轴距mm 1350轮距前轮距mm 2240 2304后轮距mm 2075重量参数行驶状态整机自重kg 41000 43000 轴荷第一、二轴kg 15000 17000 第三、四轴kg26000 26000动力参数发动机型号ISLE+350 WD615.338 发动机额定功率kW/(r/mi n) 257/2100 276/2200 发动机额定扭矩N.m/(r/mi n) 1550/1400 1500/1400 发动机额疋转速r/mi n 2100 2200行驶参数行驶速度最高行驶速度km/h 75最低稳定行驶速度km/h 3转弯直径最小转弯直径m 24.0臂头转弯直径m 29.0 最小离地间隙mm 327接近角0 16 19离去角0 10 13 制动距离(车速为30km/h)m < 10 最大爬坡度% 40百公里油耗l 42QY50B汽车起重机,采用四轴XZ50专用底盘,具有五节伸缩式主起重臂,两节副起重臂,双缸前支变幅,双H型支腿,附加第五前支腿,独立的主、副起升机构,设置了完善而先进的安全装置,可实现360°全回转起重作业。
工作平稳可靠,操作简便,行驶速度高,机动灵活,利于快速转移,造型美观,维修方便。
该起重机的主要性能参数达到国内先进水平,与国外同类产品接近类别项目单位参数发动机型号——WD615.334(5404)WD615.46(5406)尺寸参数整机全长mm 13270 13270整机全宽mm 2750 2750整机全高mm 3300 3300 轴距第一、二轴距mm 1520 1520第二、三轴距mm 3815 3815第三、四轴距mm 1350 1350前悬mm 1986 1986后悬mm 1843 1843 轮距前轮mm 2240 2240后轮mm 2055 2055重量参数行驶状态总质量kg 39870 39870 轴荷一、二轴kg 13935 15935三、四轴kg 25935 25935动力参数发动机额定功率kw/(r/mi n) 247/2200 266/2200 发动机额定扭矩N.m/(r/mi n) 1350/1400 1460/1400 发动机额定转速r/mi n2200 2200行驶参数行驶速度最高行驶速度km/h 78 78最低稳定行驶速度km/h 2~3 3~4 最小转弯直径m 24 24 转弯直径臂头最小转弯直径m 27.4 27.4 最小离地间隙mm 291 251 接近角0 16 16离去角0 10 10 制动距离(车速为30km/h)m < 10 < 10QY35KQY35K采用四桥汽车起重机专用底盘,全头大视野驾驶室,新型大圆弧宽大操纵室,配置了大功率环保型发动机,使产品的起重性能、通过性能、可靠性、操纵性能、作业环境有大幅度的提高。
徐工QY25K-Ⅰ汽车起重机技术规格之答禄夫天创作
二、QY25K-Ⅰ汽车起重机性能参数
1、起重机行驶状态主要技术参数表
2、起重作业状态主要技术参数表
创作时间:二零二一年六月三十日3、QY25K-Ⅰ汽车起重机起重性能表
创作时间:二零二一年六月三十日
表2 QY25K汽车起重机副臂起重性能表(侧、后方)
1、表中额定起重量所暗示的数值, 是在平整的坚固空中上本起重机能够保证的
最年夜起重量, 此起重量不超越倾翻载荷的75%;
2、表中额定起重量包括吊钩和吊具的重量;
3、表中的工作幅度是包括吊臂的变形量在内的实际值, 因此一
定以工作幅度为依据进行起重作业;
4、只允许在7级风以下进行作业
5、表中起升高度及幅度均为参考值.
6、主臂起重性能表中所列参数是指不带副臂时的额定起重量, 当主臂臂头装有副
臂时, 主臂的额定起重量根据实际情况, 应减去900kg;
4、起升高度曲线
起升高度(m
)。
三、QY25K-Ⅰ汽车起重机性能参数之老阳三干创作
吊钩
2、起重作业状态主要技术参数表
3、QY25K-Ⅰ汽车起重机起重性能表
表2 QY25K汽车起重机副臂起重性能表(侧、后方)
1、表中额定起重量所暗示的数值,是在平整的坚固地面上本起重机能够包管的
最大起重量,此起重量不超出倾翻载荷的75%;
2、表中额定起重量包含吊钩和吊具的重量;
3、表中的工作幅度是包含吊臂的变形量在内的实际值,因此一
定以工作幅度为依据进行起重作业;
4、只允许在7级风以下进行作业
5、表中起升高度及幅度均为参考值。
6、主臂起重性能表中所列参数是指不带副臂时的额定起重量,当主臂臂头装有副
臂时,主臂的额定起重量根据实际情况,应减去900kg;
4、起升高度曲线
起升高度(m
)。
徐工QY25K-Ⅰ汽车起重机技术规格
二、QY25K-Ⅰ汽车起重机性能参数
1、起重机行驶状态主要技术参数表
2、起重作业状态主要技术参数表
3、QY25K-Ⅰ汽车起重机起重性能表
表2 QY25K汽车起重机副臂起重性能表(侧、后方)
注意:
1、表中额定起重量所表示的数值,是在平整的坚固地面上本起重机能够保证的
最大起重量,此起重量不超过倾翻载荷的75%;
2、表中额定起重量包括吊钩和吊具的重量;
3、表中的工作幅度是包括吊臂的变形量在内的实际值,因此一
定以工作幅度为依据进行起重作业;
4、只允许在7级风以下进行作业
5、表中起升高度及幅度均为参考值。
6、主臂起重性能表中所列参数是指不带副臂时的额定起重量,当主臂臂头装有副
臂时,主臂的额定起重量根据实际情况,应减去900kg;
4、起升高度曲线
起
升 高 度 (m )。
徐工QY25K-Ⅰ汽车起重机技术规格
二、QY25K-Ⅰ汽车起重机性能参数
1、起重机行驶状态主要技术参数表
2、起重作业状态主要技术参数表
3、QY25K-Ⅰ汽车起重机起重性能表
表1 主臂起重性能表
. 学习参考.
18
. 学习参考.
表2 QY25K汽车起重机副臂起重性能表(侧、后方)
注意:
1、表中额定起重量所表示的数值,是在平整的坚固地面上本起重机能够保证的
最大起重量,此起重量不超过倾翻载荷的75%;
2、表中额定起重量包括吊钩和吊具的重量;
3、表中的工作幅度是包括吊臂的变形量在内的实际值,因此一
定以工作幅度为依据进行起重作业;
4、只允许在7级风以下进行作业
5、表中起升高度及幅度均为参考值。
6、主臂起重性能表中所列参数是指不带副臂时的额定起重量,当主臂臂头装有副
臂时,主臂的额定起重量根据实际情况,应减去900kg;
4、起升高度曲线
起
升
高
度
(m )。
QY25K-Ⅰ汽车起重机技术规格
伸缩臂汽车式起重机型号:QY25K-Ⅰ;
最大额定起重量:25t;
一、技术介绍
1、底盘部分
徐工设计、制造,全头驾驶室,3桥底
盘,驱动/转向:6×4×2。
1.1、车架
徐工设计、制造,优化结构设计,防扭转箱型结构,高强度钢材。
支腿箱体位于1桥和2桥之间以及车架后端。
具有前后牵引挂钩。
1.2、底盘发动机
制造商:上海柴油机股份有限公司;
型号:SC8DK280Q3(东风牌);
型式:直列六缸、水冷却、蜗轮增压、电控高压共轨、压燃式柴油发动机;
环保性:符合欧洲Ⅲ标准
燃料箱容量:约300L
1.3、动力传动系统
1.3.1变速箱
机械操纵,6档变速箱,控制后桥驱动。
1.3.2车桥
高强度承载桥,维护方便。
第一桥:单胎,转向但不驱动;
第二桥:双胎,驱动但不转向。
一级主减速加轮边减速;
第三桥:双胎,驱动但不转向。
一级主减速加轮边减速。
1.3.3驱动轴
驱动轴均采用端面齿连接,优化动力传输,传递扭矩大。
维护简便,方便拆卸和安装。
1.4、全桥悬挂
前悬挂:纵置钢板弹簧式,筒式减震器;
后悬架:双轴平衡、纵置板簧式,板簧与推力杆导向。
1.5、转向
机械式转向机构,带有液压助力。
方向盘位置可调。
1.6、轮胎
斜交轮胎,适用于重型汽车,通用性强。
标配1个备胎。
1.7、制动
行车制动:脚踏板操纵的双回路气压制动。
第一回路作用于一轴车轮上,第二回路作用于二、三轴车轮上;
驻车制动:放气制动,作用于后面两根轴上,通过各轴上的弹簧储能气室起作用;
辅助制动:发动机排气制动。
1.8、底盘驾驶室
新型豪华全宽驾驶室,配CD音响,可调式座椅和方向盘,大视野后视镜,电控洗窗器,电子门窗升降器。
空调:标配暖风和单冷空调。
1.9、液压系统
四联齿轮泵通过取力器联接至发动机,控制辅助转向、下车液压支腿。
1.10、液压支腿
“H”型支腿,4点支撑,水平和垂直支腿全液压操纵,底盘两侧装有操纵手柄,操纵手柄旁装有水平仪和油门操纵开关。
支脚盘铰接在垂直支腿下面。
第五支腿:位于车架前端,可以完成360度全回转起重作业。
1.11、电气设备
24V直流,负极搭铁,2个储电池,照明按中国道路交通标准,包括前大灯,雾灯,倒车灯。
1.12、工具
随车配置一套维修工具。
2、上车部分
2.1、回转支承
外啮合的单排球式回转支承,可360°连续全回转,回转支承滚柱轨道密封,可防水防尘。
2.2、转台结构
采用细晶粒高强度钢全焊接抗扭框架结构,承载能力高。
2.3、液压系统
液控先导操纵系统,先导阀手柄移动的角度与输出压力成正比,先导阀输出压力与主操纵阀的阀芯位移成正比,主操纵阀的阀芯位移与马达、油缸等执行原件的的运动速度也成正比,整机具有良好的微动性。
主操纵阀为负载敏感控制多路换向阀,执行元件的运动速度与负载大小无关,操作者移动先导手柄的力和负载的大小也无关,先导操作系统具有良好的舒适性。
起升具有轻载高速、重载低速的特点。
变幅采用重力下放,节能性好。
双缸绳排伸缩机构,同步+顺序伸缩。
回转微动性好、旋转平稳,具有自由滑转功能。
液压油箱容量:约483升。
2.3.1、液压油散热器
与液压系统串联,功率大,能有效降低系统油温。
2.4、控制
液压先导控制,操作简单、舒适,灵敏度高,可无级调速。
2.5、主/副起升机构
液压马达驱动的行星齿轮减速机,内置常闭式制动器。
抗缠绕钢丝绳。
可与副起升机构单独运转。
主起升机构,单绳拉力40KN,钢丝绳直径φ14mm,长度155m。
副起升机构,单绳拉力40KN,钢丝绳直径φ14mm,长度90m。
2.6、变幅机构
1根装有平衡阀的油缸;
变幅角度:-2°~80°
2.7、回转机构
外啮合液压马达驱动上车回转,内置行星齿轮减速机和常闭式制动器。
具有自由滑转功能,回转速度可无级调速。
2.8、伸缩臂
由1节基本臂和3节伸缩臂组成,采用抗扭曲设计,高强度结构钢制造。
起重臂截面为圆弧角十二边形,吊臂起重作业稳定性好,滑块间隙可调节。
单缸加绳排伸缩机构。
臂端滑轮标准配置为5个滑轮。
2.9、上车操纵室
按照人机工程学设计的新款圆弧面操纵室,安全舒适,装有安全玻璃和保护栏。
车窗装有遮阳帘,外开式车门,可调式坐椅。
按人机工程学合理布局的标准操纵控制件和指示器,视野开阔。
标配冷暖空调。
2.10、安全装置
液压系统配置液压平衡阀、液压溢流阀、液压双向锁等装置,保证系统稳定安全。
赫思曼力限器系统,采用先进的微处理器技术,其功耗小、功能强、灵敏度高、操作简便。
大屏幕的液晶显示器,以中文和图形方式显示力矩百分比、实际起重量、额定起重量、幅度、吊臂长度、角度、最大起升高度、工矿代码、倍率、限制角度、信息代码等起重作业参数。
具有完整的预先报警、超载停止作业功能。
系统还具有超载记忆功能(黑匣子)和故障自诊断功能。
卷扬设置三圈保护器,防止钢丝绳过放。
臂头设置高度限位,防止钢丝绳过卷。
2.11、配重
配重块用固定在起重机转台尾部,重量:5390kg。
2.12、桁架副臂
高强度钢管制造,长8.15 m,安装角度0°、15°、30°;
公路行驶时可附在主臂侧面。
2.13、吊钩
3、颜色
起重机底盘:黑色;
驾驶室,起重机上车:工程黄色。
二、QY25K-Ⅰ汽车起重机主要外配套件明细表
三、QY25K-Ⅰ汽车起重机性能参数
2、起重作业状态主要技术参数表
3、QY25K-Ⅰ汽车起重机起重性能表
表2 QY25K汽车起重机副臂起重性能表(侧、后方)
1、表中额定起重量所表示的数值,是在平整的坚固地面上本起重机能够保证的
最大起重量,此起重量不超过倾翻载荷的75%;
2、表中额定起重量包括吊钩和吊具的重量;
3、表中的工作幅度是包括吊臂的变形量在内的实际值,因此一
定以工作幅度为依据进行起重作业;
4、只允许在7级风以下进行作业
5、表中起升高度及幅度均为参考值。
6、主臂起重性能表中所列参数是指不带副臂时的额定起重量,当主臂臂头装有副
臂时,主臂的额定起重量根据实际情况,应减去900kg;
4、起升高度曲线
起
升
高 度 (
m )。