重要隐蔽(关键部位)单元工程质量等级签证表
- 格式:doc
- 大小:33.00 KB
- 文档页数:2
重要隐蔽单元工程(关键部位单元工程)质量等级签证表重要隐蔽单元工程(关键部位单元工程)质量等级签证表填表说明本表是依据《水利水电工程施工质量检验与评定规程》(SL176-2007)附录F重要隐蔽单元工程(关键部位单元工程)质量等级签证表制定的。
填表时必须遵守“填表基本规则”,并符合以下要求:1、重要隐蔽单元工程指主要建筑物的地基开挖、地下洞室开挖、地基防渗、加固处理和排水等隐蔽工程中,对工程安全或使用功能有严重影响的单元工程。
关键部位单元工程指对工程安全、或效益、或使用功能有显著影响的单元工程。
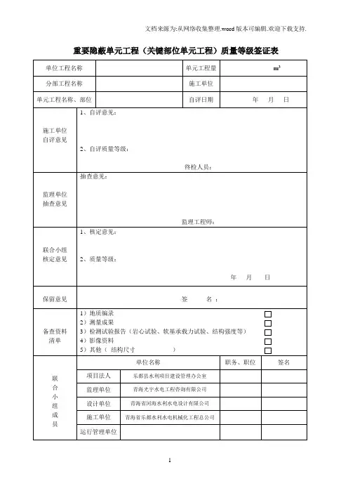
2、重要隐蔽单元工程及关键部位单元工程质量经施工单位自评合格,监理机构抽检后,由项目法人(或委托监理)、监理、设计、施工、工程运行管理(施工阶段已经有时)等单位组成联合小组,共同检查核定其质量等级并填写签证表,报质量监督机构核备。
3、质量等级签证表作为首页,备查文件必须齐备后才能进行验收,备查文件纸张一律使用A4纸打印,备查文件经验收组审查修改后,与验收证书按目录顺序一并装订在验收签证表后(包括施工记录及监理控制施工质量的过程文字及表格、图像及照片资料等)。
4、建基面地质编录:设计、监理单位配合施工单位作出建基面地质编录,说明地基的地质剖面的岩性及厚度、风化程度,不良地质情况,地下水出露的情况,利用地形图的剖面图勾划,用符号或者用文字表示开挖的地质剖面及基础表面岩性、取芯样的位置等,应有测绘人及复核人的签名,施工单位项目部要盖章5、建基面地形测绘图:要求施工单位将测量资料汇集起来,用平面图、剖面图表示出该基础的验收尺寸,要注明高程、长、宽、厚等的尺寸(以米为单位),应有测量人及复核人的签名,施工单位项目部要盖章6、检测试验报告:地基为岩芯(土基:干密度或压实度)检测报告单、超声波检测(岩石完整性)报告,关健部位单元工程必须做的质量检测(包括其使用的原材料、中间产品)。
报告必须有CMA印章及检测单位盖章,检测报告须要说明取样位置、高程等。
表0.4重要隐蔽(关键部位)单元工程质量等级签证表
填表说明
填表时必须遵守“填表基本规定”,并符合以下要求。
1.重要隐蔽(关键部位)单元工程应在项目划分时明确。
2.重要隐蔽单元工程系指主要建筑物的地基开挖、地下洞室开挖、地基防渗、加固处理和排水等隐蔽工程中,对工程安全或使用功能有严重影响的单元工程。
关键部位单元工程系指对工程安全、或效益、或使用功能有显著影响的单元工程。
3.重要隐蔽单元工程及关键部位单元工程质量经施工单位自评合格,监理机构抽检后,由项目法人(或委托监理)、监理、设计、施工、工程运行管理(施工阶段巳经有时)等单位组成联合小组,共同检查核定其质量等级并填写签证表,报质量监督机构核备。
4.地质编录系指在地质勘查、勘探中,利用文字、图件、影像、表格等形式对各种工程的地质现象进行编绘、记录的过程。
包括建基面地质剖面的岩性及厚度、风化程度、不良地质情况等,由设计部门形成书面意见,测绘人员和复核人员签字。
5.测量成果是指平面图、纵横断面图,也包括测量原始手簿、测量计算成果等。
6.检测试验报告包括地基岩芯试验报告、岩石完整性超声波检测报告、软基承载力试验报告、结构强度试验报告等,检测报告中须注明取样的平面位置和高程。
7.影像资料包括照片、图像、影像光盘等。
8.其他资料包括施工单位原材料检测资料等。
9.质量验收评定视具体单元工程类别来确定其执行的质量标准,如:土石坝心墙岩石基础开挖单元工程,则执行“岩石地基开挖施工质量标准”;混凝土防渗墙单元工程,则执行“混凝土防渗墙施工质量标准”。
表0.4 重要隐蔽(关键部位)单元工程质量等级签证表。
重要隐蔽(关键部位)单元工程质量等级签证表-标准化文件发布号:(9456-EUATWK-MWUB-WUNN-INNUL-DDQTY-KII表重要隐蔽(关键部位)单元工程质量等级签证表填表说明填表时必须遵守“填表基本规定”,并符合以下要求:1. 重要隐蔽(关键部位)单元工程应在项目划分时明确。
2. 重要隐蔽单元工程系指主要建筑物的地基开挖、地下洞室开挖、地基防渗、加固处理和排水等隐蔽工程中,对工程安全或使用功能有严重影响的单元工程。
关键部位单元工程系指对工程安全、或效益、或使用功能有显著影响的单元工程。
3. 重要隐蔽单元工程及关键部位单元工程质量经施工单位自评合格,监理机构抽检后,由项目法人(或委托监理)、监理、设计、施工、工程运行管理(施工阶段已经有时)等单位组成联合小组,共同检查核定其质量等级并填写签证表,报质量监督机构核备。
4. 地质编录系指在地质勘查、勘探中,利用文字、图件、影像、表格等形式对各种工程的地质现象进行编绘、记录的过程。
包括建基面地质剖面的岩性及厚度、风化程度、不良地质情况等,由设计部门形成书面意见,测绘人员和复核人员签字。
5.测量成果是指平面图、纵横断面图,也包括测量原始手簿、测量计算成果等。
6.检测试验报告包括地基岩芯试验报告、岩石完整性超声波检测报告、软基承载力试验报告、结构强度试验报告等,检测报告中须注明取样的平面位置和高程。
7.影像资料包括照片、图像、影像光盘等。
8.其它资料包括施工单位原材料检测资料等9.质量验收评定视具体单元工程类别来确定其执行的质量标准,如:土石坝心墙岩石基础开挖单元工程,则执行“岩石地基开挖施工质量标准”;混凝土防渗墙单元工程,则执行“混凝土防渗墙施工质量标准”。
水利水电工程。
表重要隐蔽(关键部位)单元工程质量等级签证表
填表说明
填表时必须遵守“填表基本规定”,并符合以下要求:
1. 重要隐蔽(关键部位)单元工程应在项目划分时明确。
2. 重要隐蔽单元工程系指主要建筑物的地基开挖、地下洞室开挖、地基防渗、加固处理和排水等隐蔽工程中,对工程安全或使用功能有严重影响的单元工程。
关键部位单元工程系指对工程安全、或效益、或使用功能有显着影响的单元工程。
3. 重要隐蔽单元工程及关键部位单元工程质量经施工单位自评合格,监理机构抽检后,由项目法人(或委托监理)、监理、设计、施工、工程运行管理(施工阶段已经有时)等单位组成联合小组,共同检查核定其质量等级并填写签证表,报质量监督机构核备。
4. 地质编录系指在地质勘查、勘探中,利用文字、图件、影像、表格等形式对各种工程的地质现象进行编绘、记录的过程。
包括建基面地质剖面的岩性及厚度、风化程度、不良地质情况等,由设计部门形成书面意见,测绘人员和复核人员签字。
5.测量成果是指平面图、纵横断面图,也包括测量原始手簿、测量计算成果等。
6.检测试验报告包括地基岩芯试验报告、岩石完整性超声波检测报告、软基承载力试验报告、结构强度试验报告等,检测报告中须注明取样的平面位置和高程。
7.影像资料包括照片、图像、影像光盘等。
8.其它资料包括施工单位原材料检测资料等
9.质量验收评定视具体单元工程类别来确定其执行的质量标准,如:土石坝心墙岩石基础开挖单元工程,则执行“岩石地基开挖施工质量标准”;混凝土防渗墙单元工程,则执行“混凝土防渗墙施工质量标准”。
水利水电工程。