充电放电同口的应用电路
- 格式:docx
- 大小:37.19 KB
- 文档页数:2
超级电容双向充放电电路
超级电容双向充放电电路是一种电路设计,能够实现超级电容器的双向充放电。
超级电容器是一种新型的储能器件,具有高能量密度、长寿命、快速充放电等优点,被广泛应用于能源存储、储能系统、绿色交通等领域。
该电路设计采用了充放电控制器、电压监测电路、电阻等元件,能够实现超级电容器的快速充放电,提高了能量利用效率。
同时,该电路设计还具有过充保护、过放保护等安全保护措施,保证了电路的安全可靠性。
超级电容双向充放电电路的应用范围非常广泛,可以应用于电动车、蓄电池储能系统、风能、光能储能系统等领域,为实现能源绿色低碳化、提高能源利用效率、推进新能源产业发展做出了重要贡献。
- 1 -。
锂锂电池充放电电路
“锂电池充放电电路”指的是实现锂电池充放电功能的电路。
具体来说,锂电池充放电电路负责将电能传输到锂电池中,同时控制充电和放电的过程,确保锂电池的安全使用。
在实际应用中,根据不同的应用场景和需求,有多种不同类型的锂电池充放电电路可供选择。
以下是其中几种常见的锂电池充放电电路:
1.线性充电电路:线性充电电路是一种简单的充电方式,通过电阻器和开关
的组合实现电流的控制。
这种电路结构简单,成本较低,但在充电过程中会消耗一定的能量,因此充电效率较低。
2.开关电源充电电路:开关电源充电电路利用开关管和高频变压器来实现电
压的转换和电流的控制。
这种电路充电效率高,但电路结构相对复杂,成本较高。
3.多阶段充电电路:多阶段充电电路根据锂电池的特性和充电状态,采用不
同的充电方式进行多阶段的充电过程。
这种电路可以在不同阶段采用不同的电流和电压值,从而达到最佳的充电效果。
4.智能充电电路:智能充电电路通过检测锂电池的充电状态和温度等参数,
自动调整充电电流和电压,实现智能化的充电管理。
这种电路结构复杂,成本较高,但具有更高的充电效率和安全性。
总的来说,“锂电池充放电电路”是指实现锂电池充放电功能的电路,有多种不同类型可供选择。
这些不同类型的充放电电路在实际应用中发挥着重要的作用,确保了锂电池的安全使用和高效能量传输。
rc充放电电路
1. RC充放电电路:
RC充放电电路,又称RC滤波器,是一种由电阻-电容组成的线路,它可以将瞬时电流变成慢速的变化,适用于放大电路、交流耦合、锁相环等应用。
它的结构和模型简单,非常有效,可以得到良好的充放电效果。
2. RC充放电电路原理:
RC充放电电路原理说明如下:
简单来说,RC充放电电路原理是由电阻和电容共同构成的一个电路,当电路的一端接入电源时,由于电容的电容性,电路内的电容就会充放电,其速度由电路内电阻的大小来决定,由于电容的电容性,电路内的电容会在一定时间内充电和放电,实现电流的慢速波动。
3.应用:
RC充放电电路可以用于不同的电子电路中,最常见的应用有:(1)放大电路:RC 充放电电路可以用于电路的放大,减少放大器输入的噪声,减少输入信号的波形失真。
(2)交流耦合:RC充放电电路可以用于连接两个设备,以阻止高频噪声进入其中一个设备,同时提高系统的稳定性,增强信号的精确度。
(3)锁相环:RC充放电电路可以用于构建锁相环,锁相环可以用于抑制信号的振荡,以控制信号的频率。
4.注意事项:
在使用RC充放电电路时,有一些注意事项需要遵守:
(1)电容的大小和电阻的大小决定了RC充放电电路的特性,所以在选择电容和电阻时必须根据实际情况选择合适的尺寸。
(2)功率不宜过大,以免导致元件过热。
(3)电路的布线应尽可能短,以减少电路损耗。
(4)电源应尽可能稳定,以免对电路的工作造成影响。
充放电同口充电芯片嘿,你知道充放电同口充电芯片吗?这玩意儿可真是个神奇的存在啊!它就像是一个智能的小管家,默默地在各种电子设备里辛勤工作着。
充放电同口充电芯片,它能够让充电和放电在同一个接口上进行,多么厉害呀!这就好比是一条路,既能让车辆开进去,又能让车辆开出来,而且还能把这个过程管理得井井有条。
你说神不神奇?它让我们的生活变得更加便捷,不用再为不同的接口而烦恼。
想想看,以前没有它的时候,我们得带着各种不同的充电器,乱七八糟的线缠绕在一起,简直就是一团乱麻。
但是有了充放电同口充电芯片之后呢,一下子就变得简单多啦!它就像是一位魔法大师,轻轻挥动手中的魔法棒,就把那些繁琐的问题都解决掉了。
它的作用可不仅仅是让我们方便哦!它还能提高充电效率呢,这可太重要啦!现在的人们,谁不是手机不离手呀,要是充电慢吞吞的,那可真是让人着急上火。
但是充放电同口充电芯片就能让充电速度蹭蹭往上涨,就像给手机注入了一股强大的能量,让它瞬间活力满满。
而且哦,它还很耐用呢!不像有些东西,用着用着就出毛病了。
充放电同口充电芯片就像是一个坚强的战士,不管遇到什么困难,都能坚守岗位,为我们的设备保驾护航。
它能经历无数次的充放电循环,依然稳定可靠,这是多么难得呀!再看看现在的各种电子产品,从手机到平板电脑,从笔记本电脑到智能手表,哪里没有它的身影呢?它就像是无处不在的小精灵,默默地为我们服务着。
没有它,这些电子产品可能就没法这么好用,我们的生活也会少了很多乐趣呢。
充放电同口充电芯片,真的是科技发展的一大成果呀!它让我们的生活变得更加美好,更加便捷,更加高效。
它就是我们身边的小英雄,虽然不起眼,但是却无比重要。
我真的觉得,我们应该好好珍惜它,好好利用它,让它为我们创造更多的价值。
难道不是吗?。
文章标题:深入探讨两节干电池串联供电的充分放电方案一、概述在日常生活中,我们经常会使用干电池来供电给各种电子设备,比如遥控器、手电筒等。
而针对某些大功率设备,常常需要用到串联干电池的方式来提供足够的电压和电流,以保证设备的正常运行。
本文将深入探讨两节干电池串联供电能够使电池充分放电的方案,帮助读者更好地理解并应用这一概念。
二、两节干电池串联供电的原理1. 串联电路的基本原理在电路中,串联是指将多个电源或电器连接在同一电路中,电流将依次通过它们。
对于两节干电池串联供电而言,就是将两节电池的正极和负极依次相连,使它们的电压和电流相加。
2. 充分放电的概念充分放电是指在供电过程中,保证电池内部的各种材料和电解质都能够得到有效的反应和使用,从而充分释放电池的储能。
三、两节干电池串联供电的充分放电方案1. 使用匹配的电池在进行两节干电池串联供电时,需要确保使用匹配的电池,即两节电池的型号、容量和电流放电性能尽可能相似,以免出现电压不均或电流不匹配的情况。
2. 采用合适的负载电路负载电路决定了两节干电池串联供电的放电速度和稳定性。
选用合适的负载电路能够使电池充分放电,同时避免过度放电,提高电池的使用寿命。
3. 充分利用电池的剩余能量在实际使用中,两节干电池串联供电可能会出现一定程度的不均衡,比如一节电池的放电速度快于另一节。
需要采取一些措施来充分利用电池的剩余能量,比如采用电压升压器等设备来提高电压并确保充分放电。
四、个人观点和理解在我看来,两节干电池串联供电能够使电池充分放电方案非常重要,可以有效提高电池的利用率和性能稳定性。
通过合理选择电池、负载电路和充分利用剩余能量,可以最大限度地实现电池的充分放电,延长电池的使用寿命,更好地满足设备对电源的需求。
五、总结通过本文的深入探讨,我们对两节干电池串联供电能够使电池充分放电的方案有了更全面和深入的理解。
在实际应用中,我们应该根据具体情况选择合适的电池和负载电路,以实现电池的充分放电,并始终关注电池的使用状态,以确保设备正常运行和电池的长期稳定性。
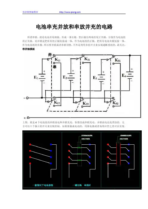
电池串充并放和串放并充的电路所谓串联,就是电池首尾相接,形成一条长链,然后露出两端首尾正负极,分别作为电池组的正负极,而并联是把所有的正极短接成一体,作为电池组的正极,把所有电池负极短接一体,作为电池组的负极。
所以要并联或者串联切换,不外是利用多组开关来实现通断重组的,请关注:容济触摸板上图,就是4个电池组的串联放电和并联充电,你想改成串联充电,并联放电也是类似的。
完全可以六个独立的开关来实现控制,如果要搞成电动的,用继电器或者场效应管之类可以实现。
平面接线原理如图中所示的那样,以48V电瓶为例,滚轴其实是在方块中间的洞里的,滚轴有三个横穿滚轴的导电块,且与导电块呈90度方向的滚轴的侧壁有两条导电条。
方块中间有个洞,两侧各有4个有弹性的接触件接至电池各极。
滚轴在方块中呈0度时,4个电池是并联的;当滚轴转过90度,4个电池是串联的。
导电块、导电带、接触件所占圆周的尺寸不超过圆周总长的一半,不会出现同时接触而短路的情况。
以上只是其中一种切换方式,当然滚轴也可以变形成一块活动板,活动板上下运动来切换串并,大概方式如下图:这种切换开关可以用电木和铜条自己加工。
要做到防水也不难。
也可以直接买这种开关,可见,开关的24个触点是相互独立的,相对的两个触点可以是导通或断路状态,由中间带方孔的塑料块的朝向控制。
开关拆出来时塑料块的朝向是不同的,图中已经把塑料块装成了统一的朝向,这样拧动开关开关的状态就是A\B面统一导通或断路。
开关每扭一次转45度,8个方向有4个方向是某面导通状态,4个方向是双面均断路的状态,如下图,假设触点在塑料块左右:由此,可完全不担心AB面同时接通了。
然后根据这个重排后的开关画了如下的接线图:这样接线,可实现不加多充电接口,就用放电口实现电池的并联充电。
在上图接线面A任意两个红蓝触点(除了放电那两个触点)之间并一个电阻一个LED(LED装在开关面版上)这样切换至并联时LED两起,可作为指示。
锂电池边冲边放电路
锂电池边充边放电路是一种特殊的电路设计,可以实现同时给锂电池充电和放电的功能。
一般情况下,锂电池边充边放电的电路由充电控制电路和放电控制电路组成。
充电控制电路通常包括锂电池充电管理芯片和充电电流控制器。
锂电池充电管理芯片负责监控电池的电压、电流和温度等参数,并根据这些参数控制充电过程中的电流和电压。
充电电流控制器则根据充电管理芯片的控制信号,调节充电电流的大小和充电时间。
放电控制电路通常包括放电电流控制器和电池保护电路。
放电电流控制器负责监控电池的电流,并根据设定的放电电流范围来控制放电电流。
电池保护电路则负责监控电池的电压和温度等参数,一旦参数超出设定的安全范围,保护电路会自动切断电池的放电和充电,以防止电池损坏或发生危险。
通过以上的电路设计,锂电池就可以实现在充电和放电之间的切换,实现边充边放的功能。
这在一些需要同时充电和供电的应用场景中非常有用,如无线耳机、便携式音箱等。
但需要注意的是,锂电池的边充边放电需要谨慎设计,以确保锂电池的安全和稳定运行。
(10)授权公告号 (45)授权公告日 2014.12.24C N 204046213U (21)申请号 201420387944.4(22)申请日 2014.07.15H02J 7/00(2006.01)(73)专利权人深圳市锐深科技有限公司地址518000 广东省深圳市宝安区大浪街道浪口社区华霆路78号鹏腾达工业园二栋一楼B 分隔体(72)发明人柳海龙(74)专利代理机构深圳国鑫联合知识产权代理事务所(普通合伙) 44324代理人邓扬(54)实用新型名称一种充放电同口控制电路(57)摘要本实用新型公开了一种充放电同口控制电路,包括继电器,所述继电器连接在BMS 系统上,该继电器是单极常开直流接触器,所述继电器包括充电继电器和放电继电器,在充电继电器两端和放电继电器两端分别并联一个续流二极管;在充电继电器两端和放电继电器两端分别并联一个二极管;所述充电继电器和放电继电器形成串联结构;在所述充电继电器上连接有充电继电器控制MOS ,在所述放电继电器上连接有放电继电器控制MOS ,在所述充电继电器控制MOS 和放电继电器控制MOS 两端分别并联一个稳压二极管和一个MOS 栅极源极保护电阻。
本实用新型的继电器导通电阻较小,减小了电池组工作时在接触器上的损耗,从而可应用于大电流充放电场合。
(51)Int.Cl.权利要求书1页 说明书3页 附图1页(19)中华人民共和国国家知识产权局(12)实用新型专利权利要求书1页 说明书3页 附图1页(10)授权公告号CN 204046213 U1.一种充放电同口控制电路,包括继电器,所述继电器连接在BMS系统上,其特征在于,该继电器是单极常开直流接触器,所述继电器包括充电继电器和放电继电器,在充电继电器两端和放电继电器两端分别并联一个续流二极管;在充电继电器两端和放电继电器两端分别并联一个二极管;所述充电继电器和放电继电器形成串联结构;在所述充电继电器上连接有充电继电器控制MOS,在所述放电继电器上连接有放电继电器控制MOS,在所述充电继电器控制MOS和放电继电器控制MOS两端分别并联一个稳压二极管和一个MOS栅极源极保护电阻;所述继电器的线圈电压正极设置在所述继电器的一端,所述继电器的线圈电压负极设置在所述稳压二极管的一端,所述稳压二极管的另一端作为BMS系统充放电控制信号的接口;所述BMS系统充放电控制信号先控制充放电继电器控制MOS,再由充放电继电器控制MOS控制充放电继电器。
专利名称:一种实用的边充电边放电电路专利类型:实用新型专利
发明人:陈孝如,袁永亮,肖检平
申请号:CN201821949543.8
申请日:20181123
公开号:CN208923883U
公开日:
20190531
专利内容由知识产权出版社提供
摘要:本实用新型公开一种实用的边充电边放电电路,其特征在于,包括电池、USB充电器、USB输入接口和与USB输入接口电连接的充电器给系统供电电路、电池给系统供电电路、充电器给电池充电电路,所述充电器给系统供电电路另一端与USB充电器电连接,所述电池给系统供电电路另一端分别与USB充电器和电池正极电连接,所述充电器给电池充电电路另一端与电池正极电连接,所述电池负极接地。
本实用新型可让充电器给电池边充电边给系统供电,系统正常工作中将电池充电和系统供电分开,很好的保护了电池,并减少了电池的充电时间,延长电池使用寿命。
申请人:深圳市云盛科技有限公司
地址:518000 广东省深圳市宝安区新安街道留仙二路润恒电子厂区2号厂房、3号厂房之3号厂房第三层C
国籍:CN
代理机构:深圳市中科创为专利代理有限公司
更多信息请下载全文后查看。
rc并联充放电电路
RC并联充放电电路是一种常见的电路,由电阻和电容器组成。
在该电路中,当电容器充满电荷时,它会通过电阻缓慢地释放这些电荷。
这种方式可以用于许多应用,例如在摄影中使用闪光灯或者在音频设备中使用滤波器。
RC并联充放电电路的基本原理是利用一个外部的直流或脉冲信号来给电容器充电,并通过一个内置的阻抗来控制其放电速度。
该阻抗可以是一个简单的固定值或者是一个可变值。
在这个过程中,当信号源给出一个正脉冲时,它会将正极连接到外部信号源,同时将负极连接到地面。
这样就会使得外部信号源通过电容器向地面放出一些能量。
然后,在下一个周期内,当信号源给出一个负脉冲时,它会将正极连接到地面,并将负极连接到外部信号源。
这样就会使得外部信号源通过反向方向向着同样的方向再次放出能量。
在这个过程中,由于阻抗的存在,每个周期内只有一小部分能量被释放出来,并且随着时间的推移,电容器中的电荷会逐渐减少。
这就是RC并联充放电电路如何工作的基本原理。
在实际应用中,RC并联充放电电路有许多不同的变体和应用。
例如,在音频设备中,它可以被用来滤除高频噪音或者平滑掉信号波形。
在摄影中,它可以被用来控制闪光灯的亮度和持续时间。
总之,RC并联充放电电路是一种非常有用的电路,可以被广泛应用于许多不同的领域。
无论你是一个爱好者还是专业人士,在学习和理解这个电路时都会得到很大的帮助。
同口充放电协议芯片
同口充放电协议芯片是指一种用于电动汽车(EV)充电系统的集成电路芯片,可实现充电枪与电动汽车之间进行通信和数据交换,从而控制电池充放电过程。
该芯片内置同口充放电协议,可以确保充电电流、电压、功率等参数在安全范围内,保护电动汽车电池的安全和寿命。
同口充放电协议芯片主要由电源管理芯片、通信芯片、控制芯片组成,通过CAN、LIN、RS-485等通信接口与充电桩进行通信,实现充电桩与电动汽车之间的数据交换和控制。
该芯片不仅能够支持国际标准的CHAdeMO、CCS、AC和GB/T等充电协议,还能适配各种不同的充电枪标准,具有很高的兼容性和灵活性。
同口充放电协议芯片的应用范围广泛,包括电动汽车充电桩、电动汽车充电站、新能源公交车充电系统等。
随着电动汽车的普及和充电设施的增加,同口充放电协议芯片的需求也会不断增加,成为电动汽车充电领域中不可或缺的一部分。
rc并联充放电电路一、引言在电子领域,对于电路的充放电需求十分常见。
为了满足充电和放电过程中的不同要求,研究人员提出了各种不同类型的充放电电路。
本文将着重介绍一种常见且有效的电路:rc并联充放电电路。
首先我们将对rc并联充放电电路进行整体介绍,并详细探讨其工作原理、应用场景以及设计要点等。
二、rc并联充放电电路的工作原理rc并联充放电电路是由电阻(R)和电容(C)组成的并联电路。
在工作原理上,它基于电阻和电容在电流变化中的相互作用。
2.1 充电阶段在充电阶段,当电路中施加一个直流电压源时,电容开始充电。
电容充电的过程可以用以下公式表示:V c(t)=V in(1−e−t R⋅C)其中,V c(t)表示电容上的电压,V in表示输入电压,t表示时间,R表示电阻值,C 表示电容值。
当t趋于无穷大时,电容达到充电准确值,即V c(t)=V in。
2.2 放电阶段在放电阶段,当直流电压源断开时,电容开始放电。
电容放电的过程可以用以下公式表示:V c(t)=V out(e−t R⋅C)其中,V out表示输出电压。
当t趋于无穷大时,电容放电至0,即V c(t)=0。
三、rc并联充放电电路的应用场景rc并联充放电电路在实际应用中具有广泛的应用场景。
下面我们将详细介绍几个典型的应用场景。
3.1 电子设备充电电路在现代电子设备中,它们往往需要通过电池对其进行供电。
为了确保电池的长寿命和安全性能,需要一个合适的充电电路。
rc并联充放电电路正好满足这种要求,可以对电池进行充电,并控制充电速度,以达到最佳的充电效果。
3.2 摄像设备闪光灯摄像设备中的闪光灯通常需要放电脉冲来提供亮度较高的光源。
rc并联充放电电路可以提供一个稳定且可控的放电脉冲,确保摄像设备的闪光灯获得准确的输出亮度。
3.3 电子钟/定时器电子钟和定时器往往需要一个稳定的时钟信号来进行计时。
rc并联充放电电路可以提供一个稳定的时钟脉冲信号,并通过调整电容和电阻的数值来控制时钟的频率。
锂电池分口同口法规
锂电池分口同口指的是锂电池保护板的输出端口设计方式。
分口设计是指保护板的输出端口分为多个接线口,每个接线口对应一个电池单体或电池组。
这样可以实现电流在不同接线口之间的分流,每个接线口可独立工作。
分口设计通常用于较大容量的电池包或应用场景,可以平衡电池单体之间的充放电差异,提供更好的电流分配和保护性能。
同口设计是指充电和放电用同一个接口,只用2根线。
在选择同口或分口设计时,需根据具体的应用需求和电池包的规模来决定。
例如,对于小型电池包或简单应用,同口设计可能更加方便;而对于大型电池包或需要更精确的电流控制和保护功能的应用,分口设计可能更合适。
此外,根据《中华人民共和国安全生产法》规定,生产经营单位的特种作业人员必须按照国家有关规定经专门的安全作业培训,取得相应资格,方可上岗作业。
生产经营单位应当对从业人员进行安全生产教育和培训,保证从业人员具备必要的安全生产知识,熟悉有关的安全生产规章制度和安全操作规程,掌握本岗位的安全操作技能。
未经安全生产教育和培训合格的从业人员,不得上岗作业。
如需更多与锂电池相关的法规信息,可以查阅国家市场监督管理总局、工业和信息化部发布的《关于做好锂离子电池产业链供应链协同稳定发展工作的通知》,或咨询相关行业的专家或机构。
充电电路:具有放电功能的手机电池充电路电路图1.电路及工作原理:带放电功能的手机锂电池充电器电原理如附图所示,其电路结构可分为两部分:(1)由运算放大器A1—A4和IC1稳压器以及三极管BG1等组成放电器电路,其中A1组成电压-电压转换器,可将IC1产生的2.5V电压经A1转换成3.0V,并由A2电压跟随器输出作为放电器的参考电压。
放电器核心电路由A3与A4互补连接组成R—S触发器,控制放电管BG1的导通与截止;(2)充电电路由IC2组成DC/DC降压型开关稳压器,输出4.2V稳压电压,作为定压式充电器电源。
对电池EC充电。
工作过程:接通输进Vi电源、装进电池EC,按一下S1,R—S触发器翻转,A4输出高电平,通过R11使BG1导通,电池开始放电,放电指示LED2点亮.同时A3输出通过D2将定时电容C2钳位。
IC2组成开关电源,因此时内部“停振”而无输出,直至EC放电至3.0V。
R—S触发器又翻转,A4输出变为低成平,导致BG1截止.LED2熄灭,放电结束。
另一路A3导致D2截止,IC2开关电源“启动”输出4.2V稳定电压,对电池作定压充电,LED1点亮作充电指示。
2.元器件选择:集成电路:IC1型号为TL431,TO-92封装;IC2型号为MC34063,双列直插8脚;A1—A4型号LM32 4.双列直插14脚,市场上常见。
电阻电容为特殊规格:R1与R2、R6与R7精度为1%,用万用表检测一下。
越正确越好。
定时电容C2应选择CBB型,C3应选高频特性的电解,其余为常规的。
续流二极管D1选取肖特基二极管,相近快恢复二极管也可代用。
三极管BG1为NPN型、放大倍数β>100。
输进电源可选取市场上9V~12V的电源适配器,输出电流为500mA即可。
3.使用:本机使用与通用品相近,只是将电池放完之后才充电,无任何不利因素。
新购置的电池,经布满之后,按一下S1即进进放电,放电电流为100mA,例如:电池为3.6V/1000mAh的规格,放电时间9—1 0h,LED2熄灭,即为合格品,否则可判定为赝品。
7.4v充放电管理电路近年来,随着电子产品的迅速发展和智能化程度的提高,对于电池管理电路的需求也越来越大。
其中,7.4V充放电管理电路在许多应用中扮演着重要的角色。
本文将介绍7.4V充放电管理电路的构成原理、工作方式以及其在实际应用中的优势。
一、构成原理7.4V充放电管理电路主要由充电模块、放电模块、电池保护模块和控制模块组成。
充电模块负责对电池进行充电,放电模块则负责将电池的电能释放出来供给电子设备使用。
电池保护模块则起到保护电池的作用,避免过充、过放、过流等情况对电池造成损害。
控制模块负责对整个电路进行控制和管理,确保充放电的稳定性和安全性。
二、工作方式在充电过程中,当电池电压低于设定值时,充电模块开始工作,将外部电源的电能通过充电电路传递给电池,直到电池电压达到设定值为止。
在放电过程中,当有负载需要供电时,放电模块则将电池的电能传递给负载,以满足负载的工作需要。
当电池电压过高或过低时,电池保护模块会自动切断电路,以保护电池的安全。
三、实际应用中的优势1. 稳定性:7.4V充放电管理电路可以提供稳定的电源输出,保证负载工作的稳定性和可靠性。
在电池电压波动较大的情况下,充放电管理电路能够实时调整充放电电流,以保持一个较为稳定的输出电压。
2. 安全性:电池保护模块在电池电压过高或过低时会进行保护措施,避免电池损坏和安全事故的发生。
例如,在电池电压过高时,保护模块通过切断电路来避免过充;在电池电压过低时,保护模块则会切断输出电路以保护电池不过放。
3. 高效性:7.4V充放电管理电路在充放电过程中能够实现高效能量转换,最大程度地利用电池的能量,并减少能量的损耗。
同时,充放电管理电路还可以配备能量回馈功能,将负载释放的能量回馈给电池,提高能量的利用效率。
4. 可扩展性:7.4V充放电管理电路可以根据实际需求进行配置和扩展。
例如,可以根据负载的功率大小来选择合适的充放电模块,以满足不同负载的供电需求。
此外,充放电管理电路还可以与智能控制系统结合,实现远程监控和控制,提高管理的便利性和效率。
充电放电同口的应用电路
充电放电同口的应用电路在我们日常生活中应用广泛,比如电源
适配器、电池充电器等电子设备中都有这种电路。
本文将围绕这个主题,从几个方面来详细介绍充电放电同口的应用电路。
一、充电放电同口电路的基本原理
充电放电同口电路的基本原理是利用二极管的单向导电特性,将
充电和放电时的电流控制在同一个电口中流通。
当电池需要充电时,
电流会通过电源适配器的直流输出端口流向电池的正极端;而当电池
需要放电时,从正极端开始的电流则按照相反的方向流回适配器的输
出端口。
由于电池内阻和导线电阻等原因,充电和放电时的电压和电
流不同,因此需要对适配器的输出电流进行控制,以确保电池的充放
电状况。
二、充电放电同口电路的应用
1. 电源适配器:在电子设备中,电源适配器是一个必不可少的
电子元件。
电源适配器的设计原理就是基于充电放电同口电路,通过
控制输出电压和电流来满足设备的功率需求。
通常,电源适配器会附
带各种电源连接头,以适配不同品牌和型号的电子设备。
2. 电池充电器:充电器是广泛应用充放电同口电路的另一个设备。
不管是家用电器还是移动电源,它们的充电过程都是基于这一原
理来实现的。
充电器通过控制输出电流和电压,使电池在充电过程中
保持稳定电流,以避免过充和过放等危险。
3. 可充电电池保护电路板:除了充电器外,可充电电池还需要
保护电路板来保证安全和稳定的工作。
保护电路板中应用了充放电同
口电路,可以检测电池的电压和电流状态,以保护其充放电过程,避
免短路和电池过充等危险情况发生。
三、充电放电同口电路的优缺点
充电放电同口电路的优点在于方便、快捷且成本低廉。
由于只需
要一个电口实现充放电过程,可以避免出现插错电源和充电器的情况,
方便了日常使用。
此外,充放电同口电路的内部电路结构也更简单,因此成本更低。
不过,充放电同口电路的缺点也不可忽视。
首先,由于是通过单向导电特性实现的,因此电容的充放电不如电阻电容电路那么平稳,容易产生电容冲击现象。
其次,当充电器或电池内部出现故障时,若继续使用可能会对电子设备和电池造成损坏,因此需要定期进行检修和更换。
综上所述,充电放电同口的应用电路在我们的日常生活中扮演着重要的角色,具有广泛的应用前景。
我们应该充分理解其基本原理和应用场景,以保障日常使用的安全与便利。