TN-S、TN-C、三相四线制、三相五线制
- 格式:docx
- 大小:16.56 KB
- 文档页数:4
浅析TN电力系统零线多点重复接地的必要性1、低压线路零线多点重复接地的概念在我国0.4kV低压配电系统中,变压器的中性点广泛采用中性点直接接地的运行方式,亦称为TN系统。
TN系统的特点是电气设备的外露可导电部分直接与系统接地点相连,根据IEC标准按N线和保护线(PE线)的不同组合情况将TN系统分为以下三种:如图1所示。
图1 TN系统三种形式(1)TN-C系统:即三相四线制,在系统内中性线(零线N)和保护线(接地线PE)合一的,称为PEN线。
(2)TN-S系统:即三相五线制,在系统内中性线(零线N)和保护线(接地线PE)分开的,互为独立的两根线。
(3)TN-C-S系统:在全系统内中性线(零线N)和保护线(接地线PE)部分是合一的,局部采用专设的保护线。
零线重复接地就是在TN的系统中,除了在变压器处将其中性点直接接地外,还需将零线N的一处或多处用金属导线连接接地装置。
但需注意的是,在TN-S 系统中,即三相五线制中,因N线与PE 线是分开敷设,并且是相互绝缘的,同时与用电设备外壳相连接的是PE线而不是N线。
因此在TN-S 系统中重复接地不是对N线的重复接地,而是对PE线重复接地。
如果将PE线和N线共同接地,由于PE线与N线在重复接地处相接,重复接地点与配电变压器工作接地点之间的接线已无PE线和N线的区别,原由N线承担的中性线电流变为由N线和PE线共同承担,并有部分电流通过重复接地点分流。
这样重复接地点前侧已不存在PE线,只有由原PE线及N线并联共同组成的PEN线,原TN-S系统所具有的优点将丧失,所以不能将PE线和N线共同接地,而是将仅仅PE线重复接地。
2、TN系统零线多点重复接地的必要性TN系统中零线受电网运行中的热效应、机械效应、人为等各种因素影响均有发生断线的可能,其断线情况主要有以下几种:(1)若TN系统零线只有单点接地,一旦发生零线断线事故,系统负载端处于既不接零也不接地的无保护状态。
当电气设备漏电时,将给人身造成触电威胁。
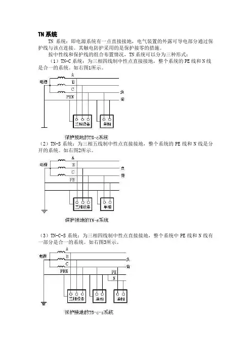
TN系统
TN系统:即电源系统有一点直接接地,电气装置的外露可导电部分通过保护线与该点连接。
其触电防护采用的是保护接零的措施。
按中性线和保护线的组合布置情况,TN系统可以分为三种形式:
(1)TN-C系统:为三相四线制中性点直接接地,整个系统的PE线和N线是合一的系统。
如右图1所示。
(2)TN-S系统:为三相五线制中性点直接接地,整个系统的PE线和N线是分开的系统。
如右图2所示。
(3)TN-C-S系统:为三相四线制中性点直接接地,整个系统中PE线和N线有一部分是合一的系统。
如右图3所示。
TT系统
TT系统即电源系统与电气装置的外露可导电部分分别直接接地的系统。
是采用保护接地的三相四线制供电系统。
如右图所示。
IT系统
IT系统为三相三线制电源中性点不直接接地,电气装置的外露导电部分接地的系统。
如右图所示。
TN-STN-CTN-C-STTIT接地系统的接线图解TN-S接地系统(整个系统的中性线和保护线是分开的)TN-C接地系统(整个系统的中性线和保护线是合⼀的)TT接地系统(TT接地系统有⼀个直接接地点,电⽓装置外露可导电部分则是接地)TN-C-S接地系统(整个系统有⼀部分的中性线和保护线是合⼀的)IT接地系统(IT接地系统的带电部分与⼤地间不直接连接,⽽电⽓装置的外露可导电部分则是接地的)字母标识第⼀字母表⽰电⼒系统的对地关系T-----⼀点接地I-----所有带电部分与地绝缘,或⼀点经阻抗接地第⼆字母表⽰装饰的外露可导电部分对地关系T-----外露可导电部分对地直接电⽓连接,与电⼒系统的任何接地点⽆关N-----外露可导电部分与电⼒系统的接地点直接电⽓连接(在交流系统中,接地点通常就是中性点)如果后⾯还有字母,这个字母表⽰中性线和保护线的组合S-----中性线和保护线是分开的C-----中性线和保护线是合⼀的(PEN线)我们国家110KV及以上系统普遍采⽤中性点直接接地系统(即⼤电流接地系统)。
35KV、10KV系统普遍采⽤中性点不接地系统或经⼤阻抗接地系统(即⼩电流接地系统)380V/220V低压配电系统按保护接地的形式不同可分为:IT系统、TT系统和TN系统。
IT系统的电源中性点是对地绝缘的或经⾼阻抗接地,⽽⽤电设备的⾦属外壳直接接地。
即:过去称三相三线制供电系统的保护接地。
TT系统的电源中性点直接接地;⽤电设备的⾦属外壳亦直接接地,且与电源中性点的接地⽆关。
即过去的三相四线制供电系统中的保护接地。
TN系统,在变压器或发电机中性点直接接地的380/220V三相四线低压电⽹中,将正常运⾏时不带电的⽤电设备的⾦属外壳经公共的保护线与电源的中性点直接电⽓连接。
即过去的三相四线制供电系统中的保护接零。
TN系统的电源中性点直接接地,并有中性线引出。
按其保护线形式,TN系统⼜分为:TN-C系统、TN-S系统和TN-C-S系统等三种。
车间供电系统中三相四线制和三相五线制供电安全性比较1、什么是三相五线制?目前车间在三相四线制(TN-C)如下图1供电系统中,三相四线制就是工作零线(N)和保护零线(PE)不分开敷设,就是没有单独的零线和地线。
图1 三相四线制接线示意图三相四线制特点:1)由于三相负载不平衡,工作零线上有不平衡电流,对地有电压,所以与保护线所联接的电气设备金属外壳有一定的电压。
2)如果工作零线断线,则保护接零的漏电设备外壳带电。
3)如果电源的相线碰地,则设备的外壳电位升高,使中性线上的危险电位蔓延。
4)TN-C系统干线上使用漏电保护器时,工作零线后面的所有重复接地必须拆除,否则漏电开关合不上;而且,工作零线在任何情况下都不得断线。
所以,实用中工作零线只能让漏电保护器的上侧有重复接地。
5)TN-C方式供电系统只适用于三相负载基本平衡情况。
而把零线的两个作用分开,即一根线做工作零线(N),另外用一根线专做保护零线(PE),这样的供电结线方式称为三相五线制供电方式。
三相五线制包括三根相线、一根工作零线、一根保护零线。
三相五线制的接线方式如下图2所示。
图2三相五线制接线示意图该接线的特点是:工作零线N与保护零线PE 除在变压器中性点共同接地外,两线不再有任何的电气连接。
由于该种接线能用于单相负载、没有中性点引出的三相负载和有中性点引出的三相负载,因而得到广泛的应用。
在三相负载不完全平衡的运行情况下,工作零线N是有电流通过且是带电的,而保护零线PE 不带电,因而该供电方式的接地系统完全具备安全和可靠的基准电位。
2、三相五线制与三相四线制的比较(1) 国际电工委员会(IEC)对供电系统作了统一规定称为TN-C、TN-S 系统。
TN-C 方式供电系统是用工作零线兼作接零保护线,可以称作保护中性线,可用NPE 表示,即常用的三相四线制供电方式,车间现在使用供电系统。
TN-S 式供电系统是把工作零线N 和专用保护线PE 严格分开的供电系统,称作TN-S 供电系统,即常用的三相五线制供电方式。
TN-C系统和TN-S系统的区别在TN系统中,电源有一点与地直接连接,负荷侧电气装置的外露可导电部分则通过保护线(PE线)与该点连接。
在TT系统中,电源有一点与地直接连接,负荷侧电气装置的外露可导电部分连接的接地极和电源的接地极无电气联系。
TN-S系统TN-C系统TN-C-S 系统TT系统首先阐述一下两者的概念:1、TN—S系统,整个系统的中性线与保护线是分开的(俗称的三相五线制)。
2、TN—C系统,整个系统的中性线与保护线是合一的(俗称的三相四线制)。
两者的区别:TN—S系统中(三相五线制),有五根线,五线是指三根火线(A、B、C)、一根工作零线(N)、一根保护零线(PE),工作零线和保护零线均由变压器的中性点引出,中性点直接接地,接地电阻R不得大于4欧姆;工作零线和保护零线均重复接地,接地电阻R不得大于10欧姆。
TN—C系统,有四根线,四线是指三根火线(A、B、C)、一根工作零线(N)。
现举例说明两者的区别:现在施工中强调要求采用三相五线制,原因是:原先低压配电系统多采用的是三相四线制,在三相四线制中,只有一根工作零线,而这根工作零线只有在三相负载平衡时,才没有电流通过,并且这时对地电压才为零。
在工程施工中,这一点是很难做到的,因为系统中的单相负载,即使在接线上能达到三相平衡,实际使用时的各相负载率是永远不会相等的。
在这种情况下,如有人触及零线的某一点,即便采用了重复接地,也会承受其值为不平衡电流乘以零线阻抗的电压而导致触电。
其次,由于中性线与保护线共用,不但要通过单相负载的工作电流、三相不平衡电流以及短路电流,还要承受意外事故的冲击电流,这样大大的加大了工作零线的负担,同时增加了断线的可能性。
断线后负载侧的中性线电压很高,可达到相电压,造成触电危险。
另外,工程施工中,经常发生相线、零线接反或者错接现象,这样也会造成严重后果。
为了改善和提高三相四线制低压电网的安全用电程度,克服上述不安全因素,380/220V 供电系统应多推广三相五线制,这样工作零线只通过单相负载的工作电流和三相不平衡电流,保护零线只作为保护接零使用,并能通过短路电流,这样就大大加强了供电的安全性和可靠性,因此,应大大推广三相五线制,尤其在工程施工中。
TN-C,TN-S,TN-C-S等系统的区别在什么?
TN-C:三相四线制供电,分别引出L1,L2,L3,PEN。
PEN为【保护接零】方式,即设备外壳连接到工作零线上(通常PEN要在用电侧进线处做重复接地)。
节省线路有色金属,工业供电常用(三相负荷相对平衡运行时,PEN线上的电流一般不太大),民用建筑不用。
TN-S:三相五线制供电,分别引出L1,L2,L3,N,PE。
N为工作零线,PE为专用【保护接地】线,即设备外壳连接到PE上。
因为用5线配电,有色金属用量大,多为民用建筑配电选择方式,对于大量单相负荷造成的三相不平衡问题,因为N为专用,平时PE不导电,安全性好。
TN-C-S:变压器引出为TN-C方式,在某级配电系统开始将PE与N从PEN中区分开(二者此后不得再见面握手),也就是该分歧点之前为TN-C型式,此后类似TN-S(不是真正的TN-S)。
对于要求不严格的民用建筑可以选用,如变压器及一级配电用TN-C,在建筑电源进线总箱处将PE从PEN中分离,建筑二级配电仍为5线制。
无论什么方式,变压器的中性点一般都是接地的(包括外壳),所以对变压器来说,PE、N是连接在一起的。
补充:
对变压器,TT、TN-S中性点接地方式相同,比如用扁钢将变压器外壳接到【总接地装置】上,变压器的N排也与之连接(可以有不同做法),但通过工作电流的N线(到开关柜)和五线制的PE必须按照设计要求,一般仍是铜排、母线。
TN-S系统中,PE、N是共同接到变压器(已经接地的)N端的。
TN-STN-S系统在总电网中N线和PE线是分开,但是在电源发生器是连接的,并且接地。
故障电流通过PE线来传导。
除具有TN-C系统的优点外,由于正常时PE线不通过负荷电流,故与PE线相连的电气设备金属外壳在电气正常运行时不带电,所以适用于数据处理和精密电子仪器设备的供电,也可用于爆炸危险环境中。
在民用建筑内部、家用电器等都有单独接地触点的插头。
采用TN-S供电既方便又安全。
TN-S系统适用于内部设有变电所的建筑物。
因为在有变电所的建筑物内为TT系统分开设置在电位上互不影响的系统接地和保护接地是比较麻烦的。
即使将变电所中性线的系统接地用绝缘导体引出另打单独的接地极,但它和与保护接地PE线连通的户外地下金属管道间的距离常难满足要求。
而在此建筑物内如采用TN-C-S系统时,其前段PEN线上中性线电流产生的电压降将在建筑物内导致电位差而引起不良后果,例如对信息技术设备的干扰。
因此在设有变电所的建筑物内接地系统的最佳选择是TN-S系统,特别是在爆炸危险场所,为避免电火花的发生,更宜采用TN-S系统。
1保护措施在TN-S电网中,通常使用小于10平方毫米截面积的中性线和保护接地线来连接放在设备的。
所允许采用的保护装置是:—过流保护装置,例如:熔断保险丝。
设置安全装置:线路保护开关。
—故障电流保护保护装置,例如:FI保护开关。
2适用范围内部设有变电所的建筑物。
因为在有变电所的建筑物内为TT系统分开设置在电位上互不影响的系统接地和保护接地是比较麻烦的。
即使将变电所中性线的系统接地用绝缘导体引出另打单独的接地极,但它和与保护接地PE线连通的户外地下金属管道间的距离常难满足要求。
而在此建筑物内如采用TN-C-S系统时,其前段PEN线上中性线电流产生的电压降将在建筑物内导致电位差而引起不良后果,例如对信息技术设备的干扰。
因此在设有变电所的建筑物内接地系统的最佳选择是TN-S系统,特别是在爆炸危险场所,为避免电火花的发生,更宜采用TN-S系统。
TN-C系统、TN-S系统、TN-C-S系统是我们常用的三种供电方式,那它有什么不同之处在我们日常生活中有什么应用呢?
工具/原料
•
TN-C系统、TN-S系统、TN-C-S
TN-C系统、TN-S系统、TN-C-S的物理定义
TN-C系统是三相四线制,四根导线颜色分为黄L1、绿L2、红L3、黄绿线PEN。
工作零线兼做保护零线。
.
.
TN-S系统是三相五线制,五根导线颜色分别为黄L1、绿L2、红L3、淡蓝N、黄绿线PE。
供电系统是工作零线和保护线是分开的。
.
.
TN-C-S系统是三相五线制,五根导线颜色分别为黄L1、绿L2、红L3、淡蓝N、黄绿线PE。
就是TN-C系统、TN-S系统合并的系统,中性导线N和保护导线PE合为一保护保护导线PEN线,二次线路中将中性导线N和保护导线PE在结构上分开。
.
.
END
.
TN-C系统、TN-S系统、TN-C-S生活中的应用
TN-C系统的PEN将PE线和N线合并的作用,可节省一根导线,比较经济。
但线路中不允许接入漏电保护器。
.
TN-S系统保护线PE 不许有开路,也不许进入漏电开关。
PE 线对地没有电压,所有设备金属外壳接保护线PE 上,安全可靠。
.
.
.
TN-C-S系统,在施工规范规定施工必须采用TN-S 方式供电系统在二次线路中后部分现场总配电箱分出PE 线,就成了TN-C-S系统。
.
.
END
.
注意事项
•
按接地方式不同也可分为TT 、TN 和IT 系统。
•。
什么是三相四线制、三相五线制?有什么区别?首先,要明白什么叫做线制,也即三相四线制的定义。
这个定义可以参见IEC 60364和GB 16895系列标准,标准的统一名称是“建筑物电气装置”。
注意这里所指的系列标准,是因为此标准号下有几十个标准,例如IEC 60364.1、IEC 60364.2、……、等等。
首先提到零线和地线就不得不说到;“三相四线制”和“三相五线制”.三相四线制是指ABC三相供电,外加一条零线。
三项五线制是指ABC三项供电,外加一条零线O,再加一条地线E;其实严格来讲,三相五线制的叫法是错误的,它的学名叫“TN-S”系统;T代表大地,N代表零线,S代表分开。
TN-S是一种接地方式,但是实际应用中,我们发现三项五线制这种叫法比较直观,所以一直沿用它,我们不用纠结这个叫法,大家知道一下就行;存在的即是合理的,所以我们仍然用三相五线制吧。
那么我们接下来说说这个三相五线制;一般在工厂中对应的是高压变压器的输出侧,指从变压器的出线侧有5根线。
对于这个电气系统,最明显的特征是多出来一个地线。
那么零线和多出来的地线分别是什么作用?零线是工作电源线,即零线是允许有电流的,有电流的话就有电势,就是电压。
地线是非工作电源,是起到保护作用的,保护人员和设备,所有设备的金属外壳都接到地线上了,操作人员会直接接触到,所以不应该有持续的电流,只允许有非常微弱的感应电流。
大家看上图可看到,零线和地线最终连到了一起,所以用表测是接通的,那么为什么不能混用呢?其根本原因就是虽然最终都汇到一起,但是一个是有电流的,另一个是没有电流的。
我给大家举个例子。
假设工厂有一个变压器,四套设备,设备供电如上图。
(工厂实际的供电系统远比上图更加复杂,混乱)其中1#2#设备是按照规范安装接线使用,3号把应该接到零线上的电源线接到地线上,4号则接线正常,但把零线地线接到一起了,那么会有什么问题?1#2#连接正常所以,零线有电流,地线只有一些感应电流,非常弱小,几乎检测不到;但是3#4#接错了,所以3#4#的地线有电流,它的电流应该是3#设备的零线电流加上4#设备的一部分零线电流,而这些电流也会污染1#2#的地线,也就导致这一支路的地线带电流了。
低压供电系统中三相四线制和三相五线制三相四线制就是动力负载和照明负载共用-根零线。
三相五线是动力照明分开。
三相四线制:相线A、B、C,保护零线PEN,PEN线上有工作电流通过,PEN在进入用电建筑物处要做重复接地;三相五线制:相线A、B、C,零线N,保护接地线PE,N线有工作电流通过,PE线平时无电流(仅在出现对地漏电或短路时有故障电流);前者属于TN-C接地系统,后者属于TN-S接地系统。
如今我国民用建筑的配电方式采用后者。
三相四线制分两种情况:TN-S:L1L2L3+PE(保护线)+N(中性线)TN-C:L1L2L3+PEN(二者合一)三相五线制有一种情况:TN-C-S:L1L2L3+前半部PEN,后半部PE+N具体如下:低压系统接地制式按配电系统和电气设备接地的不同组合分类,可分为TN、TT、IT三种形式,其文字代号的意义如下:1、第一个字母表示配电系统的对地关系:T:电源端有一点直接接地;I:电源端所有带电部分与地绝缘,或有一点经阻抗接地。
2、第二个字母表示电气装置的外露导电部分与地的关系:T:外露导电部分对地直接做电气连接,与配电系统的任何接地点无关;N:外露导电部分与配电系统的接地点直接做电气连接(在交流配电系统中,接地点通常就是中性点)在TN系统中,所有电气设备的外露导电部分接到保护线上,与配电系统的接地点相连接。
这个接地点通常是配电系统的中性点。
如果没有中性点(如配电变压器二次侧为三角形接线)或未引出中性点,可将变压器二次侧的一相接地,但该接地线不能用作PEN线。
保护线应在每个变电所附近接地。
配电系统引入建筑物时,保护线在其入口处接地。
为了在故障时,保护线的电位尽量接近地电位,应尽可能将保护线与附近的有效接地极相连,如有必要,可增加接地点,并使其均匀分布。
根据中性线N与保护线PE是否合并的情况,TN系统又分为TN-C、TN-S及TN-C-S。
1、在TN-C系统中,保护线与中性线合并为PEN线,具有简单、经济的优点。
TN-C系统和TN-S系统的区别在TN系统中,电源有一点与地直接连接,负荷侧电气装置的外露可导电部分则通过保护线(PE线)与该点连接。
在TT系统中,电源有一点与地直接连接,负荷侧电气装置的外露可导电部分连接的接地极和电源的接地极无电气联系。
TN-S系统TN-C系统TN-C-S 系统TT系统首先阐述一下两者的概念:1、TN—S系统,整个系统的中性线与保护线是分开的(俗称的三相五线制)。
2、TN—C系统,整个系统的中性线与保护线是合一的(俗称的三相四线制)。
两者的区别:TN—S系统中(三相五线制),有五根线,五线是指三根火线(A、B、C)、一根工作零线(N)、一根保护零线(PE),工作零线和保护零线均由变压器的中性点引出,中性点直接接地,接地电阻R不得大于4欧姆;工作零线和保护零线均重复接地,接地电阻R不得大于10欧姆。
TN—C系统,有四根线,四线是指三根火线(A、B、C)、一根工作零线(N)。
现举例说明两者的区别:现在施工中强调要求采用三相五线制,原因是:原先低压配电系统多采用的是三相四线制,在三相四线制中,只有一根工作零线,而这根工作零线只有在三相负载平衡时,才没有电流通过,并且这时对地电压才为零。
在工程施工中,这一点是很难做到的,因为系统中的单相负载,即使在接线上能达到三相平衡,实际使用时的各相负载率是永远不会相等的。
在这种情况下,如有人触及零线的某一点,即便采用了重复接地,也会承受其值为不平衡电流乘以零线阻抗的电压而导致触电。
其次,由于中性线与保护线共用,不但要通过单相负载的工作电流、三相不平衡电流以及短路电流,还要承受意外事故的冲击电流,这样大大的加大了工作零线的负担,同时增加了断线的可能性。
断线后负载侧的中性线电压很高,可达到相电压,造成触电危险。
另外,工程施工中,经常发生相线、零线接反或者错接现象,这样也会造成严重后果。
为了改善和提高三相四线制低压电网的安全用电程度,克服上述不安全因素,380/220V 供电系统应多推广三相五线制,这样工作零线只通过单相负载的工作电流和三相不平衡电流,保护零线只作为保护接零使用,并能通过短路电流,这样就大大加强了供电的安全性和可靠性,因此,应大大推广三相五线制,尤其在工程施工中。
TN-C系统和TN-S系统的区别在TN系统中,电源有一点与地直接连接,负荷侧电气装置的外露可导电部分则通过保护线(PE线)与该点连接。
在TT系统中,电源有一点与地直接连接,负荷侧电气装置的外露可导电部分连接的接地极和电源的接地极无电气联系。
TN-S系统TN-C系统TN-C-S 系统TT系统首先阐述一下两者的概念:1、TN—S系统,整个系统的中性线与保护线是分开的(俗称的三相五线制)。
2、TN—C系统,整个系统的中性线与保护线是合一的(俗称的三相四线制)。
两者的区别:TN—S系统中(三相五线制),有五根线,五线是指三根火线(A、B、C)、一根工作零线(N)、一根保护零线(PE),工作零线和保护零线均由变压器的中性点引出,中性点直接接地,接地电阻R不得大于4欧姆;工作零线和保护零线均重复接地,接地电阻R不得大于10欧姆。
TN—C系统,有四根线,四线是指三根火线(A、B、C)、一根工作零线(N)。
现举例说明两者的区别:现在施工中强调要求采用三相五线制,原因是:原先低压配电系统多采用的是三相四线制,在三相四线制中,只有一根工作零线,而这根工作零线只有在三相负载平衡时,才没有电流通过,并且这时对地电压才为零。
在工程施工中,这一点是很难做到的,因为系统中的单相负载,即使在接线上能达到三相平衡,实际使用时的各相负载率是永远不会相等的。
在这种情况下,如有人触及零线的某一点,即便采用了重复接地,也会承受其值为不平衡电流乘以零线阻抗的电压而导致触电。
其次,由于中性线与保护线共用,不但要通过单相负载的工作电流、三相不平衡电流以及短路电流,还要承受意外事故的冲击电流,这样大大的加大了工作零线的负担,同时增加了断线的可能性。
断线后负载侧的中性线电压很高,可达到相电压,造成触电危险。
另外,工程施工中,经常发生相线、零线接反或者错接现象,这样也会造成严重后果。
为了改善和提高三相四线制低压电网的安全用电程度,克服上述不安全因素,380/220V 供电系统应多推广三相五线制,这样工作零线只通过单相负载的工作电流和三相不平衡电流,保护零线只作为保护接零使用,并能通过短路电流,这样就大大加强了供电的安全性和可靠性,因此,应大大推广三相五线制,尤其在工程施工中。
TN-S
TN-S系统在总电网中N线和PE线是分开,但是在电源发生器是连接的,并且接地。
故障电流通过PE线来传导。
除具有TN-C系统的优点外,由于正常时PE线不通过负荷电流,故与PE线相连的电气设备金属外壳在电气正常运行时不带电,所以适用于数据处理和精密电子仪器设备的供电,也可用于爆炸危险环境中。
在民用建筑内部、家用电器等都有单独接地触点的插头。
采用TN-S供电既方便又安全。
TN-S系统适用于内部设有变电所的建筑物。
因为在有变电所的建筑物内为TT系统分开设置在电位上互不影响的系统接地和保护接地是比较麻烦的。
即使将变电所中性线的系统接地用绝缘导体引出另打单独的接地极,但它和与保护接地PE线连通的户外地下金属管道间的距离常难满足要求。
而在此建筑物内如采用TN-C-S系统时,其前段PEN线上中性线电流产生的电压降将在建筑物内导致电位差而引起不良后果,例如对信息技术设备的干扰。
因此在设有变电所的建筑物内接地系统的最佳选择是TN-S系统,特别是在爆炸危险场所,为避免电火花的发生,更宜采用TN-S系统。
1保护措施
在TN-S电网中,通常使用小于10平方毫米截面积的中性线和保护接地线来连接放在设备的。
所允许采用的保护装置是:
—过流保护装置,例如:熔断保险丝。
设置安全装置:线路保护开关。
—故障电流保护保护装置,例如:FI保护开关。
2适用范围
内部设有变电所的建筑物。
因为在有变电所的建筑物内为TT系统分开设置在电位上互不影响的系统接地和保护接地是比较麻烦的。
即使将变电所中性线的系统接地用绝缘导体引出另打单独的接地极,但它和与保护接地PE线连通的户外地下金属管道间的距离常难满足要求。
而在此建筑物内如采用TN-C-S系统时,其前段PEN线上中性线电流产生的电压降将在建筑物内导致电位差而引起不良后果,例如对信息技术设备的干扰。
因此在设有变电所的建筑物内接地系统的最佳选择是TN-S系统,特别是在爆炸危险场所,为避免电火花的发生,更宜采用TN-S系统。
TN-C
T:电源的一点(通常是中性线上的一点点)与大地直接连接(T是“大地”一词法文Terre的第一个字母)。
N:外露导电部分通过与接地的电源中性点的连接而接地(N是“中性点”—词法文Neutre的第一个字母)。
C:把PE线和N线合起来(C是“合并”一词英文Combine的首字母)。
TN-C系统内的PEN线兼起PE线和N线的作用,可节省一根导线,比较经济。
三相四线制与三项五线制的区别
三相四线制:相线A、B、C,保护零线PEN,PEN线上有工作电流通过,PEN 在进入用电建筑物处要做重复接地;属于TN-C接地系统.
三相五线制:相线A、B、C,零线N,保护接地线PE,N线有工作电流通过,PE线平时无电流(仅在出现对地漏电或短路时有故障电流);我国民用建筑的配电方式采用TN-S接地系统。
在TN-C系统中,保护线与中性线合并为PEN线,具有简单、经济的优点。
当发生接地故障时,故障电流大,可采用一般过电流保护电器切断电源,以保证安全。
但对于单相负荷或三相不平衡负荷以及有谐波电流负荷的线路,正常PEN 线有电流,其所产生的压降呈现在电气设备的金属外壳和线路金属套管上,这对敏感的电子设备不利。
另外,PEN线上的微弱电流在爆炸危险环境也能引起爆炸,因此,我国《爆炸危险环境电力设备设计规范》中明确规定:在1、10区爆炸危险环境中不能采用TN-C系统。
同时由于PEN线在同一建筑物内往往相互有电气连接,当PEN线断线或相线直接与大地短路时,都将呈现相当高的对地故障电压,这时可能扩大事故范围。
在TN-S系统中,保护线与中性线分开(从变压器起就用五线供电),具有TN-C
系统的优点,但价格较贵。
由于正常情况下PE线不通过负荷电流,与PE线相连的电气设备金属外壳不带电位,所以适用于数据处理和精密电子仪器设备的供电,也可用于有爆炸危险的环境中。
在民用建筑中,家用电器大都有单独接地极的插头,采用TN-S供电,既方便又安全。
一、在三相四线制制供电系统中,把零干线的两个作用分开,即一根线做工作零线(N),另外用一根线专做保护零线(该结线的点是: 工作零线N与保护零线PE 除在变压器中性点共同接地外,两线不再有任何的电气连接。
由于该种结线能用于单相负载,没有中性点引出的三相负载和有中性点引出的三相负载,因而得到广泛的应用。
在三相负载不完全平衡的运行情况下,工作零线N是有电流通过且是带电的,而保护零线PE不带电,因而该供电方式的接地系统完全具备安全和可靠的基准电位。
二、三相五线制供电的原理
众所周知,在三相四线制供电中由于三相负载不平衡时和低压电网的零线过长且阻抗过大时,零线将有零序电流通过,过长的低压电网,由于环境恶化,导线老化、受潮等因素,导线的漏电电流通过零线形成闭合回路,致使零线也带一定的电位,这对安全运行十分不利。
在零干线断线的特殊情况下,断线以后的单相设备和所有保护接零的设备产生危险的电压,这是不允许的。
如采用三相五线制供电方式,用电设备上所连接的工作零线N和保护零线PE是分别敷设的,工作零线上的电位不能传递到用电设备的外壳上,这样就能有效隔离了三相四线制供电方式所造成的危险电压,使用电设备外壳上电位始终处在“地”电位,从而消除了设备产生危险电压的隐患。
三、对三相五线制敷设的要求
(1) 在用绝缘导线布线时,保护零线应用黄绿双色线,工作零线一般用黑色线。
沿墙垂直布线时,保护零线设在最下端,水平布线时,保护零线在靠墙端。
(2) 在电力变压器处,工作零线从变压器中性瓷套管上引出,保护零线从接地
体的引出线引出。
(3) 重复接地按要求一律接在保护零线上,禁止在工作零线上重复接地。
(4) 采用低压电缆供电时应选用五芯低压电力电缆。
(5) 在终端用电处(如闸板、插座、墙上配电盘等)工作零线和保护零线一定分别与零干线相连接。
(6) 对老企业的改造应逐步实行保护零线和工作零线分开的办法。
例如在车间入户时零干线做重复接地,重复接地以后工作零线单独敷设,保护零线由此重复接地体引出;使用四极漏电保护断路器的,在断路器前是三相四线制,在断路器后改为三相五线制; 在架空线路供电又实行动力电和照明电分开架设的(两棚线),可以用随照明线横担架设的零线为工作零线,随动力线横担架设的零线做保护零线。
四、三相五线制供电的应用范围
凡是采用保护接零的低压供电系统,均是三相五线制供电的应用范围。
国家有关部门规定:凡是新建、扩建、企事业、商业、居民住宅、智能建筑、基建施工现场及临时线路,一律实行三相五线制供电方式,做到保护零线和工作零线单独敷设。
对现有企业应逐步将三相四线制改为三相五线制供电,具体办法应按三相五线制敷设要求的规定实施。