三相四线制和三相五线制接线图解
- 格式:doc
- 大小:45.00 KB
- 文档页数:2
三相五线制接线图
什么是三相五线制?
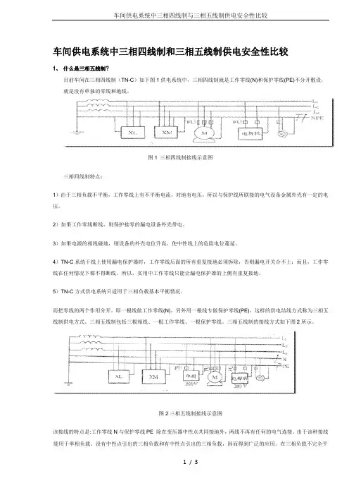
在三相四线制制供电系统中,把零线的两个作用分开,即一根线做工作零线(N),另外用一根线专做保护零线(PE),这样的供电结线方式称为三相五线制供电方式.三相五线制包括三根相线、一根工作零线、一根保护零线.三相五线制的接线方式如下图1 所示.
图1 三相五线制接线示意图
该接线的特点是:工作零线N与保护零线PE 除在变压器中性点共同接地外,两线不再有任何的电气连接.由于该种接线能用于单相负载、没有中性点引出的三相负载和有中性点引出的三相负载,因而得到广泛的应用.在三相负载不完全平衡的运行情况下,工作零线 N是有电流通过且是带电的,而保护零线PE 不带电,因而该供电方式的接地系统完全具备安全和可靠的基准电位.。
三相四线制和三相五线制的区别!一、三相四线制和三相五线制符号含义解答:(R黄、S绿、T红、N蓝或黑、地黄加绿双色线)三相五线制(R黄、S绿、T红、N蓝或黑色线、)三相四线制(R黄、S绿、T红、地黄加绿双色线)三相四线制三相四线制:相线A、B、C,保护零线PEN,PEN线上有工作电流通过,PEN在进入用电建筑物处要做重复接地;属于TN-C接地系统.三相五线制:相线A、B、C,零线N,保护接地线PE,N线有工作电流通过,PE线平时无电流(仅在出现对地漏电或短路时有故障电流);我国民用建筑的配电方式采用TN-S 接地系统。
二、三相四线制为何三相五线制多一根线输电线路三相电源电气连接图低压配电网电缆中,输电线路一般采用三相四线制,其中三相四线制三条线路分别代表A,B,C三相,另一条是中性线N称三相四线制,三相五线制包括三相电的三个相线(A、B、C线)、中性线(N线);以及地线(PE线),因此区别为多了一条地线。
三相五线制比三相四线制多一根地线,用于安全要求较高,设备要求统一接地的场所。
三相五线制的学问就在于这两跟”零线”上,在比较精密电子仪器的电网中使用时,如果零线和接地线共用一根线的话,对于电路中的工作零点会有影响的,虽然理论上它们都是0电位点,如果偶尔有一个电涌脉冲冲击到工作零线,而零线和地线却没有分开,比如这种脉冲却是因为相线漏电引起的,再如有些电子电路中如果零点飘移现象严重的话那么电器外壳就可能会带电,可能会损坏电气元件的,甚至损坏电器,造成人身安全的危险.零线和地线的根本差别在于一个构成工作回路,一个起保护作用叫做保护接地,一个回电网,一个回大地,在电子电路中这两个概念是要区别开来的,在正规公司里,这两根线规定要分开接.现在实际中还有一种三相六线的接法,除工作零线,保护接地外,还专门另配一路接地线,这根线跟设备地线分开来接,不与其他任何线相接,用做对仪器设备的保护,因为电气件的损坏往往只几微秒的时间,所以要将误动作电流更快的引回大地,需要仪器直接接地.在同一用电系统中,绝对不允许同时存在保护接地与保护接零。
单相三线三相四线三相五线接线图时间:2021.03.01 创作:欧阳语默认分类 2009-06-09 08:45 阅读369 评论0字号:大大中中小小单相就是220V 电压三相就是380V 电压单相双线----------1根火线1根零线单相三线----------1根火线1根零线+1根地线三相四线----------3根相线1根零线三相五线----------3根相线1根零线+1根地线单相三线三相就是工厂电路也可称工程电路,它根据场合需要有3线,4线和5线几种方式:三线----------3根火线(没有零线N和接地线PE)四线----------3根火线+1根零线N (TN-C系统)五线----------3根火线+1根零线N+1根接地线PE (TN-S系统)TN 方式供电系统这种供电系统是将电气设备的金属外壳与工作零线相接的保护系统,称作接零保护系统,用TN 表示。
它的特点如下。
1 )一旦设备出现外壳带电,接零保护系统能将漏电电流上升为短路电流,这个电流很大,是TT 系统的5.3 倍,实际上就是单相对地短路故障,熔断器的熔丝会熔断,低压断路器的脱扣器会立即动作而跳闸,使故障设备断电,比较安全。
2 )TN 系统节省材料、工时,在我国和其他许多国家广泛得到应用,可见比TT 系统优点多。
TN 方式供电系统中,根据其保护零线是否与工作零线分开而划分为TN-C 和TN-S 等两种。
( 3 )TN-C 方式供电系统它是用工作零线兼作接零保护线,可以称作保护中性线,可用NPE 表示( 4 )TN-S 方式供电系统它是把工作零线N 和专用保护线PE 严格分开的供电系统,称作TN-S 供电系统,TN-S 供电系统的特点如下。
1 )系统正常运行时,专用保护线上不有电流,只是工作零线上有不平衡电流。
PE 线对地没有电压,所以电气设备金属外壳接零保护是接在专用的保护线PE 上,安全可靠。
2 )工作零线只用作单相照明负载回路。
单相三线三相四线三相五线接线图默认分类 2009-06-09 08:45 阅读369 评论0字号:大中小单相就是220V 电压三相就是380V 电压单相双线----------1根火线1根零线单相三线----------1根火线1根零线+1根地线三相四线----------3根相线1根零线三相五线----------3根相线1根零线+1根地线单相三线三相就是工厂电路也可称工程电路,它根据场合需要有3线,4线和5线几种方式:三线----------3根火线(没有零线N和接地线PE)四线----------3根火线+1根零线N (TN-C系统)五线----------3根火线+1根零线N+1根接地线PE (TN-S系统)TN 方式供电系统这种供电系统是将电气设备的金属外壳与工作零线相接的保护系统,称作接零保护系统,用TN 表示。
它的特点如下。
1 )一旦设备出现外壳带电,接零保护系统能将漏电电流上升为短路电流,这个电流很大,是TT 系统的5.3 倍,实际上就是单相对地短路故障,熔断器的熔丝会熔断,低压断路器的脱扣器会立即动作而跳闸,使故障设备断电,比较安全。
2 )TN 系统节省材料、工时,在我国和其他许多国家广泛得到应用,可见比TT 系统优点多。
TN 方式供电系统中,根据其保护零线是否与工作零线分开而划分为TN-C 和TN-S 等两种。
( 3 )TN-C 方式供电系统它是用工作零线兼作接零保护线,可以称作保护中性线,可用NPE 表示( 4 )TN-S 方式供电系统它是把工作零线N 和专用保护线PE 严格分开的供电系统,称作TN-S 供电系统,TN-S 供电系统的特点如下。
1 )系统正常运行时,专用保护线上不有电流,只是工作零线上有不平衡电流。
PE 线对地没有电压,所以电气设备金属外壳接零保护是接在专用的保护线PE 上,安全可靠。
2 )工作零线只用作单相照明负载回路。
3 )专用保护线PE 不许断线,也不许进入漏电开关。
三相四线制和三相五线制接线图解之阿布丰王创作三相指L1---(A)相、L2---(B)相、L3---(C)相三相,四线指通过正常工作电流的三根相线和一根N线(中性线),或称零线。
不包含欠亨过正常工作电流的PE线(接地线)。
由于在三相四线制中有中线,而中线的作用在于包管负载上的各相电压接近对称,在负载不服衡时不致发生电压升高或降低,若一相断线,其他两相的电压不变。
所以在低压供电线路上采取三相四线制。
L1---(A)相、L2---(B)相、L3---(C)相,各相线之间的电压称为线电压,线电压为380伏。
L1---(A)相、L2---(B)相、L3---(C)相中的任一相与N线(中性线) 或称零线间的电压,称为相电压。
相电压为220伏。
三相五线制中五线指的是:三根相线加一根地线一根零线。
三相五线制比三相四线制多一根地线,用于平安要求较高,设备要求统一接地的场合。
三相五线制的学问就在于这两根"零线"上,在比较精密电子仪器的电网中使用时,如果零线和接地线共用一根线的话,对于电路中的工作零点会有影响的,虽然理论上它们都是零电位点,如果偶尔有一个电涌脉冲冲击到工作零线,而零线和地线却没有分开,比方这种脉冲却是因为相线漏电引起的,再如有些电子电路中如果零点飘移现象严重的话那么电器外壳就可能会带电,可能会损坏电气元件的,甚至损坏电器,造成人身平安的危险.零线和地线的根本不同在于一个构成工作回路,一个起呵护作用叫做呵护接地,一个回电网,一个回大地,在电子电路中这两个概念是要区别开来的.结构的区别:零线(N):从变压器中性点接地后引出主干线。
地线(PE):从变压器中性点接地后引出主干线,根据尺度,每间隔20-30米重复接地。
原理的区别:零线(N):主要应用于工作回路,零线所发生的电压等于线阻乘以工作回路的电流。
由于长距离的传输,零线发生的电压就不成忽视,作为呵护人身平安的措施就变得不成靠。
地线(PE):不必于工作回路,只作为呵护线。
【图解】三相四线制和三相五线制的区别!一、三相四线制和三相五线制符号含义解答:(R 黄、S绿、T红、N蓝或黑、地黄加绿双色线)三相五线制(R 黄、S绿、T红、N蓝或黑色线、)三相四线制(R 黄、S绿、T红、地黄加绿双色线)三相四线制三相四线制:相线A、B、C,保护零线PEN,PEN线上有工作电流通过,PEN 在进入用电建筑物处要做重复接地;属于TN-C接地系统.三相五线制:相线A、B、C,零线N,保护接地线PE,N线有工作电流通过,PE 线平时无电流(仅在出现对地漏电或短路时有故障电流);我国民用建筑的配电方式采用TN-S接地系统。
二、三相四线制为何三相五线制多一根线输电线路三相电源电气连接图低压配电网电缆中,输电线路一般采用三相四线制,其中三相四线制三条线路分别代表A,B,C三相,另一条是中性线N称三相四线制,三相五线制包括三相电的三个相线(A、B、C线)、中性线(N线);以及地线(PE线),因此区别为多了一条地线。
三相五线制比三相四线制多一根地线,用于安全要求较高,设备要求统一接地的场所。
三相五线制的学问就在于这两跟"零线"上,在比较精密电子仪器的电网中使用时,如果零线和接地线共用一根线的话,对于电路中的工作零点会有影响的,虽然理论上它们都是0电位点,如果偶尔有一个电涌脉冲冲击到工作零线,而零线和地线却没有分开,比如这种脉冲却是因为相线漏电引起的,再如有些电子电路中如果零点飘移现象严重的话那么电器外壳就可能会带电,可能会损坏电气元件的,甚至损坏电器,造成人身安全的危险.零线和地线的根本差别在于一个构成工作回路,一个起保护作用叫做保护接地,一个回电网,一个回大地,在电子电路中这两个概念是要区别开来的,在正规公司里,这两根线规定要分开接.现在实际中还有一种三相六线的接法,除工作零线,保护接地外,还专门另配一路接地线,这根线跟设备地线分开来接,不与其他任何线相接,用做对仪器设备的保护,因为电气件的损坏往往只几微秒的时间,所以要将误动作电流更快的引回大地,需要仪器直接接地.在同一用电系统中,绝对不允许同时存在保护接地与保护接零。
三相四线制和三相五线制的区别_三相四线制和三相五线制哪种好?一、三相四线制和三相五线制符号含义解答:(R 黄、S绿、T红、N蓝或黑、地黄加绿双色线)三相五线制(R 黄、S绿、T红、N蓝或黑色线、)三相四线制(R 黄、S绿、T红、地黄加绿双色线)三相四线制三相四线制:相线A、B、C,保护零线PEN,PEN线上有工作电流通过,PEN在进入用电建筑物处要做重复接地;属于TN-C接地系统.三相五线制:相线A、B、C,零线N,保护接地线PE,N线有工作电流通过,PE线平时无电流(仅在出现对地漏电或短路时有故障电流);我国民用建筑的配电方式采用TN-S接地系统。
二、三相四线制为何三相五线制多一根线输电线路三相电源电气连接图低压配电网电缆中,输电线路一般采用三相四线制,其中三相四线制三条线路分别代表A,B,C三相,另一条是中性线N称三相四线制,三相五线制包括三相电的三个相线(A、B、C线)、中性线(N线);以及地线(PE线),因此区别为多了一条地线。
三相五线制比三相四线制多一根地线,用于安全要求较高,设备要求统一接地的场所。
三相五线制的学问就在于这两跟"零线"上,在比较精密电子仪器的电网中使用时,如果零线和接地线共用一根线的话,对于电路中的工作零点会有影响的,虽然理论上它们都是0电位点,如果偶尔有一个电涌脉冲冲击到工作零线,而零线和地线却没有分开,比如这种脉冲却是因为相线漏电引起的,再如有些电子电路中如果零点飘移现象严重的话那么电器外壳就可能会带电,可能会损坏电气元件的,甚至损坏电器,造成人身安全的危险.零线和地线的根本差别在于一个构成工作回路,一个起保护作用叫做保护接地,一个回电网,一个回大地,在电子电路中这两个概念是要区别开来的,在正规公司里,这两根线规定要分开接.现在实际中还有一种三相六线的接法,除工作零线,保护接地外,还专门另配一路接地线,这根线跟设备地线分开来接,不与其他任何线相接,用做对仪器设备的保护,因为电气件的损坏往往只几微秒的时间,所以要将误动作电流更快的引回大地,需要仪器直接接地.在同一用电系统中,绝对不允许同时存在保护接地与保护接零。
车间供电系统中三相四线制和三相五线制供电安全性比较1、什么是三相五线制?目前车间在三相四线制(TN-C)如下图1供电系统中,三相四线制就是工作零线(N)和保护零线(PE)不分开敷设,就是没有单独的零线和地线。
图1 三相四线制接线示意图三相四线制特点:1)由于三相负载不平衡,工作零线上有不平衡电流,对地有电压,所以与保护线所联接的电气设备金属外壳有一定的电压。
2)如果工作零线断线,则保护接零的漏电设备外壳带电。
3)如果电源的相线碰地,则设备的外壳电位升高,使中性线上的危险电位蔓延。
4)TN-C系统干线上使用漏电保护器时,工作零线后面的所有重复接地必须拆除,否则漏电开关合不上;而且,工作零线在任何情况下都不得断线。
所以,实用中工作零线只能让漏电保护器的上侧有重复接地。
5)TN-C方式供电系统只适用于三相负载基本平衡情况。
而把零线的两个作用分开,即一根线做工作零线(N),另外用一根线专做保护零线(PE),这样的供电结线方式称为三相五线制供电方式。
三相五线制包括三根相线、一根工作零线、一根保护零线。
三相五线制的接线方式如下图2所示。
图2三相五线制接线示意图该接线的特点是:工作零线N与保护零线PE 除在变压器中性点共同接地外,两线不再有任何的电气连接。
由于该种接线能用于单相负载、没有中性点引出的三相负载和有中性点引出的三相负载,因而得到广泛的应用。
在三相负载不完全平衡的运行情况下,工作零线N是有电流通过且是带电的,而保护零线PE 不带电,因而该供电方式的接地系统完全具备安全和可靠的基准电位。
2、三相五线制与三相四线制的比较(1) 国际电工委员会(IEC)对供电系统作了统一规定称为TN-C、TN-S 系统。
TN-C 方式供电系统是用工作零线兼作接零保护线,可以称作保护中性线,可用NPE 表示,即常用的三相四线制供电方式,车间现在使用供电系统。
TN-S 式供电系统是把工作零线N 和专用保护线PE 严格分开的供电系统,称作TN-S 供电系统,即常用的三相五线制供电方式。
单相三线三相四线三相五线接线图默认分类 2009-06-09 08:45 阅读369 评论0字号: 大中小单相就就是220V 电压三相就就是380V 电压单相双线----------1根火线1根零线单相三线----------1根火线1根零线+1根地线三相四线----------3根相线1根零线三相五线----------3根相线1根零线+1根地线单相三线三相就就是工厂电路也可称工程电路,它根据场合需要有3线,4线与5线几种方式:三线----------3根火线(没有零线N与接地线PE)四线----------3根火线+1根零线N (TN-C系统)五线----------3根火线+1根零线N+1根接地线PE (TN-S系统)TN 方式供电系统这种供电系统就是将电气设备的金属外壳与工作零线相接的保护系统,称作接零保护系统,用TN 表示。
它的特点如下。
1 )一旦设备出现外壳带电,接零保护系统能将漏电电流上升为短路电流,这个电流很大,就是TT 系统的5、3 倍,实际上就就是单相对地短路故障,熔断器的熔丝会熔断,低压断路器的脱扣器会立即动作而跳闸,使故障设备断电,比较安全。
2 ) TN 系统节省材料、工时,在我国与其她许多国家广泛得到应用,可见比TT 系统优点多。
TN 方式供电系统中,根据其保护零线就是否与工作零线分开而划分为TN-C 与TN-S 等两种。
( 3 ) TN-C 方式供电系统它就是用工作零线兼作接零保护线,可以称作保护中性线,可用NPE 表示( 4 ) TN-S 方式供电系统它就是把工作零线N 与专用保护线PE 严格分开的供电系统,称作TN-S 供电系统, TN-S 供电系统的特点如下。
1 )系统正常运行时,专用保护线上不有电流,只就是工作零线上有不平衡电流。
PE 线对地没有电压,所以电气设备金属外壳接零保护就是接在专用的保护线PE 上,安全可靠。
2 )工作零线只用作单相照明负载回路。
3 )专用保护线PE 不许断线,也不许进入漏电开关。
单相三线三相四线三相五线接线图单相就是220V 电压三相就是380V 电压单相双线----------1根火线1根零线单相三线----------1根火线1根零线+1根地线三相四线----------3根相线1根零线三相五线----------3根相线1根零线+1根地线单相三线三相就是工厂电路也可称工程电路,它根据场合需要有3线,4线和5线几种方式:三线----------3根火线(没有零线N和接地线PE)四线----------3根火线+1根零线N (TN-C系统)五线----------3根火线+1根零线N+1根接地线PE (TN-S系统)TN 方式供电系统这种供电系统是将电气设备的金属外壳与工作零线相接的保护系统,称作接零保护系统,用TN 表示。
它的特点如下。
1 )一旦设备出现外壳带电,接零保护系统能将漏电电流上升为短路电流,这个电流很大,是TT 系统的5.3 倍,实际上就是单相对地短路故障,熔断器的熔丝会熔断,低压断路器的脱扣器会立即动作而跳闸,使故障设备断电,比较安全。
2 )TN 系统节省材料、工时,在我国和其他许多国家广泛得到应用,可见比TT 系统优点多。
TN 方式供电系统中,根据其保护零线是否与工作零线分开而划分为TN-C 和TN-S 等两种。
( 3 )TN-C 方式供电系统它是用工作零线兼作接零保护线,可以称作保护中性线,可用NPE 表示( 4 )TN-S 方式供电系统它是把工作零线N 和专用保护线PE 严格分开的供电系统,称作TN-S 供电系统,TN-S 供电系统的特点如下。
1 )系统正常运行时,专用保护线上不有电流,只是工作零线上有不平衡电流。
PE 线对地没有电压,所以电气设备金属外壳接零保护是接在专用的保护线PE 上,安全可靠。
2 )工作零线只用作单相照明负载回路。
3 )专用保护线PE 不许断线,也不许进入漏电开关。
4 )干线上使用漏电保护器,工作零线不得有重复接地,而PE 线有重复接地,但是不经过漏电保护器,所以TN-S 系统供电干线上也可以安装漏电保护器。
三相四线制和三相五线制接线图解三相指L1---(A)相、L2---(B)相、L3---(C)相三相,四线指通过正常工作电流的三根相线和一根N线(中性线),或称零线。
不包括不通过正常工作电流的PE线(接地线)。
由于在三相四线制中有中线,而中线的作用在于保证负载上的各相电压接近对称,在负载不平衡时不致发生电压升高或降低,若一相断线,其他两相的电压不变。
所以在低压供电线路上采用三相四线制。
L1---(A)相、L2---(B)相、L3---(C)相,各相线之间的电压称为线电压,线电压为380伏。
L1---(A)相、L2---(B)相、L3---(C)相中的任一相与N线(中性线) 或称零线间的电压,称为相电压。
相电压为220伏。
三相五线制中五线指的是:三根相线加一根地线一根零线。
三相五线制比三相四线制多一根地线,用于安全要求较高,设备要求统一接地的场所。
三相五线制的学问就在于这两根"零线"上,在比较精密电子仪器的电网中使用时,如果零线和接地线共用一根线的话,对于电路中的工作零点会有影响的,虽然理论上它们都是零电位点,如果偶尔有一个电涌脉冲冲击到工作零线,而零线和地线却没有分开,比如这种脉冲却是因为相线漏电引起的,再如有些电子电路中如果零点飘移现象严重的话那么电器外壳就可能会带电,可能会损坏电气元件的,甚至损坏电器,造成人身安全的危险.零线和地线的根本差别在于一个构成工作回路,一个起保护作用叫做保护接地,一个回电网,一个回大地,在电子电路中这两个概念是要区别开来的.结构的区别:零线(N):从变压器中性点接地后引出主干线。
地线(PE):从变压器中性点接地后引出主干线,根据标准,每间隔20-30米重复接地。
原理的区别:零线(N):主要应用于工作回路,零线所产生的电压等于线阻乘以工作回路的电流。
由于长距离的传输,零线产生的电压就不可忽视,作为保护人身安全的措施就变得不可靠。
地线(PE):不用于工作回路,只作为保护线。
单相三线三相四线三相五线接线图默认分类 2009-06-09 08:45 阅读369 评论0字号:大中小单相就是220V 电压三相就是380V 电压单相双线----------1根火线1根零线单相三线----------1根火线1根零线+1根地线三相四线----------3根相线1根零线我国目前大多采用三相四线制低压供电系统,即380V/220V中性点直接接地低压供电系统,该供电系统具有三条相线(火线)A、B、C,一条零线。
这条零线之所以称之为零线,就是因为它是由变压器二次侧中性点引出的,而二次侧中性点又直接接地与大地零电位连接,因此称之为零线。
在三相四线制低压供电系统中它既是工作零线,又是保护零线,现在称为PEN线,其中PE是保护零线,N是工作零线,合起来就是PEN线,PEN线表示工作零线兼做保护零线,俗称“零地合一”。
编辑本段联接方法三相交流电机的电枢有三组线圈,其联接有星形接法及三角形接法两种,一般采用星形接法。
星形联接方法三相交流发电机向外供电时,把三组线圈的末端X、Y、Z联在一起,从联接点引出一条线,这条线叫零线,也叫中性线。
再从线圈绕组另一端A、B、C各引出一条线,这三条线叫相线或火线,这种联接方法叫星形联接法。
发电机的这种向外输电方法构成三相四线制。
若不引出中线,用三条线向外供电则称三相三线制。
因为三相四线制供电能同时供出220V、380v两种不同的电压,因而得到广泛应用。
星形接法用Y表示,也叫Y接法。
采用星形接法时。
线电压与相电压的关系如何?星形接法时,线电压与相电压之间的关系是:U线≈1.732U相三相交流电如何产生旋转磁场?在三相异步电动机[1]的每相定子绕组中,流过正弦交流电流时,每相定子绕组都产生脉动磁场。
由于三相绕组在铁心中摆放的空间位置互差120°电角度空间相位,绕组中分别流过三相交流电流,而各相电流在时间上又互差120°,使它们同时产生的三个脉动磁场在空间所合成的总磁场,成为一个旋转磁场。
什么是三相五线制?与三相四线制什么?什么是三相五线制?与三相四线制什么?1.什么是三相五线制? 1.什么是三相五线制? 什么是三相五线制在三相四线制制供电系统中,把零线的两个作用分开,即一根线做工作零线(N),另外用一根线专做保护零线(PE),这样的供电结线方式称为三相五线制供电方式.三相五线制包括三根相线、一根工作零线、一根保护零线.三相五线制的接线方式如下图1 所示. 图1 三相五线制接线示意图该接线的特点是:工作零线N 与保护零线PE 除在变压器中性点共同接地外,两线不再有任何的电气连接.由于该种接线能用于单相负载、没有中性点引出的三相负载和有中性点引出的三相负载,因而得到广泛的应用.在三相负载不完全平衡的运行情况下,工作零线N 是有电流通过且是带电的,而保护零线PE 不带电,因而该供电方式的接地系统完全具备安全和可靠的基准电位.2.三相五线制与三相四线制的比较2.三相五线制与三相四线制的比较(1)基本供电系统简介常用的基本供电系统有(380V)三相三线制和(380/220V)三相四线制等, 但这些名词术语内涵不是十分严格.国际电工委员会(IEC)对此作了统一规定,称为TT 系统、TN 系统、IT 系统.其中TN 系统又分为TN-C、TN-S 系统. TT 式供电系统是指将电气设备的金属外壳直接接地的保护系统,称为保护接地系统,也称TT 系统.第一个符号T 表示电力系统中性点直接接地;第二个符号T 表示负载设备金属外壳和正常不带电的金属部分与大地直接联接,而与系统如何接地无关.在TT 系统中负载的所有接地均称为保护接地。
TN 方式供电系统是将电气设备的金属外壳和正常不带电的金属部分与工作零线相接的保护系统,称作接零保护系统,用TN 表示.TN-C 方式供电系统是用工作零线兼作接零保护线,可以称作保护中性线,可用NPE 表示,即常用的三相四线制供电方式.TN-S 式供电系统是把工作零线N 和专用保护线PE 严格分开的供电系统,称作TN-S 供电系统,即常用的三相五线制供电方式. IT 方式供电系统,其中I 表示电源侧没有工作接地,或经过高阻抗接地.第二个字母T 表示负载侧电气设备进行接地保护.IT 方式供电系统在供电距离不是很长时,供电的可靠性高、安全性好.一般用于不允许停电的场所,或者是要求严格地连续供电的地方,例如连续生产装置、大医院的手术室、地下矿井等处. (2)三相四线制(TN-C)与三相五线制(TN-S)系统的比较在三相四线制供电方式中,由于三相负载不平衡时和低压电网的零线过长且阻抗过大时,零线将有零序电流通过,过长的低压电网,由于环境恶化、导线老化、受潮等因素,导线的漏电电流通过零线形成闭合回路,致使零线也带一定的电位,这对安全运行十分不利. 在零线断线的特殊情况下,断线以后的单相设备和所有保护接零的设备产生危险的电压,这是不允许的. 采用三相五线制供电方式,用电设备上所连接的工作零线N 和保护零线PE 是分别敷设的, 工作零线上的电位不能传递到用电设备的外壳上,这样就能有效隔离了三相四线制供电方式所造成的危险电压,使用电设备外壳上电位始终处在"地"电位,从而消除了设备产生危险电压的隐患. 发电机中,三组感应线圈的公共端作为供电系统的参考零点,引出线称为中线(在单相供电中称为零线);另一端与中线之间有额定的电压差,称为相线(单相供电中称为火线). 一般情况下,中线是以大地作为导体,故其对地电压应为零,称为零线.因此相线对地必然形成一定的电压差,可以形成电流回路,称其为火线.正常供电回路由相线(火线)和中线(零线) 形成.地线是仪器设备的外壳或屏蔽系统就近与大地连接的导线,其对地电阻小于 4 欧姆; 它不参与供电回路,主要是保护操作人员人身安全或抗干扰用的.很多情况下,中线和大地的连接问题会导致用电端中线对地电压大于零,因此三相五线制种将中线和地线分开对消除安全隐患具有重要意义. 在三相四线制供电方式中,主要采用TN-C 系统供电系统,对于单相回路存在较大的安全缺陷.单相二线供电方式,最大缺陷是在发生电器外壳碰相线时,直接将220V 相电压施加给此时正巧触摸到的人,从而发生触电事故.但如果把接外壳的保护线PE 和中性线N 并联合用一根,实际上这也是极不安全的.建筑物的配电线路由于接头松脱、导线断线等故障,很可能造成图 2 所示 A 点处开路,此时当其中一台设备开关接通后,在 A 点后面所有中性线上,将出现相电压,这个高电压又被设备接地引至所有插入插座的用电设备外壳上,而且其后的设备即使并未开启,外壳上也有220V 电压,这是十分危险的. 图 2 TN-C 系统单相回路断零示意图如果采用三相五线制的TN-S 供电系统,则不会出现这种情况.如图 3 所示,只有当保护线断开,而且又有一台设备发生相线碰外壳,两故障同时出现时,才会出现与前述二线制中类似情况的事故.从而也极大地降低了事故出现的可能性. 图 3 TN-S 系统单相回路示意图 3.三相五线制在民用建筑电气设计中的应用(1)三相五线制供电的应用范围凡是采用保护接零的低压供电系统,均是三相五线制供电的应用范围.国家有关部门规定:凡是新建、扩建、企事业、商业、居民住宅、智能建筑、基建施工现场及临时线路,一律实行三相五线制供电方式,做到保护零线和工作零线单独敷设.对现有企业应逐步将三相四线制改为三相五线制供电,具体办法应按三相五线制敷设要求的规定实施. 根据JGJ/T-1992《民用建筑电气设计规范》,住宅小区设计不应采用TN-C 供电系统即三相四线制供电方式,而应推广采用TN-S 供电系统即三相五线制供电方式. (2)单相三线制"和"三相五线制"配电建筑电气设计中采用"单相三线制"和"三相五线制"配电.就是在过去"单相二线制" 和"三相四线制"配电基础上,另增加一根专用保护线直接与接地网相连,如图 1 所示.即根据国际电工委员会(IEC)标准和国家标准而定的TN-S 系统,从而保障了电器使用的安全. ①"单相三线制"是"三相五线制"的一部分,在配电中出现了N 线和PE 线:一个是工作接地N 线,这是构成电气回路的需要,其中有工作电流流过,在单相二线制中,工作接地N 严禁装设保险等可断开点,但单相三线制中则应同相线一样装设保护元器件.另一个是保护接地PE 线, 要求直接与接地网相联接,保护线PE 与中性线N 从某点分开后,就不得有任何联系,目的有两个:其一是为了使漏电电流动作保护能正确动作;其二是为了使保护线上没有电流流过,以利安全. ②每个建筑物进户线处应将零线重复接地,接地电阻≤lO. ③从引入处开始,接至建筑物内各个插座,中性线N 和保护线PE 完全分开(严禁零地混接). 至于保护线PE 的导线应采用与工作回路相同等级的绝缘导线,且与中性线N 截面相同,敷设方式和路径也同工作回路,为便于识别,最好能采用三种颜色分开,依据规范,相线为L1 黄、L2 绿、L3 红色;中性线N 为淡兰色或黑色;保护线PE 为黄绿双色.(民用建筑电气设计规范》规定"住宅建筑每户的进线开关或插座专用回路宜设置漏电电流动作保护,动作电流为30mA". ④插座的接线应遵循左零(N)右相(L)上接地.如图 4 所示. 图 4 插座线路示意图一、建筑工程供电系统建筑工程供电使用的基本供电系统有三相三线制三相四线制等,但这些名词术语内涵不是十分严格。
什么是三相五线制?与三相四线制什么区别?时间:2009-10-01来源:本站整理作者:电工之家1.什么是三相五线制?在三相四线制制供电系统中,把零线的两个作用分开,即一根线做工作零线(N),另外用一根线专做保护零线(PE),这样的供电结线方式称为三相五线制供电方式.三相五线制包括三根相线、一根工作零线、一根保护零线.三相五线制的接线方式如下图1 所示.图1 三相五线制接线示意图该接线的特点是:工作零线N与保护零线PE 除在变压器中性点共同接地外,两线不再有任何的电气连接.由于该种接线能用于单相负载、没有中性点引出的三相负载和有中性点引出的三相负载,因而得到广泛的应用.在三相负载不完全平衡的运行情况下,工作零线 N是有电流通过且是带电的,而保护零线 PE 不带电,因而该供电方式的接地系统完全具备安全和可靠的基准电位.2.三相五线制与三相四线制的比较(1)基本供电系统简介常用的基本供电系统有(380V)三相三线制和(380/220V)三相四线制等,但这些名词术语内涵不是十分严格.国际电工委员会(IEC)对此作了统一规定,称为TT 系统、TN系统、IT 系统.其中TN 系统又分为TN-C、TN-S 系统.TT 式供电系统是指将电气设备的金属外壳直接接地的保护系统,称为保护接地系统,也称TT 系统.第一个符号T 表示电力系统中性点直接接地;第二个符号T 表示负载设备金属外壳和正常不带电的金属部分与大地直接联接,而与系统如何接地无关.在TT 系统中负载的所有接地均称为保护接地。
TN 方式供电系统是将电气设备的金属外壳和正常不带电的金属部分与工作零线相接的保护系统,称作接零保护系统,用 TN 表示.TN-C 方式供电系统是用工作零线兼作接零保护线,可以称作保护中性线,可用NPE 表示,即常用的三相四线制供电方式.TN-S 式供电系统是把工作零线N 和专用保护线PE 严格分开的供电系统,称作TN-S 供电系统,即常用的三相五线制供电方式.IT 方式供电系统,其中I 表示电源侧没有工作接地,或经过高阻抗接地.第二个字母T表示负载侧电气设备进行接地保护.IT 方式供电系统在供电距离不是很长时,供电的可靠性高、安全性好.一般用于不允许停电的场所,或者是要求严格地连续供电的地方,例如连续生产装置、大医院的手术室、地下矿井等处. (2)三相四线制(TN-C)与三相五线制(TN-S)系统的比较在三相四线制供电方式中,由于三相负载不平衡时和低压电网的零线过长且阻抗过大时,零线将有零序电流通过,过长的低压电网,由于环境恶化、导线老化、受潮等因素,导线的漏电电流通过零线形成闭合回路,致使零线也带一定的电位,这对安全运行十分不利.在零线断线的特殊情况下,断线以后的单相设备和所有保护接零的设备产生危险的电压,这是不允许的.采用三相五线制供电方式,用电设备上所连接的工作零线 N 和保护零线 PE 是分别敷设的,工作零线上的电位不能传递到用电设备的外壳上,这样就能有效隔离了三相四线制供电方式所造成的危险电压,使用电设备外壳上电位始终处在"地"电位,从而消除了设备产生危险电压的隐患.发电机中,三组感应线圈的公共端作为供电系统的参考零点,引出线称为中线(在单相供电中称为零线);另一端与中线之间有额定的电压差,称为相线(单相供电中称为火线).一般情况下,中线是以大地作为导体,故其对地电压应为零,称为零线.因此相线对地必然形成一定的电压差,可以形成电流回路,称其为火线.正常供电回路由相线(火线)和中线(零线)形成.地线是仪器设备的外壳或屏蔽系统就近与大地连接的导线,其对地电阻小于4 欧姆;它不参与供电回路,主要是保护操作人员人身安全或抗干扰用的.很多情况下,中线和大地的连接问题会导致用电端中线对地电压大于零,因此三相五线制种将中线和地线分开对消除安全隐患具有重要意义. 在三相四线制供电方式中,主要采用 TN-C 系统供电系统,对于单相回路存在较大的安全缺陷.单相二线供电方式,最大缺陷是在发生电器外壳碰相线时,直接将220V 相电压施加给此时正巧触摸到的人,从而发生触电事故.但如果把接外壳的保护线 PE 和中性线 N 并联合用一根,实际上这也是极不安全的.建筑物的配电线路由于接头松脱、导线断线等故障,很可能造成图 2 所示A点处开路,此时当其中一台设备开关接通后,在 A点后面所有中性线上,将出现相电压,这个高电压又被设备接地引至所有插入插座的用电设备外壳上,而且其后的设备即使并未开启,外壳上也有 220V 电压,这是十分危险的.图2 TN-C系统单相回路断零示意图如果采用三相五线制的TN-S 供电系统,则不会出现这种情况.如图3 所示,只有当保护线断开,而且又有一台设备发生相线碰外壳,两故障同时出现时,才会出现与前述二线制中类似情况的事故.从而也极并联电容器成套装置适用于工频输配电系统中,用以提高功率因数,调整电网电压,降低线路损耗,充分发挥设备效率,改善供电质量电机是感性负载,它需吸纳电网的有功及无功电流运行的,电力电容器并接在三相电源终端是产生无功电流的,这个无功电流补偿提供给感性负载耗用,减少电网输送,使电网线损耗降低,并可提高终端线路电压,也可以提高变压器的效率。
单相三线三相四线三相五线接线图默认分类 2009-06-09 08:45 阅读369 评论0字号:大中小单相就是220V 电压三相就是380V 电压单相双线----------1根火线1根零线单相三线----------1根火线1根零线+1根地线三相四线----------3根相线1根零线三相五线----------3根相线1根零线+1根地线单相三线三相就是工厂电路也可称工程电路,它根据场合需要有3线,4线和5线几种方式:三线----------3根火线(没有零线N和接地线PE)四线----------3根火线+1根零线N (TN-C系统)五线----------3根火线+1根零线N+1根接地线PE (TN-S系统)TN 方式供电系统这种供电系统是将电气设备的金属外壳与工作零线相接的保护系统,称作接零保护系统,用TN 表示。
它的特点如下。
1 )一旦设备出现外壳带电,接零保护系统能将漏电电流上升为短路电流,这个电流很大,是TT 系统的5.3 倍,实际上就是单相对地短路故障,熔断器的熔丝会熔断,低压断路器的脱扣器会立即动作而跳闸,使故障设备断电,比较安全。
2 )TN 系统节省材料、工时,在我国和其他许多国家广泛得到应用,可见比TT 系统优点多。
TN 方式供电系统中,根据其保护零线是否与工作零线分开而划分为TN-C 和TN-S 等两种。
( 3 )TN-C 方式供电系统它是用工作零线兼作接零保护线,可以称作保护中性线,可用NPE 表示( 4 )TN-S 方式供电系统它是把工作零线N 和专用保护线PE 严格分开的供电系统,称作TN-S 供电系统,TN-S 供电系统的特点如下。
1 )系统正常运行时,专用保护线上不有电流,只是工作零线上有不平衡电流。
PE 线对地没有电压,所以电气设备金属外壳接零保护是接在专用的保护线PE 上,安全可靠。
2 )工作零线只用作单相照明负载回路。
3 )专用保护线PE 不许断线,也不许进入漏电开关。
三相四线制和三相五线制接线图解
三相指L1---(A)相、L2---(B)相、L3---(C)相三相,
四线指通过正常工作电流的三根相线和一根N线(中性线),或称零线。
不包括不通过正常工作电流的PE线(接地线)。
由于在三相四线制中有中线,而中线的作用在于保证负载上的各相电压接近对称,在负载不平衡时不致发生电压升高或降低,若一相断线,其他两相的电压不变。
所以在低压供电线路上采用三相四线制。
L1---(A)相、L2---(B)相、L3---(C)相,各相线之间的电压称为线电压,线电压为380伏。
L1---(A)相、L2---(B)相、L3---(C)相中的任一相与N线(中性线) 或称零线间的电压,称为相电压。
相电压为220伏。
三相五线制中五线指的是:三根相线加一根地线一根零线。
三相五线制比三相四线制多一根地线,用于安全要求较高,设备要求统一接地的场所。
三相五线制的学问就在于这两根"零线"上,在比较精密电子仪器的电网中使用时,如果零线和接地线共用一根线的话,对于电路中的工作零点会有影响的,虽然理论上它们都是零电位点,如果偶尔有一个电涌脉冲冲击到工作零线,而零线和地线却没有分开,比如这种脉冲却是因为相线漏电引起的,再如有些电子电路中如果零点飘移现象严重的话那么电器外壳就可能会带电,可能会损坏电气元件的,甚至损坏电器,造成人身安全的危险.
零线和地线的根本差别在于一个构成工作回路,一个起保护作用叫做保护接地,一个回电网,一个回大地,在电子电路中这两个概念是要区别开来的.
结构的区别:
零线(N):从变压器中性点接地后引出主干线。
地线(PE):从变压器中性点接地后引出主干线,根据标准,每间隔20-30米重复接地。
原理的区别:
零线(N):主要应用于工作回路,零线所产生的电压等于线阻乘以工作回路的电流。
由于长距离的传输,零线产生的电压就不可忽视,作为保护人身安全的措施就变得不可靠。
地线(PE):不用于工作回路,只作为保护线。
利用大地的绝对“0”电压,当设备外壳发生漏电,电流会迅速流入大地,即使发生PE线有开路的情况,也会从附近的接地体流入大地。
居民用电(家庭用电)称为单相供电。
即以上所说的(A、B、C相)线其中的任一相和N线(中性线) 或称零线的供电。
电压为220伏。
也就是单相两线的供电。
三相四线制的漏电保护器严格地讲,在输入端必须是按照规定四根线都接入,而输出端可以是只接一相线一零线(单相)或两相(比如电焊机的380V两相)或三相(比如电动机)或三相四线都接(比如电机加照明)。
如果零线不经漏电保护器而直接和用电设备连接,那从相线出来的电流(指单相)在“回路”到电源时就不经过漏电保护器了,此时漏电保护器就检测到这个电流(相当于漏电流),所以就引起漏电保护器跳闸。
还有当三相电路中由于负载不平衡而引起中性点不是零电位,导致零线有电流,所以零线不经过保护器的话也会引起跳闸。
但是不管接什么设备,输出端的零线都不得接地,否则将无法正常供电,如需对设备接保护接地线必须从设备外壳直接接线至大地。
三相四线制用漏电保护器一定用四极的.如果用三极的,在三相负载不平衡时由于没有零线电流的返回,漏电保护器就判断线路是在漏电,所以一合闸就会跳闸.
三相四线制系统中,让三相导线与零线一起穿过一个零序C.T,接地短路或人身触电时,利用KCL原理,iA+ iB+ iC+ iN= id≠0而构成剩余电流保护。