变压器空载负载特性测试仪试验接线图
- 格式:doc
- 大小:1.09 MB
- 文档页数:10
《电机与拖动》变压器---单相变压器实验一、实验目的1.通过空载和短路实验测定变压器的变比和参数。
2.通过负载实验测取变压器的运行特性。
二、预习要点1.变压器的空载和短路实验有什么特点?实验中电源电压一般加在哪一方较合适?2.在空载和短路实验中,各种仪表应怎样联接才能使测量误差最小?3.如何用实验方法测定变压器的铁耗及铜耗?三、实验项目1.空载实验测取空载特性U O=f(I O),P O=f(U O)。
2.短路实验测取短路特性U K=f(I K),P K=f(I)。
3.负载实验保持U1=U1N,cos =1的条件下,测取U2=f(I2)。
2四、实验设备及仪器1.交流电压表、电流表、功率、功率因数表(NMCL-001)2.三相可调电阻器900Ω(NMEL-03)3.旋转指示灯及开关板(NMEL-05B)4.单相变压器Array五、实验方法1.空载实验实验线路如图2-1。
图2-1 空载实验接线图实验时,变压器低压线圈2U1、2U2接电源,高压线圈1U1、1U2开路。
A、V1、V2分别为交流电流表、交流电压表。
其中用一只电压表,交替观察变压器的原、副边电压读数。
W为功率表,需注意电压线圈和电流线圈的同名端,避免接错线。
a.未上主电源前,将调压器旋钮逆时针方向旋转到底。
并合理选择各仪表量程。
变压器T U1N/U2N=220V/110V,I1N/I2N=0.4A/0.8A。
b.合上交流电源总开关,即按下绿色“闭合”开关,顺时针调节调压器旋钮,使变压器空载电压U0=1.2U N。
c.然后,逐次降低电源电压,在1.2~0.5U N的范围内;测取变压器的U0、I0、P0,共取6~7组数据,记录于表2-1中。
其中U=U N的点必须测,并在该点附近测的点应密些。
为了计算变压器的变化,在U N以下测取原方电压的同时测取副方电压,填入表2-1中。
e.测量数据以后,断开三相电源,以便为下次实验作好准备。
表2-12.短路实验实验线路如图2-2。
GDBR-V变压器容量及空负载测试仪前言我国电力系统实行两部制电价:除了收取计量装置所计量的费用外,还要根据变压器容量收取基本电费;对于较大用户在投运变压器时还要一次性交纳增容费。
随着电力行业的发展,用电量的增大,自有变压器和个人承包变压器已渐渐占据了配变中相当的份额,随之而来的就是个人为了达到少交费、多用电的目的而采取的各种弄虚作假的手段(主要是改、换变压器铭牌);有些用户年偷电费额达数十万之多,电力部门苦于没有有效的控制手段。
有源变压器特性-容量综合测试仪是我公司针对这种问题专门开发、研制的专门用于变压器容量、损耗参数测量的高精度仪器。
它自带高效能充电电池,不用外接电源即可工作,充电一次可连续测量500台次;同时,内部数字合成三相标准正弦波信号(绝非简单的逆变交流输出,保证了非额定条件下各测试项目测试数据的准确性),经功率放大器可提供三相精密交流测试源;在测量变压器容量和变压器的短路损耗时不需要外接三相测试电源及调压器、升流等辅助设备,简化了接线,大大提高了工作效率。
容量测试结果准确率达100%。
它一种设备相当于四种设备:有源变压器容量测试仪+变压器损耗参数测试仪+谐波分析仪+示波器。
它可对各种变压器的容量、空载电流、空载损耗、短路损耗、阻抗电压等一系列工频参数进行精密的测量,并能测量空负载试验时的电压、电流失真度和谐波含量,还可以进行矢量分析。
该仪器具有体积小、重量轻、测量准确度高、稳定性好、操作简便易学等优点,完全可取代以往利用多表法测量变压器损耗和容量的方法,接线简单,测试、记录方便,大大提高了工作效率。
它以大屏幕彩色液晶作为显示窗口,菜单操作并配有汉字提示,集多参量于一屏的显示界面,人机对话界面友好,使用简便、快捷,是各级电力用户的首选产品。
DBR-V变压器容量及空负载测试仪一、功能特点1、可精确测量各种配电变压器的容量,无源测量,方便、准确。
2、内部自带电源、自动产生三相大功率测试电源。
变压器空载短路测试仪试验步骤及技术指标变压器空载短路测试仪试验步骤及技术指标变压器空载短路测试仪采用数字同步采样技术,准确测量三相用电设备的电压、电流、功率、功率因数、频率等参数的真有效值,测量精度为0.2级。
具有测量速度快、精度高、使用方便、敏捷美观等到特点。
特地应用于电力变压器的电量的检测,该仪表可取代于九块同等级指针仪表,是传统电量测试仪表的理想换代产品。
空载试验步骤1、按接线图将线接好,打开仪器电源开关,仪器空载进入试验状态。
2、按“设定”键,将所需参数设定好,再按“设定”键,使仪器回到空载试验状态。
3、合上调压器三相电源,调压器缓慢升压,当升压到所需试验电压时,按“锁定”键,此时仪器显示的数据为空载试验数据。
变压器空载短路测试仪短路试验步骤1、按接线图将线接好,打开仪器电源开关,仪器空载进入试验状态。
2、按“设定”键,将所需参数设定好,再按“设定”键,使仪器回到空载试验状态。
3、按“∧“键,将仪器界面转换到短路试验状态。
4、合上调压器三相电源,调压器缓慢升压,当升压到所需试验电流时,按“锁定”键,此时仪器显示的数据为短路试验数据。
紧要功能与特点:1. 短路阻抗的测量:用于变压器的低压短路阻抗试验,可在同一屏幕下三相或单相显示测量电压、电流、有功功率、阻抗值、阻抗电压百分比、电抗值、漏感值等参数。
2. 空载损耗的测量:仪器显示三相电压、三相电流、三相功率,仪器显示施加电源波形的畸变率,并计算出变压器的空载电流百分比和空载损耗。
3. 负载损耗的测量:显示三相电压、三相电流、三相功率,自动计算出变压器的阻抗电压百分比,折算到额定温度、额定电流下的负载损耗,仪器带有频率折算功能,能够在较宽频率范围内准确测量。
4. 分相测量:用于检查三相变压器单相绕组的缺陷或现场无三相电源的情况。
分相测试采用单相电源,分别测量出每一个单相数据后,可自动折算成三相的参数。
5. 零序阻抗的测量:零序阻抗的测量适用于高压侧星形接线带中性点的变压器,仪器可记录零序阻抗、零序电抗、零序电感、阻抗角、零序电阻。
实验二单相变压器运行特性的研究一、任务目标1、测定单相变压器的空载特性、短路特性。
2、测定单相变压器变比和参数。
2、测定单相变压器的运行特性。
三、实训过程1、单相变压器空载试验的接线及测取空载试验数据4-5单相变压器空载试验接线图按图4-5接线。
图中单相变压器选用MEC11,其额定值P N=77V·A,U1N/U2N=220/55V,I1N/I2N=0.35/1.4A,变压器的低压线圈a、x接电源,高压线圈A、X开路;交流电压表V1、V2选用MEC23;交流电流表A选用MEC22;功率、功率因数W选用MEC24。
(1)检查按图4-5的接线是否正确,交流电压、电流表、单相功率表及变压器的接法是否正确。
确认MEC01电源总开关处于断开状态,将控制屏左侧的三相调压器逆时针方向旋转到底。
(2)开启控制屏上的电源总开关,按下“启动”按钮,顺时针调节控制屏左侧的三相调压器,逐渐升高交流输出电压(用V1表观察),使交流输出电压U O=1.2U N。
(3)从U O=1.2U N开始,逆时针调节控制屏左侧的三相调压器,逐次降低交流电源输出电压U O,直至降至U O=0.2U N,在1.2U N~0.2U N的范围内,测取变压器的空载电压U0、空载电流I0、空载功率P0、功率因数cosφ0(按下MEC24的“功能”键,显示单元显示cos时,按下“确认”键即可读取电动机M的当前功率因数,返回功率测试状态时只需按下“复位”键即可)及高压绕组AX端电压U AX,共测取数据7-9组。
记录于表4-3中,其中U O=U N点必须测,并在该点附近多测几点。
(4)试验结束后,将控制屏左侧的三相调压器逆时针方向旋转到底,按下“停止”按钮。
2、单相变压器短路试验的接线及测取短路试验数据图4-6 单相变压器短路试验接线图按图4-6接线。
图中单相变压器选用MEC11,变压器的高压线圈A、X接电源,低压线圈a、x短路;交流电压表V1选用MEC23;交流电流表A选用MEC22;功率、功率因数W选用MEC24。
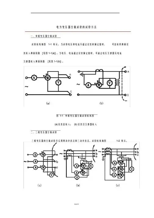
电力变压器空载试验的试验方法一、单相变压器空载试验试验接线如图1-1 所示。
当试验电压和电流不超过仪表的额定值时,可直接将测量仪表接入测量回路[见图1-1(a)] 。
当电压、电流超过仪表额定值时,可通过电压互感器及电流互感器接入测量回路[见图1-1(b)] 。
图1-1 单相变压器空载试验接线图(a) 仪表直接入;(b) 仪表经互感器接入二、三相变压器空载试验三相变压器的空载试验多采用两功率表法和三功率表法,试验接线如图1-2 所示。
图1-2 三相变压器空载试验接线图(a) 两功率表法;(b) 两功率表法,仪表经互感器接入;(c) 三功率表法,仪表经互感器接入对应图1-2(a) 所示,空载损耗P0 与空载电流百分数I0(%) 计算公式为P0=P1﹢P2I0(%) =(I0a﹢I0b﹢I0c)/3I N ×100%对应图1-2 (b)所示,P、I0、I0(%) 计算式为P0=(P1﹢P2) k TV k TAI0(%) =(I0a﹢I0b﹢I0c)/3I N ×k TA×100%对应图1-2(c) 所示,P0、I0、I0(%)计算式为P0=(P1﹢P2﹢P3)k TV k TAI0(%) =(I0a﹢I0b﹢I0c)/3I N ×k TA×100%以上各式中P1、P、P3——功率表的测量值(表计格数换算后实际值)2I0a 、I0b 、I0c——电流表的实测值k TV——测量用电压互感器的变比k TA——测量用电流互感器的变比I N——变压器测量侧的额定电流三、三相变压器的单相空载试验当现场没有三相电源或变压器三相空载试验数据异常时,可进行单相空载试验。
通过三相变压器的单相空载试验,对各相空载损耗的分析比较,可了解空载损耗在各相分布状况,对发现绕组与铁磁路有无局部缺陷,判断铁芯故障部位较为有效。
进行三相变压器单相空载试验时,将三相变压器中的一相一次短路,按单相变压器的空载试验接线图接好,在其他两相上施加电压,测量空载损耗和空载电流。
变压器空负载测试仪及容量一、功能特性1、可测量变压器的空载电流、空载损耗、短路电压、短路(负载)损耗。
、2、可精确测量各种配电变压器的容量,方便、准确。
3、测试三相变压器的空载、负载时,仪器能自动判断接线是否正确,并显示三相电压、电流的向量图。
4、320×240大屏幕、高亮度的液晶显示,全汉字菜单及操作提示实现友好的人机对话,触摸按键使操作更简便,宽温液晶带亮度调节,可适应冬夏各季。
5、所有测试结果均自动进行校正。
仪器可自动进行诸如:波形校正、6、仪器内部自动进行量程切换,允许测量电压、电流范围宽,接线简单。
7、单机可以完成1000KVA以下的配电变压器全电流下的负载实验的测量;在三分之一额定电流下可完成3150KVA以下的配电变压器的负载试验的测量(在三分之一的额定电流下,仪器可换算到额定电流下的负载损耗参数)。
8、温度校正、非额定电压校正、非额定电流校正等多种校正,使测试结果准确度更高。
9、仪器可以由用户预设40组被试品参数,而且这些参数可以根据需要随时删除和增加,使用非常方便。
10、面板式热敏打印机,可现场快速打印试验结果。
11、允许外接电压互感器和电流互感器进行扩展量程测量,可测量任意参数的被试品。
12、数据(试品设置、测量结果、测试时间等)具备掉电存贮及浏览功能,可以存储500组实验结果,能与计算机联机传送数据。
二、主要技术指标1.测量范围容量:30KVA~65000KVA电压:0~700V,仪器内部自动切换量程电流:0~100A,仪器内部自动切换量程2.频率:45Hz~65Hz1、环境条件温度:-5︒C~40︒C相对湿度:<90%海拔高度:<2500m外界干扰:无特强震动、无特强电磁场外部供电电源:220VAC±10%,45Hz~55Hz3.绝缘强度电压、电流输入端对机壳的绝缘电阻≥100MΩ。
工作电源输入端对外壳之间承受工频2KV(有效值),历时1分钟实验。
BTC变压器空载及负载特性测试仪使用说明书BTC变压器空载及负载特性测试仪,主要适用于电力变压器的空载及负载特性的测试,同时还能满足三相或单相电流、电压、功率损耗等有关参数的测量。
特点:单片机控制、自动程控增益放大、液晶汉化显示、汉化打印输出、所有参数同屏显示、测试准确、体积小、重量轻、特别适合现场携带使用。
测量参数三相电流:Ia、Ib、Ic、Ip(平均)、范围:0--50A,准确度0.5级三相电压:Uab、Ubc、Uca、Up(平均)、范围:0--500V,准确度0.5级空载及短路损耗:P0、P K准确度0.5级空载电流I0及I0%阻抗电压U k%面板介绍图1面板布置如图1所示。
液晶对比度:根据使用者要求可任意调节液晶浓度上键、下键:选择菜单时按此键上下滚动,输入数据时按此键上下选择数位。
确认键:选择菜单时按此键确认输入数据时按此键,光标处数字增大测试完毕按此键可重复测试。
退出键:选择菜单时按此键退出到前级菜单输入数据时按此键,光标处数字减小测试完毕按此键进入数据打印复位键:按此键,仪器回复初始状态操作规则:按图2、3、4接好线打开电源开关,仪器上电工作1.选择测试项目后确认2.逐项输入变压器参数后,移动光标到“测试”处确认即可进入测试状态3.升压或升流到要求值,4.按“上移”键持续1S,仪器显示“正在计算”然后锁定数据,停止刷新,5.按“确认”键进入打印菜单,按“确认”键可打印输出,6.降压,断开试验电源,测试完毕。
单项变压器接线图三项变压器接线图图2三相变压器使用PT 、CT 接线图图3三相变压器a b c Ia Ib Ic Ua Ub Uc到 三 相图4测试实例变压器铭牌参数为:Se=315kVAUe=10±5%kV/0.4kVIe =18.2/457.7AUk=4.08%测试时油温T=24℃空载试验:按图3接线,试验时在低压侧加压,开电源,仪器显示公司名称后显示如下:,按上移、下移键选择试验项目后确认,本例选“空载试验”后仪器显示:Se: 变压器额定容量Ue: 变压器加压侧额定电压KCT: 电流互感器电流比KPT: 电压互感器变压比输入时,按“上移”、“下移”键选择数位,“确认”键增大数位上的数字,“退出”键减小数位上的数字。
第三章变压器实验实验一单相变压器一.实验目的1.通过空载和短路实验测定变压器的变比和参数。
2.通过负载实验测取变压器的运行特性。
二.预习要点1.变压器的空载和短路实验有什么特点?实验中电源电压一般加在哪一方较合适?2.在空载和短路实验中,各种仪表应怎样联接才能使测量误差最小?3.如何用实验方法测定变压器的铁耗及铜耗。
三.实验项目1.空载实验测取空载特性U O=f(I O),P O=f(U O)。
2.短路实验测取短路特性U K=f(I K),P K=f(I K)。
3.负载实验(1)纯电阻负载保持U1=U1N,=1的条件下,测取U2=f(I2)。
(2)阻感性负载保持U1=U1N,=0.8的条件下,测取U2=f(I2)。
四.实验设备及仪器1.MEL系列电机教学实验台主控制屏(含交流电压表、交流电流表)2.功率及功率因数表(MEL-20或含在主控制屏内)3.三相组式变压器(MEL-01)或单相变压器(在主控制屏的右下方) 4.三相可调电阻900Ω(MEL-03) 5.波形测试及开关板(MEL-05) 6.三相可调电抗(MEL-08)五.实验方法1.空载实验实验线路如图3-1变压器T 选用MEL-01三相组式变压器中的一只或单独的组式变压器。
实验时,变压器低压线圈2U1、2U2接电源,高压线圈1U1、1U2开路。
A 、V 1、V 2分别为交流电流表、交流电压表。
具体配置由所采购的设备型号不同由所差别。
若设备为MEL-Ⅰ系列,则交流电流表、电压表为指针式模拟表,量程可根据需要选择;若设备为MEL-Ⅱ系列,则上述仪表为智能型数字仪表,量程可自动也可手动选择。
仪表数量也可能由于设备型号不同而不同。
若电压表只有一只,则只能交替观察变压器的原、副边电压读数,若电压表有二只或三只,则可同时接上仪表。
W 为功率表,根据采购的设备型号不同,或在主控屏上或为单独的组件(MEL-20或MEL-24),接线时,需注意电压线圈和电流线圈的同名端,避免接错线。
实验课程名称:电机与拖动指导老师:卢琴芬实验名称:单相变压器同组学生姓名:刘雪成李文鑫一、实验目的和要求(必填)二、实验内容和原理(必填)三、主要仪器设备(必填)四、操作方法和实验步骤五、实验数据记录和处理六、实验结果与分析(必填)七、讨论、心得一、实验目的Array 1.空载试验实验线路如图3-1所示,被试变压器选用DT40三相组式变压器,实验用其中的一相,其额定容量P N=76W,U1N/ U2N=220/55V,I1N/I2N=0.345/1.38A。
变压器的低压线圈接电源,高压线圈开路。
接通电源前,选好所有电表量程,将电源控制屏DT01的交流电源调压旋钮调到输出电压为零的位置,然后打开钥匙开头,按下DT01面板上“开”的按钮,此时变压器接入交流电源,调节交流电源调压旋钮,使变压器空载电压U0=1.2 U N,然后,逐次降低电源电压,在1.2~0.5U N的范围内,测取变压器的U0、I0、P0共取6-7组数据,记录于表2-1中,其中U=U N的点必测,并在该点附近测的点应密些。
为了计算变压器的变化,在U N以下测取原方电压的同时,测出副方电压,取三组数据记录于表3-1中。
2.短路实验:实验线路如图3-2所示:变压器的高压线圈接电源,低压线圈直接短路。
接通电源前,先将交流调压旋钮调到输出电压为零的位置,选好所有电表量程,按上述方法接通交流电源,逐次增加输入电压,直至短路电流等于1.1 I N为止,在0.5~1.1 I N范围内测取变压器的U K、I K、P K,共取4~5组数据记录于表2-2中,其中I= I K的点必测。
并记下实验时周围环境温度θ(℃)。
变压器高压线圈接电源,低压线圈经过开关S1,接到负载电阻R L。
R L选用DT20,开关S1选用DT26。
接通电源前,将交流电源调节旋钮调到输出电压为零的位置,负载电阻调至最大,然后合上S1,按下接通交流电源的按钮,逐渐升高电源电压,使变压器输出电压U1=U N,在保持U1=U N的条件下,逐渐增加负载电流,即减少负载电阻R L的阻值,从空载到额定负载的范围内,测取变压器的输出电压U2和电流I2,共取5~6组数据,记录于表3~3中,其中I2=0和I2= I2N两点必测。
变压器空载试验1、变压器空载试验的电源容量的选择:保证电源波形失真不超过5%,试品的空载容量应在电源容量的50%以下;采用调压器加压,空载容量应小于调压器容量的50%;采用发电机组试验时,空载容量应小于发电机容量的25%。
2、空载试验是测量额定电压下的空载损耗和空载电流,试验时高压侧开路,低压侧加压,试验电压是低压侧的额定电压,试验电压低,试验电流为额定电流百分之几或千分之几。
空载试验的试验电压是低压侧的额定电压,变压器空载试验主要测量空载损耗。
空载损耗主要是铁损耗。
铁损耗的大小可以认为与负载的大小无关,即空载时的损耗等于负载时的铁损耗,但这是指额定电压时的情况。
如果电压偏离额定指,由于变压器铁芯中的磁感应强度处在磁化曲线的饱和段,空载损耗和空载电流都会急剧变化,因此,空载试验应在额定电压下进行。
注意:在测量大型变压器的空载或负载损耗时,因为功率因数很低,可达到cosφ小于和等于0.1。
所以一定要求采用低功率因数的瓦特表。
3、通过空载试验可以发现变压器以下缺陷:硅钢片间绝缘不良。
铁芯极间、片间局部短路烧损。
穿芯螺栓或绑扎钢带、压板、上轭铁等的绝缘部分损坏、形成短路。
磁路中硅钢片松动、错位、气隙太大。
铁芯多点接地。
线圈有匝间、层间短路或并联支路匝数不等、安匝不平衡等。
误用了高耗劣质硅钢片或设计计算有误.变压器的空载试验指的是通过变压器的空载运行来测定变压器的空载电流和空载损耗。
一般说来,空载试验可以在变压器的任何一侧进行。
通常将额定频率的正弦电压加在低压线圈上而高压侧开路。
为了测出空载电流和空载损耗随电压变化的曲线,外施电压要能在一定范围内进行调节。
变压器空载时,铁芯中主磁通的大小是由绕组端电压决定的,当变压器施加额定电压时,铁芯中的主磁通达到了变压器额定工作时的数值,这时铁芯中的功率损耗也达到了变压器额定工作下的数值,因此变压器空载时输入功率可以认为全部是变压器的铁损。
一般电力变压器在额定电压时,空载损耗约为额定容量的0.1%~1%。
实验四单相变压器的空载、短路和负载特性一、实验目的1、通过空载和短路实验,测定变压器的变比和参数2、通过负载实验,测取变压器的工作特性二、实验项目1、测变比K2、空载实验测取空载特性: I0=f(U0),P=f(U),cosφ=f(U)。
3、短路实验测取短路特性:Pk 、Uk、cosφk=f(Ik)。
4、负载实验(1)纯电阻负载外特性(2)电感负载外特性三、实验设备与仪器单相变压器、调压器、电气仪表、双刀开关、电阻器、电抗器。
四、实验说明(一)测变比k1、实验接线如图1-1所示。
电源开关K1、、调压器T1接至变压器T低压绕组。
变压器T高压绕组开路。
2、闭合电源开关K1。
调节变压器T低压绕组外施电压,使U︾05 UN。
3、对应于不同的外施电压U1,测量T低压绕组侧电压Uax及高压绕组外施电压UAX.。
共取数据3组,记录于表1-1中。
图中 T1——三相调压器 T——三相变压器图1-1 测变比接线图表1-1 测定单相变压器变比(二)空载实验1、实验接线图,如图1-22、实验步骤闭合开关K 1,调节调压器T 1,使变压器T 低压侧外施电压至1.2U N 。
逐次降低外施电压,每次测量空载电压U 0、空载电流I 0、空载损耗P 0,共取数据6组(包括U 0=U N 点,在该点附近测点应较密),记录于表1-2中。
图1-2 空载实验接线图(三)短路实验1、实验接线图,如图1-3图1-3短路实验接线图2实验步骤①闭合开关K ,接通电源。
逐渐增大外施电压,使短路电流升至1.1I N 。
②在(1.1~0.5)I N 范围内,测量短路功率P K ,短路电流I K ,短路电压U K 。
③共取数据5组(包括I K =I N ),记录于表1-3中。
(四)负载实验1、实验接线图,如图1-42、实验步骤(1)纯电阻负载实验(cos φ2=1)①变压器T 二次侧经开关K 2接可变电阻器R L (灯箱或变阻器)。
将负载电阻调至最大值。
单相变压器实验报告学院: 电气工程学院班级: 电气1204班姓名: 卞景季学号:组号: 22一、实验目的ﻩ通过空载和短路实验测定变压器的变比和参数。
通过负载实验测取变压器的运行特性。
二、实验预习1、变压器的空载和短路实验有什么特点?实验中电源电压一般加在哪一方较合适?答:空载试验的电压一般加在低压侧,因为低压侧电压低,电流大,方便测量。
短路试验就是负载实验,高压加额定电流,低压短路,得到试验数据、2、在空载和短路实验中,各种仪表应如何联接才能使测量误差最小?答:在量程范围内,按实验要求电流表串联、电压表并联、功率表串联(同相端短接)。
3、如何用实验方法测定变压器的铁耗及铜耗、答:空载实验所测得的功率为铁耗,短路实验所测得的功率为铜耗。
三、实验项目1、空载实验测取空载特性U0=f(I0),P0=f(U0),cosφ0=f(U0)、2、短路实验测取短路特性UK=f(I K),PK=f(I K), cosφK=f(I K)。
四、实验方法1、实验设备序号型号名称数量1 D33 数/模交流电压表1件2、屏上排列顺序D33、DJ11、D32、D34-3、D51、D42、D43图3—1 空载实验接线图3、空载实验(1)在三相调压交流电源断电的条件下,按图3—1接线、被测变压器选用三相组式变压器DJ11中的一只作为单相变压器,其额定容量P N=77V·A,U1N/U2N=220/55V,I1N/I2N=0。
35/1、4A。
变压器的低压线圈a、x接电源,高压线圈A、X开路。
(2)选好所有测量仪表量程。
将控制屏左侧调压器旋钮向逆时针方向旋转到底,马上其调到输出电压为零的位置。
(3)合上交流电源总开关,按下“启动”按钮,便接通了三相交流电源。
调节三相调压器旋钮,使变压器空载电压U0=1、2U N,然后逐次降低电源电压,在1、2~0。
3UN的范围内,测取变压器的U0、I0、P0。
(4)测取数据时,U=UN点必须测,并在该点附近测的点较密,共测取数据7—8组、记录于表3-1中。
单相变压器实验报告学院:电气工程学院班级:电气1204班姓名:卞景季学号: 12291099 组号: 22一、实验目的通过空载和短路实验测定变压器的变比和参数。
通过负载实验测取变压器的运行特性。
二、实验预习1、变压器的空载和短路实验有什么特点?实验中电源电压一般加在哪一方较合适? 答:空载试验的电压一般加在低压侧,因为低压侧电压低,电流大,方便测量。
短路试验就是负载实验,高压加额定电流,低压短路,得到试验数据。
2、在空载和短路实验中,各种仪表应怎样联接才能使测量误差最小?答:在量程范围内,按实验要求电流表串联、电压表并联、功率表串联〔同相端短接〕。
3、如何用实验方法测定变压器的铁耗及铜耗。
答:空载实验所测得的功率为铁耗,短路实验所测得的功率为铜耗。
三、实验项目1、空载实验测取空载特性U 0=f(I 0),P 0=f(U 0) , cos φ0=f(U 0)。
2、短路实验测取短路特性U K =f(I K ),P K =f(I K ), cos φK =f(I K )。
四、实验方法1、实验设备2、屏上排列顺序D33、DJ11、D32X图3-1 空载实验接线图3、空载实验〔1〕在三相调压交流电源断电的条件下,按图3-1接线。
被测变压器选用三相组式变压器DJ11中的一只作为单相变压器,其额定容量P N=77V·A,U1N/U2N=220/55V,I1N/I2N=0.35/1.4A。
变压器的低压线圈a、x接电源,高压线圈A、X开路。
〔2〕选好所有测量仪表量程。
将控制屏左侧调压器旋钮向逆时针方向旋转到底,即将其调到输出电压为零的位置。
〔3〕合上交流电源总开关,按下“启动”按钮,便接通了三相交流电源。
调节三相调压器旋钮,使变压器空载电压U0=1.2U N,然后逐次降低电源电压,在1.2~0.3U N的范围内,测取变压器的U0、I0、P0。
〔4〕测取数据时,U=U N点必须测,并在该点附近测的点较密,共测取数据7-8组。