钢筋细部构造做法
- 格式:doc
- 大小:108.00 KB
- 文档页数:8
细部做法(XX楼)一、屋面工程1、保温上人屋面:●40厚C20细石混凝土保护层,内配钢筋为φ4@200×200冷拔丝,表面压光,设间距≦6000分隔缝,钢筋在缝内断开。
成品塑料分格条上宽30mm,下宽20mm。
待混凝土终凝后取出,缝内沥青油膏嵌缝。
(甲方分包)●阻燃挤塑聚苯板粘贴(甲方分包)。
●4mm厚聚酯胎SBS-1型改性沥青防水卷材,同性胶粘剂二道沿墙上翻250mm以上(高度自屋面完成面的最高点算起)(甲方分包)●20厚1:3水泥砂浆找平层●1:6水泥炉渣找坡,最薄处30厚(坡度详见各子项屋顶排水设计)6m×6m分格留槽,槽内至女儿墙设Φ25PVC通气管,间距3m●2mm厚聚氨酯涂膜防水层一道(甲方分包)●女儿墙墙面20mm厚1:2.5水泥砂浆抹灰,两遍成活,阴阳角做圆弧角处理●钢筋混凝土结构层,原浆压光2、保温不上人屋面:●40厚C20细石混凝土保护层,内配钢筋为φ4@200×200冷拔丝,表面压光,设间距≦6000分隔缝,钢筋在缝内断开。
成品塑料分格条上宽30mm,下宽20mm。
待混凝土终凝后取出,缝内沥青油膏嵌缝。
●厚阻燃挤塑聚苯板粘贴(甲方分包)●4mm厚聚酯胎SBS-1型改性沥青防水卷材,同性胶粘剂二道沿墙上翻250mm以上(高度自屋面完成面的最高点算起)(甲方分包)●20厚1:3水泥砂浆找平层● 1:6水泥炉渣找坡层,最薄处30厚(坡度详见各子项屋顶排水设计)●钢筋混凝土结构层,原浆压光3、不保温不上人挑板,雨棚顶面等处●20厚1:3水泥砂浆● 1.5mm厚聚氨酯涂膜防水层,上翻300mm(甲方分包)●钢筋混凝土板面清理,1:3水泥砂浆找补二、楼地面做法厨房、卫生间、阳台防水保护层施工时长方向按800-1000间距嵌玻璃条。
1、候梯厅、走道、前室:●面层二次装修考虑●钢筋混凝土结构层2、水泵房、水箱间、湿式报警阀间地面:●30厚C20细石混凝土面层压光● 1.5mm厚JS防水涂膜(由防水单位施工)●20厚1:2.5水泥砂浆找平层●250厚1:6水泥炉渣回填层●基层清理,刷1:0.4水泥浆一道●钢筋混凝土结构层3、低压配电室、值班室地面:●100厚C20混凝土垫层●900厚级配砂卵石回填层,分层夯实●钢筋混凝土结构层4、柴油发电机房、储油间地面(混凝土地面):●20mm厚1:3水泥砂浆面层压光●基层清理,刷1:0.4水泥浆一道●钢筋混凝土结构层5、机动车库:●机动车库最薄处40厚C20砼面层压光●基层清理,刷1:0.4水泥浆一道●钢筋混凝土结构层6、地下室入口车道●机动车库最薄处50厚C30砼,内配钢筋¢6@250,单层双向,刻纹●基层清理,刷1:0.4水泥浆一道●钢筋混凝土结构层7、风机房、设备间地面:●20厚1:3水泥砂浆面层,表面撒1:1水泥砂子提浆抹光●基层清理,刷1:0.4水泥浆一道●钢筋混凝土结构层8、消防水泵房地面(混凝土楼面,有防水层)●20mm厚水泥砂浆面层,表面撒1:1水泥砂子提浆抹光● 1.5mm厚JS防水涂膜(甲方分包)●20厚1:2.5水泥砂浆找平层●1:6水泥炉渣回填层●基层清理,刷1:0.4水泥浆一道●钢筋混凝土结构层9、积水坑地面(水泥砂浆地面,有防水层):●20厚1:3水泥砂浆面层,刮平,找微坡向集水点● 1.2mm厚JS防水涂膜(甲方分包)●基层清理,刷1:0.4水泥浆一道●钢筋混凝土结构层10、消防水池:●20厚1:3水泥砂浆面层,刮平,找微坡向集水点● 1.5mm厚JS防水涂膜(甲方分包)●基层清理,刷1:0.4水泥浆一道●钢筋混凝土结构层11、电梯机房、电井:●20mm 厚1:3水泥砂浆面层压光●钢筋混凝土结构层12、水管井:●20mm厚1:3水泥砂浆压光,1%找坡,坡向地漏,表面压光● 1.5 mm厚JS防水层涂膜,上翻300mm(甲方分包)●钢筋混凝土结构层13、商业、储藏室、物管、办公、卧室、客厅、餐厅●20mm厚1:2.5水泥砂浆拉毛(商铺、办公室、客厅居中嵌玻璃条一道,卧室在门口嵌玻璃条一道)●水泥浆水灰比0.4至0.5结合层一道●钢筋混凝土结构层14、卫生间1(公共卫生间)●面层二次装修考虑●30mm厚C20细石混凝土保护层,坡向地漏,最薄处10mm,拉毛●2mm厚聚氨酯涂膜防水,沿墙上翻300,门洞处向房间内延伸300,洗手盆位置上翻参考墙面做法。
关于严格执行钢筋绑扎质量规范要求通知建设公司项目部:根据对10#-2楼号施工质量现场检查情况,钢筋绑扎施工仍不能达到质量技术要求。
钢筋绑扎一是为了成型,二是绑扎牢固在振捣过程中不会散架,结构受力不会偏移。
现将GB50666-2011《混凝土结构工程施工规范》有关钢筋绑扎施工章节和常规做法转发给你们,望组织钢筋工班组认真学习,并在今后施工中严格执行标准。
一、钢筋绑扎章节。
5.4.9 钢筋绑扎的细部构造应符合下列规定:1、钢筋的绑扎搭接接头应在接头中心和两端用铁丝扎牢;2、墙、柱、梁钢筋骨架中各垂直面钢筋网交叉点应全部扎牢;板上部钢筋网的交叉点应全部扎牢,底部钢筋网除边缘部分外可间隔交错扎牢;3、梁、柱的箍筋弯钩及焊接封闭箍筋的对焊点应沿纵向受力钢筋方向错开设置。
构件同一表面,焊接封闭箍筋的对焊接头面积百分率不宜超过50%;4、填充墙构造柱纵向钢筋宜与框架梁钢筋共同绑扎;5、梁及柱中箍筋、墙中水平分布钢筋及暗柱箍筋、板中钢筋距构件边缘的距离宜为50mm。
二、现场施工质量管理常规做法要求1、柱第一个箍距地面(板面)50mm,柱内主筋排距相对并均匀,拉勾,每隔一道箍筋放置一个,梅花布置并绑牢。
柱主筋在阴角上的必须与箍筋满绑,其余部位均同,柱筋在距板面500mm处必须有一个定位箍筋且要与主筋绑牢。
柱的保护层为20mm在绑梁之前必须垫好保护层。
梁面筋进入柱内必须与柱主筋绑牢。
墙平水筋进入柱内必须与柱主筋至少绑三道。
每层放线后要进行检查发现有柱筋占线或保护层大的,或者主筋排距不均的都要及时整改、调整到位后方能进行绑扎。
严禁错用或替代箍筋。
梁柱节点处必须有加密箍@100。
2、墙拉勾@600梅花状布置。
插筋搭接42d,搭接必须单独绑三道,接头互相错开50%,墙体必须满绑,严禁漏绑或松绑水平筋与暗柱筋必须到角牢绑。
插筋第一条和最后一条距暗柱50mm,墙保护层20mm,垫块@800,梅花状布置,从第二道水平筋开始放置并绑牢。
常用结构及工程细部节点做法,全方位图片展示!来源:百度文库、中建一局、豆丁施工整理如有侵权,请联系删除结构工程细部节点做法一、规定做法01直螺纹丝头加工做法说明:1、直螺纹丝头加工前,钢筋端头采用专用机具切割。
2、加工成型的有效丝头长度 ==(套筒长 /2 ))+2mm 。
3、直螺纹加工质量应牙形饱满,使用配套工具进行检查、验收。
4、丝头安装保护帽,分类码放整齐,标识清晰。
5、采用专用机具切割,保障钢筋端头垂直、平整。
02直螺纹外露丝扣要求说明:1、直螺纹套筒连接采用力矩扳手拧紧,并且钢筋端头相互顶紧。
2、直螺纹外露丝扣不大于 2 个完整丝扣,但不得不露丝扣。
3、对直螺纹接头进行验收,并及时做好标记。
施工单位质检员应对接头质量 100% 自检,合格的以蓝点标记并抽取 10% 的接头进行拧紧扭矩校核,合格的以黄点标记监理单位抽取5% 的接头进行拧紧扭矩校核合格后以红点标记。
03钢筋保护层垫块要求说明:1、混凝土构件应采用水泥垫块控制钢筋保护层厚度。
2、水泥垫块的规格、尺寸应准确,并具有相应的抗压、耐碰撞强度。
3、水泥垫块应绑扎牢固,安装的位置、间距应符合施工方案要求。
04墙拉钩煨弯做法说明:1、根据墙体截面尺寸计算双“ F ”卡加工的尺寸如左图:2、将可重复使用的双“ F ”卡放置于拉钩部位。
3、使用专用工具对墙拉钩进行煨弯。
4、使用可重复利用的双“ F ”卡,保障墙钢筋骨架宽度、拉钩的弯弧半径、平直段长度满足要求。
05导墙木模板接高节点做法说明:1、在导墙混凝土浇筑前,预留对穿螺栓。
(规格、间距按照方案要求)。
2、导墙混凝土顶部弹一条直线,用无齿锯沿线切齐,剔除混凝土软弱层至露出均匀石子,粘贴海绵条。
3、墙体次龙骨下挂至螺栓孔以下。
4、利用螺栓将主龙骨锁紧,进行验收。
5、墙体接高节点也可采用此办法。
6、防止导墙接高出现涨模、漏浆、错台的现象。
06墙、柱水平施工缝做法说明:1、墙、柱混凝土浇筑高度应高于梁底、板底标高线以上30mm 。
地上钢筋主要构造做法1、起步筋要求(1)墙体第一根水平筋距混凝土地面为50mm。
(2)墙体第一根立筋距暗柱边50mm。
(3)剪力墙连梁箍筋距柱边为50mm。
(4)剪力墙暗柱起步箍筋距混凝土地面为30mm。
2、箍筋及拉钩要求(1)箍筋弯钩的弯折角度均为135°,弯钩平直部分的长度应不小于箍筋直径d的10倍且不小于75mm。
箍筋弯钩两端平直部分长度应相等,弯钩平整不扭翘。
(2)剪力墙钢筋拉钩的弯折角度均为135°,弯钩平直部分的长度应不小于拉钩直径d的10倍且不小于75mm。
(3)箍筋及拉钩平直段要求3、剪力墙定位筋做法及要求梯子筋的加工应根据墙厚、钢筋设计间距在标准模具内加工,梯子筋中的顶模棍采用无齿锯切割。
(1)竖向梯子筋采用成品梯子筋,若成品梯子筋不满足使用的情况下,采用现场制作,现场制作的竖向梯子筋采用与墙筋同规格的钢筋制作,每个竖向梯子筋上中下各设置一道顶模筋,顶模筋的长度为墙厚减2mm,顶模筋端头磨平并刷防锈漆。
梯子筋从暗柱边开始设置,纵向间距不大于2000mm,且每道墙至少设置两道。
竖向梯子筋图(2)墙体竖向钢筋间距采用水平梯子筋控制。
在距墙模板上口100mm处放置16墙体水平梯子筋,水平梯子筋可周转使用,水平梯子筋放平并与墙体竖向钢筋用绑扎丝绑牢。
水平梯子筋图4、剪力墙拉钩布置要求剪力墙拉钩采用矩形方式布置,具体间距尺寸按照设计图纸要求设置。
5、钢筋绑扎扣要求采用22#绑扎丝绑扎,所有钢筋相交点均要绑扎,绑扎丝头朝向混凝土内部,外露长度为10~20mm。
剪力墙水平筋与竖向筋相交点成“八字扣”绑扎,暗柱箍筋与主筋各相交点采用“兜扣”或“十字扣”绑扎,框架柱、梁(主次梁及连梁、暗梁)箍筋与主筋采用“兜扣”或“十字扣”绑扎。
钢筋搭接处,搭接部分绑扎三扣,要求距端头50mm各绑扎一扣,中间绑扎一扣。
框架柱同一道大小箍筋不同规格的箍筋要求用绑扎丝分开绑扎。
所有绑扎点均要绑扎牢固(特别是箍筋转角处与主筋绑扎要求到位),无松扣、缺扣现象。
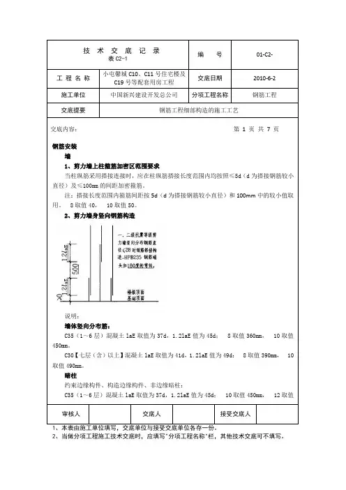
说明:墙体竖向分布筋:C35(1~6层)混凝土laE取值为37d,1.2laEC30【七层(含)以上】混凝土laE取值为2、当做分项工程施工技术交底时,应填写"分项工程名称"栏,其他技术交底可不填写。
说明:转角墙外侧水平筋连续通过转弯与另侧水平筋搭接,上下相邻两排水平筋交错搭接。
搭接长度≥1.2laEC35(1~6层)混凝土laE取值为37d,1.2laE值为45d; 8取值360mm, 10取值450mm。
C30【七层(含)以上】混凝土laE取值为41d,1.2laE值为49d: 8取值390mm, 10取值490mm。
内侧水平钢筋弯钩长度值15d, 8取值120mm, 10取值150mm。
翼墙水平钢筋弯钩长度值15d, 8取值120mm, 10取值150mm。
审核人交底人接受交底人2、当做分项工程施工技术交底时,应填写"分项工程名称"栏,其他技术交底可不填写。
说明:端部暗柱墙水平钢筋弯钩长度值15d, 8取值120mm, 10取值150mm。
墙身水平钢筋搭接值≥l lE。
C35(1~6层)混凝土l lE值为52d; 8取值420mm, 10取值520mm。
C30【七层(含)以上】混凝土l lE值为58d: 8取值464mm, 10取值580mm。
板上部钢筋构造1、当为HPB235光圆钢筋时,端部应设180度弯钩,其平直段长度为3d。
2、楼面板LB钢筋构造2、当做分项工程施工技术交底时,应填写"分项工程名称"栏,其他技术交底可不填写。
l l取值:la光圆(HPB235)钢筋取值24d,la螺纹(HRB400)钢筋取值36d,本工程所有钢筋均小于Ф10,在任何情况下不得小于300mm。
下部钢筋构造审核人交底人1、本表由施工单位填写,交底单位与接受交底单位各存一份。
2、当做分项工程施工技术交底时,应填写"分项工程名称"栏,其他技术交底可不填写。
详解钢筋混凝土楼梯的细部构造范本一:正文:钢筋混凝土楼梯细部构造详解1. 概述- 标准要求:根据相关建筑设计规范,钢筋混凝土楼梯应具备一定的强度和稳定性,以确保人员安全通行。
- 构件类型:钢筋混凝土楼梯主要由楼梯踏板、扶手、楼梯板、梁和柱构成,每个构件都扮演着重要的角色。
2. 楼梯踏板的细部构造- 材料选用:楼梯踏板一般采用预制混凝土板或实心钢筋混凝土板,具备足够强度和耐久性。
- 支撑方式:楼梯踏板通过设置支撑梁或设计合理的钢筋芯板来支撑和传递荷载。
- 防滑措施:为了防止人员滑倒,楼梯踏板表面常常会加工防滑纹理或安装防滑垫。
- 尺寸要求:楼梯踏板的长度、宽度和高度应根据标准规范进行设置,以保证人体步行的舒适度。
3. 扶手的细部构造- 高度位置:扶手应在合适的高度设置,一般为900mm至1100mm之间,以便人员正常抓握。
- 材料选用:扶手材料常常使用实心木材、钢材或铝合金等,具备良好的抗压性和耐久性。
- 固定方式:扶手可以通过螺栓、焊接等方式固定在楼梯梁或楼梯板上,保证其牢固可靠。
4. 楼梯板的细部构造- 材料选用:楼梯板通常使用钢筋混凝土板或木质板材,具备足够的强度和稳定性。
- 安装方式:楼梯板通过焊接或螺栓固定在楼梯梁上,确保其与梁之间的良好连接。
5. 梁和柱的细部构造- 材料选用:梁和柱通常采用钢筋混凝土构件,具备足够的强度和稳定性。
- 承载能力:梁和柱的截面尺寸、钢筋配筋、混凝土强度等参数应根据荷载计算确定,以保证其承载能力满足需求。
6. 附件- 本文档不涉及附件。
7. 法律名词及注释- 根据《建筑设计规范》:该规范是国家标准,规定了建筑物各个构件的设计与施工要求,确保建筑工程质量和安全。
- 防滑垫:一种专门用于防止楼梯踏板滑动的材料,通常采用橡胶或塑料制成。
范本二:正文:钢筋混凝土楼梯细部构造详解1. 综述- 标准要求:根据国家相关建筑设计规范,钢筋混凝土楼梯在设计和施工过程中需要符合一定的规范要求。
住宅坡屋面细部构造标准做法目录2.1 檐口 (2)2.2挂瓦条、顺水条 (2)2.3檐沟 (3)2.4脊瓦、斜天沟 (4)2.5泛水 (5)2.6避雷带 (6)2.7出屋面烟道、管道 (8)2.8砂浆卧瓦层檐口、檐沟做法 (9)2.1 檐口2.1.1反檐预留钢筋长度,按照屋面各层厚度增加70mm预留,在主体混凝土浇筑完成后二次浇筑。
2.1.2滴水线采用20×20成品滴水线,距外侧20mm。
2.2挂瓦条、顺水条2.2.1持钉层35厚C20混凝土,内配φ4@100×100钢筋网片。
2.2.2顺水条—25×5扁钢,中距500,采用3.5×40水泥钉间距600固定。
2.2.3挂瓦条L30×4,间距按瓦规格。
2.3檐沟2.3.1屋面瓦伸出檐沟不少于50mm,防水附加层上翻至坡屋面500mm。
2.3.2滴水线采用成品滴水线距外侧60mm,宽×深=20mm×30mm。
2.3.3檐沟内落水口参考1.6平屋面落水口做法。
2.4脊瓦、斜天沟2.4.1脊瓦卧瓦层高出斜屋面瓦80mm,卧瓦层采用1:3聚合物纤维砂浆。
2.4.2屋脊两端找平层设置2φ6通常钢筋与φ4钢筋网片绑扎。
2.4.3屋面板内预埋φ10锚筋伸出屋面200mm间距900mm,与钢筋网片连接。
2.4.4阴角部位防水附加层伸入坡屋面不小于500mm。
2.4.5斜天沟两侧瓦应切割整齐,边缘平整,沟两侧采用聚合物砂浆封堵抹平,沟边的瓦均应与挂瓦条钉牢。
2.5泛水2.5.1小于90°部位的泛水采用成品耐候型自粘聚合物沥青泛水带,大于90°的部位采用聚合物砂浆抹成圆弧角。
2.6避雷带2.6.1避雷带支架采用成品支架,除避雷引下线外其他部位严禁在屋面瓦上打孔。
2.6.2瓦卡的长度和煨弯按瓦形状制作。
2.7出屋面烟道、管道参考12YJ5-2第K112.7.1出屋面烟道卷材采用自攻钉固定,密封膏缝严,外侧聚合物砂浆抹面,做法详见上图。
16G101钢筋绑扎要点案例工程简介:1、基础结构形式:人工挖孔桩、长螺旋挖孔桩、独立基础、条形基础、承台基础。
2、主体结构形式:框架结构、钢混结构。
3、孔桩部分:长螺旋桩及人工挖孔桩桩身钢筋采用焊接。
4、基础及主体部分:φ16及以上的钢筋使用机械连接,直径小于16的使用绑扎搭接。
01基础底板钢筋绑扎1、基础底板钢筋绑扎施工流程:1)在底板钢筋绑扎前,先按照设计要求钢筋间距,算出底板需用的钢筋,根数,在垫层上放出底板钢筋摆放的位置线,(包括地梁钢筋位置线)和墙柱插筋位置线。
2)承台钢筋绑扎先铺底板下层钢筋。
根据设计和规范要求,决定下层钢筋哪个方向钢筋在下面,参照16G101-1第66-70页安装,绑完下层钢筋后,按间距0.8m 左右设置钢筋马凳,马凳及附加钢筋应支设在下层钢筋网上,不得直接落在保护层,在马凳上摆放纵横两个方向定位钢筋,钢筋上下次序及绑扣方法同底板下层钢筋。
马凳高度H=承台高—混凝土保护层厚—上层双向钢筋直径—下部钢筋单向钢筋直径,桩承台采用下图的钢筋马凳)间距800mm 左右设置, 2、基础底板绑扎方法在绑底板的同时做好底板梁的绑扎,即先先绑东西向后绑南北向的方法排列钢筋。
其接头位置“下层铁在跨中,上层铁在支座”。
梁板式基础部位钢筋接头必须按50%错开,要严格按照配料单的顺序及位置准确排放基础底板下铁保护层为40(50)㎜,上铁为30mm。
板上、下铁中间用马凳铁支起,间距800mm,马凳高度=底板厚-上下保护层-上层双向钢筋直径-下层单向钢筋直径。
3、底板钢筋的施工要求:钢筋绑扎要满扣绑扎且相邻绑扣为“八”字扣,扣头应向结构板内侧弯入。
在绑扎钢筋前要用墨线弹出钢筋摆放间距线,按线绑扎。
上层钢筋绑扎前要摆设好马凳铁,再绑上铁。
4、本工程基础底板(防潮板)厚度为350mm。
02柱子钢筋绑扎工艺流程:弹柱子线→ 剔凿柱混凝土表面浮浆→ 修理柱子筋→ 套柱箍筋→ 安装竖向受力筋→画箍筋间距线→ 绑箍筋→安装垫块。
目录一、细部构造编制依据 (1)二、砌体和构造柱做法: (1)三、屋面施工: (4)四、厨卫防水施工: (8)五、地面施工: (13)六、墙面抹灰: (14)七、外装修工程: (16)八、门窗工程: (17)九、成品保护: (19)十、水电安装: (20)(一)编制依据1、根据设计图纸及甲方样板房要求等确定细部构造2、现行国家有关施工规范、验收标准。
(二)砌体和构造柱做法:1、砌体施工:底砌为三线实心砖,待墙体砌筑完7天后,才能够施工顶砌并采用60°实心砖斜砌,保证砂浆饱满度,门窗洞口边用实心砖进行砌筑。
在厨卫间施工时底部应先浇筑200高C20细石混凝土。
砌块墙体应对孔错缝搭砌,搭接长度不应小于90mm。
承重墙严禁采用断裂小砌块,小砌块应底面朝上反砌于墙上(针对盲孔砌块)。
墙体灰缝厚度宜为10mm,但不应大于12mm,也不应小于8mm。
墙体转角处和纵横墙交接处应同时砌筑。
砌体大样图2、构造柱做法:墙体转角处和纵横墙交接处应设构造柱,门窗洞口两侧应设抱框柱。
构造柱及抱框柱应留设马牙槎,支模时应加设海绵条防止漏浆。
构造柱钢筋应伸至顶部混凝土结构内锚固。
对于通孔砌块按图集要求设置灌芯柱。
构造柱(芯柱)钢筋采用植筋方式与混凝土结构连接,并做好拉拔试验。
做法如下:3.砌体施工与水电配合:墙体上的洞口及管线槽应在砌筑时预留出,不得后凿。
应采用无齿锯切割整齐,构造柱示意图图中单位为)板面拉结钢筋通长设置马牙槎拉结钢筋梁底板底)构造柱1与甩筋搭接绑扎主筋与钢板焊接箍筋加密区箍筋加密区主筋采用植筋主筋采用植筋1-1剖面示意图、构造柱主筋为 12,主筋间距d ≤200。
、截面尺寸依据墙体厚度确定。
线槽采用C20细石混凝土灌实。
墙体上严禁横向开槽。
如下图(三)屋面施工细部构造包括屋面的天沟、檐沟、檐口、泛水、水落口、变形缝、伸出屋面管道等防水构造。
(一)天沟、檐沟天沟、檐沟的防水构造应符合下列要求:(1)沟内附加层在天沟、檐沟与屋面交接处宜空铺,空铺的宽度不应小于200mm; (2)卷材防水层应由沟底翻上至沟外檐顶部,卷材收头应用水泥钉固定,并用密封材料封严;(3)涂膜收头应用防水涂料多遍涂刷或用密封材料封严;(4)在天沟、檐沟与细石混凝土防水层的交接处,应留凹槽并用密封材料嵌填严密。
16G101基础、柱、梁、板、楼梯、剪力墙钢筋绑扎要点大汇总案例工程简介:1、基础结构形式:人工挖孔桩、长螺旋挖孔桩、独立基础、条形基础、承台基础。
2、主体结构形式:框架结构、钢混结构。
3、孔桩部分:长螺旋桩及人工挖孔桩桩身钢筋采用焊接。
4、基础及主体部分:φ16及以上的钢筋使用机械连接,直径小于16的使用绑扎搭接。
01基础底板钢筋绑扎1、基础底板钢筋绑扎施工流程:1)在底板钢筋绑扎前,先按照设计要求钢筋间距,算出底板需用的钢筋,根数,在垫层上放出底板钢筋摆放的位置线,(包括地梁钢筋位置线)和墙柱插筋位置线。
2)承台钢筋绑扎先铺底板下层钢筋。
根据设计和规范要求,决定下层钢筋哪个方向钢筋在下面,参照16G101-1第66-70页安装,绑完下层钢筋后,按间距0.8m 左右设置钢筋马凳,马凳及附加钢筋应支设在下层钢筋网上,不得直接落在保护层,在马凳上摆放纵横两个方向定位钢筋,钢筋上下次序及绑扣方法同底板下层钢筋。
马凳高度H=承台高—混凝土保护层厚—上层双向钢筋直径—下部钢筋单向钢筋直径,桩承台采用下图的钢筋马凳)间距800mm 左右设置,马镫使用14的钢筋进行加工2、基础底板绑扎方法在绑底板的同时做好底板梁的绑扎,即先先绑东西向后绑南北向的方法排列钢筋。
其接头位置“下层铁在跨中,上层铁在支座”。
梁板式基础部位钢筋接头必须按50%错开,要严格按照配料单的顺序及位置准确排放基础底板下铁保护层为40(50)㎜,上铁为30mm。
板上、下铁中间用马凳铁支起,间距800mm,马凳高度=底板厚-上下保护层-上层双向钢筋直径-下层单向钢筋直径。
马镫使用14的钢筋进行加工3、底板钢筋的施工要求:钢筋绑扎要满扣绑扎且相邻绑扣为“八”字扣,扣头应向结构板内侧弯入。
在绑扎钢筋前要用墨线弹出钢筋摆放间距线,按线绑扎。
上层钢筋绑扎前要摆设好马凳铁,再绑上铁。
4、本工程基础底板(防潮板)厚度为350mm。
02、柱子钢筋绑扎工艺流程:弹柱子线→ 剔凿柱混凝土表面浮浆→ 修理柱子筋→ 套柱箍筋→ 安装竖向受力筋→画箍筋间距线→ 绑箍筋→安装垫块。
钢筋混凝土楼梯—现浇式、预制装配式及楼梯细部构造钢筋混凝土楼梯按施工方式可分为现浇式和预制装配式两类。
现浇式钢筋混凝土楼梯现浇式钢筋混凝土楼梯又称为整体式钢筋混凝土楼梯。
是在施工现场支模,绑扎钢筋并浇筑混凝土而成的。
这种楼梯整体性好,刚度大,对抗震较有利,但施工速度慢,模板耗费多。
现浇楼梯按梯段的传力特点,有板式楼梯和梁板式楼梯。
1板式楼梯(如图5—3所示)板式楼梯是讲楼梯当作一块板考虑,板的两端支撑在休息平台的边梁上,休息平台的边梁支撑在墙上。
板式楼梯的结构简单、板底平整、施工方便。
板式楼梯的水平投影长度≤3m时比较经济。
▲图5—3 板式楼梯2梁板式楼梯(如图5—4~5--6所示)梁板式楼梯是将踏步板支撑在斜梁上,斜梁支撑在平台梁上,平台梁再支撑在墙上。
斜梁可放在踏步板的上面、下面或侧面。
斜梁在踏步板上面时,可阻止垃圾、灰尘从梯井落下,且板底面平整,便于粉刷和打扫,缺点是梁占梯段的尺寸。
斜梁在踏步板下面时,板底不平整,抹灰比较费时。
斜梁在侧面时,踏步板在梁的中间,踏步板可做成三角形或折板形。
▲图5—6 侧梁式预制装配式钢筋混凝土楼梯预制装配式钢筋混凝土楼梯是将楼梯分成休息板、楼梯梁、楼梯段三个部分。
将构件在加工厂或施工现场进行预制,施工时将预制构件进行装配、焊接。
预制装配式钢筋混凝土楼梯根据构件尺度不同分为小型构件装配式和大、中型构件装配式两类。
1小型构件装配式钢筋混凝土楼梯小型构件装配式钢筋混凝土楼梯的主要特点是构件小而轻,易制作,但施工繁而慢,湿作业多,耗费人力,适用于施工条件较差的地区。
1、构件类型小型构件装配式钢筋混凝土楼梯的预制构件主要有钢筋混凝土预制踏步、平台板、支撑结构。
2、支撑方式预制踏步的支撑方式一般有墙承式、悬臂踏步式、梁承式三种。
墙承式(如图5—7所示)预制装配墙承式钢筋混凝土楼梯是指预制钢筋混凝土踏步板直接搁置在墙上的一种楼梯形式,其踏步板一般采用一字形、L形断面。
这种楼梯由于在梯段之间有墙,搬运家具不方便,也阻挡视线,上下人流易相撞。
现场施工管理中,对于钢筋绑扎哪些须满扎哪些可跳扎这个问题,我们要拿依据来说话,依据从何而来,图纸、图集、国家规范以及编制通过的施工方案。
当然各个项目的图纸和施工方案是不一样的,不可同日而语。
今天就主要说说大部分地区都通用的《建筑施工手册》和《混凝土结构工程施工规范》中关于钢筋网交叉点是否必须满扎来说说。
一、建筑施工手册1、《建筑施工手册》第四篇中关于钢筋绑扎规定如下:①、钢筋的交点须用铁丝扎牢。
②、板和墙的钢筋网片,除靠外围两行钢筋的相交点全部扎牢外,中间部分的相交点可相隔交错扎牢,但必须保证受力钢筋不发生位移。
双向受力的钢筋网片,须全部扎牢。
2、《建筑施工手册》第二十一篇中关于钢筋绑扎规定如下:除柱钢筋和梁钢筋中的主筋采用焊接接头外,其余受力筋和箍筋均采用绑扎连接。
钢筋绑扎采用现场绑扎,用20 号铁丝。
柱、梁箍筋与受力钢筋垂直设置,箍筋弯钩叠合处,应沿受力钢筋方向错开设置。
板及整浇层的钢筋网外围两行钢筋交点应每点绑扎牢固,中间部分的相交点可相隔交错扎牢,但必须保证受力钢筋不致产生位移。
总之,绑扎时要做到:钢筋位置准确,绑扎牢固,钢筋接头位置,搭接长度,保护层厚度等符合要求,并严格按图施工。
二、混凝土结构工程施工规范《混凝土结构施工规范》5.4.9 中规定如下:1、钢筋绑扎的细部构造应符合下列规定:①、钢筋的绑扎搭接接头应在接头中心和两端用铁丝扎牢;②、墙、柱、梁钢筋骨架中各竖向面钢筋网交叉点应全数绑扎;板上部钢筋网的交叉点应全数绑扎,底部钢筋网除边缘部分外可间隔交错绑扎。
筏板满扎墙板钢筋满扎当然,在图纸有明确要求的情况下,以具体设计图纸要求为准,另外有些地方还有地方规范,有些企业还有企业规范。
墙体砌筑细部做法施工工艺流程:放出墙体边线、门窗洞口线,标出构造柱位置→报验→拉接筋、构造柱打孔、清孔→报验→墙拉筋及构造柱钢筋定位、植筋→报验→浇水润湿砌筑部位结构基层→用水泥标砖砌筑墙底部(厨卫间部位在模板支设完毕后,现浇墙厚×200mm高C20砼翻边)→构造柱钢筋绑扎→墙体砌筑及墙拉筋绑扎,并按要求放置墙体拉接钢筋,以及过梁钢筋设置(过程中控制混凝土带设置及圈梁设置)→构造柱、过梁模板支设→浇筑构造柱、过梁→构造柱、圈梁拆模→清理墙面及室内落地灰以及室内作业杂物→报验1、测量放线检查结果误差为0卫生间、衣帽间墙线检查在保证放线尺寸允许偏差的前提下,尽量将测量放线误差控制在最小。
测量放线精度应控制在±2mm以内。
测量放线应全数检查。
2、构造柱、过梁及墙体拉结筋植筋墙体拉结筋定位填充墙与剪力墙、构造柱的连接处应设置拉结筋2Φ6,沿墙全长贯通,竖向间距600mm。
墙体拉结筋、构造柱、过梁钻孔示意图当遇见墙筋时重新打孔检查钻孔深度使用风钻或电锤进行钻孔,直径为Φ6钢筋,孔径为10mm;直径为Φ12钢筋,孔径为16mm;根据楼板厚度,钻孔深度为15d,楼板处植筋深度为100mm。
在钻孔过程中,(1) 若遇到钻孔部位钢筋太密而无法按要求位置钻孔时,可在其附近钻一附加孔洞,植入钢筋,原钢筋仍按正确位置放置(即搁在正确钻孔部位上)。
(2) 若遇到专业线管不允许在继续钻孔,可在其附近钻一附加孔洞,植入钢筋,原钢筋仍按正确位置放置(即搁在正确钻孔部位上)构造柱植筋孔清理方法:气筒打压吹扫墙拉筋植筋孔清理方法:气筒打压吹扫、法高压水冲洗清孔:钻孔成型后应对残积于孔内的灰尘进行清理,首先使用圆形长条毛刷进行反复刷扫,扫出大部分的粉尘,余下的利用气筒打压吹扫处理完毕,对于墙体上的植筋孔墙拉筋植筋孔清理方法:气筒打压吹扫、法高压水冲洗,构造柱植筋孔清理方法:气筒打压吹扫,注意在构造柱植筋前在清理一次,清理完毕马上植筋,避免灰尘、杂物落入孔内。
钢筋细部构造做法:
1、钢筋的连接:
当钢筋d≥16的,用焊接方式连接。
水平纵筋用闪光对焊连接;竖向纵筋用电渣压力焊连接,接头百分率受拉区25﹪,受压区为50﹪,同一根钢筋不得有两个接头,接头设置在受力较小处。
梁主筋、现浇钢筋砼楼板连接位置,下部钢筋在支座处连接,上部钢筋在跨中1/3范围内连接。
2、板与梁(墙)整浇或连续板板底钢筋伸入支座的锚固长度为1/2梁宽或墙宽,且不小于5d,板与边梁(墙)整浇(边跨)板上部钢筋伸入支座的锚固长度为梁(墙)宽减去保护厚度,且不小于锚固长度La。
3、对于双层钢筋的楼板,当板厚》150时,上部钢筋支撑所用马凳形式为工字形, 12@1000;当板厚小于150时,上部钢筋支撑用混凝土马凳,间距为600;
4、当双向板短跨L≥4200时,上部钢筋有50﹪贯通。
5、根据建施图,当现浇板上砌有轻质隔墙时,在板内下侧沿墙方向加设3 16通长钢筋,且锚入支座的长度满足要求。
6、各楼层的端跨板的端角处,在1/4短向板跨范围内,采用不少于Φ8@200的双向面筋。
7、主、次梁相交时,次梁上下钢筋分别放于主梁上下钢筋的内侧。
8、板短边跨度≥3.6m,梁跨度≥4.0m时,悬挑长度≥1.5
时,按要求起拱。
悬挑梁≥1.5m时,按结施说明增加抗剪筋。
9、本工程剪力墙底部加强部位为地下一层~二层,加强部位端柱和紧靠剪力墙洞口的端柱应按柱箍筋加密区的要求沿全高加密箍筋,加强部位,约束边缘构件以外的拉接筋间距为竖向分布筋间距的2倍。
10、地下室侧墙施工缝处理,人防区域采用《DBT-29-31-2001》第FJ18中做法②,非人防区域采用《DBT29-18-98jz》图集第9页中做法④,材质为3厚镀锌钢板。
11、后浇带,人防区域底板采用《DBT-29-31-2001》FG24中做法,墙身做法顶板与墙身做法采用-2.梁采用结说-2中图10非人防区底板、墙身、梁、顶板采用结说-2中图10 12、受力钢筋的砼保护层厚度:
注:地上部分砼结构的环境类型为一类,厕所等为二a类。
地下部分砼结构的环境类型为二类b类,板筋保护层厚度同墙筋。
基础底梁、底板、外墙迎水面砼保护层厚度为50mm。
13、受拉钢筋锚固长度LaE
采取抗震构造措施时,剪力墙为二级,纯地下室部分框架为三级
14、抗震KZ纵向钢筋连接构造
①、出基础顶面嵌固部分≥Hn/3,楼面上、下≥Hn/6、≥hc、≥500取最大值处为非连接区段。
焊接连接、机械连接与搭接连接的非连接区段相同。
②、搭接连接:在超出非连接区段以上(≥0)按要求搭接长度进行搭接,接头百分率为50﹪,接头之间间距为≥
0.3L le。
③焊接连接:在超出非连接区段以上(≥0)进行焊接,焊接接头百分率为50﹪,接头之间间距为≥500、≥35d,取其最大值。
备注:Hn为所在楼层的柱净高,hc为柱截面长边尺寸。
④、抗震KZ、QZ、LZ,箍筋加密区范围:底层柱根加密区≥Hn/3;梁顶面上、下包括梁内加密范围为≥柱长边尺寸、≥Hn/6、≥500,取其最大值。
15、抗震KL纵向钢筋构造:
①、上部筋:第一排非通长筋及与跨中直径不同的通长筋从柱(梁)边起延伸至Ln/3位置;第二排非通长筋延伸至Ln/4位置;第三排非通长筋延伸至Ln/4位置。
(Ln:对端支座,Ln为本跨的净跨值;对于中间支座,Ln为支座两边较大一跨的净跨值;当纵筋在端支座直锚≥LaE且≥0.5hc+5d时,可以直锚,除此之外,做90°弯钩,平直长度为15d。
②、当梁下部纵筋不全部伸入支座时,不伸入支座的梁下部纵筋截断点距支座边的距离为0.1倍的本跨净跨值。
16、二至四级抗震等级KL、WKL箍筋加密区为出边缘或中间支座50mm处开始加密,加密区长度为≥1.5h b≥500(h b为梁截面高度)。
17、剪力墙身水平钢筋构造:
①、转角墙:外侧水平筋连续通过暗柱范围后方可进行搭接,搭接长度为1.2LaE,上、下相邻两排水平筋交错搭接,交错距离≥500后,方可进行1.2 LaE搭接。
内侧水平筋伸至外墙外侧竖向钢筋内侧后,90度弯钩向内,弯钩平直长度为15d。
②、翼墙:剪力墙水平筋伸至翼墙暗柱外侧竖向钢筋内侧后,
90度弯钩向内,弯钩平直长度为15d。
③、剪力墙水平钢筋沿高度每隔一根交错搭接,搭接长度为LaE,交错间距≥500。
18、剪力墙竖向分布钢筋的构造:
一、二级抗震等级剪力墙竖向分布筋采用搭接时,竖向分布筋出楼板(基础)顶面≥0位置处交错搭接,搭接长度为1.2LaE,交错间距为500,当采用机械(焊接)连接时,出楼板(基础)顶面≥500后可进行交错连接,交错间距为35d。
(约束边缘构件纵向钢筋连接构造同上)。
人防区域钢筋细部构造做法:
1、纵向受力钢筋的砼保护层厚度同上面12。
2、纵向受力钢筋锚固长度l af
备注:在任何情况下,锚固长度不得小于250mm,纵向受拉钢筋绑扎搭接接头的搭接长度不应小于300mm,受压搭接长度不应小于200mm。
纵向受拉钢筋最小搭接长度l lF(搭接接头面积不大于25%)
纵向受拉钢筋最小搭接长度l lF(搭接接头面积不大于50%)
3、内、外墙与顶板、底板的连接构造:
外墙与顶板、底板的连接:
①、当顶板厚度〈外墙厚度:
外墙与底板钢筋的细部构造:外墙外侧纵向钢筋伸至底板下部筋之下,90°弯钩向内,伸入底板的总长度为1.5 l af,外墙内侧钢筋伸至底板下部筋之上,90°弯钩向外,平直段长度为12d。
底板下部钢筋伸至外墙外侧纵筋外侧,90°弯钩向上,平直段长度为15d。
底板上部钢筋伸
至外墙外侧纵筋内侧,90°弯钩向下,平直段长度为15d。
外墙与顶板钢筋的细部构造:外墙外侧纵筋伸至顶板上部纵筋内侧,做90°弯钩向里,平直段长度为12d。
外墙内侧钢筋伸至顶板上部筋内侧,90°弯钩向外,平直段长度为12d。
顶板上部纵筋伸至外墙外侧纵筋外侧,90°弯钩向下,平直段长度为1.7l af。
顶板下部钢筋伸至外墙外侧纵筋内侧,90°弯钩向上,平直段长度为15d。
②、当顶板厚度≥外墙厚度:
外墙与底板钢筋的细部构造:外墙外侧纵向钢筋伸至底板下部筋之下,90°弯钩向内,伸入底板的总长度为1.5 l af,外墙内侧钢筋伸至底板下部筋之上,90°弯钩向外,平直段长度为12d。
底板下部钢筋伸至外墙外侧纵筋内侧,90°弯钩向上,平直段长度为15d。
底板上部钢筋伸至外墙外侧纵筋内侧,90°弯钩向下,平直段长度为15d。
外墙与顶板钢筋的细部构造:外墙外侧纵筋伸至顶板上部纵筋上侧,做90°弯钩向里,在板内的锚固长度为
1.5l af。
外墙内侧钢筋伸至顶板上部筋内侧,90°弯钩向
外,平直段长度为12d。
顶板上部纵筋伸至外墙外侧纵筋内侧,90°弯钩向下,平直段长度为15d。
顶板下部钢筋伸至外墙外侧纵筋内侧,90°弯钩向上,平直段长度为15d。
③、外墙与底板的连接:外墙外侧纵筋的非连接区段为
Hn/4,内侧纵筋的非连接区段为》施工缝高度。
内、外纵筋交错搭接,搭接长度为l lF,中间无非连接区段。
④、内墙与顶板、底板的连接:内墙纵筋伸入底板下部筋之
上,90°弯钩向外,伸至底板的竖直长度b与弯钩长度a之间关系见下表:
内墙纵筋伸入顶板上部筋内侧,90°弯钩向外,弯钩平直长度为12d,伸入顶板的锚固长度为》0.7l aF
⑤、内墙与底板的连接:内墙两侧纵筋的非连接区段为》施工缝高度。
两侧纵筋接头百分率为100%,搭接长度为l lF。
4、其他构造要求见07FG01P59∽68.。