桩基础设计实例
- 格式:ppt
- 大小:1.76 MB
- 文档页数:122
预应力管桩基础抗拔设计与施工实例分析摘要:本文对预应力管桩的抗拔设计原理作了介绍,并对桩头连接等结构节点的处理进行了阐述,比较了PHC管桩在作为抗拔桩时桩身结构强度的计算方法,提出了焊缝强度、端板孔口抗剪强度、钢棒墩头强度的验算方法,并探讨了管桩与承台的连接方式。
关键词:管桩、抗拔设计、桩头连接节点经过约二十年来的推广,预应力管桩由于其具有造价低廉、工艺成熟、施工便捷、质量可靠等优点,与人工挖孔桩、冲(钻)孔桩并列为天津地区的三大常用桩型,特别是在表层土质差、岩层埋深较大的多层、小高层建筑中被当作首选桩基础型式。
PHC管桩作为抗拔桩使用有着其他桩型不可比拟的优势,尤其是在有效预压应力范围内桩身不会出现裂缝,对预应力钢筋保护较好,能较好的发挥桩身抗拉强度,提高桩身抗拔承载力。
因此PHC管桩作为抗拔桩使用的经济性日益凸现。
本文结合天津铁路枢纽西南环线扩能改造工程之青凝侯特大桥的施工实例具体给予说明。
1 工程概况“天津铁路枢纽西南环线位于天津市西南部,线路经过天津市西青区,该地区地势低平,由西向东微倾。
线路所经地区为冲积、海积平原,地形平坦,地势开阔,大部分为坑塘、洼地,局部为农田及货场。
根据《岩土工程勘察报告》显示,场地属丘陵缓坡地段,起伏较大,土层自上而下分别描述见下表1。
表1 场地地层分布情况在综合考虑场地特点、基础方案的安全可靠、经济适用及施工工期等情况后,青凝侯特大桥的承台桩基基础采用管桩设计。
其中,根据工程的计算分析,选用管桩的截面为Φ400X95(PHC-AB),桩身混凝土强度为C80,竖向抗压承载力特征值为1200KN,竖向抗拔承载力特征值为210KN。
综合施工工序等因素的考虑,经与建设单位沟通同意采用管桩作抗拔桩来处理抗浮问题。
以下简要介绍该工程的预应力管桩抗拔承载力计算及相关节点的处理。
2 预应力管桩的抗拔承载力计算2.1桩身承载力控制2.1.1截面为Φ400X95的管桩(PHC-AB)的预应力筋的配筋为7Ф10.7,预应力筋抗拉强度设计值fpy=0.8×1420=1136MPa,根据《混凝土结构设计规范》[1] 第6.2.22条公式可得管桩的轴向拉力设计值为:N=fpyAp=715KN2.1.2管桩桩身轴心受拉时,裂缝控制等级取一级,并应符合以下规定:N≤ƠceA0(Ơce、A0---混凝土有效预压应力值、截面换算面积)根据《锤击式预应力混凝土管桩基础技术规程》[4] 第3.0.12条经验公式计算,管桩的有效预压应力为:Ơce=800n×Aa/A=5.53MPa考虑到预应力筋的实际配筋不大,其所引出的截面换算面积亦不大,故仅考虑管桩桩身实际有效面积(A)作计算。
桩基础的桩基础的施工工程实例桩基础是建筑工程中常见的地基工程,其作用是通过将混凝土桩或钢桩深埋地下,使得建筑结构所受荷载能够传递到地下的更稳定的层次,保证其安全可靠。
本文将介绍一则桩基础的施工工程实例。
这则实例发生在某高层建筑的建设过程中。
该建筑是一座32层的大型商业综合体,地处城市中心,周围环境复杂,建设规模庞大。
地质条件较为特殊,属于地下水位较高的区域,土层为杂土和软黏土,需要采用桩基础来增加承载力和稳定性。
首先,施工团队进行了详细的土质和地下水位勘察,以及建筑结构荷载的计算和设计。
经过综合分析,决定采用混凝土桩基础作为主要的建筑地基结构。
施工方案涉及到多种技术和施工流程。
1. 桩基础的设计根据建筑设计方案和场地勘察结果,桩基础总共需埋置833根桥式钢管混凝土桩。
施工方案主要包括自吸式钻孔机钻取孔洞、沉箱式灌注桩的冲孔和出料、钢筋的加工和焊接等程序。
2. 确定桥式钢管混凝土桩的尺寸和钢筋配筋在确定桥式钢管混凝土桩的尺寸和钢筋配筋时,需要考虑到建筑设计荷载以及地层土质等因素。
为此,施工方案采用了声纳测地仪和钻孔取样等手段对土层进行详细的勘察和分析。
3. 自吸式钻孔机钻取孔洞自吸式钻孔机是桥式钢管混凝土桩施工过程中必不可少的工具,其主要作用是将桩的深度控制在预定范围内,并在桩的内部空洞中排除空气和水分。
4. 沉箱式灌注桩的冲孔和出料沉箱式灌注桩是一种比较常见的桩基础类型,其施工过程主要包括冲孔、出料、换钻、沉管等步骤。
该桥式钢管混凝土桩采用的是3米沉箱式灌注桩,每根钢管都需要冲孔、出料、焊接等过程。
施工方案制定了详细的流程和标准,严格控制施工质量和进度。
5. 桥式钢管、钢筋的加工和焊接桥式钢管的加工和焊接是施工过程中比较关键的环节。
每根桩需要进行10多次的焊接和加工过程,尤其是钢筋配筋更需要准确和规范。
6. 灌注混凝土当桩基础完全灌注混凝土后,需要进行试打桩和检测桩身质量,确保其质量和安全。
经过多次检测、调试、试打桩等流程,最终确保了桩基础的牢固和稳定。
桩基础实例设计计算书桩基础设计计算书⼀:建筑设计资料1、建筑场地⼟层按其成因⼟的特征和⼒学性质的不同⾃上⽽下划分为四层,物理⼒学指标见下表。
勘查期间测得地下⽔混合⽔位深为,地下⽔⽔质分析结果表明,本场地下⽔⽆腐蚀性。
建筑安全等级为2级,已知上部框架结构由柱⼦传来的荷载:V = 3200kN, M=400kN mg,H = 50kN;柱的截⾯尺⼨为:400×400mm;承台底⾯埋深:D =。
2、根据地质资料,以黄⼟粉质粘⼟为桩尖持⼒层,钢筋混凝⼟预制桩断⾯尺⼨为300×300,桩长为3、桩⾝资料:混凝⼟为C30,轴⼼抗压强度设计值fc=15MPa,弯曲强度设计值为fm =,主筋采⽤:4Φ16,强度设计值:fy=310MPa4、承台设计资料:混凝⼟为C30,轴⼼抗压强度设计值为fc=15MPa,弯曲抗压强度设计值为fm=。
、附:1):⼟层主要物理⼒学指标;2):桩静载荷试验曲线。
附表⼀:附表⼆:桩静载荷试验曲线⼆:设计要求:1、单桩竖向承载⼒标准值和设计值的计算;2、确定桩数和桩的平⾯布置图;3、群桩中基桩的受⼒验算4、承台结构设计及验算;5、桩及承台的施⼯图设计:包括桩的平⾯布置图,桩⾝配筋图,承台配筋和必要的施⼯说明;6、需要提交的报告:计算说明书和桩基础施⼯图。
三:桩基础设计(⼀):必要资料准备1、建筑物的类型机规模:住宅楼2、岩⼟⼯程勘察报告:见上页附表3、环境及检测条件:地下⽔⽆腐蚀性,Q —S 曲线见附表(⼆):外部荷载及桩型确定1、柱传来荷载:V = 3200kN 、M = 400kN ?m 、H = 50kN2、桩型确定:1)、由题意选桩为钢筋混凝⼟预制桩;2)、构造尺⼨:桩长L =,截⾯尺⼨:300×300mm 3)、桩⾝:混凝⼟强度 C30、cf=15MPa 、m=4φ16yf=310MPa 4)、承台材料:混凝⼟强度C30、cf=15MPa 、mf=tf=(三):单桩承载⼒确定 1、单桩竖向承载⼒的确定:1)、根据桩⾝材料强度(?=按折减,配筋φ16)2()1.0(150.25300310803.8)586.7pS cyR kNf f AA ?''=+=+?=2)、根据地基基础规范公式计算:1°、桩尖⼟端承载⼒计算:粉质粘⼟,LI=,⼊⼟深度为100800(800)8805pakPa q -=?= 2°、桩侧⼟摩擦⼒:粉质粘⼟层1:1.0LI17~24sakPa q= 取18kPa粉质粘⼟层2:0.60LI= ,24~31sakPa q= 取28kPa28800.340.3(189281)307.2p ippasia Ra kPaqq lA µ=+=?++?=∑3)、根据静载荷试验数据计算:根据静载荷单桩承载⼒试验Q s -曲线,按明显拐点法得单桩极限承载⼒550ukN Q=单桩承载⼒标准值:55027522uk kN QR === 根据以上各种条件下的计算结果,取单桩竖向承载⼒标准值275akN R单桩竖向承载⼒设计值1.2 1.2275330k kN R R ==?=4)、确定桩数和桩的布置:1°、初步假定承台的尺⼨为 223m ? 上部结构传来垂直荷载: 3200V kN = 承台和⼟⾃重: 2(23)20240G kN == 32002401.1 1.111.5330F G n R ++=?=?= 取 12n =根桩距:()()3~43~40.30.9~1.2S d m ==?= 取 1.0S m =2°、承台平⾯尺⼨及柱排列如下图:桩平⾯布置图1:100桩⽴⾯图(四):单桩受⼒验算: 1、单桩所受平均⼒:3200 2.6 3.6220297.912F G N kPa R n ++===<2、单桩所受最⼤及最⼩⼒:()()max max min2240050 1.5 1.5297.960.5 1.5iF G nMx Nx+??+=±=±=??∑3、单桩⽔平承载⼒计算: 150 4.212i H kPa n H === , 3200266.712i V == 4.211266.763.512H V ==<即 i V 与i H 合⼒与i V 的夹⾓⼩于5o∴单桩⽔平承载⼒满⾜要求,不需要进⼀步的验算。
K1304+312天桥桩基础施工专项方案工程概况青岛至兰州国家高速公路雷家角(陕甘界)至西峰段高速公路,起点位于甘陕交界的雷家角,即合水县太白镇,终点位于西峰李家寺,路线全长126.56公里,全线按四车道高速公路标准建设,设计时速80km/h,整体式路基宽24.5m。
本标段为LX05标段,路线起点桩号YK1296+100(ZK1295+900),位于蒿嘴铺乡陈家河村,终点桩号K1309+400,位于合水县蒿嘴铺乡蒿嘴铺村,路线全长13.152082km。
K1304+312天桥是我标段唯一的一座天桥,上跨主线路基,北岸以平交道形式与现有国道309线相接,北岸以路基引道形式直接与现有乡村道路连接。
桥型结构形式:主桥下部结构为钢筋混凝土群桩基础、轻型台,上部结构为1-42.6 m的钢筋混凝土下承式板拱桥;桥梁总长48.12m,引道长163.65m。
桥面宽度为:行车道宽4.5m。
设计荷载为公路一II级。
鉴于拱桥推力较大、桩较长及等因素,后排设置为斜桩,以有效解决拱座的水平推力。
斜桩桩长27米,与地面竖直夹角20°,桩底2米范围内设置扩大头,桩底直径扩大为2米。
因该桩的桩底位置距309国道仅有3米,设计答疑中要求309国道半幅通车以减小在挖孔施工中车辆行驶对地层的扰动,防止塌孔事故的发生。
二、编制依据2.1两阶段施工图设计(送审稿)2.2施工图补充说明及工程技术要求和有关规定;2.3设计答疑文件;2.4《公路工程技术标准》(JTG B01-2003)2.5《公路工程质量检验评定标准》(JTGF80/1-2004)2.6《公路桥涵施工技术规范》(JTJ041-2000)三、施工工艺、方法3.1施工工艺流程图:3.2 309国道、乡村农道改移方案1、该桥桥台位置处于乡村农道的中线位置,挖孔桩开挖后影响村民的正常通行,在将既有农道该移后在进行1#桥台的挖孔桩施工。
改移农道见下图:---------------------------------------2、改移既有农道路面顶宽3米,两侧填方边坡按1:1,填筑需分层压实,分层厚度30cm,压实度不小于93%。
桩基承台基础设计实例分析摘要:本文通过基础设计实例分析,分析了基础计算,参数选择,基础承台顶面的竖向力计算,群桩承载力计算、桩型选择等分析基础工程设计是如何进行的。
关键词:基础承台;单桩承载力;群桩效应;桩长设计。
中图分类号:文献标识码:A0引言在基础工程设计时缺乏应有的工程实例,为了给相关技术人员提供较祥尽的基础工程设计方案,笔者在收集福州地区建筑物的基础设计方案的基础上总结了桩基承载力设计方法,在工程实例中桩基参数的选择、基础工程设计的理论依居,为基础工程工作者、学生提供设计理论参考。
1桩长设计1.1实例基础单柱承载力本工程单柱承载力设计值为5000kN。
1.2工程实例地层条件工程实例工程地质情况根据《××地块岩土工程勘察报告》揭示,本工程岩土体特征分述如下:(相对应预应力管桩)[1]吹填土(层序):地基承载力特征值=130~150kPa,桩周土极限侧阻力标准值=35kPa,厚度3.90-5.10m。
含泥中砂(层序):地基承载力特征值=180kPa,桩周土极限侧阻力标准值=55kPa,厚度12.70~15.70m。
中砂夹淤泥(层序):地基承载力特征值=160kPa,桩周土极限侧阻力标准值=50kPa,厚度0.70~8.90m。
淤泥夹砂(层序-1):地基承载力特征值=50kPa,桩周土极限侧阻力标准值=15kPa,厚度0.40~3.10m。
中砂(层序):地基承载力特征值=300-350kPa,桩周土极限侧阻力标准值=60~80kPa,桩端土极限端阻力标准值=6.0~7.0 MPa,厚度12.30~15.10m。
卵石(层序):地基承载力特征值=500~550kPa,桩周土极限侧阻力标准值=120kPa,桩端土极限端阻力标准值=9.0 MPa,厚度大于8.0m。
1.3单桩承载力设计由单柱承载力设计值为5000kN分析初步设计采用PHC桩,拟设计为四桩承台,单桩承载力设计值为1350kN,采用PHC桩,桩径500mm,设计桩长34m,桩端进入卵石(层序)2m。
桩基础工程1.某工程用打桩机,打如图4-1所示钢筋混凝土预制方桩,共50根,求其工程量,确定定额项目。
钢筋混凝土预制方桩【解】工程量=0.5×0.5×(24+0.6)×50=307.50m3钢筋混凝土预制方桩套2-6定额基价=114.59元/m32.打桩机打孔钢筋混凝土灌注桩,桩长14m,钢管外径0.5m,桩根数为50根,求现场灌注桩工程量,确定定额项目。
【解】工程量=3.14÷4×0.52×(14+0.5)×50=142.28m3打孔钢筋混凝土灌注桩(15m以内)套2-41定额基价=508.3元/m33.如图所示,已知共有20根预制桩,二级土质。
求用打桩机打桩工程量。
【解】工程量=0.45×0.45×(15+0.8)×20m3=63.99m34.如图所示,求履带式柴油打桩机打桩工程量。
已知土质为二级土,混凝土预制桩28根。
【解】工程量=[×(0.32-0.22)×21.2+×0.32×O.8]×28m3=99.57m35.如图所示,求送桩工程量,并求综合基价。
【解】工程量=0.4×0.4×(0.8+0.5)×4=0.832m3查定额,套(2-5)子目,综合基价=0.832×(96.18+21×0.63×0.25+1033.82×0.060×0.25)=115.625元6.打预制钢筋混凝土离心管桩,桩全长为12.50m,外径30cm,其截面面积如图所示,求单桩体积。
【解】离心管桩V1=×3.1416×12m3=0.0125×3.1416×12m3=0.471m3预制桩尖V2=0.32××3.1416×0.5m3=0.0255×3.1416×0.5m3=0.035m3总体积∑V=(0.471+0.035)m3=0.506m37.求图示钢筋混凝土预制桩的打桩工程量,共有120根桩。
桩基础设计实例
以下是一个桩基础设计实例:
项目概况:
- 设计地点:某市某地
- 设计用途:办公大楼
- 地基情况:软土层深度10米,下面为坚硬的岩石层
- 最大荷载:5000吨
设计步骤:
1. 地质勘察:对地基进行详细勘察,确定软土层深度、岩石层情况以及地下水位等重要参数。
2. 天地线计算:根据设计荷载和地基情况,计算出合适的桩基础直径和长度。
3. 桩基础布置:确定桩基础的布置方式,一般为桩群或桩桥。
4. 桩身计算:根据桩基础布置确定桩身所受力情况,计算桩身受到的摩擦力和承载力。
5. 桩头设计:根据桩身受力情况和工程要求,设计桩头的直径和长度。
6. 桩基础施工:根据设计图纸,进行桩基础的施工工艺和流程。
实例设计方案:
- 设计荷载:5000吨
- 地基情况:软土层深度10米,下面为坚硬的岩石层
- 桩基础布置方式:桩群
- 桩直径:1.5米
- 桩长度:14米
- 桩头直径:2.5米
- 桩头长度:6米
- 桩基础数量:20根
设计计算:
- 桩身承载力:根据地基情况和桩身直径及长度,计算出每根桩的承载力。
- 桩身摩擦力:根据桩直径和桩身长度,计算桩与土壤的摩擦力。
- 桩头承载力:根据桩直径和桩头长度,计算桩头的承载力。
施工方法:
- 桩基础施工工艺:先进行桩孔钻探,然后进行桩基础灌注混凝土,并在桩头部分加入钢筋进行加固。
这是一个简单的桩基础设计实例,具体的设计还需要根据具体工程要求和现场实际情况进行详细设计。
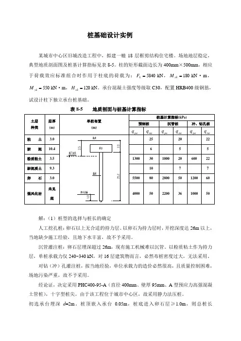
桩基础设计实例某城市中心区旧城改造工程中,拟建一幢18层框剪结构住宅楼。
场地地层稳定,典型地质剖面图及桩基计算指标见表8-5。
柱的矩形截面边长为400mm ×500mm ,相应于荷载效应标准组合时作用于柱底的荷载为:5840=k F kN ,180=xk M kN ·m ,550=yk M kN ·m ,120=xk H kN 。
承台混凝土强度等级取C30,配置HRB400级钢筋,试设计柱下独立承台桩基础。
表8-5 地质剖面与桩基计算指标解:(1)桩型的选择与桩长的确定人工挖孔桩:卵石以上无合适的持力层。
以卵石为持力层时,开挖深度达26m 以上,当地缺少施工经验,且地下水丰富,故不予采用。
沉管灌注桩:卵石层埋深超过26m ,现有施工机械难以沉管。
以粉质粘土作为持力层,单桩承载力仅240~340 kN ,对16层建筑物而言,必然布桩密度过大,无法采用。
对钻(冲)孔灌注桩,按当地经验,单位承载力的造价必然很高,且质量控制困难,场地污染严重,故不予采用。
经论证,决定采用PHC400-95-A (直径400mm 、壁厚95mm 、A 型预应力高强混凝土管桩),十字型桩尖。
由于该工程位于城市中心区,故采用静力法压桩。
初选承台埋深d =2m 。
桩顶嵌入承台0.05m ,桩底进入卵石层≥1.0m ,则总桩长L=0.05+1.0+10.4+3.5+9.3+1.0≈25.3m 。
(2)确定单桩竖向承载力 ①按地质报告参数预估∑+=i sia P p pa a L q u A q R()4596910.1803.9105.3304.1061254.044.055002+=⨯+⨯+⨯+⨯+⨯⨯⨯+⎪⎪⎭⎫⎝⎛⨯⨯=ππ =1150kN②按当地相同条件静载试验成果u Q 的范围值为2600 ~3000kN 之间,则 1500~13002/==u a Q R kN ,经分析比较,确定采用13502/==u a Q R kN 。
桩基础工程计算实例详解假设有一个建筑物的设计要求如下:- 最大荷载Qmax = 1500 kN- 桩芯承载力qult = 300 kN/m2- 桩身直径d = 600 mm-桩身材料为钢筋混凝土,强度等级C30首先,我们需要确定桩的尺寸。
一般情况下,桩的直径和长度是根据荷载要求和土壤条件来确定的。
在这个例子中,我们假设桩的长度为L=8m。
然后,我们需要计算桩基础的承载力。
桩基础的承载力由桩身的侧阻力和顶阻力两部分组成。
侧阻力主要由土壤与桩身的摩擦力提供,顶阻力则由桩底部与土壤接触面的土壤重力提供。
计算侧阻力时,我们可以使用以下公式:Qs=πdLαsσs其中,Qs为侧阻力,αs为土与桩身摩擦角,σs为土的有效应力。
根据经验公式,我们可以将αs设定为30°。
计算顶阻力时,我们可以使用以下公式:Qt=πd2/4γL其中,Qt为顶阻力,γ为土的单位重量。
计算侧阻力和顶阻力之和,即桩基础的承载力:Qult = Qs + Qt接下来,我们需要计算桩基础的抗倾覆能力。
抗倾覆是指建筑物或桩基础在不均匀荷载作用下的稳定性。
计算抗倾覆力矩时,我们可以使用以下公式:Ms = Qult × e其中,Ms为抗倾覆力矩,e为建筑物或桩基础中心与桩基础边缘的距离。
然后,我们可以计算抗倾覆标准压力。
抗倾覆标准压力是指建筑物或桩基础对土壤施加的最大倾覆力矩。
计算抗倾覆标准压力时,我们可以使用以下公式:Pb=Ms/(B×L)其中,Pb为抗倾覆标准压力,B为建筑物或桩基础的基底宽度。
最后,我们需要比较抗倾覆标准压力和土壤的承载力。
如果抗倾覆标准压力小于土壤的承载力,则桩基础满足设计要求。
否则,我们需要重新调整桩的尺寸或考虑其他加固措施。
综上所述,桩基础工程计算包括确定桩的尺寸、计算承载力和抗倾覆能力等参数。
通过合理的计算和比较,我们可以确保桩基础的稳定性和安全性。
某建筑物桩基础及承台结构设计与计算实例在现代建筑中,桩基础及承台结构被广泛应用于高层建筑、桥梁、隧道等工程建设中,是确保建筑物结构安全可靠的关键因素之一。
本文将以某高层建筑为例,介绍其桩基础及承台结构的设计与计算过程。
一、桩基础设计在进行桩基础设计时,首先需要确定工程地质情况以及建筑物的设计荷载,以此作为基础确定桩的数量和尺寸。
在此实例中,建筑物地处软黏土层,设计荷载为5000KN,因此需要选择直径为Φ1200的桩进行承载。
桩的计算长度取决于地质情况和荷载大小,一般采用以下公式进行计算:L=NQc+Gv/Φfs+NsδLr,其中N为安全系数,Qc为静力触探法所得静壳容重,Gv为水平面积内的有效重力相长,Φfs 为桩身抗拔承载力,δLr为修正长度。
通过计算得出,本例中桩的计算长度为25m。
二、承台结构设计承台结构是将建筑物荷载分散到多个桩上的关键要素,具有重要的结构功能和承载性能。
在此实例中,承台结构采用了“桥式结构”,具有良好的水平刚度和稳定性。
桥式结构由主梁、支座、横向梁、竖向杆、普通梁等构成,其中主梁和支座为承载荷载的主要构件。
在此实例中,主梁采用直接固定在8个桩上,支座采用分开布设并采用底板连接的形式。
承台结构的计算主要包括强度计算和稳定性计算两个方面。
强度计算依据荷载计算和材料强度计算两个方面综合计算,稳定性计算则主要考虑承台结构的变形情况和刚度分析。
三、桩基础及承台结构计算在完成桩基础和承台结构的设计后,需要对其进行详细计算验证,以确保其结构安全可靠。
本例中采用了STAAD软件进行计算,计算结果如下:(1)桩基础计算结果桩的支座垂直荷载P0=5000KN,支座水平荷载F0=500KN,桩的计算长度L=25m。
经计算得出,当桩的总数n=8时,其承载能力满足设计要求。
(2)承台结构计算结果承台结构主梁应力最大点位于支座附近,其应力值为211.7MPa,远小于材料强度280MPa。
同时,在稳定性计算中,承台结构符合要求。
桩基础设计实例计算书近年来,随着建筑技术的发展,桩基础在大型建筑物的建设中越来越受到重视。
作为一个安全、稳定、可靠的基础结构体系,桩基础的设计和施工显得尤为重要。
本文将以一座超高层建筑物的桩基础设计为例,详细介绍桩基础设计过程中的关键要素和计算方法,并提供一些实用的指导意见,希望能对读者有所启发。
先介绍一下本案例的具体情况:一座超高层建筑物,总建筑面积50万平方米,地下室建筑面积20万平方米,地下室深度40米。
由于场地土壤比较松散,难以支撑大楼的重量,因此需要采用桩基础结构。
设计要求桩基础的抗震性能、承载能力均需满足国家标准和行业要求。
一、桩基础设计要素1. 桩长:桩长是指桩身埋入土层的深度,也是桩基础能够承受的承载力的主要决定因素。
桩长的测算方法一般有静载试验法、动力触探法和静力触探法等。
在本项目中,我们采用了静载试验法进行桩长计算,根据试验结果确定了每根桩在土层中埋入的深度。
2. 桩径:桩径是桩身的直径,它的大小主要依据于建筑物的重量和土质条件而定。
桩径的确定需要综合考虑多种因素,如土层稳定性、荷载情况、施工难度和成本等。
在本项目中,我们选择了桩径为80厘米,能够满足建筑物的重量和土壤承载力的要求。
3. 桩距:桩距是指相邻桩点之间的距离。
它的大小直接影响着桩基础的承载能力和抗震性能。
桩距大小的确定需要综合考虑多种因素,如桩径、土质条件和建筑物荷载等。
在本项目中,我们选择了桩距为2.5米,能够满足设计要求。
4. 桩身材质:桩身材质是指桩基础使用的材料,其性能和质量决定着桩基础的承载能力和抗震性能。
常用的桩身材质有钢筋混凝土、钢管及复合桩等。
在本项目中,我们采用了钢筋混凝土桩身材质,具有优良的承载能力和抗震性能。
5. 桩头设计:桩头是桩身顶部的一部分,直接受到建筑物的荷载作用。
因此,桩头设计需要根据建筑物的结构和重量来确定。
一般情况下,桩头的设计包括锚固长度、悬挂系统和翼板等。
在本项目中,我们采用了锚固长度为60厘米,悬挂系统为钢结构,翼板为方形板材等设计方案。