桩基础实例设计计算书
- 格式:doc
- 大小:410.00 KB
- 文档页数:9
基础工程计算书桩基础设计1.1设计资料 1.1.1上部结构资料某教学实验楼,上部结构为七层框架,其框架主梁、次梁、楼板均为现浇整体式,混凝土强度等级为C30。
底层层高3.4m (局部10m ,内有10t 桥式吊车),其余层高3.3m ,底层拄网平面布置及柱底菏载见图2.1。
1.1.2建筑物场地资料拟建建筑场地位于市区内,地势平坦,建筑平面位置见图2.2。
建筑场地位于非地震区,不考虑地震影响。
图2.2建筑物平面位置示意图单位:m场地地下水类型为潜水,地下水位离地表 2.1m,根据已有的分析资料,该场地底下水对混凝土无腐蚀性。
建筑地基的土层分布情况及其各土层的物理、力学指标见表2.1表2.1地基各土层物理、力学指标1.2选择桩型、桩端持力层、承台埋深1.2.1选择桩型因框架跨度大而且极不均匀,柱底荷载大,不宜采用浅基础。
根据施工场地、地基条件以及场地周围的环境条件,选择桩基础。
因钻孔灌注桩水泥排泄不便,为了减小对周围环境的污染,采用静压预制桩,这样可以较好的保证桩身质量,并在较短施工工期完成沉桩任务,同时,当地的施工技术力量、施工设备及材料供应也为采用静压桩提供了可能性。
1.2.2选择桩的几何尺寸及承台埋深依据地基土的分布,第④层土是较合适的桩端持力层。
桩端全断面进入持力层1.0m(>d2),工程桩进土深度为23.1m。
承台底进入第②层土0.3m,所以承台的埋深为2.1m,桩基的有效长度即为21m。
桩截面尺寸选用450m m×450m m,由施工设备要求,桩分为两节,上段长11m,下段长11m(不包括桩尖长度在内),实际桩长比有效桩长大1m,这是考虑持力层可能有一定的起伏以及桩需嵌入承台一定长度而留有的余地。
桩基及土层分布示意图见图2.3. 1.3确定单桩极限承载力标准值本设计属二级建筑桩基,采用经验参数法和静力触探法估算单桩承载力标准值。
根据单桥探头静力触探资料s P 按图1.2确定桩侧极限阻力标准值。
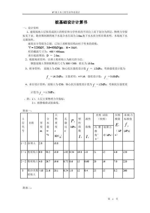
桩基础实例设计计算书桩基础设计计算书⼀:建筑设计资料1、建筑场地⼟层按其成因⼟的特征和⼒学性质的不同⾃上⽽下划分为四层,物理⼒学指标见下表。
勘查期间测得地下⽔混合⽔位深为,地下⽔⽔质分析结果表明,本场地下⽔⽆腐蚀性。
建筑安全等级为2级,已知上部框架结构由柱⼦传来的荷载:V = 3200kN, M=400kN mg,H = 50kN;柱的截⾯尺⼨为:400×400mm;承台底⾯埋深:D =。
2、根据地质资料,以黄⼟粉质粘⼟为桩尖持⼒层,钢筋混凝⼟预制桩断⾯尺⼨为300×300,桩长为3、桩⾝资料:混凝⼟为C30,轴⼼抗压强度设计值fc=15MPa,弯曲强度设计值为fm =,主筋采⽤:4Φ16,强度设计值:fy=310MPa4、承台设计资料:混凝⼟为C30,轴⼼抗压强度设计值为fc=15MPa,弯曲抗压强度设计值为fm=。
、附:1):⼟层主要物理⼒学指标;2):桩静载荷试验曲线。
附表⼀:附表⼆:桩静载荷试验曲线⼆:设计要求:1、单桩竖向承载⼒标准值和设计值的计算;2、确定桩数和桩的平⾯布置图;3、群桩中基桩的受⼒验算4、承台结构设计及验算;5、桩及承台的施⼯图设计:包括桩的平⾯布置图,桩⾝配筋图,承台配筋和必要的施⼯说明;6、需要提交的报告:计算说明书和桩基础施⼯图。
三:桩基础设计(⼀):必要资料准备1、建筑物的类型机规模:住宅楼2、岩⼟⼯程勘察报告:见上页附表3、环境及检测条件:地下⽔⽆腐蚀性,Q —S 曲线见附表(⼆):外部荷载及桩型确定1、柱传来荷载:V = 3200kN 、M = 400kN ?m 、H = 50kN2、桩型确定:1)、由题意选桩为钢筋混凝⼟预制桩;2)、构造尺⼨:桩长L =,截⾯尺⼨:300×300mm 3)、桩⾝:混凝⼟强度 C30、cf=15MPa 、m=4φ16yf=310MPa 4)、承台材料:混凝⼟强度C30、cf=15MPa 、mf=tf=(三):单桩承载⼒确定 1、单桩竖向承载⼒的确定:1)、根据桩⾝材料强度(?=按折减,配筋φ16)2()1.0(150.25300310803.8)586.7pS cyR kNf f AA ?''=+=+?=2)、根据地基基础规范公式计算:1°、桩尖⼟端承载⼒计算:粉质粘⼟,LI=,⼊⼟深度为100800(800)8805pakPa q -=?= 2°、桩侧⼟摩擦⼒:粉质粘⼟层1:1.0LI17~24sakPa q= 取18kPa粉质粘⼟层2:0.60LI= ,24~31sakPa q= 取28kPa28800.340.3(189281)307.2p ippasia Ra kPaqq lA µ=+=?++?=∑3)、根据静载荷试验数据计算:根据静载荷单桩承载⼒试验Q s -曲线,按明显拐点法得单桩极限承载⼒550ukN Q=单桩承载⼒标准值:55027522uk kN QR === 根据以上各种条件下的计算结果,取单桩竖向承载⼒标准值275akN R单桩竖向承载⼒设计值1.2 1.2275330k kN R R ==?=4)、确定桩数和桩的布置:1°、初步假定承台的尺⼨为 223m ? 上部结构传来垂直荷载: 3200V kN = 承台和⼟⾃重: 2(23)20240G kN == 32002401.1 1.111.5330F G n R ++=?=?= 取 12n =根桩距:()()3~43~40.30.9~1.2S d m ==?= 取 1.0S m =2°、承台平⾯尺⼨及柱排列如下图:桩平⾯布置图1:100桩⽴⾯图(四):单桩受⼒验算: 1、单桩所受平均⼒:3200 2.6 3.6220297.912F G N kPa R n ++===<2、单桩所受最⼤及最⼩⼒:()()max max min2240050 1.5 1.5297.960.5 1.5iF G nMx Nx+??+=±=±=??∑3、单桩⽔平承载⼒计算: 150 4.212i H kPa n H === , 3200266.712i V == 4.211266.763.512H V ==<即 i V 与i H 合⼒与i V 的夹⾓⼩于5o∴单桩⽔平承载⼒满⾜要求,不需要进⼀步的验算。
目录1设计任务 (2)1.1设计资料 (2)1.2设计要求 (3)2 桩基持力层,桩型,桩长的确定 (3)3 单桩承载力确定 (3)3.1单桩竖向承载力的确定 (3)4 桩数布置及承台设计 (4)5 复合桩基荷载验算 (6)6 桩身和承台设计 (9)7 沉降计算 (14)8 构造要求及施工要求 (20)8.1预制桩的施工 (20)8.2混凝土预制桩的接桩 (21)8.3凝土预制桩的沉桩 (22)8.4预制桩沉桩对环境的影响分析及防治措施 (23)8.5结论与建议 (25)9 参考文献 (25)一、设计任务书(一)、设计资料1、某地方建筑场地土层按其成因土的特征和力学性质的不同自上而下划分为5层,物理力学指标见下表。
勘查期间测得地下水混合水位深为2.1m,本场地下水无腐蚀性。
建筑安全等级为2级,已知上部框架结构由柱子传来的荷载。
承台底面埋深:D =2.1m。
(二)、设计要求:1、桩基持力层、桩型、承台埋深选择2、确定单桩承载力3、桩数布置及承台设计4、群桩承载力验算5、桩身结构设计和计算6、承台设计计算7、群桩沉降计算8、绘制桩承台施工图二、桩基持力层,桩型,桩长的确定根据设计任务书所提供的资料,分析表明,在柱下荷载作用下,天然地基基础难以满足设计要求,故考虑选用桩基础。
由地基勘查资料,确定选用第四土层黄褐色粉质粘土为桩端持力层。
根据工程请况承台埋深 2.1m,预选钢筋混凝土预制桩断面尺寸为450㎜×450㎜。
桩长21.1m。
三、单桩承载力确定(一)、单桩竖向承载力的确定:1、根据地质条件选择持力层,确定桩的断面尺寸和长度。
根据地质条件以第四层黄褐色粉土夹粉质粘土为持力层,采用截面为450×450mm的预置钢筋混凝土方桩,桩尖进入持力层1.0m;镶入承台0.1m,桩长21.1 m。
承台底部埋深2.1 m。
2、确定单桩竖向承载力标准值Quk可根据经验公式估算:Quk= Qsk+ Qpk=µ∑qsikli+qpkApQ——单桩极限摩阻力标准值(kN)skQ——单桩极限端阻力标准值(kN)pku——桩的横断面周长(m)A——桩的横断面底面积(2m)pL——桩周各层土的厚度(m)iq——桩周第i层土的单位极限摩阻力标准值(a kP)sikq——桩底土的单位极限端阻力标准值(a kP)pk桩周长:µ=450×4=1800mm=1.8m桩横截面积:Ap=0.45²=0.2025㎡桩侧土极限摩擦力标准值qsik:查表得:用经验参数法:粉质粘土层:L I=0.95,取qsk=35kPa淤泥质粉质粘土:qsk=29kPa粉质粘土:L I=0.70,取qsk=55kPa桩端土极限承载力标准值qpk,查表得:qpk=2200 kPa用经验参数法求得Quk1=1.8×(35×8.0+29×12.0+1.0×55) +2200×0.2025=1674.9KN用静力触探法求得Quk2=1.8×(36×8.0+43×12.0+1.0×111) +1784.5×0.2025=2008.4KN3、确定单桩竖向承载力设计值R,并且确定桩数n和桩的布置先不考虑群桩效应,估算单桩竖向承载力设计值R为:R=Qsk/rs+Qpk/rpR——单桩竖向极限承载力设计值,kNQ——单桩总极限侧阻力力标准值,kNskQ——单桩总极限端阻力力标准值,kNpkγ——桩侧阻力分项抗力系数sγ——桩端阻力分项抗力系数p用经验参数法时:查表rs=rp=1.65R1=Qsk/rs+Qpk/rp=1229.4/1.65+445.5/1.65=1015.09KN 用静力触探法时:查表rs=rp=1.60R2=Qsk/rs+Qpk/rp=1647/1.60+361.4/1.60=1255.25KNRz=min(R1,R2)= 1015.09 KN四、桩数布置及承台设计根据设计资料,以轴线⑦为例。
目录1设计任务 (2)1.1设计资料 (2)1.2设计要求 (3)2 桩基持力层,桩型,桩长的确定 (3)3 单桩承载力确定 (3)3.1单桩竖向承载力的确定 (3)4 桩数布置及承台设计 (4)5 复合桩基荷载验算 (6)6 桩身和承台设计 (9)7 沉降计算 (14)8 构造要求及施工要求 (20)8.1预制桩的施工 (20)8.2混凝土预制桩的接桩 (21)8.3凝土预制桩的沉桩 (22)8.4预制桩沉桩对环境的影响分析及防治措施 (23)8.5结论与建议 (25)9 参考文献 (25)一、设计任务书(一)、设计资料1、某地方建筑场地土层按其成因土的特征和力学性质的不同自上而下划分为5层,物理力学指标见下表。
勘查期间测得地下水混合水位深为2.1m,本场地下水无腐蚀性。
建筑安全等级为2级,已知上部框架结构由柱子传来的荷载。
承台底面埋深:D =2.1m。
(二)、设计要求:1、桩基持力层、桩型、承台埋深选择2、确定单桩承载力3、桩数布置及承台设计4、群桩承载力验算5、桩身结构设计和计算6、承台设计计算7、群桩沉降计算8、绘制桩承台施工图二、桩基持力层,桩型,桩长的确定根据设计任务书所提供的资料,分析表明,在柱下荷载作用下,天然地基基础难以满足设计要求,故考虑选用桩基础。
由地基勘查资料,确定选用第四土层黄褐色粉质粘土为桩端持力层。
根据工程请况承台埋深 2.1m,预选钢筋混凝土预制桩断面尺寸为450㎜×450㎜。
桩长21.1m。
三、单桩承载力确定(一)、单桩竖向承载力的确定:1、根据地质条件选择持力层,确定桩的断面尺寸和长度。
根据地质条件以第四层黄褐色粉土夹粉质粘土为持力层,采用截面为450×450mm的预置钢筋混凝土方桩,桩尖进入持力层1.0m;镶入承台0.1m,桩长21.1 m。
承台底部埋深2.1 m。
2、确定单桩竖向承载力标准值Quk可根据经验公式估算:Quk= Qsk+ Qpk=µ∑qsikli+qpkApQ——单桩极限摩阻力标准值(kN)skQ——单桩极限端阻力标准值(kN)pku——桩的横断面周长(m)A——桩的横断面底面积(2m)pL——桩周各层土的厚度(m)iq——桩周第i层土的单位极限摩阻力标准值(a kP)sikq——桩底土的单位极限端阻力标准值(a kP)pk桩周长:µ=450×4=1800mm=1.8m桩横截面积:Ap=0.45²=0.2025㎡桩侧土极限摩擦力标准值qsik:查表得:用经验参数法:粉质粘土层:L I=0.95,取qsk=35kPa淤泥质粉质粘土:qsk=29kPa粉质粘土:L I=0.70,取qsk=55kPa桩端土极限承载力标准值qpk,查表得:qpk=2200 kPa用经验参数法求得Quk1=1.8×(35×8.0+29×12.0+1.0×55) +2200×0.2025=1674.9KN用静力触探法求得Quk2=1.8×(36×8.0+43×12.0+1.0×111) +1784.5×0.2025=2008.4KN3、确定单桩竖向承载力设计值R,并且确定桩数n和桩的布置先不考虑群桩效应,估算单桩竖向承载力设计值R为:R=Qsk/rs+Qpk/rpR——单桩竖向极限承载力设计值,kNQ——单桩总极限侧阻力力标准值,kNskQ——单桩总极限端阻力力标准值,kNpkγ——桩侧阻力分项抗力系数sγ——桩端阻力分项抗力系数p用经验参数法时:查表rs=rp=1.65R1=Qsk/rs+Qpk/rp=1229.4/1.65+445.5/1.65=1015.09KN 用静力触探法时:查表rs=rp=1.60R2=Qsk/rs+Qpk/rp=1647/1.60+361.4/1.60=1255.25KNRz=min(R1,R2)= 1015.09 KN四、桩数布置及承台设计根据设计资料,以轴线⑦为例。
本工程中fak=1000kPa1、当d=1400D=1300时,N max =D 2×3.14×f a /4=1327.321775kN192.422388kN则N =N max -N 1=1134.899388kNQ=1327.321775kNA p ×f c ×Ψc =10991.16677kN所以Q <Ap×fc×Ψc3078.7582mm 2选用钢筋为:16φ16N=16φ=16As=3216.98816 2、当d=1100D=1400时,N max =D 2×3.14×f a /4=1539.3791kN118.791372kN则N =N max -N 1=1420.587728kNQ=1539.3791kNA p ×f c ×Ψc =6785.363162kN所以Q <Ap×fc×Ψc1900.66195mm 2选用钢筋为:13φ14N=13φ=14As=2001.19283 3、当d=1200D=1500时,N max =D 2×3.14×f a /4=1767.144375kN141.37155kN则N =N max -N 1=1625.772825kNQ=1767.144375kNA p ×f c ×Ψc =8075.142936kN所以Q <Ap×fc×Ψc钢筋根数 N 钢筋直径mm 面积 As=N*(Pi*φ^2/4)配筋满足要求假设每根桩长5m,那么桩身自重N1为桩基础计算书桩的承载力计算桩的承载力计算假设每根桩长5m,那么桩身自重N1为桩身强度验算桩身强度验算按构造配筋,最小配筋面积应为配筋满足要求满足规范要求钢筋直径mm 面积 As=N*(Pi*φ^2/4)满足规范要求桩的承载力计算假设每根桩长5m,那么桩身自重N1为桩身强度验算满足规范要求按构造配筋,最小配筋面积应为钢筋根数 N2261.9448mm 2选用钢筋为:15φ14N=15φ=14As=2309.06865 4、当d=1500D=1900时,N max =D 2×3.14×f a /4=2835.284975kN220.893047kN 则N =N max -N 1=2614.391928kNQ=2835.284975kNA p ×f c ×Ψc =12617.41084kN所以Q <Ap×fc×Ψc3534.28875mm 2选用钢筋为:18φ16N=18φ=16As=3619.11168 5、当d=1600D=2000时,N max =D 2×3.14×f a /4=3141.59kN251.3272kN 则N =N max -N 1=2890.2628kNQ=3141.59kNA p ×f c ×Ψc =14355.80966kN所以Q <Ap×fc×Ψc4021.2352mm 2选用钢筋为:21φ16N=21φ=16As=4222.29696桩身强度验算面积 As=N*(Pi*φ^2/4)配筋满足要求满足规范要求按构造配筋,最小配筋面积应为钢筋根数 N 钢筋直径mm 按构造配筋,最小配筋面积应为钢筋根数 N 假设每根桩长5m,那么桩身自重N1为桩身强度验算满足规范要求按构造配筋,最小配筋面积应为钢筋直径mm 桩的承载力计算假设每根桩长5m,那么桩身自重N1为面积 As=N*(Pi*φ^2/4)桩的承载力计算配筋满足要求钢筋根数 N 钢筋直径mm 面积 As=N*(Pi*φ^2/4)配筋满足要求。
桩基础设计计算书一:设计资料1、建筑场地土层按其成因土的特征和力学性质的不同自上而下划分为四层,物理力学指标见下表。
勘查期间测得地下水混合水位深为2.0m,地下水水质分析结果表明,本场地下水无腐蚀性。
建筑安全等级为2级,已知上部框架结构由柱子传来的荷载:V = 3200kN, M=400kN m,H = 50kN;柱的截面尺寸为:400×400mm;承台底面埋深:D = 2.0m。
2、根据地质资料,以黄土粉质粘土为桩尖持力层,钢筋混凝土预制桩断面尺寸为300×300,桩长为10.0m3、桩身资料:混凝土为C30,轴心抗压强度设计值fc=15MPa,弯曲强度设计值为fm =16.5MPa,主筋采用:4Φ16,强度设计值:fy=310MPa4、承台设计资料:混凝土为C30,轴心抗压强度设计值为fc=15MPa,弯曲抗压强度设计值为fm=1.5MPa。
、附:1):土层主要物理力学指标;2):桩静载荷试验曲线。
附表一:附表二:桩静载荷试验曲线二:设计要求:1、单桩竖向承载力标准值和设计值的计算;2、确定桩数和桩的平面布置图;3、群桩中基桩的受力验算4、承台结构设计及验算;5、桩及承台的施工图设计:包括桩的平面布置图,桩身配筋图,承台配筋和必要的施工说明;6、需要提交的报告:计算说明书和桩基础施工图。
三:桩基础设计(一):必要资料准备1、建筑物的类型机规模:住宅楼2、岩土工程勘察报告:见上页附表3、环境及检测条件:地下水无腐蚀性,Q—S曲线见附表(二):外部荷载及桩型确定1、柱传来荷载:V = 3200kN 、M = 400kN ∙m 、H = 50kN2、桩型确定:1)、由题意选桩为钢筋混凝土预制桩; 2)、构造尺寸:桩长L =10.0m ,截面尺寸:300×300mm 3)、桩身:混凝土强度 C30、cf=15MPa 、mf=16.5MPa4φ16yf=310MPa4)、承台材料:混凝土强度C30、cf=15MPa 、mf=16.5MPatf=1.5MPa(三):单桩承载力确定1、 单桩竖向承载力的确定: 1)、根据桩身材料强度(ϕ=1.0按0.25折减,配筋 φ16)2()1.0(150.25300310803.8)586.7pS cyR kNf f AA ϕ''=+=⨯⨯⨯+⨯=2)、根据地基基础规范公式计算: 1°、桩尖土端承载力计算: 粉质粘土,LI=0.60,入土深度为12.0m100800(800)8805pakPa q -=⨯= 2°、桩侧土摩擦力: 粉质粘土层1:1.0LI= ,17~24sakPa q= 取18kPa粉质粘土层2:0.60LI= ,24~31sakPa q= 取28kPa28800.340.3(189281)307.2pippasia Ra kPaqq lA μ=+=⨯+⨯⨯⨯+⨯=∑3)、根据静载荷试验数据计算:根据静载荷单桩承载力试验Q s -曲线,按明显拐点法得单桩极限承载力550ukN Q=单桩承载力标准值:55027522uk kN QR === 根据以上各种条件下的计算结果,取单桩竖向承载力标准值275akN R=单桩竖向承载力设计值1.2 1.2275330k kN R R ==⨯=4)、确桩数和桩的布置:1°、初步假定承台的尺寸为 223m ⨯ 上部结构传来垂直荷载: 3200V kN = 承台和土自重: 2(23)20240G kN =⨯⨯⨯= 32002401.1 1.111.5330F G n R ++=⨯=⨯= 取 12n =根 桩距 :()()3~43~40.30.9~1.2S d m ==⨯= 取 1.0S m =2°、承台平面尺寸及柱排列如下图:桩平面布置图1:100桩立面图(四):单桩受力验算: 1、单桩所受平均力:32002.63.6220297.912F G N kPa R n ++⨯⨯⨯===<2、单桩所受最大及最小力:()()maxmax min 2240050 1.5 1.5297.960.5 1.5iF G nMx N x+⨯⨯+=±=±=⨯⨯∑3、 单桩水平承载力计算: 150 4.212i H kPa n H === , 3200266.712i V == 4.211266.763.512H V ==<< 即i V 与i H 合力 与i V 的夹角小于5∴单桩水平承载力满足要求,不需要进一步的验算。
一、 设计资料1、场地工程地质资料见图1-1和表1-1。
图1-1 场地土层分布表1-1 各层土的物理性质及力学指标土层名称含水量ω(%)重度γ3(/)kN m比重 s G 液限 L ω (%) 塑限 P ω(%)内聚力 c()kPa内摩擦角 ϕ(度)压缩模量 12S E - ()MPa承载力ak f()kPa杂填土 16.0 灰色淤泥质土 38.2 18.5 2.73 38.2 18.4 10 5 3.54 60 灰黄色粘性土 6.7 19.6 2.71 32.7 17.7 18 20 7.0 220 灰黑色淤泥质土30.118.92.7342.018.912144.651002、 柱端传至承台顶面处的荷载设计值顺序号:n=30轴力5000300(3010)11000F kN =+⨯-=弯矩40050(3010)1400M kN m =+⨯-=⋅(沿柱截面长边方向作用)剪力10020(3010)500V kN =+⨯-=(沿柱截面长边方向作用)3、 柱底面标高 -0.5m4、柱截面尺寸F=11000kN>10000kN∴柱截面尺寸取为700600mm mm ⨯5、 桩基安全等级 二级二、 设计过程1、初选方案选用C40(21.71/t f N mm =)的混凝土预制桩(动力打桩),配置HRB335级(2300/y f N mm =)钢筋;承台混凝土强度等级取C40(21.71/t f N mm =),配置HRB335级(2300/y f N mm =)钢筋。
桩截面尺寸为400400mm mm ⨯,长度为11m ,承台底面标高为-1.900m 。
承台与桩的大致尺寸如下:图2-1 单桩及承台尺寸示意图2、 确定单桩竖向承载力设计值桩长11m ,桩顶伸入承台0.05m ,则打穿了厚度110.9 1.99l m =-=的淤泥质土,进入粘性土的长度21190.05 1.95l m =--=。
⑴确定单桩竖向极限承载力标准值桩基安全等级为二级,当根据土的物理指标与承载力参数之间的经验关系确定单桩竖向极限承载力标准值时,宜按下式计算:uk sk pk sik i pk p Q Q Q u q l q A =+=+∑式中 sik q ——桩侧第i 层土的极限侧阻力标准值,按《建筑桩基技术规范》查表取值; pk q ——极限端阻力标准值,按《建筑桩基技术规范》查表取值。
桩基础设计实例某城市中心区旧城改造工程中,拟建一幢18层框剪结构住宅楼。
场地地层稳定,典型地质剖面图及桩基计算指标见表8-5。
柱的矩形截面边长为400mm ×500mm ,相应于荷载效应标准组合时作用于柱底的荷载为:5840=k F kN ,180=xk M kN ·m ,550=yk M kN ·m ,120=xk H kN 。
承台混凝土强度等级取C30,配置HRB400级钢筋,试设计柱下独立承台桩基础。
表8-5 地质剖面与桩基计算指标解:(1)桩型的选择与桩长的确定人工挖孔桩:卵石以上无合适的持力层。
以卵石为持力层时,开挖深度达26m 以上,当地缺少施工经验,且地下水丰富,故不予采用。
沉管灌注桩:卵石层埋深超过26m ,现有施工机械难以沉管。
以粉质粘土作为持力层,单桩承载力仅240~340 kN ,对16层建筑物而言,必然布桩密度过大,无法采用。
对钻(冲)孔灌注桩,按当地经验,单位承载力的造价必然很高,且质量控制困难,场地污染严重,故不予采用。
经论证,决定采用PHC400-95-A (直径400mm 、壁厚95mm 、A 型预应力高强混凝土管桩),十字型桩尖。
由于该工程位于城市中心区,故采用静力法压桩。
初选承台埋深d =2m 。
桩顶嵌入承台0.05m ,桩底进入卵石层≥1.0m ,则总桩长L=0.05+1.0+10.4+3.5+9.3+1.0≈25.3m 。
(2)确定单桩竖向承载力 ①按地质报告参数预估∑+=i sia P p pa a L q u A q R()4596910.1803.9105.3304.1061254.044.055002+=⨯+⨯+⨯+⨯+⨯⨯⨯+⎪⎪⎭⎫⎝⎛⨯⨯=ππ =1150kN②按当地相同条件静载试验成果u Q 的范围值为2600 ~3000kN 之间,则 1500~13002/==u a Q R kN ,经分析比较,确定采用13502/==u a Q R kN 。
目录一.作用效应组合 (2)(一)、恒载计算 (2)(二)、活载反力计算 (3)(三)、人群荷载 (3)(四)、汽车制动力计算 (4)(五)、支座摩阻力 (4)(六)、荷载组合计算 (4)二.确定桩长 (6)三.桩基强度验算 (7)(一)、桩的内力计算 (7)(二)桩身材料截面强度验算 (11)四.桩顶纵向水平位移验算 (13)五.横系梁设计 (14)六.桩柱配筋 (14)七.裂缝宽度验算 (14)桥墩桩基础设计计算书一. 作用效应组合(一)恒载计算1、盖梁自重 )1(G =25⨯0.5⨯0.33⨯1.4=5.775 KN)2(G =(0.9+1.5)⨯2.075/2⨯25⨯1.4=87.15 KN)3(G =(0.25+1.2+5.8+1.2+5.8+1.2+0.25)⨯25⨯1.5⨯1.4=824.25KN )4(G =0.33⨯0.5⨯25⨯1.4=5.775 KN)5(G =(0.9+1.5)⨯2.065/2⨯25⨯1.4=86.73 KN1G =)1(G +)2(G +)3(G +)4(G +)5(G =1009.68 KN2、桥墩自重:2G =)]633.6738.6843.6(412.1[252++⨯⨯⨯⨯π=KN 54.5713.系梁自重:3G =253145.128.01)215.08.5(252⨯⨯⨯⨯+⨯⨯⨯⨯-⨯π=KN 54.3524.上部恒载:各梁恒载反力表 表一边梁自重:)1(G =2⨯12.54⨯19.94=500.10KN 中辆自重:)2(G =10.28⨯19.94⨯15=3074.75KN 一孔上部铺装自重:)3(G =3.5⨯19.94⨯17.5=1221.33KN 一孔上部恒载:4G =)1(G +)2(G +)3(G =4796.18KN 综上可得恒载为:G=1G +2G +3G +4G =6729.94KN(二)支座活载反力计算 1. 汽车荷载(1)一跨活载反力查规范三车道横向折减系数取0.78,根据规范的跨径在五米和五十米之内均布荷载标准值应该采用直线内插法180360180--x 4515= 解得x =237.84 故P K=237.84KN在桥跨上的车道荷载布置如图排列,均布荷载q k =10.5KN/m 满跨布置,集中荷载P K=237.84KN 布置在最大影响线峰值处,反力影响线的纵距分别为: h 1=1.0, h 2=0.0hh 1支座反力: KN l q P N k k 61.79578.03)2205.1084.237(78.03)2(6=⨯⨯⨯+=⨯⨯⨯+= 支座反力作用点离基底形心轴的距离:e a =(20-19.46)/2=0.27m由1N 引起的弯矩:KN M 81.21427.061.7951=⨯=(1) 两跨活载反力 支座反力: KN lq P N k k 68.103478.03)46.195.1084.237(78.03)22(2=⨯⨯⨯+=⨯⨯⨯⨯+= 由2N 产生的弯矩:m KN M .36.27927.068.10342=⨯= 2.行人荷载布置在5.5米人行道上,产生竖直方向力。
桩基础计算书桩基础设计1 设计资料1.1 工程名称:上海**重型机械厂机加工车间1.2 工程概况:单层工业厂房,单跨,跨度24米,柱距6米(图1)-0.200±0.000 NQMN1图(1)起重量75Q t=吊车二台;单层排架结构,预制柱截面600?1200mm。
作用于基础顶面荷载为:第一组N max=3900KN 第二组N=3300KNM=185KN.m M max=250KN.mQ=60KN Q=72KN外墙1砖,N1=460KN。
预制基础梁,高450mm。
1.3 地质资料:底下水在天然地面下2.0m处。
室内外地面差0.20m。
室外设计地面标高与天然地面一致。
表(1)土层编号土层名称层底深度(m)γ3/KN mω(%)eLωpωE SKPaCKPaφ( )lI(%)I亚粘土1.25 18.7 34.1 0.94 36.9 21.1 4600 17 15 82.2 ∏淤泥质粘土8.65 17.9 45.3 1.20 38.2 20.6 2500 13 13 140.3I∏淤泥质粘土14.35 17.1 50.8 1.42 43.4 22.8 3200 7 10 135.9V I亚粘土19.5 18.7 30.0 0.90 36.6 20.0 5800 36 12 60.2 V粘土38.0 17.7 43.0 1.10 47.8 24.9 5200 40 11 79.02 确定桩基材料,几何尺寸和承台埋深桩身采用30C 混凝土,钢筋采用HRB335级钢筋,承台采用20C 混凝土,钢筋采用HPB235,垫层采用10C 素混凝土,100mm 厚。
采用钢筋混凝土预制桩,桩的截面尺寸选用400mm ?400mm ,桩基有效长度18.7m ,桩顶嵌入承台0.1米,实际桩长18.8米,桩分为两段,上段长8.8米,下段长10米。
依据地基土的分布:确定第5层土是较合适的的桩端持力层,桩端全截面进入持力层1.0m ,承台埋深1.8米。
桩基础课程设计计算书土力学课程设计姓名:学号:班级:二级学院:指导老师:地基基础课程设计任务书[工程概况]某城市新区拟建一栋10层钢筋混凝土框架结构的办公楼,长24.0m ,宽9.6m ,其1-5轴的柱底荷载效应标准组合值如下所示。
建筑场地位于临街地块部·位,地势平坦,室外地坪标高同自然地面,室内外高差450mm 。
柱截面尺寸均为500mm ×500mm ,横向承重,柱网布置图如图1所示。
场地内地层层位稳定,场地地质剖面及桩基计算指标详见工程地质资料,如表1所示。
勘察期间测得地下水水位埋深为2.5m 。
地下水水质分析结果表明,本场地地下水无腐蚀性。
试按乙级条件设计柱下独立承台桩基础。
柱底荷载效应标准组合值1轴荷载:5417;85.m;60k k k F kN M kN V kN ===。
2轴荷载:5411;160.m;53k k k F kN M kN V kN ===。
3轴荷载:5120;88.m;63k k k F kN M kN V kN ===。
4轴荷载:5300;198.m;82k k k F kN M KN V kN ===。
5轴荷载:5268;140.m;60k k k F kN M kN V kN ===。
图1 框架结构柱网布置图(预制桩基础)--12土木1班工程概况某市新区钢筋混凝土框架结构的办公楼,长24.0米,柱距6米,宽9.6米,室内外地面高差0.45米。
柱截面500×500mm。
建筑场地地质条件见表1。
表1 建筑场地地质条件注:地下水位在天然地面下2.5米处目录地基基础课程设计任务书........................................................................................................ - 0 - 工程概况.................................................................................................................................... - 1 -1.设计资料................................................................................................................................. - 3 -2.选择桩型与桩端持力层、确定桩长和承台埋深................................................................. - 3 -3.确定单桩极限承载力标准值................................................................................................. - 4 -4.确定桩数和承台尺寸............................................................................................................. - 5 -5.桩顶作用效应验算................................................................................................................. - 6 -6.桩基础沉降验算..................................................................................................................... - 7 -6.1 求基底压力和基底附加压力 ............................................................................... - 7 -6.2 确定沉降计算深度 ............................................................................................... - 7 -6.3 沉降计算 ............................................................................................................... - 7 -6.4 确定沉降经验系数 ............................................................................................... - 8 - 8 承台设计计算...................................................................................................................... - 10 -8.1承台受冲切承载力验算 ...................................................................................... - 10 -8.1.1.柱边冲切 .............................................................................................. - 10 -8.1.2角桩向上冲切....................................................................................... - 11 -8.2承台受剪承载力计算 .......................................................................................... - 12 -8.3承台受弯承载力计算 .......................................................................................... - 12 - 参考文献.................................................................................................................................. - 13 -桩基础课程设计计算书1.设计资料由上结构传至桩基的最大荷载设计值为:N=5268kN ,M=140 kN·m ,V=60kN表1 建筑场地地质条件2.选择桩型与桩端持力层、确定桩长和承台埋深根据表1地质条件,以粉砂土层为桩尖持力层,采用预制混凝土方桩,桩长L=20m ,截面尺寸为500mm 500mm ,桩尖进入粉砂土层为2m 。
桩基础设计计算书一:建筑设计资料1、建筑场地土层按其成因土的特征和力学性质的不同自上而下划分为四层,物理力学指标见下表。
勘查期间测得地下水混合水位深为2.0m,地下水水质分析结果表明,本场地下水无腐蚀性。
建筑安全等级为2级,已知上部框架结构由柱子传来的荷载:V = 3200kN, M=400kN m,H = 50kN;柱的截面尺寸为:400×400mm;承台底面埋深:D =2.0m。
2、根据地质资料,以黄土粉质粘土为桩尖持力层,钢筋混凝土预制桩断面尺寸为300×300,桩长为10.0m3、桩身资料:混凝土为C30,轴心抗压强度设计值fc=15MPa,弯曲强度设计值为fm =16.5MPa,主筋采用:4Φ16,强度设计值:fy=310MPa4、承台设计资料:混凝土为C30,轴心抗压强度设计值为fc=15MPa,弯曲抗压强度设计值为fm=1.5MPa。
、附:1):土层主要物理力学指标;2):桩静载荷试验曲线。
附表二:桩静载荷试验曲线二:设计要求:1、单桩竖向承载力标准值和设计值的计算;2、确定桩数和桩的平面布置图;3、群桩中基桩的受力验算4、承台结构设计及验算;5、桩及承台的施工图设计:包括桩的平面布置图,桩身配筋图,承台配筋和必要的施工说明;6、需要提交的报告:计算说明书和桩基础施工图。
三:桩基础设计(一):必要资料准备1、建筑物的类型机规模:住宅楼2、岩土工程勘察报告:见上页附表3、环境及检测条件:地下水无腐蚀性,Q—S曲线见附表(二):外部荷载及桩型确定1、柱传来荷载:V = 3200kN 、M = 400kN •m 、H = 50kN2、桩型确定:1)、由题意选桩为钢筋混凝土预制桩; 2)、构造尺寸:桩长L =10.0m ,截面尺寸:300×300mm 3)、桩身:混凝土强度 C30、cf=15MPa 、mf=16.5MPa4φ16yf=310MPa4)、承台材料:混凝土强度C30、cf=15MPa 、mf=16.5MPatf=1.5MPa(三):单桩承载力确定1、 单桩竖向承载力的确定:1)、根据桩身材料强度(ϕ=1.0按0.25折减,配筋 φ16)2()1.0(150.25300310803.8)586.7pS cyR kNf f AA ϕ''=+=⨯⨯⨯+⨯=2)、根据地基基础规公式计算: 1°、桩尖土端承载力计算: 粉质粘土,LI=0.60,入土深度为12.0m100800(800)8805pakPa q -=⨯= 2°、桩侧土摩擦力: 粉质粘土层1:1.0LI= ,17~24sakPa q= 取18kPa粉质粘土层2: 0.60LI= ,24~31sakPa q= 取28kPa28800.340.3(189281)307.2p ippasia Ra kPaqq lA μ=+=⨯+⨯⨯⨯+⨯=∑3)、根据静载荷试验数据计算:根据静载荷单桩承载力试验Q s -曲线,按明显拐点法得单桩极限承载力550ukN Q=单桩承载力标准值:55027522uk kN QR === 根据以上各种条件下的计算结果,取单桩竖向承载力标准值275akN R=单桩竖向承载力设计值1.2 1.2275330k kN RR ==⨯=4)、确定桩数和桩的布置:1°、初步假定承台的尺寸为 223m ⨯ 上部结构传来垂直荷载: 3200V kN = 承台和土自重: 2(23)20240G kN =⨯⨯⨯= 32002401.1 1.111.5330F G n R ++=⨯=⨯= 取 12n =根 桩距 :()()3~43~40.30.9~1.2S d m ==⨯= 取 1.0S m =2°、承台平面尺寸及柱排列如下图:桩平面布置图1:100桩立面图(四):单桩受力验算: 1、单桩所受平均力:3200 2.6 3.6220297.912F G N kPa R n ++⨯⨯⨯===< 2、单桩所受最大及最小力:()()maxmax min 2240050 1.5 1.5297.960.5 1.5iF G nMx N x+⨯⨯+=±=±=⨯⨯∑3、 单桩水平承载力计算: 150 4.212i H kPa n H === , 3200266.712i V == 4.211266.763.512H V ==<< 即i V 与i H 合力 与i V 的夹角小于5∴单桩水平承载力满足要求,不需要进一步的验算。
(五):群桩承载力验算:1、根据实体基础法进行验算: 1)、实体基础底面尺寸计算:桩所穿过的土层的摩擦角:121ϕ︒= ()9m ,220ϕ︒= ()1m取121 5.2544αϕ︒===︒ , tan 0.919α= 边桩外围之间的尺寸为:22.33.3m ⨯ 实体基础底面宽:2.32100.09194.14m+⨯⨯=实体基础底面长:3.32100.0919 5.14m +⨯⨯= 2)、桩尖土承载力设计值:1° 实体基础埋深围的土的平均重度(地下水位下取有效重度)()()3018.8218.910919.610110.612m kN γ⨯+-⨯+-⨯==2° 实体基础底面粉质粘土修正后的承载力特征值为: 根据书上表2-5 取0.3bη= , 1.6dη=()()()()3120.52200.30.9 4.143 1.610120.5407.3bdmaakb kPaffγηηγ=+-+-=+⨯⨯-+⨯⨯-=3°取320GkNm γ=,310mkNm γ= ,基础自重为:()4.14 5.1422010102979G kN =⨯⨯⨯+⨯= 4°实体基础底面压力计算: ○1当仅有轴力作用时:32002979290.4407.34.14 5.14aaF G kPa kPa A pf++===<=⨯○2考虑轴力和弯矩时计算:max 3200297940050 1.564.14 5.14 4.14 5.14F G M A W P +++⨯=+=+⨯⨯⨯ 424.3 1.21.2407.3488.8akPa kPa f=<=⨯=由以上验算,单桩及整体承载力满足要求。
(六)、承台设计:承台尺寸由图1所示,无垫层,钢筋保护层厚取100mm 。
1、单桩净反力的计算:单桩净反力,即不考虑承台及覆土重量时桩所受的力 1)、单桩净反力的最大值:()max345.4 2.6 3.622012314.2Q=-⨯⨯⨯=2)、平均单桩净反力:320012266.7Q Fn kN '===2、承台冲切验算: 1)、柱边冲切: 冲切力:32001.3504320Li F kN N F=-=⨯-=∑受冲切承载力截面高度影响系数hpβ的计算:()10.919008000.9922000800hp β-=-⨯-=-冲夸比λ与系数α的计算:()0000.5250.5250.11000x x a hλ===<000.840.841.160.20.5250.2xxβλ===++()0000.2250.2250.21000y y a hλ===>000.840.841.980.20.2250.2yyβλ===++ ()()()()()0000022 1.160.40.225 1.980.60.5250.9921500 1.087864320c y c x x y hp t l kN kN f b a h a h F βββ⎡⎤+++⎢⎥⎣⎦=⨯⨯++⨯+⨯⨯⨯⎡⎤⎣⎦=>=满足要求3、角桩向上冲切:12101010,10.0.45,,,x x x x y y y y m c ca a a a λλλλ======110.560.560.7720.20.5250.2xx βλ===++110.560.561.320.20.2250.2yyβλ===++ ()()()()()2111011max 220.7720.450.22520.450.52520.992150012045345.4y x x y hp t kN kN f c a c a h N βββ⎡⎤+++⎢⎥⎣⎦=⨯+++⨯⨯⨯⎡⎤⎣⎦=>=满足要求。
4、承台抗剪验算:斜截面受剪承载力可按下面公式计算:hs tV f b hββ≤, 1.751.0βλ=+,114408008000.9461000hs h β⎛⎫⎛⎫=== ⎪ ⎪ ⎪⎝⎭⎝⎭ Ⅰ-Ⅰ截面处承台抗剪验算: 边上一排桩净反力最大值max314.2kN Q=,按3根桩进行计算。
剪力max33314.2942.6kN QV==⨯=承台抗剪时的截面尺寸近似的定为:平均宽度 1.93b m =,1.0m h=1.75 1.751.1471.00.525 1.0βλ===++()00.946 1.1471500 1.93 1.03141chs tkN V f Vb hββ==⨯⨯⨯⨯=>可以Ⅱ-Ⅱ截面处承台抗剪验算: 边排桩单桩净反力平均值 266.7ikN Q = ,按4根桩计算。
剪切力44266.71066.8Q kN V==⨯=承台抗剪时的截面尺寸:平均宽度 2.63b m = ,0 1.0h m = 斜截面上受压区混凝土的抗剪强度为:1.75 1.751.1471.00.525 1.0βλ===++()00.946 1.1471500 2.63 1.04280chstkN V f V b hββ=⨯⨯⨯⨯=>=可以5、承台弯矩计算及配筋计算: 1)、承台弯矩计算: 多桩承台的弯矩可在长,宽两个方向分别按单向受弯计算:Ⅰ-Ⅰ截面,按3根桩计算:()3314.20.9750.3636.3IkN m M =⨯⨯-=• Ⅱ-Ⅱ截面,按4根桩计算:()4266.70.6750.3400IIkN m M=⨯⨯-=•2)、承台配筋计算:取1.0, 1.4m K h== 。
长向配筋:620636.31022810.910003100.9Isymm M A fh⨯===⨯⨯ 选配 16@200φ 2201.1132614smm A =⨯=短向配筋: 624001014340.910003100.9IIsymm M A f h⨯===⨯⨯选配 14@200φ ()2153.9182700smm A =⨯=构造要求 承台配筋图:(七)、桩的强度验算桩的截面尺寸为 2300300mm ⨯,桩长为10.0m ,配筋为416φ,为通长配筋, 钢筋保护层厚度选40mm 。
因桩的长度不大,桩吊运及吊立时的吊点位置宜采用同一位置,如下图所示,控制 弯矩为吊立时的情况:2.00.258.0λ== , 取动力系数为 2.0m ,则 ()()222222max 110.324810.25 1.522.888ql kN m M λ=-=⨯⨯⨯⨯-⨯= 622022.8100.072300265150scmM f b hα⨯===⨯⨯ 由钢筋混凝土结构设计规得 0.949sγ=62022.8102980.949260310ssymm M A f hγ⨯===⨯⨯ 选用 218φ,22254.5509smm A =⨯= 桩的配筋构造见图纸。