桩基础设计实例计算书说课材料
- 格式:doc
- 大小:322.00 KB
- 文档页数:6
桩基础设计实例某城市中心区旧城改造工程中,拟建一幢18层框剪结构住宅楼。
场地地层稳定,典型地质剖面图及桩基计算指标见表8-5。
柱的矩形截面边长为400mm ×500mm ,相应于荷载效应标准组合时作用于柱底的荷载为:5840=k F kN ,180=xk M kN ·m ,550=yk M kN ·m ,120=xk H kN 。
承台混凝土强度等级取C30,配置HRB400级钢筋,试设计柱下独立承台桩基础。
表8-5 地质剖面与桩基计算指标解:(1)桩型的选择与桩长的确定人工挖孔桩:卵石以上无合适的持力层。
以卵石为持力层时,开挖深度达26m 以上,当地缺少施工经验,且地下水丰富,故不予采用。
沉管灌注桩:卵石层埋深超过26m ,现有施工机械难以沉管。
以粉质粘土作为持力层,单桩承载力仅240~340 kN ,对16层建筑物而言,必然布桩密度过大,无法采用。
对钻(冲)孔灌注桩,按当地经验,单位承载力的造价必然很高,且质量控制困难,场地污染严重,故不予采用。
经论证,决定采用PHC400-95-A (直径400mm 、壁厚95mm 、A 型预应力高强混凝土管桩),十字型桩尖。
由于该工程位于城市中心区,故采用静力法压桩。
初选承台埋深d =2m 。
桩顶嵌入承台0.05m ,桩底进入卵石层≥1.0m ,则总桩长L=0.05+1.0+10.4+3.5+9.3+1.0≈25.3m 。
(2)确定单桩竖向承载力 ①按地质报告参数预估∑+=i sia P p pa a L q u A q R()4596910.1803.9105.3304.1061254.044.055002+=⨯+⨯+⨯+⨯+⨯⨯⨯+⎪⎪⎭⎫⎝⎛⨯⨯=ππ =1150kN②按当地相同条件静载试验成果u Q 的范围值为2600 ~3000kN 之间,则 1500~13002/==u a Q R kN ,经分析比较,确定采用13502/==u a Q R kN 。
【题1】某试验大厅柱下桩基,柱截面尺寸为mm mm 600400⨯,地质剖面示意图如图1所示,作用在基础顶面的荷载效应基本组合设计值为F = 2035kN ,M=330kN·m ,H = 55kN ,荷载效应标准组合设计值为F k =1565kN ,M k =254kN·m ,H k =42kN ,试设计桩基础。
表1 土的物理力学性质表注:各层土的平均内摩擦角020=ϕ图1 地质剖面示意图1. 确定桩的规格根据地质勘察资料,确定第4层粘土为桩端持力层。
采用钢筋混凝土预制桩,桩截面为方桩,为400mm ×400mm ,桩长为9米。
承台埋深1.7米 ,桩顶嵌入承台0.1米,则桩端进持力层2.4米。
初步确定承台尺寸为2.4m ×2.4m 。
2. 确定单桩竖向承载力标准值Q根据公式p pk isik pk sk uk A q l quQ Q Q +=+=∑=4×0.4(60×2.0+38×4.5+82×1.5)+2500×0.4×0.4=902.4KN 取=uk Q 902.4 kN3. 确定桩基竖向承载力设计值R 并确定桩数n 及其布置按照规范要求,d S a 3≥,取d S a 4=,c b =2m ,l =9m 故=lb c0.22查表得,=sp η0.97。
查表得,=sp γ 1.60先不考虑承台效应,估算基桩竖向承载力设计值R 为sp uk sp Q R γη== 1.60902.40.97 ⨯ =547.08 kN 桩基承台和承台以上土自重设计值为G =2.4×2.4×1.7×20=195.84 kN 粗估桩数n 为n =1.1×(F+G)/R=(1565+195.84)/ 547.08=3.22根 取桩数n =4 根,桩的平面布置为右图所示,承台面积为2.4m ×2.4m ,承台高度为 0.9m ,由于n > 3,应该考虑群桩效应和承台效应确定单桩承载力设计值R 由d S a =4 ;lB c=0.25 查表得 ic η=0.155 ,ec η=0.75 由ic A =4 m ²,ec A =2.4²-2²=1.76 m ²得c ecc e c i c i cc A A A A ηηη+==76.576.175.076.54155.0+=η=0.337由=k f 60,得==k ck f q 2120 kPa ,查表得=c γ 1.7,所以考虑承台底土的抗力为nA q Q Q Q R c cck cspukspcckcspukspγηγηγηγη+=+= =(0.97×902.4÷1.60)+(0.337×120×2.4×2.4)÷(4×1.7)=581.34kN 按桩的静载荷试验取R =581.34kN 根据经验公式得∑+=p pk i sik uk A q l q u Q=4×0.4(60×2.0+38×4.5+82×1.5)+2500×0.4×0.4=902.4KN这说明,按桩的静载荷试验取R =581.34 是合理的。
目录1设计任务 (2)1.1设计资料 (2)1.2设计要求 (3)2 桩基持力层,桩型,桩长的确定 (3)3 单桩承载力确定 (3)3.1单桩竖向承载力的确定 (3)4 桩数布置及承台设计 (4)5 复合桩基荷载验算 (6)6 桩身和承台设计 (9)7 沉降计算 (14)8 构造要求及施工要求 (20)8.1预制桩的施工 (20)8.2混凝土预制桩的接桩 (21)8.3凝土预制桩的沉桩 (22)8.4预制桩沉桩对环境的影响分析及防治措施 (23)8.5结论与建议 (25)9 参考文献 (25)一、设计任务书(一)、设计资料1、某地方建筑场地土层按其成因土的特征和力学性质的不同自上而下划分为5层,物理力学指标见下表。
勘查期间测得地下水混合水位深为2.1m,本场地下水无腐蚀性。
建筑安全等级为2级,已知上部框架结构由柱子传来的荷载。
承台底面埋深:D =2.1m。
附表一:土层主要物理力学指标(二)、设计要求:1、桩基持力层、桩型、承台埋深选择2、确定单桩承载力3、桩数布置及承台设计4、群桩承载力验算5、桩身结构设计和计算6、承台设计计算7、群桩沉降计算8、绘制桩承台施工图二、桩基持力层,桩型,桩长的确定根据设计任务书所提供的资料,分析表明,在柱下荷载作用下,天然地基基础难以满足设计要求,故考虑选用桩基础。
由地基勘查资料,确定选用第四土层黄褐色粉质粘土为桩端持力层。
根据工程请况承台埋深 2.1m,预选钢筋混凝土预制桩断面尺寸为450㎜×450㎜。
桩长21.1m。
三、单桩承载力确定(一)、单桩竖向承载力的确定:1、根据地质条件选择持力层,确定桩的断面尺寸和长度。
根据地质条件以第四层黄褐色粉土夹粉质粘土为持力层,采用截面为450×450mm的预置钢筋混凝土方桩,桩尖进入持力层1.0m;镶入承台0.1m,桩长21.1 m。
承台底部埋深2.1 m。
2、确定单桩竖向承载力标准值Quk可根据经验公式估算:Quk= Qsk+ Qpk=µ∑qsikli+qpkApQ——单桩极限摩阻力标准值(kN)skQ——单桩极限端阻力标准值(kN)pku——桩的横断面周长(m)A——桩的横断面底面积(2m)pL——桩周各层土的厚度(m)iq——桩周第i层土的单位极限摩阻力标准值(a kP)sikq——桩底土的单位极限端阻力标准值(a kP)pk桩周长:µ=450×4=1800mm=1.8m桩横截面积:Ap=0.45²=0.2025㎡桩侧土极限摩擦力标准值qsik:查表得:用经验参数法:粉质粘土层:L I=0.95,取qsk=35kPa淤泥质粉质粘土:qsk=29kPa粉质粘土:L I=0.70,取qsk=55kPa桩端土极限承载力标准值qpk,查表得:qpk=2200 kPa用经验参数法求得Quk1=1.8×(35×8.0+29×12.0+1.0×55) +2200×0.2025=1674.9KN用静力触探法求得Quk2=1.8×(36×8.0+43×12.0+1.0×111) +1784.5×0.2025=2019.4KN3、确定单桩竖向承载力设计值R,并且确定桩数n和桩的布置先不考虑群桩效应,估算单桩竖向承载力设计值R为:R=Qsk/rs+Qpk/rpR——单桩竖向极限承载力设计值,kNQ——单桩总极限侧阻力力标准值,kNskQ——单桩总极限端阻力力标准值,kNpkγ——桩侧阻力分项抗力系数sγ——桩端阻力分项抗力系数p用经验参数法时:查表rs=rp=1.65R1=Qsk/rs+Qpk/rp=1229.4/1.65+445.5/1.65=1015.09KN 用静力触探法时:查表rs=rp=1.60R2=Qsk/rs+Qpk/rp=1647/1.60+361.4/1.60=1255.25KNRz=min(R1,R2)= 1015.09 KN四、桩数布置及承台设计根据设计资料,以轴线⑦为例。
桩基础设计计算3.1 选择桩型、桩端持力层、承台埋深3.1.1 选择桩型因框架跨度大而且不均匀,柱底荷载大,不宜采用浅基础。
又由于施工场地、地基条件以及场地周围的环境条件,故选择桩基础,为减小对周围环境的污染,并采用静压预制桩。
这样可以较好的保证桩身质量,并在较短施工工期完成沉桩任务,同时当地的施工技术力量、施工设备及材料供应也为采用静压桩提供了可能性。
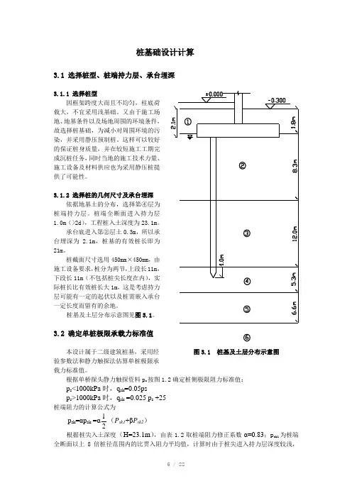
3.1.2 选择桩的几何尺寸及承台埋深依据地基土的分布,选择第④层为桩端持力层。
桩端全断面进入持力层1.0m(>2d),工程桩入土深度为23.1m。
承台底进入第②层土0.3m,所以承台埋深为 2.1m,桩基的有效桩长即为21m。
桩截面尺寸选用450mm×450mm,由施工设备要求,桩分为两节,上段长11m,下段长11m(不包括桩尖长度在内),实际桩长比有效桩长大1m,这是考虑持力层可能有一定的起伏以及桩需嵌入承台一定长度而留有的余地。
桩基及土层分布示意图见图3.1。
3.2 确定单桩极限承载力标准值本设计属于二级建筑桩基,采用经图3.1 桩基及土层分布示意图验参数法和静力触探法估算单桩极限承载力标准值。
根据单桥探头静力触探资料p s按图1.2确定桩侧极限阻力标准值:p s<1000kPa时,q sk=0.05psp s>1000kPa时,q sk =0.025 p s +25桩端阻力的计算公式为p sk=αp sk =α12(P sk1+βP sk2)根据桩尖入土深度(H=23.1m),由表1.2取桩端阻力修正系数α=0.83;p sk1为桩端全断面以上8倍桩径范围内的比贯入阻力平均值,计算时由于桩尖进入持力层深度较浅,并考虑持力层可能的起伏,所以这里不计持力层土的p sk ,p sk2为桩端全断面以下4倍桩径范围内的比贯入阻力平均值,故p sk1=860kPa ,p sk2=3440kPa ;β为折减系数,因为p sk1/p sk2<5,取β=1。
【题1】某试验大厅柱下桩基,柱截面尺寸为mm mm 600400⨯,地质剖面示意图如图1所示,作用在基础顶面的荷载效应基本组合设计值为F = 2360kN ,M=330kN·m ,H = 55kN ,荷载效应标准组合设计值为F k =1565kN ,M k =254kN·m ,H k =42kN ,试设计桩基础。
1. 确定桩的规格根据地质勘察资料和《规范》知一般应选择硬土层作为桩端持力层故确定第4层粘土为桩端持力层。
查《规范》和经验知:桩顶嵌入承台0.1米。
由题目要求知采用钢筋混凝土预制桩,故由经验选择选择桩截面为方桩,为400mm ×400mm ,桩长至少为2米+4.5米+0.1米=6.6米查规范知桩端嵌入持力层为5d-10d 故选择6d ,所以桩长为6.6+6x0.4=9米故选择桩长为9米。
有《规范》知承台埋深一般为1-2米,而题目中已知承台埋深为1.7米故选择承台埋深1.7米 ,桩端进持力层2.4米。
初步确定承台尺寸为2.4m ×2.4m 。
2. 确定单桩竖向承载力标准值Q按静力触探法确定单桩竖向极限承载力标准值:p pk isik pk sk uk A q l quQ Q Q +=+=∑=4×0.4(60×2.0+38×4.5+82×1.5)+2500×0.4×0.4=902.4KN图1 地质剖面示意图取=uk Q 902.4 kN3. 确定桩基竖向承载力设计值R 并确定桩数n 及其布置按照规范要求,d S a 3≥,取d S a 4=,c b =2m ,l =9m 故=lb c 0.22查表得,=sp η0.97。
查表得,=sp γ 1.60先不考虑承台效应,估算基桩竖向承载力设计值R 为sp uk sp Q R γη== 1.60902.40.97 ⨯ =547.08 kN 桩基承台和承台以上土自重设计值为 G =2.4×2.4×1.7×20=195.84 kN 粗估桩数n 为n =1.1×(F+G)/R=(1565+195.84)/ 547.08=3.22根取桩数n =4 根,桩的平面布置为右图所示,承台面积为2.4m ×2.4m ,承台高度为 0.9m ,由于n > 3,应该考虑群桩效应和承台效应确定单桩承载力设计值R 由d S a =4 ;lB c=0.25 查表得:承台内区群桩效应系数 i c η=0.155 ,承台外区群桩效应系数e c η=0.75。
桩基础课程设计计算书(总11页)--本页仅作为文档封面,使用时请直接删除即可----内页可以根据需求调整合适字体及大小--地基基础课程设计学生姓名:单兴孙学号:4312指导教师:赵少飞所在学院:建筑工程学院专业:土木工程专业2013 年 09 月地基基础课程设计任务书(预制桩基础)--土木B103一、工程概况燕郊某机械厂车间,为单层单跨排架结构,跨度18米,柱距6米,纵向总长度72m,室内外地面高差米。
柱截面500×1000mm。
建筑场地地质条件见表A,作用于基础顶面的荷载见表B。
表A 建筑场地地质条件注:地下水位在天然地面下米处表B 上部结构传来荷载注:1、荷载作用于基础顶面,弯矩作用于跨度方向;2、表中给出的是荷载设计值,如需用到荷载标准值,直接把设计值除以即可。
二、题目分配按学号选择表B中相应的荷载,全班地质条件均相同(表A)。
三、设计要求1、设计桩基础(包括桩、承台设计、群桩基础计算等);2、绘制施工图,包括基础平面布置图、承台和桩身详图及必要的施工说明等;(A1图纸594mm×841mm)。
3、计算书内容应详尽,数据准确,排版规范(按附件的排版规范执行)。
图纸应符合制图规范相关要求,表达完整、准确。
参考设计步骤:1、确定桩的类型、长度(包括确定桩端持力层)、截面尺寸,初步选择承台底面标高(要考虑预制桩的要求);2、按经验公式确定单桩承载力;3、确定桩数及布置;4、群桩基础计算;5、桩身设计;6、承台设计;7、绘制施工图。
目录1 设计资料 ................................................................................................. 错误!未定义书签。
2 选择桩端持力层、承台埋深 ................................................................. 错误!未定义书签。
桩基础课程设计计算书一、引言桩基础是土木工程中常用的一种基础形式,用于承受建筑物或其他结构的重力和水平力。
本文旨在通过桩基础课程设计计算书,对桩基础的设计和计算过程进行详细介绍。
二、桩基础设计原则1.选取合适的桩型:根据工程场地的地质条件和设计要求,选择适合的桩型,常见的桩型有钢筋混凝土灌注桩、预制桩和钢管桩等。
2.确定桩的数量和布置:根据建筑物或结构的荷载和地质条件,确定桩的数量和布置方式,以保证桩基础的稳定性和承载能力。
3.计算桩的承载力:根据桩的类型和地质条件,采用适当的计算方法计算桩的承载力,包括桩身承载力和桩端承载力。
4.考虑桩与土的相互作用:在桩基础设计中,需要考虑桩与土之间的相互作用,包括桩身的摩擦阻力和桩端的土的阻力等。
5.确定桩的长度和直径:根据桩的承载力和桩身的应力条件,确定桩的长度和直径,以满足设计要求。
三、桩基础设计计算书的内容1.工程概况:包括工程名称、地理位置、建设单位、设计单位等基本信息。
2.设计依据:包括国家相关标准、规范和技术要求等。
3.地质勘察报告摘要:根据地质勘察报告的结果,对地质条件进行简要描述。
4.荷载计算:根据建筑物或结构的荷载标准,计算垂直和水平荷载,包括永久荷载、活荷载和地震荷载等。
5.桩的类型和布置:根据地质条件和设计要求,确定桩的类型和布置方式。
6.桩身承载力计算:根据所选桩的类型和地质条件,计算桩身的承载力,包括桩身的摩擦阻力和桩身的承载力等。
7.桩端承载力计算:根据所选桩的类型和地质条件,计算桩端的承载力,包括桩端的土的阻力和桩端的承载力等。
8.桩的长度和直径计算:根据桩的承载力和桩身的应力条件,计算桩的长度和直径。
9.桩基础的稳定性分析:对桩基础的稳定性进行分析,包括桩身的稳定性和桩端的稳定性等。
10.施工及验收规范:根据国家相关标准和规范,列出桩基础施工的要求和验收标准。
四、桩基础设计计算书的编写要点1.准确性:设计计算书应准确描述桩基础的设计和计算过程,避免歧义或错误信息的出现。
设计资料:⑴上部结构资料某教学实验楼,上部结构为十层框架,其框架主梁、次梁、楼板均为现浇整体式,混凝土强度等级为C30,上部结构传至柱底的相应于荷载效应标准组合的荷载如下︰竖向力:4800 kN , 弯距:70 kN·m, 水平力:40 kN拟采用预制桩基础,预制桩截面尺寸为 350mm * 350mm。
⑵建筑物场地资料拟建建筑物场地位于市区内,地势平坦,建筑物场地位于非地震地区,不考虑地震影响.场地地下水类型为潜水,地下水位离地表 2.1 米,根据已有资料,该场地地下水对混凝土没有腐蚀性。
建筑地基的土层分布情况及各土层物理,力学指标见下表:表1 地基各土层物理、力学指标基础工程桩基础设计计算1. 选择桩端持力层 、承台埋深 ⑴.选择桩型由资料给出,拟采用预制桩基础。
还根据资料知,建筑物拟建场地位于市区内,为避免对周围产生噪声污染和扰动地层,宜采用静压法沉桩,这样不仅可以不影响周围环境,还能较好地保证桩身质量和沉桩精度。
⑵.确定桩的长度、埋深以及承台埋深依据地基土的分布,第3层是粘土,压缩性较高,承载力中等,且比较厚,而第4层是粉土夹粉质粘土,不仅压缩性低,承载力也高,所以第4层是比较适合的桩端持力层。
桩端全断面进入持力层1.0m (>2d ),工程桩入土深度为h ,h=1.5+8.3+12+1=22.8m 。
由于第1层厚1.5m ,地下水位离地表2.1m ,为使地下水对承台没有影响,所以选择承台底进入第2层土0.3m ,即承台埋深为1.8m 。
桩基的有效桩长即为22.8-1.8=21m 。
桩截面尺寸由资料已给出,取350mm ×350mm ,预制桩在工厂制作,桩分两节,每节长11m ,(不包括桩尖长度在内),实际桩长比有效桩长长1m ,是考虑持力层可能有一定起伏及桩需要嵌入承台一定长度而留有的余地。
桩基以及土层分布示意图如图1。
2.确定单桩竖向承载力标准值按经验参数法确定单桩竖向极限承载力特征值公式为:uk sk pk sik i pk p Q Q Q u q l q A =+=+∑按照土层物理指标,查桩基规范JGJ94-2008表5.3.5-1和表5.3.5-2估算的极限桩侧,桩端阻力特征值列于下表:极限桩侧、桩端阻力特征值单桩竖向承载力极限承载力特征值为:Q估算的单桩竖向承载力设计值(安全系数K=2)3.确定桩数和承台底面尺寸⑴.初步估算桩数,考虑柱子可能偏心受压,取一定的系数,数值为1.1,则有48001.1 1.1 5.9886.5k a F n R≥=⨯=,暂取6根。
《基础工程》课程设计计算书姓名:学号:080107010065班级:08土木(道桥)指导教师:日期:2011-10-31目录一、设计题目 (3)二、设计过程 (3)2.1确定基础持力层 (3)2.1.1地质资料 (3)2.1.2工程地质条件评价 (4)2.2初选桩型和承台埋深 (4)2.2.1桩型 (4)2.2.2承台埋深d (4)2.2.3桩长 (4)2.3确定单桩承载力 (4)2.3.1计算单桩竖向承载力 (4)2.4初选桩数 (6)2.5初选承台尺寸 (7)2.6桩基验算 (7)2.6.1基桩竖向、水平验算 (7)2.6.2桩基沉降验算 (7)2.7承台设计计算 (9)2.7.1基本资料 (9)2.7.2各桩净反力计算 (10)2.7.3承台抗冲切验算——验算承台厚度 (10)2.7.4承台受剪切承载力计算 (12)2.7.5承台受弯承载力计算 (13)2.8桩身结构强度计算及配筋 (14)2.8.1桩身起吊验算 (14)2.8.3桩的主筋计算 (15)2.8.4桩身强度验算 (15)2.8.5桩的箍筋计算 (15)三、参考文献: (16)四、施工图 (16)一、设计题目柱的截面尺寸为mm mm 800600⨯荷载设计值:k F +x=7460+500=7960KN,k M +y=840+0=840m KN ⋅,k H +z=250+750=1000KN二、设计过程2.1确定基础持力层2.1.1地质资料注:根据《建筑桩基技术规范(JGJ 94-08)》,则桩侧的极限阻力标准值可按下式计算:sk p <1000 KPa 时, sk q =0.05sk p ;s p >1000 KPa 时,sk q =0.025sk p +25;桩端阻力计算公式为:)(5.021sk sk sk pk p p p q ⋅+⨯⨯==βαα。
根据桩尖入土深度,取桩端阻力修正系数8.0=α;1sk p 为桩端全截面以上8倍桩径范围内的比贯入阻力平均值;2sk p 为桩端全截面以下4倍桩径范围内的比贯入阻力平均值;β为折减系数,因为5/21<sk sk p p ,取β=1。
桩基础课程设计计算书一、引言桩基础是一种通过深埋桩体来传递建筑物或其他结构物荷载到地下的基础形式。
它通过桩与土层之间的摩擦力和桩端的承载力来支撑结构物。
桩基础的设计和计算是确保工程安全可靠的重要环节。
二、桩基础的类型桩基础可分为承载桩和摩擦桩两种类型。
承载桩主要通过桩端的承载力来支撑荷载,而摩擦桩主要通过桩身与土层之间的摩擦力来传递荷载。
根据桩体材料的不同,桩基础又可分为钢筋混凝土桩、预应力混凝土桩、木桩等。
三、桩基础的设计步骤1. 确定设计荷载:根据工程要求和土层特性,确定设计荷载的大小和分布情况。
2. 选择桩型和桩长:根据设计荷载和土层条件,选择合适的桩型和桩长。
3. 桩身计算:根据桩型和桩长,计算桩身的抗弯强度和抗剪强度。
4. 桩端计算:根据桩型和桩长,计算桩端的承载力和桩身与桩端的转换段的承载力。
5. 桩身与土层的摩擦力计算:根据土层性质和桩身形状,计算桩身与土层之间的摩擦力。
6. 桩身与土层的稳定性计算:根据桩身形状和土层特性,计算桩身与土层之间的稳定性。
四、桩基础的计算方法1. 桩身抗弯强度的计算:根据横截面形状和材料强度,采用梁理论计算桩身的抗弯强度。
2. 桩身抗剪强度的计算:根据横截面形状和材料强度,采用剪切理论计算桩身的抗剪强度。
3. 桩端承载力的计算:根据桩端形状和土层特性,采用承载力公式计算桩端的承载力。
4. 桩身与桩端转换段承载力的计算:根据桩型和土层特性,采用承载力公式计算转换段的承载力。
5. 桩身与土层的摩擦力的计算:根据土层性质和桩身形状,采用摩擦力公式计算桩身与土层之间的摩擦力。
6. 桩身与土层的稳定性的计算:根据土层特性和桩身形状,采用稳定性公式计算桩身与土层之间的稳定性。
五、桩基础设计实例以某建筑物的桩基础设计为例,设计要求为承载力为1000kN,桩的直径为600mm,桩长为12m。
根据土层特性和建筑物的荷载情况,选择了钢筋混凝土桩作为基础形式。
根据设计要求,计算桩身的抗弯强度和抗剪强度,采用梁理论和剪切理论进行计算。
地基基础课程设计学生姓名:王少冬学号:20084023210指导教师:张兆强所在学院:工程学院专业:土木工程中国·大庆2011 年10 月地基基础课程设计任务书(预制桩基础)--土木08-2一、工程概况哈尔滨某机械厂车间,为单层单跨排架结构,跨度18米,柱距6米,纵向总长度72m,室内外地面高差0.30米。
柱截面500×1000mm。
建筑场地地质条件见表A,作用于基础顶面的荷载见表B。
表A 建筑场地地质条件注:地下水位在天然地面下2.5米处表B 上部结构传来荷载注:1、荷载作用于基础顶面,弯矩作用于跨度方向;2、表中给出的是荷载设计值,如需用到荷载标准值,直接把设计值除以1.3即可。
二、题目分配按学号选择表B中相应的荷载,全班地质条件均相同(表A)。
三、设计要求1、设计桩基础(包括桩、承台设计、群桩基础计算等);2、绘制施工图,包括基础平面布置图、承台和桩身详图及必要的施工说明等;(A1图纸594mm×841mm)。
3、计算书内容应详尽,数据准确,排版规范(按附件的排版规范执行)。
图纸应符合制图规范相关要求,表达完整、准确。
参考设计步骤:1、确定桩的类型、长度(包括确定桩端持力层)、截面尺寸,初步选择承台底面标高(要考虑预制桩的要求);2、按经验公式确定单桩承载力;3、确定桩数及布置;4、群桩基础计算;5、桩身设计;6、承台设计;7、绘制施工图。
目录1 设计资料................................................................................................ 错误!未定义书签。
2 选择桩端持力层、承台埋深................................................................ 错误!未定义书签。
3 确定单桩极限承载力标准值 (2)4 确定桩数和承台尺寸 (3)5 桩顶作用效用验算 (3)6 桩基础沉降验算 (4)6.1 求基底压力和基底附加压力 (4)6.2 确定沉降计算深度 (4)6.3 沉降计算 (4)6.4 确定沉降经验系数 (6)7 桩身结构设计计算 (6)8 承台设计计算 (8)8.1 承台受冲切承载力验算 (8)8.2 承台受剪切承载力验算 (9)8.3 承台受弯承载力验算 (10)8.4 承台局部受压验算 (10)参考文献 (12)桩基础课程设计计算书1.设计资料由上结构传至桩基的最大荷载设计值为:N=2956kN ,M=231 kN·m ,V=80kN表A 建筑场地地质条件注:地下水位在天然地面下2.5米处1.选择桩端持力层、承台埋深根据表A 地质条件,以粉质粘土层为桩尖持力层,采用预制混凝土方桩,桩长L=20m ,截面尺寸为400mm ⨯400mm ,桩尖进入粉质粘土层为2m 。
桩基础设计实例计算书近年来,随着建筑技术的发展,桩基础在大型建筑物的建设中越来越受到重视。
作为一个安全、稳定、可靠的基础结构体系,桩基础的设计和施工显得尤为重要。
本文将以一座超高层建筑物的桩基础设计为例,详细介绍桩基础设计过程中的关键要素和计算方法,并提供一些实用的指导意见,希望能对读者有所启发。
先介绍一下本案例的具体情况:一座超高层建筑物,总建筑面积50万平方米,地下室建筑面积20万平方米,地下室深度40米。
由于场地土壤比较松散,难以支撑大楼的重量,因此需要采用桩基础结构。
设计要求桩基础的抗震性能、承载能力均需满足国家标准和行业要求。
一、桩基础设计要素1. 桩长:桩长是指桩身埋入土层的深度,也是桩基础能够承受的承载力的主要决定因素。
桩长的测算方法一般有静载试验法、动力触探法和静力触探法等。
在本项目中,我们采用了静载试验法进行桩长计算,根据试验结果确定了每根桩在土层中埋入的深度。
2. 桩径:桩径是桩身的直径,它的大小主要依据于建筑物的重量和土质条件而定。
桩径的确定需要综合考虑多种因素,如土层稳定性、荷载情况、施工难度和成本等。
在本项目中,我们选择了桩径为80厘米,能够满足建筑物的重量和土壤承载力的要求。
3. 桩距:桩距是指相邻桩点之间的距离。
它的大小直接影响着桩基础的承载能力和抗震性能。
桩距大小的确定需要综合考虑多种因素,如桩径、土质条件和建筑物荷载等。
在本项目中,我们选择了桩距为2.5米,能够满足设计要求。
4. 桩身材质:桩身材质是指桩基础使用的材料,其性能和质量决定着桩基础的承载能力和抗震性能。
常用的桩身材质有钢筋混凝土、钢管及复合桩等。
在本项目中,我们采用了钢筋混凝土桩身材质,具有优良的承载能力和抗震性能。
5. 桩头设计:桩头是桩身顶部的一部分,直接受到建筑物的荷载作用。
因此,桩头设计需要根据建筑物的结构和重量来确定。
一般情况下,桩头的设计包括锚固长度、悬挂系统和翼板等。
在本项目中,我们采用了锚固长度为60厘米,悬挂系统为钢结构,翼板为方形板材等设计方案。
桩基础设计实例
某城市中心区旧城改造工程中,拟建一幢18层框剪结构住宅楼。
场地地层稳定,典型地质剖面图及桩基计算指标见表8-5。
柱的矩形截面边长为400mm ×500mm ,相应于荷载效应标准组合时作用于柱底的荷载为:5840=k F kN ,180=xk M kN ·m ,
550=yk M kN ·m ,120=xk H kN 。
承台混凝土强度等级取C30,配置HRB400级钢筋,
试设计柱下独立承台桩基础。
表8-5 地质剖面与桩基计算指标
解:(1)桩型的选择与桩长的确定
人工挖孔桩:卵石以上无合适的持力层。
以卵石为持力层时,开挖深度达26m 以上,当地缺少施工经验,且地下水丰富,故不予采用。
沉管灌注桩:卵石层埋深超过26m ,现有施工机械难以沉管。
以粉质粘土作为持力层,单桩承载力仅240~340 kN ,对16层建筑物而言,必然布桩密度过大,无法采用。
对钻(冲)孔灌注桩,按当地经验,单位承载力的造价必然很高,且质量控制困难,场地污染严重,故不予采用。
经论证,决定采用PHC400-95-A (直径400mm 、壁厚95mm 、A 型预应力高强混凝土管桩),十字型桩尖。
由于该工程位于城市中心区,故采用静力法压桩。
初选承台埋深d =2m 。
桩顶嵌入承台0.05m ,桩底进入卵石层≥1.0m ,则总桩长
L=0.05+1.0+10.4+3.5+9.3+1.0≈25.3m 。
(2)确定单桩竖向承载力 ①按地质报告参数预估
∑+=i sia P p pa a L q u A q R
()4596910.1803.9105.3304.1061254.044.055002+=⨯+⨯+⨯+⨯+⨯⨯⨯+⎪⎪⎭
⎫
⎝⎛⨯⨯=ππ =1150kN
②按当地相同条件静载试验成果
u Q 的范围值为2600 ~3000kN 之间,则
1500~13002/==u a Q R kN ,
经分析比较,确定采用13502/==u a Q R kN 。
(2)估算桩数与平面布桩 ①初选桩的根数 3.41350
5840==a k R F n >
根,暂取5根。
②初选承台尺寸
桩距2.14.00.30.3=⨯==d s m ,并考虑到xk yk >M M ,故布桩如图8-29所示:
(a) 平面 (b) 立面
图8-29 承台尺寸及荷载图
初选承台埋深d =2m ,承台高度h 为1.2m ,桩顶伸入承台50mm ,钢筋保护层取70mm ,则承台有效高度为:13.107.02.10=-=h m=1130mm
采用平板式承台,取承台及其上土的平均重度20=Gk γkN/m 3。
则有2400.20.30.220=⨯⨯⨯==bld G Gk k γkN (4)桩基受力验算 ①单桩竖向承载力验算
135012165
240
5840==+=+=
a k k k <R n G F Q kN ∑∑±±+=2
max
2max min max i
yk i xk k k k k x x M y y M n G F Q ()2
21.141
.12.11205506.046.018052405840⨯⨯⨯+±
⨯⨯±+=
7.157751216±±=
= 1448.7<16202.1=a R kN 1016>0 ②单桩水平承载力验算
按式(8-13)估算的单桩水平承载力特征值28=ha H kN
在承台的抗弯刚度远大于基桩的条件下,柱底水平力均分至承台下各桩,则有 241201===n H H k k k N ≤28=ha H kN 可以满足要求。
③桩基沉降 本工程为乙级建筑桩基,对沉降要求一般,且为体型简单、桩端下无软弱下卧层的端承型桩,故不必验算沉降。
(5)桩身结构承载力验算
按《预应力混凝土管桩》(03SG409)标准图,选用PHC400-95-A ,单节长度≤12m ,混
凝土强度等级C80的管桩。
这一规格的管桩桩身结构对应的单桩竖向承载力特征值
1650=a R k N >16202.1=a R kN ,故桩身结构承载能力满足要求。
(6)承台设计 ①桩顶反力计算
相应于荷载效应基本组合时,作用于柱底的荷载设计值为:
7884584035.135.1=⨯==k F F kN 24318035.135.1=⨯==xk x M M kN ·m
()9.936)2.1120550(35.12.135.1=⨯+⨯=+=xk yk y H M M kN ·m
桩顶反力计算
②承台受冲切承载力验算(图8-30) (a)柱边冲切
冲切力 2.63078.15767884=-=-=∑i l N F F kN 受冲切承载力截面高度影响系数hp β计算
()967
.08001200800
200090
.00.11=-⨯---
=hp β
图8-30 承台计算平面尺寸详图 图8-31 管桩顶与承台连接详图 冲跨比λ与系数α的计算
()0.1611.013
.169.0000<h a x x ===λ
036.12
.0611.084
.02.084.000=+=+=
x x λβ
()25.025.0212.013
.124
.000
00===
=
y y y ,<h a λλ取 867.12
.025.084
.02.084.000=+=+=
y y λβ
()()[]
000002h f a h a b t hp x c y y c x βββ+++ ()()[]13.11430967.069.05.0867.124.04.0036.12⨯⨯⨯+⨯++⨯⨯=
9016=kN >2.6307=l F kN (满足要求)
(b)角桩向上冲切
56.021==c c m ,x x a a 01=,x x 01λλ=,y y a a 01=,y y 01λλ= 691.02
.0611.056
.02.056.011=+=+=x x λβ
244.12
.025.056.02.056.011=+=+=y y
λβ ()()[]
011112
12/2/h f a c a c
t hp x y y x βββ+++ ()()[]13
.11430967.02/69.056.0244.12/24.056.0691.0⨯⨯⨯+⨯++⨯=2493=kN >1891max =N kN (满足要求)
③承台受剪切承载力计算
按式(8-35)及(8-36)计算,剪跨比与以上冲跨比相同。
受剪切承载力截面高度影响系数hs β计算:917.0113080080014
/10=⎪⎭
⎫ ⎝⎛=⎪
⎪⎭⎫
⎝⎛=h hs β
对Ⅰ-Ⅰ斜截面
611.001==x x λλ(介于0.25~3之间)
剪切系数 086.11
611.075
.1=+=
α 13.121430086.1917.000⨯⨯⨯⨯=h b f t hs αβ
3218=kN <4.35794.1688189141=+=+N N kN (不满足要求)
对Ⅱ-Ⅱ斜截面
212.001==y y λλ()25.025.00=y ,<λ取
剪切系数 4.11
25.075
.1=+=
α
13.12.314304.1917.000⨯⨯⨯⨯=h b f t hs αβ
6638=kN >2.33562.1465189121=+=+N N kN (满足要求)
由于Ⅰ-Ⅰ斜截面的受剪切承载力不满足要求,故应增加承台高度,重新计算。
经试算,承台厚度1400=h mm 时满足要求。
④承台受弯承载力计算 按式(8-20)计算
5.304285.0)4.16881891(=⨯+==∑i i x y N M kN ·m 70601330
3609.0105.30429.06
0=⨯⨯⨯==h f M A y x sx mm 2
选用15 25,7350=s A mm 2,沿平行x 轴方向均匀布置。
5.134240.0)2.14651891(=⨯+==∑i i y x N M kN ·m
31151330
3609.0105.13429.06
0=⨯⨯⨯==h f M A y y
sy mm 2
选用16 16,3216=s A mm 2,沿平行y 轴方向均匀布置。
⑤局部受压计算
承台混凝土强度等级低于柱和桩的混凝土强度等级,应按《混凝土结构设计规范》验算柱下和桩上承台的局部受压承载力,此略。
(7)绘制施工详图(见图8-29、8-31)。