建筑工程测量第二次·平时作业2020春华南理工大学网络教育答案
- 格式:doc
- 大小:61.00 KB
- 文档页数:4
1.简述建筑的含义和建筑的构成要素?(5′)答:建筑是人工创造的空间环境,通常认为是建筑物和构筑物的总称。
基本构成要素是建筑功能,建筑技术和建筑形象。
2.基本模数、扩大模数、分模数的含义和适用范围是什么?(5′)答:1)基本模数是模数协调中选用的基本尺寸单位。
其数值定为100mm,符号为M,即1M=100mm。
整个建筑物或其一部分以及建筑组合件的模数化尺寸都应该是基本模数的倍数。
2)扩大模数是基本模数的整倍数。
扩大模数的基数应符合下列规定:(1)水平扩大模数的基数为3M、6M、12M、15M、30M、60M等6个,其相应的尺寸分别为300mm、600mm、1200mm、1500mm、3000mm、6000mm。
(2)竖向扩大模数的基数为3M和6M,其相应的尺寸为300mm和600mm。
(3)分模数是基本模数的分数值,其基数为1/10M、1/5M,1/2M等3个,其相应的尺寸为10mm、20mm、50mm。
模数数列的幅度及适用范围如下:(1)水平基本模数的数列幅度为1~20M。
主要适用于门窗洞口和构配件断面尺寸。
(2)竖向基本模数的数列幅度为1~36M。
主要适用于建筑为的层高、门窗洞口、构配件等尺寸。
(3)水平扩大模数数列的幅度,3M为3~75M;6M为6~96M;12M为12~120M;15M为15~120M;30M为30~30~360M;60M为60~360M,必要时幅度不限。
主要适用于建筑物的开间或柱距、进深或跨度、构配件尺寸和门窗洞口尺寸。
(4)竖向扩大模数数列的幅度不受限制。
主要适用于建筑物的高度、层高、门窗洞口尺寸。
(5)分模数数列的幅度:1/10M为(1/10~2M);1/5M为(1/5~4)3.房间的尺寸指的是什么?确定房间尺寸应考虑哪些因素?(5′)答:房间的尺寸不但指的是内径的墙体尺寸,还包括窗户的宽,高,窗户的底边到地的距离。
层高,还有对角的尺寸,(对角的尺寸只在验房的时候使用)确定尺寸需要包括家具、插座、门宽。
可编辑修改精选全文完整版建筑工程测量考试试题(含答案)一、单项选择题1.已知水准点A、B的绝对高程分别为576m、823m,又知道B点在某假定高程系统中的相对高程为500m,则A点的相对高程是(B)。
A.500m B.253m C.899m D.699.5m2.下表为某测回法水平角测量记录,一测回角值应为(A)。
测站竖盘位置目标水平度盘读数°′″半测回角值°′″一测回角值°′″O 左A 0 00 00B65 30 36右A180 00 30B245 31 12A.65°30′39″ B.65°30′36″ C.180°00′30″ D.245°31′12″3.下面各式,(D)是正确的。
A.H A+b=H B+a B.H A- a =H B- b C.h AB=H A-H B D.H A+ a =H B+ b4.工程测量常用的经纬仪有DJ6和DJ2,其中的“D”表示(C)。
A.大型仪器 B.地形测量 C.大地测量 D.德国制造5.经纬仪的使用包括(A)等四项操作步骤。
A.整平—对中—瞄准—读数 B.整平—对中—读数—瞄准C.对中—整平—读数—瞄准 D.粗平—精平—瞄准—读数6.已知点A的高程为282.000m,h BA=4.200m,则B点的高程应为(C)。
A.286.200m B.-4.200m C.277.800m D.284.200m7.下列中的(D)不能用盘左、盘右观测取平均值的方法来消除。
A.度盘偏心差 B.视准轴误差 C.横轴误差 D.竖轴误差8.视距测量简单便捷,下面(D)是计算高差的公式。
A.l·cos2α B.k·l·cos2α C.D·tgαD.21 D·tgα+仪高-中丝读数9.下列关于测量角度的叙述中,(D)是错误的。
A.水平角测量是为了确定地面点的平面位置B.竖直角测量是为了确定地面点的高程C.常用的测角仪器是经纬仪D.经纬仪只能测量水平角10.(C)是各项测量工作的基础,具有控制全局,限制误差积累的作用。
《建设项目管理》课程作业要求:1、根据自己的学习计划做作业,不允许抄袭,发现抄袭,平时成绩60分以下处理;2、按时提交作业,系统关闭不允许上传,没有平时成绩;《建设项目管理》课程作业内容一、思考题1、简述你对这门课程的认识(300字以内)答:建设工程项目管理的核心内容是:从项目开始至项目完成,通过项目策划和控制,使项目的费用目标,进度目标和质量目标得以实现.?工程项目管理业务范围包括:1、协助业主方进行项目前期策划,经济分析、专项评估与投资确定;?2、协助业主方办理土地征用、规划许可等有关手续;3、协助业主方提出工程设计要求、组织评审工程设计方案、组织工程勘察设计招标、签订勘察设计合同并监督实施,组织设计单位进行工程设计优化、技术经济方案比选并进行投资控制;4、协助业主方组织工程监理、施工、设备材料采购招标;?5、协助业主方与工程项目总承包企业或施工企业及建筑材料、设备、构配件供应等企业签订合同并监督实施;6、协助业主方提出工程实施用款计划,进行工程竣工结算和工程决算,处理工程索赔,组织竣工验收,向业主方移交竣工档案资料;7、生产试运行及工程保修期管理,组织项目后评估;?8、项目管理合同约定的其他工作。
其中建设工程项目管理空间范围:决策和实施阶段;其中决策的标志就是建立项目;实施包含:设计准备、设计、施工、动用准备、保修。
其核心任务是使项目的目标控制。
它只是工程管理的一部分。
2、列出你的自学计划(以时间和章节为主线)。
答:4月10日学习第一章工程项目管理概论4月15日学习第二章工程项目的组织管理4月20日学习第三章工程项目前期决策管理4月25日学习第四章工程项目目标控制4月30日学习第五章工程项目合同管理5月5日学习第六章工程项目生产要素管理5月11日学习第七章工程项目风险管理5月16日学习第八章工程项目职业健康、安全与环境管理5月30日学习第九章工程项目信息管理6月3日学习第十章工程项目后期管理主要在华工网络教育平台上学习和在网上寻找资料和视频学习并对工程项目进行一定的了解。
第一次作业
1.什么是大地水准面?
答:大地水准面是指与平均海水面重合并延伸到大陆内部的水准面。
是正高的基准面。
2.什么是视差?
答:视差就是从有一定距离的两个点上观察同一个目标所产生的方向差异。
3.方位角的概念是?
答:方位角,是指卫星接收天线,在水平面做0°-360°旋转。
方位角调整时抛物面在水平面做左右运动。
通常我们通过计算软件或在资料中得到的结果应该是以正北方向(约地磁南极)为标准,将卫星天线的指向偏东或偏西调整一个角度,该角度即是所谓的方位角。
4.工程测量从测量目的和技术方面,其主要任务是?
答:其主要任务是测定和测设。
作用:(1)勘测设计阶段,为选线测制带状地形图。
(2)施工阶段,把线路和各种建筑物正确地测设到地面上。
(3)竣工测量,对建筑物进行竣。
一、问答题1、答:工程造价的影响因素有:(一) 政府行为对工程造价的影响1.财政政策的影响2.利率汇率政策的影响3.税收政策的影响(二) 建筑市场供求状况对工程造价的影响(三) 建筑科学技术水平对工程造价的影响1.设计理论2.建筑材料(60%~70%)3.施工技术、施工工艺4.工程管理水平(四) 设计者技术水平对工程造价的影响不同资质的设计单位、设计人员设计者技术水平、经验爱好(五) 区域经济水平对工程造价的影响1.人工费的高低(>20%)2.施工机械化装备的程度(15%~20%)3.建筑材料市场的供求(60%~70%)4.对环境保护的要求:噪音、“三废”5.建设项目的需求(六) 业主的期望对工程造价的影响投资决策、建设方案选择承包商选择质量目标进度目标造价目标(七).承包商的业务水平、管理水平对工程造价的影响(八).社会因素对工程造价的影响心理因素:需求偏好、心理感受、主观看法文化因素:风俗习惯、民族风情、宗教禁忌2、答:按照工程项目的专业类别,建设工程定额可以分为:建筑工程定额、安装工程定额、公路工程定额、铁路工程定额、水利工程定额、市政工程定额、园林绿化工程定额等多种专业定额类别。
3、答:预算定额的作用有:1.编制施工图预算,确定工程造价的依据;2.招投标中确定招标控制价和投标报价;3.建设单位拨付工程价款和进行工程竣工结算;4.确定人材机消耗量,编制施工组织设计;5.编制概算定额和概算指标的基础。
4、答:影响材料价格变动的因素有:市场供需变化;材料生产成本的变动直接涉及材料价格波动;流通环节的多少和材料供应体制也会影响材料价格;运输距离和运输方法的改变会影响材料运输费用的增减,从而会影响材料价格;国际市场行情会对进口材料产生影响。
5、答:其它措施费包括:暂列金额;计日工;总承包服务费。
6、答:全国范围内所有实行工程量清单计价的工程,必须做到五个统一,即项目编码统一;项目名称统一;项目特征统一;计量单位统一;工程量计算规则统一。
华南理工网络教育建筑施工技术第二次作业主观题参考1. 【简答题】填土压实的方法有哪些?影响填土压实的因素有哪些?答:一.压实方法一般有:碾压法、夯实法,振动压实法。
1.碾压法,由沿着表面滚动的鼓筒或轮子的压力压实土壤,是我们日常随处可见的压实机械能处理的,主要应用于大面积的填土工程。
碾压机械有平碾(压路机)、羊足碾和汽胎碾。
羊足碾需要较大的牵引力而且只能用于压实粘性土,因在砂土中碾压时,土的颗粒受到“羊足”较大的单位压力后会向四面移动,而使土的结构破坏。
汽胎碾在工作时是弹性体,给土的压力较均匀,填土质量较好。
应用最普遍的是刚性平碾,利用运土工具碾压土壤也可取得较大的密实度,但必须很好地组织土方施工,利用运土过程进行碾压。
如果单独使用运土工具进行土壤压实工作,在经济上是不合理的,它的压实费用要比用平碾压实贵一倍左右。
2.夯实法,利用超重量的夯锤自由下落的冲击力来夯实土壤,主要用与小面积的填土,可以夯实粘性土或非粘性土。
夯实的优点是可以压实较厚的土层。
夯实机械有夯锤、内燃夯土机和蛙式打夯机等。
夯锤借助起重机提起并落下,其重量大于1.5t,落距2.5~4.5m,夯土影响深度可超过1m,常用于夯实湿陷性黄土、杂填土以及含有石块的填土。
内燃夯土机作用深度为0.4~0.7m,它和蛙式打夯机都是应用较广的夯实机械。
人力夯土(木夯、石硪)方法则已很少使用。
3.振动法,也是我们可见的一种方法,将重锤放在土层表面,利用其他的器械振动来带动重锤振动!振动压实主要用于压实非粘性土,采用的机械主要是振动压路机、平板振动器等。
二.影响填土压实质量的主要因素:压实功,土的含水量控制,铺土厚度影响土的压实因素有以下几点:土的物理性质及分类;土的含水量;压力机的压实功(压实机械,压实的遍数);土层的填筑厚度(铺土厚度。
2. 【问答题】论述泥浆护壁钻孔灌注桩的施工工艺答:答:施工工艺共有7步,如下:1、测定桩位2、埋设护筒:护筒是大直径泥浆护壁成孔灌注桩特有的一种装置,其作用是固定桩孔位置,防止地面水流入,保护孔口,防止塌孔。
结构力学(一)·平时作业2020春华南理工大学网络教育答案1.叙述结构力学在实际工程领域中的作用。
答:建筑物、构筑物或其他工程对象中支承和传递荷载而起骨架作用的部分称为工程结构。
例如,房屋建筑中由基础、柱、剪力墙梁、板及其他构件组成的结构体系,水工建筑物中的大坝和闻门,公路和铁路桥梁、隧道和涵洞,飞机、汽车中的受力骨架等,都是工程结构的典型例子。
2.简单列举平面体系机动分析的基本方法,并举例说明其中一种方法的使用方法。
答:平面体系机动分析的基本方法:几何不变体系、几何可变体系。
几何不变体系:三刚片规则、二元体规则、两刚片规则。
两刚片规则:两个钢片用一个铰和一个不通过该铰的链杆连接,组成几何不变体系。
几种常用的分析途径(1)去掉二元体,将体系化简单,然后再分析。
(2)如上部体系与基础用满足要求的三个约束相联可去掉基础,只分析上部。
(3)当体系杆件数较多时,将刚片选得分散些,用链杆组成的虚铰相连,而不用单铰相连。
(4)由一基本刚片开始,逐步增加二元体,扩大刚片的范围,将体系归结为两个刚片或三个刚片相连,再用规则判定。
(5)由基础开始逐件组装。
(6)刚片的等效代换:在不改变刚片与周围的连结方式的前提下,可以改变它的大小、形状及内部组成。
即用一个等效(与外部连结等效)刚片代替它。
3.举例说明利用结点法和截面法计算静定桁架内力的基本步骤。
答:以静定桁架为例:结点法是以结点为隔离体,一次求得两个未知力(单杆);截面法通常截取的隔离体包含两个节点及以上,以此可求得3个未知力(单杆).结点法用通常来求所有杆内力,一般从两个未知力杆结点开始,而截面法通常用来求指定杆内力.结点法:(1)求支座反力;(2)依次截取各结点,画出受力图,由平衡条件求其未知轴力。
截面法:(1)求反力(同静定梁);(2)作截面(用平截面,也可用曲截面)截断桁架,取隔离体;(3)①选取矩心,列力矩平衡方程(力矩法);②列投影方程(投影法);(4)解方程。
建筑工程测量试题库参考答案一、填空题1.地面点到假定水准面的铅垂距离称为该点的相对高程。
2.通过平均海水面的水准面称为大地水准面。
3.测量工作的基本工作是高程测量、水平角度测量、距离测量。
4.测量使用的平面直角坐标是以两条相互垂直线的交点为坐标原点,以南北方向为 X 轴,以东西方向为 Y 轴。
5.地面点位若用地理坐标表示,应为经度、纬度和绝对高程。
6.地面两点间高程之差,称为该两点间的高差。
7.在测量中国,将地表面当平面对待,指的是在 100 平方千米范围内时,距离测量数据不至于影响测量成果的精度。
8.测量学的分类,大致可分为大地测量学、普通测量学、摄影测量学、工程测量学、地图绘制学。
9.地球是一个旋转的椭球体,如果把它看作圆球,其半径的概值为6371Km10.我国的珠穆朗玛峰顶的绝对高程为 8848.13m。
11.地面点的经度为该点的子午面与首子午面所夹的二面角。
12.地面点的纬度为该点的铅垂线与赤道平面所组成的角度。
13.测量工作的程序是从整体到局部、先控制后碎部。
14.测量学的任务是测定和测设。
15.直线定向的标准方向有真子午线方向、磁子午线方向、坐标纵轴方向。
16.由坐标纵轴线北端方向顺时针转到测线的水平夹角为直线的坐标方位角。
17. 距离丈量的相对误差的公式为D=D+△L d +△ L t + △L h。
18.坐标方位角的取值范围是 0°-360 °。
19.确定直线方向的工作称为直线定向,用目估法或经纬仪法把许多点标定在某一已知直线上的工作为直线定线。
20. 距离丈量是用相对误差来衡量其精度的,该误差是用分子为 1 的分数形式来表示。
21.用平量法丈量距离的三个基本要求是尺子要拉平、标杆要立直且定线要直、对点投点和读数要准确。
22.直线的象限是指直线与标准方向的北端或南端所夹的锐角,并要标注所在象限。
23.某点磁偏角为该点的磁北方向与该点的真北方向的夹角。
24.某直线的方位角与该直线的反方位角相差 180°。
A. B. C.A. B. C.A. B. C.A. B. C.A. B. C.A. B. C.A. B. C.A. B. C.A. B. C.A. B. C.A. B. C.A. B. C.A. B. C.A. B. C.A. B. C.A. B. C.A. B. C.A. B. C.A. B. C.A. B. C.A. B. C.A. B. C.23. 图1中,水平角读数是()。
A. 175º56´06"B. 179º56´06"C. 179º05´06"D. 180º56´06"4aa6636741691d答题:B A. B. C.D. (已提交)参考答案:B问题解析:24. 图1中,竖直角读数是()。
A. 72º02´30"B. 73º00´30"C. 72º17´30"D. 73º02´30"4aa6636741691d答题:D A. B. C. D. (已提交)参考答案:D问题解析:25. 图1 DJ6型经纬仪的读数在水平角测量中,采用盘左、盘右观测取平均的方法可以消减()。
A. 整平误差B. 视准误差C. 读数误差D. 指标差4aa6636741691d答题:B A. B. C. D. (已提交)参考答案:B问题解析:26. 当经纬仪竖盘读数为90º时,望远镜方向( )。
A. 水平B. 朝上C. 朝下D. 不确定4aa6636741691d答题:A A. B. C. D. (已提交)参考答案:A问题解析:27. 经纬仪整平后,盘左、盘右分别瞄准与仪器大致同高的目标A,读得水平度盘的读数不正好相差180º,则说明该仪器有()。
A、横轴不水平误差B、视准误差C、指标差D、竖丝不竖直4aa6636741691d答题:B A. B. C. D. (已提交)参考答案:BA. B. C.A. B. C.A. B. C.A. B. C.A. B. C.A. B. C.A. B. C.A. B. C.A. B. C.A. B. C.A. B. C.A. B. C.A. B. C.A. B. C.A. B. C.A. B. C.A. B. C.A. B. C.A. B. C.A. B. C.A. B. C.A. B. C.A. B. C.A. B. C.A. B. C.A. B. C.A. B. C.A. B. C.A. B. C.A. B. C.A. B. C.A. B. C.A. B. C.A. B. C.A. B. C.A. B. C.A. B. C.A. B. C.A. B. C.A. B. C.A. B. C.A. B. C.A. B. C.A. B. C.A. B. C.A. B. C.A. B. C.A. B. C.A. B. C.A. B. C.A. B. C.A. B. C.A. B. C. .. . . . . . . .. . . . . .. . . . .。
建筑工程测量课后习题答案第一章一、名词解释1. 测定测定是指使用测量仪器和工具,通过测量和计算,得到一系列测量数据,或将地球表面的地物和地貌缩绘成地形图,供经济建设、国防建设、规化设计及科学研究使用。
2. 测设测设是指用一定的测量仪器、工具和方法,将设计图样上规化设计好的建(筑)物位置,在实地标定出来,作为施工的依据。
3. 人们设想以一个静止不动的海水面延伸穿越陆地,形成一个闭合的曲面包围了整个地球,这个闭合曲面称为水准面。
4. 与水准面相切的平面,称为水平面。
5. 其中与平均海水面相吻合的水准面称为大地水准面,它是测量工作的基准面。
6. 重力的方向线称为铅垂线,它是测量工作的基准线。
7. 地面点到大地水准面的铅垂距离,称为该点的绝对高程,简称高程。
8. 地面点到假定水准面的铅垂距离,称为该点的相对高程或假定高程。
9. 地面两点间的高程之差,称为高差,用表示,高差有方向和正负。
二、选择题1.C2. A3. D4. A5. D 6 .D三、简答题1. 测量学是研究地球的形状和大小以及确定地面点位的科学,它的内容包括测定和测设两部分。
2. (1)测定测定是指使用测量仪器和工具,通过测量和计算,得到一系列测量数据,或将地球表面的地物和地貌缩绘成地形图,供经济建设、国防建设、规化设计及科学研究使用。
(2)测设测设是指用一定的测量仪器、工具和方法,将设计图样上规化设计好的建(筑)物位置,在实地标定出来,作为施工的依据。
测定与测设相比,两者所用的仪器、方法、原理相同,过程相反。
3. 建筑工程测量是是研究建筑工程在勘测设计、施工和运营管理阶段所进行的各种测量工作的理论、技术和方法的学科。
它的主要任务是:(1)测绘大比例尺地形图(2)建筑物的施工测量(3)建筑物的变形观测4. 重力的方向线称为铅垂线,它是测量工作的基准线。
与平均海水面相吻合的水准面称为大地水准面,它是测量工作的基准面。
5. 测量工作需要在统一的基准下才能进行,大地水准面与铅垂线具有唯一性又不失一般性,实践证明它能够提供测量活动稳定的统一基准。
《建筑工程测量》试题答案(最新)一、选择题答案及解析1. 关于水准测量的原理,以下说法正确的是:A. 利用视距法测量高差B. 利用三角高程法测量高差C. 利用液体静力平衡原理测量高差D. 利用水平视线测定两点间的高差答案:D解析:水准测量是基于水平视线原理,通过水准仪提供的水平视线,读取前后视尺上的读数,从而计算出两点间的高差。
选项A、B、C分别描述了其他测量方法,不符合水准测量的原理。
2. 全站仪的主要功能包括:A. 测角和测距B. 仅测角C. 仅测距D. 测量和绘图答案:A解析:全站仪是一种集测角和测距功能于一体的测量仪器,广泛应用于建筑工程测量中。
它可以通过电子方式同时测量水平角、垂直角和斜距,并通过内置程序计算出点的三维坐标。
二、填空题答案及解析1. 水准路线的布设形式主要有______、______和______。
答案:闭合水准路线、附合水准路线、支水准路线解析:水准路线的布设形式根据测量需求和地形条件不同,主要有三种:闭合水准路线是从一个已知高程点出发,经过若干个测站后回到原点,形成闭合 loop;附合水准路线是从一个已知高程点出发,经过若干个测站后附合到另一个已知高程点;支水准路线是从一个已知高程点出发,延伸到某个待测点,不闭合也不附合。
2. 全站仪的测角精度通常用______表示。
答案:秒(″)解析:全站仪的测角精度通常用秒(″)表示,例如2″、5″等,表示仪器在测量角度时的最小读数单位和精度。
三、简答题答案及解析1. 简述水准测量的基本步骤。
答案:水准测量的基本步骤如下:1. 选点埋石:根据测量任务和地形条件,选择合适的水准点,并进行标记和埋石。
2. 仪器安置:将水准仪安置在测站上,进行粗略整平和精确整平。
3. 观测读数:利用水准仪提供的水平视线,分别读取前后视尺上的读数。
4. 记录计算:记录观测数据,计算高差和各点高程。
5. 检核调整:对观测数据进行检核,确保符合精度要求,必要时进行调整。
《建筑结构抗震设计》第二次作业简答题(每题10分,共100分)1. 震级和烈度有什么区别和联系?答:烈度与震级的区别是:1)概念不同:烈度指某一地区的地面和各类建筑物遭受一次地震影响的强弱程度。
震级:是指地震大小,通常用字母M表示。
2)相关因素不同:烈度与震源深度、震中距、方位角、地质构造以及土壤性质等许多因素有关,震级与震源发出的地震波能量有关。
3)依据标准不同:地震烈度区划是根据国家抗震设防需要和当前的科学技术水平,按照长时期内各地可能遭受的地震危险程度对国土进行划分;震级是根据里克特级数,是由美国地震学家里克特所制定,它的范围在1 —10 级之间。
地震震级是指地震的大小;是根据每次地震活动释放的能量多少来划分的.地震烈度是表示地面及房屋等建筑物遭受地震影响破坏的程度。
2. 试讨论结构延性与结构抗震的内在联系。
答:延性设计:通过适当控制结构物的刚度与强度,使结构构件在强烈地震时进入非弹性状态后仍具有较大的延性,从而可以通过塑性变形吸收更多地震输入能量,使结构物至少保证至少“坏而不倒”。
延性越好,抗震越好.在设计中,可以通过构造措施和耗能手段来增强结构与构件的延性,提高抗震性能。
3. 场地土的固有周期和地震动的卓越周期有何区别与联系?答:由于地震动的周期成分很多,而仅与场地固有周期T接近的周期成分被较大的放大,因此场地固有周期T也将是地面运动的主要周期,称之为地震动的卓越周期。
4. 怎样判断结构薄弱层和部位?答:对于=Vy(i)Ve(i)。
ζy沿高度分布不均匀的框架结构,在地震作用下一般发生塑性变形集中现象,即塑性变形集中发生在某一或某几个楼层,发生的部位为是,ζy最小或相对较小的楼层,称之为结构薄弱层。
原因ζy较小的楼层在地震作用下会率先屈服,这些楼层屈后将引起卸载作用,限制地震作用进一步增加,从而保护其他楼层不屈服。
判别:①对于ζy沿高度分布均匀的框架结构,分析表明,此时一般结构底层的层间变形最大,因而可将底层当做结构薄弱层。
华工继续教育学院2020-2021年第二学期房屋建筑学作业1.简述建筑的含义和建筑的构成要素?(5′)答:建筑是建筑物与构筑物的总称。
建筑物是供人们生活居住、工作学习以及从事生产和各种文化活动的房屋。
构筑物是指人们一般不直接在内进行生产和生活的建筑,间接为人们提供服务的设施。
如桥梁、城墙、堤坝、水池、水塔、支架、烟囱等。
构成建筑的基本要素是建筑功能、建筑技术和建筑形象。
2.实行建筑模数协调统一的意义何在?基本模数、扩大模数、分模数的含义和适用范围是什么?(10′)答:实行建筑模数协调统一标准的意义是:为了使建筑制品、建筑构配件和组合件实现工业化大规模生产,使不同材料、不同形式和不同制造方法的建筑构配件、组合件符合模数并具有较大的通用性和互换性,以加快设计速度,提高施工质量和效率,降低建筑造价。
模数指选定的尺寸单位,作为尺度协调中的增值单位。
基本模数是模数协调中选用的基本尺寸单位。
基本模数的数值为100mm,其符号为M,即1M=1OOm。
扩大模数是基本模数的整数倍数。
通常分为水平扩大模数和竖向扩大模数,水平扩大模数的基数为3M、6M、12M、15M、30M、6OM,其相应尺寸为300mm、600mm、1200mm、1500mm、3000mm、6000mm;竖向扩大模数的基数为3M与6M,其相应尺寸为300mm和600mm。
分模数是整数除基本模数的数值。
分模数的基数为1/10M、l/5M、l/2M,其相应尺寸为10mm、20mm、50mm。
模数数列指由基本模数、扩大模数、分模数为基础扩展成的一系列尺寸。
模数数列的适用范围如下:水平基本模数的数列幅度为(1~20)M,主要用于门窗洞口和构配件断面尺寸;竖向基本模数的数列幅度为(1~36)M,主要用于建筑物的层高、门窗洞口和构配件截面等处。
水平扩大模数的数列幅度:3M为(3~75)M、6M为(6~98)M、12M为(12~120)M、15M为(15~120)M、30M为(30~360)M、60M为(60~360)M数列,必要时幅度不限,主要用于建筑物的开间或柱距、进深或跨度、构配件尺寸和门窗洞口等处。
可编辑修改精选全文完整版建筑工程测量考试试题(含答案)一、单项选择题1.如某段距离大量的结果是D=167.216m±0.016m,则相对中误差为( )。
A.1/10451 B.-1/10451 C.1/10450答案:A2.在水准测量中,两点间高差的中误差与两点间测站数的平方根成( )比。
A.正 B.负答案:A3.在经纬仪观测水平角和竖直角的过程中,仪器对中误差产生最大影响时,是角度按近( ),与测边呈垂直方向。
A.90° B.180° C.0° D.270°答案:B4.计算各种测量成果时,凑整进位按照(D)的规则进行。
A.四舍五入 B.奇舍偶入 C.小进大入 D.四舍六入,逢五单进双不进5.望远镜的视准轴是否水平,只能通过(D)进行判断。
A.经验 B.三脚架 C.肉眼 D.水准器6.工程测量常用的经纬仪有DJ6和DJ2,其中的“D”表示(C)。
A.大型仪器 B.地形测量 C.大地测量 D.德国制造7.工程测量常用的经纬仪有DJ6和DJ2。
其中的数字“2”表示(A)。
A.水平方向测量一测回的方向中误差不超过±2″B.水平方向测量一测回的方向中误差不小于±2″C.水平方向测量一测回的方向中误差不超过2″D.水平方向测量一测回的方向中误差不小于2″8.望远镜视准轴不垂直仪器横轴所引起的误差称视准轴误差,也称二倍照准差,简称(C)。
A.2A B.2B C.2C D.2D9.下图中的(B)是附合水准路线。
A.甲 B.乙 C.丙 D.丁10.基槽开挖完成后,应在槽底设置(A)。
A.垫层标高控制桩 B.基础轴线桩 C.槽底标高控制桩 D.基础中心桩11.某隧道口地面上有一水准点A,其高程为H A=120.000m,欲采用水准测量方法根据其测量隧道顶板B处的高程,设水准仪在A点水准尺上的读数为1.500m,倒立在隧道顶板B的水准尺上读数为2.000m,隧道顶板B的高程为( D )。
第二次作业
1.什么是视准轴?
答:十字丝中央交点与物镜光心的连线称为视准轴。
2.中国工程测量采用什么坐标系?
答:十字丝中央交点与物镜光心的连线称为视准轴。
3.某一点位于东经114°45′,则该点在6度带中位于多少带,其中央子午线经度是多少?
答:该点在6度带中位于20带,其中央子午线经度是东经117°。
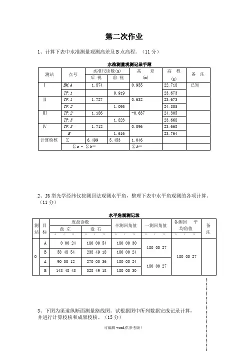
4. 计算下表中水准测量观测高差及B点高程。
水准测量观测记录手薄
5. J6型光学经纬仪按测回法观测水平角,整理下表中水平角观测的各项计算。
6. 用经纬仪进行视距测量(盘左望远镜仰起,竖盘读数减小),试填下表:测站A 测站高程20.45m ,K=100,仪器高1.35m 。
(备注:α2cos Kl D = ;初算高差 ααtan 2sin
1
'D Kl h ==;)
7. 地物是地表上的固定性物体,有明确的轮廓。
根据绘制符号的方法,地物符号分为哪几类?
答:(1)比例符号。
(2)非比例符号。
(3)线形符号。
(4)注记符号。
8. 水准路线布设的形式有哪些? 答:(1)闭合水准路线。
(2)附合水准路线。
(3)支水准路线
9. GPS 全球定位系统由哪几个部分组成?各起什么作用? 答:(1)GPS 卫星星座
全球定位系统的空间星座部分由24颗卫星组成,其中21颗工作卫星,3颗
可随时启用的备用卫星。
工作卫星均匀分布在6个近圆形轨道面内,每个轨道面上有4颗卫星。
(2)GPS 卫星及功能
GPS 卫星:主体呈圆柱形,直径为1.5m ,重约843.68kg ,设计寿命为7.5年。
主体两侧配有能自动对日定向的双叶太阳能板,为保证卫星正常工作提供电源,通过一个驱动系统保持卫星运转并稳定在轨道位置。
每颗卫星装有4台高精度原子钟,(铷钟和铯钟各两台),以保证能发射出标准频率(频率度为10-12~10-13),为GPS 测量提供高精度的时间标准。
GPS 卫星的主要功能时:接收和储存由地面控制系统发射来的导航信息;接收并执行地面控制系统发送的控制命令,如调整卫星姿态和备用时。