固定卷扬式启闭机单元工程安装质量验收评定表
- 格式:doc
- 大小:103.00 KB
- 文档页数:5
水利水电工程单元工程施工质量验收评定表及填表说明(下册)水利部建设与管理司编著内容提要《水利水电工程单元工程施工质量验收评定表及填表说明》(上、下册)根据《水利水电工程单元工程施工质量验收评定标准》(SL 361—2012~SL 637—2012和SL 638—2013、SL 639—2013)评定标准编制,用于水利水电工程单元工程施工质量验收评定工作使用。
上册主要内容包括土石方工程、混凝土工程、地基处理与基础工程、堤防工程;下册主要内容包括水工金属结构安装工程、水轮发电机组安装工程、水力机械辅助设备系统安装工程、发电电气设备安装工程和升压变电电气设备安装工程。
本书样表和填表说明基本涵盖了水利水电工程施工质量验收评定所需表格。
本书是水利水电工程建设、施工、监理、质量监督和质量检测等工程技术人员的工具书,也可作为其他领域相关人员的参考用书。
前言为加强水利工程施工质量管理,根据水利部发布的《水利水电工程单元工程施工质量验收评定标准》(SL 631~SL 637—2012、SL 638~SL 639—2013)和有关施工规程规范。
水利部建设与管理司组织水利部建设管理与质量安全中心、吉林省水利厅等单位的有关专家编写了《水利水电工程单元工程施工质量验收评定表及填表说明》,便于广大水利水电工程技术人员更好地理解评定标准和实际工作中使用,进一步规范单元工程施工质量验收评定工作。
全书分上、下册,总计539个表格。
上册包括土石方工程51个;混凝土工程68个;地基处理与基础工程52个;堤防工程38个。
下册包括水工金属结构安装工程50个;水轮发电机组安装工程83个;水力机械辅助设备系统安装工程45个;发电电气设备安装工程106个;升压变电电气设备安装工程46个。
逐表编写了填表要求。
本书所列表式为通用表式,有关专业人员在使用时可结合工程实际情况,依据设计文件、合同文件和有关标准规定,对相关内容作适当的增减。
在工程项目中,如有SL 631~SL 639标准尚未涉及的单元工程,其质量标准及评定表格,由建设单位组织设计、施工及监理等单位,根据设计要求和设备生产厂商的技术说明书,制定相应的施工、安装质量验收评定标准,并按照《水利水电工程单元工程施工质量验收评定表及填表说明》中的统一格式(表头、表身、表尾)制定相应质量验收评定、质量检查表格,报相应的质量监督机构核备。
启闭机安装质量验收评定表项目名称:安装单位:安装地点:安装日期:验收日期:一、基本情况1.项目名称:2.安装单位:3.安装地点:4.安装日期:5.验收日期:二、安装单位情况1.安装单位名称:4.安装人员情况:------------------------------------------------------------------------------------------------------------------------三、安装工作质量情况1.总体评价:(请勾选适用项)a.安装计划编制是否合理?b.安装人员是否配合协调?c.安装过程中是否遵守操作规程?d.安装过程中是否按照相关标准进行操作?e.安装结束后是否进行了清理和整理?f.有无重要零部件遗漏或错误安装?2.详细评价:(请对以下各项进行评价,可根据实际情况增加或调整评价内容)安装环境是否满足要求?------------------------------------------------------------------------------------------------------------------------安装前是否充分了解工程要求?------------------------------------------------------------------------------------------------------------------------安装中是否按照技术要求操作?--------------------------------------------------------------------------------安装材料是否符合要求?------------------------------------------------------------------------------------------------------------------------安装完成后是否进行测试和调试?------------------------------------------------------------------------------------------------------------------------安装结束后是否进行了清理和整理?------------------------------------------------------------------------------------------------------------------------四、问题及整改情况(如有问题,请详细列出并记录整改情况)1.问题描述:--------------------------------------------------------------------------------2.整改情况:------------------------------------------------------------------------------------------------------------------------五、验收结论(请在下面空白处填写验收结论)根据以上评价结果,经过实地检查和测试,本次启闭机安装质量是否符合要求,是否能够正常使用?六、验收人员签名(请验收人员根据实际情况在下面空白处签字确认)1.安装单位负责人签字:2.验收人员签字:3.监理单位负责人签字:备注:如有需要,可在文档空白处补充其他相关信息。
水利水电工程
表5.3 平面闸门门体单元工程安装质量验收评定表编号:JP1-3-11
水利水电工程
表5.3.1 平面闸门门体安装质量检查表编号:JP1-3-11-1
水利水电工程
表5.3 平面闸门门体单元工程安装质量验收评定表编号:JP1-3-12
水利水电工程
表5.3.1 平面闸门门体安装质量检查表编号:JP1-3-12-1
水利水电工程
表5.12 固定卷扬式启闭机单元工程安装质量验收评定表编号:JP1-3-13
水利水电工程
表5.12.1 固定卷扬式启闭机安装位置质量检查表编号:JP1-3-13-1
水利水电工程
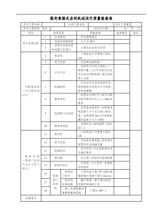
表5.12.2 固定卷扬式启闭机试运行质量检查表编号:JP1-3-13-2
水利水电工程
表5.12 固定卷扬式启闭机单元工程安装质量验收评定表编号:JP1-3-14
水利水电工程
表5.12.1 固定卷扬式启闭机安装位置质量检查表编号:JP1-3-14-1
水利水电工程
表5.12.2 固定卷扬式启闭机试运行质量检查表编号:JP1-3-14-2。
固定卷扬式启闭机单元工程安装质量验收评定表一、工程概况工程名称:工程地点:施工单位:监理单位:验收日期:二、工程内容启闭机型号:技术参数:安装位置:参与施工人员:工程进度:完工日期:三、安装质量评定1.安装材料和设备验收-检查安装材料的品质和使用规范;-验收启闭机设备的完整性和准确性;-检查机械传动部件的装配质量。
2.启闭机组装-检查机壳的安装质量,保证其完整性和刚度;-检查机座的安装位置和固定质量;-检查启闭机的各部件组装质量,并确认其是否符合设计要求。
3.电气控制系统安装-检查启闭机电气设备的完整性和准确性;-检查电气控制系统的安装质量和接线的正确性;-确保电气设备与其他机械设施有正确的连接。
4.安全保护措施-检查启闭机的安全设施是否齐全,包括限位、报警、保护等;-确保设备的相关安全标志已正确安装。
5.系统调试-确保系统的各个部件和设备进行了正确的调试;-检查设备的运行状态和运行参数是否与设计要求相符;-确保设备的控制功能正常。
四、质量评定标准1.通过率:工程验收合格的百分比。
标准100%。
2.重大问题:对于可能影响设备安全和工程质量的问题,按照相关标准进行具体评定。
3.一般问题:对于一般质量问题,按照相关标准进行具体评定。
4.整改要求:对于存在问题的部分,提出具体整改要求,并确定整改时限。
五、评定结果根据以上评定标准,综合评定该固定卷扬式启闭机单元工程安装质量的好坏。
评定结果:____________________________________通过率:________%(____________/____________)重大问题:_______________________________一般问题:_______________________________整改要求:_______________________________验收负责人签字:_________________________六、备注(在此处填写评定过程中细节和需要特别说明的情况)以上为固定卷扬式启闭机单元工程的安装质量验收评定表。
水利水电工程单元工程施工质量验收评定表及填表说明(下册)水利部建设与管理司编著内容提要《水利水电工程单元工程施工质量验收评定表及填表说明》(上、下册)根据《水利水电工程单元工程施工质量验收评定标准》(SL 361—2012~SL 637—2012和SL 638—2013、SL 639—2013)评定标准编制,用于水利水电工程单元工程施工质量验收评定工作使用。
上册主要内容包括土石方工程、混凝土工程、地基处理与基础工程、堤防工程;下册主要内容包括水工金属结构安装工程、水轮发电机组安装工程、水力机械辅助设备系统安装工程、发电电气设备安装工程和升压变电电气设备安装工程。
本书样表和填表说明基本涵盖了水利水电工程施工质量验收评定所需表格。
本书是水利水电工程建设、施工、监理、质量监督和质量检测等工程技术人员的工具书,也可作为其他领域相关人员的参考用书。
前言为加强水利工程施工质量管理,根据水利部发布的《水利水电工程单元工程施工质量验收评定标准》(SL 631~SL 637—2012、SL 638~SL 639—2013)和有关施工规程规范。
水利部建设与管理司组织水利部建设管理与质量安全中心、吉林省水利厅等单位的有关专家编写了《水利水电工程单元工程施工质量验收评定表及填表说明》,便于广大水利水电工程技术人员更好地理解评定标准和实际工作中使用,进一步规范单元工程施工质量验收评定工作。
全书分上、下册,总计539个表格。
上册包括土石方工程51个;混凝土工程68个;地基处理与基础工程52个;堤防工程38个。
下册包括水工金属结构安装工程50个;水轮发电机组安装工程83个;水力机械辅助设备系统安装工程45个;发电电气设备安装工程106个;升压变电电气设备安装工程46个。
逐表编写了填表要求。
本书所列表式为通用表式,有关专业人员在使用时可结合工程实际情况,依据设计文件、合同文件和有关标准规定,对相关内容作适当的增减。
在工程项目中,如有SL 631~SL 639标准尚未涉及的单元工程,其质量标准及评定表格,由建设单位组织设计、施工及监理等单位,根据设计要求和设备生产厂商的技术说明书,制定相应的施工、安装质量验收评定标准,并按照《水利水电工程单元工程施工质量验收评定表及填表说明》中的统一格式(表头、表身、表尾)制定相应质量验收评定、质量检查表格,报相应的质量监督机构核备。
门式启闭机安装单元工程质量评定表
单位工程名称单元工程量
分部工程名称施工单位
单元工程名称、部位检验日期年月日
项次项目
主要项目(个)一般项目(个)
合格优良合格优良
1门腿安装
2制动器安装(同表—1)
3联轴器安装(同表—2,表—3)
4门架和大车行走机构(同表—4)
5小车行走机构(同表—5)
6试运转(同表—6)
合计
优良项目占全部项目的百分数(%)
评定意见单元工程质量等级
主要项目全部符合质量标准,一般检验项目的实测点有%,符合
质量标准,其余基本符合质量标准。
优良项目占全部项目%,试运转
测量人
施
工
单
位
建设
(监
理)
单位。
固定卷扬式启闭机
试运行质量检查表填表要求
填表时必须遵守“填表基本规定”,并应符合下列要求:
1.单位工程、分部工程、单元工程名称及部位填写应与表相同。
2.单元工程量:填写本单元卷扬机重量(t)或型号。
3.启闭机试运行按运行质量标准要求进行。
固定卷扬式启闭机试运行由电气设备试验、无载荷试验、载荷试验等三部分组成。
4.单元工程安装质量试运行质量标准:设备的试验和试运行符合SL 635—2012及相关专业标准的规定;各项报验资料符合SL 635—2012的要求。
续表。
单位工程外观质量评定表(共2个表式)水利水电工程外观质量评定办法:单位工程完工后,由建设(监理)单位组织,负责该项工程的质量监督部门主持,由建设(监理)及质量检测等单位参加的工程外观质量评定组进行现场检验评定。
参加工程外观量评定的人员应具有工程师及其以上技术职称。
评定组人数不应少于5人,大型工程不宜少于7人。
各评定项目的质量标准,应根据所评工程特点及使用要求,再评定前由设计、建设监理及施工单位共同研究提出方案,经负责该项工程的质量监督部门确认后执行。
水工建筑工程单元工程质量评定表(共30个表式)本部分系根据水利电力颁发的《水利水电基本建设工程大元工程质量等级评定标准》SDJ249.1-88水利水电行业现行施工规范编制。
适用于大中型水利水电工程,小型工程可参照使用。
单元工程或工序质量检验内容按表中所列内容由施工单位自检,建设监理单位复核。
检测数量及单元工程或工序质量等级评定标准按照SDJ249.1-88执行。
评定表中加“△”的项目为主要检查(检测)项目。
工序名称前加“△”者为主要工序。
“质量标准”栏中凡写有“应符合设计要求”或“设计规定”的项目,应注明设计的具体要求。
表1.1岩石边坡开挖单元工程质量评定表表1.2岩石地基开挖单元工程质量评定表表1.3岩石洞室开挖单元工程质量评定表表1.4软基和岸坡开挖单元工程质量评定表表1.5混凝土单元工程质量评定表表1.5-1基础面或混凝土施工缝处理工序质量评定表水利水电工程表1.5-2混凝土模板工序质量评定表水利水电工程表1.5-3混凝土钢筋工序质量评定表水利水电工程混凝土止水、伸缩缝和排水管安装表1.5-5混凝土浇筑工序质量评定表表1.6 混凝土预制构件安装单元工程质量评定表表1.7 混凝土坝坝体接缝灌浆单元工程质量评定表表1.8 岩石地基帷幕灌浆单元工程质量评定表表1.9 岩石地基固结灌浆单元工程质量评定表表1.10 水工隧洞回填灌浆单元工程质量评定表表1.11 高压喷射灌浆单元工程质量评定表表1.12 基础排水单元工程质量评定表表1.13 锚喷支护单元工程质量评定表表1.13-1锚喷支护锚杆、钢筋网工序质量评定表表1.13—2锚喷支护喷射混凝土质量工序评定表表1.14 混凝土防渗墙单元工程质量评定表注:未填写检验具体内容的不得评定质量等级。
固定卷扬式启闭机单元工程安装质量验收评定表————————————————————————————————作者:————————————————————————————————日期:固定卷扬式启闭机单元工程安装质量验收评定表单位工程名称单元工程量分部工程名称安装单位单元工程名称、部位评定日期年月日项次项目主控项目(个)一般项目(个)合格数其中优良数合格数其中优良数1 固定卷扬式启闭机安装位置(见附表1)2 制动器安装(见附表2)3 电气设备安装4 固定卷扬式启闭机试运行(见附表3)试运行效果质量标准安装单位自评意见各项试验和单元工程试运行符合要求,各项报验资料符合规定,检验项目全部合格,检验项目优良率为,其中主控项目优良率为,单元工程安装质量验收评定等级为。
(签字,加盖公章)年月日监理单位意见各项试验和单元工程试运行符合要求,各项报验资料符合规定,检验项目全部合格,检验项目优良率为,其中主控项目优良率为,单元工程安装质量验收评定等级为。
(签字,加盖公章)年月日注1:主控项目和一般项目中的合格数指达到合格及以上质量标准的项目个数。
注2:优良项目占全部项目百分率=(主控项目优良数+一般项目优良数)/检验项目总数×100%。
附表1分部工程名称单元工程名称安装部位安装内容安装单位开/完工日期年月日—年月日项次检验项目允许偏差(mm)实测值(mm)合格数其中优良数质量等级合格优良 1 2 3 ···主控项目1纵、横向中心线与起吊中心线之差±3.0 ±2.5 2 启闭机平台水平偏差0.5 0.4一般项目1 启闭机平台高程偏差±5.0 ±4.0 2双卷筒串联的双吊点启闭机吊距偏差±3.0 ±2.5检查意见:主控项目共项,其中合格项,优良项,合格率,优良率 %。
一般项目共项,其中合格项,优良项,合格率,优良率 %。
水利水电工程施工质量验收评定表及填表说明水利水电建设管理与质量安全中心二〇一三年十月填表基本规定《水利水电工程施工质量验收评定表》(以下简称《评定表》)是检验与评定施工质量的基础资料,也是进行工程维修和事故处理的重要凭证,是工程验收的备查资料。
工程竣工验收后,《评定表》作为档案资料长期保存。
因此,按档案管理有关要求对《评定表》的填写作如下基本规定:(1)单元(工序)工程完工后,在规定时间内及时评定其质量等级,并按现场检验结果,客观真实地填写《评定表》。
(2)现场检验应遵守随机布点与监理工程师现场指定区位相结合的原则,检验方法及数量应符合《新标准》和相关标准的规定。
(3)若手工填写,应使用蓝色或黑色墨水钢笔,字迹应工整、清晰;若计算机打印,输入内容的字体应与表格固定内容不同,以示区别,字号可以相同或相近,匀称为宜。
质量意见和质量结论及签字部分(包括日期)不可打印。
(4)验收评定表与备查资料的制备规格采用国际标准A4 (210mm×297mm)。
(5)数字要使用阿拉伯数字(1,2,3,…,9,0),单位使用法定计量单位,并以规定的符号表示(如m,kg,m³,…)。
数据与数据之间用逗号(,)隔开,小数点要用圆点(.)。
合格率用百分数表示,小数点后保留1位,如果恰为整数,则小数点后以0表示。
(6)手工填写修改错误时,将错误部分用斜线划掉,再在右上方填写正确的文字或数字。
禁止使用改正液、橡皮擦、刀片刮等不标准方法。
(7)表头填写:单位工程、分部工程、单元工程名称,按项目划分确定的名称填写。
单元工程部位可用桩号、高程、到轴线(中心线)距离表示,原则是使该单元从空间(三维)上受控,必要时附图示意。
“施工单位”栏要填写与项目法人签订承包合同的施工单位全称。
(8)“质量标准”栏中,凡有“符合设计要求”者,应注明设计要求的具体内容,如内容较多可附页说明;凡有“符合规范要求”者,应标出所执行的规范名称和编号。
固定卷扬式启闭机安装检验1. 概述固定卷扬式启闭机是一种常用于水利工程、桥梁工程等领域的设备,主要用于提升、下降和固定重物。
为确保固定卷扬式启闭机的正常运行和人员安全,必须在安装过程中进行严格的检验。
本检验文件旨在指导安装人员按照规范进行操作,确保启闭机的安装质量。
2. 检验工具与设备2.1 检验工具- 卷尺- 水平尺- 千斤顶- 测力计- 电压表- 电流表- 绝缘电阻测试仪- 螺丝刀- 扳手2.2 检验设备- 固定卷扬式启闭机- 电动机- 控制器- 减速器- 限位器- 安全防护装置3. 检验项目与方法3.1 基础检验- 检查基础是否符合设计要求,表面应平整、坚实,无裂缝、空鼓等现象。
- 测量基础的平面度、垂直度,要求误差应在允许范围内。
3.2 设备外观检验- 检查启闭机设备外观是否有损坏、变形等现象。
- 检查各部件连接是否牢固,润滑油是否充足。
3.3 电动机与控制器检验- 检查电动机与控制器的型号、规格是否符合设计要求。
- 检查电动机与控制器的安装位置是否正确,连接线路是否整齐、牢固。
- 测试电动机启动、停止、正反转等操作是否正常,响应是否迅速。
3.4 减速器检验- 检查减速器外观是否有损坏、变形等现象。
- 检查齿轮啮合是否正常,润滑油是否充足。
- 测试减速器输出扭矩是否符合设计要求。
3.5 限位器检验- 检查限位器是否安装在正确的位置,调整是否准确。
- 测试限位器动作是否灵敏、可靠,是否能够正确限制启闭机运行行程。
3.6 安全防护装置检验- 检查安全防护装置是否齐全,包括紧急停止按钮、防护网等。
- 测试安全防护装置是否灵敏、可靠,能否在紧急情况下迅速切断电源,保证人员安全。
3.7 绝缘电阻检验- 使用绝缘电阻测试仪测试启闭机各电气部件的绝缘电阻,要求绝缘电阻应大于规定值。
3.8 运行检验- 启动启闭机,观察运行是否平稳,有无异常振动或噪音。
- 检查各连接部件是否松动,润滑油是否有泄漏。
- 测试启闭机上升、下降、停止等操作是否正常,响应是否迅速。