护栏和扶手制作与安装检验批
- 格式:docx
- 大小:19.28 KB
- 文档页数:5
表B.0.7护栏与扶手工程报审、报验表工程名称:石河子市北七号小区公共租赁住房项目地下车库编号:致:石河子天一工程建设服务有限公司(项目监理机构)我方已完成楼梯制作与安装工作,经自检合格,请予以审查或验收。
附件:隐蔽工程质量检验资料检验批质量检验资料分项工程质量检验资料施工实验室证明资料其他施工项目经理部(盖章)项目经理或项目技术负责人(签字)2015年月日审核意见:项目监理机构(盖章)专业监理工程师:(签字)2015年月日注:本表一式二份,项目监理机构、施工单位各一份。
C02-4隐蔽工程验收记录□□□□□□□□□工程名称丽水香郡住宅小区4#商业楼建设单位新疆新万隆房地产开发有限公司施工单位福建省浦口建筑工程有限公司石河子分公司监理单位新疆昆仑工程监理有限责任公司验收部位A段楼梯验收日期2012. 图号建施01、11隐蔽验收内容及图表:一、施工依据:本工程楼梯扶手制作与安装根据本工程设计图纸建施01、11,新02J6,图纸会审及设计变更和国家规范进行施工。
二、施工内容:楼梯栏杆扶手为ф50钢管,护栏为Ø14圆钢,钢筋间距为110㎜,上部与扶手焊接,下部与埋件焊接。
D32钢管立柱隔4级踏步设一个,D32钢管立柱与角铁L5×40焊牢,角铁L5×40与埋件焊牢。
楼梯扶手高度,自踏步前缘线量起垂直高度不宜小于1.05米,水平段栏杆长度大于0.5m长时,其扶手高度不应小于1.10m。
扶手转弯处弯头为同直径、机制的弯头,连接均为满焊。
三、经自检,楼梯栏杆与预埋铁、栏杆与钢管扶手及弯头等焊点满焊牢固。
预埋件的规格、数量、位置、连接点、平直段高度均符合设计要求和施工规范要求。
四、自检合格,现报请监理工程师验收。
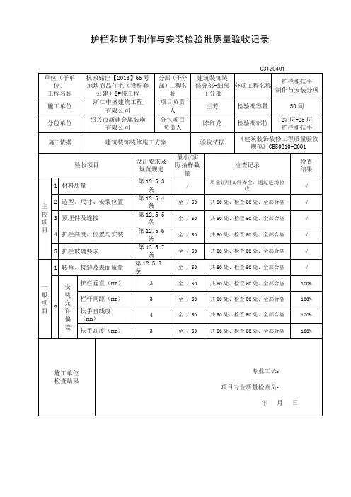
验收意见监理工程师(建设单位项目负责人):年月日施工单位项目经理项目技术负责人施工工长质量检查员护栏和扶手制作与安装检验批质量验收记录03120401单位(子单位) 工程名称分部(子分部)工程名称建筑装饰装修分部—细部子分部分项工程名称护栏和扶手制作与安装分项施工单位项目负责人检验批容量分包单位分包单位项目负责人检验批部位一层护栏和扶手施工依据《****工艺规范》****—****、施工方案验收依据《建筑装饰装修工程质量验收规范》GB50210-2001验收项目设计要求及规范规定最小/实际抽样数量检查记录检查结果主控项目1 材料质量第12.5.3条/ 质量证明文件齐全,试验合格,报告编号***√2 造型、尺寸、安装位置第12.5.4条全/ 10 共10处,检查10处,全部合格√3 预埋件及连接第12.5.5条全/ 10 共10处,检查10处,全部合格√4 护栏高度、位置与安装第12.5.6条全/ 10 共10处,检查10处,全部合格√5 护栏玻璃第12.5.7条/ 质量证明文件齐全,试验合格,报告编号*** √一般项目1 转角、接缝及表面质量第12.5.8条全/ 10 共10处,检查10处,全部合格100% 2安装允许偏差护栏垂直度(mm) 3 全/ 10 共10处,检查10处,全部合格100% 栏杆间距(mm) 3 全/ 10 共10处,检查10处,全部合格100% 扶手直线度(mm) 4 全/ 10 共10处,检查10处,全部合格100% 扶手高度(mm) 3 全/ 10 共10处,检查10处,全部合格100%施工单位检查结果符合要求专业工长:项目专业质量检查员:年月日监理单位验收结论合格专业监理工程师:年月日。
护栏和扶手制作与安装工程检验批质量验收记录编号:
填表说明:
1、检验批容量填写:一个检验批内应填写间(处)总数量。
同类制品每50 间(处)应划分为一个检验批,不足50间(处)也应划分为一个检验批;每部楼梯应划分为一个检验批。
2、最小/实际检查数量栏中,实际检查数量:橱柜、窗帘盒、窗台板、门窗套和室内花饰每个检验批应至少抽查3 间(处),不足3 间(处)时应全数检查;护栏、扶手和室外花饰每个检验批应全数检查。
3、表头中“施工依据”栏目应依照实际的施工操作依据填写,如施工企业的操作规程、工法、施工工艺标准等。
护栏和扶手制作与安装工程检验批质量验收记录
(GB50210-2001)表12.5
031004□□□说明
主控项目
12.5.3 护栏和扶手制作与安装所使用材料的材质、规格、数量和木材、塑料的
燃烧性能等级应符合设计要求。
检验方法:观察;检查产品合格证书、进场验收记录和性能检测报告。
12.5.4 护栏和扶手的造型、尺寸及安装位置应符合设计要求。
检验方法:观察;尺量检查;检查进场验收记录。
12.5.5 护栏和扶手安装预埋件的数量、规格、位置以及护栏与预埋件的连接节点应符合设计要求。
检验方法:检查隐蔽工程验收记录和施工记录。
12.5.6 护栏高度、栏杆间距、安装位置必须符合设计要求。
护栏安装必须牢固。
检验方法:观察;尺量检查;手扳检查。
12.5.7 护栏玻璃应使用公称厚度不小于12mm的钢化玻璃或钢化夹层玻璃。
当护栏一侧距楼地面高度为
5m及以上时,应使用钢化夹层玻璃。
检验方法:观察;尺量检查;检查产品合格证书和进场验收记录。
一般项目
12.5.8 护栏和扶手转角弧度应符合设计要求,接缝应严密,表面应光滑,色泽应一致,不得有翘裂、翘
曲及损坏。
检验方法:观察;手摸检查。
12.5.9 护栏和扶手安装的允许偏差和检验方法应符合表12.5.9的规定。
表12.5.9 护栏和扶手安装的允许偏差和检验方法
注:本表由施工项目专业质量检查员填写,专业监理工程师(建设单位项目专业技术负责人)组织项目
专业质量(技术)负责人等进行验收。
护栏和扶手制作与安装检验批质量验收记录一、项目概况项目名称:***项目地点:***工程范围:护栏和扶手制作与安装验收日期:***施工单位:***监理单位:***验收单位:***二、验收内容1.设计文件的审查2.材料验收3.施工工艺检查4.结构验收5.安装验收三、验收过程及结果1.设计文件的审查验收人员对护栏和扶手的设计文件进行了仔细的审查,包括设计图纸、技术规范、材料清单等。
经过审查,设计文件符合相关规定和要求。
2.材料验收施工单位按照设计文件要求采购了护栏和扶手所需的材料,并按照验收标准进行了材料验收。
验收人员对材料的质量、规格、数量进行了检查,并与设计文件要求进行了比对。
材料验收结果符合要求。
3.施工工艺检查验收人员对施工单位的护栏和扶手制作工艺进行了检查。
主要检查了材料的切割、焊接、磨削、打磨等工艺流程,确保工艺符合设计文件的要求,并达到了相关标准。
4.结构验收验收人员对护栏和扶手的结构进行了验收。
主要检查了结构的稳定性、承载能力、连接点的牢固性等。
经过验收,护栏和扶手的结构均符合设计文件的要求,并能够正常使用。
5.安装验收验收人员对护栏和扶手的安装进行了验收。
主要检查了安装的位置准确性、固定方式的可靠性、安装平整度等。
经过验收,护栏和扶手的安装符合设计文件的要求,并能够正常使用。
四、质量问题及处理1.在材料验收过程中发现材料质量不合格的情况,施工单位将材料进行更换,并进行了重新验收。
2.在施工工艺检查过程中发现工艺不符合要求的情况,施工单位对工艺进行了调整,并进行了重新施工。
3.在结构验收和安装验收过程中未发现质量问题。
五、结论根据以上的检验情况,经过护栏和扶手制作与安装的质量验收,护栏和扶手的制作和安装工作符合设计要求和相关标准,质量有效控制。
六、存在的问题及建议1.在施工过程中,施工单位需要加强对材料的质量管控,确保材料的质量符合要求。
2.在施工工艺过程中,施工单位需要加强对工艺流程的控制,确保工艺符合设计要求并达到相关标准。
A7
工程报验单
工程名称:寨后村村民服务中心编号:细部-01#
附件:1、各分部、分项的工程验收,应由质检员提前24小时(特殊情况不得少于12小时)签发本通知单,报送专业监理工程师。
2、地基与基础工程、主体结构中间验收应由质检员提前二天签发本通知单,报送监理工程师。
3、本表由施工单位填写一式三份,审核后建设、监理、施工单位各留一份。
*问题少时可直接在“审查、验收意见”中列出,多时写“详见监理通知”。
隐蔽工程验收记录
质控(建)表4.1.5.3共1页第1页
护栏和扶手制作与安装工程检验批质量验收记录
031004□□
A7
工程报验单
工程名称:寨后村村民服务中心编号:细部-02#
附件:1、各分部、分项的工程验收,应由质检员提前24小时(特殊情况不得少于12小时)签发本通知单,报送专业监理工程师。
2、地基与基础工程、主体结构中间验收应由质检员提前二天签发本通知单,报送监理工程师。
3、本表由施工单位填写一式三份,审核后建设、监理、施工单位各留一份。
*问题少时可直接在“审查、验收意见”中列出,多时写“详见监理通知”。
隐蔽工程验收记录
质控(建)表4.1.5.3共1页第1页
护栏和扶手制作与安装工程检验批质量验收记录
031004□□。
护栏和扶手制作与安装检验批质量验收记录分析一、检验批质量验收记录分析目标检验批质量验收记录的分析目标是查找和分析护栏和扶手制作与安装中存在的质量问题,找出问题的根源,及时采取措施进行整改和改进。
二、检验批质量验收记录分析内容1.规格要求的满足度根据设计图纸和规格要求,对比实际的制作与安装情况,分析护栏和扶手的尺寸、材质、颜色、表面处理等是否符合规格要求,如果存在偏差,分析原因,推测可能影响到后期使用效果和耐久性的因素。
2.制作工艺的合格性检查护栏和扶手的制作工艺是否合格,包括焊接接头的质量、处理工艺的规范性等。
分析焊缝的强度是否满足要求,接缝的牢固性是否符合设计要求,如存在问题,分析原因,推断可能影响工程质量的因素。
3.安装质量的评估对护栏和扶手的安装质量进行评估,包括安装位置的准确性、固定方式的合理性、连接件的牢固度等。
分析安装过程中可能存在的问题,如偏斜、晃动等,及时采取措施整改。
4.表面处理的质量评估评估护栏和扶手的表面处理质量,包括喷涂涂层的均匀性、涂层的附着力和耐久性等。
分析表面处理过程中出现的问题,如气泡、流挂等,找出原因,采取改进措施。
5.安全性能的检验根据规范要求,对护栏和扶手进行安全性能的检验,包括抗冲击性、承载能力和抗腐蚀性等。
分析检验结果,找出可能存在的安全风险,采取措施进行改进。
三、检验批质量验收记录分析方法1.数量统计分析法通过对检验批的数量进行统计,分析存在问题的批次占总批次比例,了解问题的分布情况和严重程度,以便合理调整和改进工艺和工程质量控制措施。
2.问题分类分析法将不同的问题进行分类,如尺寸问题、工艺问题、安装问题、表面处理问题等,分析各类问题的发生原因和频次,找出重点改进的方向。
3.问题根源分析法通过对多次检验批质量验收记录的分析,找出问题产生的根源,如工艺不合理、材料质量问题、操作技能不熟练等。
通过对根源的分析,制定相应的工程管理和技术改进措施,以降低问题的发生率。
护栏和扶手制作与安装工程检验批1. 引言本文档是关于护栏和扶手制作与安装工程的检验批,旨在对相关工程进行质量检查和验收,确保工程质量符合规范和要求。
本文档将包括护栏和扶手制作过程中的准备工作、工程要点、验收标准等内容。
2. 工程准备工作在进行护栏和扶手制作与安装工程之前,需要做好以下准备工作:•确定施工图纸和设计要求•验证材料和工艺的合格性•配置必要的工具和设备•确定施工人员和工期安排3. 工程要点3.1 护栏制作要点•确保材料的质量符合设计要求,例如使用合格的钢材和防腐涂料•按照设计要求,裁剪和焊接护栏的主体框架和连接件•进行必要的防腐处理,例如对焊接接头进行除锈和防腐处理•进行护栏的表面处理,例如喷涂防腐涂料或进行镀锌处理•安装护栏之前进行必要的检查,确保护栏符合设计要求,并进行调整和修复3.2 扶手制作要点•确保选用合适的材料,例如使用防滑度高且耐腐蚀的材质•依据设计要求,制作扶手的主体部分和连接件•进行必要的表面处理,例如喷涂防腐涂料或进行镀锌处理•安装扶手之前进行必要的检查,确保扶手符合设计要求,并进行调整和修复4. 工程质量检查4.1 护栏制作质量检查在护栏制作过程中,需要进行以下质量检查:•检查护栏的材料是否符合规定要求,例如钢材的规格和质量是否符合设计要求,防腐涂料的种类和厚度是否符合要求•检查焊接接头的质量,包括焊缝的均匀度、焊接强度、无裂纹和疏松等问题•检查护栏的安装固定方式,确保固定牢固可靠•进行护栏的外观检查,包括表面处理的均匀性、防腐涂料的质量等问题4.2 扶手制作质量检查在扶手制作过程中,需要进行以下质量检查:•检查扶手的材料是否符合规定要求,例如耐腐蚀性能和防滑性能是否达标•检查连接件的质量,确保连接牢固可靠•检查扶手的表面处理,包括喷涂涂料的均匀性、涂层的质量等问题•检查扶手的安装是否符合设计要求,包括高度、角度和固定牢固程度等问题5. 工程验收标准完成护栏和扶手制作与安装工程后,需要进行工程验收。
地下室、一层窗护拦1
23456789101第12.5.3条2第12.5.4条3第12.5.5条4第12.5.6条5第12.5.7条
123456789101第12.5.8条
3mm
22003222123mm
23122120304mm
04421101003mm 01233132201.1.9装饰-28
护栏和扶手制作与安装工程检验批质量验收记录
工程名称
施工单位
施工执行标准名称
及编号
分包单位
主控项目一般项目建筑装饰装修工程施工质量验收规范GB50210-2001—规范规定
规范规定
分包项目 经 理施工单位检查评定记录2
施工单位检查
评定结果监理(建设)单位 验收结论扶手直线度扶手高度主控项目:全部合格,一般项目:满足规范要求
项目专业质量检查员:同意验收
监理工程师 (建设单位项目技术负责人):
员等进行验收。
材料的材质、规格、数量和木材、塑料的燃烧性能
造型、尺寸及安装位置预埋件的数量、规格、位置及连接节点护栏高度、栏杆间距、安装位置与牢固
护栏玻璃材质、品种转角弧度、接缝及表面护栏和扶手安装允
许
偏护栏垂直度栏杆间距施工单位检查评定记录2006年11月2日
2006年11月2日√√
√
√监理(建设)单位验收记录√√验收部位项目经理专业工长√—施工班组长。