护栏和扶手制作与安装
- 格式:doc
- 大小:37.02 KB
- 文档页数:7
护栏、扶手制作安装工程本章适用于护栏和扶手的制作安装工程。
一、材料要求:1.不锈钢扶手、栏杆的壁厚的规格、尺寸、形状应符合设计要求,一般壁厚不小于1.5mm,以钢管为立杆时壁厚不小于2mm。
2 .玻璃栏板的厚度应符合设计要求,并不小于12㎜的钢化玻璃或夹胶玻璃,钢化玻璃应有进场复试报告。
3.一般用硬杂木加工半成品,其树种、规格、尺寸、形状按设计要求。
木料材质均应纹理顺直、颜色一致,不得有腐朽、节疤、裂缝、扭曲等缺陷,含水率不大于12%,弯头一般使用扶手料以45°角断面相接,断面特殊的木扶手按设计要求备弯头料。
4.一般用聚醋酸乙烯(乳胶)等化学粘接剂,胶粘剂中有害物质限量应符合国家规范要求。
二、主要机具:主要机具包括:电焊机、氩弧焊机、焊条、焊丝、抛光机、抛光片、抛光蜡、电锤、切割机、云石机、手提电钻、刨子、中小木锯、锤子、螺丝刀、方尺等。
三、作业条件:1.施工前,墙面、楼梯抹灰完毕。
2.金属栏杆和靠墙扶手固定支撑件安装完毕。
四、操作工艺:(一)工艺流程:(二)操作工艺:1.定位、放线:按照设计要求,将固定件间距、位置、标高、坡度进行找位校正,弹出栏杆纵向中心线和分格的位置线。
2.安装固定件:按所弹固定件的位置线,打孔安装,每个固定件不得少于2个ф10的膨胀螺栓固定,焊接立杆,铁件的大小、规格尺寸应符合设计要求。
检验合格后,焊接立杆。
3.焊接立杆:焊接立杆与固定件时,应放出上、下两条立杆位置线,每根主立杆应先点焊定位检查垂直没有问题后,再分断满焊,焊接焊缝符合设计要求及施工规范规定。
焊接后应清除焊药、并进行防锈处理。
4.安装石材盖板:地面为石材地面时,栏杆处安装有整块石材时,立杆焊接后,按照立杆的位置,将石材开洞套装在立杆上。
开洞大小应保证栏杆的法兰盘能盖严。
安装盖板时宜使用水泥砂浆。
固定石材,可加强立杆栏杆的稳定性。
5.焊接扶手或安装木扶手固定用的扁钢:采用不锈钢管扶手时,焊接宜使用氩弧焊机焊接,焊接时应先点焊,检查位置间距、垂直度、直线度是否符合质量要求,再进行两侧同时满焊。
1)现场复测窗洞口:根据甲方下发的《***住宅项目飘窗、落地窗栏杆设计方案》和《楼梯附墙方案》要求的位置进行大面积测量现场已经成活的窗洞口宽度相关尺寸,按照这个实际测量的尺寸,确定栏杆的现场实际下料高度和水平向横杆的长度,为编制料单打下数据基础。
按照设计栏杆样式放样、编制料单,确定相应位置的栏杆制作数量和尺寸。
2)现场下料加工制作栏杆:根据下料单,在现场先制作一层的栏杆,在2#楼7层安装好作出样板,经项目部质检员验收合格之后报监理单位、建设单位现场代表进行样板评审。
经过评审之后,开始按照样板和料单进行现场下料加工制作。
由于栏杆原材料采用不锈钢管制作,因此在栏杆边框和中甲格栅拼接时,须对不锈钢管接头进行凹槽打磨处理,以增大焊接接触面积。
焊接不锈钢时,要求采用氩弧焊工艺施工,焊丝采用We600合金钢焊丝。
为防止焊缝变形,焊接时应先点焊,后满焊,焊缝应保证均匀一致,美观整齐。
栏杆焊接的焊缝在转角飘窗处同一个节点连接超过三根管时,需要在此处采用焊接节点球做法工艺操作,以满足栏杆转角处牢固可靠。
扶手焊接后的角度与楼梯的角度应一致,栏杆的弯头应待扶手焊接完毕后,根据实际尺寸另行加工,弯头焊接后应保证角度平滑,缝隙均匀。
不锈钢栏杆焊接完毕后,应及时进行焊缝的打磨、抛光,打磨后焊缝的光亮度应与其它地方一致,扶手接头处打磨后应无明显痕迹。
加工制作完成的半成品栏杆,应特别注意成品保护,采用随加工随上楼的办法,及时将加工好的栏杆通过施工电梯运送到相应的安装位置,临时存放。
3)安装不锈钢栏杆:不锈钢栏杆安装时,应先弹出定位控制线,按照控制线在墙面或地面或窗台上打孔,用膨胀螺栓安装固定件。
固定件安装完成之后,将提前加工好的不锈钢栏杆安装就位,先根据水平标高和左右位置确定栏杆位置,进行点焊临时固定,然后测量栏杆实际有效高度和水平度、垂直度,不满足要求的,进行局部调整。
调整完成之后,进行氩弧焊加焊栏杆和固定件之间的连接部位。
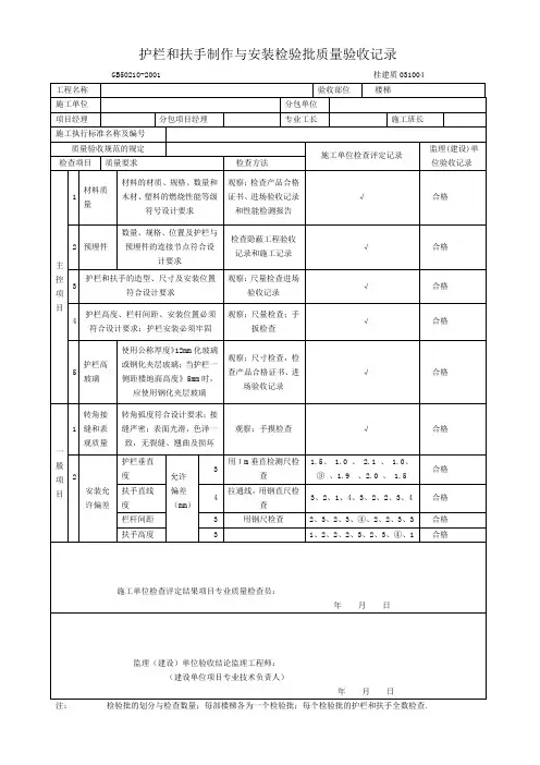
12.5 护栏和扶手制作与安装工程
12.5.1本节适用于护栏和扶手制作与安装工程的质量验收。
12.5.2检查数量应符合下列规定:
每个检验批的护栏和扶手应全部检查。
说明:12.5.2 护栏和扶手安全性十分重要,故每个检验批的护栏和扶手全部检查。
主控项目
12.5.3护栏和扶手制作与安装所使用材料的材质、规格、数量和木材、塑料的燃烧性能等级应符合设计要求。
检验方法:观察;检查产品合格证书、进场验收记录和性能检测报告。
12.5.4护栏和扶手的造型、尺寸及安装位置应符合设计要求。
检验方法:观察;尺量检查;检查进场验收记录。
12.5.5护栏和扶手安装预埋件的数量、规格、位置以及护栏与预埋件的连接节点应符合设计要求。
检验方法:检查隐蔽工程验收记录和施工记录。
12.5.6护栏高度、栏杆间距、安装位置必须符合设计要求。
护栏安装必须牢
固。
检验方法:观察;尺量检查;手扳检查。
12.5.7护栏玻璃应使用公称厚度不小于12mm的钢化玻璃或钢化夹层玻璃。
当护栏一侧距楼地面高度为5m及以上时,应使用钢化夹层玻璃。
检验方法:观察;尺量检查;检查产品合格证书和进场验收记录。
一般项目
12.5.8护栏和扶手转角弧度应符合设计要求,接缝应严密,表面应光滑,色泽应一致,不得有裂缝、翘曲及损坏。
检验方法:观察;手摸检查。
12.5.9护栏和扶手安装的允许偏差和检验方法应符合表12.5.9的规定。
表12.5.9 护栏和扶手安装的允许偏差和检验方法。
护栏和扶手制作与安装工程护栏和扶手是保证上下楼梯以及开敞空间平台处的安全而设置的,栏杆和扶手组合后需要有一定的强度。
楼梯栏杆和扶手有3 种类型:空花楼梯栏杆扶手、靠墙木扶手及有栏板楼梯扶手。
一、护栏和扶手施工准备1)材料要求(1)木扶手木扶手一般采用硬杂木加工的半成品,其材质、规格、尺寸、形状符合设计要求。
木材应纹理顺直,颜色一致。
不得有腐朽、节疤、黑斑、黑点、扭曲、裂纹等缺陷。
含水率不得大于当地平衡含水率(一般为8% ~12%),弯头料一般使用扶手料以45°斜面相接。
断面特殊的木扶手按设计要求备好弯头料。
(2)塑料扶手塑料扶手断面形式、规格、尺寸及色彩应符合设计要求。
(3)金属扶手金属扶手一般选用不锈钢管,其规格、型号、面层质感、亮度应符合设计要求。
(4)金属栏杆金属栏杆一般采用不锈钢管、钢管或铁艺,不锈钢管、钢管的品种、规格、型号、面层颜色、亮度及质感符合设计要求。
铁艺栏杆的规格、型号、颜色、花饰图案、造型形状、颜色应符合设计要求。
(5)其他材料焊条、焊丝应有合格证。
胶黏剂应有出厂合格证,并符合现行国家标准《室内装饰装修材料胶粘剂中有害物质限量》(GB 18583—2008)的规定。
螺钉、帽钉的规格、型号按扶手的规格尺寸确定,颜色按扶手的颜色确定。
玻璃在栏板构造中既是装饰构件又是受力构件,需具有防护功能及承受推、靠、挤等外力作用,故应采用安全玻璃,目前多使用钢化玻璃。
单层钢化玻璃一般选用12 mm 厚的品种,因为钢化玻璃不能在施工现场进行裁割,所以应根据设计尺寸到厂家订制,须注意玻璃的排块合理,尺寸精准。
楼梯玻璃栏板其单块尺寸一般采用1.5 m 宽;楼梯水平部位及跑马廊所用玻璃单块宽度,一般为2 m 左右。
图8.8 为扶手构造。
图8.8 在墙体或柱上安装扶手(单位:mm)2)主要机具①机械:电焊机、氩弧焊机、电锯、电刨、抛光机、切割机、无齿锯、手枪钻、冲击电锤、角磨机等。
②工具:手锯、手刨、斧子、手锤、钢锤、木锉、螺丝刀、方尺、割角尺等。
护栏和扶手制作与安装施工方案一、施工准备1.熟悉施工图纸,作好施工准备。
2.扶手材料:扶手连接楼梯安全性能的稳固构件,其材质影响到使用功能和栏板的整体装饰效果。
因此扶手的造型与材质需要与室内其他装饰一并设计。
本工程使用的扶手材料主要是不锈钢圆管、弯头,规格φ19、φ32、φ51、φ63mm不锈钢圆管、φ63mm 弯头。
3.金属栏杆或靠墙扶手的固定埋件安装完毕。
二、施工工艺(一)工艺流程:找位与划线→钻孔镶张拴→下料研口、焊接弯头及附件→固定焊接→整修(二)操作工艺1.定位根据设计图纸规定的位置、标高、坡度找位校正后,划出定位点,绘出扶手纵向中心线。
在楼梯栏板和栏杆顶面,划出扶手直线段与弯头、折弯段的起点和终点的位置。
2.钻孔镶张拴根据绘制的中心线钻孔、大理石面应先用理石专用钻孔器钻孔然后用电锤钻孔至100mm以上,涨拴应固定在建筑楼梯混凝土主体上,以保证扶手固定有足够的强度。
2.下料、硏口及弯头焊接配制依据现场划线核对后的尺寸下料,管道下料后应在安装前进行硏口操作,根据图纸要求调整硏口管道直接后进行硏口,硏口后管道间配合间隙应保证小于1mm以便于后续焊接。
3.连接预装切割完成的圆管扶手及弯头须经预拼装,预装不锈钢圆管扶手由上往下进行,先拼装起步弯头及连接第一跑扶手的折弯弯头,再配上下折弯之间的直线扶手料,进行分段预拼,临时固定。
4.扶手两端的固定不锈钢圆管扶手经预拼装完成,检查无问题时,再进行焊接、固定。
6.立杆的连接焊接固定法安装不锈钢圆管立杆采用焊接固定法连接。
根据设计构造,采用临时固挂的方法后,按设计要求先找正位置,焊接点应受力均匀,焊接质量应满足设计及有关规范的要求。
7.整修扶手折弯处及管道连接处应经过磨光机锉平、顺磨光、上蜡、抛光工序,使其弯角处圆滑,坡角合适,弯曲自然、断面一致、平滑。
三、质量要求1.护栏和扶手制作与安装所使用材料的材质、规格、数量应符合设计要求。
2.护栏和扶手的造型、尺寸及安装位置应符合设计要求。
12.5 护栏和扶手制作和安装工程
12.5.1本节适适用于护栏和扶手制作和安装工程质量验收。
12.5.2检验数量应符合下列要求:
每个检验批护栏和扶手应全部检验。
说明:12.5.2 护栏和扶手安全性十分关键,故每个检验批护栏和扶手全部检验。
主控项目
12.5.3护栏和扶手制作和安装所使用材料材质、规格、数量和木材、塑料燃烧性能等级应符合设计要求。
检验方法:观察;检验产品合格证书、进场验收统计和性能检测汇报。
12.5.4护栏和扶手造型、尺寸及安装位置应符合设计要求。
检验方法:观察;尺量检验;检验进场验收统计。
12.5.5护栏和扶手安装预埋件数量、规格、位置和护栏和预埋件连接节点应符合设计要求。
检验方法:检验隐蔽工程验收统计和施工统计。
12.5.6护栏高度、栏杆间距、安装位置必需符合设计要求。
护栏安装必需牢
靠。
检验方法:观察;尺量检验;手扳检验。
12.5.7护栏玻璃应使用公称厚度大于12mm钢化玻璃或钢化夹层玻璃。
当护栏一侧距楼地面高度为5m及以上时,应使用钢化夹层玻璃。
检验方法:观察;尺量检验;检验产品合格证书和进场验收统计。
通常项目
12.5.8护栏和扶手转角弧度应符合设计要求,接缝应严密,表面应光滑,色泽应一致,不得有裂缝、翘曲及损坏。
检验方法:观察;手摸检验。
12.5.9护栏和扶手安装许可偏差和检验方法应符合表12.5.9要求。
表12.5.9 护栏和扶手安装许可偏差和检验方法。
技术交底记录编号工程名称宁河产业园区还迁房项目分项工程名称装饰工程施工单位江苏南通二建集团有限公司交底日期2015-07-10 交底提要不锈钢护栏、扶手制作安装质量、安全技术交底交底内容:一、施工准备:1、人员准备:满足施工进度要求;2、材料准备:2.1、本工程9~12#楼、13#、14#、23#、24#楼楼梯靠墙扶手材料为不锈钢圆管,规格为∅60*2mm2.2、其他楼号楼梯扶手材料有以下规格:扶手顶部不锈钢圆管规格为∅60*2mm;主立管为50*1mm、小横杆为∅38x0.8、小立杆为∅22x0.6、2.3、阳台窗护栏材料为不锈钢圆管,护栏上部横杆规格为50*1mm,下部横杆规格为30*0.8mm、立杆为22*0.6mm;2.4、楼梯休息平台窗护栏材料为不锈钢圆管,护栏上下部位横杆规格为30*0.8mm、立杆为22*0.6mm;2.5、其他材料:弯头、装饰帽、预埋钢板、膨胀螺栓等。
2.6.材料进场应有产品合格证、厂家质量检验报告、性能检测报告,并及时进行进场报验。
3、主要机具:3.1.氩弧焊机、抛光机。
切割机、手提电钻、铁锤、直尺、角尺及配套用具等。
二、作业条件:1、需要安装栏杆的门窗安装完成,窗台抹面完成、内墙腻子完成,楼梯抹手安装前踏步抹灰必须完成。
三、施工工艺1、基层处理→弹线→放样→下料→半成品加工→焊接安装→打磨→焊缝检查→抛光→验收。
2、先做样板层,经建设单位,监理单位、项目质检人员验收合格后,方可组织大面积加工安装;3、施工要点:3.1.配料:根据设计要求,进行护栏与扶手的备料和配料。
3.2.基层处理:(1)预埋件埋设标高、位置、数量应符合设计及规范要求,并经防腐防锈处理。
埋件不符合要求时,应及时采取有效措施,增补埋件;(2)安装楼梯扶手、护窗栏杆的部位,安装标高应符合设计要求;4、弹线:根据楼梯扶手构造,弹出标高控制斜线。
5、半成品加工:5.1.栏杆各部位尺寸,按设计要求及现场实际情况,就地放样制作;5.2.楼梯扶手、护窗栏杆弯头部位应用专用角度弯头;弯头制作前应作样板。
不锈钢护栏和扶手制作与安装施工方案一、材料选择1.不锈钢型号:一般使用304不锈钢材料,具有良好的抗腐蚀性能和耐候性能。
2. 材料厚度:根据实际使用需求选择合适的厚度,一般在1.2-2.0mm之间。
3.表面处理:护栏和扶手可选择不同的表面处理方式,如拉丝、抛光、喷涂等。
二、设计1.结构设计:根据不同场所需求,设计合理的护栏和扶手结构,保证其稳定性和抗风性能。
2.标高设计:根据使用者的身高以及实际需求确定护栏和扶手的高度,一般护栏高度不低于1.1m,扶手高度不低于0.9m。
3.颜色设计:可以根据建筑风格和环境要求选择合适的颜色进行配色,使其与周围环境协调统一三、制作工艺1.材料切割:根据设计要求将不锈钢材料进行切割,得到所需的护栏和扶手的基本形状。
2.打孔/冲压:根据设计要求,在不锈钢材料上进行打孔或冲压,用于连接和安装。
3.弯曲成形:根据设计要求,将不锈钢材料进行弯曲成形,使其符合护栏和扶手的需求。
4.焊接/连接:对不锈钢材料进行焊接或连接,确保护栏和扶手的稳定性。
5.整理加工:对制作好的护栏和扶手进行整理加工,如修剪边缘、去除锈蚀等。
四、安装施工1.安装位置测量:根据设计要求,测量安装位置的尺寸,确定护栏和扶手的安装点。
2.固定支架:根据测量结果,在安装位置预留固定点,安装支架用于固定护栏和扶手。
3.安装护栏和扶手:根据固定点,将制作好的护栏和扶手进行安装,使用螺栓或焊接等方式固定。
4.整体调整:安装完成后,进行整体的调整和检查,确保护栏和扶手的平整度和稳定性。
5.补充处理:对于安装后可能出现的焊接点、连接点等进行补充处理,使其看起来整体美观。
五、维护保养1.定期清洁:使用柔软的布擦拭护栏和扶手的表面,定期清除积尘和污渍,保持整体外观的清洁和亮丽。
2.检查螺栓:定期检查护栏和扶手的螺栓是否松动,如有松动及时加紧固定。
3.预防锈蚀:对于因镀锌层损伤或受潮产生的锈蚀,及时进行修复处理,防止进一步腐蚀。
楼梯栏杆扶手、护栏制作、安装合同甲方:乙方:甲、乙双方依照《中华人民共和国合同法》、《中华人民共和国建筑法》及相关法律法规,在平等自觉、充分协商一致的基础上,甲、乙双方就项目楼梯栏杆扶手、护栏制作、安装等事宜,签订本合同,双方必定严格遵守。
一、工程名称、地点及安装:1、工程名称:2、工程地点:3、加工规格、安装要求:必定严格按设计图纸和相关规范要求。
4、规格、价格表:序号单项工程名称综合单价(元/ m)备注123456备注:1 )、本合同综合单价包括原资料的采买、加工制作、运输、现场安装、资料二次搬运,不含税金。
结算时按本质达成量(延长米)计算。
2)、本合同综合单价一次性包死,不得调整。
5、规格、安装要求 :资料要求 :按甲方及图纸要求制作要求:现场制作要有适用于加工型材的设备、机具,并满足精度要求;所用的量具要能达到测量相适应的精度,在计量认证的有效期内使用。
生产厂间应配合发包人、监理机构、总包方质检人员的如期、不如期检查。
所有构件在加工制作前,应比较建筑、结构施工图及现场实物进行核对,并对现有洞口进行精心测量,调整偏差,因承包人工作粗心或失误引起的结果由承包人肩负。
所有进场的资料必定有合格证。
加工时应采用有效的成品/ 半成品保护措施。
不得使用未经认可的资料。
6、开、竣工日期:动工时间:年月日竣工时间:年月日二、暂定价款本合同暂定总价万元,结算时按本质施工数量计算。
三、合同双方当事人的责任和权益(一)甲方责任和权益1、甲方应按合同约准时间向乙方支付制作、安装费。
2、甲方对乙方推行督查和管理。
3、甲方负责协调乙方与其他第三方的工作。
4、甲方有权抽查乙方的加工和安装情况。
5、甲方负责对乙方进场资料进行查收, 对查收不合格的产品有权除去场外。
6、甲方应付乙方的安装工作供应必要的技术支持。
7、甲方对乙方的加工、安装和现场施工管理等出现的问题,有权制止、要求整改、返工、停工等。
8、甲方方负责安装上墙后的成品保护,如有变形、玷污、损坏等由甲方负责。
护栏和扶手制作与安装工程施工工艺标准一、施工工艺(一)工艺流程配料→弹线→安装护栏→半成品加工、拼接组合→安装(二)操作工艺1、配料根据设计文件要求,进行护栏与扶手的备料和配料。
2、弹线根据栏杆与扶手构造,弹出其水平和垂直方向位置线并校正。
3、安装护栏根据设计要求确定护栏高度、栏杆间距、安装位置和连接方法,正确与预埋件焊接。
焊接时,保护踏步、饰面不被焊渣烧坏、崩裂。
护栏安装必须牢固,焊完后应刷防腐涂料或打磨抛光。
采用金属膨胀螺栓连接,基层混凝土不得有疏松现象。
4、半成品加工、拼接组合1)楼梯扶手的各部位尺寸,按设计要求以及现场实际情况,就地放样制作。
2)当楼梯上下跑栏杆(板)间距小于200ram时,扶手弯头应用整料制作;当大于200mm时,可分两块制作。
高级装饰,楼梯应做整体弯头。
3)弯头制作前应做样板,按样板弹线或用毛料直接在栏杆上划线,锯出雏形毛料,毛料尺寸一般较实际尺寸大l0mm。
一般弯头伸出的长度为半踏步,起步弯头按设计要求制做。
4)木扶手具体形式和尺寸应符合设计要求。
扶手底部开槽深度一般为3~4mm,宽度依所用扁钢的尺寸,但不得超过40mm。
在扁钢上每隔300mm钻扶手安装孔。
5、安装1)木扶手安装a.安装木扶手应由下向上进行。
首先按照栏杆斜度配好起步弯头,再接扶手,其高低应符合设计要求。
扶手与弯头的接头应做暗榫或用铁件锚固,并用胶粘结。
木扶手的宽度或厚度超过70mm时,其接头必须用暗榫,并用木工乳胶粘结。
木扶手与金属栏杆连接一般用32mm长木螺钉固定,间距不得大于300ram。
当木扶手高度大于150mm时,应用螺栓或铁件与栏杆固定。
铁件及螺帽不得外露。
接头使用胶粘时,气温不得低于0℃。
b.扶手末端与墙、柱连接方法常见有两种:一种是将扶手底部通长扁钢与墙柱内的预埋件焊接:另一种方法是将通长扁钢的端部做成燕尾型,伸入墙柱的预留孔内,用C20混凝土填实。
c.扶手安装完毕,刷一遍干性油。
2)安全玻璃护栏安装a.安全玻璃与其他材料相交部位不应贴紧。
目录一、工程概略⋯⋯⋯⋯⋯⋯⋯⋯⋯⋯⋯⋯⋯⋯⋯.⋯⋯ .⋯⋯⋯⋯⋯ .1二、施工准⋯⋯⋯⋯⋯⋯⋯⋯⋯⋯⋯⋯⋯⋯⋯⋯⋯...⋯⋯⋯⋯⋯ 11、资料及主要机具⋯⋯⋯⋯⋯⋯⋯⋯⋯⋯⋯⋯⋯⋯⋯.⋯⋯⋯⋯⋯ 22、作条件⋯⋯⋯⋯⋯⋯⋯⋯⋯⋯⋯⋯⋯⋯⋯⋯..⋯⋯⋯ ..⋯⋯⋯ 3三、操作工⋯⋯⋯⋯⋯⋯⋯⋯⋯⋯⋯⋯⋯⋯⋯..⋯⋯ .⋯⋯⋯⋯⋯ 31、杆工流程⋯⋯⋯⋯⋯⋯⋯⋯⋯⋯⋯⋯⋯⋯⋯..⋯⋯⋯⋯⋯⋯ 32、杆主要施工方法⋯⋯⋯⋯⋯⋯⋯⋯⋯⋯⋯⋯⋯⋯⋯⋯⋯⋯⋯⋯33、楼梯木扶手工流程⋯⋯⋯⋯⋯⋯⋯⋯⋯⋯⋯⋯⋯⋯⋯⋯⋯⋯⋯44、楼梯木扶手主要施工方法⋯⋯⋯⋯⋯⋯⋯⋯⋯⋯⋯⋯⋯⋯⋯⋯⋯4四、量准⋯⋯⋯⋯⋯⋯⋯⋯⋯⋯⋯⋯⋯⋯⋯⋯⋯⋯⋯⋯.⋯⋯⋯ 6五、注意的量⋯⋯⋯⋯⋯⋯⋯⋯⋯⋯⋯⋯⋯⋯⋯.⋯⋯⋯⋯6(一)、杆⋯⋯⋯⋯⋯⋯⋯⋯⋯⋯⋯⋯⋯⋯⋯⋯⋯⋯⋯⋯..⋯⋯⋯ 6(二)、楼梯木扶手⋯⋯⋯⋯⋯⋯⋯⋯⋯⋯⋯⋯⋯⋯⋯..⋯⋯⋯⋯⋯ 7六、安全要求⋯⋯⋯⋯⋯⋯⋯⋯⋯⋯⋯⋯⋯⋯⋯⋯⋯⋯⋯⋯⋯⋯⋯9楼梯栏杆及扶手施工方案一、工程概略:本工程为准旗薛家湾第十三少儿园教课楼内装饰栏杆及楼梯扶手制作安装工程。
二、施工准备:1、资料及主要机具:(1)、钢管:按设计要求,准备好各样规格的方管,全部资料一定有质量证明书。
(2)、不锈钢焊条或焊丝:其型号按设计要求采纳,一定有质量证明书。
(3)、木制扶手一般用硬杂木加工成规格成品,其树种、规格、尺寸、形状按设计要求。
木材质量均应纹理顺直、颜色一致,不得有腐败、节疤、裂痕、歪曲等缺点;含水率不得大于 12%。
弯头料一般采纳扶手料,以45°角断面相接,断面特别的木扶手按设计要求备弯头料。
(4)、其余资料:木螺丝、木砂纸、加工配件。
(5)、主要机具:氩孤电焊机、切割砂轮机、冲击电钻、角磨机、不锈钢丝细毛刷、小猛锤等。
(6)手动工具:木锯、窄条锯;二刨、小刨、小铁刨;斧子、羊角锤、扁铲、钢挫、木挫、螺丝刀、方尺、割角尺、卡子等。
护栏和扶手制作与安装工程检验批1. 引言本文档是关于护栏和扶手制作与安装工程的检验批,旨在对相关工程进行质量检查和验收,确保工程质量符合规范和要求。
本文档将包括护栏和扶手制作过程中的准备工作、工程要点、验收标准等内容。
2. 工程准备工作在进行护栏和扶手制作与安装工程之前,需要做好以下准备工作:•确定施工图纸和设计要求•验证材料和工艺的合格性•配置必要的工具和设备•确定施工人员和工期安排3. 工程要点3.1 护栏制作要点•确保材料的质量符合设计要求,例如使用合格的钢材和防腐涂料•按照设计要求,裁剪和焊接护栏的主体框架和连接件•进行必要的防腐处理,例如对焊接接头进行除锈和防腐处理•进行护栏的表面处理,例如喷涂防腐涂料或进行镀锌处理•安装护栏之前进行必要的检查,确保护栏符合设计要求,并进行调整和修复3.2 扶手制作要点•确保选用合适的材料,例如使用防滑度高且耐腐蚀的材质•依据设计要求,制作扶手的主体部分和连接件•进行必要的表面处理,例如喷涂防腐涂料或进行镀锌处理•安装扶手之前进行必要的检查,确保扶手符合设计要求,并进行调整和修复4. 工程质量检查4.1 护栏制作质量检查在护栏制作过程中,需要进行以下质量检查:•检查护栏的材料是否符合规定要求,例如钢材的规格和质量是否符合设计要求,防腐涂料的种类和厚度是否符合要求•检查焊接接头的质量,包括焊缝的均匀度、焊接强度、无裂纹和疏松等问题•检查护栏的安装固定方式,确保固定牢固可靠•进行护栏的外观检查,包括表面处理的均匀性、防腐涂料的质量等问题4.2 扶手制作质量检查在扶手制作过程中,需要进行以下质量检查:•检查扶手的材料是否符合规定要求,例如耐腐蚀性能和防滑性能是否达标•检查连接件的质量,确保连接牢固可靠•检查扶手的表面处理,包括喷涂涂料的均匀性、涂层的质量等问题•检查扶手的安装是否符合设计要求,包括高度、角度和固定牢固程度等问题5. 工程验收标准完成护栏和扶手制作与安装工程后,需要进行工程验收。
护栏和扶手制作与安装施工工艺标准1 总则1·1适用范围本分项适用于以木质为扶手和玻璃为栏板的扶手栏杆的制作与安装工程,其他种栏杆可参考此种做法。
1·2 编制参考标准及规范中华人民共和国国家标准GB50210—2001《建筑装饰装修工程质量验收规范》2 施工准备2·1技术准备熟悉施工图纸,作好施工准备。
2·2 材料要求(1)楼梯木扶手 (楼梯木扶手作为上下楼梯时的依扶构件,其类型主要为两种,一种是与楼梯组合安装的栏杆扶手,另一种是不设楼梯栏杆的靠墙扶手。
)1)木制扶手一般用硬杂木加工成规格成品,其树种、规格、尺寸、形状按设计要求。
木材质量均应纹理顺直,颜色一致,不得有腐朽、节疤、裂缝;扭曲等缺陷;含水率不得大于12%。
弯头料一般采用扶手料,以45°角断面相接,断面特殊的木扶手按设计要求备弯头料。
2)胶粘剂:一般多用聚醋酸乙烯 (乳胶)等胶粘剂。
3)其他材料:木螺丝、木砂纸、加工配件。
(2)玻璃栏板1)玻璃:由于玻璃在栏板构造中既是装饰构件又是受力构件,需具有防护功能及承受推、靠、挤等外力作用,故应采用安全玻璃,目前多使用钢化玻璃,单层钢化玻璃一般选用12mmn厚的品种,因为钢化玻璃不能在施工现场进行裁割,所以应根据设计尺寸到厂家订制,须注意玻璃的排块合理,尺寸精准。
楼梯玻璃栏板其单块尺寸一般采用1·5m 宽;楼梯水平部位及跑马廊所用玻璃单块宽度,多为2m左右。
2)扶手材料:扶手是玻璃栏板的收口和稳固连接构件,其材质影响到使用功能和栏板的整体装饰效果。
因此扶手的造型与材质需要与室内其他装饰一并设计。
目前所使用的玻璃栏板扶手材料主要是不锈钢圆管、黄铜圆管及高级木料三种。
不锈钢管可采用镜面扔光或一般抛光的不同品种,其外圆规格φ50—φ100㎜不等,可根据需要订购。
共同铜圆管也有镜面或亚光制品。
栏板木扶手的主要优点是可以加大宽度,在特殊需要的场合较方便人们凭栏休息。
护栏和扶手制作与安装施工工艺及检测标准1、适用范围:本内部施工工艺及检测标准适用于所有在建的室内以木质为扶手和玻璃为栏板的金属扶手栏杆的制作与安装工程。
2、施工准备2.1 材料2.1.1 木扶手:一般采用加工成规格的成品,但树种、规格、尺寸、形状必须符合设计要求。
木材含水率不大于12%,纹理顺直,颜色一致,不得有腐朽、虫柱、裂纹、扭曲、变形等缺陷。
2.1.2 玻璃:应采用安全玻璃,目前安全玻璃多使用钢化玻璃或钢化夹层玻璃,因钢化玻璃不能现场切割,所以必须根据现场尺寸到厂家订制;玻璃表面应洁净,无划痕、缺角、结石、气泡、疙瘩、砂粒等缺陷;钢化夹层玻璃的胶合层无气泡,无裂痕、叠差、磨伤、脱胶等缺陷。
2.1.3 金属扶手:一般多使用不锈钢和铜合金圆管。
不锈钢和铜合金都有镜面和亚光面制品,应根据设计要求进行订购。
2.2 主要机具:电锤钻、转台式斜断锯、砂轮切割机、磨光机、电刨、手电钻、手工锯、电焊机。
2.3 作业条件2.3.1 楼梯墙面、楼梯踏步、楼板面基础工程已完成。
2.3.2操作工人有相应资格技能。
2.3.3 熟悉图纸,做好质量、安全、环保技术交底。
3、操作工艺3.1 木扶手制作与安装3.1.1 工艺流程:基层处理→弹线→半成品加工→安装→整收3.1.2基层处理3.1.2.1预埋铁件,锚固连接件等,应进行除锈、防锈处理;焊接部位应将焊接渣清干净。
3.1.2.2检查预埋木砖、铁件、锚固件等的埋设标高及位置等是否符合设计及安装要求。
如有不符合项,应及时整改。
3.1.3弹线:施工前按设计及安装要求测设垂直、水平控制线。
3.1.4半成品加工3.1.4.1 楼梯扶手弯头的各部位尺寸,应根据楼梯坡度和休息平台栏板以及扶手断面的大小确定。
3.1.4.2 一般情况下,由于楼梯踏步混凝土的偏差,因而木扶手弯头不宜统一制作,应按设计要求及现场实际情况就地放样制作并安装。
3.1.4.3 木扶手具体型式和尺寸应按设计图纸及要求制作。
护栏和扶手制作与安装
护栏和扶手制作与安装
2010年08月04日
施工工艺及检测标准
1、适用范围:本内部施工工艺及检测标准适用于所有在建的室内以木质为扶手和玻璃为栏板的金属扶手栏杆的制作与安装工程。
2、施工准备
2.1 材料
2.1.1 木扶手:一般采用加工成规格的成品,但树种、规格、尺寸、
形状必须符合设计要求。
木材含水率不大于12%,纹理顺直,颜色一致,不得
有腐朽、虫柱、裂纹、扭曲、变形等缺陷。
2.1.2 玻璃:应采用安全玻璃,目前安全玻璃多使用钢化玻璃或钢化
夹层玻璃,因钢化玻璃不能现场切割,所以必须根据现场尺寸到厂家订制;玻
璃表面应洁净,无划痕、缺角、结石、气泡、疙瘩、砂粒等缺陷;钢化夹层玻
璃的胶合层无气泡,无裂痕、叠差、磨伤、脱胶等缺陷。
2.1.3 金属扶手:一般多使用不锈钢和铜合金圆管。
不锈钢和铜合金
都有镜面和亚光面制品,应根据设计要求进行订购。
2.2 主要机具:电锤钻、转台式斜断锯、砂轮切割机、磨光机、电刨、手电钻、手工锯、电焊机。
2.3 作业条件
2.3.1 楼梯墙面、楼梯踏步、楼板面基础工程已完成。
2.3.2操作工人有相应资格技能。
2.3.3 熟悉图纸,做好质量、安全、环保技术交底。
3、操作工艺
3.1 木扶手制作与安装
3.1.1 工艺流程:基层处理→弹线→半成品加工→安装→整收
3.1.2基层处理
3.1.2.1预埋铁件,锚固连接件等,应进行除锈、防锈处理;焊接部位应将焊接渣清干净。
3.1.2.2检查预埋木砖、铁件、锚固件等的埋设标高及位置等是否符合设计及安装要求。
如有不符合项,应及时整改。
3.1.3弹线:施工前按设计及安装要求测设垂直、水平控制线。
3.1.4半成品加工
3.1.
4.1 楼梯扶手弯头的各部位尺寸,应根据楼梯坡度和休息平台栏板以及扶手断面的大小确定。
3.1.
4.2 一般情况下,由于楼梯踏步混凝土的偏差,因而木扶手弯头不宜统一制作,应按设计要求及现场实际情况就地放样制作并安装。
3.1.
4.3 木扶手具体型式和尺寸应按设计图纸及要求制作。
扶手底部开槽深度一般为3~4mm,宽度依所用扁铁的尺寸,但不得超过40mm。
在扁铁上每隔300mm钻扶手安装孔。
3.1.5 安装
3.1.5.1 安装木扶手应由下往上进行。
首先按照栏杆斜度配好起步弯头,再接扶手,其高低应符合设计要求。
扶手与弯头的连接做暗榫或用铁件锚固,并用胶粘接;长条直扶手一般采用45°切口加钉连接。
木扶手的宽度或厚度超过70mm时,其接头必须用暗榫,并增加橄榄螺栓相接。
3.1.5.2 木扶手与铁栏杆连接一般使用32mm的木螺丝固定,间距不得大于300mm。
当木扶手高度大于150mm时,应用螺栓铁件与栏杆固定。
连接使用胶粘接时,气温不得低于0℃。
3.1.5.3 扶手末端与墙、柱连接方法一般是将扶手底部通长扁铁与墙内的预埋件焊接牢固,扁铁与扶手之间用木螺丝固定。
3.1.6 整修
扶手折弯处和连接处如有不平顺,应用细木锉锉平。
找顺磨光,扶手安装完毕,刷一遍干性油。
3.2 金属扶手栏杆安装
3.2.1 工艺流程: 栏杆安装→玻璃栏板安装→扶手安装
3.2.2 栏杆安装
3.2.2.1 栏杆立杆安装应按设计要求及施工墨线从起步处向上的顺序进行。
楼梯起步与平台两端立杆应先安装。
安装可用焊接或螺栓固定。
3.2.2.2 两端立杆安装完毕后,拉通线用同样方法安装其余立杆。
立杆安装必须牢固,不得松动。
立杆焊接或螺栓连接部位,除不锈钢外,均应进行防腐防锈处理。
3.2.3 玻璃栏板安装
玻璃栏板安装应在立杆完成后进行。
安装时,将玻璃栏板镶嵌于两侧立杆的槽内,槽与栏板两侧缝隙应用橡胶条块嵌填牢固,待扶手安装完毕后,用密封胶嵌填密实。
扶手焊接时,应采取防护措施,将玻璃栏板遮盖,以免焊接火花飞溅损坏玻璃。
3.2.4 金属扶手安装
3.2.
4.1 金属扶手安装,一般采用焊接安装。
使用焊条的材质应与母体材料相同。
扶手安装顺序应从起步弯头开始,后接直扶手。
3.2.
4.2 安装时,先将起点弯头与栏杆立杆固定,然后将直扶手两端
与两端立杆临时点焊固定,同时将直扶手的一端与弯头对接并点焊固定。
扶手
接口处应留2~3mm焊接缝隙,然后拉通线将扶手与每根立杆作点焊固定,待检查符合要求后,将接口和扶手与立杆逐一焊牢固。
3.2.
4.3 焊接质量应符合有关规定的标准,扶手接头焊缝应严密,焊
缝应无明显手感偏差。
4、质量标准
4.1 主控项目
4.1.1 护栏和扶手制作与安装所使用材料的材质、规格、数量和木材
的燃烧性能等级应符合设计要求。
检验方法:观察、检查产品合格证书,进场验收记录和性能检测报告。
4.1.2 护栏和扶手的造型、尺寸及安装位置应符合设计要求。
检验方法:观察、尺量检查;检查进场验收记录。
4.1.3 护栏和扶手安装预埋件的数量、规格、位置以及护栏与预埋件
的连接节点应符合设计要求。
检验方法:检查隐蔽工程验收记录和施工记录。
4.1.4 护栏高度、栏杆间距、安装位置必须符合设计要求。
护栏安装
必须牢固。
检验方法:观察、尺量检查;手板检查。
4.1.5 护栏玻璃应使用厚度不小于12mm的钢化玻璃或钢化夹层玻璃。
当护栏一侧距楼地面高度为5m及以上时,应使用钢化夹层玻璃。
检验方法:观察;尺量检查;检查产品合格证书和进场验收记录。
4.2 一般项目
4.2.1 护栏和扶手转角弧度应符合设计要求,接缝应严密,表面应光滑,色泽应一致,不得有裂缝、翘曲及损坏。
检查方法;观察,手摸检查。
4.2.2 护栏和扶手安装的允许偏差和检验方法应符合下表的规定。
护栏和扶手安装的允许偏差和检验方法项次项目允许偏差(mm)
检验方法 1 护栏垂直度 3 用1m垂直检测尺检查 2 栏杆距离 3 用钢尺检查 3 扶手直线度 4 拉通线,用钢尺检查 4 扶手高度 3 用钢尺检查 5、成品保护
5.1 安装好的扶手,应用塑料布,泡沫等柔软物包好、裹严,防划伤、损坏。
5.2 安装好的玻璃栏板,应在玻璃上涂上显目的图案或标识,避免因
不注意而碰坏玻璃。
5.3 严禁以栏杆扶手为支撑点去作业,禁止攀登护栏、跨越护栏。
6、应注意的质量、环境和职业健康安全问题
6.1应注意的质量问题
6.1.1 安装前,首先对所用的材料进行检查,如发现不合格品必须更换。
6.1.2 要确定预埋件已做防腐防锈处理,位置符合设计要求。
6.1.3 金属扶手接口按要求角度套割正确,并用金属锉刀锉平,以免
套割不正确,造成扶手弯曲和安装困难。
6.1.4 较长的木扶手安装时,应在适当的部位加临时立杆,减少变形。
较长的金属扶手安装时,其接头应考虑采用因温度变化而引起伸缩的可动式接口。
6.1.5 玻璃栏板安装时,必须与边框留有空隙,其尺寸一般为3~5mm。
6.2 应注意的环境问题。
6.2.1 操作地点的废料、碎木等杂物,工作完毕后应及时清理干净,
集中堆放。
6.2.2 不可回收物品(木扶手废料)与可回收物品(金属扶手、栏杆)和有毒有害物品(密封胶)要分开处理。
6.2.3 严禁在非作业时间内施工,如晚上需加班,作业时间不能超出
当地政府的规定时间,同时应避免使用切割机,打磨机等高噪音电动工具。
6.3 应注意的职业健康安全问题
6.3.1 施工前,应对施工现场、安全防护措施及施工机具全面检查,
及时排除隐患。
6.3.2 焊接作业前,应清理周围易燃、易爆物品,作业中应采取防护
措施;另外,电焊作业必须配备灭火器。
6.3.3 使用电焊机时应佩戴手套和防护面罩。
操作人员必须有上岗证。
6.3.4 使用砂轮切割机时,应在切割机前方加一块挡板,防止切割时
产生的火花乱飞溅。
6.3.5 安装楼梯扶手栏杆时,应采取适当措施,防止坠物砸伤下面的
作业人员。
6.3.6 使用切割机、磨光机、电刨等高噪音机具时,操作人员应戴耳塞,使用磨光机打磨时还应戴口罩。
7、质量记录
7.1 主要材料(如木扶手、不锈钢、玻璃)的质量证明书或检验报告、合格证。
7.2 预埋件的隐蔽工程验收记录。
7.3 检验批验收记录。
7.4 分项工程质量验收记录。