固体饮料生产作业指导书
- 格式:doc
- 大小:254.50 KB
- 文档页数:18
分装作业指导书一、脱包将符合《原辅料采购标准》的原料运送至脱包间,除去包装外的尘土及杂物,拆线开口后倒入容器中加盖传递至包装间。
二、包装1.包装间应进行班前30分钟臭氧杀菌,包装材料应在使用前进行杀菌操作;2.内包装人员经过更衣、洗手、消毒后进入内包装车间,检查包装设备是否清洁,检查操作台是否清洁,包装材料是否已消毒;3.将脱包后的原料进行定量分装,要求计量准确,封口严密,封口后的产品传递至外包间。
4.做分装生产记录。
三、装箱将封口后的产品装箱,封箱后传递至成品库待检区。
四、入库入库手续办理前,检验人员应及时在待检区抽取样品进行检验,检验合格签署合格检验报告及合格证,库房保管员办理产品入库手续,并记录,入库后的产品移送至合格品区。
固体饮料生产作业指导书一、生产前的准备工作1.人员检查生产班组进行班前检查,检查内容包括手部是否有创伤、有无感冒发烧情况,有无佩戴首饰等。
2.物料检查一是与供销部沟通生产用原辅料是否充足,包装材料是否与生产品种一致,确认物料符合生产所需。
二是对车间内的设备进行检查,检查计量设备是否正常,检查混料及包装设备是否已进行清洁消毒,保障生产活动能够正常开展。
二、脱包工序将符合《原辅料采购标准》的原料运送至脱包间,除去包装外的尘土及杂物,拆线开口后倒入容器中加盖,加贴物料标识后传递至生产车间。
三、粉碎工序本工序仅对白砂糖进行再次粉碎操作,作业前检查粉碎机是否清洁,通电检查设备是否能够正常使用。
将脱包后的白砂糖放入粉碎机中,开机粉碎,粉碎时间不超过10S,粉碎后的物料传递至配料间待用。
粉碎后及时对粉碎机进行清洁处理。
四、配料工序作业前,应先检查计量设备是否能够正常使用。
按照生产计划及产品配方,准确称量原辅料,称量后的物料传递至混料设备,如实记录配料记录。
五、混料工序作业前,应先检查混料机的卫生是否清洁,通电检查设备是否能够正常使用。
按照产品配方将各组分物料放入混料机中,设定混料时间,开机混料,混料期间应注意观察设备是否正常运转,物料仓是否密封严密,混料后将物料运送至包装机物料仓内。
饮料生产作业指导书导、质量控制指导和工艺环境卫生管理指导三. 保障生产作业过程的先进性、合理性,充分发挥设备的效力,优质、高 产、低消耗,确保生产作业过程的安全、高效率是生产作业指导的宗旨。
四. 原辅材料的供应及水、电、汽的供应、运输,劳动组织、设备的维护保 养、更新改造、技术改造等,都是为生产作业的高效、安全运行服务的。
因此,必须为保证生产作业的正常、安全运行,创造一个良好的环境和 条件。
五. 本指导书适用于永昌健源绿色食品有限责任公司、饮料生产车间及各管 理部门。
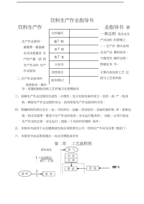
六. 本指导书由品管部提出,由总经理批准发布饮料生产作.生产作业指导, 最重要、最基础 业活动是最直 生产的产量、质 料生产作业的 生产作业指导 二.生产作业指导的流程指导、操作文件编号编?制审?核批?准分发号受控状态版本/修订业指导书 第一章总则 是企业生产活动的 的管理之一。
生产作 接关系到企业产品 量和成本。
为规范饮 操作过程,特制定本 书。
主要内容包括工艺 过程与工艺条件指I —去皮软化 , 榨汁、打浆第原料清洗 PET 瓶第三章操作过程和工艺条件一、原料前处理1原料选用成熟度高(成熟度9成以上),新鲜度好,品相新鲜果蔬。
2挑拣易帐病虫害,霉烂以及碰撞伤的不合格果,并去除混入的杂草等。
3冲洗用流动清水冲净表面泥沙。
4捞出胡萝卜捞出后,沥干水分。
二、去皮与打浆1原料去皮,软化1.1作业前准备1.1.1领用当班生产用品、用具,穿戴工作服、鞋、帽;1.1.2清理并做好车间机器障碍物及工、器具卫生;1.1.3检查预煮、破碎机、榨汁机、离心分离机等机器设备是否正常,以保证生产时运作正常;1.1.4检查连接好管道,严格执行前处理车间—CIP程序。
1.2去皮软化1.2.1沥干后的胡萝卜进行热汤去皮C的沸水中热烫10分钟,捞出后用流动水冲洗,表皮会自然脱落,然后将去皮后的原料投入夹层锅,开启蒸汽冷伐煮沸10分钟捞出1.3破碎启动破碎机,将预煮好的胡萝卜通过提升机进入破碎机内,进行破碎,底部用低位锅进行盛接。
食品饮料行业生产流程作业指导书第1章原材料采购与验收 (5)1.1 原材料采购流程 (5)1.1.1 采购计划制定 (5)1.1.2 供应商选择 (5)1.1.3 采购合同签订 (5)1.1.4 采购订单下达 (5)1.1.5 原材料验收 (5)1.1.6 采购结算 (6)1.2 验收标准及操作规程 (6)1.2.1 验收标准 (6)1.2.2 验收操作规程 (6)1.3 原材料储存与保管 (6)1.3.1 储存条件 (6)1.3.2 保管措施 (6)第2章生产前准备 (7)2.1 设备检查与调试 (7)2.1.1 检查设备外观,保证设备无损坏、无漏油、无异常磨损等现象。
(7)2.1.2 检查设备的电气系统,确认电路连接正常,无短路、漏电等问题。
(7)2.1.3 对设备的主要传动部件进行润滑,保证运动顺畅。
(7)2.1.4 检查设备的控制系统,确认各参数设置正确,设备能按预定程序运行。
(7)2.1.5 对设备进行空载试运行,观察设备运行是否平稳,是否存在异常振动和噪音。
72.1.6 对设备的关键部位进行调试,保证设备在生产过程中能稳定运行,保证产品质量。
(7)2.2 工器具准备 (7)2.2.1 根据生产计划,列出所需工器具清单。
(7)2.2.2 对工器具进行清点,保证数量齐全。
(7)2.2.3 检查工器具的质量,淘汰损坏、磨损严重的工器具。
(7)2.2.4 对工器具进行清洁和消毒,保证符合卫生要求。
(7)2.2.5 将工器具按照使用顺序和分类进行摆放,方便生产过程中取用。
(7)2.3 人员培训与分工 (7)2.3.1 对新入职人员进行岗位技能培训,保证其具备操作设备、使用工器具的能力。
72.3.2 对在职人员进行定期培训,提高其专业技能和安全生产意识。
(7)2.3.3 根据生产计划,合理分配人员,明确各岗位的职责和任务。
(7)2.3.4 对各岗位人员进行交叉培训,提高人员的综合素质,保证生产过程中的灵活调配。
伤等是否正常,要求每小时检测一组产品的封盖扭力,及时将封盖过程中造成的刮丝冲洗干净。
2.4定时将掉落的空瓶清洗干净后返回瓶检岗位重新检验使用。
2.5在生产过程中,每小时必须记录洗瓶水压、洗瓶水冲洗效果、设备运转速度、洗瓶机、灌装机、封盖机运行情况。
2.6停机超过半小时以上必须记录停机原因、停机时间。
3、当班生产完毕后,必须彻底将洗瓶机、封盖机、灌装机及地面清洗干净,不得有空瓶、扁瓶、废瓶、废盖等留在灌装间。
4、操作人员应定期维护和保养设备,以确保正常生产。
5、操作人员在离开净化间时,应关闭空气净化系统,开启紫外灯。
6、灌装间的门窗随时保证关闭状态。
2、进入净化间时要经过风淋门、风淋1-2分钟,灌装间门窗必须随时关闭。
网位3、制止无关人员进入灌装间,进入灌装间要经过消毒池,对鞋底消毒,卫生消毒池中的消毒水每班更换一次。
要求4、灌装间要保持整洁、无任何杂物。
地面不允许有掉落的空瓶。
5、修理、调试机器或接触不干净的物品后要重新洗手、消毒。
1按照生产要求从仓库领取相应数量的瓶盖,并注意包装、型号是否符合标准要求。
2、用小刀轻轻划开箱上的胶纸,避免划伤内衬胶袋,防止纸屑等异物掉入箱内或划伤瓶盖。
3、把包装箱内胶袋向外翻转,完全套住箱口摇盖。
3.1 注意观蔡瓶盖印刷颜色是否正常,注塑是否饱满,有无肉眼可见的异物。
3.2近距离闻瓶盖气味,判断气味是否正常。
3.3如发现异常情况对,应立即通知领班和当班品控员。
4、倒盖时应轻抬轻倒,不能用力拍打纸箱,防止纸箱上的纸屑、灰尘等异物掉入盖仓。
5、定期清洗盖仓和迭盖管道,以免盖屑掉入瓶内。
6、倒盖后及时将盖仓楠7、将盖的塑料袋整理收集注意 事项1、对瓶盖的外观质量、异味、肉眼可见物进一步检查,对出现的异常岗位质进行反馈。
量要求2、保证操作不将纸屑及其它异物带入盖内。
UJ14/-1-冈包操作要求5、及时将盖印好代码的纸箱放入纸箱成型机,保持生产的连续性。
6、当生产线停机或其他原因,造成有过时代码或错误代码的纸箱时, 应使用白色不干胶将过时代码或错误代码封掉后再重新盖印正确货物UXu/-1-冈包相关设备设施。
公司生产作业指导书编制:审核:批准:执行日期:年月1、目的:建立香菇固体饮料生产作业指导书,用于指导现场生产。
2、范围:香菇固体饮料生产过程。
3、职责:生产部、技术部、质量部。
4、制定依据:《食品生产许可管理办法》(2020版)5、产品概述5.1 产品基本信息5.1.1产品名称:香菇固体饮料5.1.2贮藏:置通风干燥处。
5.1.3包装规格:2.0g/袋。
5.1.4贮存期限:24个月5.2 生产批量:3kg5.3 生产环境:10万级洁净车间6、配方6.1所用原辅料清单(1500袋)6.2所需包装材料清单(1卷)7、生产工艺流程图8、生产工艺操作步骤及技术参数8.1生产前检查对地面卫生、环境卫生、设备卫生、设备、管路、阀门、温湿度表等进行全面检查,更换状态标识,检查洁净区房间内温度在18~25℃,相对湿度应40-65%,洁净区与室外的缓冲间的压差≥10Pa,领取物料,仔细阅读生产指令,按生产指令领取所需物料,认真核对物料的品名、批号、数量等,确保卫生及设备运行符合本次生产需求方可开始生产。
8.2 称量准确称取配方量,香菇粉2.4kg、麦芽糊精0.6kg备用。
8.3配料混合将所称量的香菇粉和麦芽糊精转入三维混合机内,混合30分钟。
8.4分装内包将混合好的粉末,用分装机,分装于铝箔袋中,每袋装量为2.0g,检查分装好的铝箔袋密封性无泄漏,净含量符合《定量包装商品计量检测管理办法》8.5成品包装及入库将分装内包所得的半成品袋,按照产品包装的数量要求装于铝箔袋,封袋,检验合格后办理入库手续。
9、原辅料、包装材料、成品质量标准10、成品质量标准11、清场:各步骤操作结束后关闭设备电源,取下本次生产的状态标志牌,按《清场管理标准》要求清场、清洁。
经现场QA确认后,挂上清场状态标志、设备状态标志。
12、生产环境洁净度要求生产环境及管理符合食品生产要求,生产过程中称量、配料混合、分装内包工艺过程均在生产洁净区条件下操作,其他操作在一般生产区。
固体饮料生产操作规范一、目的对固体饮料的生产过程进行控制,使过程处于受控状态,确保产品符合标准规定的要求。
二、范围适用于公司固体饮料生产过程的控制。
三、职责1 、生产部门负责依据HACCP计划,制订产品操作规范。
2 、生产部门负责严格本规范规定操作和管理。
3、质量管理总部负责各工序和质量控制点的不定期监督和检查。
四、工作程序1、固体饮料生产工艺流程图(见奶伴侣HACCP计划)。
2、固体饮料生产工序分为两类:(1)一般工序——拆包过筛、成品装箱、入库(2)关键工序——原材料验收、脱包杀菌、预混合、配料、混合、金检、分装3、脱包杀菌(1)本工序为关键工序(传送速度和紫外灯的累计使用时间)(2)检查袋杀菌机紫外灯管是否完好、检查袋杀菌机传输带是否清洁干净,如有异常应立即处理,并汇报领班。
(3)先开启紫外杀菌灯和传输带,检查设备是否运转正常,调节传送带的速度 6.4m/min,确认设备工作正常后,将原料葡萄糖脱去外包装放到传送带开始杀菌,(4)杀菌灯管有效杀菌时间为5000小时,累计使用5000小时后及时更换,并记录更换时间(其中国产杀菌时间为1000小时)。
(5)脱去外包装的原料经过杀菌机传送至洁净区,杀菌时间不少于40s。
4 、预混合:按照《预混料生产工艺规范(保密)》执行。
5、配料(1)本工序为关键工序(计量和原辅料、混合时间)(2)配料前,检查台秤是否正常完好并校零;(3)配料员称取原辅料时,注意检查物料的感官性状是否异常,如有异常应立即停止使用,并汇报领班。
(4)配料员严格按《产品配方表》要求,依次称取原辅料;(5)复核人员根据《产品配方表》要求依次核对配料员所称取的原辅料,检查配料的品种、数量是否符合要求,并按配制顺序做好标识、记录;6、混合(1)本工序为关键工序(计量和原辅料、混合时间)(2)混合前对所用的振动筛(筛网完整性和筛网孔径12目)进行消毒,开机检查设备是否完好;(3)投料筛粉前,应检查筛网的状况,如果发现筛网有破漏,应立即停止过筛,更换筛(4)网。
实用文档饮料生产作业指导书文件编号编制审核批准分发号受控状态版本/ 修订实用文档饮料生产作业指导书第一章总则一.生产作业指导,是企业生产活动的最重要、最基础的管理之一。
生产作业活动是最直接关系到企业产品生产的产量、质量和成本。
为规范饮料生产作业的操作过程,特制定本生产作业指导书。
二.生产作业指导的主要内容包括工艺流程指导、操作过程与工艺条件指导、质量控制指导和工艺环境卫生管理指导。
三.保障生产作业过程的先进性、合理性,充分发挥设备的效力,优质、高产、低消耗,确保生产作业过程的安全、高效率是生产作业指导的宗旨。
四.原辅材料的供应及水、电、汽的供应、运输,劳动组织、设备的维护保养、更新改造、技术改造等,都是为生产作业的高效、安全运行服务的。
因此,必须为保证生产作业的正常、安全运行,创造一个良好的环境和条件。
五.本指导书适用于永昌健源绿色食品有限责任公司、饮料生产车间及各管理部门。
六.本指导书由品管部提出,由总经理批准发布。
第二章工艺流程图实用文档原料清洗去皮软化榨汁、打浆辅料配料定容管道过滤脱气均质杀菌灌装旋盖灯检倒瓶杀菌套标缩标喷码检验装箱入库排瓶消毒PET 瓶盖子第三章操作过程和工艺条件一、原料前处理1原料选用成熟度高(成熟度9 成以上),新鲜度好,品相新鲜果蔬。
2挑拣剔除病虫害,霉烂以及碰撞伤的不合格果,并去除混入的杂草等。
3冲洗用流动清水冲净表面泥沙。
4捞出胡萝卜捞出后,沥干水分。
二、去皮与打浆1原料去皮,软化1.1 作业前准备1.1.1领用当班生产用品、用具,穿戴工作服、鞋、帽;1.1.2清理并做好车间机器障碍物及工、器具卫生;1.1.3检查预煮、破碎机、榨汁机、离心分离机等机器设备是否正常,以保证生产时运作正常;1.1.4检查连接好管道,严格执行前处理车间CIP 程序。
1.2 去皮软化1.2.1沥干后的胡萝卜进行热汤去皮1.2.2 将原料投入95℃的沸水中热烫10 分钟,捞出后用流动水冲洗,表皮会自然脱落,然后将去皮后的原料投入夹层锅,开启蒸汽冷伐煮沸10 分钟捞出1.3 破碎启动破碎机,将预煮好的胡萝卜通过提升机进入破碎机内,进行破碎,底部用低位锅进行盛接。
饮料生产作业指导书本指导书是针对饮料生产作业实现工艺流程和质量控制的一些建议和步骤。
旨在保证饮料的品质安全和生产效率。
一、饮料生产工艺流程1. 原料准备:将需要用到的原材料洗净、切割或研磨。
原材料要经过检验和筛选,确保质量符合要求。
2. 配料混合:按照比例将各种原材料进行混合。
3. 酸化处理:将混合物加入酸化发酵杆菌发酵,使其发酵后达到所需的酸度。
4. 加热杀菌:经过酸化发酵后的混合物加热至90度以上杀菌,避免细菌污染。
5. 瓶装:将处理后的饮料灌装至瓶子中,并用螺旋盖或其他密封方法密封。
6. 二次杀菌:将瓶子封口后再次加热到85-90度以上进行杀菌。
7. 冷却:冷却处理后的饮料至常温,以便储存和销售。
二、饮料生产质量控制1. 原材料检验:进货的原材料要经过检验,检查是否超过保质期,是否有异味、异色、虫蛀等情况,以确保原材料的质量符合要求。
2. 操作人员合格:操作人员必须经过培训并合格,确保对生产工艺流程的理解和把握,以及对操作过程的整体掌控。
3. 清洁、消毒操作:保持生产场地整洁,每次生产结束后,要彻底清洗消毒生产设备和场地,杜绝污染。
4. 生产记录:生产过程中要记录每个步骤的操作及时间,保留样品并进行品质检查。
这有助于在出现问题时进行核对和溯源。
5. 饮料瓶装和包装:瓶装和包装要符合卫生要求,保证产品安全性和外观质量。
6. 频繁检查:对生产过程、设备和产品进行频繁的检查,发现并及时处理问题。
三、饮料生产注意事项1. 应注意原材料的储存:应存放在阴凉、干燥、通风的地方,以避免受潮、霉变、变质。
同时要避免与其他有毒有害物品接触。
2. 清洁设备:在使用之前、正在使用和使用之后,应定期对设备进行清洁、消毒工作,以杜绝污染。
3. 选择优质材料:在选择包装材料时一定要选择质量优良的材料,这样可以避免材料从而影响到产品的质量。
4. 权威检测:产品的所有原料和成品都必须经过权威部门的检测,检测包括成分分析、微生物检测等。
固体饮料作业指导书
原辅料*调配* 脱水干燥* 成型包装* 成品
1、原辅料:所采购的原辅材料必须符合相应的国家标准、行业标准及有关规定,采购原材料时必须向对方索取有关的验证材料,验证合格后方可购进,不符合要求的原辅料不能接收。
2、调配:严格按配料表将各种物料进行精确称量和配比计量,倒入搅拌机中搅拌均匀,并做好记录。
3、脱水干燥:将各种原料放入烘箱中,将烘箱温度设置为130℃,烘干时间为1h,使物料呈现干燥松散状后取出。
4、内包装:包装前先使用用紫外线消毒灯照射,然后在包装台上进行称量包装,包装工人的手不能直接接触产品,注意卫生。
检查包装物无破损、无开裂,要求包装工人严格按操作工序进行操作,封口完毕后必须查验封装是否严密,无泄漏。
5、装箱、入库:产品按品种、规格,不同批次分装于外包装箱内,纸箱上内放合格证,以及产品名称、规格、生产日期、批号等。
关键控制环节:
原辅料:各种原辅料应符合标准要求,采购前需查验供方的三证和第
三方出具的检验报告,查验合格后方可进行采购。
调配:严格按配料表进行精确配比计量,并做好记录。
脱水干燥:烘箱温度设置为130℃,烘干时间为1h,使物料呈现干燥松散状。
成型包装:要求包装工人严格按操作工序进行操作,封口完毕后必须查验封装是否严密,无泄漏。
饮料厂饮料生产作业指导书
一、水处理
1.操作工上岗前要熟悉机械性能,并熟读掌握本
操作说明书。
2.使用前先打开主进水阀、对渗透罐、活性碳过
滤器、精密过滤器反冲约5min,再对原水罐注
入足量的水。
3.打开主电源开关,调好阀门,再开给水泵开关,
观察淡水流量计,至无气泡时,打开高压泵开
关,并调好淡水流量,对原水进行第一次反渗
透处理。
将处理的水打入一级贮水罐,至一级
贮水罐有足量水时,同以上操作,对水进行二
次反浸透处理,并打入二级贮水罐。
4.在设备运行过程中,要随时注意各贮水罐的水。
饮料生产作业指导书文件编核审准批分发号受控状态修订版本/饮料生产作业指导书总则第一章一.生产作业指导,是企业生产活动的最重要、最基础的管理之一。
生产作业活动是最直接关系到企业产品生产的产量、质量和成本。
为规范饮料生产作业的操作过程,特制定本生产作业指导书。
二.生产作业指导的主要内容包括工艺流程指导、操作过程与工艺条件指导、质量控制指导和工艺环境卫生管理指导。
三.保障生产作业过程的先进性、合理性,充分发挥设备的效力,优质、高产、低消耗,确保生产作业过程的安全、高效率是生产作业指导的宗旨。
四.原辅材料的供应及水、电、汽的供应、运输,劳动组织、设备的维护保养、更新改造、技术改造等,都是为生产作业的高效、安全运行服务的。
因此,必须为保证生产作业的正常、安全运行,创造一个良好的环境和条件。
五.本指导书适用于永昌健源绿色食品有限责任公司、饮料生产车间及各管理部门。
六.本指导书由品管部提出,由总经理批准发布。
.工艺流程图第二章气脱原料清洗质均去皮软化菌杀榨汁、打浆瓶PET排瓶装灌辅料料配盖旋子盖消毒容定灯检倒瓶杀菌管道过滤标套缩标喷码检验装箱入库操作过程和工艺条件第三章原料前处理一、原料1,新鲜度好,品相新鲜果蔬。
选用成熟度高(成熟度成以上)9挑拣2剔除病虫害,霉烂以及碰撞伤的不合格果,并去除混入的杂草等。
冲洗3用流动清水冲净表面泥沙。
捞出4胡萝卜捞出后,沥干水分。
二、去皮与打浆原料去皮,软化1作业前准备1.1领用当班生产用品、用具,穿戴工作服、鞋、帽;1.1.1清理并做好车间机器障碍物及工、器具卫生;1.1.2检查预煮、破碎机、榨汁机、离心分离机等机器设备是否正常,以保1.1.3证生产时运作正常;程序。
1.1.4检查连接好管道,严格执行前处理车间CIP去皮软化1.2沥干后的胡萝卜进行热汤去皮1.2.1分钟,捞出后用流动水冲洗,表皮会将原料投入℃的沸水中热烫101.2.295分钟捞自然脱落,然后将去皮后的原料投入夹层锅,开启蒸汽冷伐煮沸10出破碎1.3启动破碎机,将预煮好的胡萝卜通过提升机进入破碎机内,进行破碎,底部用低位锅进行盛接。
饮品生产作业指导书
目录
1. 前言
2. 安全注意事项
3. 原材料准备
4. 饮品生产流程
5. 清洁卫生注意事项
前言
本指导书适用于饮品生产厂家,旨在为生产工作提供一些指导和建议。
安全注意事项
1. 生产过程中,应注意质量与卫生的统一。
严禁在生产车间内吸烟、喧哗和随意进出。
2. 生产作业人员必须严格按照操作规程操作,避免违规操作造成安全事故。
3. 工作中要注意个人卫生,穿戴干净卫生的工作服、帽子、口罩等防护用品。
4. 在使用生产设备时,必须按照规范要求使用,禁止擅自改动。
原材料准备
1. 原材料应选用符合国家质量标准的产品。
2. 原材料应按照要求存放于库房内。
3. 从库房中取出原材料时,应注意防潮、防晒、防火等问题。
饮品生产流程
1. 准备好符合要求的原材料。
2. 原材料在配料池中进行配制,按照生产规程配比。
3. 经过混合、加热、杀菌、冷却等一系列流程,制成成品。
4. 检测成品的口感、色泽、气味、PH值等指标是否符合要求。
5. 包装。
清洁卫生注意事项
1. 厂房、车间、设备、库房等场所要经常保持清洁卫生。
2. 各项设备操作前后要进行卫生清洗和消毒处理。
3. 操作工序中,应注意个人卫生,避免将口水、痰液等污染物
带入车间内。
4. 禁止在车间内乱扔垃圾,要及时清理干净。
结束语
以上是饮品生产作业的部分指导规范,希望能对饮品企业的生产工作起到一定的帮助与指导。
饮料生产作业指导书一、引言在现代社会中,饮料已经成为人们生活中必不可少的一部分。
无论是工作还是休闲,人们都离不开饮料的陪伴。
而饮料的生产过程中,作业指导书的编写和遵循则显得尤为重要。
本文将从原料准备、生产工艺、质量控制等方面,为饮料生产过程提供一份详细的作业指导书。
二、原料准备1. 原料选择在饮料生产过程中,原料的选择至关重要。
根据不同类型的饮料,选择适合的原料是确保产品品质的关键。
例如,对于碳酸饮料,应选择优质的碳酸水和合适的调味剂;对于果汁饮料,应选择新鲜的水果,并进行适当的处理。
2. 原料储存原料的储存也是饮料生产中不可忽视的环节。
原料应储存在干燥、通风、无异味的环境中,避免受潮、霉变等情况发生。
同时,应根据不同原料的特性,采取适当的储存方式,如冷藏、密封等,以保持原料的新鲜度和品质。
三、生产工艺1. 配方制定配方制定是饮料生产的基础,直接关系到产品的口感和品质。
在制定配方时,应根据市场需求、消费者口味偏好以及原料的特性,合理搭配各种成分,以达到理想的口感和口感。
2. 生产设备饮料生产需要使用各种设备,如搅拌机、灌装机、消毒设备等。
在使用这些设备时,应严格按照操作手册进行操作,确保设备的正常运行和产品的安全卫生。
3. 生产流程饮料生产的流程一般包括原料准备、混合搅拌、杀菌消毒、灌装包装等环节。
在每个环节中,都需要按照标准操作程序进行操作,并严格控制各项参数,如温度、时间、压力等,以确保产品的质量和安全。
四、质量控制1. 原料检验在饮料生产过程中,对原料的检验是确保产品质量的重要环节。
应对原料进行外观、气味、口感等方面的检验,并进行化验分析,确保原料符合相关标准和要求。
2. 生产过程监控在生产过程中,应设置相应的监控点,对关键参数进行实时监测。
如温度、pH 值、浓度等,以确保生产过程的稳定性和一致性。
3. 产品检验生产完成后,应对产品进行全面的检验。
包括外观、口感、气味、营养成分等方面的检验,以确保产品符合相关标准和要求。
*************有限公司****固体饮料生产作业指导书文件编号:QS-STP-001-00制定人:日期:年月日审核人:日期:年月日批准人:日期:年月日分发部门:生产部质量部执行日期: 年月日目录第一章总则第二章产品概述第三章生产配方及生产工艺流程图第四章操作过程和工艺条件第五章物料、成品质量标准及贮存、注意事项第六章质量控制要点一览表、工艺员查证内容、质量检查员检查内容第七章工艺卫生和环境卫生第八章主要工序提取消耗指标及物料平衡第九章附则第一章总则一.生产作业指导,是企业生产活动的最重要、最基础的管理之一。
生产作业活动是最直接关系到企业产品生产的产量、质量和成本。
为规范固体饮料生产作业的操作过程,特制定本生产作业指导书。
二.生产作业指导的主要内容包括工艺流程指导、操作过程与工艺条件指导、质量控制指导、工艺环境和卫生管理指导。
三.保障生产作业过程的先进性、合理性,充分发挥设备的效力,优质、高产、低消耗,确保生产作业过程的安全、高效是生产作业指导的宗旨。
四.原辅材料的供应及水、电、汽、冷的供应、运输,劳动组织、设备的维护保养、更新改造、技术改造等,都是为生产作业的高效、安全运行服务的。
因此,必须为保证生产作业的正常、安全运行,创造一个良好的环境和条件。
五.本指导书适用于杨凌萃健生物工程技术有限公司固体饮料生产车间及管理部门。
六.本指导书由****部提出,由管理者代表签署发布。
第二章产品概述本品是以*****、麦芽糊精为主要原料,添加木糖醇、****,****经加水浸泡提取、过滤、浓缩、调配、干燥、粉碎、混合、包装工艺加工制成的*****固体饮料。
名称:****固体饮料汉语拼音:** Gutiyinliao类型:固体饮料色泽:本品呈浅黄色至棕黄色,,冲溶后呈均匀混悬液。
规格:5.0g/袋贮藏:密封,阴凉处避光贮存。
有效期:24个月第三章生产配方及工艺流程图1.配方及批量100.0kg(2万袋)2.工艺流程图(含生产区环境净化级别)第四章操作过程及工艺条件1.开工准备1)复查作业场所,确认现场合格。
篇一:固体饮料作业指导书固体饮料作业指导书文件类别:作业指导书文件编号: pk—090713撰写部门:品控部版本:第三版发行日期:2009年7月1日机密等级:机密一般合计页数:5页篇二:饮料作业指导书含乳饮料作业指导书一、目的促使班组质检员自身整体素质不断提高,在技术服务、指导上满足生产的需要,对生产过程实行质量全方位控制,使产品符合质量要求。
二、适用范围冷饮厂生产技术组,生产班组,全体生产人员。
三、程序说明1、含乳饮料生产工艺流程图:原料奶验收稳定剂、白砂糖等辅料净乳软化水溶解(90-95℃)(柠檬酸、乳酸、柠檬酸钠)加酸缓冲、平衡、加香精(55℃、20-22mpa)均质超高温灭菌(120—125℃)灌装、封口二次灭菌(90—98℃,10-40)抽样检验合格装箱出厂不合格报废2、含乳饮料的生产工艺说明: (1)原料乳验收控制须符合gb/t6914质量保障生产要求收购.(2)调配工艺流程控制图: 砂滤井水树脂软化水配料用水加热至85-95℃干粉混合机稳定剂+白砂糖(1:5)高速搅磨溶解持续搅拌鲜牛奶乳酸柠檬酸冷水料液初步柠檬酸钠溶解搅拌定容香精、软化水加酸搅拌检验(3)均质均质化就是使脂肪球由原来直径0.1-22um不等的脂肪球变成均匀的直径为1-2um的脂肪球。
并且均匀的分散于乳中,可长期保持不分层。
较高的温度下,均质效果较好,但温度过高会引起乳脂肪、乳蛋白的变性。
另一方面,温度与脂肪球的结晶有关,固态的脂肪球不能在均质机内被打碎。
一般均质温度采用55-80℃,均质压力采用10-25mpa为宜。
若温度降低后均质,不仅降低了均质效果,而且会使脂肪球形成奶油粒。
均质后的脂肪球均匀分布在乳料中,防止了脂肪上浮,不易形成稀奶油层,所以脂肪就不易附着在包装的内壁和盖上。
均质后除脂肪均匀分布在物料中外,其他如稳定剂、白砂糖等与牛乳充分融合.蛋白质、维生素a、维生素d等营养成分也呈均匀分布.促进了其在人体内的吸收和同化作用。
饮料生产作业指导书 This manuscript was revised by the office on December 22, 2012饮料生产作业指导书饮料生产作业指导书第一章 总则一.生产作业指导,是企业生产活动的最重要、最基础的管理之一。
生产作业活动是最直接关系到企业产品生产的产量、质量和成本。
为规范饮料生产作业的操作过程,特制定本生产作业指导书。
二.生产作业指导的主要内容包括工艺流程指导、操作过程与工艺条件指导、质量控制指导和工艺环境卫生管理指导。
三.保障生产作业过程的先进性、合理性,充分发挥设备的效力,优质、高产、低消耗,确保生产作业过程的安全、高效率是生产作业指导的宗旨。
四.原辅材料的供应及水、电、汽的供应、运输,劳动组织、设备的维护保养、更新改造、技术改造等,都是为生产作业的高效、安全运行服务的。
因此,必须为保证生产作业的正常、安全运行,创造一个良好的环境和条件。
五.本指导书适用于永昌健源绿色食品有限责任公司、饮料生产车间及各管理部门。
六.本指导书由品管部提出,由总经理批准发布。
第二章 工艺流程图第三章 操作过程和工艺条件一、原料前处理 1 原料选用成熟度高(成熟度9成以上),新鲜度好,品相新鲜果蔬。
2 挑拣剔除病虫害,霉烂以及碰撞伤的不合格果,并去除混入的杂草等。
3 冲洗用流动清水冲净表面泥沙。
4 捞出胡萝卜捞出后,沥干水分。
二、去皮与打浆1 原料去皮,软化 1.1 作业前准备1.1.1 领用当班生产用品、用具,穿戴工作服、鞋、帽; 1.1.2 清理并做好车间机器障碍物及工、器具卫生;1.1.3 检查预煮、破碎机、榨汁机、离心分离机等机器设备是否正常,以保证生产时运作正常;1.1.4 检查连接好管道,严格执行前处理车间CIP 程序。
1.2 去皮软化1.2.1 沥干后的胡萝卜进行热汤去皮℃的沸水中热烫10分钟,捞出后用流动水冲洗,表皮会自然脱落,然后将去皮后的原料投入夹层锅,开启蒸汽冷伐煮沸10分钟捞出 1.3 破碎启动破碎机,将预煮好的胡萝卜通过提升机进入破碎机内,进行破碎,底部用低位锅进行盛接。
固体饮料生产作业指导书一、引言固体饮料是一种方便携带、易于储存和使用的饮料形式,广泛应用于各种场合和消费群体。
为了确保固体饮料的质量和安全性,本作业指导书旨在提供一套标准化的操作流程,以指导固体饮料生产过程中的各项作业。
二、作业环境1. 生产车间应保持干净整洁,防尘、防蚊虫,并配备必要的通风设施。
2. 温度控制在适宜范围内,避免过高或者过低对产品质量的影响。
3. 车间内应设置防火设施,确保生产过程的安全性。
三、原材料准备1. 原材料应符合国家相关标准,确保质量安全。
2. 原材料的储存应遵循先进先出的原则,避免过期使用。
3. 原材料的称量和配比应准确无误,确保产品的口味和质量稳定。
四、生产工艺流程1. 原料混合:按照配方比例将各种原材料放入混合机中,进行均匀混合。
2. 研磨:将混合后的原料进行研磨,使颗粒达到所需的细度。
3. 烘干:将研磨后的原料进行烘干处理,去除多余的水分。
4. 冷却:将烘干后的原料进行冷却处理,降低温度。
5. 包装:将冷却后的产品进行包装,确保产品的密封性和卫生安全。
6. 检验:对包装好的产品进行质量检验,确保产品符合相关标准。
7. 成品储存:将合格的产品进行储存,避免受潮、受热等不良影响。
五、设备操作规范1. 操作人员应熟悉设备的使用方法和操作流程,并定期进行设备维护和保养。
2. 操作人员应佩戴适当的防护用品,如手套、口罩等,确保个人安全。
3. 操作人员应按照操作规范进行操作,严禁私自调整设备参数或者操作方法。
4. 设备故障应及时报修,并在故障排除后进行测试和验证。
六、卫生要求1. 操作人员应保持良好的个人卫生习惯,如洗手、穿戴干净的工作服等。
2. 生产车间应定期进行清洁和消毒,确保无菌环境。
3. 废弃物应及时清理,避免滋生细菌和异味。
七、质量控制1. 生产过程中应进行严格的质量控制,包括原料质量、生产环境和产品质量等方面。
2. 每批产品应进行抽样检验,确保产品符合相关标准。
*************有限公司****固体饮料生产作业指导书文件编号:QS-STP-001-00制定人:日期:年月日审核人:日期:年月日批准人:日期:年月日分发部门:生产部质量部执行日期: 年月日目录第一章总则第二章产品概述第三章生产配方及生产工艺流程图第四章操作过程和工艺条件第五章物料、成品质量标准及贮存、注意事项第六章质量控制要点一览表、工艺员查证内容、质量检查员检查内容第七章工艺卫生和环境卫生第八章主要工序提取消耗指标及物料平衡第九章附则第一章总则一.生产作业指导,是企业生产活动的最重要、最基础的管理之一。
生产作业活动是最直接关系到企业产品生产的产量、质量和成本。
为规范固体饮料生产作业的操作过程,特制定本生产作业指导书。
二.生产作业指导的主要内容包括工艺流程指导、操作过程与工艺条件指导、质量控制指导、工艺环境和卫生管理指导。
三.保障生产作业过程的先进性、合理性,充分发挥设备的效力,优质、高产、低消耗,确保生产作业过程的安全、高效是生产作业指导的宗旨。
四.原辅材料的供应及水、电、汽、冷的供应、运输,劳动组织、设备的维护保养、更新改造、技术改造等,都是为生产作业的高效、安全运行服务的。
因此,必须为保证生产作业的正常、安全运行,创造一个良好的环境和条件。
五.本指导书适用于杨凌萃健生物工程技术有限公司固体饮料生产车间及管理部门。
六.本指导书由****部提出,由管理者代表签署发布。
第二章产品概述本品是以*****、麦芽糊精为主要原料,添加木糖醇、****,****经加水浸泡提取、过滤、浓缩、调配、干燥、粉碎、混合、包装工艺加工制成的*****固体饮料。
名称:****固体饮料汉语拼音:** Gutiyinliao类型:固体饮料色泽:本品呈浅黄色至棕黄色,,冲溶后呈均匀混悬液。
规格:5.0g/袋贮藏:密封,阴凉处避光贮存。
有效期:24个月第三章生产配方及工艺流程图1.配方及批量100.0kg(2万袋)2.工艺流程图(含生产区环境净化级别)第四章操作过程及工艺条件1.开工准备1)复查作业场所,确认现场合格。
2)检查电子台秤,确认衡器精确。
3)复核起始物料名称、数量准确无误,质量合格。
2.称量备料1)准确称取配方中各物料,标明品名、数量、物料编码。
2)一人称量;第二人独立核对,并签名。
3)按规定及时填写生产记录,并复核。
4)按岗位清洁及设备SOP清理作业现场,填写清场记录。
3.提取3.1. 药材前处理执行药材净选、清洗、切制,干燥岗位标准操作规程,将****筛选、清洗后干燥,切制,将切制的药材干燥,放凉,收装。
工艺参数:每盘摊2.5kg,60℃±5℃干燥,每2小时翻动1次3.2. 提取执行提取岗位操作规程,按批生产指令称取净药材人参30.0kg。
将人参加水煎煮3次,分别为2.0小时、2.0小时、1.0小时;滤过,合并滤液。
工艺参数:第一次加水8倍量(960L)、第二次加水8倍(960L),第三次加水8倍量(960L)4.浓缩:执行浓缩岗位操作规程,将提取滤液在双效外循环蒸发器(无此设备)中浓缩至相对密度浓缩至相对密度1.30~1.32(约得水提浓缩稠膏35.0kg,0~5℃贮存备用。
工艺参数:温度一效:80~90℃,二效60~75℃;浓缩负压一效-0.03±0.01MPa,二效-0.07±0.01Mpa;浓缩液0~5℃贮存5.调配将浓缩后的水提浓缩稠膏在洁净区内放入不锈钢配料罐内,按配方量称取检验合格的麦芽糊精,开启搅拌,搅拌时间控制在0.5~1小时,混配好的物料交干燥岗位作干燥处理。
6.干燥(真空干燥、粉碎)执行真空干燥岗位操作规程,将调配好的浓缩稠膏真空干燥后粉碎过60目筛;得提取粉30kg,装袋。
工艺参数:-0.08±0.01Mpa、干燥温度(70±5℃),膏粉水分≤4%7.粉碎执行粉碎过筛岗位操作SOP,将配方中木糖醇粉碎过60目筛,备用。
8.混合按总混岗位、多向运动混合机操作SOP进行;将上述人参提取粉、木糖醇粉碎粉混合15分钟后,按配方量称取检验合格的维生素C按照等量递增原则加入后继续混合15分钟出料;总混后的颗粒装入双层塑料袋包装、称量、编号、挂牌,转中间站。
4)按规定及时填写生产记录,并复核。
5)按岗位及设备清洁SOP清理作业现场,填写清场记录。
9.分装按分装岗位SOP操作。
1)调节纵封温度120~140℃;调整装量为规格5.0g/袋;按冲裁速度55~60次/min进行操作。
2)每隔15分钟自检一次装量差异3)将合格分装半成品,装入周转桶内,计量,编号,转中间站。
4)按规定及时填写生产记录,并复核。
5)按分装岗位SOP清理作业现场,填写清场记录。
10.外包装1)执行外包岗位SOP、执行喷码机SOP,设定好生产日期、产品批号,复核无误后对纸盒进行印码;将半成品按包装规格进行包装;装箱用胶带封口;外箱喷码打包,完成外包的成品办理寄库。
完成检验、评价放行后变更状态,办理入库手续。
包装不足整件,零头直接入库。
2)及时填写记录,并复核。
3)按外包岗位清洁SOP清理作业现场,填写清场记录。
4)包装规格5.0g/袋×30袋/盒×***盒/箱或5.0g/袋×30袋/盒×***盒/箱第五章物料、成品质量标准及贮存、注意事项1 原料质量标准1.1******)1.3木糖醇2 包装材料质量标准2.1 复合膜2.1.3.微生物限度要求:2.2 彩盒2.3 纸箱2.6 合格证3 成品质量标准****固体饮料3.1感官要求应符合表1的规定。
3.2理化指标应符合表2的规定。
应符合表3的规定。
应符合《定量包装商品计量监督管理办法》的规定。
4 贮存注意事项4.1 物料、中间产品、成品储存区应与生产规格相适应的面积和空间。
4.2 储存区物料、中间产品、成品的存放应有能够防止差错和交叉污染的措施。
各区有明显的分隔和标志。
4.3 仓储区应保持清洁和干燥,安装必要的照明和通风、除尘设施,仓储区的温度、湿度控制能符合储存要求,并每天二次进行监测。
4.4 取样时应能有效地防止污染和交叉污染。
4.5 待验、合格、不合格的物料、中间产品、成品应严格管理,应有明显的标识。
4.6 不合格的物料、中间产品、成品应设立专区存放,并按有关规定及时处理。
4.7 有特殊要求的物料、中间产品和成品应按规定条件储存。
4.8 固体原料和液体原料应分开储存,挥发性物料应避免污染其他物料。
4.9 易燃、易爆和其它危险品应设危险品库,并按规定验收、储存、保管。
4.10 易燃、易爆原辅材料外包装上应有明显的规定标志。
4.11 物料应按规定的使用期限储存,期满后,按规定复验,储存期内如有特殊情况应及时复验。
4.12 原辅料标签、使用说明书应按品种、规格专柜(库)存放,并凭批包装指令发放,按照实际需要量领取。
4.13标签经检验合格后应记数发放,领用人领用时应核对,标签的使用数、残损数及剩余数之和应与领用数相符,生产剩余的标签应及时退回库房。
第六章质量控制要点一览表、工艺员查证内容、质量检查员检查内容1 质量控制要点一览表2 工艺员查证内容2.1 文件、生产记录管理2.1.1 在每批清场后、下批生产前收回本批的生产记录,发放下一批的生产记录。
2.1.2 生产品种更换时,在每批清场后、下批生产前,要收回本批的岗位品种相关记录,同时发放下一批的岗位品种相关记录表。
2.2 工艺纪律查证自己起先锋模范作用的前提下,每天随时检查,保持生产场所安静、有序,以及做好“三穿两戴”,不脱岗、不窜岗、不睡岗。
2.3 工艺卫生检查岗位是否做到地面整洁,门窗玻璃洁净完好,设备、仪器、管道排列整齐。
2.4 生产记录负责检查每批各岗位生产记录。
重点是根据现场核对记录,检查记录是否内容真实、及时、准确。
发现问题立即指出并纠正。
2.5 清场检查清场工作并与车间人员共同确认,以免发生混料事故,各生产工序在更换生产品种、规格及批号前是否清理作业场所。
2.6 操作检查采取抽查形式,检查操作员是否严格执行岗位SOP。
3 质量检查员检查内容3.1 生产记录负责检查每批各岗位生产记录。
重点是根据现场核对记录,检查记录是否内容真实、及时、准确。
发现问题立即指出并纠正。
3.2 工艺卫生按生产区卫生管理制度的相应项目检查发现不合格时,监督岗位操作员重新处理,直至检查合格。
3.3清场更换批号或更换品种规格应严格进行检查,在清场记录签名确认。
对于每天产前,应对各岗位确认工作(如卫生、清场等工作)进行核对并签名。
3.4 质量控制3.4.1 备料检查原辅料质量;称量应进行核对并签名。
3.4.2 提取检查是否按照规定的工艺条件进行提取,加水量是否够,提取时间是否够。
3.4.3 混合检查是否按照等量递增法,先将维生素C与等量的混合粉进行混匀,并逐渐递增不断混匀,检查混合后物料是否均一,混合时间是否符合规定。
3.4.4分装装量检查:每次随机检查10袋装量,每天至少抽查2次,应在装量范围内。
封口:检查封口是否密封,不漏气,是否符合要求。
3.4.5外观检查每天至少抽样2次,目测检查,成品样应符合要求。
3.4.6批号清晰抽查20袋,批号应清楚,打印位置正确。
3.5 外包装3.5.1 随时检查印字质量,做好废证、废盒处理监督工作。
对每批纸盒要确认标签内容与本批生产品种品名规格、批号相符。
3.5.2 随时检查纸箱批号质量及封箱质量,定时抽查装箱数量,产品合格证、说明书并核对批号、内容是否正确。
3.6其他3.6.1 检查车间温湿度并做好记录。
3.6.2 做好每日质量情况记录。
第七章工艺卫生和环境卫生1 食品生产企业应有防止污染的卫生措施,制定各项卫生管理制度,并由专人负责。
2 食品生产企业必须有整洁的生产环境;厂区的地面、路面及运输等不应对食品的生产造成污染;生产、行政、生活和辅助区的总体布局应合理,不得互相妨碍。
3 在设计和建设厂房时,应考虑使用时便于进行清洁工作。
洁净室(区)的内表面应平整光滑、无裂缝、接口严密、无颗粒物脱落,并能耐受清洗和消毒,墙壁与地面的交界处宜成弧形或采取他措施,以减少灰尘积聚和便于清洁。
4 生产区不得存放非生产物品和个人杂物。
生产中的废弃物应及时处理。
5 更衣室、浴室及厕所的设置不得对洁净室(区)产生不良影响。
6工作服的选材、式样及穿戴方式应与生产操作和空气洁净度级别要求相适应,并不得混用。
洁净工作服的质地应光滑、不产生静电、不脱落纤维和颗粒性物质。
工作服洗涤、灭菌时不应带入附加的颗粒物质。
工作服应制定清洗周期。
7 食品生产人员应有健康档案。
直接接触成品液的生产人员每年至少体检一次。
传染病、皮肤病患者和体表有伤口者不得从事直接接触药品的生产。
8其他8.1 物料、中间产品进入仓库前要进行外清。