TB-T3274-2011铁路混凝土梁配件多元合金共渗防腐技术条件
- 格式:pdf
- 大小:1.21 MB
- 文档页数:9
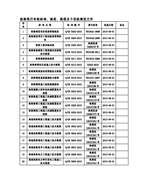
铁路现行有效标准、规范、规程及个别铁建设文件序号标准名称标准编号替代标准实施日期备注1 铁路建设项目现场管理规范Q/CR 9202-2015 TB10441-2008 2015-06-012 铁路建设项目工程试验室管理标准Q/CR 9204-2015 TB10442-2009 2015-06-013 铁路工程试验表格Q/CR 9205-2015铁建设函[2009]27号2015-06-014 铁路路基填筑工程连续压实控制技术规程Q/CR 9210-2015 TB10108-2011 2015-06-015 铁路钢桥制造规范Q/CR 9211-2015 TB10212-2009 2015-06-016 铁路桥梁钻孔桩施工技术规程Q/CR 9212-2015 TZ322-2010 2015-06-017 铁路隧道超前地质预报技术规程Q/CR 9217-2015铁建设[2008]105号2015-06-018 铁路隧道监控量测技术规程Q/CR 9218-2015 TB10121-2007 2015-06-019 铁路隧道施工抢险救援指南Q/CR 9219-2015铁建设[2010]88号2015-06-0110 铁路混凝土拌和站机械配置技术规程Q/CR 9223-2015铁建设[2012]113号2015-06-0111 铁路路基工程施工机械配置技术规程Q/CR 9224-2015铁建设[2012]113号2015-06-0112 铁路桥梁工程施工机械配置技术规程Q/CR 9225-2015铁建设[2010]125号2015-06-0113 铁路隧道工程施工机械配置技术规程Q/CR 9226-2015铁建设函[2008]777号2015-06-0114 高速铁路路基工程施工技术规程Q/CR 9602-2015铁建设[2010]241号2015-06-0115 高速铁路桥涵工程施工技术规程Q/CR 9603-2015铁建设[2010]241号2015-06-0116 高速铁路隧道工程施工技术规程Q/CR 9604-2015铁建设[2010]241号2015-06-0117 高速铁路通信工程施工技术规程Q/CR 9606-2015铁建设[2010]241号2015-05-0118 高速铁路信号工程施工技术规程Q/CR 9607-2015铁建设[2010]241号2015-05-0119 高速铁路电力工程施工技术规程Q/CR 9608-2015铁建设[2010]241号2015-05-0120 高速铁路电力牵引供电工程施工技术规程Q/CR 9609-2015铁建设[2010]241号2015-05-0121 客货共线铁路通信工程施工技术规程Q/CR 9655-2015 TZ205-2009 2015-05-0122 客货共线铁路电力工程施工技术规程Q/CR 9657-2015 TZ207-2007 2015-05-0123 铁路给水排水施工技术规程Q/CR 9221-2015 TZ209-2009 2015-05-0124 铁路通信、信号、电力、电力牵引供电施工机械配置技术规程Q/CR 9228-2015铁建设[2012]113号2015-05-0125 铁路给水排水工程施工机械配置技术规程Q/CR 9229-2015铁建设[2012]113号2015-05-0126 铁路路基设计规范TB 10001-2005 TB10001-99 2005-04-2527 铁路隧道设计规范TB 10003-2005 TB10003-2001 2005-04-2528 铁路桥涵设计基本规范TB 10002.1-2005 TB10002.1-99 2005-06-1429 铁路桥梁钢结构设计规范TB 10002.2-2005 TB10002.2-99 2005-06-1430 铁路桥涵钢筋混凝土和预应力混凝土结构设计规范TB 10002.3-2005 TB10002.3-99 2005-06-1431 铁路桥涵混凝土和砌体结构设计规范TB 10002.4-2005 TB10002.4-99 2005-06-1432 铁路桥涵地基和基础设计规范TB 10002.5-2005 TB10002.5-99 2005-06-1433 铁路机务设备设计规范TB 10004-2008 TB10004-1998 2009-02-0134 铁路混凝土结构耐久性设计规范TB 10005-2010铁建设[2005]157号2010-12-2035 铁路通信设计规范TB 10006-2016 TB10006-2005 2017-03-01 即将实施36 铁路信号设计规范TB 10007-2006 TB10007-1999 2006-04-1037 铁路电力设计规范TB 10008-2015 TB10008-2006 2016-04-0138 铁路电力牵引供电设计规范TB 10009-2016 TB10009-2005 2016-09-0139 铁路房屋建筑设计标准TB 10011-2012 TB10011-1998 2012-03-1940 铁路工程地质勘察规范TB 10012-2007 TB10012-2001 2007-08-3141 铁路工程物理勘探规范TB 10013-2010 TB 10013-2004 2010-08-1642 铁路工程地质钻探规程TB 10014-2012 TB 10014-98 2012-06-0143 铁路无缝线路设计规范TB 10015-2012铁建函[2003]205号2013-05-0144 铁路工程节能设计规范TB 10016-2016 TB 10016-2006 2016-09-0145 铁路工程水文勘测设计规范TB 10017-1999 TBJ 17-1986 1999-09-0146 铁路工程地质原位测试规程TB 10018-2003 TBJ18-1987TBJ37-1993TB10046-1996TB 10051-19972003-03-2847 铁路隧道防灾救援疏散工程设计规范TB 10020-2012 / 2012-07-3048 铁路路基支挡结构设计规范(2009局部修订版)TB 10025-2006 TB 10025-2001 2006-06-2549 铁路工程不良地质勘察规程TB 10027-2012 TB 10027-2001 2012-06-0150 铁路工程特殊岩土勘察规程TB 10038-2012 TB 10038-2001 2012-06-0151 铁路工程岩土分类标准TB 10077-2001 / 2001-12-0152 铁路天然建筑材料工程地质勘察规程TB 10084-2007 / 2007-08-0953 铁路工程测量规范TB 10101-2009 TB 10101-99 2009-12-0154 铁路工程土工试验规程TB 10102-2010 TB 10102-2004 2010-11-2155 铁路工程岩土化学分析规程TB 10103-2008 TBJ 103-87 2009-01-0756 铁路工程水质分析规程TB 10104-2003 TBJ 104-87 2003-06-0157 改建铁路工程测量规范TB 10105-2009 TBJ 105-88 2009-12-0158 铁路工程地基处理技术规程TB 10106-2010 TB 10113-96 2010-08-0359 铁路混凝土梁支架法现浇施工技术规程TB 10110-2011 / 2012-01-0160 铁路工程岩石试验规程TB 10115-2014 TB 10115-98 2015-02-0161 铁路桥梁抗震鉴定与加固技术规范TB 10116-99 / 1999-06-0162 铁路土工合成材料应用技术规范TB 10118-2006 TB 10118-99 2006-06-2563 铁路工程基桩检测技术规程TB 10218-2008 TB 10218-99 2008-07-0164 铁路隧道衬砌质量无损检测规程TB 10223-2004 / 2004-04-0165 铁路工程基本作业施工安全技术规程TB 10301-2009TB10401.1-2003TB10401.2-20032009-09-2466 铁路路基工程施工安全技术规程TB 10302-2009 同上2009-09-2467 铁路桥涵工程施工安全技术规程TB 10303-2009 同上2009-09-2468 铁路隧道工程施工安全技术规程TB 10304-2009 同上2009-09-2469 铁路轨道工程施工安全技术规程TB 10305-2009 同上2009-09-2470 铁路通信、信号、电力、电力牵引供电工程施工安全技术规程TB 10306-2009 同上2009-09-2471 铁路建设工程监理规范TB 10402-2007 TB 10402-2003 2007-07-0172 铁路轨道工程施工质量验收标准TB 10413-2003 TB 10413-98 2004-01-0173 铁路路基工程施工质量验收标准TB 10414-2003 TB 10414-98 2004-01-0174 铁路桥涵工程施工质量验收标准TB 10415-2003 TB 10415-98 2004-01-0175 铁路隧道工程施工质量验收标准TB 10417-2003 TB 10417-98 2004-01-0176 铁路运输通信工程施工质量验收标准TB 10418-2003 TB 10418-2000 2004-01-0177 铁路信号工程施工质量验收标准TB 10419-2003 TB 10419-2000 2004-01-0178 铁路电力工程施工质量验收标准TB 10420-2003 TB 10420-2000 2004-01-0179 铁路电力牵引供电工程施工质量验收标准TB 10421-2003 TB 10421-2000 2004-01-0180 铁路给水排水工程施工质量验收标准TB 10422-2011 TB 10422-2003 2011-05-0381 铁路站场工程施工质量验收标准TB 10423-2014 TB 10423-2003 2014-08-0182 铁路混凝土工程施工质量验收标准TB 10424-2010TB 10424-2003铁建设[2009]152号2010-12-0883 铁路混凝土强度检验评定标准TB 10425-94 TBJ 210-86 1994-04-0184 铁路工程结构混凝土强度检测规程TB 10426-2004 / 2004-04-0185 铁路声屏障工程施工质量验收标准TB 10428-2012 / 2012-12-1286 铁路建设项目资料管理规程TB 10443-2010 / 2010-01-0487 高速铁路工程测量规范TB 10601-2009铁建设[2006]189号铁建设[2007]76号2009-12-0188 高速铁路设计规范TB 10621-2014 TB 10621-2009 2015-02-0189 城际铁路设计规范TB 10623-2014 / 2015-03-0190 高速铁路路基工程施工质量验收标准TB 10751-2010铁建设[2005]160号铁建设[2006]169号2010-12-0891 高速铁路桥涵工程施工质量验收标准TB 10752-2010铁建设[2005]160号2010-12-0892 高速铁路隧道工程施工质量验收标准TB 10753-2010铁建设[2005]160号铁建设[2006]169号2010-12-0893 高速铁路轨道工程施工质量验收标准TB 10754-2010铁建设[2005]160号铁建设[2007]85号铁建设[2009]218号铁建设[2009]90号2010-12-0894 高速铁路通信工程施工质量验收标准TB 10755-2010铁建设[2007]251号2010-12-0895 高速铁路信号工程施工质量验收标准TB 10756-2010铁建设[2007]213号2010-12-0896 高速铁路电力工程施工质量验收标准TB 10757-2010铁建设[2007]715号2010-12-0897 高速铁路电力牵引供电工程施工质量验收标准TB 10758-2010铁建设[2006]167号2010-12-0898 高速铁路工程静态验收技术规范TB 10760-2013铁建设[2009]183号2013-02-2499 铁路钢桥保护涂装及涂料供货技术条件TB∕T 1527-2011TB∕T1527-20042012-01-01100 铁路桥梁钢支座TB∕T 1853-2006TB∕T1853-19952006-06-21101 预应力混凝土枕疲劳试验方法TB∕T 1878-2002TB∕T1878-19872002-12-01102 预应力混凝土枕静载抗裂试验方法TB∕T 1879-2002TB∕T1879-19872002-12-01103 铁路桥梁板式橡胶支座TB∕T 1893-2006 TB∕T 1893-87 2007-05-01104 铁路用无损检测材料技术条件第1部分:磁粉检测用材料TB∕T2047.1-2011TB∕T2047-20052011-11-01105 铁路用无损检测材料技术条件第2部分:渗透检测用材料TB∕T2047.2-2011TB∕T2047-20052011-11-01106铁路用无损检测材料技术条件第3部分:超声波检测用探头TB∕T2047.3-2011TB∕T2047-20052011-11-01107 吸水式锚固包技术条件TB∕T 2093-2002TB∕T2093-19892002-12-01108 铁路碎石道砟TB∕T 2140-2008TB∕T2140-19902008-12-01109 混凝土枕TB∕T 2190-2013TB∕T2190-20022013-06-01110 铁路碎石道碴试验方法TB∕T 2328.1~19-2008TB∕T2328.1-19922008-12-01111 铁路桥梁盆式支座TB∕T 2331-2013TB∕T2331-20042013-05-20112 钢轨超声波探伤仪TB∕T 2340-2012TB∕T2340-20002012-07-01113 预制先张法预应力混凝土铁路桥简支 T梁技术条件TB∕T 2484-2005TB∕T2484-19942005-10-01114 铁路碎石道床底碴TB∕T 2897-1998 / 1998-09-01115 铁路混凝土用骨料碱活性试验方法岩相法TB∕T2922.1-1998/ 1998-11-01116 铁路混凝土用骨料碱活性试验方法化学法TB∕T2922.2-1998/ 1998-11-01117 铁路混凝土用骨料碱活性试验方法砂浆棒法TB∕T2922.3-1998/ 1998-11-01118 铁路混凝土用骨料碱活性试验方法岩石柱法TB∕T2922.4-1998/ 1998-11-01119 铁路混凝土用骨料碱活性试验方法快速砂浆棒法TB∕T2922.5-2002/ 2002-12-01120 铁路混凝土桥面防水层技术条件TB∕T 2965-2011TB∕T2965-19992012-01-01121 预制后张法预应力混凝土铁路桥简支T梁技术条件TB∕T 3043-2005TB∕T3043-20022005-10-01122 铁路混凝土工程预防碱-骨料反应技术条件TB∕T 3054-2002 / 2002-12-01123 有砟轨道混凝土岔枕TB∕T 3080-2014TB∕T3080-20032015-05-01124 铁路混凝土双片式简支梁横向加固技术条件TB∕T 3191-2008 / 2008-07-01125 铁路后张法预应力混凝土梁管道压浆技术条件TB∕T 3192-2008TB∕T3192-20082008-07-01据说现实Q/CR409-2014126 铁路工程预应力筋用夹片式锚具、夹具和连接器TB/T 3193-2016TB/T3193-20082016-09-01127 中空锚杆技术条件TB ∕T 3209-2008 / 2008-12-01 128 铁路混凝土结构耐久性修补及防护 TB ∕T 3228-2010 / 2010-08-01 129 铁路混凝土梁配件多元合金共渗防腐技术条件TB ∕T 3274-2011 / 2012-01-01 130 铁路桥梁球型支座 TB ∕T 3320-2013 / 2013-05-20 131 铁路隧道钢筋混凝土管片TB ∕T 3353-2014 / 2015-05-01132 铁路隧道排水板TB ∕T 3354-2014/ 2015-05-01 16版部分修改了15版的 133 《铁路隧道排水板》第1号修改单TB ∕T3354-2014/XG1-2016修改TB ∕T 3354-2014 2016-08-15 134 预应力中空锚杆TB ∕T 3356-2014 TB ∕T 3356-20142015-05-01 135 铁路隧道防水材料 第1部分:防水板 TB ∕T3360.1-2014 / 2015-05-01 136 铁路隧道防水材料 第2部分:止水带 TB ∕T 3360.2-2014 / 2015-05-01 137 铁路工程地质勘察监理规程 TB ∕T 10403-2004 / 2005-01-05 138 铁路钢桥高强度螺栓连接施工规定TBJ 214-92 / 1992-09-01 139 铁路混凝土 TB/T 3275-2011 / 2012-01-01 140 高速公路箱型运梁车 TB/T 3295-2013 / 2013-06-01 141 电气化铁路接触网隧道内预埋槽道 TB/T 3329-2013 / 2013-07-01 142 CRTS 双块式无砟轨道混凝土轨枕 TB/T 3397-2015 / 2016-02-01 143 高速铁路预制后张法预应力混凝土简支梁TB/T 3432-2016/2016-08-01144 铁路工程制图标准 TB/T 10058-2015 TB/T 10058-98 2015-12-01 145 铁路工程图形符号标准 TB/T 10059-2015 TB/T 10059-98 2015-12-01 146 铁路混凝土桥梁梁端防水装置 TB/T 3435-2016 / 2016-08-01 147 螺旋道钉硫磺锚固及绝缘防锈涂料 TB/Z 5-1976 / 1977-01-01 148铁路工程混凝土结构高强钢筋设计规定 铁总建设[2015]343 /2016-03-01149 中国铁路总公司工程管理中心关于进一步加强铁路混凝土质量控制的通知工管质安函[2014]169号/ 2014-05-30150 铁路工程拌和站及试验室数据接口暂行规定工管办函[2013]381号/ 2013-10-22151 高速铁路轨道工程施工技术指南铁建设[2010]241号TZ 211-2005 2010-12-08152 铁路混凝土工程施工技术指南铁建设[2010]241号TZ 210-2005 2010-12-08153 铁路建设项目物质设备管理办法铁建设[2012]126号铁建设[2006]83号铁建设[2007]495号铁建设[2010]163号2012-10-01154 铁路混凝土工程钢筋机械连接技术暂行规定铁建设[2010]41号/ 2010-03-19155 关于取消铁路建设项目开工报告审批的通知铁总计统[2015]252号/ 2015-09-06156 300钢筋修改文铁总建设[2013]52号/ 2013-06-13157 400钢筋有关工作的通知铁总建设[2013]99号/ 2013-08-07158 铁路建设管理办法铁总建设[2015]78号/159 铁路项目施工招投标实施细则(试行)铁总建设[2015]146号/ 2015-04-30160 铁路建设项目施工作业指导书编制办法铁总建设[2015]188号/ 2015-06-24161关于进一步规范铁路建设项目征地拆迁验工计价工作的补充通知铁总建设[2015]257号/ 2015-09-16162 铁路建设项目工程总结管理办法铁总建设[2015]261号/ 2015-09-24163 《铁路建设项目标准化管理绩效考核实施办法》铁总建设【2014】280号/ 2014-10-16164 高速铁路CRTSⅢ型板式无砟轨道自密实混凝土暂行技术条件铁总科技[2013]125号/ 2013-10-08165 高速铁路无砟轨道嵌缝材料暂行技术条件铁总科技【2013】162号/ 2013-12-10。
材料检验制度一、目的为了保证产品所用的各种材料质量符合规定要求,对本制梁场的主要原材料、构件的质量要求和检验频率进行控制,特制定材料检验制度。
二、适用范围本制度适用于与中铁十八局集团第二工程八里甸子制梁场有关的主要原材料、构件的控制。
三、检验机构设置及职能检验机构为:中铁十八局集团第二工程八里甸子制梁场试验室,该试验室由母体试验室中铁十八局集团第二工程中心试验室按?铁路建设工程工程试验室管理标准?对人员、仪器设备配置及管理情况进行验收,验收合格后给予授权,授权范围覆盖了申证产品相关的主要原材料等工程。
梁场试验室人员:***〔主任兼技术负责人〕、***〔质量负责人〕、***、***、***、***,均持有?试验员证?,试验室主任***、质量负责人***为试验工程师,其职责和权限按?试验管理手册?执行,具体试验方法见?试验作业指导书?。
特殊材料及过程检验,委托具有相应资质的检验单位检验。
四、一般要求进场材料必须附生产厂家的出厂合格证或产品质量检验证明书,进场后由物资部门填写?试验任务委托单?,连同出厂合格证、质量证明书或检验报告单交制梁场试验室,由制梁场试验室按标准取样检验。
检验完成后试验室及时签发材料检验结果通知单和材料试验报告,物资部收到试验室的材料检验结果通知单和材料试验报告,确认材料检验合格后办理入库手续;检验不合格时,通知物资部等有关部门按不合格材料处理。
当材料标准及材料试验方法被修订时,按最新版本的要求实施。
在材料检验制度执行中,假设有局部标准及具体的技术要求有更新时,更新局部以附件形式进行补充说明。
对每类原材料试验的各检验指标每月进行一次统计分析,并将统计分析结果及时向物资部反响。
试验室每月月底进行一次质量目标完成情况的考核,考核表见附录表33。
五、预制梁用钢筋-2021-2007〕、?钢筋焊接及验收规程?〔JGJ18-2021〕和?预制后张法预应力混凝土铁路桥简支T梁技术条件?TB/T3043-2005、?铁路混凝土工程施工质量验收标准?TB10424-2021等现行国家标准的规定和技术要求。
生产预应力混凝土铁路桥简支梁产品生产许可证发证产品及标准第一条本细则发证产品定义、范围及单元划分
(一)定义
预应力混凝土铁路桥简支梁定义为铁路上使用的,配置受力的预应力钢筋并被施加预应力,一端为纵向活动支座,另一端为纵向固定支座的两端支撑的混凝土桥梁(见TB10092-2017《铁路桥涵混凝土结构设计规范》)。
(二)范围
在中华人民共和国境内生产本细则规定的预应力混凝土铁路桥简支梁产品的,应当依法取得生产许可证,任何企业未取得生产许可证不得生产本细则规定的预应力混凝土铁路桥简支梁产品。
其范围是指在工厂(场)生产的预应力混凝土铁路桥简支梁,并以简支状态使用的桥梁产品。
对于直接在桥墩上现浇的预应力混凝土铁路桥简支梁、在工厂(场)生产半成品并在桥墩上拼装成简支状态的桥梁、在工厂(场)生产的预应力混凝土铁路桥简支梁半成品并在桥墩拼装成连续梁的不在本细则规定范围内。
特殊情况下,根据工程建设设计要求,生产企业整个生产周期的制梁总数不足60件时,由具备承担该产品检测资质的检测机构检测合格,并由建设甲方提供书面认可同意后,可以不用申请生产许可证。
按企业标准、地方标准等生产的预应力混凝土铁路桥简支梁产品,属于本细则列出的相关国家标准和行业标准的范畴或适用范围的,企业应按相应的国家标准或行业标准取证。
(三)产品单元、产品品种划分
产品单元、产品品种划分,见表
第二条本细则的发证产品应执行的产品标准和相关标准见表2-1和表2-2。
注:标准一经修订,企业应当自标准实施之日起按新标准组织生产,生产许可证企业实地核查应当按照新标准要求进行。
Science and Technology & Innovation ┃科技与创新·139·文章编号:2095-6835(2016)21-0139-02金属构件多元合金共渗技术李瑞平(福建宏贯路桥防腐科技股份有限公司,福建 龙岩 364000)摘 要:高铁及其铁轨钢构件的技术创新和快速发展推动了高铁走向世界并改变世界。
然而,高铁在使用过程中因长期暴露在自然环境中,其铁轨上的零部件易受到不同程度的腐蚀,进而缩短了高铁的使用寿命,埋下了安全隐患。
因此,高铁铁轨所用的零部件必须具备较强的防腐性能。
介绍了金属防腐技术的种类及特点,阐述了高铁金属构件防腐工艺的发展现状,并着重介绍了多元合金共渗技术原理、工艺以及技术瓶颈。
关键词:耐腐蚀材料;铁路;多元合金共渗;金属防腐技术中图分类号:TG711 文献标识码:A DOI :10.15913/ki.kjycx.2016.21.139随着社会经济的快速发展,人类文明不断进步,但大规模的工业化也给人类赖以生存的环境造成了一定程度的破坏。
类似酸雨等自然现象对环境具有破坏性的腐蚀能力。
腐蚀不仅消耗了人们生活中不可缺少的自然资源,而且严重破坏了自然环境及工业生产的正常运行,腐蚀造成的巨大经济损失和严重的环境污染已成为影响现代社会可持续发展的重要因素之一。
据统计,全世界每年因腐蚀造成的直接经济损失约为7 000亿美元,是地震、水灾、台风等自然灾害总和的6倍;我国每年为腐蚀支付的直接与间接费用总和达5 000亿元,约占GDP 的5%以上。
1 金属防腐技术金属材料的腐蚀和防护是当今世界面临的迫切需要解决的问题。
金属防腐的方法有很多,具体分为以下4种。
1.1 添加耐腐蚀材料在制造金属零件的过程中,添加不易与周围介质发生反应的耐腐蚀材料。
比如添加铬、镍钛等在空气中不易氧化,能生成致密的印化溥膜,可以抵抗酸、碱、盐等的腐蚀,将其加入到铁或铜中,可制成防腐蚀性优异的金属制品。
铁路混凝土防腐预埋件技术条件2023-6-2发布2023-6-2实施目录第一章范围 (1)第二章规范性引用文件 (2)第三章术语和定义 (4)3.1 多元素粉末渗剂 (4)3.2 多元素粉末共渗 (4)3.3 共渗钝化封闭复合防腐技术(PCA技术) (4)3.4 复合防腐层 (4)第四章技术要求 (5)4.1 原材料 (5)4.1.1 铁制原材料 (5)4.1.2 其它原材料 (5)4.2 机加工 (5)4.2.1 螺栓孔中心距 (5)4.2.2 螺纹精度 (5)4.3 PCA工艺 (6)4.3.1 复合防腐层 (6)4.3.2 钝化 (6)4.3.2 封闭 (7)第五章检验方法 (8)5.1 螺栓孔中心距 (8)5.2 螺纹精度 (8)5.3 平整度 (8)5.4 化学成分、拉伸性能、冲击吸收能量 (8)5.5 封闭层附着力 (8)5.6 渗层元素 (9)5.7 渗层硬度 (9)5.8 渗层厚度 (9)5.9 防腐层厚度 (9)5.10 耐盐雾性 (9)5.11 耐湿热性 (10)第六章检验方法 (11)6.1 复合防腐层检验 (11)6.2 成品验收检验 (11)6.3 判定规则 (12)附表1:各单元技术条件 (13)第一章范围本标准规定了铁路混凝土梁配件多元合金共渗及相关技术要求、试验检验方法、检验规则及包装、标志、运输和贮存。
本标准适用于生产的采用PCA技术进行防腐的铁路混凝土梁配件(以下简称预埋件),其他预埋件防腐处理可参照相关标准执行。
第二章规范性引用文件表2-1 执行标准及规范第三章术语和定义3.1 多元素粉末渗剂由锌粉、锌铝合金粉(铝含量为7%~11%)、铝镁合金粉(含45%~55%)、纳米稀土化物和活化剂等制成的粉状混合物。
3.2 多元素粉末共渗将工件置于多元素粉末渗剂中,经过一次加热扩散过程,使多种元素渗人工件基体和渗剂中金属堆积在工件表面的热处理过程。
3.3 共渗钝化封闭复合防腐技术(PCA技术)对钢构件表面进行多元素粉末共渗 +钝化 +封闭或多元素粉末共渗+化处理后,使其具有防腐功能的技术。
预制后张法预应力混凝土铁路桥简支T梁技术条件说明书1 总则1.1 编制依据及适用范围本工艺细则依据TB/T3043-2005《预制后张法预应力铁路桥简支T梁技术条件》、《通桥(2005)2101-Ⅰ、Ⅱ》、《通桥(2005)2201-Ⅰ、Ⅱ》、《预应力混凝土铁路桥简支梁产品生产许可证实施细则》、等文件,规定了通桥(2005)2101时速160公里和通桥(2005)2201时速200公里客货共线铁路用后张法预应力混凝土简支T梁(单、双线)的材料、施工工艺及检查验收、产品入库、制造技术证明书、保管及运输等的技术要求。
本工艺细则适用于中铁二十五局集团第一工程有限公司于都制梁场,设计客运200km/h和160km/h客货共线铁路后张法预应力混凝土简支T梁预制生产。
1.2 引用图纸及标准1.2.1 引用设计图纸通桥(2005)2101-Ⅰ预制后张法简支T梁(角钢支架方案)(直、曲线,32m)通桥(2005)2101-Ⅱ预制后张法简支T梁(角钢支架方案)(直、曲线,24m)通桥(2005)2201-Ⅰ预制后张法简支T梁(角钢支架方案)(直、曲线,32m)通桥(2005)2201-Ⅱ预制后张法简支T梁(角钢支架方案)(直、曲线,24m)通桥(2007)8160 客货共线铁路常用跨度简支T梁支座通桥(2006)8061 客货共线铁路桥梁防水体系1.2.2 引用标准1.2.2.1 产品标准TB/T 3043—2005 预制后张法预应力混凝土铁路桥简支T梁技术条件1.2.2.2 设计规范TB 10005-2010 铁路混凝土结构耐久性设计规范TB 10002.1-2005 铁路桥涵设计基本规范TB 10002.3-2005 铁路桥涵钢筋混凝土和预应力混凝土结构设计规范1.2.2.3 施工规范JGJ 55-2011 普通混凝土配合比设计规程TZ203-2008 客货共线铁路桥涵工程施工技术指南TB/T 3192-2008 铁路后张法预应力混凝土梁管道压浆技术条件TB/T 2965-2011铁路混凝土桥面防水层技术条件TB/T3275-2011铁路混凝土TB/T 3274-2011铁路混凝土梁配件多元合金共渗防腐技术条件JGJ85-2010 预应力筋用锚具、夹具和连接器应用技术规程GB 50119-2011混凝土外加剂应用技术规范GBJ 146-1990 粉煤灰混凝土应用技术规范JGJ/T178-2009 补偿收缩混凝土应用技术规范1.2.2.4 验收标准TB10424-2010 铁路混凝土工程质量施工质量验收标准TB 10425-1994 铁路混凝土强度检验评定标准JGJ 18-2012 钢筋焊接及验收规程CECS38:2004 纤维混凝土结构技术规程1.2.2.5 主要原材料标准GB 8076-2008 混凝土外加剂GB/T 5224-2003 预应力混凝土用钢绞线TB/T 3193-2008 铁路工程预应力筋用夹片式锚具、夹具和连接器技术条件TB/T 1853-2006铁路桥梁钢支座GB 1499.1-2008 钢筋混凝土用钢第1部分及1号修订单:热轧光圆钢筋GB 1499.2-2007 钢筋混凝土用钢第2部分:热轧带肋钢筋GB/T 700-2006 碳素结构钢GB 175-2007 通用硅酸盐水泥JGJ 52-2006 普通混凝土用砂、石质量及检验方法标准GB/T 1596-2005 用于水泥和混凝土中的粉煤灰GB/T18046-2008 用于水泥和混凝土中的粒化高炉矿渣JGJ 63-2006 混凝土用水标准GB/T 19250-2003 聚氨酯防水涂料GB18242-2008 弹性体改性沥青防水卷材GB/T 20221-2006 无压埋地排污、废水用硬聚氯乙烯(PVC-U)管材GB/T 3077-1999 合金结构钢GB 23439-2009 混凝土膨胀剂JG/T 223-2007 聚羧酸系高性能减水剂JC/T949-2005 混凝土制品用脱模剂铁科基【2005】-101号客运专线高性能混凝土暂行技术条件1.2.2.6 产品试验方法TB/T 2092-2003 预应力混凝土铁路桥简支梁静载弯曲试验方法及评定标准1.2.2.7 材料试验方法GB/T 228.1-2011 金属材料拉伸试验第1部分:室温试验方法GB/T 238-2010 金属材料线材反复弯曲试验方法GB/T 232-2010 金属材料弯曲试验方法JGJ/T 27-2001 钢筋焊接接头试验方法标准GB/T2651-2008 焊接接头拉伸试验方法GB/T2653-2008 焊接接头弯曲试验方法GB/T22315-2008 金属材料弹性模量和泊松比试验方法GB/T21839-2008 预应力混凝土用钢材试验方法GB/T197-2003 普通螺纹公差JGJ/T152-2008 混凝土中钢筋检测技术规程GB/T 230.1-2009 金属材料洛氏硬度试验第1部分:试验方法(A、B、C、D、E、F、G、H、K、N、T标尺)GB/T 230.2-2012 金属材料洛氏硬度第2部分:试验方法(A、B、C、D、E、F、G、H、K、N、T标尺)的检验与校准GB/T 230.3-2012 金属材料洛氏硬度第3部分:试验方法(A、B、C、D、E、F、G、H、K、N、T标尺)的标定GB/T 231.1-2009 金属材料布氏硬度试验第1部分:试验方法GB/T 231.2-2012 金属材料布氏硬度试验第2部分:硬度计的检验与校准GB/T 231.3-2012 金属材料布氏硬度试验第3部分:标准硬度块的标定GB/T 231.4-2009 金属材料布氏硬度试验第4部分:硬度值表JC/T956-2005 勃氏透气仪GB/T 1345-2005 水泥细度检验方法筛析法GB/T 17671-1999 水泥胶砂强度检验方法(ISO法)GB/T 1346-2011 水泥标准稠度用水量、凝结时间、安定性检验方法GB/T 2419-2005 水泥胶砂流动度测定方法GB/T 176-2008 水泥化学分析方法GB/T 8074-2008 水泥比表面积测定方法(勃氏法)GB/T 749-2008 水泥抗硫酸盐侵蚀快速试验方法GB/T 12573-2008 水泥取样方法JC/T1083-2008 水泥与减水剂相容性试验方法GB/T 8077-2000 混凝土外加剂匀质性试验方法GB/T 50080-2002 普通混凝土拌合物性能试验方法标准GB/T 50081-2002 普通混凝土力学性能试验方法标准GB/T 50082-2009 普通混凝土长期性能和耐久性能试验方法标准TB/T 2922.1-1998 铁路混凝土用骨料碱活性试验方法(岩相法)TB/T 2922.3-1998 铁路混凝土用骨料碱活性试验方法(砂浆棒法)TB/T 2922.5-2002 铁路混凝土用骨料碱活性试验方法(快速砂浆棒法)TB/T 3054-2002 铁路混凝土工程预防碱-骨料反应技术条件GB/T 16777-2008 建筑防水涂料试验方法GB/T 18244-2000 建筑防水材料老化试验方法TB/T 10426-2004 铁路工程结构混凝土强度检测规程GB/T14336-2008 化学纤维短纤维长度试验方法GB/T14337-2008 化学纤维短纤维拉伸性能试验方法JJG621-2012 液压千斤顶JJG52-1999 弹簧管式一般压力表、压力真空表和真空表JJG49-1999 弹簧管式精密压力表和真空表检定规程TGX001~086-2012 铁路工程试验仪器检验校验方法TB/T3235-2010 铁路专用几何量计量器具通用技术条件JJF1033-2008 计量标准考核规范TB10442-2009 铁路建设项目工程试验室管理标准铁建设函[2009]27号铁路工程试验表格TB10443-2010 铁路建设项目资料管理规程GB/T8170-2008 数值修约规则与极限数值的表示和判定2. 原材料技术要求桥梁生产所采用的各类原材料,必须具有制造厂家的质量合格证明书或经国家认可的第三方检测机构出具的质量合格检验报告单以及全国生产许可证、CRCC认证、开采证、安全生产许可证等。
2021年5月(总第415期)·98·通报与公告NOTICE AND ANNOUNCEMENTS第49卷Vol.49第5期No.5铁道技术监督RAILWAY QUALITY CONTROL中铁检验认证中心有限公司认证公告2021年第10号(总第497号)中铁检验认证中心有限公司(CRCC )是经国家认证认可监督管理委员会批准,具有第三方公正地位的产品认证机构,批准号为CNCA-R-2002-102。
CRCC 在国家认监委批准的范围内,按照国际通行认证模式开展产品认证、质量管理体系认证工作。
现将本次经复核/决定人员评定、CRCC 作出批准的认证委托人名单(2021年3月2日至2021年3月8日)公布如下。
铁路产品认证1认证证书01.初次认证委托人名称:湖北纽凯伦轨道交通新材料有限公司生产厂名称:湖北纽凯伦轨道交通新材料有限公司制造地址:湖北省黄冈市黄州区火车站经济开发区扬鹰岭大道(原鹰岭二路)22号1.证书编号:CRCC10221P13455R0S-001产品名称:铁路隧道防排水用自粘式防水板规格型号:非阻燃型EVA 自粘式防水板(TJZFSB-研隧(2019)-002),厚度:1.0mm 、1.2mm 、1.5mm ,宽度:4.0m ;非阻燃型PE 自粘式防水板(TJZFSB-研隧(2019)-002),厚度:1.0mm 、1.2mm 、1.5mm ,宽度:4.0m 标准和技术要求:Q/CR 562.1—2018有效期:2021年3月4日至2026年3月3日2.证书编号:CRCC10221P13455R0S-002产品名称:铁路隧道防排水用防排水板规格型号:防排水板(TJFPSB-研隧(2019)-002),厚度:1.0mm 、1.2mm ,宽度:4m ,凸壳高度:10mm 标准和技术要求:Q/CR 562.3—2018有效期:2021年3月4日至2026年3月3日3.证书编号:CRCC10221P13455R0S-003产品名称:铁路隧道防排水用普通防水板规格型号:非阻燃型PE 普通防水板(TJPFSB -研隧(2019)-002),厚度:1.0mm 、1.2mm 、1.5mm ,宽度:4.0m ;非阻燃型EVA 普通防水板(TJPFSB-研隧(2019)-002),厚度:1.0mm 、1.2mm 、1.5mm ,宽度:4.0m 标准和技术要求:Q/CR 562.1—2018有效期:2021年3月4日至2026年3月3日委托人名称:北京中兴弘利科技有限公司生产厂名称:北京中兴弘利科技有限公司临猗分公司制造地址:山西省运城市临猗县楚侯乡209国道临猗段郭村路口西50米(山西石金木业有限公司南侧200米)1.证书编号:CRCC10221P13457R0S-001产品名称:聚羧酸系高性能减水剂规格型号:HL-3缓凝型(含气量≤3.0%,甲基丙烯基聚乙二醇醚∶丙烯酸=7.42∶1);HL-3缓凝型(含气量>3.0%,甲基丙烯基聚乙二醇醚∶丙烯酸=7.42∶1);HL-2标准型(含气量>3.0%,甲基丙烯基聚乙二醇醚∶丙烯酸=7.42∶1);HL-2标准型(含气量≤3.0%,甲基丙烯基聚乙二醇醚∶丙烯酸=7.42∶1)标准和技术要求:TB/T 3275—2018有效期:2021年3月5日至2026年3月4日委托人名称:湖北江城子建材科技有限公司生产厂名称:湖北江城子建材科技有限公司制造地址:湖北省鄂州市葛店开发区创业北路18号1.证书编号:CRCC10221P13458R0S-001产品名称:聚羧酸系高性能减水剂规格型号:TYZ 标准型(含气量≤3.0%,甲基烯丙醇聚醚∶丙烯酸=6.93∶1);TYS 缓凝型(含气量≤3.0%,甲基烯丙醇聚醚∶丙烯酸=6.93∶1)标准和技术要求:TB/T 3275—2018有效期:2021年3月5日至2026年3月4日委托人名称:中铁六局集团丰桥桥梁有限公司生产厂名称:中铁六局集团丰桥桥梁有限公司山东分公司制造地址:山东省德州市宁津县张大庄镇工业园区1.证书编号:CRCC10221P13456R0M-001产品名称:防落梁预埋板规格型号:通桥(2016)2322A 标准和技术要求:TB/T 3274—2011有效期:2021年3月4日至2026年3月3日2.证书编号:CRCC10221P13456R0M-002产品名称:下锚拉线预埋件规格型号:QJLX (多元合金共渗+钝化处理螺栓)标准和技术要求:TB/T 3274—2011有效期:2021年3月4日至2026年3月3日3.证书编号:CRCC10221P13456R0M-003产品名称:支座预埋板规格型号:通桥8160-1000~3000(0.1g ~0.3g );通桥8360-1000~7000(0.1g ~0.2g )标准和技术要求:TB/T 3274—2011有效期:2021年3月4日至2026年3月3日4.证书编号:CRCC10221P13456R0M-004产品名称:T 型钢铁道技术监督第49卷第5期规格型号:380×300×195标准和技术要求:TB/T3274—2011有效期:2021年3月4日至2026年3月3日5.证书编号:CRCC10221P13456R0M-005产品名称:声(风)屏障预埋件规格型号:通桥(2012)2109、通桥(2012)2209、通环(2016)8323(多元合金共渗+钝化处理螺栓)标准和技术要求:TB/T3274—2011有效期:2021年3月4日至2026年3月3日6.证书编号:CRCC10221P13456R0M-006产品名称:接触网支柱预埋件规格型号:QJ-A,QJ-B,QJ-C(多元合金共渗+钝化处理螺栓)标准和技术要求:TB/T3274—2011有效期:2021年3月4日至2026年3月3日02.复评认证委托人名称:舍弗勒贸易(上海)有限公司生产厂名称:Schaeffler Romania S.R.L制造地址:场所1:香港金钟道89号力宝中心一座34楼3404-5室(销售)/舍弗勒香港有限公司;场所2:上海市嘉定区安拓路1号1幢2层(销售)/舍弗勒贸易(上海)有限公司;场所3:Georg-Schafer-Strasse30,97421,Sch⁃weinfurt,Germany(设计开发过程)/Schaeffler Technologies AG&Co.KG;场所4:Mettmanner Str.79,42115,Wupper⁃tal,Germany(圆柱轴承滚动体生产过程)/Schaeffler Tech⁃nologies AG&Co.KG;场所5:Aleea Schaeffler3,507055 Cristian,jud.Brasov Romania(除设计开发、圆柱轴承滚动体生产外其他过程)1.证书编号:CRCC10221P11987R1M-001产品名称:交流传动机车转向架滚动轴承圆柱轴承规格型号:F-576619.ZL标准和技术要求:TJ/JW034—2014有效期:2021年3月4日至2026年3月3日委托人名称:舍弗勒贸易(上海)有限公司生产厂名称:Schaeffler Romania S.R.L制造地址:场所1:香港金钟道89号力宝中心一座34楼3404-5室(销售)/舍弗勒香港有限公司;场所2:上海市嘉定区安拓路1号1幢2层(销售)/舍弗勒贸易(上海)有限公司;场所3:Georg-Schafer-Strasse30,97421,Schweinfurt,Germany(设计开发过程)/Schaeffler Technologies AG&Co. KG;场所4:Aleea Schaeffler3,507055Cristian jud.Brasov Roma⁃nia(除设计开发外其他过程)1.证书编号:CRCC10221P11987R1M-002产品名称:交流传动机车转向架滚动轴承圆锥轴承规格型号:F-588467.TR1标准和技术要求:TJ/JW034—2014有效期:2021年3月4日至2026年3月3日委托人名称:舍弗勒贸易(上海)有限公司生产厂名称:MIBEX S.R.L.制造地址:场所1:香港金钟道89号力宝中心一座34楼3404-5室(销售)/舍弗勒香港有限公司;场所2:上海市嘉定区安拓路1号1幢2层(销售)/舍弗勒贸易(上海)有限公司;场所3:Georg-Schafer-Strasse30,97421,Sch⁃weinfurt,Germany(设计开发过程)/Schaeffler Technologies AG&Co.KG;场所4:Mettmanner Str.79,42115,Wupper⁃tal,Germany(滚子生产过程)/Schaeffler Technologies AG&Co.KG;场所5:SOMMA VESUVIANA(NA)VIA SAN SOSSIO38CAP80049-Italy(除设计开发、滚子生产外其他过程);场所6:LocalitÀPiova9810081Castellamote (TO)Italy(材料成分分析)/Massucco Industrie S.P.A. 1.证书编号:CRCC10221P11988R1M-001产品名称:交流传动机车转向架滚动轴承圆柱轴承规格型号:F-801804.01.ZL-M15AZ(轴箱轴承);F-80180 4.ZL-L225(轴箱轴承)标准和技术要求:TJ/JW034—2014有效期:2021年3月4日至2026年3月3日委托人名称:舍弗勒贸易(上海)有限公司生产厂名称:Schaeffler Romania S.R.L制造地址:场所1:香港金钟道89号力宝中心一座34楼3404-5室(销售)/舍弗勒香港有限公司;场所2:上海市嘉定区安拓路1号1幢2层(销售)/舍弗勒贸易(上海)有限公司;场所3:Georg-Schafer-Strasse30,97421,Schweinfurt,Germany(设计开发过程)/Schaeffler Technologies AG&Co. KG;场所4:Mettmanner Str.79,42115,Wuppertal,Germany (圆柱轴承滚动体生产过程)/Schaeffler Technologies AG&Co.KG;场所5:Aleea Schaeffler3,507055Cristian,jud.Brasov Roma⁃nia(除设计开发、滚动体生产外其他过程)1.证书编号:CRCC10221P11987R1M-003产品名称:交流传动机车牵引电机轴承圆柱轴承规格型号:NJ2218-E-XL-M1-F1-H67C-J20AA-C4;NU22 22-E-XL-MPAX-R135-165-M15CS;NJ2218-E-XL-M1-F 1-H67C-C4;NUB220-E-XL-TVP2-F1-J20AA-C4-M32IX;NU2220-E-XL-MPA-C4-M15CS标准和技术要求:TJ/JW034—2014有效期:2021年3月4日至2026年3月3日委托人名称:沈阳兴和元铸造机械有限公司生产厂名称:沈阳兴和元铸造机械有限公司制造地址:辽宁省沈阳市法库县辽河经济区1.证书编号:CRCC10221P10455R2M-001产品名称:铁路货车承载鞍规格型号:转K6型(图号:QCZ133-00-01)标准和技术要求:TB/T3267—2019有效期:2021年3月8日至2026年3月7日·99·中铁检验认证中心有限公司认证公告通报与公告委托人名称:沈阳兴和元铸造机械有限公司生产厂名称:沈阳兴和元铸造机械有限公司制造地址:辽宁省沈阳市法库县辽河经济区1.证书编号:CRCC10221P10455R2M-002产品名称:铁道货车摩擦减振器斜楔规格型号:转K2/K6型(图号:QCZ133-90-01)标准和技术要求:TB/T2813—2015有效期:2021年3月8日至2026年3月7日委托人名称:扬州华铁铁路配件有限公司生产厂名称:扬州华铁铁路配件有限公司制造地址:江苏省扬州市广陵区泰安镇山河工业园1.证书编号:CRCC10221P10450R2M-001产品名称:铁道货车摩擦减振器斜楔规格型号:转K2/K6型(图号:QCZ133-90-01);转8B型(图号:QCZ105A-30-01)标准和技术要求:TB/T2813—2015有效期:2021年3月8日至2026年3月7日委托人名称:洛阳LYC轴承有限公司生产厂名称:洛阳LYC轴承有限公司制造地址:河南省洛阳市涧西区建设路96号1.证书编号:CRCC10221P10525R2L-001产品名称:铁路货车352226X2-2RZ型轴承密封罩规格型号:352226X2-2RZ型(图号:352226X2-2RZ-02-18)标准和技术要求:Q/CR678—2018有效期:2021年3月2日至2026年3月1日委托人名称:洛阳LYC轴承有限公司生产厂名称:洛阳LYC轴承有限公司制造地址:河南省洛阳市涧西区建设路96号1.证书编号:CRCC10221P10525R2L-002产品名称:铁路货车353132A型轴承规格型号:353132A型(图号:353132A-00-00)标准和技术要求:TJ/CL510—2016;TB/T3017.1—2016有效期:2021年3月2日至2026年3月1日2.证书编号:CRCC10221P10525R2L-003产品名称:铁路货车352226X2-2RZ型轴承规格型号:352226X2-2RZ型(图号:352226X2-2RZ-00-00)标准和技术要求:TB/T2235—2016;TB/T3017.1—2016有效期:2021年3月2日至2026年3月1日3.证书编号:CRCC10221P10525R2L-004产品名称:铁路货车353130B型轴承规格型号:353130B型(图号:THZ353130B-00-00)标准和技术要求:TJ/CL148A—2013;TB/T2235—2016;TB/T3017.1—2016有效期:2021年3月2日至2026年3月1日委托人名称:洛阳LYC轴承有限公司生产厂名称:洛阳LYC轴承有限公司制造地址:河南省洛阳市涧西区建设路96号1.证书编号:CRCC10221P10525R2L-005产品名称:铁道客车NJ3226X1型和NJP3226X1型滚动轴承规格型号:铁道客车NJP3226X1型滚动轴承(图号:NJP 3226X1)(最高运行速度:120km/h、最大轴重:18t,最高运行速度:140km/h、最大轴重:17.5t);铁道客车:NJ3226X1型滚动轴承(图号:NJ3226X1)(最高运行速度:120km/h、最大轴重:18t,最高运行速度:140km/h、最大轴重:17.5t)标准和技术要求:TB/T2235—2016;TB/T3017.1—2016有效期:2021年3月2日至2026年3月1日委托人名称:江阴市新建铁路配件有限公司生产厂名称:江阴市新建铁路配件有限公司制造地址:江苏省无锡市江阴市徐霞客镇峭岐迎宾大道33号1.证书编号:CRCC10221P12078R1S-001产品名称:60kg/m高分子材料钢轨绝缘件规格型号:管绝缘60(超韧尼龙、-30℃);槽型绝缘60(二段式,超韧尼龙、-30℃)标准和技术要求:TB/T2927—2015有效期:2021年3月5日至2026年3月4日2.证书编号:CRCC10221P12078R1S-002产品名称:50kg/m高分子材料钢轨绝缘件规格型号:管绝缘50(超韧尼龙、-30℃);槽型绝缘50(二段式,超韧尼龙、-30℃)标准和技术要求:TB/T2927—2015有效期:2021年3月5日至2026年3月4日委托人名称:南昌铁路局新余橡胶厂生产厂名称:南昌铁路局新余橡胶厂制造地址:江西省新余市新余经济开发区南源大道1.证书编号:CRCC10221P11318R2M-001产品名称:客货共线铁路扣件系统用轨下垫板规格型号:60-10R-185(非严寒地区使用);60-10R-190(非严寒地区使用);Ⅲb(非严寒地区使用);60-12-190(非严寒地区使用);60-10-190(非严寒地区使用);60-10-185(非严寒地区使用);60-12-185(非严寒地区使用);ⅢbR(非严寒地区使用)标准和技术要求:Q/CR564—2017;Q/CR565—2017有效期:2021年3月3日至2026年3月2日2.证书编号:CRCC10221P11318R2M-002产品名称:橡胶垫板规格型号:60-10-185普通型;60-10-190普通型;50-10-185普通型标准和技术要求:TB/T2626—1995和第1号修改单有效期:2021年3月3日至2026年3月2日委托人名称:鞍山中铁工务器材有限公司生产厂名称:鞍山中铁工务器材有限公司制造地址:辽宁省鞍山市千山区鞍旗路32号·100··101·铁道技术监督第49卷第5期1.证书编号:CRCC10221P10386R2M-001产品名称:螺旋道钉规格型号:M24×195标准和技术要求:TB/T 564—1992有效期:2021年3月4日至2026年3月3日2.证书编号:CRCC10221P10386R2M-002产品名称:客货共线铁路弹条Ⅱ型扣件弹条规格型号:Ⅱ型(多元合金共渗(渗锌)+钝化,酸雨腐蚀严重的沿海地区,Ⅱ3,灰色);Ⅱ型(浸漆,一般地区,Ⅱ0,黑色)标准和技术要求:Q/CR 564—2017有效期:2021年3月4日至2026年3月3日3.证书编号:CRCC10221P10386R2M-003产品名称:弹条Ⅱ型扣件弹条规格型号:Ⅱ型标准和技术要求:TB/T 3065.2—2002和第1号修改单有效期:2021年3月4日至2026年3月3日4.证书编号:CRCC10221P10386R2M-004产品名称:弹条Ⅰ型扣件弹条规格型号:A 型;B 型标准和技术要求:TB/T 1495.2—1992和第1号修改单有效期:2021年3月4日至2026年3月3日委托人名称:河北翼辰实业集团股份有限公司生产厂名称:河北翼辰实业集团股份有限公司制造地址:河北省石家庄市藁城区廉州东路268号1.证书编号:CRCC10221P10366R3L-014产品名称:客货共线铁路螺旋道钉规格型号:冷镀锌+封闭剂,酸雨腐蚀严重的沿海地区,3,银白色标准和技术要求:Q/CR 563—2017;Q/CR 564—2017有效期:2021年3月2日至2026年3月1日2.证书编号:CRCC10221P10366R3L-015产品名称:螺旋道钉规格型号:M24×195标准和技术要求:TB/T 564—1992有效期:2021年3月2日至2026年3月1日3.证书编号:CRCC10221P10366R3L-017产品名称:客货共线铁路弹条Ⅰ型扣件系统规格型号:Ⅰ型标准和技术要求:Q/CR 563—2017关键零部件表:关键零部件名称轨距挡板螺旋道钉挡板座制造商名称河北翼辰实业集团股份有限公司河北翼辰实业集团股份有限公司株洲时代新材料科技股份有限公司浙江天台祥和实业股份有限公司河北铁科翼辰新材科技有限公司规格型号14号中间、14号接头;20号中间、20号接头M24×1952-4号(非严寒地区使用);2-4号(严寒地区使用);0-6号(非严寒地区使用);0-6号(严寒地区使用)2-4号(含非严寒地区使用、严寒地区使用);0-6号(含非严寒地区使用、严寒地区使用)防锈工艺或工艺浸油冷镀锌+封闭剂冷镀锌+封闭剂/使用地区一般地区使用酸雨腐蚀严重的沿海地区使用酸雨腐蚀严重的沿海地区使用/标志33/颜色黑褐色银白色银白色/有效期:2021年3月2日至2026年3月1日4.证书编号:CRCC10221P10366R3L-018产品名称:客货共线铁路弹条Ⅰ型扣件弹条规格型号:B 型(浸油,一般地区,ⅠB0,黑褐色);A 型(冷镀锌+封闭剂,酸雨腐蚀严重的沿海地区,ⅠA3,银白色);B 型(冷镀锌+封闭剂,酸雨腐蚀严重的沿海地区,ⅠB3,银白色);A 型(浸油,一般地区,ⅠA0,黑褐色)标准和技术要求:Q/CR 563—2017有效期:2021年3月2日至2026年3月1日5.证书编号:CRCC10221P10366R3L-019产品名称:客货共线铁路弹条Ⅲ型扣件系统规格型号:Ⅲ型标准和技术要求:Q/CR 565—2017关键零部件表:·102·中铁检验认证中心有限公司认证公告通报与公告有效期:2021年3月2日至2026年3月1日6.证书编号:CRCC10221P10366R3L-020产品名称:客货共线铁路弹条Ⅱ型扣件系统规格型号:Ⅱ型标准和技术要求:Q/CR 564—2017关键零部件表:关键零部件名称预埋铁座Ⅲ型绝缘轨距块、Ⅲ型接头绝缘轨距块轨下垫板制造商名称河北翼辰实业集团股份有限公司浙江天台祥和实业股份有限公司河北铁科翼辰新材科技有限公司株洲时代新材科技股份有限公司浙江天台祥和实业股份有限公司河北铁科翼辰新材科技有限公司规格型号Ⅲ型9号、11号、7号、13号、9号接头、11号接头、7号接头、13号接头9号、11号Ⅲb (含非严寒地区使用、严寒地区使用);ⅢbR (含非严寒地区使用、严寒地区使用)防锈工艺或工艺粘土砂湿型铸造/////使用地区//////标志//////颜色//////关键零部件名称轨距挡板螺旋道钉挡板座零部件制造商名称河北翼辰实业集团股份有限公司河北翼辰实业集团股份有限公司株洲时代新材料科技股份有限公司浙江天台祥和实业股份有限公司河北铁科翼辰新材科技有限公司规格型号6号、10号M24×1952-4号(非严寒地区使用);2-4号(严寒地区使用);0-6号(非严寒地区使用);0-6号(严寒地区使用)2-4号(含非严寒地区使用、严寒地区使用);0-6号(含非严寒地区使用、严寒地区使用)防锈工艺或工艺浸油冷镀锌+封闭剂冷镀锌+封闭剂/使用地区一般地区酸雨腐蚀严重的沿海地区酸雨腐蚀严重的沿海地区/标志33/颜色黑褐色银白色银白色/有效期:2021年3月2日至2026年3月1日7.证书编号:CRCC10221P10366R3L-022产品名称:客货共线铁路弹条Ⅲ型扣件弹条规格型号:Ⅲ型接头(冷镀锌+封闭剂,酸雨腐蚀严重的沿海地区,ⅢJ3,银白色);Ⅲ型(浸油,一般地区,Ⅲ0,黑褐色);Ⅲ型(冷镀锌+封闭剂,酸雨腐蚀严重的沿海地区,Ⅲ3,银白色);Ⅲ型接头(浸油,一般地区,ⅢJ0,黑褐色)标准和技术要求:Q/CR 565—2017有效期:2021年3月2日至2026年3月1日8.证书编号:CRCC10221P10366R3L-023产品名称:弹条Ⅱ型扣件弹条规格型号:Ⅱ型标准和技术要求:TB/T 3065.2—2002和第1号修改单有效期:2021年3月2日至2026年3月1日9.证书编号:CRCC10221P10366R3L-024产品名称:客货共线铁路弹条Ⅱ型扣件弹条规格型号:Ⅱ型(浸油,一般地区,Ⅱ0,黑褐色);Ⅱ型(冷镀锌+封闭剂,酸雨腐蚀严重的沿海地区,Ⅱ3,银白色)标准和技术要求:Q/CR 564—2017有效期:2021年3月2日至2026年3月1日10.证书编号:CRCC10221P10366R3L-025铁道技术监督第49卷第5期产品名称:弹条Ⅰ型扣件弹条规格型号:A型;B型标准和技术要求:TB/T1495.2—1992和第1号修改单有效期:2021年3月2日至2026年3月1日委托人名称:河北翼辰实业集团股份有限公司生产厂名称:河北翼辰实业集团股份有限公司制造地址:河北省石家庄市藁城区翼辰北街1号1.证书编号:CRCC10221P10366R3L-016产品名称:护轨扣件用扣板规格型号:60-7-9、60-7-9接头;60-11-13、60-11-13接头;50-7-9、50-7-9接头;50-11-13、50-11-13接头标准和技术要求:Q/CR535—2016有效期:2021年3月2日至2026年3月1日2.证书编号:CRCC10221P10366R3L-021产品名称:客货共线铁路弹条Ⅲ型扣件预埋铁座规格型号:Ⅲ型标准和技术要求:Q/CR565—2017有效期:2021年3月2日至2026年3月1日委托人名称:河北翼辰实业集团股份有限公司生产厂名称:河北翼辰实业集团股份有限公司制造地址:河北省石家庄市藁城区廉州东路268号1.证书编号:CRCC10221P10366R3L-002产品名称:高铁扣件系统用弹条规格型号:W2型弹条;C4型弹条;JA型弹条;W1型弹条;JB型弹条;X2型弹条;X3型弹条标准和技术要求:TB/T3395.2—2015;TB/T3395.3—2015;TB/T3395.4—2015;TB/T3395.5—2015有效期:2021年3月2日至2026年3月1日2.证书编号:CRCC10221P10366R3L-003产品名称:弹条Ⅳ型扣件系统规格型号:弹条Ⅳ型扣件系统(含非严寒地区使用、严寒地区使用)标准和技术要求:TB/T3395.2—2015关键零部件表:弹条Ⅳ型扣件系统(含非严寒地区使用、严寒地区使用)组合一弹条Ⅳ型扣件系统(含非严寒地区使用、严寒地区使用)组合二有效期:2021年3月2日至2026年3月1日3.证书编号:CRCC10221P10366R3L-004产品名称:高铁扣件系统用螺栓规格型号:锚固螺栓B1;T型螺栓T1;螺旋道钉S1;螺旋道钉S2;螺旋道钉S3标准和技术要求:TB/T3395.3—2015;TB/T3395.4—2015;TB/T3395.5—2015有效期:2021年3月2日至2026年3月1日4.证书编号:CRCC10221P10366R3L-005产品名称:弹条V型扣件系统规格型号:弹条V型扣件系统(含非严寒地区使用、严寒地区使用)标准和技术要求:TB/T3395.3—2015关键零部件表:弹条V型扣件系统(含非严寒地区使用、严寒地区使用)组合一·103·中铁检验认证中心有限公司认证公告通报与公告有效期:2021年3月2日至2026年3月1日5.证书编号:CRCC10221P10366R3L-006产品名称:WJ-7型扣件系统规格型号:WJ-7型扣件系统(含非严寒、严寒地区使用)标准和技术要求:TB/T3395.4—2015关键零部件表:弹条V型扣件系统(含非严寒地区使用、严寒地区使用)组合二弹条V型扣件系统(含非严寒地区使用、严寒地区使用)组合三弹条V型扣件系统(含非严寒地区使用、严寒地区使用)组合四·104·铁道技术监督第49卷第5期有效期:2021年3月2日至2026年3月1日6.证书编号:CRCC10221P10366R3L-007产品名称:WJ-8型扣件系统规格型号:WJ-8型扣件系统(含非严寒、严寒地区使用)标准和技术要求:TB/T3395.5—2015关键零部件表:·105·中铁检验认证中心有限公司认证公告通报与公告有效期:2021年3月2日至2026年3月1日委托人名称:河北翼辰实业集团股份有限公司生产厂名称:河北翼辰实业集团股份有限公司制造地址:河北省石家庄市藁城区翼辰北街1号1.证书编号:CRCC10221P10366R3L-001产品名称:高铁扣件系统用铸造件规格型号:WJ7铁垫板(静电喷涂);预埋铁座TZ4;WJ7平垫块;WJ8铁垫板(静电喷涂)标准和技术要求:TB/T3395.2—2015;TB/T3395.4—2015;TB/T3395.5—2015有效期:2021年3月2日至2026年3月1日委托人名称:山东高强新材料科技有限公司生产厂名称:山东高强新材料科技有限公司制造地址:山东省临沂市河东区太平街道办事处北4公里路东1.证书编号:CRCC10221P12178R1S-001产品名称:聚羧酸系高性能减水剂规格型号:GQ-201标准型(含气量≤3.0%,甲基烯丙醇聚醚∶丙烯酸=10∶1);GQ-501标准型(含气量>3.0%,甲基烯丙醇聚醚∶丙烯酸=10∶1);GQ-202缓凝型(含气量≤3.0%,甲基烯丙醇聚醚∶丙烯酸=10∶1);GQ-502缓凝型(含气量>3.0%,甲基烯丙醇聚醚∶丙烯酸=10∶1);GQ-203早强型(含气量≤3.0%,甲基烯丙醇聚醚∶丙烯酸=10∶1)标准和技术要求:TB/T3275—2018有效期:2021年3月3日至2026年3月2日委托人名称:河北翼辰实业集团股份有限公司生产厂名称:河北翼辰实业集团股份有限公司制造地址:河北省石家庄市藁城区廉州东路268号1.证书编号:CRCC10221P10366R3L-008产品名称:重载铁路扣件系统用螺栓规格型号:T型螺栓T3;T型螺栓T2标准和技术要求:Q/CR481—2015;Q/CR479—2015有效期:2021年3月2日至2026年3月1日2.证书编号:CRCC10221P10366R3L-010产品名称:重载铁路扣件系统用弹条规格型号:W4型弹条;W5型弹条标准和技术要求:Q/CR480—2015;Q/CR481—2015;Q/ CR479—2015有效期:2021年3月2日至2026年3月1日3.证书编号:CRCC10221P10366R3L-011产品名称:弹条Ⅵ型扣件系统规格型号:弹条Ⅵ型扣件系统标准和技术要求:Q/CR480—2015关键零部件表:组合一组合二有效期:2021年3月2日至2026年3月1日4.证书编号:CRCC10221P10366R3L-012产品名称:弹条Ⅶ型扣件系统规格型号:弹条Ⅶ型扣件系统标准和技术要求:Q/CR481—2015关键零部件表:·106··107·铁道技术监督第49卷第5期组合一组合二有效期:2021年3月2日至2026年3月1日5.证书编号:CRCC10221P10366R3L-013产品名称:WJ-12型扣件系统规格型号:WJ-12型扣件系统标准和技术要求:Q/CR 479—2015关键零部件表:组合一组合二有效期:2021年3月2日至2026年3月1日委托人名称:河北翼辰实业集团股份有限公司生产厂名称:河北翼辰实业集团股份有限公司制造地址:河北省石家庄市藁城区翼辰北街1号1.证书编号:CRCC10221P10366R3L-009产品名称:重载铁路扣件系统用铸造件规格型号:WJ12预埋铁座;轨距挡板MG7;预埋铁座TZ5;WJ12轨距挡板标准和技术要求:Q/CR 481—2015;Q/CR 479—2015有效期:2021年3月2日至2026年3月1日03.变更及扩项001.地址变更委托人名称:衡水市橡胶总厂有限公司生产厂名称:衡水市橡胶总厂有限公司制造地址:河北省衡水滨湖新区衡枣路989号1.证书编号:CRCC10218P11218R1M 产品名称:铁路隧道用橡胶止水带规格型号:背贴式橡胶止水带R-T-300×6、350×8、400×10,三元乙丙橡胶、挤出;施工缝用中埋式橡胶止水带S-R-Z-300×6、350×8、400×10,三元乙丙橡胶、挤出;变形缝用中埋式橡胶止水带B-R-Z-300×6、350×8、400×10,三元乙丙橡胶、挤出标准和技术要求:TB/T 3360.2—2014有效期:2021年3月4日至2023年2月7日2.证书编号:CRCC10219P11218R1M-001产品名称:铁路隧道用钢边止水带规格型号:施工缝用钢边止水带S-G-300×6、350×8、400×10,三元乙丙橡胶、模压;变形缝用钢边止水带B-G-300×6、350×8、400×10,三元乙丙橡胶、模压标准和技术要求:TB/T 3360.2—2014有效期:2021年3月4日至2023年2月7日委托人名称:山东建科建筑材料有限公司生产厂名称:山东建科建筑材料有限公司制造地址:山东省济南市天桥区大桥镇大庄工业园3号1.证书编号:CRCC10220P13328R0S-001产品名称:聚羧酸系高性能减水剂规格型号:NC-J 标准型(含气量≤3.0%,2-甲基丙-2-烯基聚乙二醇醚HPEG ∶丙烯酸=3200∶384);NC-J 早强型(含气量≤3.0%,2-甲基丙-2-烯基聚乙二醇醚HPEG ∶丙烯酸=3200∶384);NC-J 缓凝型(含气量≤3.0%,2-甲基丙-2-烯基聚乙二醇醚HPEG ∶丙烯酸=3200∶384)标准和技术要求:TB/T 3275—2018有效期:2021年3月4日至2021年12月27日委托人名称:国电南京自动化股份有限公司生产厂名称:国电南京自动化股份有限公司制造地址:场所1:江苏省南京浦口高新开发区星火路8号;场所2:江苏省南京市江宁开发区水阁路39号1.证书编号:CRCC10220P13298R0L-001产品名称:电气化铁路牵引变电所综合自动化系统装置(200km/h 及以下)规格型号:电气化铁路牵引变压器保护测控装置(WBZ-662微机变压器保护测控装置、WBT-661微机备自投装置、WCK-661微机测控装置、CZX-661操作箱);电气化铁路馈线保护测控装置(WXB-661微机馈线保护测控装置);电气化铁路自耦变压器保护测控装置(WBZ-665微机变压器保护测控装置);电气化铁路AT 供电方式故障测距装置(WGB-661微机故障测距装置)标准和技术要求:TB/T 3226—2010;Q/CR 686—2018;TJ/GD 027—2019;TJ/GD 028—2019;TJ/GD 029—2019;TJ/GD 031—2019有效期:2021年3月4日至2025年3月24日2.证书编号:CRCC10220P13298R0L-002产品名称:电气化铁路牵引变电所综合自动化系统装置(300km/h 及以上)规格型号:电气化铁路牵引变压器保护测控装置(WBZ-662微机变压器保护测控装置、WBT-661微机备自投装置、WCK-661微机测控装置、CZX-661操作箱);电气化铁路馈线保护测控装置(WXB-661微机馈线保护测控装置);电气化铁路自耦变压器保护测控装置(WBZ-665微机变压器保护测控装置);电气化铁路AT 供电方式故障测距装置(WGB-661微机故障测距装置)标准和技术要求:TB/T 3226—2010;Q/CR 686—2018;TJ/GD 027—2019;TJ/GD 028—2019;TJ/GD 029—2019;TJ/GD 031—2019有效期:2021年3月4日至2025年3月24日3.证书编号:CRCC10220P13298R0L-003产品名称:电气化铁路牵引变电所综合自动化系统装置(250km/h )规格型号:电气化铁路牵引变压器保护测控装置(WBZ-662微机变压器保护测控装置、WBT-661微机备自投装置、WCK-661微机测控装置、CZX-661操作箱);电气化铁路馈线保护测控装置(WXB-661微机馈线保护测控装置);电气化铁路自耦变压器保护测控装置(WBZ-665微机变压器保护测控装置);电气化铁路AT 供电方式故障测距装置(WGB-661微机故障测距装置)标准和技术要求:TB/T 3226—2010;Q/CR 686—2018;TJ/GD 027—2019;TJ/GD 028—2019;TJ/GD 029—2019;TJ/GD 031—2019有效期:2021年3月4日至2025年3月24日002.标准变更委托人名称:内蒙古第一机械集团股份有限公司生产厂名称:内蒙古第一机械集团股份有限公司制造地址:内蒙古自治区包头市青山区民主路1.证书编号:CRCC10219P13143R0L-001产品名称:铁道货车车钩规格型号:17型(图号:QCP803B-00-00);13B 型(图号:QCP818F-00-00/QCP818G-00-00);16型(图号:QCP802A-00-00)标准和技术要求:TB/T 456.2—2019有效期:2021年3月4日至2024年5月22日003.变更规格型号委托人名称:沈阳铁路信号有限责任公司生产厂名称:沈阳铁路信号有限责任公司制造地址:辽宁省沈阳市铁西区北三中路16号1.证书编号:CRCC10217P10588R1L-2产品名称:铁路车站电码化设备硬件规格型号:ZPW-2000A·DMH (继电编码);ZPW-2000A·DMH/J3(继电编码)标准和技术要求:TB/T 2465—2010;TB/T 3112.2—2017;TB/T 3112.5—2017系统集成厂:产品名称规格型号生产厂名称制造地址有效期有效期:2021年3月4日至2021年12月27日委托人名称:重庆宜柏建材有限公司生产厂名称:重庆宜柏建材有限公司制造地址:重庆市江津区白沙工业园F1-01/01号地块1.证书编号:CRCC10220P13293R0S-001产品名称:聚羧酸系高性能减水剂规格型号:YB-B 缓凝型(含气量≤3.0%,甲基丁烯醇聚氧。
国电泰安铁路专用线二标段简支梁技术标准一、施工标准《铁路混凝土结构耐久性设计规范》(TB10005-2010)。
《铁路桥涵工程施工质量验收标准》(TB10415-2003)。
《铁路混凝土工程施工质量验收标准》(TB10424-2010)。
《客货共线铁路桥涵工程施工技术指南》(TZ203-2008)。
《预制后张法预应力混凝土铁路桥简支T梁技术条件》(TB/T3043-2005)。
《预应力混凝土梁铁路简支梁静载弯曲抗裂试验方法》(TB2092-2003)。
《铁路后张法预应力混凝土梁管道压浆技术条件》(TB/T3192-2008)。
《铁路工程预应力筋用夹片式锚具、夹具和连接器技术条件》(TB/T3193-2008)。
《铁路混凝土梁配件多元合金共渗防腐技术条件》(TB/T3274-2011)。
二、材料要求1、混凝土混凝土结构所处环境类别、作用等级及结构耐久性要求:(1)地下水对处于化学环境中的铁路混凝土结构具有硫酸盐侵蚀环境:H1级硫酸盐化学侵蚀环境。
(2)环境土:Y1级盐类结晶破坏环境。
(3)各部分混凝土结构均按《铁路混凝土结构耐久性设计规范》(TB10005-2010)执行。
(4)碳化环境作用等级:地面以上碳化环境作用等级为T2,地面以下碳化环境作用等级为T1。
(5)56d电通量、最大水胶比、最小胶凝材料用量、三氧化硫含量等应满足耐久性设计规范。
2、钢筋本工程采用钢筋为HRB400钢筋(钢筋端部采用直钩,直钩长度采用7d,弯曲内径采用3.5d,中部最小弯曲半径采用14d,d为钢筋直径)、HPB300钢筋(弯钩长度不变)。
3、预应力筋纵向预应力筋、横向预应力筋均采用公称直径为15.2mm的钢绞线,抗拉强度为1860MPa,弹性模量为1.95×105MPa,其技术条件符合《预应力混凝土用钢绞线》(GB/T5224-2003)的要求。
4、锚具纵向预应力筋锚具采用夹片式锚具,横向预应力筋锚具采用低回缩锚具(双线梁采用普通夹片式锚具),其技术条件应符合《铁路工程预应力筋用夹片式锚具、夹具和连接器技术条件》(TB/T3193-2008)的要求,锚垫板采用配套锚垫板,张拉千斤顶采用配套千斤顶。
点击官网进行咨询了解更多多元合金共渗加工价格多元共渗没有氢脆现象,具有良好的耐热性能,因此多元共渗可满足对疲劳强度、耐磨性、韧性要求高的钢铁结构件和紧固件的防腐处理。
经共渗处理的钢铁制件不改变基体的金相结构,也不影响其力学性能,其抗拉、屈服强度还有所提高。
那么多元合金共渗加工价格是多少呢?现在市场上多元合金共渗加工厂家繁多,许多客户选择多元合金共渗加工厂家的时候也是眼花缭乱,不知道选择什么样的厂家好。
其实在选择多元合金共渗加工厂家的时候,价格只是一个方面的参考因素,关键是看多元合金共渗加工处理的性价比高不高。
多元合金共渗的加工价格是多少?影响多元合金共渗价格的因素有很多,不同的厂家加工处理多元合金共渗的价格也是不同的,购买的时候建议多比较几家再购买。
想要了解多元合金共渗加工处理的具体价格,可以电话咨询沙河市科华紧固件制造有限公司。
点击官网进行咨询了解更多沙河市科华紧固件制造有限公司是一家集表面处理和机加工为一体的企业,我公司多元合金共渗工艺的产品一直用于铁路上,与中铁等有光泛的合作。
多元合金共渗镀层符合TB\T3274-2011(铁路混凝土梁配件多元合金共渗防腐技术条件)。
质量可靠。
产品已经通过铁路总公司的检测。
公司有先进大型多元合金设备,质量稳定,产量有保证。
沙河市科华紧固件制造有限公司从事多元合金共渗的研究已有多年,有丰富的生产经验,我们的产品在生产中会严格把好质量,以质量打动每位用户。
本公司的表面处理车间可以加工的工艺有:多元合金共渗、锌铭涂层、封闭处理、无铭达克罗、佳美特、黑色达克罗、普通渗锌等金属表面防腐处理。
如果想要了解更多有关多元合金共渗知识或者采买定做多元合金共渗螺栓,可以点击沙河市科华紧固件制造有限公司官网进行咨询,或者电话联系我们,欢迎您来实地考察!。
技术交底书为便于项目施工管理,桥面系施工所需混凝土由混凝土运输罐车运输至施工现场,桥面系工班在施工现场采用混凝土泵车或者小推车运送至施工部位滑槽入模。
湿接缝混凝土入模时下料要均匀,注意与振捣相配合,灌注过程中注意加强倒角、交界面以及钢筋密集部位的振捣,同时应避开横向预应力管道。
混凝土灌注到设计标高后及时赶压、抹平在混凝土初凝之前必须对桥面进行第二次收浆抹平。
灌注过程中,设专人检查模板和钢筋,发现螺栓、支撑等松动应及时拧紧。
发现漏浆应及时堵严,钢筋和预埋件如有移位,及时调整保证位置正确。
6、养护混凝土混凝土面浇筑完成二次收面完毕后1h,立即覆盖土工布,现场增设养护水箱,进行洒水养护。
7拆模及混凝土修补脱除模板时(达到设计强度强度60%),先用缆绳将模板捆牢,然后拆除拉杆及固定螺栓,模板松动后,用缆绳放到桥下清理及修整。
模型拆除后应及时对混凝土外观存在缺陷的地方进行修补,主要包括气泡、麻面、边角因为漏浆而出现的外观缺陷以及脱模时所造成的缺角掉块,修补后修补混凝土颜色与原混凝土不得出现较大色差。
8、预应力张拉非声屏障梁:混凝土强度及弹模达到设计值且混凝土龄期达到14天以上时方能张拉横向预应力筋,张拉顺序为从跨中至梁端对称交替张拉且张拉端交错布置。
声屏障梁:湿接缝混凝土强度达到C45,弹模达到C50的90%以上后张拉横隔板处预应力筋,桥面板混凝土强度达到C45,弹模达到C50的90%以上后张拉桥面板处预应力筋,张拉顺序为从跨中至梁端对称交替张拉且张拉端交错布置。
(1)准备工作:①锚具按规定检验合格。
②预应力钢绞线有技术合格证并经复验确认合格。
③千斤顶和油压表均已校正并在有效期内。
④确认孔道已通过检孔器检查,钢绞线束数与孔道设计相符,各束顺直不绞缠,两端外露长度一致。
⑤检查孔道有无窜孔漏浆,确认梁体内孔道积水和污物已被清除。
⑥张拉前梁体混凝土强度、弹性模量控制。
⑦预加应力前须将桥面及挡砟墙断缝内填充物剔除。