公斤级平焊法兰及螺栓规格尺寸
- 格式:doc
- 大小:117.50 KB
- 文档页数:4
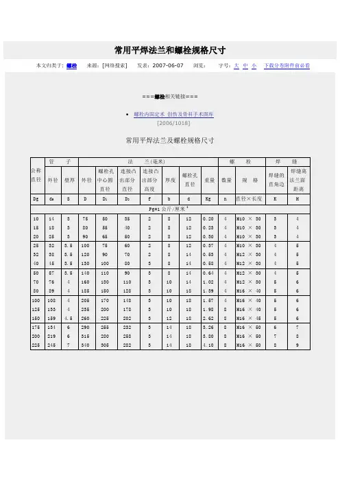
常用平焊法兰及螺栓规格尺寸(摘自HG5010-58)单位:毫米公称 直径管 子 法 兰(毫米) 螺 栓 焊 缝外径 壁厚 外径螺栓孔中心圆直径连接凸出部分直径连接凸出部分高度厚度螺栓孔直径重量 数量 规 格焊缝的直角边焊缝离法兰面距离Dg d H S D D1D2 f b d Kg n 直径×长度 K HPg=1公斤/厘米210 15 20 1418253337580905055653540502228881212120.200.230.30444M10 × 30M10 × 30M10 × 3033344425 32 40 3238453.53.53.510012013075901006070802238881214140.370.530.58444M10 × 30M12 × 30M12 × 3044455550 70 80 5776893.54414016018511013015090110128333810101414180.641.021.39444M12 × 30M12 × 30M16 × 40455566100 125 150 108133159444.52052352601702002251481782023331010121818181.571.982.62488M16 × 40M16 × 40M16 × 45555666175 200 225 1342192456672903153402552803052322582823331414141818183.263.804.10888M16 × 50M16 × 50M16 × 50678789250 300 350 2733253778893704354853353954453123654153441416161823234.656.837.64121212M16 × 50M20 × 55M20 × 559910101011400 450 500 4264785299995355906404955506004655205704441818202323239.5811.1013.50161616M20 × 60M20 × 60M20 × 60101010111111600 700 800 631)72082099975586097570581092067077588055520222425253017.1525.3033.90202424M22 × 65M22 × 70M27 × 80101010111111900 1000 120092010201220991010751175137510201l2013209801080128055524262630303037.9045.7057.10242832M27 × 80M27 × 85M27 × 851010111111121400 1600 142016201112157517851520173014801690552828303073.2088.003640M27 × 85M27 × 8512131314Pg =2.5公斤/厘米210 15 20 “18253337580905055653540502221010121212120.2540.290.45444M10 × 35M10 × 35M10 × 4033344425 32 40 3238453.53.53.510012013075901006070802231212121214140.5530.7950.87444M10 × 40M12 × 40M12 × 4044455550 70 80 5776893.544140160185110130150901101283331214141414180.9541. 431.95444M12 × 40M12 × 45M16 × 50455566公称 直径管 子 法 兰(毫米) 螺 栓 焊 缝外径 壁厚 外径螺栓孔中心圆直 径连接凸出部分直 径连接凸出部分高 度厚度螺栓孔直 径重 量 数量 规 格焊缝的直角边焊缝离法兰面距 离Dg d H S D D1D2 f b d Kg n 直径×长度 K HPg =2.5公斤/厘米2100 126 150 108133159444.52052352601702002251481782023331414161818182.22.783.49488M16 × 50M16 × 50M16 × 50555666175 200 225 1942192456672903153402552803052322582823331618201818183.864.885.93888M16 × 50M16 × 53M16 × 60678789250 300 350 2733253778893704354853353954453123654153442222221823237.329.410.5121212M16 × 65M20 × 70M20 × 709910101l11400 450 500 42647852999953559064049555060046552057044422242423232311.714.916.2161616M20 × 70M20 × 70M20 × 70101010111111600 700 800 63072082099975586097570581092067077588055524262625253020.629.936.7202424M22 × 75M22 × 80M27 × 85101010111111900 1000 12009201020122099101075117513751020112013209801080128055528303030203044.252.765.9242832M27 × 95M27 × 90M27 × 901010111111121400 1600 142016201112157517851520173014801690553232303078.394.33640M27 × 95M27 × 95121313i4Pg =6公斤/厘米210 15 20 141825333.57580905055653540502221212141212120.3190.3350.536444M10 × 40M10 × 40M10 × 4033344425 32 40 3238453.53.53.510012013075901006070802231416161214140.6411.0971.219444M10 × 40M12 × 50M12 × 5044455550 70 80 5776893.544140160185110130150901101283331616181414181.3481.672.48444M12 × 50M12 × 50M16 × 55455566100 125 150 108133159444.52052352601702002251481782023331820201818182.893.944.47488M16 × 55M16 × 60M16 × 60555666175 200 225 1942192456672903153402552803052352582823332222221818185.546.076.6888M16 × 65M16 × 65M16 × 65678789250 300 350 2733253778893704354853353954453123654153442424261823238.0310.312.59121212M16 × 70M20 × 70M20 × 79910101011400 450 500 42647852999953559064049555060046552057044428283023232315.217.5920.67161616M20 × 80M20 × 80M20 × 95101010111111公称 直径管 子 法 兰 (毫米) 螺 栓 焊 缝外径 壁厚 外径螺孔中心圆直 径连接凸出部分直 径连接凸出部分高 度厚度螺栓孔直 径重量 数量 规 格焊缝的直角边焊缝离法兰面距 离Dg d H S D D1D2 f b d Kg n 直径×长度 K HPg =6公斤/厘米2600 700 800 6307208209997558609757058109206707758805553032325253026.5737.146.2202424M22 × 85M22 × 90M27 × 95101010111111900 100092010209910751175102011209801080553436303055.157.32428M27 × 100M27 × 10510l0ll11Pg =10公斤/厘米210 15 20 14182533390951056065754045582221212141414140.4580.5110.748444M12 × 40M12 × 40M12 × 4533344425 32 40 3238453.53.53.5115135145851001106878882231416181418180.891.401.71444M12 × 45M16 × 50M16 × 5544455550 70 70 5776693.5441601801951251451601021221383331820201818182.092.843.24444M16 × 55M16 × 60M16 × 60455566100 125 150 108133159444.52152452801802102401581882123332224241818234.015.406.12888M16 × 65M16 × 70M16 × 70555666175 200 225 1942192456673103353652702953252422682953332424242323237.448.249.30888M20 × 70M20 × 70M20 × 70678789250 300 350 27332537788939044050035040046032037043034426282823232310.712.915.9121216M20 × 75M20 × 90M20 × 80991010101l400 450 500 600 42647852963099995656156707805155656207254825325856854445303032362525253021.824.427.739.416202020M22 × 85M22 × 95M22 × 90M27 × 1051010101011111111Pg =16公斤/厘米2l0 15 20 14182533390951056065754045582221414161414140.5470.7110.867444M12 × 45M12 × 45M12 × 5033344425 32 40 3238453.53.53.511513514585100110687888223118201418181.1741.62.0444M12 × 50M16 × 55M16 × 604445O550 70 80 5776893.5441601801951251451601021221383332224241818182.63.453.71448M16 × 65M16 × 70M16 × 70455566100 125 150 108133159444.52152452801802102401581882123332628281818234.86.477.92886M16 × 70M16 × 75M20 × 80555666公称 直径管 子 法 兰 (毫米) 螺 栓 焊 缝外径 壁厚 外径螺栓孔中心圆直 径连接凸出部分直 径连接凸出部分高 度厚度螺栓孔直径重 量 数量 规 格焊缝的直角边焊缝离法兰面距离Dg d H S D D1D2 f b d Kg n 直径×长度 K HPg =16公斤/厘米2175 200 225 1942192456673103353652702953252422682953442830302323238.8110.111.781212M20 × 80M20 × 85M20 × 95678789250 300 350 27332537788940546052035541047032037843834432323425252515.716.123.3121216M22 × 90M22 × 90M22 × 959910101011400 450 500 42647852999958064070552558565049055061044438424830303431.040.255.1162020M27 × 105M27 × 115M30 × 130101010111111600 630 9 840 770 720 5 50 41 80.3 20 M30 ×140 10 1lPg =25公斤/厘米210 15 20 14182533390951056065754045582221616181414140.6340.8040.985444M12 × 50M12 × 50M12 × 5033344425 32 40 3238453.53.53.5115135145851001106878882231820221418181.1741.962.60444M12 × 50M16 × 60M16 × 6544455550 70 80 5776893.5441601801951251451601021221383332424261818182.7l3.224.06488M16 × 70M16 × 70M16 ×70455566100 125 150 108133159444.52302703001902202501621882183332830302325256.08.2610.4888M20 × 80M22 × 95M22 × 8555O666175 200 225 19421624566733036039528031034024827830533332323425253011.914.517.0121212M22 × 90M22 × 90M27 × 100678789250 300 35027332537788942548555037043049033539045034434364230303418.926.834.35121616M27 × 100M27 × 105M30 × 1209910101011400 450 500 42647852999961066073055060066050555561544444485234344144.951.9267.3162020M30 × 120M30 × 130M36 × 150101010111111。
常用平焊法兰及螺栓规格尺寸(摘自HG5010-58 )单位:毫米管子子法兰(( 毫米)) 螺栓焊缝缝公称螺栓孔连接凸连接凸焊焊缝缝离离螺栓孔焊缝的直径外径壁壁厚厚外径中心圆出部分出部分厚度重重量量数量规格法兰面直直径直角边直直径径直直径高高度度距距离离DD g g dd H H SS DD D D1 1 D D2 2 f f bb dd K K g g nn 直直径径××长长度度K K H HPg P g==21.5 公斤/厘/厘米米221010010184 43 20755 17500 14385 32 148 1182 02.2 4 M M1106 ×350035 4 6 1216513138 43 23850 20505 17480 32 148 1182 20.728348M M1106 ×350035 4 6 1520015295 4.53 26900 22655 20520 32 168 1182 30.439048M M1106 ×350035 4 6 1725519342 63.5 29100 25755 23620 32 168 1182 30.836748M M1106 ×350046 5 7 2030221398 63.5 31520 28900 25780 32 188 1184 40.858348M M1126 ×350347 5 8 2245024455 73.5 341030 310050 28820 33 208 1184 50.953848M M1126 ×360048 5 9 2550027537 83.5 371040 313150 31920 33 228 1184 70.3624142 M M1126 ×360549 510 3070032756 84 431560 319350 361510 43 2120 2134 19.042 142 M M1220 ×370059 61l 3580037879 94 481585 4145 41528 43 2120 2138 110.3.59 142 M M1260 ×4700510 611 4100 412068 94 532505 419750 461548 43 2120 2138 111.5.77 146 M M1260 ×4700510 611 415205 417383 94 592035 5250 521078 43 2140 2138 114.9.98 186 M M1260 ×4700510 611 510500 512599 94.5 642060 620205 57202 43 2142 2138 126.6.22 186 M M1260 ×4750510 611 610705 613304 96 752590 7205 672032 53 2144 2158 230.2.66 280 M M1262 ×5705610 711 7200 7209 96 863015 821800 77258 53 2164 2158 239.8.90 284 M M1262 ×5800710 811 820205 8205 97 973540 9320 882082 53 2164 3108 346.1.70 284 M M1267 ×5805810 911 29500 273 8 1307 335 312 3 14 3108 4.65 12 M16 ×509 103000 325 8 5435 395 365 4 16 2203 6.83 12 M20 ×559 10 920 9 1020 980 5 28 44.2 24 M27 ×9510 11 130500 377 9 485 445 415 4 16 32037.64 12 M20 ×5510 11 1020 9 1120 1080 5 30 52.7 28 M27 ×9010 110 1175 9.58管子法兰(毫米) 螺栓焊缝公称直径外径壁厚外径螺孔中心圆直径连接凸出部分直径连接凸出部分厚度高度螺栓孔直径重量数量规格焊缝的直角边焊缝离法兰面距离Dg d H S D D 1 D 2 f b d Kg n 直径×长度K HPg =6 公斤/厘米226.5600 630 9 755 705 670 5 30 5720 M22 ×8510 11700 720 9 860 810 775 5 32 2537.124 M22 ×9010 11800 820 9 975 920 880 5 32 30 24 M27 ×9510 1146.2900 1000920102010795911751020112098010805 345 3630 55.130 57.3M27 ×24 10 ll10028 l0 11M27 ×105Pg =10 公斤/厘米20.45810 14 3 90 60 40 2 12 14 4 M12 ×40 3 40.5115 18 3 95 65 45 2 12 1414 M12 ×40 3 4 20 25 3 105 75 58 2 14 14 4 M12 ×45 3 40.74825 32 3.5 115 85 68 2 14 14 0.89 4 M12 ×45 4 5 32 38 3.5 135 100 78 2 16 18 1.40 4 M16 ×50 4 5 40 45 3.5 145 110 88 3 18 18 1.71 4 M16 ×55 4 5 50 57 3.5 160 125 102 3 18 18 2.09 4 M16 ×55 4 5 65 76 4 180 145 122 3 20 18 2.84 4 M16 ×60 5 6100 108 4 215 180 158 3 22 18 4.01 8 M16 ×65 5 6。
常用平焊法兰及螺栓规格尺寸(摘自HG5010-58)单位:毫米公称 直径管 子 法 兰(毫米) 螺 栓 焊 缝外径 壁厚 外径螺栓孔中心圆直径连接凸出部分直径连接凸出部分高度厚度螺栓孔直径重量 数量 规 格焊缝的直角边焊缝离法兰面距离Dg d H S D D1D2 f b d Kg n 直径×长度 K HPg=1公斤/厘米210 15 20 1418253337580905055653540502228881212120.200.230.30444M10 × 30M10 × 30M10 × 3033344425 32 40 3238453.53.53.510012013075901006070802238881214140.370.530.58444M10 × 30M12 × 30M12 × 3044455550 70 80 5776893.54414016018511013015090110128333810101414180.641.021.39444M12 × 30M12 × 30M16 × 40455566100 125 150 108133159444.52052352601702002251481782023331010121818181.571.982.62488M16 × 40M16 × 40M16 × 45555666175 200 225 1342192456672903153402552803052322582823331414141818183.263.804.10888M16 × 50M16 × 50M16 × 50678789250 300 350 2733253778893704354853353954453123654153441416161823234.656.837.64121212M16 × 50M20 × 55M20 × 559910101011400 450 500 4264785299995355906404955506004655205704441818202323239.5811.1013.50161616M20 × 60M20 × 60M20 × 60101010111111600 700 800 631)72082099975586097570581092067077588055520222425253017.1525.3033.90202424M22 × 65M22 × 70M27 × 80101010111111900 1000 120092010201220991010751175137510201l2013209801080128055524262630303037.9045.7057.10242832M27 × 80M27 × 85M27 × 851010111111121400 1600 142016201112157517851520173014801690552828303073.2088.003640M27 × 85M27 × 8512131314Pg =2.5公斤/厘米210 15 20 “18253337580905055653540502221010121212120.2540.290.45444M10 × 35M10 × 35M10 × 4033344425 32 40 3238453.53.53.510012013075901006070802231212121214140.5530.7950.87444M10 × 40M12 × 40M12 × 4044455550 70 80 5776893.544140160185110130150901101283331214141414180.9541. 431.95444M12 × 40M12 × 45M16 × 50455566公称 直径管 子 法 兰(毫米) 螺 栓 焊 缝外径 壁厚 外径螺栓孔中心圆直 径连接凸出部分直 径连接凸出部分高 度厚度螺栓孔直 径重 量 数量 规 格焊缝的直角边焊缝离法兰面距 离Dg d H S D D1D2 f b d Kg n 直径×长度 K HPg =2.5公斤/厘米2100 126 150 108133159444.52052352601702002251481782023331414161818182.22.783.49488M16 × 50M16 × 50M16 × 50555666175 200 225 1942192456672903153402552803052322582823331618201818183.864.885.93888M16 × 50M16 × 53M16 × 60678789250 300 350 2733253778893704354853353954453123654153442222221823237.329.410.5121212M16 × 65M20 × 70M20 × 709910101l11400 450 500 42647852999953559064049555060046552057044422242423232311.714.916.2161616M20 × 70M20 × 70M20 × 70101010111111600 700 800 63072082099975586097570581092067077588055524262625253020.629.936.7202424M22 × 75M22 × 80M27 × 85101010111111900 1000 12009201020122099101075117513751020112013209801080128055528303030203044.252.765.9242832M27 × 95M27 × 90M27 × 901010111111121400 1600 142016201112157517851520173014801690553232303078.394.33640M27 × 95M27 × 95121313i4Pg =6公斤/厘米210 15 20 141825333.57580905055653540502221212141212120.3190.3350.536444M10 × 40M10 × 40M10 × 4033344425 32 40 3238453.53.53.510012013075901006070802231416161214140.6411.0971.219444M10 × 40M12 × 50M12 × 5044455550 70 80 5776893.544140160185110130150901101283331616181414181.3481.672.48444M12 × 50M12 × 50M16 × 55455566100 125 150 108133159444.52052352601702002251481782023331820201818182.893.944.47488M16 × 55M16 × 60M16 × 60555666175 200 225 1942192456672903153402552803052352582823332222221818185.546.076.6888M16 × 65M16 × 65M16 × 65678789250 300 350 2733253778893704354853353954453123654153442424261823238.0310.312.59121212M16 × 70M20 × 70M20 × 79910101011400 450 500 42647852999953559064049555060046552057044428283023232315.217.5920.67161616M20 × 80M20 × 80M20 × 95101010111111公称 直径管 子 法 兰 (毫米) 螺 栓 焊 缝外径 壁厚 外径螺孔中心圆直 径连接凸出部分直 径连接凸出部分高 度厚度螺栓孔直 径重量 数量 规 格焊缝的直角边焊缝离法兰面距 离Dg d H S D D1D2 f b d Kg n 直径×长度 K HPg =6公斤/厘米2600 700 800 6307208209997558609757058109206707758805553032325253026.5737.146.2202424M22 × 85M22 × 90M27 × 95101010111111900 100092010209910751175102011209801080553436303055.157.32428M27 × 100M27 × 10510l0ll11Pg =10公斤/厘米210 15 20 14182533390951056065754045582221212141414140.4580.5110.748444M12 × 40M12 × 40M12 × 4533344425 32 40 3238453.53.53.5115135145851001106878882231416181418180.891.401.71444M12 × 45M16 × 50M16 × 5544455550 70 70 5776693.5441601801951251451601021221383331820201818182.092.843.24444M16 × 55M16 × 60M16 × 60455566100 125 150 108133159444.52152452801802102401581882123332224241818234.015.406.12888M16 × 65M16 × 70M16 × 70555666175 200 225 1942192456673103353652702953252422682953332424242323237.448.249.30888M20 × 70M20 × 70M20 × 70678789250 300 350 27332537788939044050035040046032037043034426282823232310.712.915.9121216M20 × 75M20 × 90M20 × 80991010101l400 450 500 600 42647852963099995656156707805155656207254825325856854445303032362525253021.824.427.739.416202020M22 × 85M22 × 95M22 × 90M27 × 1051010101011111111Pg =16公斤/厘米2l0 15 20 14182533390951056065754045582221414161414140.5470.7110.867444M12 × 45M12 × 45M12 × 5033344425 32 40 3238453.53.53.511513514585100110687888223118201418181.1741.62.0444M12 × 50M16 × 55M16 × 604445O550 70 80 5776893.5441601801951251451601021221383332224241818182.63.453.71448M16 × 65M16 × 70M16 × 70455566100 125 150 108133159444.52152452801802102401581882123332628281818234.86.477.92886M16 × 70M16 × 75M20 × 80555666公称 直径管 子 法 兰 (毫米) 螺 栓 焊 缝外径 壁厚 外径螺栓孔中心圆直 径连接凸出部分直 径连接凸出部分高 度厚度螺栓孔直径重 量 数量 规 格焊缝的直角边焊缝离法兰面距离Dg d H S D D1D2 f b d Kg n 直径×长度 K HPg =16公斤/厘米2175 200 225 1942192456673103353652702953252422682953442830302323238.8110.111.781212M20 × 80M20 × 85M20 × 95678789250 300 350 27332537788940546052035541047032037843834432323425252515.716.123.3121216M22 × 90M22 × 90M22 × 959910101011400 450 500 42647852999958064070552558565049055061044438424830303431.040.255.1162020M27 × 105M27 × 115M30 × 130101010111111600 630 9 840 770 720 5 50 41 80.3 20 M30 ×140 10 1lPg =25公斤/厘米210 15 20 14182533390951056065754045582221616181414140.6340.8040.985444M12 × 50M12 × 50M12 × 5033344425 32 40 3238453.53.53.5115135145851001106878882231820221418181.1741.962.60444M12 × 50M16 × 60M16 × 6544455550 70 80 5776893.5441601801951251451601021221383332424261818182.7l3.224.06488M16 × 70M16 × 70M16 ×70455566100 125 150 108133159444.52302703001902202501621882183332830302325256.08.2610.4888M20 × 80M22 × 95M22 × 8555O666175 200 225 19421624566733036039528031034024827830533332323425253011.914.517.0121212M22 × 90M22 × 90M27 × 100678789250 300 35027332537788942548555037043049033539045034434364230303418.926.834.35121616M27 × 100M27 × 105M30 × 1209910101011400 450 500 42647852999961066073055060066050555561544444485234344144.951.9267.3162020M30 × 120M30 × 130M36 × 150101010111111。
常用平焊法兰和螺栓的尺寸规格介绍平焊法兰和螺栓是在工程和建筑领域中常用的连接工具。
本文将详细介绍常用的平焊法兰和螺栓的尺寸规格。
1. 平焊法兰的尺寸规格平焊法兰是一种常见的法兰连接方式,它由钢材制成,并具有固定孔和螺纹孔。
以下是常用平焊法兰的尺寸规格:- 内径(ID):平焊法兰的内径根据具体应用的管道尺寸而变化。
常见的内径尺寸有1/2 英寸、3/4 英寸、1 英寸等。
- 外径(OD):平焊法兰的外径通常比内径大一些。
常见的外径尺寸有1 英寸、1.5 英寸、2 英寸等。
- 螺孔直径:平焊法兰的螺孔直径通常根据所需的连接强度和螺纹尺寸来确定。
常见的螺孔直径有1/4 英寸、3/8 英寸、1/2 英寸等。
- 螺孔数量:平焊法兰上的螺孔数量通常取决于法兰的大小和所需的连接强度。
常见的螺孔数量有4 个、6 个、8 个等。
2. 螺栓的尺寸规格螺栓是用于连接平焊法兰和其他连接件的重要部分。
以下是常用螺栓的尺寸规格:- 直径(D):螺栓的直径根据所需的连接强度和螺纹尺寸来确定。
常见的直径尺寸有1/4 英寸、3/8 英寸、1/2 英寸等。
- 长度(L):螺栓的长度取决于连接件的厚度以及所需的连接强度。
常见的长度尺寸有1 英寸、1.5 英寸、2 英寸等。
- 螺纹类型:螺栓的螺纹类型通常需要与平焊法兰的螺纹孔相匹配。
常见的螺纹类型有UNC(统一粗螺纹)、UNF(统一细螺纹)等。
注意事项在选择平焊法兰和螺栓时,需要根据具体应用的需求来确定合适的尺寸规格。
同时,注意确保相同型号和规格的平焊法兰和螺栓进行配对使用,以确保连接的质量和可靠性。
总结本文介绍了常用平焊法兰和螺栓的尺寸规格,包括平焊法兰的内径、外径、螺孔直径和螺孔数量,以及螺栓的直径、长度和螺纹类型。
选择适当的尺寸规格可以确保连接的稳固性和可靠性。
参考资料:...(引用的内容需要能够确认来源,本文所列参考资料仅为示例,请自行添加确认的引用来源)。