集成块引脚功能
- 格式:doc
- 大小:384.00 KB
- 文档页数:5
CD4017引脚图:CD4017 是5 位Johnson 计数器,具有10 个译码输出端,14(CL)、15(CR)、13(INH 或EN)输入端。
时钟输入端的斯密特触发器具有脉冲整形功能,对输入时钟脉冲上升和下降时间无限制。
INH 为低电平时,计数器在时钟上升沿计数;反之,计数功能无效。
CR 为高电平时,计数器清零。
Johnson 计数器,提供了快速操作、2 输入译码选通和无毛刺译码输出。
防锁选通,保证了正确的计数顺序。
译码输出一般为低电平,只有在对应时钟周期内保持高电平。
在每10 个时钟输入周期CO 信号完成一次进位,并用作多级计数链的下级脉动时钟。
引出端功能符号:CO(12):进位脉冲输渊;CL:时钟输入端;(RESEST)CR:清除端;INH(EN):禁止端;Q0-Q9 计数脉冲输出端;VDD:正电源;VSS:地。
CD40110的引脚:Ya~Yg:七段码,高电平有效;CPD(CP-):第七脚,减一、脉冲上升沿有效;CPU(CP+):第九脚,加一、脉冲上升沿有效;LE:第六脚,高电平有效,锁存数据;CT(TE):第四脚,高电平有效,禁止计数;CR(R):第五脚,高电平有效,清除计数显示。
数字式频率计LM317:输出电压连续可调的集成稳压电源,输出电压在1.25-37V之间连续可调,输出最大电流可达1.5A。
工作原理:电路原理图见图1。
LM317输出电流为1.5A,输出电压可在1.25-37V之间连续调节,其输出电压由两只外接电阻R1、RP1决定,输出端和调整端之间的电压差为1.25V,这个电压将产生几毫安的电流,经R1、RP1到地,在RP1上分得的电压加到调整端,通过改变RP1就能改变输出电压。
注意,为了得到稳定的输出电压,流经R1的电流小于3.5mA。
LM317在不加散热器时最大功耗为2W,加上200×200×4mm3散热板时其最大功耗可达15W。
VD1为保护二极管,防止稳压器输出端短路而损坏IC,VD2用于防止输入短路而损坏集成电路。
TDA8362集成块引脚功能1.锁相环输入引脚(VCO-IN):此引脚接收来自外部的矩形信号,用于电视恢复。
2.锁相环反相输入引脚(VCO-INB):此引脚接收来自外部的反相矩形信号,用于电视恢复。
3.滤波器引脚(VCO-OUT):此引脚通过外部电容和电阻连接到地,用于滤除高频噪声。
4.滤波器引脚(VCO-OUTB):此引脚通过外部电容和电阻连接到地,用于滤除高频噪声。
5.音频抗混叠引脚(AFC-IN):此引脚接收来自外部音频源的音频信号,用于抗混叠。
6.音频抗混叠输出引脚(AFC-OUT):此引脚通过外部电容和电阻连接到地,用于提供抗混叠功能。
7.音频中频引脚(IF-IN):此引脚接收来自外部中频信号源的信号,用于电视音频。
8.音频中频反相输入引脚(IF-INB):此引脚接收来自外部中频信号源的反相信号,用于电视音频。
9.音频中频输出引脚(IF-OUT):此引脚通过外部电容和电阻连接到地,用于输出中频信号。
10.音频中频反相输出引脚(IF-OUTB):此引脚通过外部电容和电阻连接到地,用于输出反相中频信号。
11.色彩CPU输入引脚(CPU-IN):此引脚接收来自外部的色彩信号,用于电视的色彩处理。
12.色彩CPU反相输入引脚(CPU-INB):此引脚接收来自外部的反相色彩信号,用于电视的色彩处理。
13.色彩CPU输出引脚(CPU-OUT):此引脚通过外部电容和电阻连接到地,用于输出处理后的色彩信号。
14.色彩CPU反相输出引脚(CPU-OUTB):此引脚通过外部电容和电阻连接到地,用于输出反相处理后的色彩信号。
15.场频偏移引脚(VCO-COR):此引脚接收来自外部场频信号源的反馈信号,用于控制水平线锁定。
16.场同步输入引脚(SYNC-IN):此引脚接收来自外部的场频信号源的输入信号。
17.场同步反相输入引脚(SYNC-INB):此引脚接收来自外部场频信号源的反相输入信号。
18.场同步输出引脚(SYNC-OUT):此引脚输出同步信号,用于同步其他设备。
tda8362集成块引脚功能(Tda8362 integrated block pin function)TDA8362 integrated block pin functionFoot function voltage (V)1 audio to add 32 intermediate frequency adjustment circuit 5.93 intermediate frequency adjustment circuit 5.94 video input 7.95 sound intermediate frequency input 3.86 external audio input 3.87 image intermediate frequency output 3.58 power supply decoupling circuit 1.79 place 010 +8V power 811 place 012 tuning filter decoupling 3.413 internal video signal input 4.714 resolution control 0~4.315 external video signal input 4.216 chroma signal input AV/TV switch (TV/AV1/S/AV2) 0/7.6/4/7.617 brightness control 0~4.218 B output 2.719 G output 2.720 R output 2.721 RGB and blanking input 0.522 R input 3.423 G input 3.424 B input 3.425 contrast control 0~3.626 color saturation control 0~4.427 hue control input and SECAM.CVBS output 0~5/628 B-Y input 3.829 R-Y input 3.830 R-Y output 1.531 B-Y output 1.5324.43 baseband and SECAM identification output (P.N/S) 0.5/533 color synchronous phase detector 5.134 3.58MHZ crystal connected 1.435 4.43MHZ crystal connected 236 line starting oscillation power supply 8.4The 37 line drives output 0.538 lines reverse journey into "sand fort" pulse 2.839 line center adjustment and filter 2.840 row phase filter circuit 3.941 field reverse input 2.442 starts and 2.7 starts43 field drive output 144 AFC output 4.745 If input 4.146 If input 4.147 AGC tuner output 8.848 AGC detection 3.849 RF AGC regulation 1.350 audio output 3.351 audio demodulation, decoupling 4.152 brightness signal power decoupling 6.5TDA3862 is composed of 7 foot IC output video signal by IC, 7 feet of the triode emitter output by the transistor buffer by the emitter output by 4.5MHz, 5.5MHz, 6.0MHz, 6.5MHz signal notch respectively into the integrated circuit 4053 12 feet and 13 feet, with the inside of the conversion switch. The signal is switched through the 9 pin of the integrated circuit 4053 and the 10 pin control and the AV input terminal, and the final signal is output by the 15 pin of the integrated circuit 4053.The brightness and contrast signals of various standard signals are separated from each other within the integrated circuit. Of course, you must be sure of the color system of the current signal before you proceed with bright color separation,This is also done internally with IC. In brightness separation, the only pin associated with the external circuit is the 12 pin,which is used to adjust the frequency of the internal color and filter.1. black, but the character display normal: 1. Check whether the work in the AV state. The test of IC. 17 feet and 25 feet if the voltage is too low. 3. Test the character background blanking voltage (IC 21 feet) is too high, too high will make the whole picture is hidden, the foot on the ground to see if short circuited image is caused by. The sand will be abnormal. Black screen character, not what was 38 feet IC and short circuit on the screen, and if the 38 feet to get it open will appear black, normal to abnormal character.2. colorless or achromatic: a television set made up of TDA8362 and TDA4665. NTSC normal, but PAL colorless maintenance, you can get TDA4665 down. Connect IC's 30 foot and 29 foot, 31 feet and 28 feet each with a capacitor 0.1 F, connect to see if the TV has color appear, if there is, that is DTA4665 finished. (sometimes the color takes a moment to come.).The IC line oscillation is done inside the IC, but it requires the IC's 35 pin oscillator to provide the effect signal, so the circuit can work properly.When a signal is sent from the AV/TV or S terminal, a video signal or a luminance signal is separated from the internal synchronization of the IC to produce a composite sync pulse to further separate the trip / field synchronization signal. The 36 pin of the IC is to supply 8.2V power to the small signal processing circuit, which requires a higher power supply.The crystal oscillation circuit in the 35 foot line with the help of vibration, vibration signal and the synchronous signal phase in AFC1 circuit, dual filter time constant by 40 feet of RC components generates an error signal, the oscillation frequency control right. The oscillation signal is compared with the input pulse signal of the IC 38, and the central control of the line scanning is realized by setting the 39 pin external circuit of the IC to change the phase. Finally, after the pre excitation signal, the output signal from the IC pin 37 output IC pin 37 is open to the external power supply mode, or can not work can sometimes be rather baffling and strange phenomena such as: fault IC 49 feet appeared.There is no grating fault. TDA8362 36 foot power requirements higher, bad, there will be a series of strange phenomena.TDA8362's 47 foot problems can cause image shake and distortion. IC between 1 feet and 2 feet, and connect resistor 200K, can open the color channelCommon faults:I. accompanying soundMost of the faults that have no audio are in the audio intermediate frequency input circuit, audio output, audio frequency amplification circuit and de coupling sound demodulation.1. the most common non audio fault location is the IC audio intermediate input external capacitor deterioration leakage.In addition, the three groups of filters in the three audio signal circuits are damaged by any of the components of the filter, and the group has no sound.2., IC 1 feet audio output, audio to aggravate and IC 51 feet decoupling, audio demodulation circuit if the capacitor, short circuit or leakage, will lead to no sound.The 50 pin of the 3. IC is an audio output (controlled) circuit, and if an external capacitor is leaking, it will cause no sound.Two, grating, no imageOneThe most common causes is in IC 46, 46 feet is the intermediate frequency input circuit, such as frequency of the input circuit coupling capacitor deterioration or short circuit can lead to a grating without image, but the noise points weak, while the IC of 45, 46 feet if the input circuit of external resistance will lead to light, the gate open no image.2. IC 48 pin AGC detection circuit, external capacitor deterioration short-circuit will lead to grating without image, but there are weak noise points.The 3. IC 31 pin is a + (B-Y) output circuit, and the external resistance is open to a raster without an image.4. IC internal damage also occurs with grating without image.Four. The image is shaking and twistingThe most common is the 47 pin IC AGC tuner tuner output circuit to filter capacitor leakage or deterioration and AGC detection circuit, AGC adjusting element damage.Five, bad characters1.IC 24 pin blue character input external capacitor leakage.2. IC 22 pin red character input external capacitor leakage.IC's 52 foot special, its English name is "BAND GAP", meaning "band gap"". Its role is the reference voltage, and the role of the pin and its external components is to use band gap technology to achieve voltage regulation, so the IC 52 pin voltage is very stable 6.5V. This pin is mainly used in circuit such as field scanning, which requires high stability voltage. If the IC 52 pin circuit is abnormal, it will cause serious changes in amplitude and linearity of the field, even the fault of the horizontal bright line.IC can be used to adjust for 39 feet or center line, because the IC is not set for the line in the PAL/NTSC oscillator respectively by IC standard 34, 35 feet outside the crystal 2.58MHz, connected 4.43MHz frequency automatically generated. IC 39 feet for the second phase back end, change the external adjustable resistance can change the amount of delay (as well as the center of the image.). IC 40 feet for the first line of the phase back end, the loop of the image of the line synchronization pulse and pulse shock compared to control theoscillation frequency with the error voltage, and make the TV signals with the same frequency and phase.HeipingWhether the 48 foot test voltage IC is greater than 6V the foot when the foot video squelch function, when the voltage is greater than 6V, will put the output off screen caused no light. Is the 16 pin voltage of the IC 0V?. The foot selects the control pin for the video signal. If it is high, the IC is in the AV state, and the 21 pin voltage of the IC is 0V. When the foot is larger than 1V, the signal sent to the visual board is a character signal. When the voltage of the foot is 0V, the signal sent to the visual board is the video signal after the demodulation. IC 17, 25 feet brightness, contrast, control voltage is too low. Is the pulse of the 38 pin output of the IC normal?.The same types have TDA83618362 and OM8361 as well as OM8362.。
LM2901/LM339/LM239/LM139的引脚和原理参数完全一样,只是使用温度不一样。
LM339引脚图与功能简介LM339集成块内部装有四个独立的电压比较器,该电压比较器的特点是:1)失调电压小,典型值为2mV;2)电源电压范围宽,单电源为2-36V,双电源电压为±1V-±18V;3)对比较信号源的内阻限制较宽;4)共模范围很大,为0~(Ucc-1.5V)Vo;5)差动输入电压范围较大,大到可以等于电源电压;6)输出端电位可灵活方便地选用。
LM339集成块采用C-14型封装,图1为外型及管脚排列图。
由于LM339使用灵活,应用广泛,所以世界上各大IC生产厂、公司竟相推出自己的四比较器,如IR2339、ANI339、SF339等,它们的参数基本一致,可互换使用。
LM339类似于增益不可调的运算放大器。
每个比较器有两个输入端和一个输出端。
两个输入端一个称为同相输入端,用“+”表示,另一个称为反相输入端,用“-”表示。
用作比较两个电压时,任意一个输入端加一个固定电压做参考电压(也称为门限电平,它可选择LM339输入共模范围的任何一点),另一端加一个待比较的信号电压。
当“+”端电压高于“-”端时,输出管截止,相当于输出端开路。
当“-”端电压高于“+”端时,输出管饱和,相当于输出端接低电位。
两个输入端电压差别大于10mV就能确保输出能从一种状态可靠地转换到另一种状态,因此,把LM339用在弱信号检测等场合是比较理想的。
LM339的输出端相当于一只不接集电极电阻的晶体三极管,在使用时输出端到正电源一般须接一只电阻(称为上拉电阻,选3-15K)。
选不同阻值的上拉电阻会影响输出端高电位的值。
因为当输出晶体三极管截止时,它的集电极电压基本上取决于上拉电阻与负载的值。
另外,各比较器的输出端允许连接在一起使用。
单限比较器电路图3为某仪器中过热检测保护电路。
它用单电源供电,1/4LM339的反相输入端加一个固定的参考电压,它的值取决于R1于R2。
开关电源厚膜集成电路各引脚的功能大全在这里搜集了一些常用厚膜集成电路各引脚的功能:STR51213、STR50213、STR50103引脚号引脚功能1接地,内接稳压基准电路2开关管基极3开关管集电极4开关管发射极5误差比较电压信号输入,兼待机控制STR3302、STR3202引脚号引脚功能1内部半桥变换电路场效应管工作电源输入300V 2空脚3高端场效应管触发信号输入4高端激励触发信号输出5空脚6接地7控制振荡器频率的定时电容外接端8稳压与直流待机控制信号输入9控制振荡器频率的定时电阻外接端10软启动阻容器件外接端11延迟关断控制端,外接欠压保护监控电路12内部振荡及其信号处理电路供电端13低端激励触发信号输出14过流保护检测输入端,高于0.7V时起控15低端场效应管触发信号输入16接地17空脚18半桥式场效应管变换控制输出端19高端触发激励电路自举升压端STR5741、STR5941引脚号引脚功能1开关管集电极2开关管发射极3开关管基极4内接反馈量自动调整管的集电极5内接反馈量自动调整管的基极6软启动保护控制电压输入7接地8稳压控制电路误差取样电压输入9基准电压比较输入STR-6307、STR6308、STR6309引脚号引脚功能1内接开关管集电极2内接开关管发射极3内接开关管基极4反馈兼恒流驱动端5反馈信号激励控制6软启动保护控制信号输入7接地端8稳压控制/保护控制输入9稳压控制电路电源输入端STR-6707、STR6708、STR6709引脚号引脚功能1内接开关管集电极2内接开关管发射极3内接开关管基极4开关管基极驱动电流输入端,内接驱动5开关管基极驱动电流输出端6内部过电流保护检测电压输入端7稳压控制信号反馈输入端8开关管导通、截止时间的控制端9内等效电路的电源电压输入兼保护输入STR5707、STR5708引脚号引脚功能1内接开关管集电极2内接开关管发射极3内接开关管基极4线性驱动电路反馈信号输入端5过电流保护检测电压输入端6内部运放同相工作电压输入端7稳压控制取样信号输入8开关管工作状态控制脉冲输出9内等效电路的电源电压输入兼保护输入STR54041、STR59041引脚号引脚功能1基准电压比较输入2启动脉冲输入,内接开关管基极3脉冲电源输入,内接开关管集电极4内部电路接地,内接开关管发射极STR66011稳压控制脉冲调整信号输入2启动电压输入,内接开关和基极3内接开关管集电极4内接开关管发射极5内部分流管与激励管供电输入STR40090、STR41090引脚号引脚功能1内部取样放大电路基准工作电源输入端2振荡启动电压输入,内接开关管基极3开关管集电极4开关管过流保护监测,内接开关管发射极5稳压控制信号误差电压输入STR6259引脚号引脚功能1内接开关管漏极300V2开关管过流检测,内接开关管源极3接地4过流保护检测输入5电源、启动、保护检测电压输入6稳压控制信号误差电压输入7双重保护触发脉冲信号输入STR6833引脚号引脚功能1内接开关管漏极300V2开关管过流检测,内接开关管源极3接地4过流保护检测输入5电源、启动、保护检测电压输入6稳压控制信号误差电压输入7过压保护触发脉冲信号输入端STR6821、STR6831、STR65451内接开关管漏极300V2开关管过流检测,内接开关管源极3接地4过流保护检测输入5电源、启动、保护检测电压输入6稳压控制信号误差电压输入7双重保护触发脉冲信号输入STR2152引脚号引脚功能1内部场效应管工作电源输入2变换电路场应管输出信号反馈输入3接地4控制振荡器频率的定时电容外接端5稳压与直流待机控制信号输入6控制振荡器频率的定时电阻外接端7软启动电阻,电容外接端8延迟关断电容外接端9内部振荡及其信号处理电路供电10内部基准电压输出端兼末级场效应管控制部分电源输入11过渡保护检测输入12接地13空脚14开关场效应管变换控制输出15自举升压,外接自举升压元件STR50115引脚号引脚功能1接地2振荡启动电压输入,开关管基极3开关管集电极4+B电压输出,开关管发射极5稳压控制比较电压输入,接误差放大管基极(内) STR4302引脚号引脚功能1场效应管工作电压输入300V2接地3外接控制振荡频率的定时电阻4控制振荡器的定时电容保护端5稳压与直流待机控制信号输入6控制振荡器最大频率判定电阻外接端7外接软启动电阻、电容8延迟关断电容外接端9内部振荡及其信号处理与控制电路供电10内部基准电压输出兼场效应管控制电源输入11过流保护检测输入12接地13空14开关管变换控制输出15高端触发激励电路电源输入、接自举升压元件IX0512引脚号引脚功能1内部取样放大电路基准工作电源输入2振荡启动电压输入,开关管基极3开关管集电极4开关管过流保护检测,开关管发射极5稳压控制信号误差电压输入KA3S0680引脚号引脚功能1开关管漏极2开关管源极,接地3电源启动电压输入4稳压控制信号输入5振荡电路外同步信号输入TDA2581引脚号引脚功能1内部鉴相器误差电压输出2行逆程脉冲信号输入3行同步脉冲信号输入4软启动电路外接偏置电阻兼遥控控制信号输入5软启动控制,主要用来控制开机时开关脉冲的占空比6开关管过流保护检测输入,-0.7V时保护7稳压保护检测电压输入,7V以上时保护8稳压控制电路取样检测信号输入9集成块内部电源电压输入10稳压控制电路基准电压输入11行频激励开关脉冲输出12开关脉冲最大允许占空比控制信号输入13振荡器频率控制,外接RC元件14低通滤波,对1脚的误差电压进行滤波形成基准电压15低通滤波,对1脚的误差电压进行滤波形成AFC电压16地TEA2260/2261引脚号引脚功能1开关变压器磁饱和消除检测信号输入,有些机型接地2外部控制脉冲信号输入,有些机型接地3过流保护检测信号输入4地5地6误差取样电压输入7内部误差信号输出,反馈到6脚8重复过载保护电容外接端9软启动电容外接10振荡定时电容11振荡定时电阻12地13地14开关脉冲驱动信号输出,正向时电流出,反向时电流入15内部正向驱动管集电极工作电源输入16内部电路工作电源输入STR6653、TR6654、TR6656引脚号引脚功能1过流检测输入兼稳压控制输入2内接MOS开关管源极3内接开关管漏极4电源、启动、保护检测电压输入5接地STR6707引脚号引脚功能1过流检测输入2开关管发射极3开关和集电极4电源启动电压输入5热地端STR2152引脚号引脚功能1内部末级半桥变换电路场效应管工作电源输入2变换电路场效应管输出信号反馈输入3接地4外接控制振荡器频率的定时电容5稳压与直流待机控制信号输入6外接控制振荡器频率的定时电阻7外接软启动电阻、电容8延迟关断电容外接端9内部振荡及其信号处理电路供电10内部基准电压输出兼末级场效应控制部分电源11过流保护检测输入12接地13空脚14半桥式开关场效应管变换控制输出15自举升压脚,外接自举升压元件SMR62000引脚号引脚功能1正反馈输入起输出功率限定作用2启动电压输入,内接场效应开关管栅极3开关管漏极300V4过流保护取样,开关管源极5稳压控制电压输入TDA16846引脚号引脚功能1断路时间控制,外接定时RC电路2初级绕组电流检测输入3过零检测信号输入4软启动时间控制,外接定时电容5稳压控制信号输入6误差比较2反向信号输入7RC振荡基准同步信号输入8空脚9基准电压、电流输出10误差1同向信号输入11主电压监测信号输入,高于1V时电源停振12地13开关管开关状态的激励脉冲信号输出14集成块工作电源输入IR2112引脚号引脚功能1低端驱动脉冲信号输出2低端场效应驱动输出基准点3低端驱动器RS触发器与驱动输出电路供电4空5高端场效应管驱动输出基准点外接场效应管源极6高端驱动器RS触发器与驱动输出电路供电7高端驱动脉冲信号输出8空9芯片内部电路供电10高端驱动脉冲信号输入11低端驱动脉冲信号输入12低端驱动脉冲信号输入13地14空TDA8133引脚号引脚功能1电源输入12电源输入23延迟器退耦4失效控制指令输入5地6复位控制7空8受控电源输出29受控电源输出1TDA4601引脚号引脚功能1内部基准电压输出2过零检测触发电压信号输入3稳压控制误差信号输入4集成电路内部模拟电流输入5保护控制信号输入6地7振荡电路反向驱动电压输出8振荡电路正向驱动电压输出9集成块内部电路工作电源输入TEA5170引脚号引脚功能1外接软启动电容构成电源软启动控制2芯片内部电路供电,3脉宽调制器产生的PWM脉冲信号输出4地5误差电压放大器倒相输入,外接+B电压取样电路6误差电压放大器输出7振荡器电路外接定时电容8振荡器电路定时电阻UC3842引脚号引脚功能1误差电压放大器输出2电压反馈信号输入,与内部2.5V基准电压进行比较后产生误差控制信号3主回路电流2检测,具有过流保护功能4定时端子5地6驱动信号输出7电源供电8内部电压输出HIC1015、HIC1016引脚号引脚功能1开关电源输出的+B电压取样电路控制电压输入2过流保护控制检测信号输入3开关电源稳压控制误差信号输入兼待机、开机控制输出4空5开关电源稳压控制误差放大电路基准电压输入6内部过流保护监控电路输出信号滤波7地8内部控制电路偏置电压输入9遥控待机、开机控制信号输入10内部放大电路工作状态控制,一般未用11内部放大电路工作副电源输入,一般均为空12行扫描电路工作电源输入13空14过流、过压保护监测电压信号输入15+5V电源输入16过流、过压保护监控电压输出17地TDA8380引脚号引脚功能1开关管正向驱动电流输出,正向驱动管发射极2正向驱动管供电,管的集电极3防磁饱和检测兼过零检测信号输入4输入到5脚电源的欠压保护基准电平设置端5内部电源输入6主基准电流设定端7稳压控制取样电压反馈信号输入8误差放大信号输出9PWM脉冲调制输入10外接振荡定时电容11振荡电路外部同步脉冲信号输入12脉宽调制占空系数设置兼软启动控制端13过流保护检测信号输入14地15内接反向驱动管发射极16开关管反向驱动信号输出,内接反向驱动管集电极TEA2164引脚号引脚功能1地2开关变压器初级电流检测输入3重复过载电压输入4地5地6稳压控制的误差电压或同步脉冲信号输入7振荡定时电阻外接8振荡定时电容外接9控制振荡TON的直流取样电压输入10软启动控制,外接软启动电容11过流检测,一般接地12开关管驱动脉冲信号输出,一般接地13同上14开关管驱动脉冲信号输出15正向驱动电路直流供电16芯片供电端兼过压、欠压保护检测端MC44603引脚号引脚功能1芯片电源电压兼启动电压、过压、欠压保护检测2芯片内部脉冲缓冲驱动输出级供电3开关管驱动脉冲输出4地5过载保护阀值点调整控制6过压保护触发信号7初级电流检测8开关变压器去磁保护检测控制9振荡器外接同步控制信号输入10正常工作模式振荡频率定时电容11振荡器软启动控制,外接软启动时间常数电容12降频工作模式时开关电源最小负载阀什电平设定脚13翻转触发、正常工作信号输出兼误差放大器输出14反馈取样电压输入15待机工作模式振荡频率定时控制,外接振荡定时电阻16基准模块电阻外接脚MC33025引脚号引脚功能1误差放大器反向输入,外接过流保护检测取样电路2误差放大器同向输入,外接固定基准电压3误差放大器输出,作过流保护输出4同步发生器时钟信号输出,5锯齿波振荡定时电阻外接6锯齿波振荡器定时电容外接端兼锯齿波输出7振荡器放电端即PWN器同相输入8软启动控制,外接软启动电容9驱动脉冲关闭兼过流保护控制输入10地11脉宽信号输出12地13脉宽放大部分电路的供电电源输入14脉宽信号输出15芯片内部电路供电165.1V基准电压输出将会持续搜集新出来的电源厚膜块各引脚的作用资料,欢迎分享到QQ,让我们一起维修!。
NE555引脚功能及应用NE555为8脚时基集成电路,各脚主要功能(集成块图在下面)1地GND 2触发3输出4复位5控制电压6门限(阈值)7放电8电源电压Vcc应用十分广泛,可装如下几种电路:1。
单稳类-----作用:定延时,消抖动,分(倍)频,脉冲输出,速率检测等。
2。
双稳类-----作用:比较器,锁存器,反相器,方波输出及整形等。
3。
无稳类-----作用:方波输出,电源变换,音响报警,玩具,电控测量,定时等。
我们知道,555电路在应用和工作方式上一般可归纳为3类。
每类工作方式又有很多个不同的电路。
在实际应用中,除了单一品种的电路外,还可组合出很多不同电路,如:多个单稳、多个双稳、单稳和无稳,双稳和无稳的组合等。
这样一来,电路变的更加复杂。
为了便于我们分析和识别电路,更好的理解555电路,这里我们这里按555电路的结构特点进行分类和归纳,把555电路分为3大类、8种、共18个单元电路。
每个电路除画出它的标准图型,指出他们的结构特点或识别方法外,还给出了计算公式和他们的用途。
方便大家识别、分析555电路。
下面将分别介绍这3类电路。
单稳类电路:单稳工作方式,它可分为3种。
见图示。
第1种(图1)是人工启动单稳,又因为定时电阻定时电容位置不同而分为2个不同的单元,并分别以1.1.1 和1.1.2为代号。
他们的输入端的形式,也就是电路的结构特点是:“RT-6.2-CT”和“CT-6.2-RT”。
第2种(图2)是脉冲启动型单稳,也可以分为2个不同的单元。
他们的输入特点都是“RT-7.6-CT”,都是从2端输入。
1.2.1电路的2端不带任何元件,具有最简单的形式;1.2.2电路则带有一个RC微分电路。
第3种(图3)是压控振荡器。
单稳型压控振荡器电路有很多,都比较复杂。
为简单起见,我们只把它分为2个不同单元。
不带任何辅助器件的电路为1.3.1;使用晶体管、运放放大器等辅助器件的电路为1.3.2。
图中列出了2个常用电路。
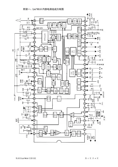
小信号解码集成块LA76810A LA76818A引脚功能和应用电路图纸LA76810A引脚功能LA76818A引脚功能引脚功能工作电压/V 对地电阻(R×1KΩ)正测/Ω反测/Ω1 音频输出 2.0 3.9K 3.8K2 调频输出 1.9 7.0K 8.5K3 图象中频【AGC】滤波2.1 7.4K9.0K4 RF 【AGC】输出 3.5 6.8K16K5 图象中频输入 2.6 7.2K 8.2K6 图象中频输入 2.6 7.2K 8.2K7 地0 0 08 中频dianyuan电源 4.6 0.5K 0.5K9 滤波 1.5 7.4K 9.5K10 AFT输出 2.2 7.0K8.8K11 总线【存储器数据】线 4.4 4.3K12 总线时钟线 4.3 4.3K 5.5K13 自动亮度限制 3.9 5.6K 4.5K14 R输入0.5 7.2K8.6K15 G输入0.5 7.2K8.6K16 B输入0.5 7.2K8.6K17 消隐输入0 3.4K 3.4K18 RGBdianyuan电源7.2 0.7K 0.7K19 R输出 2.0 5.5K7.8K20 G输出 1.9 5.6K7.8K21 B输出 2.0 5.5K7.8K22 同步分离输出0.2 5.8K 8.0K23 场输出 2.2 2.0K 2.0K24 场锯齿波滤波 1.2 7.4K 8.6K25 行dianyuan电源 4.9 0.7K26 行AFC滤波 2.4 7.4K9.1K27 行输出0.5 2.2K 2.1K28 行逆程脉冲输入0.8 7.2K 8.2K29 VCO基准 1.4 4.9K4.8K30 4MHz时钟输出0.1 5.4K9.1K31 dianyuan电源 4.7 0.5K0.5K32 滤波7.5 4.8K ∞K33 地0 0 034 SECAM B-Y输入 1.6 7.5K8.2K35 SECAM R-Y输入 1.6 7.5K8.4K36 C-AFC滤波 3.5 7.8K8.8K37 FSC输出 2.1 7.0K8.2K38 4.43MHz晶振 2.5 7.6K39 色度APC滤波 2.7 7.5K8.4K40 视频输出 2.2 7.5K 9.0K41 地0 0 042 外接视频输入 2.3 7.6K 9.0K43 V/C/Ddianyuan电源 4.7 0.5K0.5K44 视频输入 2.4 7.5K 9.1K45 黑延伸滤波 1.6 7.5K 8.2K46 视频输出 1.9 1.8K 1.7K47 图象中频APC滤波0.9 7.5K9.0K48 视频检波 3.9 1.1K 1.0K49 视频检波 3.9 1.1K 1.1K50 VDO滤波 2.2 7.2K9.0K51 外接音频输入 1.6 7.5K 8.8K52 伴音中频输出 1.6 7.2K 9.0K53 伴音中频APC滤波1.9 7.4K9.0K54 伴音中频输入 2.8 7.6K9.1KLA76810相信大家都不陌生,但在组装机上却的故障表现却千奇百怪;笔者将一些实践维修结论公布于此,供大家探讨。
6754aaz引脚说明电源集成块STRW6754A引脚功能STR-W6754A为内藏功率MOSFET和控制器,以准共振方式工作的开关电源用厚膜集成电路。
通常工作以准共振或BottomSkip准共振动作,实现了开关电源的高效率,低噪声等优良性能,待机时以间歇振荡方式工作以降低待机功率。
使用该IC可以大量减少电源元件的数量,简化电路的设计。
一、特点1、在待机的状态下,当输出电压下降时电源以间歇振荡方式工作以降低待机功率。
2、在原来的准共振工作方式的基础上增加了BottomSkip功能,改善了高电压输入时的电源效率。
3、电源启动时,以SOFT-START方式启动。
4、内藏STEP-DRIVER功能以减小开关噪声。
5、使用SENSE-MOSFET,不需要漏极电流检测用的电阻,且可以做到过电流保护的调整。
6、内藏过电流保护电路,过电压保护电路,过负载保护电路,和最大的ON时间限制电路。
7、保证MOSFET 的雪崩耐量。
二、IC引脚介绍:记号名称功能1、DMOSFET漏极端子开关管漏极D2、NC3、S、GNDMOSFET源极端子、GND控制器GND4、VCC电源端子启动电路5、SS、ADJSOFT-START、过电流保护调整端子6、FB反馈端子7、BDBottom检测端子三、启动原理启动电路检测VCC端子(4号端子)的电压,控制IC的动作开始和停止。
当AC电源输入以后,AC输入电压通过启动电阻R803对C808充电。
当C808的电压达到启动开始电压VCC(on)=18V时,STR-W6754A开始工作,开关管开始有开关动作。
随着输出电压和辅助绕组电压的上升,由辅助绕组给IC供电。
1、关于启动①由于IC的启动电流很小,R803可使用高阻值的电阻,来降低待机功耗。
但是要注意R803要向IC提供足够的锁定电路保持电流,特别是低电压输入的时候能向IC提供100UA以上的电流。
②由于STR-W6754A要求的工作电流很小,因此C808不需要很大的电容。
1.NE555 引脚位功能配置说明Pin 1 (接地) -地线(或共同接地) ,通常被连接到电路共同接地。
Pin 2 (触发点) -这个脚位是触发 NE555使其启动它的时间周期。
触发信号上缘电压须大于 2/3 VCC,下缘须低于1/3 VCC 。
Pin 3 (输出) -当时间周期开始 555 的输出输出脚位,移至比电源电压少 1.7伏的高电位。
周期的结束输出回到O伏左右的低电位。
于高电位时的最大输出电流大约 200 mA 。
Pin 4 (重置) -一个低逻辑电位送至这个脚位时会重置定时器和使输出回到一个低电位。
它通常被接到正电源或忽略不用。
Pin 5 (控制) -这个接脚准许由外部电压改变触发和闸限电压。
当计时器经营在稳定或振荡的运作方式下,这输入能用来改变或调整输出频率。
Pin 6 (重置锁定) - Pin 6重置锁定并使输出呈低态。
当这个接脚的电压从 1/3 VCC 电压以下移至2/3 VCC 以上时启动这个动作。
Pin 7 (放电) -这个接脚和主要的输出接脚有相同的电流输出能力,当输出为 ON 时为LOW,对地为低阻抗,当输出为 OFF时为HIGH,对地为高阻抗。
Pin 8 (V +) -这是555 个计时器 IC的正电源电压端。
供应电压的范围是+4.5伏特(最小值)至+16伏特(最大值)。
从CA555时基电路的内部等效电路图中可看到,VTl-VT4、VT5、VT7组成上比较器Al,VT7的基极电位接在由三个5kΩ电阻组成的分压器的上端,电压为⅔VDD;VT9-VT13组成下比较器A2,VTl3的基极接分压器的下端,参考电位为⅓VDD。
在电路设计时,要求组成分压器的三个5kΩ电阻的阻值严格相等,以便给出比较精确的两个参考电位⅓VDD和⅔VDD。
VTl4-VTl7与一个4.7kΩ的正反馈电阻组合成一个双稳态触发电路。
VTl8-VT21组成一个推挽式功率输出级,能输出约200mA的电流。
VT8为复位放大级,VT6是一个能承受50mA以上电流的放电晶体三极管。
NE555引脚功能及应用NE555为8脚时基集成电路,各脚主要功能(集成块图在下面)1地GND2触发3输出4复位5控制电压6门限(阈值)7放电8电源电压Vcc应用十分广泛,可装如下几种电路:1。
单稳类-----作用:定延时,消抖动,分(倍)频,脉冲输出,速率检测等。
2。
双稳类-----作用:比较器,锁存器,反相器,方波输出及整形等。
3。
无稳类-----作用:方波输出,电源变换,音响报警,玩具,电控测量,定时等。
我们知道,555电路在应用和工作方式上一般可归纳为3类。
每类工作方式又有很多个不同的电路。
在实际应用中,除了单一品种的电路外,还可组合出很多不同电路,如:多个单稳、多个双稳、单稳和无稳,双稳和无稳的组合等。
这样一来,电路变的更加复杂。
为了便于我们分析和识别电路,更好的理解555电路,这里我们这里按555电路的结构特点进行分类和归纳,把555电路分为3大类、8种、共18个单元电路。
每个电路除画出它的标准图型,指出他们的结构特点或识别方法外,还给出了计算公式和他们的用途。
方便大家识别、分析555电路。
下面将分别介绍这3类电路。
单稳类电路:单稳工作方式,它可分为3种。
见图示。
第1种(图1)是人工启动单稳,又因为定时电阻定时电容位置不同而分为2个不同的单元,并分别以1.1.1 和1.1.2为代号。
他们的输入端的形式,也就是电路的结构特点是:“RT-6.2-CT”和“CT-6.2-RT”。
第2种(图2)是脉冲启动型单稳,也可以分为2个不同的单元。
他们的输入特点都是“RT-7.6-CT”,都是从2端输入。
1.2.1电路的2端不带任何元件,具有最简单的形式;1.2.2电路则带有一个RC微分电路。
第3种(图3)是压控振荡器。
单稳型压控振荡器电路有很多,都比较复杂。
为简单起见,我们只把它分为2个不同单元。
不带任何辅助器件的电路为1.3.1;使用晶体管、运放放大器等辅助器件的电路为1.3.2。
图中列出了2个常用电路。
常用集成块IC引脚功能#标题#:立体声放音电路TA8105F立体声放音电路TA8105F各脚功能:1前置地,2前置放大器A正相输入,3前置放大器A反相输入,4前置放大器A负反馈,5前置放大器A输出,6反相LED显示,7M/N(金属磁带/普通磁带)转换,8功放A输入,9辐射抑制,10功放A输出,11功放地,12纹波抑制,13电源电压Vcc,14正相/反相转换,15功放B输出,16辐射抑制,17功放B输入,18外接电容,19正相LED显示,20前置放大器B输出,21前置放大器B负反馈,22前置放大器B反相输入,23前置放大器B正相输入,24基准电压.可用其同样封装结构的改进型TA8115N来直接代换.#标题#:驱动电路BA5209驱动电路BA5209各脚功能:1地,2反向驱动电压输出,3旁路,4伺服控制电压,5正向指令输入,6反向指令输入,7电源电压Vcc,8电压,9旁路,10正向驱动电压输出.可用极常用的驱动电路BA6209来直接代换.#标题#:CMOS型D/A转换器VCD用集成电路KDA0316集成电路KDA0316各脚功能:1左声道模拟音频信号输出,2基准高电压A+5V,3基准高电压B,4+5V电压,5字符时钟2输入,6左,右声道分离时钟输入,7字符时钟1输入,8音频串行数据输入,9位时钟输入,10+5V电压输入,11测试电路输出,12测试端1,13测试端2,14选择输出,15地,16低电平参考电压0V,17地,18空,19空,20右声道模拟音频信号输出.可用相同封装结构的LC7881或者CXD1161来直接代换.#标题#:带自动录音电平控制(ALC)的双均衡放大器BA3308集成电路BA3308各脚功能:1负反馈,2输入A,3输出A,4地,5自动电平控制,6电源Vcc,7输出B,8输入B,9负反馈B.可用KA22241来直接代换.#标题#:彩电中放集成电路MC1352P集成电路MC1352P各脚功能:1图像中频输入,2图像中频输入,3地,4地,5键控脉冲输入,6中放AGC输入,7图像中频输出,8图像中频输出,9高放AGC电压输出,10中放AGC调节,11电源Vcc,12高放AGC电压输出,13高放AGC延迟调节,14中放AGC滤波.可用LA1352,M5183来直接代换.#标题#:行,场扫描集成电路KA2133集成电路KA2133各脚功能:1场同步脉冲输入,2外接场振荡电容,3场振荡放电,4场电源电压,5外接升压电容负极,6场反馈,7外接升压电容正极,8场输出,9行激励输出,10行稳压器,11场脉宽消隐调节,12行振荡输入,13AFC输出,14AFC输入,15同步分离输入,16场同步脉冲输出.可用UPC1379来直接代换.#标题#:彩电电源厚膜集成电路STK7310集成电路STK7310各脚功能:1误差检测输入,2误差检测管基极,3反馈信号输入,4误差检测电压输入,5放大管偏置,6激励级输入,7激励级退耦,8保护输入,9限流输入,10电源调整管基极,11电源调整管发射极,12电源调整管集电极.可用IX0308CE/STK7308来直接代换.#标题#:稳速集成电路LA4512集成电路LA4512各脚功能:1电源电压Vcc,2地,3输出,4电压调节.可用LA5511/LA5512/5G5511来直接代换.#标题#:七重达林顿阵列驱动集成电路ULN2003A集成电路ULN2003A各脚功能:1~7脚分别是1~7路输入,16~10分别是1~7路输出,8接地,9接电源正极.可用MC1413P/UPA2003C/TD62003AP直接代换.#标题#:低压直流电机驱动集成电路KIA6901P集成电路KIA6901P各脚功能:1空,2空,3电源,4外接直流电机,5地,6基准电压端,7空,8电机速度调整.可用LA5521D/KA2402直接代换.#标题#:FM立体声解码集成电路AN7421集成电路AN7421各脚功能:1FM立体声复合信号输入,2外接低通滤波器1,3Vcc,4压控振荡器,5接地,6外接立体声指示灯,7接低通滤波器2,8L声道输出,9R声道输出.可用TA7342P/KA2264/D7342P直接代换.#标题#:双电压比较器集成电路HA17393集成电路HA17393各脚功能:1输出1,2反相输入1,3同相输入1,4地,5同相输入2,6反相输入2,7输出2,8电源电压Vcc.可用相同封装的LM393N/LM393P/AN1393/UPC393C等直接代换.#标题#:音频功率放大器集成电路TBA820集成电路TBA820是音频功率放大器,有14脚的TBA820L和8脚的TBA820M,常常将TBA820L称为TBA820.TBA820L的引脚功能是:1自举,2旁路,3空,4补偿1,5负反馈,6空,7输入,8接衬底地,9空,10功放地,11空,12输出,13补偿2,14Vcc,TBA820L可用CD820/D820/ECG1113等直接代换.TBA820M的引脚功能是:1补偿,2负反馈,3输入,4接地,5输出,6电源Vcc,7自举,8滤波.TBA820M可用CD820M/D820M/KA2201直接代换.#标题#:带ALC功能的双前置录放集成电路C1313HA集成电路C1313HA(UPC1313HA)各脚功能:1负反馈1,2输入1,3输出1,4ALC,5接地,6Vcc,7输出2,8输入2,9负反馈2.可用D1313HA直接代换.#标题#:音频功率放大器集成电路TA7209集成电路TA7209各脚功能:1旁路,2频率补偿,3自举,4旁路,5负反馈,6旁路,7功放输入,8空,9空,10地,11空,12功放输出,13空,14电源电压Vcc.可用D7209P/TA7209AP/ECG1222直接代换.#标题#:音频功率放大器集成电路KA386集成电路KA386各脚功能:1增益设定,2反馈输入,3正相输入,4地,5输出,6Vcc,7接旁路电容,8增益设定.可用相同封装的LM386/NJM386直接代换.#标题#:电机稳速集成电路KA2407集成电路KA2407各脚功能:1电源电压Vcc,2控制,3地,4稳压输出.可用UPC1470来直接代换.#标题#:彩电中放集成电路IX0062CE集成电路IX0062CE各脚功能:1噪声检波,2视频输出,3图像缓冲放大输入,4空,5外接去耦电容,6图像中放信号输入,7图像中放信号输入,8外接去耦电容,9外接电容,10高放AGC放大输入,11高放AGC放大输入,12高放AGC输出,13地,14外接4.5MHZ陷波器,15外接4.5MHZ陷波器,16外接图像载频线圈,17外接图像载频线圈,18AFT图像中频输入,19电源Vcc,20图像输出,21外接阻容元件,22AGC检波输出.可用HA11238直接代换.#标题#:SHARP夏普C-1837D型彩色电视机电原理图主要集成块:IX0388CE、IX0365CEZZ、IX0308CEZZ、IX0304CEZZ、IX0238CEZZ #标题#:彩电伴音集成电路M5144P集成电路M5144P各脚功能:1伴音中频输入,2伴音中频输入,3地,4空脚,5电源,6音量控制,7去加重,8检波信号输出,9调频检波变压器,10调频检波变压器,11空脚,12伴音输出,13音质调节,14伴音信号输入.#标题#:彩电图像中频信号处理集成电路M5186P集成电路M5186P各脚功能:1图像中放输入,2图像中放输入,3地,4高频AGC(反向),5高频AGC(正向),6AFT转换信号输入,7AFT输出,8AFT线圈,9图像检波线圈,10图像检波线圈,11AFT线圈,12伴音中频检波器滤波电路,13伴音中频检波器输出,14图像放大器输出,15图像检波器输入,16电源,17图像中放输出,18图像中放输出,19中频AGC控制电压,20中频AGC放大器输入,21AGC滤波电路,22高频AGC控制电压.#标题#:彩电PAL制式彩色电视信号处理和解调集成电路M5194P集成电路M5194P各脚功能:1地,2色饱和度控制,3色同步选通脉冲输入,4APC 滤波电路,5APC滤波电路,6晶体振荡器,7晶体振荡器,8双稳电路激励脉冲输入,9色度副载波输出,10R-Y色副载波输入,11B-Y色副载波输入,12G-Y输出,13R-Y输出,14B-Y输出,15电源,16R-Y色信号输入,17B-Y色信号输入,18色信号输出,19色滤波电路,20ACC滤波电路,21旁路电路,22彩色信号输入.#标题#:彩电图像信号处理和同步分离集成电路M5195P集成电路M5195P各脚功能:1图像信号输入,2同频滤波电路,3同步保持,4同步转换,5同步输出,6电源,7地,8图像信号输出,9消隐输入,10直流箝位调整,11亮度调节,12黑电平调节,13对比度调节,14信号提升电路2,15画质调节,16信号提升电路1.#标题#:彩电PAL制式彩色同步解码电路TBA520集成电路TBA520各脚功能:1识别信号输入,2R-Y参考信号输入,3PAL开关输出,4R-Y输出,5G-Y输出,6电源,7B-Y输出,8B-Y参考信号输入,9B-Y彩色信号输入,10测试点,11G-Y直流电平调节,12R-Y直流电平调节,13R-Y彩色信号输入,14行脉冲输入(正),15行脉冲输入(负),16地.#标题#:彩电彩色矩阵预放大集成电路TBA530集成电路TBA530各脚功能:1B信号输出负载电阻,2-(B-Y)信号输入,3-(G-Y)信号输入,4-(R-Y)信号输入,5亮度信号输入,6地,7电流馈入点,8电源,9R通道反馈,10R信号输出,11R信号输出负载电阻,12G通道反馈,13G信号输出,14G信号输出负载电阻,15B通道反馈,16B信号输出.#标题#:彩电色处理集成电路TBA540集成电路TBA540各脚功能:1振荡器反馈输入,2频率控制反馈,3电源,4参考副载波输出,5色同步脉冲输入,6参考副载波输入,7消色器输出,8PAL双稳电路脉冲输入,9ACC输出,10ACC电平调节,11ACC增益调节,12ACC电平调节,13振荡器相位控制环的直流控制端点,14振荡器相位控制环的直流控制端点,15振荡器反馈,16地#标题#:彩电亮度色度处理及控制集成电路TBA560C集成电路TBA560C各脚功能:1平衡彩色信号输入,2直流对比度控制,3亮度信号输入,4黑电平箝位电容器,5亮度信号输出,6亮度控制,7色同步脉冲输出,8回扫消隐输入,9色信号输出,10色同步脉冲选通和箝位脉冲输入,11电源,12色通道直流反馈,13彩色饱和度控制,14ACC输入,15平衡彩色信号输入,16地#标题#:彩电中频放大集成电路TBA970集成电路TBA970各脚功能:1视频信号输出,2电源,3视频信号输入,4三极管集电极,5三极管基极,6三极管发射极,7对比度控制,8电子束电流反馈输入,9电子束电流控制,10行同步脉冲输入1,11行同步脉冲输入2,12亮度控制,13黑电平记忆,14去耦,15黑电平反馈输入,16地#标题#:彩电彩色解调集成电路TBA990集成电路TBA990各脚功能:1识别信号输入,2R-Y副载波参考信号输入,37.8KHz信号输出,4R-Y信号输出,5G-Y信号输出,6电源,7B-Y信号输出,8B-Y 副载波参考信号输入,9B-Y直流电平调节,10B-Y色信号输入,11G-Y直流电平调节,12R-Y直流电平调节,13R-Y色信号输入,14行脉冲输入(双稳电路同步),15空脚,16地#标题#:彩电色处理集成电路TDA2522集成电路TDA2522各脚功能:1B-Y输出,2G-Y输出,3R-Y输出,4地,5B-Y彩色输入,6R-Y彩色输入,7振荡器环路滤波器,8振荡器环路滤波器,9振荡器反馈,10振荡器反馈,11电源,12ACC输出,13ACC电容,14ACC电容,15色同步选通和消隐脉冲,16消色器延迟电容#标题#:彩电亮度及色度处理集成电路TDA2560集成电路TDA2560各脚功能:1彩色信号输入端1,2彩色信号输入端2,3ACC输入,4彩色饱和度控制,5地,6色信号/色同步脉冲输出,7色同步选通和消隐脉冲,8电源,9回扫消隐,10亮度信号输出(-同步),11亮度控制,12黑电平箝位,13亮度通道增益控制,14亮度信号输入,15亮度信号输出(+同步),16直流对比度控制.#标题#:彩电行振荡集成电路TDA2590集成电路TDA2590各脚功能:1电源,2行扫触发电路,3行报触发电路,4脉冲宽度转换,5相位比较1,6行回扫,7色同步脉冲/消隐,8场同步脉冲,9视频信号输入,10噪声分离电路,11VCR(录相?)开关,12时间常数转换,13相位比较2,14振荡器,15振荡器,16地#标题#:双运算放大器集成电路OP249集成电路OP249各脚功能:1输出1,2负输入1,3正输入1,4地,5正输入2,6负输入2,7输出2,8电源.可用OP215,TL072,AD712直接代换#标题#:音频功率放大集成电路ECG1380集成电路ECG1380各脚功能:1输入,2负反馈,3地,4输出,5电源Vcc.可用TDA2030直接代换#标题#:VCD聚焦伺服电路TA002可用MN662743直接代换#标题#:音频数字处理与D/A轮换集成电路ES3887可用ES3207直接代换#标题#:1W的单声道功放集成电路D2283B集成电路D2283B各脚功能:1去耦,2地,3地,4输出,5电源电压,6地,7地,8输入.可用ULN2283B直接代换#标题#:收录机前置放大集成电路BA3406AL集成电路BA3406AL各脚功能:1输出L-1,2输出L-2,3负反馈L,4金属带L,5输入L,6静噪L,7电源电压,8静音控制,9地,10金属带控制,11输入R,12静噪R,13负反馈R,14金属带R,15输出R-1,16输出R-2.#标题#:三位二/十进制编码计数器集成电路MC14553B可用CD4553B,D4553直接代换#标题#:电话机中振铃集成电路TA31001P集成电路TA31001P各脚功能:1电源电压,2振铃触发输入,3外接超低频振荡电容,4外接超低频振荡电阻,5地,6外接音频振荡电阻,7外接音频振荡电容,8振铃信号输出.可用CSC8204或CSC31001直接代换#标题#:双运算放大器集成电路MCN34082集成电路MCN34082各脚功能:1运放A输出,2运放A反相输入,3运放A同相输入,4接电源负极,5运放B同相输入,6运放B反相输入,7运放B输出,8接电源正极.可用TL072,AD712,LT1057直接代换#标题#:电子频道选台集成电路CN5010可用AN5050或UPC1360直接代换#标题#:新三端+5V稳压器MIC29150集成电路MIC29150各脚功能:1输入,2地,3输出#标题#:音频功放电路DBL1069集成电路DBL1069可用TA8210H直接代换#标题#:调频/调幅中频放大集成电路CIA7078集成电路CIA7078各脚功能:1调幅本振回路,2调频中放输入,3前级地,4第一级调频中放输出,5第二级调频中放输入,6电源VCC1,7调频中放输出,8外接调频旁路电容,9后级地,10外接调幅旁路电容,11调幅中放输出,12电源VCC2,13调频AGC输入,14调幅中放输入,15调幅变频输出,16调幅变频输入.可用UPC1018直接代换.#标题#:五段图示均衡放大器D7796集成电路D7796各脚功能:1,3,5,7,9分别是1~5个谐振电路的基极输入端,2,4,6,8,10分别是1~5五个谐振电路的负反馈端,11缓冲放大器输入端,12缓冲放大器负反馈端,13缓冲放大器输出,14电源电压,15偏置电压,16接地.可用LA3600,M5226,TA7796直接代换.#标题#:双路电压比较集成电路BA10393集成电路BA10393各脚功能:1输出1,2反相输入1,3正相输入1,4单电源供电时为接地端,双电源供电时为负电源电压端,5正向输入2,6反向输入2,7输出2,8正电源电压端.可用相同封装的LM393,NJM2903(1)直接代换.#标题#:三路单刀双掷双向模拟电子开关HD14053BP集成电路HD14053BP可直接用HD4053,MC14053B,CD4053B,C4053B,BU4053B,HEF4053B代换.#标题#:音频振铃集成电路ML4003集成电路ML4003各脚功能:1接电源正极VCC,2振铃触发,3外接超低频振荡电容,4外接超低频振荡电阻,5接地,6外接音频振荡电阻,7外接音频振荡电容,8振铃信号输出.可用CIC8204,CS8204,CSC8204,CD8204,MC8204,TA31001P直接代换.#标题#:双电压比较集成电路NJM2903S集成电路NJM2903S各脚功能:1VCC,2输出1,3反相输入1,4正相输入1,5地,6正向输入2,7反向输入2,8输出2,9VCC.可用相同封装的LM2903S,LA6393S直接代换.#标题#:放音双前置放大电路BA3304集成电路BA3304各脚功能:1L(左声道)输入,2空,3电源VCC,4偏置,5地,6空,7空,8R(右声道)输入,9R负反馈,10R输出,11空,12空,13空,14空,15L输出,16L负反馈#标题#:音响功放集成电路TDA2615音响功放集成电路TDA2615各脚功能:1输入A,2控制,3地,4输出A,5接电源正极,6输出B,7接电源负极,8地,9输入B.可用TDA2616直接代换.#标题#:伴音集成电路LA1363伴音集成电路LA1363各脚功能:1中频输入,2中频输入,3地,4地,5电源VCC,6音量控制,7去加重,8鉴频输出,9外接鉴频调谐回路,10外接鉴频调谐回路,11空,12音频输出,13音量控制,14激励放大输入.可用LA1365或AH1124直接代换.#标题#:彩电亮度控制及信号处理集成电路AN380彩电亮度控制及信号处理集成电路AN380可用UPC1380直接代换.。
常用集成块IC引脚功能#标题#:立体声放音电路TA8105F立体声放音电路TA8105F各脚功能:1前置地,2前置放大器A正相输入,3前置放大器A反相输入,4前置放大器A负反馈,5前置放大器A输出,6反相LED显示,7M/N(金属磁带/普通磁带)转换,8功放A输入,9辐射抑制,10功放A输出,11功放地,12纹波抑制,13电源电压Vcc,14正相/反相转换,15功放B输出,16辐射抑制,17功放B输入,18外接电容,19正相LED显示,20前置放大器B输出,21前置放大器B负反馈,22前置放大器B反相输入,23前置放大器B正相输入,24基准电压.可用其同样封装结构的改进型TA8115N来直接代换.#标题#:驱动电路BA5209驱动电路BA5209各脚功能:1地,2反向驱动电压输出,3旁路,4伺服控制电压,5正向指令输入,6反向指令输入,7电源电压Vcc,8电压,9旁路,10正向驱动电压输出.可用极常用的驱动电路BA6209来直接代换.#标题#:CMOS型D/A转换器VCD用集成电路KDA0316集成电路KDA0316各脚功能:1左声道模拟音频信号输出,2基准高电压A+5V,3基准高电压B,4+5V电压,5字符时钟2输入,6左,右声道分离时钟输入,7字符时钟1输入,8音频串行数据输入,9位时钟输入,10+5V电压输入,11测试电路输出,12测试端1,13测试端2,14选择输出,15地,16低电平参考电压0V,17地,18空,19空,20右声道模拟音频信号输出.可用相同封装结构的LC7881或者CXD1161来直接代换.#标题#:带自动录音电平控制(ALC)的双均衡放大器BA3308集成电路BA3308各脚功能:1负反馈,2输入A,3输出A,4地,5自动电平控制,6电源Vcc,7输出B,8输入B,9负反馈B.可用KA22241来直接代换.#标题#:彩电中放集成电路MC1352P集成电路MC1352P各脚功能:1图像中频输入,2图像中频输入,3地,4地,5键控脉冲输入,6中放AGC输入,7图像中频输出,8图像中频输出,9高放AGC电压输出,10中放AGC调节,11电源Vcc,12高放AGC电压输出,13高放AGC延迟调节,14中放AGC滤波.可用LA1352,M5183来直接代换.#标题#:行,场扫描集成电路KA2133集成电路KA2133各脚功能:1场同步脉冲输入,2外接场振荡电容,3场振荡放电,4场电源电压,5外接升压电容负极,6场反馈,7外接升压电容正极,8场输出,9行激励输出,10行稳压器,11场脉宽消隐调节,12行振荡输入,13AFC输出,14AFC输入,15同步分离输入,16场同步脉冲输出.可用UPC1379来直接代换.#标题#:彩电电源厚膜集成电路STK7310集成电路STK7310各脚功能:1误差检测输入,2误差检测管基极,3反馈信号输入,4误差检测电压输入,5放大管偏置,6激励级输入,7激励级退耦,8保护输入,9限流输入,10电源调整管基极,11电源调整管发射极,12电源调整管集电极.可用IX0308CE/STK7308来直接代换.#标题#:稳速集成电路LA4512集成电路LA4512各脚功能:1电源电压Vcc,2地,3输出,4电压调节.可用LA5511/LA5512/5G5511来直接代换.#标题#:七重达林顿阵列驱动集成电路ULN2003A集成电路ULN2003A各脚功能:1~7脚分别是1~7路输入,16~10分别是1~7路输出,8接地,9接电源正极.可用MC1413P/UPA2003C/TD62003AP直接代换.#标题#:低压直流电机驱动集成电路KIA6901P集成电路KIA6901P各脚功能:1空,2空,3电源,4外接直流电机,5地,6基准电压端,7空,8电机速度调整.可用LA5521D/KA2402直接代换.#标题#:FM立体声解码集成电路AN7421集成电路AN7421各脚功能:1FM立体声复合信号输入,2外接低通滤波器1,3Vcc,4压控振荡器,5接地,6外接立体声指示灯,7接低通滤波器2,8L声道输出,9R声道输出.可用TA7342P/KA2264/D7342P直接代换.#标题#:双电压比较器集成电路HA17393集成电路HA17393各脚功能:1输出1,2反相输入1,3同相输入1,4地,5同相输入2,6反相输入2,7输出2,8电源电压Vcc.可用相同封装的LM393N/LM393P/AN1393/UPC393C等直接代换.#标题#:音频功率放大器集成电路TBA820集成电路TBA820是音频功率放大器,有14脚的TBA820L和8脚的TBA820M,常常将TBA820L称为TBA820.TBA820L的引脚功能是:1自举,2旁路,3空,4补偿1,5负反馈,6空,7输入,8接衬底地,9空,10功放地,11空,12输出,13补偿2,14Vcc,TBA820L可用CD820/D820/ECG1113等直接代换.TBA820M的引脚功能是:1补偿,2负反馈,3输入,4接地,5输出,6电源Vcc,7自举,8滤波.TBA820M可用CD820M/D820M/KA2201直接代换.#标题#:带ALC功能的双前置录放集成电路C1313HA集成电路C1313HA(UPC1313HA)各脚功能:1负反馈1,2输入1,3输出1,4ALC,5接地,6Vcc,7输出2,8输入2,9负反馈2.可用D1313HA直接代换.#标题#:音频功率放大器集成电路TA7209集成电路TA7209各脚功能:1旁路,2频率补偿,3自举,4旁路,5负反馈,6旁路,7功放输入,8空,9空,10地,11空,12功放输出,13空,14电源电压Vcc.可用D7209P/TA7209AP/ECG1222直接代换.#标题#:音频功率放大器集成电路KA386集成电路KA386各脚功能:1增益设定,2反馈输入,3正相输入,4地,5输出,6Vcc,7接旁路电容,8增益设定.可用相同封装的LM386/NJM386直接代换.#标题#:电机稳速集成电路KA2407集成电路KA2407各脚功能:1电源电压Vcc,2控制,3地,4稳压输出.可用UPC1470来直接代换.#标题#:彩电中放集成电路IX0062CE集成电路IX0062CE各脚功能:1噪声检波,2视频输出,3图像缓冲放大输入,4空,5外接去耦电容,6图像中放信号输入,7图像中放信号输入,8外接去耦电容,9外接电容,10高放AGC放大输入,11高放AGC放大输入,12高放AGC输出,13地,14外接4.5MHZ陷波器,15外接4.5MHZ陷波器,16外接图像载频线圈,17外接图像载频线圈,18AFT图像中频输入,19电源Vcc,20图像输出,21外接阻容元件,22AGC检波输出.可用HA11238直接代换.#标题#:SHARP夏普C-1837D型彩色电视机电原理图主要集成块:IX0388CE、IX0365CEZZ、IX0308CEZZ、IX0304CEZZ、IX0238CEZZ #标题#:彩电伴音集成电路M5144P集成电路M5144P各脚功能:1伴音中频输入,2伴音中频输入,3地,4空脚,5电源,6音量控制,7去加重,8检波信号输出,9调频检波变压器,10调频检波变压器,11空脚,12伴音输出,13音质调节,14伴音信号输入.#标题#:彩电图像中频信号处理集成电路M5186P集成电路M5186P各脚功能:1图像中放输入,2图像中放输入,3地,4高频AGC(反向),5高频AGC(正向),6AFT转换信号输入,7AFT输出,8AFT线圈,9图像检波线圈,10图像检波线圈,11AFT线圈,12伴音中频检波器滤波电路,13伴音中频检波器输出,14图像放大器输出,15图像检波器输入,16电源,17图像中放输出,18图像中放输出,19中频AGC控制电压,20中频AGC放大器输入,21AGC滤波电路,22高频AGC控制电压.#标题#:彩电PAL制式彩色电视信号处理和解调集成电路M5194P集成电路M5194P各脚功能:1地,2色饱和度控制,3色同步选通脉冲输入,4APC 滤波电路,5APC滤波电路,6晶体振荡器,7晶体振荡器,8双稳电路激励脉冲输入,9色度副载波输出,10R-Y色副载波输入,11B-Y色副载波输入,12G-Y输出,13R-Y输出,14B-Y输出,15电源,16R-Y色信号输入,17B-Y色信号输入,18色信号输出,19色滤波电路,20ACC滤波电路,21旁路电路,22彩色信号输入.#标题#:彩电图像信号处理和同步分离集成电路M5195P集成电路M5195P各脚功能:1图像信号输入,2同频滤波电路,3同步保持,4同步转换,5同步输出,6电源,7地,8图像信号输出,9消隐输入,10直流箝位调整,11亮度调节,12黑电平调节,13对比度调节,14信号提升电路2,15画质调节,16信号提升电路1.#标题#:彩电PAL制式彩色同步解码电路TBA520集成电路TBA520各脚功能:1识别信号输入,2R-Y参考信号输入,3PAL开关输出,4R-Y输出,5G-Y输出,6电源,7B-Y输出,8B-Y参考信号输入,9B-Y彩色信号输入,10测试点,11G-Y直流电平调节,12R-Y直流电平调节,13R-Y彩色信号输入,14行脉冲输入(正),15行脉冲输入(负),16地.#标题#:彩电彩色矩阵预放大集成电路TBA530集成电路TBA530各脚功能:1B信号输出负载电阻,2-(B-Y)信号输入,3-(G-Y)信号输入,4-(R-Y)信号输入,5亮度信号输入,6地,7电流馈入点,8电源,9R通道反馈,10R信号输出,11R信号输出负载电阻,12G通道反馈,13G信号输出,14G信号输出负载电阻,15B通道反馈,16B信号输出.#标题#:彩电色处理集成电路TBA540集成电路TBA540各脚功能:1振荡器反馈输入,2频率控制反馈,3电源,4参考副载波输出,5色同步脉冲输入,6参考副载波输入,7消色器输出,8PAL双稳电路脉冲输入,9ACC输出,10ACC电平调节,11ACC增益调节,12ACC电平调节,13振荡器相位控制环的直流控制端点,14振荡器相位控制环的直流控制端点,15振荡器反馈,16地#标题#:彩电亮度色度处理及控制集成电路TBA560C集成电路TBA560C各脚功能:1平衡彩色信号输入,2直流对比度控制,3亮度信号输入,4黑电平箝位电容器,5亮度信号输出,6亮度控制,7色同步脉冲输出,8回扫消隐输入,9色信号输出,10色同步脉冲选通和箝位脉冲输入,11电源,12色通道直流反馈,13彩色饱和度控制,14ACC输入,15平衡彩色信号输入,16地#标题#:彩电中频放大集成电路TBA970集成电路TBA970各脚功能:1视频信号输出,2电源,3视频信号输入,4三极管集电极,5三极管基极,6三极管发射极,7对比度控制,8电子束电流反馈输入,9电子束电流控制,10行同步脉冲输入1,11行同步脉冲输入2,12亮度控制,13黑电平记忆,14去耦,15黑电平反馈输入,16地#标题#:彩电彩色解调集成电路TBA990集成电路TBA990各脚功能:1识别信号输入,2R-Y副载波参考信号输入,37.8KHz信号输出,4R-Y信号输出,5G-Y信号输出,6电源,7B-Y信号输出,8B-Y 副载波参考信号输入,9B-Y直流电平调节,10B-Y色信号输入,11G-Y直流电平调节,12R-Y直流电平调节,13R-Y色信号输入,14行脉冲输入(双稳电路同步),15空脚,16地#标题#:彩电色处理集成电路TDA2522集成电路TDA2522各脚功能:1B-Y输出,2G-Y输出,3R-Y输出,4地,5B-Y彩色输入,6R-Y彩色输入,7振荡器环路滤波器,8振荡器环路滤波器,9振荡器反馈,10振荡器反馈,11电源,12ACC输出,13ACC电容,14ACC电容,15色同步选通和消隐脉冲,16消色器延迟电容#标题#:彩电亮度及色度处理集成电路TDA2560集成电路TDA2560各脚功能:1彩色信号输入端1,2彩色信号输入端2,3ACC输入,4彩色饱和度控制,5地,6色信号/色同步脉冲输出,7色同步选通和消隐脉冲,8电源,9回扫消隐,10亮度信号输出(-同步),11亮度控制,12黑电平箝位,13亮度通道增益控制,14亮度信号输入,15亮度信号输出(+同步),16直流对比度控制.#标题#:彩电行振荡集成电路TDA2590集成电路TDA2590各脚功能:1电源,2行扫触发电路,3行报触发电路,4脉冲宽度转换,5相位比较1,6行回扫,7色同步脉冲/消隐,8场同步脉冲,9视频信号输入,10噪声分离电路,11VCR(录相?)开关,12时间常数转换,13相位比较2,14振荡器,15振荡器,16地#标题#:双运算放大器集成电路OP249集成电路OP249各脚功能:1输出1,2负输入1,3正输入1,4地,5正输入2,6负输入2,7输出2,8电源.可用OP215,TL072,AD712直接代换#标题#:音频功率放大集成电路ECG1380集成电路ECG1380各脚功能:1输入,2负反馈,3地,4输出,5电源Vcc.可用TDA2030直接代换#标题#:VCD聚焦伺服电路TA002可用MN662743直接代换#标题#:音频数字处理与D/A轮换集成电路ES3887可用ES3207直接代换#标题#:1W的单声道功放集成电路D2283B集成电路D2283B各脚功能:1去耦,2地,3地,4输出,5电源电压,6地,7地,8输入.可用ULN2283B直接代换#标题#:收录机前置放大集成电路BA3406AL集成电路BA3406AL各脚功能:1输出L-1,2输出L-2,3负反馈L,4金属带L,5输入L,6静噪L,7电源电压,8静音控制,9地,10金属带控制,11输入R,12静噪R,13负反馈R,14金属带R,15输出R-1,16输出R-2.#标题#:三位二/十进制编码计数器集成电路MC14553B可用CD4553B,D4553直接代换#标题#:电话机中振铃集成电路TA31001P集成电路TA31001P各脚功能:1电源电压,2振铃触发输入,3外接超低频振荡电容,4外接超低频振荡电阻,5地,6外接音频振荡电阻,7外接音频振荡电容,8振铃信号输出.可用CSC8204或CSC31001直接代换#标题#:双运算放大器集成电路MCN34082集成电路MCN34082各脚功能:1运放A输出,2运放A反相输入,3运放A同相输入,4接电源负极,5运放B同相输入,6运放B反相输入,7运放B输出,8接电源正极.可用TL072,AD712,LT1057直接代换#标题#:电子频道选台集成电路CN5010可用AN5050或UPC1360直接代换#标题#:新三端+5V稳压器MIC29150集成电路MIC29150各脚功能:1输入,2地,3输出#标题#:音频功放电路DBL1069集成电路DBL1069可用TA8210H直接代换#标题#:调频/调幅中频放大集成电路CIA7078集成电路CIA7078各脚功能:1调幅本振回路,2调频中放输入,3前级地,4第一级调频中放输出,5第二级调频中放输入,6电源VCC1,7调频中放输出,8外接调频旁路电容,9后级地,10外接调幅旁路电容,11调幅中放输出,12电源VCC2,13调频AGC输入,14调幅中放输入,15调幅变频输出,16调幅变频输入.可用UPC1018直接代换.#标题#:五段图示均衡放大器D7796集成电路D7796各脚功能:1,3,5,7,9分别是1~5个谐振电路的基极输入端,2,4,6,8,10分别是1~5五个谐振电路的负反馈端,11缓冲放大器输入端,12缓冲放大器负反馈端,13缓冲放大器输出,14电源电压,15偏置电压,16接地.可用LA3600,M5226,TA7796直接代换.#标题#:双路电压比较集成电路BA10393集成电路BA10393各脚功能:1输出1,2反相输入1,3正相输入1,4单电源供电时为接地端,双电源供电时为负电源电压端,5正向输入2,6反向输入2,7输出2,8正电源电压端.可用相同封装的LM393,NJM2903(1)直接代换.#标题#:三路单刀双掷双向模拟电子开关HD14053BP集成电路HD14053BP可直接用HD4053,MC14053B,CD4053B,C4053B,BU4053B,HEF4053B代换.#标题#:音频振铃集成电路ML4003集成电路ML4003各脚功能:1接电源正极VCC,2振铃触发,3外接超低频振荡电容,4外接超低频振荡电阻,5接地,6外接音频振荡电阻,7外接音频振荡电容,8振铃信号输出.可用CIC8204,CS8204,CSC8204,CD8204,MC8204,TA31001P直接代换.#标题#:双电压比较集成电路NJM2903S集成电路NJM2903S各脚功能:1VCC,2输出1,3反相输入1,4正相输入1,5地,6正向输入2,7反向输入2,8输出2,9VCC.可用相同封装的LM2903S,LA6393S直接代换.#标题#:放音双前置放大电路BA3304集成电路BA3304各脚功能:1L(左声道)输入,2空,3电源VCC,4偏置,5地,6空,7空,8R(右声道)输入,9R负反馈,10R输出,11空,12空,13空,14空,15L输出,16L负反馈#标题#:音响功放集成电路TDA2615音响功放集成电路TDA2615各脚功能:1输入A,2控制,3地,4输出A,5接电源正极,6输出B,7接电源负极,8地,9输入B.可用TDA2616直接代换.#标题#:伴音集成电路LA1363伴音集成电路LA1363各脚功能:1中频输入,2中频输入,3地,4地,5电源VCC,6音量控制,7去加重,8鉴频输出,9外接鉴频调谐回路,10外接鉴频调谐回路,11空,12音频输出,13音量控制,14激励放大输入.可用LA1365或AH1124直接代换.#标题#:彩电亮度控制及信号处理集成电路AN380彩电亮度控制及信号处理集成电路AN380可用UPC1380直接代换.。
伴音中频输出33外接主频时钟振荡器2中放AGC滤波34外接主频时钟振荡器3伴音中频输入35+5V供电4调频.滤波36L段切换电压输出5调频(伴音中频输出)37H段切换电压输出6音频输出38U段切换电压输出7伴音相位滤波39键控输入8中放电源40复位9外接音频输入41PLL环路滤波10ABL输入42CPU地11RGB输出级电源43+5V供电R基色信号输出44行逆程脉冲输入13G基色信号输出45B信号输入14B基色信号输出46G信号输入15枕校输出47R信号输入16外接场斜波振荡电容48快消隐输入17场激励输出49色差信号Cb输入18电流基准504.43压控振荡19行偏转信号/总线接口模块电源51色差信号Cr输入20自动频率控制滤波52被选择的视频/中频检波输出21行激励输出53彩色相位滤波22视频、彩色、偏转模块地54外接视频/S-VHS模式Y输入AV控制开关A55.视频、彩色、偏转模块电源24AV控制开关B56内部视频/S-VHS模式C输入25静音控制57黑色电平延伸滤波26红外遥控信号输入58图像中频APC滤波27待机控制59自动频率控制输出28市电基准检测60视频输出29调谐电压控制输出61RFAGC输出30S端子输入检测开关62中频地31数据线163图像中频输入32时钟线164图像中频输入。
校园新闻稿范文100字篇1春回大地,姹紫嫣红,这是一个收获美丽的季节,这是一个收获阳光的季节,这是一个收获温暖的季节。
为了争做文明学生,创建文明校园,使我们的校园更加圣洁美丽,使我们的文明程度进一步提高,借此时系部对我们的指导,我们组织了“争做文明学生,共建文明校园”的主题班会。
此次活动的内容是以3、5雷锋纪念日以及3、12植树节活动为载体,从而提高我院学生文明意识和环保意识,共同创建文明校园。
活动于20xx年3月12日在1508开展了“争做文明学生,共建文明校园”的主题班会。
班会主要讨论了我们大学校园的不文明现象以及我们该怎样改进,在班会期间我们同时了解了当今社会热点,关注了当前中国社会的新气象。
通过这次主题班会活动,我们明白了一个当代的大学生应该从我做起,从自身做起,从一点一滴的小事做起,讲文明,倡节约,树新风,塑形象,为创建文明校园,提高自我等环保意识和文明意识。
为了我们学校更加美好的明天而努力奋斗!校园新闻稿范文100字篇210月23日下午,备受期待的“宿舍文化节”答辩活动在三江楼17楼报告厅如火如荼地展开。
本次活动由人文科协主办,数十个宿舍积极参加了这次温馨之聚。
随着活动的开展,各宿舍竞相上台展示自己的作品,并进行答辩。
精美的演示文稿,精致的手工绘图,精彩的生活特写,让人眼花缭乱;诙谐的“睡神”,幽默的“食神”,搞笑的“盟主”,令人捧腹大笑。
无论是诙谐幽默,还是古色古香,抑或朝气蓬勃,风格各异的作品无一不展示着宿舍四人的和睦共处。
一起生活的画面在银屏上一幕幕演过,也在四个人的心底一遍遍回放。
活动掀起的阵阵高潮、不断的掌声与欢笑,便是对这次活动最高的评价。
宿舍是大学生联系最密切,交流最频繁的场所之一。
本次活动展现的不仅仅是一个宿舍的风采,更是当代大学生的精神面貌;凝聚的不仅是一个宿舍的友情,也是整个班级乃至学院的同学友情。
校园新闻稿范文100字篇3期待以久的第二届校园科技文化艺术节开幕式暨“校园十佳歌手大赛”,于20xx年11月25日下午,在芦塘中学大礼堂隆重开场。