旋喷桩加固及止水施工方法
- 格式:docx
- 大小:15.04 KB
- 文档页数:3
旋喷桩止水帷幕施工作业指导书旋喷桩是利用钻机,将预先配制好的浆液,通过高压发生装置,使液流获得巨大能量后,高速喷射出来,形成一股能量高度集中的液流,直接冲击破坏土体,喷射过程中,钻杆边旋转、边徐徐提升,从而使浆液与土体充分搅拌混合,在土中形成一个有一定直径的柱状固结体,借以达到加固地基及防渗的目的。
1 目的旋喷桩用于帷幕支护、止水起到防渗作用。
2 作业准备2.1 技术准备2.1.1详细查阅图纸,了解施工区地质情况。
2.1.2 根据设计意见、地质情况及规范要求确定旋喷试桩施工的相关参数。
2.1.3 确定施工方案编制作业指导书。
2.2 场地准备2.2.1 施工前应保证场地的三通一平,确保用电安全及人员、机械施工要求。
2.2.2预计泥浆的排放情况,修建泥浆分级沉淀池。
2.3 人员配置表2-1 人员配置2.4 机械配置表2-2 机械配置2.5 工艺性试验2.5.1为保证施工质量应严格遵守试桩要求,在展开大批量制桩前进行试桩,以校验施工工艺参数是否合理,现根据工程经验提出试桩用工艺参数如下:⑴注浆管:提升速度12~18cm;旋转速度10~20r/min.⑵水:压力20~25Mpa;流量85L/min.⑶水泥浆送浆压力:0.5~1Mpa;⑷空气:压力0. 5~0. 9Mpa;流量0. 7m3/min.⑸水灰比:可取0.8~1.5,常用1.02.5.2对工艺参数施工的桩进行钻芯取样,28天后进行,看土体强度及抗渗等级是否满足设计要求。
3 施工工艺流程及操作要点3.1 旋喷桩施工工艺见图3-1所示。
3.2 操作要点3.2.1桩位测放按桩位排列图进行桩位放样,用全站仪测放纵横向控制线及各主要控制点位的桩点,带线控制纵、横向,尽量确定其他各桩位,全站仪测放的控制桩位点需打木桩钉标记,为防止钻孔后控制点失效,必须将控制点向不受施工影响的地方外引。
经过复测验线合格后,用钢尺和测线实地布设桩位,并用竹签钉紧,一桩一签,保证桩孔中心移位偏差小于20mm。
高压旋喷桩止水帷幕施工工艺一、引言高压旋喷桩止水帷幕施工工艺是一种常用于建筑工程中的止水措施。
该工艺利用高压旋喷桩技术,在地下形成一个压力较高的水泥桩体,以防止地下水的渗透和渗漏。
本文将详细介绍高压旋喷桩止水帷幕施工工艺的步骤、原理和应用范围。
二、施工步骤1. 前期准备在进行高压旋喷桩止水帷幕施工之前,需要进行充分的前期准备工作。
包括确定施工区域、编制详细的施工方案、准备所需的设备和材料等。
2. 现场布置根据施工方案,确定桩体布置的位置和间距。
在施工现场,进行土方开挖和清理,确保施工区域干净整洁。
根据需要,可能需要进行临时支护和地下水处理等工作。
3. 高压旋喷桩施工高压旋喷桩施工是高压旋喷钻机通过旋转钻杆和混凝土泥浆的喷射来完成的。
具体步骤如下:(1) 设置钻机和导杆将高压旋喷钻机设置在施工区域,并安装导杆。
导杆的作用是引导旋喷桩的钻杆,确保桩体的垂直度和稳定性。
(2) 钻孔根据施工方案和设计要求,使用高压旋喷钻机进行钻孔。
钻孔的深度和直径根据具体情况确定,通常为数米深度和几十厘米直径。
(3) 注浆在钻孔过程中,通过注浆管将混凝土泥浆注入孔内。
混凝土泥浆的配比和性能应符合设计要求,以确保桩体的强度和密实性。
(4) 提升钻杆完成钻孔和注浆后,使用液压系统提升钻杆,将混凝土泥浆在孔内形成桩体。
在提升钻杆的过程中,需要保持注浆管的稳定和密实,以避免桩体质量的影响。
(5) 桩顶处理完成桩体的施工后,对桩顶进行处理。
根据需要,可能需要进行切割、修整和打磨等工作,以确保桩顶的平整和美观。
三、工艺原理高压旋喷桩止水帷幕施工的原理是利用高压旋喷钻机的旋转和喷射作用,将混凝土泥浆喷射到地下,形成一个密实的桩体。
这个桩体可以阻挡地下水的渗透和渗漏,起到止水的作用。
在施工过程中,旋喷钻机通过旋转钻杆,使混凝土泥浆在钻孔中均匀分布。
同时,喷射出的混凝土泥浆形成一个压力较高的水泥桩体,并与周围土壤形成一体化的结构。
这种结构能够有效地防止地下水的渗透和渗漏,达到止水的效果。
高压旋喷桩止水帷幕施工工艺一、引言高压旋喷桩止水帷幕施工工艺是一种常用于地下工程中的止水措施。
通过高压旋喷桩技术,可以形成一道坚固的桩体,有效地阻止地下水的渗透。
本文将对高压旋喷桩止水帷幕施工工艺进行详细介绍。
二、高压旋喷桩的原理高压旋喷桩是一种利用高压水射流和旋喷钻机同时作用的施工技术。
在施工现场,先使用旋喷钻机在地下进行钻孔,然后通过高压水射流的作用将钻孔内的土壤冲刷掉,形成一个孔洞。
接着,将混凝土通过旋喷钻机送入孔洞中,形成一个坚固的桩体。
高压旋喷桩的桩体之间可形成连续的止水帷幕,有效地阻止地下水的渗透。
三、高压旋喷桩止水帷幕施工步骤1. 前期准备:确定施工区域和深度,清理施工现场,确保施工安全。
2. 钻孔:使用旋喷钻机进行钻孔,钻孔直径和间距根据设计要求确定。
3. 冲洗孔洞:在钻孔过程中,利用高压水射流对孔洞内的土壤进行冲刷,确保孔洞内壁光滑,无杂质。
4. 注浆:在冲洗完毕后,使用旋喷钻机将混凝土注入孔洞中,形成一个坚固的桩体。
5. 连接桩体:将相邻的桩体通过连接材料进行连接,形成连续的止水帷幕。
6. 后期处理:在完成桩体连接后,对施工现场进行清理,确保施工质量和环境卫生。
四、高压旋喷桩止水帷幕施工技术特点1. 高效性:高压旋喷桩止水帷幕施工工艺具有施工速度快、效率高的特点,可以在较短的时间内完成大面积的止水工程。
2. 坚固性:高压旋喷桩形成的桩体具有较高的抗压和抗剪强度,能够抵御较大的地下水压力,保证止水效果。
3. 适应性:高压旋喷桩可以适应不同地质条件下的施工,包括软土、砂土、黏土等多种地质环境。
4. 环保性:高压旋喷桩施工过程中无需使用化学药剂,对环境无污染,符合绿色施工要求。
5. 经济性:高压旋喷桩施工工艺成本相对较低,是一种经济实用的止水措施。
五、高压旋喷桩止水帷幕施工应注意的问题1. 施工前需对地质情况进行详细调查,确保施工安全和效果。
2. 施工过程中需要严格控制注浆混凝土的配合比例和质量,确保桩体的均匀性和强度。
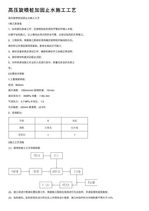
⾼压旋喷桩加固⽌⽔施⼯⼯艺⾼压旋喷桩加固⽌⽔施⼯⼯艺1施⼯前准备1、钻机就位准备⼯作:在旋喷桩钻机场地平整后并铺上⽊板,以便于钻机施⼯。
以上铺设必须达到安全可靠,以保证钻机的正常施⼯。
2、⼯程放样。
根据施⼯图纸在现场确定旋喷桩的轴线和孔位。
做好标记并请监理现场复核。
复核合格后⽅可施⼯;3、做好设备安装及调试⼯作,确保机械在开⼯后能正常运转;4、做好原材料复试及配⽐试验;5、对所有参加施⼯作业的⼈员进⾏技术、质量及安全的交底⼯作。
2主要技术参数1.三重管旋喷桩:桩径:800mm提升速度: 100mm/min 旋喷转速: 10r/min⾼压浆压⼒: 30MPa 流量:>40L/min⽓流压⼒: 0.7 MPa ⽔灰⽐: 1.0孔位偏差:≤50mm 垂直度:≤0.5%2、浆液配⽐:3施⼯⼯艺流程(1)、旋喷桩施⼯⼯艺流程简图(2)、施⼯前进⾏管道位置处理⼯作,根据施⼯图纸在现场进⾏孔位放样,并请监理到现场复核;(3)、钻机就位。
钻机安放在设计的孔位上并保持设计⾓度,施⼯时钻杆的允许倾斜度不得⼤于1.5%(4)、将旋喷钻杆下放⾄设计加固底标⾼后,依次开启空压机、⾼压⽔泵和泥浆泵开始输送⽓、⾼压⽔、⽔泥浆液,然后再根据施⼯要求提升旋喷钻杆;(5)、旋喷钻杆提升⾄设计加固顶标⾼后,依次关闭泥浆泵、⾼压⽔泵、空压机,停⽌输送⽔泥浆液、⾼压⽔和⽓。
清洗钻杆,使钻杆和注浆管路内不允许有残留⽔泥浆。
然后旋喷机移⾄下⼀孔位。
4、施⼯⽅法和技术措施(1)测量定位测量组⽤红油漆或者钢筋头等标志对设计的孔位进⾏放样。
要求孔位偏差不宜⼤于5cm,对孔位的标⾼进⾏测量。
(2)钻孔:采⽤浅孔钻机钻进。
开钻前⽤⽔平尺测量平台的⽔平度及钻杆的垂直度;钻进过程中,须随时注意观察钻机的⼯作情况,钻孔⾓度度偏差控制在1.5%范围内。
(3)浆液采⽤⽔泥浆,⽔灰⽐控制在 1.0,具体的浆液配合⽐通过在注浆前及起先⼏个孔注浆时现场试验确定。
(4)下旋喷管:在插⼊旋喷管前先作检查⾼压⽔与空⽓喷射情况,各部位密封圈是否封闭,插⼊后先作⾼压⽔射⽔试验,合格后⽅可喷射浆液。
高压旋喷桩止水帷幕施工方法高压旋喷桩止水帷幕施工方法1 高压旋喷桩施工程序采用三管法高压旋喷灌浆方法施工,高喷灌浆桩施工流程见图6-3-1。
图6-3-1高喷灌浆桩施工流程2 主要施工要点2.1测放桩位根据图纸基坑位置标记线确定旋喷桩位置。
2.2钻机安装钻机安装后必须稳固周正,安置在标定的桩位上,使钻头中心对准桩中心,桩位偏差不得超过20mm,用水平尺调整及钻杆垂直,确保孔斜率不大于1%。
在钻进过程中,经检查发现孔斜过大,应有及时调整桩机水平度及钻杆垂直度,终孔后校量钻具,孔深精度控制在正负10cm 以内。
2.3钻孔施工采用地质钻机引孔,硬质合金或金刚石钻头回转钻进,Φ108mm粗径钻具长度不少于3.5m,钻头外径Φ110mm。
钻孔直径Ф110~130mm,钻进至设计深度要求。
2.4桩机就位成孔完成后将钻机移走,换用旋喷桩机。
安置桩机在已成桩位上,使钻头中心对准孔位中心,就位偏差不得超过30mm,确保最终桩位偏差不大于50mm,用水平尺调整桩机水平及注浆管垂直度,确保成桩垂直度不大于1%。
2.5地面试喷下喷射管前,应在地面进行试喷,以检查各项技术参数是否达到设计要求。
2.6旋喷注浆将注浆管下置至设计深度后,启动高压水射流泵、注浆泵和空压机进行旋喷作业,在桩底停浆约半分种后按60~150mm/min的速度徐徐提升钻杆,利用喷射旋转提升的协调作用,将水泥浆和原土中的粗颗粒及新的冲切体旋转成一体,硬化后成桩。
在注浆过程中,认真检查水泥浆的水灰比和流量、高压泵压力和钻杆的提升速度及回转速度等施工参数,并及时作好现场施工记录。
本工程地质条件主要为粉质粘土和粉土层,自上而下密实性提高,高喷参数见表7-3-1。
表6-3-1高喷灌浆施工参数建议数值表高喷方法施工参数浆压力(MPa)32~34流量(L/min)80~90密度(g/cm3)1.35~1.45提升速度(cm/min)15~25旋转速度(r/min)15~202.7水泥浆液制备输送回填灌浆:喷射结束后,水泥浆不断析水固结,浆面随之下降,应及时向孔内补充水泥浆液直至液面不再下降为止。
高压旋喷桩止水帷幕施工方案1. 引言高压旋喷桩止水帷幕是一种有效的地下水防治工程方法,广泛应用于基坑、地下室和地铁工程等场所。
本文档旨在提供一个详细的施工方案,为相关工程的实施提供指导。
2. 工程概述高压旋喷桩止水帷幕工程是通过在地下进行喷射,形成一层连续的水密帷幕,有效隔离地下水的渗透。
该工程包括以下重要步骤:2.1 前期准备在施工前,需要进行详细的现场勘察和设计,根据地质条件和工程需求确定施工参数。
同时,准备好所需的材料和设备,包括高压旋喷桩机、喷嘴、高压水泵、导向套管等。
2.2 施工步骤1.根据设计要求,确定喷射孔的位置和间距。
通常,喷射孔的间距应根据地质条件和管道宽度来确定,一般为1-1.5米。
2.利用导向套管保持喷射孔的稳定,避免侧壁坍塌。
将导向套管逐渐推入地下,直至达到设计要求的深度。
3.将高压旋喷桩机和高压水泵连接好,并将喷嘴插入导向套管中。
调整喷嘴的角度和喷射压力,确保喷射孔内的水泥浆能够充分混合。
4.开始喷射,将水泥浆以高压喷射到地下。
喷射过程中要注意喷射速度和喷射压力的控制,以及均匀喷射,确保止水帷幕的质量和连续性。
5.喷射完成后,进行质量检验。
主要包括测量止水帷幕的厚度和密实度,确保达到设计要求。
6.移动喷射设备和导向套管,继续进行下一孔的喷射,直至完成所有喷射孔的施工。
2.3 施工注意事项•在施工过程中,要定期检查设备的工作状态,确保安全可靠。
•喷射孔位置的选择应避免与其他地下设施和管线冲突。
•喷射孔周围的地表要进行保护措施,避免泥浆污染和坍塌。
•施工过程中要密切观察地下水位和周围环境变化,及时调整喷射参数。
3. 质量控制为了确保高压旋喷桩止水帷幕工程的质量,需要进行一系列的质量控制措施:•对材料进行检验,确保符合相关标准。
•进行施工前和施工中的质量检查,包括喷射孔的深度、喷射压力和角度等。
•定期抽检已喷射孔的止水效果,确保止水帷幕的连续性和质量。
•进行施工后的终验,检验止水帷幕的厚度和密实度是否符合要求。
地下车库基坑双管高压旋喷桩帷幕止水施工方案1. 项目背景地下车库的基坑是地下结构工程中一个重要的部分,基坑施工过程中,防水工作尤为关键。
而双管高压旋喷桩是一种常用的基坑支护结构,对于止水效果要求较高的地下车库项目,帷幕止水施工方案尤为重要。
2. 施工原理双管高压旋喷桩是一种基坑支护结构,通过高压旋喷技术将水泥浆料喷射到地下,形成一定直径的喷桩。
在地下车库基坑边缘区域施工时,需采用帷幕止水技术,通过旋喷桩施工构筑止水帷幕,防止地下水倒灌。
3. 施工步骤3.1 前期准备在进行双管高压旋喷桩帷幕止水施工之前,需要对现场进行勘测评估,制定施工方案并获得相关许可证。
确保施工区域周边的建筑物和管线等不受到损害。
3.2 设备搭建搭建高压旋喷设备,包括旋喷机、水泥浆料输送管道等。
检查设备是否运行正常,保证施工顺利进行。
3.3 施工液体配置根据施工设计要求,配置适量的水泥浆料,确保浆液的流动性和均匀性。
3.4 施工作业按照设计要求和施工方案,进行双管高压旋喷桩的施工,形成地下支护结构。
同时,利用高压旋喷技术形成帷幕止水结构,防止地下水渗透。
3.5 施工质量控制施工过程中,应根据技术标准和要求对施工质量进行监控和检测,确保止水效果达到设计要求。
4. 施工注意事项•施工过程中需保持施工现场整洁,避免杂物掉落到基坑内部。
•施工人员应严格按照操作规程进行操作,确保施工安全。
•帷幕止水结构应保持一定的厚度和连续性,避免漏水风险。
5. 施工后维护完成双管高压旋喷桩帷幕止水施工后,需对施工结构进行定期检查和维护,确保基坑支护结构的稳定性和止水效果持久。
6. 结束语地下车库基坑双管高压旋喷桩帷幕止水施工方案是地下结构工程中关键的施工环节,通过科学合理的施工方案和规范的施工操作,可以有效确保地下车库工程的安全和质量。
希望本方案能够为相关项目的施工提供参考和指导,达到预期的施工效果。
高压旋喷桩施工方案一、工程概况本工程止水帷幕原采用三重管高压旋喷桩的止水方案。
三重管高压旋喷桩桩直径为800mm,为确保三重管高压旋喷桩施工时不破坏工程支护桩,必须待工程支护桩混凝土强度达到设计强度80%后再施工。
二、三重管高压旋喷桩施工工艺1.工艺原理1)、加固原理高压喷射注浆法是利用钻机把带有喷嘴的注浆管钻进土层的预定位置后,以高压设备使浆液或水、(空气)成为25~36MPa的高压射流从喷嘴中喷射出来,冲切、扰动、破坏土体,同时钻杆以一定速度逐渐提升,将浆液与土粒强制搅拌混合,浆液凝固后,在土中形成一个圆柱状固结体(即旋喷桩),以达到止水防渗的目的。
2)、成桩机理高压喷射注浆的成桩机理包括以下五种作用:(1)、高压喷射流切割破坏土体作用。
喷射流动压以脉冲形式冲击破坏土体,使土体出现空穴,土体裂隙扩张。
(2)、混合搅拌作用。
钻杆在旋转提升过程中,在射流后部形成空隙,在喷射压力下,迫使土粒向着与喷咀移动方向相反的方向(即阻力小的方向)移动位置,与浆液搅拌混合形成新的结构。
(3)、充填、渗透固结作用。
高压水泥浆迅速充填冲开的沟槽和土粒的空隙,析水固结,还可渗入砂层一定厚度而形成固结体。
(4)、压密作用。
高压喷射流在切割破碎土层过程中,在破碎部位边缘还有剩余压力,并对土层可产生一定压密作用,使旋喷桩体边缘部分的抗压强度高于中心部分。
2.工艺流程高喷灌浆工艺流程图如下:3.施工工艺1)、钻高喷灌浆孔(1)测量放样根据设计单位提供的施工图纸和技术要求及本项目部测放的施工控制网,采用经检验合格的全站仪、水准仪和钢卷尺,放出高喷轴线,定出具体施工的各个孔位,测出各孔位的孔口高程。
孔位用木桩和红油漆标出,同时在坝顶外边坡放出每个孔位的控制点。
并把高喷轴线、孔位、孔口高程的放样制成果图表报监理单位审批复核合格后,开始进行造孔施工。
(2)钻高喷灌浆孔造孔采用钻灌一体高喷机进行回转钻进下放高喷杆,采用P.O42.5的普通硅酸盐纯水泥浆进行护壁,同时开低压力水、气、浆进行回转钻进,钻孔孔径110mm。
高压旋喷桩止水帷幕施工方案本文介绍了长江南京段上游过江通道左汊隧道浦口明挖段基坑围护及加固工程的施工方案。
该工程采用高压旋喷桩作为止水帷幕,桩径为φ800,施工过程中使用二重管法。
地质条件为粉质粘土、淤泥质粉质粘土和粉土。
旋喷桩是一种新的加固土体和止水帷幕的方法。
施工流程一般先用钻机引孔,再用高压泵将水泥浆液通过特殊注浆管端头的喷嘴,以高速喷入土层。
喷嘴在喷浆液时,一面缓慢旋转,一面徐徐提升,高压喷出的浆液不断切削土层,并使强制切削下来的土体与浆液充分混合,最后在喷射力的有效射程范围内形成一个混合物圆形凝柱体。
施工方法为先用钻机引孔,再用旋喷机喷射,将开孔和灌注桩体同时进行,一次成桩。
在施工过程中,需注意防止管外泥砂或管内水泥浆小块堵塞喷嘴。
钻机需平置于牢固坚实的地方,钻杆对准孔位中心,偏差不超过5cm。
制浆时,需按照顺序往管内输送高压浆液和压缩空气,胶带将注浆喷头下到预定位置,然后启动高喷台车、空气压缩机和主机钻进扩桩。
旋喷桩的直径、长度、竖直度、偏差符合设计要求。
检验方法:测量旋喷桩的直径、长度、竖直度、偏差。
3)强度项目:旋喷桩的抗压强度符合设计要求。
检验方法:取样试验,符合强度标准。
2)质量控制1)水泥浆的配合比应根据设计要求进行调整,严格控制水灰比。
2)注浆过程中,应注意检查各项参数,确保注浆质量。
3)施工过程中,应严格按照操作规程进行,确保施工质量。
4)施工结束后,应进行质量检验,确保旋喷桩质量符合设计要求。
旋喷桩的桩体深度、直径、强度和渗透系数等必须符合设计要求。
检验方法包括钻孔取样检验、标准贯入试验和开挖检查。
冒浆体试块试验也是必要的,以便判断强度参数。
冒浆体应在喷射后期,即水泥与土混合状态较接近地下实际混合状态时取样。
钻孔取芯的方法可用于检查桩体均匀性和抗压强度。
旋喷桩的允许偏差和检验方法应符合规定。
具体项目的允许偏差和检验方法应符合下表的规定。
在旋喷桩施工前,必须进行水平和垂直校正,确保钻杆与桩位吻合,偏差控制在10毫米以内。
旋喷桩止水帷幕施工工艺1. 旋喷桩止水帷幕的背景说到旋喷桩,你可能会觉得这是个复杂的工程术语,不过别担心,咱们可以把它拆开讲讲。
首先,“旋喷桩”听起来是不是有点像什么高科技产品?其实不然,它就是用来加固土壤的一种方法。
想象一下,我们把土壤看作一块大布,旋喷桩就像是把这块布缝得更紧、更结实,让它不容易变形。
至于“止水帷幕”,那就是在地下工程里,防止水分渗透的一层“防护墙”。
所以,总的来说,旋喷桩止水帷幕就像是为地下工程建了个坚实的“防护盾”,保证水不会进到咱们不想让它进的地方。
2. 旋喷桩止水帷幕施工的准备2.1 设备和材料准备首先,咱们得准备好工具和材料。
这就像是做饭之前要先准备好食材和锅碗瓢盆一样。
施工过程中,我们需要旋喷设备、浆液、钢筋等。
这些设备有点像机械师的“宝贝”,每一个都肩负着重要的任务。
旋喷设备就像是那“神奇的魔杖”,能把浆液喷射到土壤里,形成一个坚固的桩体。
而浆液呢,就像是魔法药水,它会与土壤结合,形成一种特殊的混合物,确保土壤的稳定。
2.2 施工区域的准备施工之前,还得对现场进行准备。
这包括测量、定位、清理杂物等等。
就像是准备大扫除一样,得把所有的障碍物清除干净,才能开始“正式开工”。
同时,我们还要对施工区域进行详细的测量和定位,确保桩位准确无误。
这一步非常重要,因为这关系到整个工程的质量。
如果测量有误,就好像把菜谱上的材料搞错了一样,结果肯定会大打折扣。
3. 旋喷桩施工工艺3.1 桩体施工正式施工开始后,我们就要用旋喷设备进行桩体的施工了。
这一步就像是画画,旋喷设备在土壤中旋转喷射浆液,形成桩体。
浆液通过高压喷射进入土壤,与土壤发生化学反应,逐渐硬化,形成一个稳定的桩体。
这里有个细节,就是要根据土壤的不同情况调整喷射的压力和浆液的配比,确保桩体的质量和强度。
这就像是调料的搭配,合适的比例才能做出美味的菜肴。
3.2 止水帷幕施工接下来就是“防护墙”的施工了。
我们要在桩体的周围形成一个连续的、密不透水的帷幕,以防止水分渗透。
双管旋喷桩桩间止水施工方案一、工程概况本工程为基坑桩间旋喷桩止水工程,其基坑挡土桩为φ1000钻孔灌注桩,桩间距为1100,桩外围采用深层搅拌桩止水,钻孔桩间采用双管高压旋喷桩作为固结填充,其旋喷桩设计如下:每钻孔灌注桩间采用一双管高压旋喷桩,旋喷桩桩径为800,桩深度为14米。
二、旋喷桩施工一)双重管旋喷桩施工工艺1、双重管法原理:双重管法是使用双通道的二重注浆管.把二重注浆管放至设计的土层深度后,通过在管底侧面的一个同轴双重喷嘴,同时喷射出高压浆液和空气两种介质的喷射流冲击破坏土体。
即以高压泥浆泵等高压发生装置喷射出20Mpa以上压力的浆液,从喷嘴中高速喷出.并用0。
5Mpa左右压力把压缩空气,从外喷嘴中喷出。
在高压浆液流和它外圈环绕气流的共同作用下,喷嘴一面喷射一面旋转和提升,最后在土中形成圆柱状固结体。
2、双重管旋喷施工工艺:(双重管)二重管高压旋喷注浆工艺流程图3、双重管旋喷桩(试喷)技术参数初步设计(1)注浆材料的选择①水泥浆液的水灰比为0。
8~1.1②浆液材料:32.5R普通硅酸盐水泥(或粉煤灰硅酸盐水泥)(2)试喷技术参数取值范围。
见下表技术参数取值范围四)主要工序施工流程方法:1、高喷设备的安装、调试、就位等作业前的准备工作:(1)首先将双管高压旋喷注浆施工所需全套设备/辅助设备,按施工场地情况进行合理布置、安装.(2)然后分别检查气、浆两大系统各种设备运转是否正常,管路是否畅通(进行地面管路试喷),测试监控仪器是否齐备、完好.确信无误后方可进入下一步工序。
A.供气系统:空压机风管送液器高喷杆喷头B .供浆系统: 搅拌机过滤网 贮浆桶 高压注浆泵 压力表 浆管 送液器 高喷杆 喷头C .旋喷钻机、喷管、喷头、风嘴、浆嘴的检查。
(3)各种设备检查完毕后在地表进行联合试机/试喷检查,以确定各种设备能否正常进行工作。
把各种压力和流量调到喷射注浆施工的要求值进行试喷,不仅可以了解各种管路是否畅通/密封,而且可以了解浆嘴、风嘴的加工质量。
套管灌注桩-旋喷桩止水帷幕施工工法套管灌注桩-旋喷桩止水帷幕施工工法一、前言套管灌注桩-旋喷桩止水帷幕施工工法是一种常用的地下工程中的止水施工方法之一。
通过套管灌注桩和旋喷桩的相互配合,形成一道有效的止水帷幕,能够有效地阻止地下水的渗透,确保地下工程的施工质量。
二、工法特点1.灵活适应性:套管灌注桩可以根据现场的具体情况和需求,灵活调整桩身和桩径,以适应各种复杂地质条件,如软土、黏土、砂土等。
2.施工速度快:套管灌注桩和旋喷桩采用现代化的机械施工方式,施工速度快,能够有效提高工期进度,减少工程时间和成本。
3.施工效果好:套管灌注桩和旋喷桩的施工工法结构坚固,能够有效地阻隔地下水的渗透,形成稳定的止水帷幕,确保地下工程的施工质量和安全性。
4.施工范围广:套管灌注桩和旋喷桩止水帷幕施工工法适用于各种不同类型的地下工程,如地下室、地下管廊、地铁隧道等。
三、适应范围套管灌注桩-旋喷桩止水帷幕施工工法适用于以下场合:1.软土地质:对于软土地质,套管灌注桩和旋喷桩能够有效地增加土体的稳定性和承载能力,防止地下水渗透。
2.高地下水位:对于高地下水位场合,套管灌注桩和旋喷桩能够形成有效的止水帷幕,防止地下水渗透。
3.土体不稳定:对于土体不稳定的场合,套管灌注桩和旋喷桩能够增加土体的稳定性,防止因土体失稳而引起的地下水渗透。
4.地下工程施工:套管灌注桩和旋喷桩止水帷幕施工工法适用于地下工程施工中的各种需求,能够满足不同工程的要求。
四、工艺原理套管灌注桩-旋喷桩止水帷幕施工工法通过套管灌注桩和旋喷桩的相互配合,形成一道有效的止水帷幕,阻止地下水的渗透。
1.套管灌注桩的作用:套管灌注桩通过搅拌土体、均匀注入混凝土,形成一个坚固的桩身,能够有效增加土体的稳定性。
同时,套管灌注桩在施工过程中会带出部分地下水,起到排水的作用。
2.旋喷桩的作用:旋喷桩通过旋转喷射混凝土,在周围土体形成一层坚固的桩身。
旋喷桩的喷射速度和喷射角度可以根据现场的具体情况进行调整,以达到最佳的止水效果。
地下车库基坑双管高压旋喷桩帷幕止水施工方案一、工程概况地下车库基坑是指位于地面以下的停车场。
由于地下车库处于地下水位以上,且周围地质条件较差,因此在基础施工过程中必须进行防水措施,确保地下停车场不受地下水渗漏的影响。
本施工方案将采用双管高压旋喷桩帷幕止水技术,实现地下车库基坑的有效防水。
二、方案描述1.项目准备1.1项目责任人组织施工人员进行技术培训,确保施工人员熟悉施工工艺,了解施工过程中的安全措施和注意事项。
1.2项目责任人同地质勘探单位对基坑周边地质进行勘探,确定地层情况和地下水位。
1.3根据勘探结果和设计要求,确定双管高压旋喷桩帷幕的深度、间距和止水效果要求,并制定施工计划。
1.4采购和整理施工所需要的材料和设备。
2.施工准备2.1划定施工区域,并将施工区域进行围护隔离,确保施工过程安全。
2.2施工区域清理,清除杂物和水泥渣,保持地表整洁。
2.3确定桩位和桩序,绘制桩位平面图,并在现场设立参考点进行测量和记录。
3.施工工序3.1基坑边界桩3.1.1依据设计要求,在基坑外围进行基坑边界桩的布设,形成边界桩线。
3.1.2在边界桩线上选取合适位置,进行示坑和挖过程中的装配桩施工,确保边界的桩位准确。
3.2钻孔3.2.1根据施工计划,确定双管高压旋喷桩帷幕钻孔的位置和间距。
3.2.2使用高压旋喷钻机进行钻孔,钻孔直径根据设计要求确定,同时要保证钻孔的垂直度和孔径的一致性。
3.3桩体施工3.3.1在钻孔口进行清孔和定盲孔。
清孔是指清除钻孔中的泥浆、泥沙等杂物,以确保桩体的紧密接触和支护效果。
定盲孔是指在钻孔中底进行喷浆或注浆,形成一个密闭的环境,以防止地下水涌入钻孔中。
3.3.2使用高压旋喷桩机进行喷浆处理,将高强度水泥浆注入钻孔中,形成桩体,提高周围土体的强度和密实性。
4.施工质量控制4.1在施工过程中,根据施工记录进行质量控制,确保桩体的密实性和止水效果符合设计要求。
4.2桩顶和挂筋的控制,确保施工过程中的标高控制准确。
高压旋喷桩止水帷幕施工方案一、引言高压旋喷桩止水帷幕施工是一种常见的地下工程防水措施,通过将高压旋喷桩灌注至地下,形成一道防水屏障,有效阻止地下水的渗漏。
本文将详细介绍高压旋喷桩止水帷幕施工的方案及步骤。
二、施工准备在施工前,需要做好以下准备工作:1. 完成勘察和设计工作,确定施工位置和层数。
2. 分析地质情况,了解地下水位和土层类型。
3. 准备所需施工设备和材料,包括旋喷桩机、管道、水泥、砂浆等。
三、施工步骤1. 施工准备a. 将施工设备和材料运送至施工现场。
b. 根据设计要求搭设工地围挡,并设置施工通道。
2. 地层处理a. 根据地质情况,选择合适的地层处理方式,如挖土、冲洗泥浆等。
b. 清理地表杂物,确保施工区域干净整洁。
3. 旋喷桩施工a. 使用旋喷桩机在指定位置孔深旋喷高压旋喷桩。
b. 控制旋喷桩施工的角度和速度,确保桩身的密实。
4. 帷幕连续施工a. 旋喷桩成孔后,立即进行帷幕施工,确保连续性。
b. 连续旋喷桩,直至达到设计要求的长度。
5. 帷幕封顶a. 达到设计要求的施工深度后,进行帷幕封顶处理。
b. 封顶过程中要控制好水泥浆的浆液含量和混合物的比例。
6. 后续处理a. 施工完成后,对施工现场进行清理,确保环境整洁。
b. 对施工过程进行检查和评估,及时解决存在的问题。
四、质量控制1. 监测控制a. 在施工过程中,通过安装水位监测仪器等设备,监测地下水位的变化。
b. 实时监测帷幕施工过程中的施工参数,如注浆压力、流量等。
2. 质量验收a. 对施工现场进行巡视,并进行质量验收,确保施工质量达到设计要求。
b. 采集样本进行试验,对帷幕的抗渗性能进行评估。
五、安全措施1. 进行必要的施工安全培训,确保施工人员了解和掌握安全操作规程。
2. 合理设置施工警示标志,确保施工现场的安全通畅。
3. 定期检查施工设备和工具的安全状况,及时维修或更换。
六、总结通过高压旋喷桩止水帷幕施工方案,可以有效地解决地下工程中的渗水问题,保障工程的安全和稳定。
高压旋喷桩止水帷幕施工工艺引言:高压旋喷桩止水帷幕是一种常用的地下工程施工技术,可以有效地防止地下水渗透和土体失稳。
本文将详细介绍高压旋喷桩止水帷幕的施工工艺及其应用。
一、高压旋喷桩止水帷幕的定义和作用高压旋喷桩止水帷幕是通过高压旋喷桩施工技术将水泥浆液喷注到地下,形成连续的水泥墙,以阻止地下水渗透。
它在地下工程中起到了防水、防渗和加固土体的作用,广泛应用于地铁隧道、地下车库、基坑工程等。
二、高压旋喷桩止水帷幕的施工工艺高压旋喷桩止水帷幕的施工工艺包括以下几个关键步骤:1. 地质勘察和设计:在施工前,需要进行地质勘察,了解地下水位、土体的性质和地下工程的要求。
根据地质勘察结果,设计出适合的高压旋喷桩止水帷幕的参数和施工方案。
2. 现场准备:在施工现场,需要准备好所需的施工机械设备,如高压旋喷桩机、混凝土搅拌机、输送泵等。
同时,还需要准备好水泥、骨料和其他辅助材料。
3. 施工孔洞准备:根据设计要求,在地下挖掘出一系列的孔洞,孔洞的直径和间距根据具体情况而定。
孔洞的挖掘可以采用机械挖掘或人工挖掘的方式。
4. 高压旋喷桩施工:在孔洞中,通过高压旋喷桩机将水泥浆液喷注到地下。
高压喷注的过程中,需要控制好喷注的速度和压力,保证喷注的均匀和稳定。
同时,还需要根据设计要求,控制好喷注的深度和间距。
5. 桩身固化和硬化:高压旋喷桩喷注完成后,需要等待一定的时间,让水泥浆液充分固化和硬化。
通常情况下,需要等待24小时以上,才能进行后续施工。
6. 后续施工:高压旋喷桩止水帷幕施工完成后,可以进行后续的地下工程施工。
在后续施工中,需要注意避免对已施工的高压旋喷桩帷幕进行损坏。
三、高压旋喷桩止水帷幕的优点和应用范围高压旋喷桩止水帷幕具有以下几个优点:1. 施工效率高:高压旋喷桩止水帷幕的施工速度快,可以在较短的时间内完成大面积的施工。
2. 施工质量好:高压旋喷桩止水帷幕可以形成连续的水泥墙,具有较高的密实度和强度,能够有效地阻止地下水渗透。
一、工程概况本工程采用三管旋喷桩技术,主要用于地基加固和止水帷幕。
旋喷桩施工是地基处理和加固的重要手段,能有效提高地基承载力,降低地基沉降,防止地下水渗漏。
本方案旨在明确三管旋喷桩的施工工艺、质量控制要点、安全措施等,确保施工质量,确保工程顺利进行。
二、施工准备1. 施工人员:组织具备相关资质和经验的施工队伍,对施工人员进行技术培训,确保施工人员掌握三管旋喷桩的施工技术。
2. 施工材料:根据设计要求,准备好水泥、水、砂等原材料,确保材料质量符合国家标准。
3. 施工设备:准备三管旋喷桩施工设备,包括旋喷桩机、钻机、喷浆泵、搅拌机等,确保设备性能良好。
4. 施工场地:清理施工场地,确保场地平整、排水畅通。
三、施工工艺1. 钻孔:采用XY-100型地质钻机进行钻孔,钻孔直径应大于设计桩径。
2. 喷浆:采用GS500-4高台喷车进行旋转喷浆,喷浆压力控制在0.5-1.0MPa。
3. 旋喷:采用三管法进行旋喷,喷浆管、旋喷管和搅拌管分别布置在桩中心,喷浆管和旋喷管内注入水泥浆,搅拌管内注入水。
4. 旋转喷浆:旋转喷浆过程中,确保喷浆管、旋喷管和搅拌管同步旋转,形成旋喷桩。
5. 喷浆结束:喷浆结束后,关闭喷浆泵,拔出喷浆管,继续旋转搅拌管,将剩余水泥浆搅拌均匀。
6. 成桩:待水泥浆固化后,形成旋喷桩。
四、质量控制要点1. 钻孔:确保钻孔垂直度、孔径、孔深等符合设计要求。
2. 喷浆:严格控制喷浆压力、水泥浆配比、喷浆量等,确保喷浆质量。
3. 旋喷:确保旋喷桩的旋转速度、喷浆速度、搅拌速度等符合设计要求。
4. 成桩:检查旋喷桩的强度、桩径、桩长等,确保成桩质量。
五、安全措施1. 施工现场设置警示标志,确保施工人员安全。
2. 施工人员佩戴安全帽、安全带等防护用品。
3. 施工设备定期检查、保养,确保设备运行正常。
4. 施工过程中,注意防范触电、中毒、火灾等安全事故。
六、施工进度安排根据工程进度要求,制定详细的施工进度计划,确保工程按期完成。
高压旋喷桩接缝止水施工方案
6.1 概述
本工程地墙接缝处设3根旋喷桩(呈品字形布置)加强防水。
具体内容详见下表:
高压旋喷桩参数表
6.2 喷桩施工参数
本工程高压旋喷桩水泥采用42.5级普通硅酸盐水泥,水泥掺量25%,水灰比0.8:1.0。
开挖前必须对高压旋喷桩进行强度检查,如有需要可采取同步钻芯取样作强度试验。
根据以往经验及结合本工程特点,主要施工参数如下:
施工参数表
6.3 设备配备
配备1套旋喷设备,每套设备主要有:
6.4 施工工艺流程
1、流程图
高压旋喷施工流程为:于场地西南侧作为起点沿顺时针方向施工。
单桩施工流程如下图:
2、施工流程
a、准确确定孔位;
b、液压钻机就位钻孔;
c、高喷台车将喷头贯入到加固设计底部深度;
d、开始喷射上提至加固设计顶部高度;
e、将喷头提出地表清洗及移位。
6.5 施工方法
1、施工现场准备
旋喷施工的最大电力要求为90KW/套,设备材料堆场。
2、泥浆管理及外运
充分利用现场原有泥浆箱及排浆沟,并根据旋喷桩具体桩位砌出临时性排浆沟,待干燥后按土方及时运出场外处理。
3、施工安排
旋喷桩施工采用跳打方式进行,并根据现场条件加以调整,以保证施工工期。
6.6 质量保证措施
1、钻机就位与设计位置偏差小于5cm,垂直偏差度小于1/200。
2、施工时严格控制各种施工参数,发现问题及时汇报处理。
3、现场施工做到及时记录、及时整理,发现问题及时汇报处理。
4、在施工时严格遵守操作规程,班长和技术员严格进行质量自检。
旋喷桩加固及止水施工
施工技术参数见表3.1.3.2-1。
表3.1.3.2-1 旋喷桩施工技术参数表
②施工机械设备
旋喷桩施工采用双管旋喷设备。
主要由高压泥浆泵、旋喷钻机、浆液搅拌罐、高压喷管组成。
所用水泥浆,水灰比要按设计规定不得随意更改。
禁止使用受潮或过期的水泥。
在喷射注浆过程中防止水泥浆沉淀。
在喷射注浆过程中,观察冒浆的情况,以及时了解土层情况、喷射注浆的效果和喷射参数是否合理。
喷射注浆时,冒浆量小于注浆量20%为正常现象;超过20%或完全不冒时,应查明原因并采取相应的措施。
若系地层中有较大空隙引起的不冒浆,可在浆液中掺加适量速凝剂或增大注浆量;如冒浆过大,可减少注浆量或加快提升和回转速度,也可缩小喷嘴直径,提高喷射压力。
对冒浆应妥善处理,及时清除沉淀的泥渣。
在砂层用单层或双层注浆旋喷时,可以利用冒浆补灌已施工过的桩孔。
在施工下一根旋喷桩时,将该桩的冒浆直接导入上一根已施工完成的旋喷桩孔内补浆,直至孔内完全填满。
⑥旋喷桩施工质量技术措施
施工前做好技术交底工作,并由技术负责人对相关人员进行培训,了解和掌握旋喷桩的施工工艺,并在施工过程中贯彻执行。
施工前检查高压水的喷射情况,各部位密封圈是否封闭,各管路安装是否正常,喷嘴是否畅通,进行高压射水试验,指定专人试泵。
旋喷桩施工水泥浆的搅拌在旋喷前一小时以内进行,旋喷过程中冒浆量控制在10~25%。
质量检验在喷射注浆结束28天后进行,旋喷体深度、直径、抗压强度
和透水性等,符合设计要求。
检验点的数量为施工注浆孔数的2~5%,不合格者进行补喷。
备齐主要机具设备的易损零件,保证检查更换不中断施工。
浆液在贮浆罐内不断搅拌,以防沉淀和降低浓度,浆液搅拌完毕后送至吸浆桶时用滤网过滤,以免堵塞管路和喷嘴。
水泥浆液搅拌时间须在旋喷前一小时内进行,并严格控制水灰比。
按设计要求做现场测试,以
确定施工方案中的
旋喷技术参数是否合适,旋喷桩的整体性、均匀性、有效直径、抗压强度是否满足设计要求,及时调整技术参数。
旋喷管的旋转和提升必须连续不间断,如出现间断,必须保证有10厘米的搭接长度,保证旋喷桩不脱节。
⑦旋喷桩施工安全措施
施工人员进入施工现场,必须正确戴好安全帽等防护用品,没有配戴相应的防护用品不得进入施工场地。
各类机械的“安全操作规程”牌放在显眼的地方,操作人员严格按“安全操作规程”的规定操作施工机械。
加强机械设备检查、维修保养,机械设备不得带病工作,严格执行安全操作规程。
对施工操作人员进行定期安全教育,提高其安全意识。
加强用电管理,所有带电设备需接地,并有防雨措施,电动设备要安触(漏)电保护器。
封闭好施工现场,减少对周围环境干扰,杜绝外来伤亡事故发生,协调周围交通管理工作。
备足消防器材且放在明显的地方,经常检查,保持完好。
强化日常安全措施,必要时采用经济手段提高施工人员的安全意识。